Монтаж системы отопления жилого дома в г. Мариинск
Федеральное государственное
образовательное учреждение
Среднего профессионального
образования
"Новосибирский монтажный
техникум"
Монтаж системы отопления жилого дома
в г. Мариинск
Курсовой проект
Руководитель С.В. Петерсон
Нормоконтроль Е.И. Токарева
Выполнил Е.М. Марковин
Содержание
Введение
Исходные данные
1. Теплотехнический расчет ограждающих конструкций
2. Расчет теплопотерь помещений
3. Выбор системы отопления
Заключение
Список литературы
Введение
Основная цель отопления - создание теплового комфорта в
помещении, тепловых условий, благоприятных для жизни и деятельности человека.
В нашей стране предстоит осуществить полную реконструкцию
технической базы народнохозяйственного комплекса, что позволит улучшить условия
жизни и труда человека. Это улучшение должно быть связано в частности, с
созданием теплового комфорта, который в холодное время года во многом
определяется совершенствованием систем отопления зданий.
В настоящее время широко применяется система
централизованного теплоснабжения на базе комбинированной выработки тепла и
электроэнергии на ТЭЦ. Системы отопления требуют огромных затрат топлива, запас
которого ограничен и выработан. Поэтому ведутся поиски нетрадиционных видов
энергии - солнечной, геотермальной, энергии ветра, - а также разработка и
совершенствование технологий использования атомной энергии (АЭС).
Надежную работу систем отопления обеспечивает не только
качество проектирования, но и организация монтажа и эксплуатации. Повышение
производительности труда в санитарной технике в дальнейшем будет осуществляться
за счет освоения новых автоматизированных технологий, сокращения доли
применяемого ручного труда и увеличения доли механизированного и
автоматизированного, улучшения технологий их использования. В работе в данном
случае значительно возрастает роль мастера, как непосредственного руководителя
коллектива на порученном ему участке строительно-монтажных работ. В обязанности
мастера входит обеспечение выполнения монтажных работ в установленные сроки,
обеспечение высокого качества работ, экономии материальных ресурсов.
Решение социальных задач в нашей стране возможно лишь при
обновлении основных фондов народного хозяйства, при концентрации материальных и
финансовых ресурсов в сфере производства и использовании их для технического
перевооружения и реконструкции предприятий.
Необходимо перейти на комплексную поставку стройкам
инженерного и технического оборудования укрупненными блоками.
Внутренние санитарно-технические работы составляют
значительную часть в общем строительстве. Монтажные организации осуществляют
ряд технических мероприятий направленных на повышение качества заготовительных
работ и монтажного производства.
Центральное место среди этих мер занимает перевод предприятий
и организаций на полное самофинансирование на основе коммерческого расчета.
Строительство зданий должно осуществляться в соответствии с
требованиями к тепловой защите зданий для обеспечения, установленного для
проживания и деятельности людей микроклимата в здании, необходимой надежности и
долговечности конструкций, климатических условий работы технического
оборудования при минимальном расходе тепловой энергии на отопление и вентиляцию
зданий за отопительный период.
Микроклимат в помещении характеризуется совокупностью
температуры воздуха, температуры поверхностей обращенных в помещение, влажность
помещения и скорость движения воздуха. Значение параметров микроклимата следует
принимать в зависимости от назначения здания. Температура внутреннего воздуха
определяется с учетом температуры на внутренней поверхности ограждающих
конструкций. Температурная обстановка должна отвечать условиям комфортности:
) определяет температурную обстановку, при которой,
человек, находясь в середине помещения, отдавая явное тепло, не испытывает
ощущение перегрева или охлаждения;
2) ограничивает интенсивность лучистого теплообмена.
Долговечность ограждающих конструкций следует обеспечивать
применением материалов, имеющих надлежащую стойкость (морозостойкость,
влагостойкость, биостойкость, стойкость против коррозии, высокой температуры,
циклических температурных колебаний и других разрушающих воздействий окружающей
среды), предусматривая в случае необходимости специальную защиту элементов
конструкций, выполняемых из недостаточно стойких материалов.
Нормами установлены три показателя тепловой защиты здания:
а) приведенное сопротивление теплопередаче отдельных
элементов ограждающих конструкций здания;
б) санитарно-гигиенический, включающий температурный перепад
между температурами внутреннего воздуха и на поверхности ограждающих
конструкций и температуру на внутренней поверхности выше температуры точки
росы;
в) удельный расход тепловой энергии на отопление здания,
позволяющий варьировать величинами теплозащитных свойств различных видов
ограждающих конструкций зданий с учетом объемно-планировочных решений здания и
выбора систем поддержания микроклимата для достижения нормируемого показателя.
Требования тепловой защиты здания будут выполнены. Если в
жилых и общественных зданиях будут соблюдены требования показателей
"а" и "б" либо "б" и "в". В зданиях
производственного назначения необходимо соблюдать требования показателей
"а" и "б" согласно СНиП 23-02-2003 "Тепловая защита
зданий".
система отопление жилой дом
Исходные
данные
Жилой дом г. Мариинск tн = - 40°С; теплоснабжение
от ИТП с независимой схемой подключения; параметры теплоносителя Т1 =150°С, Т2
= 70°С;
Стены: многослойные, кирпичные.
утеплитель: пенополиуретан δ = 700 мм
Верхнее перекрытие: железобетонная плита.
утеплитель: пенополиуретан δ = 290 мм
Нижнее перекрытие: железобетонная плита.
утеплитель: маты минераловатные δ = 563 мм
этажей; наличие подвала и чердака.этажа = 2,8 м; hокна
= 1,6 м; hдвери = 2 м
ориентация здания:
1.
Теплотехнический расчет ограждающих конструкций
Цель расчета - определить общее термическое сопротивление
ограждающих конструкции, подобрать материалы и определить толщину конструкций.
Определяются коэффициенты исходя из санитарно-технических, комфортных условий и
условий энергосбережения. Требуемое сопротивление теплопередаче по требованиям
энергосбережения определяется по табл.1б СНиП 2 - 3 - 
=235 сутокср О.П. = - 8,1°С
Градусы сутки отопительного периода определяются по формуле:
ГСОП = Z * (tв - tср О. П.)
где Z - продолжительность отопительного периода (суток); tв
- параметры внутреннего воздуха (°С); tср О.П. - температура
наружного воздуха средняя за отопительный сезон (°С) (СНиП 2.01.01-82).
Требуемое термическое сопротивление (
) определяется по таблице СНиП 23 - 02 - 2003 в зависимости от
ГСОП. Путем интерполяции табличных данных определяем требуемое термическое
сопротивление для наших условий.
Фактическое термическое сопротивление определяется по формуле:
где αв - коэффициент теплоотдачи внутренней
поверхности ограждающей конструкции; αн - коэффициент теплоотдачи наружной поверхности;

алгебраическая сумма всех слоев конструкций; 
толщина слоя (м); 
теплопроводность материала (
)
При расчете общего термического сопротивления, учитывается
плотность (ρ)
материала каждого слоя ограждающей конструкции (кг/м3). Еще
необходимо учитывать условие не выпадения конденсата: 
. Разница между
и 
не должна быть больше 5%.
Условия эксплуатации ограждающих конструкций принимаем по
приложению 2 (СНиП 2 - 3 - 
)
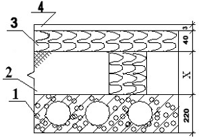
Наружная стена:
1 слой - штукатурка из цементо - песчаного раствора ρ = 1400 кг/м3;
λ = 0,039 
;
слой - кирпичная кладка из керамического кирпича ρ = 1800 кг/м3;
λ = 0,77 
;
слой - теплоизоляция из пенополиуритана ρ = 80 кг/м3;
λ = 0,05 
;
слой - кирпичная кладка из керамического кирпича ρ = 1800 кг/м3;
λ = 0,77 
слой - штукатурка из цементо - песчаного раствора ρ = 1400 кг/м3;
ГСОП =235 × (20 +
(-40)) = 7454
Зная ГСОП для жилого дома, определяем требуемое термическое
сопротивление путем интерполяции табличных значений:
Фактическое термическое сопротивление определяется по формуле:
Принимаем толщину утеплителя 150 мм.
Фактическое термическое сопротивление наружной стены составляет:

Запас термического сопротивления составляет 0% что допустимо.
Нижнее перекрытие:
1 слой - ж/б плита ρ = 2500 кг/м3; λ = 1,92 
;
слой - маты минераловатные прошивные ρ = 125 кг/м3; λ = 0,064 
;
слой - деревянная доска из сосны поперек волокон ρ = 500 кг/м3;
λ = 0,14 
;
слой - линолеум ρ = 1800 кг/м3;
λ = 0,35 
;
Зная ГСОП для жилого дома, определяем требуемое термическое
сопротивление путем интерполяции табличных значений:
Фактическое термическое сопротивление определяется по
формуле:
х = 4,3 * 0,064 = 0,2 = 200 мм
Принимаем толщину утеплителя 200 мм.
Фактическое термическое сопротивление наружной стены
составляет:

Запас термического сопротивления составляет 0% что допустимо.
Верхнее перекрытие
слой - цементо - песчаная штукатурка ρ = 1400 кг/м3; λ = 0,039 
;
слой - ж/б плита ρ = 2500 кг/м3; λ = 1,92 
;
слой - пенополиуритан ρ = 80 кг/м3; λ = 0,05 
;
слой - стяжка ц\п раствором ρ = 1800 кг/м3;
λ = 0,76
;
Зная ГСОП для жилого дома, определяем требуемое термическое
сопротивление путем интерполяции табличных значений:
Фактическое термическое сопротивление определяется по формуле:
х = 4,1 * 0,05 = 0,20 = 200 мм
Принимаем толщину утеплителя 200 мм.
Фактическое термическое сопротивление наружной стены составляет:

Запас термического сопротивления составляет 0% что допустимо.
Наружные двери.
Наружные двери обладают термическим сопротивлением, которое
составляет 60% от термического сопротивления наружной стены.
Таблица 1. Расчет коэффициента теплопередачи
|
Наименование
конструкции
|
δ, мм
|
|
|
|
наружная стена
|
700
|
4,38
|
0,22
|
|
нижнее
перекрытие
|
563
|
6,16
|
0,16
|
|
верхнее
перекрытие
|
290
|
4,8
|
0,2
|
|
тройное
остекление (балконная дверь)
|
-
|
0,63
|
1,8
|
|
наружная дверь
|
-
|
2,3
|
0,43
|
2. Расчет
теплопотерь помещений
Тепловые потери определяются через ограждающие конструкции,
соприкасающиеся с наружным воздухом. Тепловые потери подразделяются на:
основные и дополнительные.
Основные тепловые потери зависят от параметров внутреннего и
наружного воздуха, от особенностей ограждающих конструкций и площади
ограждения. Основные тепловые потери определяются по формуле:
где А - площадь ограждения 
; k-коэффициент теплопередачи ограждающей конструкции; 
tв и tн - расчетные температуры внутреннего
и наружного воздуха для проектирования отопления (раздел 1.1); n-множитель,
учитывающий соприкосновение ограждающей конструкции с наружным воздухом. Для
стен, окон, без чердачных перекрытий, для пола на грунте n = 1. Для чердачных
перекрытий, для пола над подвалом теплопотери снижаются n = = 0,9. n = 0,6 -
0,75 для пола над подвалом.
∑β - сумма
добавленных тепловых потерь на ориентацию (Л3 стр.36):
Дополнительные потери на угловое помещение. Для общественных,
административных, производственных зданий дополнительные тепловые потери на
угловые помещения принимаются в размере β = 0,05 (5%). Добавочные тепловые потери
на врывание холодного воздуха через наружную дверь необорудованной воздушно
тепловой завесой. Для одинарной двери без тамбура β = 0,22Н. Для двойной двери без тамбура β = = 0,34Н. Для двойной двери с тамбуром β = 0,27Н. Для тройной двери с двумя
тамбурами β = 0,2Н;
где Н - высота здания 
Кроме основных тепловых потерь учитывается инфильтрация - это
проникновение холодного воздуха через ограждающие конструкции. Для
производственных зданий инфильтрация принимается в размере 10 - 20%. Для жилых
зданий оборудованных естественной вентиляцией теплопотери на инфильтрацию
определяются по формуле:
|
Наименование
помещения
|
Наименование
ограждения
|
Ориентация
|
Размеры, А м
|
(tв-tн) *n
|
К,  (1+∑β) Q, Вт
|
|
|
|
|
1 Этаж
|
|
|
101 Кухня tв
18°С
|
НС
|
З
|
3*2,8=8,4
|
58
|
0,2
|
1,05
|
102
|
|
|
ПЛ
|
-
|
3,2*2,71=8,6
|
34,8
|
0,21
|
1
|
63
|
|
|
БД
|
С
|
2*0,8=1,6
|
58
|
1,4
|
1,1
|
143
|
|
|
ТО
|
С
|
1,6*1=1,6
|
58
|
1,4
|
1,1
|
143
|
|
|
|
|
|
|
|
|
Qинф=350
|
|
|
|
|
|
|
|
|
Qосн=451
|
|
|
|
|
|
|
|
|
Qобщ=801
|
|
|
102 Жилая
комната tв=20°С
|
ПЛ
|
-
|
17,81
|
36
|
0,21
|
1
|
135
|
|
|
НС
|
С
|
2,5*2,8=7
|
60
|
0,2
|
1,1
|
92
|
|
|
ТО
|
С
|
1,2*1,6=1,92
|
60
|
1,4
|
1,1
|
177
|
|
|
НС
|
С-В
|
1,3*2,8=3,64
|
60
|
0,2
|
1,1
|
48
|
|
|
ТО
|
С-В
|
0,9*1,6=1,44
|
60
|
1,4
|
1,1
|
133
|
|
|
|
|
|
|
|
|
Qинф=752
|
|
|
|
|
|
|
|
|
Qосн=585
|
|
|
|
|
|
|
|
|
Qобщ=1337
|
|
|
103 Жилая
комната tв=20°С
|
НС
|
С
|
2,7*2,8=7,56
|
60
|
0,2
|
1,1
|
100
|
|
|
ТО
|
С
|
1,5*1,6=2,4
|
60
|
1,4
|
1,05
|
212
|
|
|
ПЛ
|
-
|
2,7*4,1=11,07
|
36
|
0,21
|
1
|
84
|
|
|
|
|
|
|
|
|
Qинф=467
|
|
|
|
|
|
|
|
|
Qосн=396
|
|
|
|
|
|
|
|
|
Qобщ=863
|
|
|
104 Жилая
комната tв=20°С
|
ПЛ
|
-
|
17,81
|
36
|
0,21
|
1
|
135
|
|
|
НС
|
С
|
2,5*2,8=7
|
60
|
0,2
|
1,1
|
92
|
|
|
ТО
|
С
|
1,2*1,6=1,92
|
60
|
1,4
|
1,1
|
177
|
|
|
НС
|
С-В
|
1,3*2,8=3,64
|
60
|
0,2
|
1,1
|
48
|
|
|
ТО
|
С-В
|
0,9*1,6=1,44
|
60
|
1,4
|
1,1
|
133
|
|
|
|
|
|
|
|
|
Qинф=752
|
|
|
|
|
|
|
|
|
Qосн=585
|
|
|
|
|
|
|
|
|
Qобщ=1337
|
|
|
105 Кухня tв
18°С
|
НС
|
З
|
3*2,8=8,4
|
58
|
0,2
|
1,05
|
102
|
|
ПЛ
|
-
|
3,2*2,71=8,6
|
34,8
|
0,21
|
1
|
63
|
|
БД
|
С
|
2*0,8=1,6
|
58
|
1,4
|
1,1
|
143
|
|
ТО
|
С
|
1,6*1=1,6
|
58
|
1,4
|
1,1
|
143
|
|
|
|
|
|
|
|
Qинф=350
|
|
|
|
|
|
|
|
Qосн=451
|
|
|
|
|
|
|
|
Qобщ=801
|
|
106 Жилая
комната tв=22°С
|
НС
|
З
|
5,9*2,8=16,52
|
62
|
0,2
|
1,05
|
215
|
|
НС
|
Ю
|
3*2,8=8,4
|
62
|
0,2
|
1
|
104
|
|
ТО
|
Ю
|
62
|
1,4
|
1
|
208
|
|
ПЛ
|
-
|
2,8*5,7=15,96
|
37,2
|
0,21
|
1
|
125
|
|
|
|
|
|
|
|
Qинф=696
|
|
|
|
|
|
|
|
Qосн=652
|
|
|
|
|
|
|
|
Qобщ=1348
|
|
107 Жилая
комната tв=20°С
|
ПЛ
|
-
|
17,81
|
36
|
0,21
|
1
|
135
|
|
НС
|
С
|
2,5*2,8=7
|
60
|
0,2
|
1,1
|
92
|
|
ТО
|
С
|
1,2*1,6=1,92
|
60
|
1,4
|
1,1
|
177
|
|
НС
|
С-В
|
1,3*2,8=3,64
|
60
|
0,2
|
1,1
|
48
|
|
ТО
|
С-В
|
0,9*1,6=1,44
|
60
|
1,4
|
1,1
|
133
|
|
|
|
|
|
|
|
Qинф=752
|
|
|
|
|
|
|
|
Qосн=585
|
|
|
|
|
|
|
|
Qобщ=1337
|
|
108 Кухня tв
18°С
|
ПЛ
|
Ю
|
2,8*2,9=8,12
|
34,8
|
0,21
|
1
|
59
|
|
ТО
|
Ю
|
0,9*1,6=1,44
|
58
|
1,4
|
1
|
117
|
|
БД
|
-
|
0,7*2=1,4
|
58
|
1,4
|
1
|
117
|
|
|
|
|
|
|
|
Qинф=331
|
|
|
|
|
|
|
|
Qосн=293
|
|
|
|
|
|
|
|
Qобщ=496
|
|
109 Кухня tв
18°С
|
ПЛ
|
Ю
|
2,8*2,9=8,12
|
34,8
|
0,21
|
1
|
59
|
|
ТО
|
Ю
|
0,9*1,6=1,44
|
58
|
1,4
|
1
|
117
|
|
БД
|
-
|
0,7*2=1,4
|
58
|
1,4
|
1
|
117
|
|
|
|
|
|
|
|
Qинф=331
|
|
|
|
|
|
|
|
Qосн=293
|
|
|
|
|
|
|
|
Qобщ=496
|
|
110 Жилая
комната tв=20°С
|
ПЛ
|
-
|
17,81
|
36
|
0,21
|
1
|
135
|
|
|
НС
|
С
|
2,5*2,8=7
|
60
|
0,2
|
1,1
|
92
|
|
|
ТО
|
С
|
1,2*1,6=1,92
|
60
|
1,4
|
1,1
|
177
|
|
|
НС
|
С-В
|
1,3*2,8=3,64
|
60
|
0,2
|
1,1
|
48
|
|
|
ТО
|
С-В
|
0,9*1,6=1,44
|
60
|
1,4
|
1,1
|
133
|
|
|
|
|
|
|
|
|
Qинф=752
|
|
|
|
|
|
|
|
|
Qосн=585
|
|
|
|
|
|
|
|
|
Qобщ=1337
|
|
|
111 Жилая
комната tв=22°С
|
НС
|
З
|
5,9*2,8=16,52
|
62
|
0,2
|
1,05
|
215
|
|
|
НС
|
Ю
|
3*2,8=8,4
|
62
|
0,2
|
1
|
104
|
|
|
ТО
|
Ю
|
1,5*1,6=2,4
|
62
|
1,4
|
1
|
208
|
|
|
ПЛ
|
-
|
2,8*5,7=15,96
|
37,2
|
0,21
|
1
|
125
|
|
|
|
|
|
|
|
|
Qинф=696
|
|
|
|
|
|
|
|
|
Qосн=652
|
|
|
|
|
|
|
|
|
Qобщ=1348
|
|
|
|
|
|
|
|
|
|
|
|
|
|
|
|
|
|
|
|
|
2; 3; 4 Этаж
|
|
201; 301; 401
Кухня tв 18°С
|
НС
|
З
|
3*2,8=8,4
|
58
|
0,2
|
1,05
|
102
|
|
БД
|
С
|
2*0,8=1,6
|
58
|
1,4
|
1,1
|
143
|
|
ТО
|
С
|
1,6*1=1,6
|
58
|
1,4
|
1,1
|
143
|
|
|
|
|
|
|
|
Qинф=350
|
|
|
|
|
|
|
|
Qосн=388
|
|
|
|
|
|
|
|
Qобщ=738
|
|
202; 302; 402
Жилая комната tв=20°С
|
НС
|
С
|
2,5*2,8=7
|
60
|
0,2
|
1,1
|
92
|
|
ТО
|
С
|
1,2*1,6=1,92
|
60
|
1,4
|
1,1
|
177
|
|
НС
|
С-В
|
1,3*2,8=3,64
|
60
|
0,2
|
1,1
|
48
|
|
ТО
|
С-В
|
0,9*1,6=1,44
|
60
|
1,4
|
1,1
|
133
|
|
|
|
|
|
|
|
Qинф=752
|
|
|
|
|
|
|
|
Qосн=450
|
|
|
|
|
|
|
|
Qобщ=1202
|
|
203; 303; 403
Жилая комната tв=20°С
|
НС
|
С
|
2,7*2,8=7,56
|
60
|
0,2
|
1,1
|
100
|
|
ТО
|
С
|
1,5*1,6=2,4
|
60
|
1,4
|
1,05
|
212
|
|
|
|
|
|
|
|
Qинф=467
|
|
|
|
|
|
|
|
Qосн=312
|
|
|
|
|
|
|
|
Qобщ=779
|
|
204; 304; 404
Жилая комната tв=20°С
|
НС
|
С
|
2,5*2,8=7
|
60
|
0,2
|
1,1
|
92
|
|
ТО
|
С
|
1,2*1,6=1,92
|
60
|
1,4
|
1,1
|
177
|
|
НС
|
С-В
|
1,3*2,8=3,64
|
60
|
0,2
|
1,1
|
48
|
|
ТО
|
С-В
|
0,9*1,6=1,44
|
60
|
1,4
|
1,1
|
133
|
|
|
|
|
|
|
|
Qинф=752
|
|
|
|
|
|
|
|
Qосн=450
|
|
|
|
|
|
|
|
Qобщ=1202
|
|
205; 305; 401
Кухня tв 18°С
|
НС
|
З
|
3*2,8=8,4
|
58
|
0,2
|
1,05
|
102
|
|
БД
|
С
|
2*0,8=1,6
|
58
|
1,4
|
1,1
|
143
|
|
ТО
|
С
|
1,6*1=1,6
|
58
|
1,4
|
1,1
|
143
|
|
|
|
|
|
|
|
Qинф=350
|
|
|
|
|
|
|
|
Qосн=388
|
|
|
|
|
|
|
|
Qобщ=738
|
|
206; 306; 406
Жилая комната tв=22°С
|
НС
|
З
|
5,9*2,8=16,52
|
62
|
0,2
|
1,05
|
215
|
|
НС
|
Ю
|
3*2,8=8,4
|
62
|
0,2
|
1
|
104
|
|
ТО
|
Ю
|
1,5*1,6=2,4
|
62
|
1,4
|
1
|
208
|
|
|
|
|
|
|
|
Qинф=696
|
|
|
|
|
|
|
|
Qосн=527
|
|
|
|
|
|
|
|
Qобщ=1223
|
|
|
|
|
|
|
|
|
|
|
|
207; 307; 407
Жилая комната tв=20°С
|
НС
|
С
|
2,5*2,8=7
|
60
|
0,2
|
1,1
|
92
|
|
ТО
|
С
|
1,2*1,6=1,92
|
60
|
1,4
|
1,1
|
177
|
|
НС
|
С-В
|
1,3*2,8=3,64
|
0,2
|
1,1
|
48
|
|
ТО
|
С-В
|
0,9*1,6=1,44
|
60
|
1,4
|
1,1
|
133
|
|
|
|
|
|
|
|
Qинф=752
|
|
|
|
|
|
|
|
Qосн=450
|
|
|
|
|
|
|
|
Qобщ=1202
|
|
208; 308; 408
Кухня tв 18°С
|
ТО
|
Ю
|
0,9*1,6=1,44
|
58
|
1,4
|
1
|
117
|
|
БД
|
-
|
0,7*2=1,4
|
58
|
1,4
|
1
|
117
|
|
|
|
|
|
|
|
Qинф=331
|
|
|
|
|
|
|
|
Qосн=234
|
|
|
|
|
|
|
|
Qобщ=565
|
|
209; 309; 409
Кухня tв 18°С
|
ТО
|
Ю
|
0,9*1,6=1,44
|
58
|
1,4
|
1
|
117
|
|
БД
|
-
|
0,7*2=1,4
|
58
|
1,4
|
1
|
117
|
|
|
|
|
|
|
|
Qинф=331
|
|
|
|
|
|
|
|
Qосн=234
|
|
|
|
|
|
|
|
Qобщ=565
|
|
210; 310; 410
Жилая комната tв=20°С
|
НС
|
С
|
2,5*2,8=7
|
60
|
0,2
|
1,1
|
92
|
|
ТО
|
С
|
1,2*1,6=1,92
|
60
|
1,4
|
1,1
|
177
|
|
НС
|
С-В
|
1,3*2,8=3,64
|
60
|
0,2
|
1,1
|
48
|
|
ТО
|
С-В
|
0,9*1,6=1,44
|
60
|
1,4
|
1,1
|
133
|
|
|
|
|
|
|
|
Qинф=752
|
|
|
|
|
|
|
|
Qосн=450
|
|
|
|
|
|
|
|
Qобщ=1202
|
|
211; 311; 411
Жилая комната tв=22°С
|
НС
|
З
|
5,9*2,8=16,52
|
62
|
0,2
|
1,05
|
215
|
|
НС
|
Ю
|
3*2,8=8,4
|
62
|
0,2
|
1
|
104
|
|
ТО
|
Ю
|
1,5*1,6=2,4
|
62
|
1,4
|
1
|
208
|
|
|
|
|
|
|
|
Qинф=696
|
|
|
|
|
|
|
|
Qосн=527
|
|
|
|
|
|
|
|
Qобщ=1223
|
|
501 Кухня tв
18°С
|
НС
|
З
|
3*2,8=8,4
|
58
|
0,2
|
1,05
|
102
|
|
ПТ
|
-
|
3,2*2,71=8,6
|
52,2
|
0,21
|
1
|
94
|
|
БД
|
С
|
2*0,8=1,6
|
58
|
1,4
|
1,1
|
143
|
|
ТО
|
С
|
1,6*1=1,6
|
58
|
1,4
|
1,1
|
143
|
|
|
|
|
|
|
|
Qинф=350
|
|
|
|
|
|
|
|
Qосн=482
|
|
|
|
|
|
|
|
Qобщ=832
|
|
502 Жилая
комната tв=20°С
|
ПТ
|
-
|
17,81
|
54
|
0,21
|
1
|
202
|
|
НС
|
С
|
2,5*2,8=7
|
60
|
0,2
|
1,1
|
92
|
|
ТО
|
С
|
1,2*1,6=1,92
|
60
|
1,4
|
1,1
|
177
|
|
НС
|
С-В
|
1,3*2,8=3,64
|
60
|
0,2
|
1,1
|
48
|
|
ТО
|
С-В
|
0,9*1,6=1,44
|
60
|
1,4
|
1,1
|
133
|
|
|
|
|
|
|
|
Qинф=752
|
|
|
|
|
|
|
|
Qосн=652
|
|
|
|
|
|
|
|
Qобщ=1404
|
|
503 Жилая
комната tв=20°С
|
НС
|
С
|
2,7*2,8=7,56
|
60
|
0,2
|
1,1
|
100
|
|
ТО
|
С
|
1,5*1,6=2,4
|
60
|
1,4
|
1,05
|
212
|
|
ПТ
|
-
|
2,7*4,1=11,07
|
54
|
0,21
|
1
|
256
|
|
|
|
|
|
|
|
Qинф=467
|
|
|
|
|
|
|
|
Qосн=568
|
|
|
|
|
|
|
|
Qобщ=1035
|
|
504 Жилая
комната tв=20°С
|
ПТ
|
-
|
17,81
|
54
|
0,21
|
1
|
202
|
|
НС
|
С
|
2,5*2,8=7
|
60
|
0,2
|
1,1
|
92
|
|
ТО
|
С
|
1,2*1,6=1,92
|
60
|
1,4
|
1,1
|
177
|
|
НС
|
С-В
|
1,3*2,8=3,64
|
60
|
0,2
|
1,1
|
48
|
|
ТО
|
С-В
|
0,9*1,6=1,44
|
60
|
1,4
|
1,1
|
133
|
|
|
|
|
|
|
|
Qинф=752
|
|
|
|
|
|
|
|
Qосн=652
|
|
|
|
|
|
|
|
Qобщ=1404
|
|
505 Кухня tв
18°С
|
НС
|
З
|
3*2,8=8,4
|
58
|
0,2
|
1,05
|
102
|
|
ПТ
|
-
|
3,2*2,71=8,6
|
52,2
|
0,21
|
1
|
94
|
|
БД
|
С
|
2*0,8=1,6
|
58
|
1,4
|
1,1
|
143
|
|
ТО
|
С
|
1,6*1=1,6
|
58
|
1,4
|
1,1
|
143
|
|
|
|
|
|
|
|
Qинф=350
|
|
|
|
|
|
|
|
Qосн=482
|
|
|
|
|
|
|
|
Qобщ=832
|
|
506 Жилая
комната tв=22°С
|
НС
|
З
|
5,9*2,8=16,52
|
62
|
0,2
|
1,05
|
215
|
|
НС
|
Ю
|
3*2,8=8,4
|
62
|
0,2
|
1
|
104
|
|
ТО
|
Ю
|
1,5*1,6=2,4
|
62
|
1,4
|
1
|
208
|
|
ПТ
|
-
|
2,8*5,7=15,96
|
55,8
|
0,21
|
1
|
187
|
|
|
|
|
|
|
|
Qинф=696
|
|
|
|
|
|
|
|
Qосн=714
|
|
|
|
|
|
|
|
Qобщ=1410
|
|
507 Жилая
комната tв=20°С
|
ПТ
|
-
|
17,81
|
54
|
0,21
|
1
|
202
|
|
НС
|
С
|
2,5*2,8=7
|
60
|
0,2
|
1,1
|
92
|
|
ТО
|
С
|
1,2*1,6=1,92
|
60
|
1,4
|
1,1
|
177
|
|
НС
|
С-В
|
1,3*2,8=3,64
|
60
|
0,2
|
1,1
|
48
|
|
ТО
|
С-В
|
0,9*1,6=1,44
|
60
|
1,4
|
1,1
|
133
|
|
|
|
|
|
|
|
Qинф=752
|
|
|
|
|
|
|
|
Qосн=652
|
|
|
|
|
|
|
|
Qобщ=1404
|
|
508 Кухня tв
18°С
|
ПТ
|
Ю
|
2,8*2,9=8,12
|
52,2
|
0,21
|
89
|
|
ТО
|
Ю
|
0,9*1,6=1,44
|
58
|
1,4
|
1
|
117
|
|
БД
|
-
|
0,7*2=1,4
|
58
|
1,4
|
1
|
117
|
|
|
|
|
|
|
|
Qинф=331
|
|
|
|
|
|
|
|
Qосн=323
|
|
|
|
|
|
|
|
Qобщ=654
|
|
509 Кухня tв
18°С
|
ПТ
|
Ю
|
2,8*2,9=8,12
|
52,2
|
0,21
|
1
|
89
|
|
ТО
|
Ю
|
0,9*1,6=1,44
|
58
|
1,4
|
1
|
117
|
|
БД
|
-
|
0,7*2=1,4
|
58
|
1,4
|
1
|
117
|
|
|
|
|
|
|
|
Qинф=331
|
|
|
|
|
|
|
|
Qосн=323
|
|
|
|
|
|
|
|
Qобщ=654
|
|
510 Жилая
комната tв=20°С
|
ПТ
|
-
|
17,81
|
54
|
0,21
|
1
|
202
|
|
НС
|
С
|
2,5*2,8=7
|
60
|
0,2
|
1,1
|
92
|
|
ТО
|
С
|
1,2*1,6=1,92
|
60
|
1,4
|
1,1
|
177
|
|
НС
|
С-В
|
1,3*2,8=3,64
|
60
|
0,2
|
1,1
|
48
|
|
ТО
|
С-В
|
0,9*1,6=1,44
|
60
|
1,4
|
1,1
|
133
|
|
|
|
|
|
|
|
Qинф=752
|
|
|
|
|
|
|
|
Qосн=652
|
|
|
|
|
|
|
|
Qобщ=1404
|
|
|
|
|
|
|
|
|
|
|
511 Жилая
комната tв=22°С
|
НС
|
З
|
5,9*2,8=16,52
|
62
|
0,2
|
1,05
|
215
|
|
НС
|
Ю
|
3*2,8=8,4
|
62
|
0,2
|
1
|
104
|
|
ТО
|
Ю
|
1,5*1,6=2,4
|
62
|
1,4
|
1
|
208
|
|
ПТ
|
-
|
2,8*5,7=15,96
|
55,8
|
0,21
|
1
|
187
|
|
|
|
|
|
|
|
Qинф=696
|
|
|
|
|
|
|
|
Qосн=714
|
|
|
|
|
|
|
|
Qобщ=1410
|
|
Лестница
tв=16°С
|
НС
|
С
|
2,7*14=37,8
|
56
|
0,2
|
1,1
|
457
|
|
НД
|
С
|
1,3*2=2,6
|
56
|
1,4
|
1,1+0,27*
*14=4,88
|
995
|
|
ТО
|
С
|
1,6*1,5*4=9,6
|
56
|
1,4
|
1,1
|
828
|
|
ПТ
|
-
|
2,7*5,8=15,66
|
50,4
|
0,21
|
1
|
166
|
|
ПЛ
|
-
|
2,7*5,8=15,66
|
33,6
|
0,21
|
1
|
110
|
|
|
|
|
|
|
|
Qинф=617
|
|
|
|
|
|
|
|
Qосн=2556
|
|
|
|
|
|
|
|
Qобщ=3173
|
гдеL - нормируемый воздухообмен 
на 1 м2; ρ - плотность воздуха (см. справочник приtв);
С - теплоемкость воздуха С = 0,28
; Апола - площадь пола; 0,7 - коэффициент учитывающий
характер остекления.
Расчет теплопотерь отдельных помещений сведен в таблицу №2.
Правильность расчета теплопотерь проверяется через удельную тепловую характеристику
здания, определенную по формуле: 
где 
общие теплопотери здания 
; Vн - объем здания по наружному обмеру
; tв и tн - расчетные температуры
внутреннего и наружного воздуха для проектирования отопления (раздел 1.1).o
должно быть равно 0,2 - 0,4.1этажа= 6223 Вт2 - 4 этажа =
16899 Вт5 этажа = 9253 ВтЛК = 3173 Втздания =
56121 Вт
Что соответствует нормативным данным.
3. Выбор
системы отопления
На основании действующего СНиП 41-01-2003 и санитарных норм с
учетом назначения здания в проекте принята однотрубная система отопления с
нижней разводкой, как допустимая и наиболее гидравлически устойчивая система.
Магистральные трубопроводы проложены в подвале с уклоном в сторону теплового
пункта.
В качестве нагревательных приборов приняты чугунные
секционные радиаторы, как отвечающие санитарно-гигиеническим, теплотехническим
и монтажным требованиям.
Воздух из системы отопления удаляется через краны Маевского,
установленные в высших точках стояков.
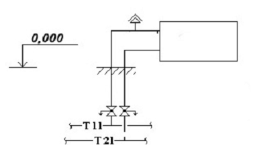
Теплоснабжение от ИТП с независимой схемой подключения.
Температура теплоносителя в системе теплоснабжения и отопления 105 - 70°С.
В качестве запорно-регулирующей арматуры установлены:
на подводках - регулирующие вентили, шаровые краны;
на стояках - шаровые краны со сливом
Тепловой расчет нагревательных приборов.
Порядок расчета нагревательных приборов.
Тепловой расчет отопительных приборов заключается в
определении числа секций приборов и их количества. Зная тепловую нагрузку на
систему отопления, произведя выбор системы отопления, выполняем расчет.
. Вычерчиваем схему стояка;
2. Определяем тепловую нагрузку на стояк Qст (Вт);
. Определяем расход теплоносителя в стояке:
где β1 - коэффициент,
учитывающий номенклатурный шаг нагревательного прибора (см. табл.9.4 справочник
проектировщика ч.2); β2 - коэффициент,
учитывающий место установки нагревательного прибора; Т11 - температура
теплоносителя в подающей магистрали системы отопления; Т21 - температура
теплоносителя в обратной магистрали системы отопления;
. Определяем среднюю температуру теплоносителя в
каждом нагревательном приборе:
для 2-х трубных систем: 
для 1-х трубных систем: 
(°С)
температура теплоносителя выходящего из прибора определяется по
формуле:
где β1, β2 - см. п.3; Gпр - расход теплоносителя проходящий через
прибор. Для проходящих стояков Gпр = Gст, для стояков с
замыкающим участком Gпр определяется по формуле:
пр
= Gст× α
где α -
коэффициент затекания (см табл.9.3)
5. Определяем диаметр стояка из условия:
если Gст ≤ 140 кг/ч - Dу 15ммст
= 140 ÷ 250 кг/ч - Dу 20ммст> 250 кг/ч - Dу
25мм
. Определяем требуемую теплоотдачу приборов с учетом
теплоотдачи труб по формуле:
пр = Qт.п. - 0,9×Qтруб - 60 (Вт)
где Qт.п. - теплопотери помещения, где размещен
нагревательный прибор; Qтруб - теплоотдача открыто расположенных
вертикальных и горизонтальных труб.
Теплоотдача труб определяется по формуле:
Qтр = qв×
в + qг×
г
где qв и qг - теплоотдача 1м трубы
(вертикальной и горизонтальной)
(см. стр.264); 
в и 
г - длина
вертикальных и горизонтальных труб (м);
7. Определяем коэффициент φ учитывающий схему
присоединения нагревательного прибора (см. табл.9.9);
8. Определяем теплоотдачу прибора с учетом коэффициента φ:
9. Зная tср. пр.; tв; 
, по табл.9.8 определяем поверхность нагрева прибора (м2);
. Зная поверхность нагрева прибора (А), определяем число
секций (стр.69) или марку прибора (прил.10)
10а. Число секций можно определить по формуле:
где β4 - коэффициент
учитывающий способ установки прибора (табл.9.12); β3 - коэффициент учитывающий число секций в приборе. До 15 секций β = 1; от16 до 25 β = 0,98; от 26 β = 0,96.
б. Число секций определяется по формуле:
где Qпр - тепловая нагрузка на прибор
; k - поправочный коэффициент; 195 - номенклатурный шаг.
Ст 1-1а, 7-7а
ст
= 801+738+738+738+832=3847 Вт
Ду=15мм. Ø подводки 10мм.
прибор

=98°С

°Св=97 qг=102 lв=0,7 lг=0,88тр=97*0,7+102*0,88=157пр=832-0,9*157-60=630
φ=1,06

=
Апр=0,98=3
прибор

=91.5°С

°Св=89; qг=93; lв=5,1; lг=0,8тр=89*5,1+93*0,8=528пр=738-0,9*528-60=203
φ=1,06

=
Апр=1,37=5
прибор

=85°С

°Св=81; qг=85; lв=5,1; lг=0,8тр=81*5,1+85*0,8=481пр=738-0,9*481-60=245,1
φ=1,06

=
Апр=0,51, N=2
прибор

=81,7°С

°Св=73; qг=78; lв=5,1; lг=0,8тр=73*5,1+78*0,8=434,7пр=738-0,9*434,7-60=286,8
φ=1,06

=
Апр=0,56=2
прибор

=74,4°С

°Св=67; qг=64; lв=5,1; lг=0,8тр=67*5,1+64*0,8=380пр=801-0,9*380-60=399
φ=1,06

=
Апр=0,93=3
Ст 4-4а.
ст
= 863+779+779+779+1035=4235 Вт
Ду=15мм.; Ø подводки 10мм.
прибор

=96,5°С

°Св=95; qг=101; lв=0,7; lг=0,88тр=95*0,7+101*0,88=155,3пр=1035-0,9*155,3-60=835,3
φ=1,06

=
Апр=1,23=4
прибор

=92,3°С

°Св=92; qг=96; lв=5,1; lг=0,8тр=92*5,1+96*0,8=546пр=779-0,9*546-60=228
φ=1,06

=
Апр=0,36=2
прибор

=90,7°С

°Св=86; qг=91; lв=5,1; lг=0,8тр=86*5,1+91*0,8=511,4пр=779-0,9*511,4-60=258
φ=1,06

=
Апр=0,44=2
прибор

=88,3°С

°Св=82; qг=86; lв=5,1; lг=0,8тр=82*5,1+86*0,8=286пр=779-0,9*511,4-60=258
φ=1,06

=
Апр=0,53=2
прибор

=83,4°С

°Св=80; qг=83; lв=5,1; lг=0,8тр=80*5,1+83*0,8=474пр=863-0,9*474-60=337
φ=1,06

=
Апр=0,79=3
Ст 8-8а; 15-15а.
ст
= 1348+1223+1223+1223+1410=6427 Вт
Ду=20мм.; Ø подводки 15мм.
прибор

=97,4°С

°Св=118; qг=122; lв=0,7; lг=0,88тр=118*0,7+122*0,88=189,9пр=1348-0,9*189,9-60=1117,1
φ=1,06

=
Апр=1,63=5
прибор

=90,2°С

°Св=87; qг=91; lв=5,1; lг=0,8тр=87*5,1+91*0,8=516,7пр=1223-0,9*516,7-60=698
φ=1,06

=
Апр=1,50=4
прибор

=83,3°С

°Св=84; qг=87; lв=5,1; lг=0,8тр=84*5,1+87*0,8=498пр=1223-0,9*498-60=714,8
φ=1,06

=
Апр=1,64=5
прибор

=76,4°С

°Св=67; qг=71; lв=5,1; lг=0,8тр=67*5,1+71*0,8=398,5пр=1223-0,9*398,5-60=804,4
φ=1,06

=
Апр=2,35=8
прибор

=68,3°С

°Св=61; qг=65; lв=5,1; lг=0,8тр=61*5,1+65*0,8=363пр=1223-0,9*363-60=1024
φ=1,06

=
Апр=2,61=10
Ст 11-11а; 12-12а
ст
= 624+565+565+565+654=2973Вт
Ду=15мм.; Ø подводки 10мм.
прибор

=99,5°С

°Св=99; qг=103; lв=0,7; lг=0,88тр=99*0,7+103*0,88=159,9пр=624-0,9*159,9-60=420
φ=1,06

=
Апр=0,59=2
прибор

=94,5°С

°Св=92; qг=96; lв=5,1; lг=0,8тр=92*5,1+96*0,8=546пр=565-0,9*546-60=14
φ=1,06

=
Апр низкая=2
прибор

=89,5°С

°Св=86; qг=91; lв=5,1; lг=0,8тр=86*5,1+91*0,8=511пр=565-0,9*511-60=46
φ=1,06

=
Апр низкая, N=2
прибор

=84,5°С

°Св=79; qг=84; lв=5,1; lг=0,8тр=79*5,1+84*0,8=470пр=565-0,9*470-60=82
φ=1,06

=
Апр низкая=2
прибор

=78,8°С

°Св=72; qг=75; lв=5,1; lг=0,8тр=72*5,1+75*0,8=427пр=654-0,9*427-60=167
φ=1,06

=
Апр =0,33=2
Ст 2-2а; 3-3а; 5-5а; 6-6а; 9-9а; 10-10а; 13-13а; 14-14а.
ст
= 669+601+601+601+702=3174Вт
Ду=15мм.; Ø подводки 10мм.
прибор

=99,1°С

°Св=99; qг=103; lв=0,7; lг=0,88тр=99*0,7+103*0,88=159,9пр=669-0,9*159,9-60=465,1

=
Апр=0,65=2
прибор

=93,8°С

°Св=91; qг=95; lв=5,1; lг=0,8тр=91*0,7+95*0,88=540пр=601-0,9*540-60=55
φ=1,06

=
Апр низкая=2
прибор

=88,5°С

°Св=84; qг=88; lв=5,1; lг=0,8тр=84*0,7+88*0,88=498пр=601-0,9*498-60=93
φ=1,06

=
Апр низкая=2
прибор

=83,2°С

°Св=77; qг=81; lв=5,1; lг=0,8тр=77*0,7+81*0,88=457,5пр=601-0,9*457,5-60=130
φ=1,06

=
Апр низкая=2
прибор

=77°С

°Св=71; qг=75; lв=5,1; lг=0,8тр=71*0,7+75*0,88=422пр=702-0,9*422-60=263
φ=1,06

=
Апр =0,55=2
Ст 16-16а.
ст
= 3173
Ду=15мм.; Ø подводки 10мм.

=70,1°С

°Св=85; qг=87; lв=0,7; lг=0,88тр=85*0,7+87*0,88=2995пр=3173-0,9*2995-60=1307
φ=1,06

=
Апр=5,17=21
Гидравлический расчет системы отопления.
Цель гидравлического расчета - определить диаметры трубопроводов и
полные потери давления в системе отопления.
Полные потери давления складываются из потерь давления на трение
по длине и потерь давления на местные сопротивления:
Где R - потери давления на трение на 1 м трубы, зависит от
коэффициента шероховатости, от вида материала; ℓ - длина трубопровода;
Z-потери давления, которые зависят от скорости движения теплоносителя и от
суммы коэффициентов местных сопротивлений; ί-количество последовательно соединенных
участков.
Гидравлический расчет системы отопления выполняется двумя
способами:
1 способ
Расчет по удельным линейным потерям давления. Такой метод
применяют при равныхперепадах температуры в трубопроводах. Потери давления
определяются по формуле:
способ
Гидравлический расчет по характеристике сопротивления и
проводимостям. Применяется при переменном перепаде температур в трубопроводах.
Диаметр трубопровода на каждом участке определяется с учетом допустимой
скорости. Потери давления определяются по формуле:
где S - характеристика гидравлического сопротивления на участке,
которая выражает потери давления на этом участке при единичном расходе
теплоносителя 
; G - расход теплоносителя на данном участке
3 способ
Комбинированный. Применяется для гидравлического расчета
однотрубных систем отопления. Потери давления в системе определяются по
формуле:

Порядок гидравлического расчета.
1. Зная вид системы, параметры теплоносителя,
вычерчиваем схему системы отопления и определяем расчетное циркуляционное
кольцо. Последовательно соединенные участки образующие замкнутый контур
циркуляции воды называется циркуляционным кольцом.
2. Расчетное циркуляционное кольцо разбиваем на участки.
За участок принимаем часть системы с постоянным расходом.
. Определяем тепловую нагрузку и длину каждого
участка.
. Определяем расход теплоносителя на каждом участке по
формуле:
где Q - тепловая нагрузка на участке 
; β1, β2 - коэффициенты, учитывающие схему установки и номенклатурный шаг
нагревательного прибора (Табл.9.4, 9.5)
5. Задаваясь допустимой скоростью или допустимой
удельной потерей на трение по длине (R), определяем диаметр трубопроводов:≤
100 Па- смотри Табл.10.10
. Определяем сумму коэффициентов местных сопротивлений
на каждом участке.
7. Определяем потери давления на местные сопротивления
(Z) (Табл.1.3 стр.235)
. Определяем суммарные потери давления с учетом
обратной магистрали. Для системы отопления с нижней разводкой потери давления в
системе определяются по формуле:
Для систем отопления с верхней разводкой расчетное
циркуляционное кольцо проходит по обеим магистралям. Потери давления в системе
определяются по формуле:
9. Выполняется гидравлическая увязка стояков (ветвей)
колец.
Расчетная схема отопления
Таблица 3а - Гидравлический расчет магистрали.
Первое расчетное кольцо через Ст 15-15а
|
№ уч.
|
ℓ, м
|
Q, Вт
|
G, кг
|
Ø мм
|
V м/с
|
R Па/м
|
Rℓ Па
|
∑ξ
кмс
|
Z Па
|
Rℓ + Z Па
|
|
1
|
1,6
|
56121
|
1378
|
32
|
0,386
|
70
|
112
|
2
|
145
|
257
|
|
2
|
6,6
|
31496
|
773,4
|
25
|
0,374
|
95
|
627
|
2
|
134
|
761
|
|
3
|
1,8
|
18721
|
459,7
|
20
|
0,371
|
130
|
234
|
4,5
|
335
|
569
|
|
4
|
1,1
|
15748
|
386,7
|
20
|
0,315
|
95
|
104,5
|
1
|
72,5
|
177
|
|
5
|
3,1
|
12275
|
313,7
|
20
|
0,258
|
65
|
201,5
|
1
|
33
|
234,5
|
|
6
|
2,5
|
9601
|
235,7
|
20
|
0,189
|
36
|
90
|
1
|
17,6
|
107,6
|
|
7
|
3,8
|
6427
|
157,7
|
15
|
0,233
|
80
|
304
|
3,5
|
107
|
411
|
|
|
|
|
|
|
|
|
|
|
|
|
|
Σ (Rℓ + Z) = 2517,1
Определяем потери давления Ст 15-15а.
ст15 = S1 + S2 + S3 × 4 + S5/2 + S6 × ℓ + Sпр× 5ст15 =
57+46+ (23*4) +6+ (5,74*11,8) + (87,5) =703 * 10-4=0,07
ΔРст15 =
0,17*1672 = 1959 Па
ΔРсис=5034+1993=6993
ΔРраспол. =
1,2*6993 Па
Увязка Ст 14-14.
ст14 = S1 + S2 + S3 × 4 + S5/2 + S6 × ℓ + Sпр× 5ст14 =
266+229+ (113*4) +28+ (28,6*11,8) + (87*5) =1747*10-4=0,17 Па
ΔРст14 =
0,17*822=1143 Па
Для погашения избыточного давления на стояке устанавливаем
шайбу, диаметр шайбы определяется по формуле:
dш=11,3
ΔРизб=2781-1143=1638*10-4=0,16
м. в. стш=11,3
=11,3*0,45=5 мм.
Аналогично
выполняем увязку остальных стояков.
Подбор
оборудования.
1. Грязевик предназначен для улавливания взвешенных
частиц, окалины, поступающие вместе с теплоносителем. Подбирается по диаметру
подводящей трубы. Устанавливается на подающей и обратной магистрали. Принцип
действия грязевика основан на понижении скорости за счет увеличения сечения.
Принимается грязевик № серии dу = 32 мм
. Расходомер применяется для учета расхода тепла. В
качестве чувствительного элемента используется крыльчатка (или турбинка),
которая приводится в движение потоком теплоносителя. Количество оборотов
соответствует количеству теплоносителя 1,9 т/ч. Принимаем расходомер ВСГ-25 dу
= 25 мм.
3. Тепловычислитель. Т.к. теплопотери здания на систему
отопления составляют Qзд = 56121 Вт, принимаем тепловычислитель
PICOCAL - 60.
. Элеватор служит для смешивания теплоносителя
применяется в системах с непосредственным присоединением к тепловой сети.
dсоп=4,8мм; dгор=15мм
Заключение
Проект разработан в соответствии с заданием. Принятые решения
соответствуют нормативным требованием. В проектеприняты:
На основании действующего СНиП 41-01-2003 и санитарных норм с
учетом назначения здания в проекте принята однотрубная система отопления с
нижней разводкой, как допустимая и наиболее гидравлически устойчивая система.
Магистральные трубопроводы из стальных водогазопроводных труб
проложены в подвале с уклоном в сторону узла управления.
В качестве нагревательных приборов приняты чугунные
радиаторы, как отвечающие санитарно-гигиеническим, теплотехническим и монтажным
требованиям.
Воздух из системы отопления удаляется через краны Маевского,
установленные в высших точках стояков. Спускной кран имеется у каждого
радиатора.
В качестве запорно-регулирующей арматуры установлены:
на подводках - шаровые краны;
на стояках - шаровые краны со сливом;
на магистрали - вентили прямоточные, вентили для дренажа.
На узле управления установлен прибор учета расхода тепла -
тепловычислитель PICOCAL - 60; контрольно-измерительные приборы и запорная
арматура.
Список
литературы
1. Методические
указания к выполнению курсового проекта по отоплению и тепловым сетям. НМТ
2006г.
2. Сканави
А. И Отопление. Учебник для техникумов, изд. - м.: Строй издат. 1998г.
. Внутренние
санитарно-технические устройства В 3 ч.1. Отопление. Под ред. И.Г. Староверова
и Ю.И. Шиллера 4 изд. - м.: Срой издат. 1990г.
. Справочник
по теплоснабжению и вентиляции. Щекин. Том 1. Киев: 1976
. СНиП
41-01-2003. Отопление и вентиляция кондиционирования воздуха
. СНиП
23-02-03. Тепловая защита зданий
. СП
40-108-2000. Проектирование и монтаж трубопроводов систем водоснабжения и
отопления из медных труб. 2000г.
. СНиП
2.01.01-01. Строительная климатология и геофизика
. СНиП
2.08.01-89*. Жилые здания
. СНиП
2.08.02-89*. Общественные здания и сооружения
. СНиП
2.3-79. Строительная теплотехника
. ГОСТ
2.105-95. Общие требования к текстовым документам. М.: ИПК, издательство
стандартов 1996г.
. ГОСТ
2.501-93. Правила выполнения архитектурно-строительных чертежей. М.: Госстрой
России, ГУП ЦПП, 1988г.
. ЕСКД.
Общие правила чертежей. М: Издательство стандартов, 1984г.