Разработка и моделирование сервисного устройства выборочного ограничения исходящей междугородной связи

  • Вид работы:
    Дипломная (ВКР)
  • Предмет:
    Информатика, ВТ, телекоммуникации
  • Язык:
    Русский
    ,
    Формат файла:
    MS Word
    7,19 Mb
  • Опубликовано:
    2011-08-24
Вы можете узнать стоимость помощи в написании студенческой работы.
Помощь в написании работы, которую точно примут!

Разработка и моделирование сервисного устройства выборочного ограничения исходящей междугородной связи




 

 

 

 

 

 

 

 

 

ДИПЛОМНАЯ РАБОТА

Разработка и моделирование сервисного устройства выборочного ограничения исходящей междугородной связи

Содержание

телефонная линия сервисное устройство связь

Введение

. Конструкция и принцип работы абонентской телефонной линии

1.1 Анализ аналоговых телефонных сетей

1.2 Основные характеристики сигналов АТС и оконечных устройств

2. Разработка сервисного устройства выборочного ограничения исходящей междугородной связи

.1 Проектирование структуры схемы сервисного устройства

.2 Выбор элементной базы и принципиальная схема устройства

.3 Разработка программного обеспечения контроллера

. Моделирование сервисного устройства

.1 Тестирование устройства и анализ результатов

.2 Схемотехническое моделирование в программной среде Proteus 7.4 SP3

.3 Моделирование работы программы в среде Bascom AVR

Заключение

Список литературы

Приложение А. Листинг программы для МК ATmega8

Приложение Б. Графический алгоритм программы для микроконтроллера ATmega8

Приложение В. Порядок настройки разработанного устройства

Введение

Телефонная связь стала самым массовым видом связи, как по количеству абонентов-пользователей, так и по объемам информации, передаваемой по сетям. Такая значимость телефонной связи объясняется тем, что она лучше других технических средств обеспечивает эффект личного контакта: телефонное сообщение одновременно передает смысловую информацию (текст), индивидуальные признаки говорящего и эмоциональную окраску сообщения. В связи с этим телефонный аппарат стал занимать одно из ведущих мест в жизни современного человека.

Городские и офисные АТС, также современные электронные телефонные аппараты (ТА) обладают множеством сервисных функций. Но несмотря на это образовалась и до сих пор не заполнена область техники, связанная с конструированием сервисных телефонных устройств, так как в этой области спрос значительно превышает предложение.

Среди множества технических решений и возможных реализаций этих устройств, включая «умные» анализаторы на дорогих микроконтроллерах, реализующих сервисные функции, значительно превосходящие обычные устройства низкой степени интеграции, всё же остаются востребованными устройства, легко реализуемые на практике и не требующие дополнительного сложного и дорогостоящего оборудования. Это стало возможным благодаря появлению в последнее время дешёвых и доступных микроконтроллеров фирмы ATMEL семейства AVR. Также стали доступны недорогие LCD-модули, наглядно отображающие буквенно-цифровую информацию.

Поэтому целью дипломной работы является разработка и моделирование сервисного устройства выборочного ограничения исходящей междугородной связи. Для достижения поставленной цели необходимо решить следующие задачи:

§   провести анализ конструкции и принципа работы абонентской телефонной линии;

§  разработать сервисное устройство выборочного ограничения исходящей междугородной связи;

§  разработать программное обеспечение для микроконтроллера в среде Bascom AVR;

§  провести схемотехническое моделирование разработанного устройства в программной среде Proteus 7.4 SP3.

Теоретическая значимость данной дипломной работы заключается в возможности использования результатов проведенных расчетов и созданных программ для последующего построения моделей и дальнейшей разработки узлов устройств подобного типа.

Практическая значимость работы состоит в возможности применения разработанного устройства, как в быту, так и на производстве. Можно рекомендовать данное устройство как быстро изготовляемое в технологическом процессе с минимальным количеством компонентов. А наличие готовой «прошивки» сводит к отсутствию затрат времени на разработку программного обеспечения данного устройства.

1. Конструкция и принцип работы абонентской телефонной линии

1.1   Анализ аналоговых телефонных сетей

Аналоговые телефонные сети относятся к глобальным сетям с коммутацией каналов, которые создавались для предоставления общедоступных телефонных услуг населению [1]. Аналоговые телефонные сети ориентированы на соединение, которое устанавливается до начала ведения разговоров (передачи голоса) между абонентами. Телефонная сеть образуется (коммутируется) с помощью коммутаторов автоматических телефонных станций. Телефонные сети состоят из:

§  автоматических телефонных станций (АТС);

§  телефонных аппаратов;

§  магистральных линий связи (линий связи между АТС);

§  абонентских линий (линий, соединяющих телефонные аппараты с АТС).

Абонент имеет выделенную линию, которая соединяет его телефонный аппарат с АТС. Магистральные линии связи используются абонентами по очереди.

Аналоговые телефонные сети используются также и для передачи данных в качестве:

§ сетей доступа к сетям с коммутацией пакетов, например, подключения к Интернет (применяются как коммутируемые, так и выделенные телефонные линии);

§  магистралей пакетных сетей (в основном применяются выделенные телефонные линии).

Аналоговая телефонная сеть с коммутацией каналов предоставляет для пакетной сети услуги физического уровня, которая после коммутации является физическим каналом "точка-точка".

Обычная телефонная сеть или POTS (Plain Old Telephone Service - старый “плоский” телефонный сервис) обеспечивает пропускание голосового сигнала между абонентами с диапазоном частот до 3,1 кГц, что является вполне достаточным для нормального разговора. Для связи с абонентами используется двухпроводная линия, по которой сигналы обоих абонентов во время разговора идут одновременно во встречных направлениях.

Телефонная сеть состоит из множества станций, имеющих иерархические соединения между собой. Коммутаторы этих станций прокладывают путь между АТС вызывающего и вызываемого абонента под управлением информации, предоставляемой системой сигнализации. Магистральные линии связи между телефонными станциями должны обеспечивать возможность одновременной передачи большого количества информации (поддерживать большое количество соединений).

Выделять для каждого соединения отдельную магистральную линию нецелесообразно, и для более эффективного использования физических линий применяют:

§   метод частотного уплотнения каналов;

§  цифровые каналы и мультиплексирование цифровых потоков от множества абонентов.

В случае применения метода FDM - (Frequency Division Multiplexing) передается множество каналов, в которых низкочастотный голосовой сигнал модулирует сигнал высокочастотного генератора. Каждый канал имеет собственный генератор, и частоты этих генераторов разнесены друг от друга настолько, чтобы передавать сигналы в полосе до 3,1 кГц с нормальным уровнем разделения друг от друга.

Так же используют применение цифровых каналов для магистральных передач. Для этого аналоговый сигнал от абонентской линии на телефонной станции оцифровывается и далее в цифровом виде доставляется на телефонную станцию адресата. Там он обратно преобразовывается и передается в аналоговую абонентскую линию.

Для обеспечения двусторонней связи на телефонной станции каждое окончание абонентской линии имеет пару преобразователей - АЦП (аналого-цифровой) и ЦАП (цифро-аналоговый). Для голосовой связи со стандартной полосой пропускания (3,1 кГц) принята частота квантования 8 кГц. Приемлемый динамический диапазон (отношение максимального сигнала к минимальному) обеспечивается при 8-битном преобразовании.

Итого получается, что каждый телефонный канал требует скорости передачи данных в 64 кбит/с (8 бит х 8 кГц). Часто для передачи сигнала ограничиваются и 7-битными отсчетами, а восьмой (младший) бит используется для целей сигнализации. В таком случае чисто голосовой поток сокращается до 56 кбит/с.

Для эффективного использования линий магистрали цифровые потоки от множества абонентов на телефонных станциях мультиплексируются в каналы различной емкости, соединяющие телефонные станции между собой. На другом конце канала производится демультиплексирование - выделение требуемого потока из канала.

Мультиплексирование и демультиплексирование, естественно, производится на обоих концах одновременно, поскольку телефонная связь двусторонняя. Мультиплексирование осуществляется с помощью разделения во времени (TDM - Time Division Multiplexing).

В магистральном канале информация организована в виде непрерывной последовательности кадров. Каждому абонентскому каналу в каждом кадре отводится интервал времени, в течение которого передаются данные этого канала.

Таким образом, в современных аналоговых телефонных линиях по абонентской линии связи передаются аналоговые сигналы, а в магистральных линиях передаются цифровые сигналы. Для коммутации аналоговых телефонных линий используют модемы.

С помощью модемов телефонные сети общего пользования, кроме передачи голоса, позволяют передавать цифровые данные. Модем (модулятор-демодулятор) служит для передачи данных на большие расстояния с использованием выделенных и коммутируемых телефонных линий.

Модулятор поступающую от компьютера двоичную информацию преобразует в аналоговые сигналы с частотной или фазовой модуляцией, спектр которых соответствует полосе пропускания обычных голосовых телефонных линий. Демодулятор из этого сигнала извлекает закодированную двоичную информацию и передает ее в принимающий компьютер.

Также на аналоговых линиях повсеместно используют Факс-модемы (fax-modem) позволяющие передавать и принимать факсимильные изображения, совместимые с обычными факс-машинами.

Возможностями, расширяющими использование аналоговых линий, является применение различных технологий, использующих выделенные физические линии. Рассмотрим некоторые из них.

Выделенные физические линии имеют полосу пропускания гораздо более широкую, чем коммутируемые. Для них выпускаются специальные модемы, обеспечивающие передачу данных со скоростями до 2048 кбит/с и на значительные расстояния.

Одна из них - технология xDSL основаная на «превращении» абонентской линии обычной телефонной сети из аналоговой в цифровую xDSL (Digital Subscriber Line). Суть данной технологии заключается в том, что на обоих концах абонентской линии - на АТС и у абонента - устанавливаются разделительные фильтры (splitter). Эти фильтры представляют собой отдельное устройство, состоящее из пассивных элементов и являются дополнением к модему. Данные модемы специфичны и используются именно для выделенных телефонных линий.

Низкочастотная (до 3,5 кГц) составляющая сигнала заводится на обычное телефонное оборудование (порт АТС и телефонный аппарат у абонента), а высокочастотная (выше 4 кГц) используется для передачи данных с помощью xDSL-модемов.Технологии xDSL позволяют одновременно использовать одну и ту же телефонную линию и для передачи данных, и для передачи голоса (телефонных переговоров), чего не позволяют обычные модемы для коммутируемых линий.

Рассмотрев данные технологии, видно, что использование аналоговых телефонных линий в ближайшем будущем будет ещё востребовано, так как в некоторых регионах и в некоторых случаях их использование является единственно возможным.

.2 Основные характеристики сигналов АТС и оконечных устройств

В соответствии с ГОСТ 10710-81, к импульсным номеронабирателям ТА для обеспечения нормальной работы приборов АТС предъявляются следующие требования. Их временные характеристики приведены в таблице 1 [2].

Таблица 1 - Временные характеристики импульсных номеронабирателей ТА

Характеристика

Допустимое значение

Номинальное значение

Частота создаваемых импульсов, имп./с

9-11

10

Период повторения, мс

95 - 105

100

Межсерийная пауза, мс, не менее

650 (но не более 10 с)

800

Время размыкания контактов ИК, tp, мс

53 - 70

80

Время замыкания контактов ИК, tз, мс

34- 46

40

Импульсный коэффициент (отношение времени размыкания tp к времени замыкания t3 контакта импульсного ключа)

1,4-1,7

1.5


Кнопочные ТА с частотным набором номера используются при работе с электронными и квазиэлектронными АТС. Передача каждой цифры в соответствии с ГОСТ 25554-82 в частотном номеронабирателе осуществляется многочастотным кодом 2 из 8. Для этого применяются две группы частот:

нижняя группа частот. - 697, 770, 852, 941 Гц;

верхняя группа частот - 1209, 1336, 1477, 1633 Гц.

Этот код обеспечивает 16 комбинаций сигнальных частот, 10 из которых используются для набора номера. Кнопки # и * используются при наборе кодов дополнительных видов обслуживания. Кнопки А, В, С и D применяются в расширенной клавиатуре. Длительность двухчастотной посылки должна быть не менее 40 мс, паузы - не менее 25 мс. Стабильность частот - не хуже ± 1,5 %.

Комбинации сигналов и соответствие частот каждой кнопке приведены в таблице 2.

Таблица 2 - Многочастотный телефонный код

Частота

1209 Гц

1336 Гц

1477 Гц

1633 Гц

697 Гц

1

2

3

А

770 Гц

4

5

6

В

852 Гц

7

8

9

С

941 Гц

*

0

#

D


Кроме сигналов набора номера от абонентского устройства (АУ) к АТС поступают сигналы, характеристики которых приведены в таблице 1. Все эти сигналы являются основными, т. е. обеспечивают взаимодействие АУ с АТС.

Таблица 3 - Соответствие характеристик сигнала

Наименование сигнала

Характеристика сигнала

Вызов станции (Поднятие трубки при исходящем вызове)

Непрерывное замыкание шлейфа абонентской линии (АЛ) на время >250 мс

Ответ (Поднятие трубки при входящем вызове)

Замыкание шлейфа АЛ на время >500 мс

Отбой

Размыкание шлейфа АЛ на время >400 мс


На некоторых зарубежных ТА можно увидеть кнопку "R". Эта кнопка. предназначена для заказа дополнительных услуг в ЭАТС и формирует размыкание шлейфа абонентской линии на время 80 ± 40 мс [3].

Абоненты с АТС получают следующие виды сигналов:

§ ответ станции - непрерывный гудок, который слышит абонент после снятия телефонной трубки;

§  посылка вызова - сигнал вызова абонента;

§  контроль посылки вызова - сигнал, предназначенный для информирования абонента о посылке вызова;

§  занято - поступает при занятости абонентской линии вызываемого абонента;

§  занято - перегрузка - поступает при занятости соединительных (межстанционных) линий или коммутационного оборудования.

В фазе "исходное состояние" входное сопротивление абонентского устройства сигналу вызывного тока должно быть не менее 2,5 кОм на частоте 25 Гц (номинальная частота посылки вызова). Кроме основных сигналов в АТС применяются также следующие дополнительные сигналы:

§ указательный - указывает на невозможность установления соединения или предоставления услуги, передаётся также перед механическим голосом;

§  предупреждение - предупреждение о записи на магнитофон;

§  вмешательство - информация о подключении оператора или третьего абонента;

§  уведомление - информация о поступлении нового вызова;

§  предупреждение об окончании оплаченного интервала времени - поступает в таксофон за 20 с до окончания оплаченного интервала времени.

2 Разработка сервисного устройства выборочного ограничения исходящей междугородной связи

.1 Проектирование структуры схемы сервисного устройства

При проектировании устройства была поставлена задача, разработать устройство, отвечающее нормам, обеспечивающим невмешательство в нормальную работу телефонной линии и обладающее небольшими габаритами, массой и широкими сервисными возможностями. Таким требованиям в данное время могут отвечать устройства, изготовленные на современной элементной базе [4]. Таковыми являются микросхемы высокой степени интеграции, а именно микропроцессоры и микроконтроллеры. Первые требуют наличия необходимой для работы периферии [5]. Во вторые интегрировано максимальное количество необходимых узлов, для реализации устройства «Всё в одном».

Поэтому был выбран вариант проектирования и разработки на микроконтроллере. Подавляющее большинство микроконтроллеров имеет в своём составе следующие функциональные блоки:

§  процессор - CPU;

§  оперативная память - RAM;

§  постоянная память - PROM;

§  электрически перепрограммируемая постоянная память - EEPROM;

§  генератор тактовой частоты;

§  таймеры;

§  порты ввода/вывода;

§  последовательные интерфейсы.

В основном микроконтроллеры могут применяться там, где приоритетным является уменьшение размеров, снижение потребляемой мощности, увеличение устойчивости к внешним факторам и сильным электромагнитным полям. Технология их производства постоянно совершенствуется, и быстродействие микроконтроллеров в последние годы постоянно наращивается и растёт. Новые поколения микроконтроллеров уже могут выполнять сложные расчеты за малое время. Выбрав за основу устройства микроконтроллер, определим его функции. Как следует из названия дипломного проекта - это устройство выборочного ограничения исходящей междугородной связи.

Обозначим список минимальных и необходимых требований:

§  не вмешиваться в протокол работы АТС;

§  не создавать помех телефонной линии;

§  точно определять поднятие трубки абонентом;

§  безошибочно определять набираемый номер;

§  блокировать доступ абонента к линии при заданных условиях.

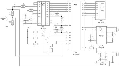
С учётом вышеизложенных требований, разработаем блок-схему устройства, позволяющее реализовать все перечисленные требования. Схема устройства выборочного ограничения исходящей междугородной связи по номерам набираемых цифр, представлена на функциональной схеме, на рис. 1.

Рис. 1 - Функциональная схема устройства ограничения исходящей междугородной связи

С телефонной линии через аттенюатор, понижая уровень напряжения до логических уровней микросхем логики ТТЛ, сигнал с линии приходит к детектору DTMF сигнала. Декодировав тональную посылку абонента каждой набираемой цифры, сигнал в двоичной четырёхразрядной форме поступает на вход микроконтроллера. При этом заранее с блока управления микроконтроллером введены номера телефонов. Реализация алгоритма работы программы устройства позволяет выбирать - разрешить этот заданный номер к набору, а остальные соответственно запретить или же выполнять инверсную функцию.

Изначально в устройство введен номер, имеющий определённое количество цифр. Микроконтроллер динамически вычисляет количество цифр в номере до тех пор, пока этот номер хранится в EEPROM. Допустим, устройство запрограммировано на анализ одиннадцатизначного номера и хранит его в энергонезависимой памяти EEPROM. Количество цифр может быть любым - начиная с одной и заканчивая длинными номерами междугородных номеров.

Абонент желая набрать телефонный номер, снимает трубку и тем самым вызывает падение напряжения в телефонной линии. Разрабатывалось и проверялось устройство в реальных условиях на линии АТС-63. Для данной линии напряжение «поднятой трубки» равно 30 В, а снятой 8 В. Микроконтроллер имеет в своём составе компаратор, запрограммированный на отслеживание напряжения в телефонной линии. При падении напряжения ниже 18 В, компаратор даёт внутренний сигнал микроконтроллеру о том, что трубка снята. Этим обеспечивается точное определение поднятой трубки.

Далее устройство ждёт первой набранной цифры и как только она будет набрана, сразу же начинает сравнивать в первой цифрой номера, занесённого в электрически перепрограммируемую память микроконтроллера EEPROM. Так как мы условились оперировать одинадцатизначным междугородним номером, введённым например к запрету, то устройство определив что если первые цифры не совпадают, переходит к анализу следующей цифры, которую введёт абонент. Сигнала сброса линии не происходит. При всех следующих набранных цифрах, если они не совпадают или набранный номер меньше заданного по количеству цифр, сброса линии так же не происходит. Сброс так же не произойдёт, если абонент набирает номер по количеству цифр, превосходящий заданный, но не совпадающий с первыми цифрами заданного номера.

Если же при наборе номера абонентом, количество цифр совпадёт вместе с самим номером, заданным к сравнению, то устройство выработает сигнал сброса, который поступит на коммутатор, а тот в свою очередь воздействует на аппарат пользователя, что приведёт к сбросу линии в исходное состояние. При попытке ещё такого же номера линия будет периодически сбрасывать и тем самым обеспечивается блокировка «нежелательных» к набору номеров и отсутствие влияния на линию «режим прозрачности» во всех остальных случаях.

В качестве дополнительной опции, устройство наглядно отображает введённый номер в EEPROM, а также набираемые номера с линии на ЖК индикаторе. Для будущего применения и расширения функционала устройства, так же имеется канал передачи данных с линии по интерфейсу RS232. Данный интерфейс реализован в некоторых компьютерах и может быть использован для сбора информации о набранных номерах, дате звонков и продолжительности разговоров, что может быть полезным для ведения учёта использования линии в различных отраслях.

.2 Выбор элементной базы и принципиальная схема устройства

Узел декодера DTMF необходим для распознавания сигналов набора номера в «тональном» режиме. В качестве основного декодера DTMF выберем микросхему КР1008ВЖ18 или её аналог MT8870 фирмы «Mitel» [6]. Она обрабатывает поступающие сигналы, содержащие коды частотного набора, декодирует их и будет выводить детектированный код на вход портов контроллера. Назначение и номера выводов приведены на рис. 2.

Рис. 2 - Номера выводов микросхемы MT8870

Её внутренняя структура представлена на рис. 3.

Рис. 3 - Структурная схема декодера DTMF КР1008ВЖ18

Назначение и описание выводов микросхемы MT8870 приведены в таблице 4 [7].

Таблица 4 - Описание выводов микросхемы MT8870

Номер вывода

Название

Описание

1

IN+

Неинвертирующий вход усилителя

2

IN-

Инвертирующий вход усилителя

3

GS

Выбор усиления внешним резистором

4

Vref

Выход источника опорного напряжения

Номер вывода

Название

Описание

5

INH

Вход разрешения детектирования кодов «A», «B», «C», «D». Активный уровень - высокий.

6

PWDN

Вход разрешения перехода микросхемы в режим пониженного энергопотребления. Активный уровень - высокий.

7

OSC1(XT1)

Вход тактового генератора.

8

OSC2(XT1)

Выход тактового генератора. Кварцевый резонатор на 3.579545 МГц подключенный между OSC1 и OSC2 позволяет работать встроенному тактовому генератору.

9

Vss

Вход «земли».

10

TOE

Вход разрешающий вывод детектированных кодов на выходы Q1-Q4. Активный уровень - высокий.

11-14

Q1-Q4

Выходы, выводящие детектированный код в двоичном представлении.

15

StD

Выход выводящий сигнал подтверждающий успешное детектирование кодов набора номера и установку детектированного кода на выходах Q1-Q4.

16

ESt

Выход выводящий сигнал подтверждающий наличие на входе сигналов частотного набора.

17

St/Gt

Вход управляющий защелками на выходах Q1-Q4. Обеспечивает хранение детектированных кодов на выходах Q1-Q4.

18

Vdd

Вход «Питание + 5 В»


Типовая схема включения микросхемы MT8870 представлена на рис. 4. Здесь указаны назначение выводов и их нумерация.

Рис. 4 - Типовая схема включения микросхемы MT8870

В таблице 5 приведены логические состояния выходов Q1-Q4 в зависимости от детектированного кода набранной цифры или клавиши.

Таблица 5 - Соответствия логических состояний выходов Q1-Q4

Набранная клавиша (цифра)

Q4

Q3

Q2

Q1

1

0

0

0

1

2

0

0

1

0

3

0

0

1

1

4

0

1

0

0

5

0

1

0

1

6

0

1

1

0

7

0

1

1

1

8

1

0

0

0

9

1

0

0

1

0

1

0

1

0

*

1

0

1

1

#

1

1

0

0


В качестве микроконтроллера был выбран ATmega8 [8]. Изначально предполагалось использование его предшественника, микроконтроллера АТ89С51, как наиболее широко распространённого, но в его составе не было компаратора, необходимого для отслеживания напряжения линии и источника внутреннего образцового напряжения (ИОН). Поэтому был выбран микроконтроллер ATmega8 [9]. Их стоимость на рынке является практически одинаковой. Технические характеристики ATmega8:

§  8-разрядный высокопроизводительный AVR микроконтроллер с малым потреблением;

§  прогрессивная RISC архитектура;

§  130 высокопроизводительных команд, большинство команд выполняется за один тактовый цикл;

§  32 8-разрядных рабочих регистра общего назначения Полностью статическая работа;

§  приближающаяся к 16 MIPS (при тактовой частоте 16 МГц) производительность;

§  встроенный 2-цикловый перемножитель;

§  энергонезависимая память программ и данных;

§  8 Кбайт внутрисистемно программируемой Flash памяти (In-System Self-Programmable Flash) Обеспечивает 1000 циклов стирания/записи;

§  дополнительный сектор загрузочных кодов с независимыми битами блокировки;

§  обеспечен режим одновременного чтения/записи (Read-While-Write);

§  512 байт EEPROM (Обеспечивает 100000 циклов стирания/записи );

§  1 кбайт встроенной SRAM;

§  программируемая блокировка, обеспечивающая защиту программных средств пользователя;

§  встроенная периферия;

§  два 8-разрядных таймера/счетчика с отдельным предварительным делителем, один с режимом сравнения;

§  один 16-разрядный таймер/счетчик с отдельным предварительным делителем и режимами захвата и сравнения;

§  счетчик реального времени с отдельным генератором;

§  три канала PWM;

§  8-канальный аналого-цифровой преобразователь (в корпусах TQFP и MLF);

§  6 каналов с 10-разрядной точностью;

§  2 канала с 8-разрядной точностью;

§  6-канальный аналого-цифровой преобразователь (в корпусе PDIP);

§  4 канала с 10-разрядной точностью;

§  2 канала с 8-разрядной точностью;

§  байт-ориентированный 2-проводный последовательный интерфейс;

§  программируемый последовательный USART;

§  последовательный интерфейс SPI (ведущий/ведомый);

§  программируемый сторожевой таймер с отдельным встроенным генератором;

§  встроенный аналоговый компаратор и ИОН;

§  специальные микроконтроллерные функции;

§  сброс по подаче питания и программируемый детектор кратковременного снижения напряжения питания;

§  встроенный калиброванный RC-генератор;

§  внутренние и внешние источники прерываний;

§  пять режимов пониженного потребления: Idle, Power-save, Power-down, Standby и снижения шумов ADC;

§  выводы I/O и корпуса;

§  23 программируемые линии ввода/вывода;

§  28-выводной корпус PDIP, 32-выводной корпус TQFP и 32-выводной корпус MLF;

§  рабочие напряжения - 4,5 - 5,5 В;

§  рабочая частота - 0 - 16 МГц.

Функциональное назначение выводов ATmega8 приведено на рис. 5.

Рис. 5 - Функциональное назначение выводов ATmega8

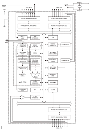
Микроконтроллер обладает Гарвардской архитектурой, т. е. с раздельной памятью программ и данных [10]. Его блок-схема приведена на рис. 6.

Рис. 6 - Внутренняя структура микроконтроллера ATmega8

Его расположение выводов приведено на рис. 7.

Рис. 7 - Расположение выводов микроконтроллера ATmega8

Микроконтроллер обладает необходимыми характеристиками для реализации его в данном устройстве [11]. Его порты D2 - D5 будем использовать как входа четырёхразрядной шины данных с DTMF декодера. Бит порта D7 задействуем как вход внутреннего компаратора, так как одной из альтернативных функций этого бита является использование его как инверсный вход компаратора. При этом прямой вход компаратора будет программно подключён к внутреннему ИОН микроконтроллера. Оставшиеся бита порта D0 и D1 будут использованы так же как альтернативные функции микроконтроллера и будут использованы как RxD и TxD интерфейса USART для обмена по протоколу RS232. Порт C задействуем для вывода информации на LCD-модуль (ЖК индикатор). Оставшийся порт B будем использовать для подключения блока управления устройством, подключения кварцевого резонатора и управления коммутатором, обеспечивающим блокировку дозвона в линию.

В качестве наглядного и удобного узла отображения информации для устройства был выбран LCD-модуль WH2002A [12]. Это ЖК дисплей, отображающий две строки по 20 символов в каждой строке. В своём составе WH2002A имеет встроенный контроллер HD44780, позволяющий модулю LCD принимать стандартные символы в формате ANSII [13]. Его внутренняя структура приведена на рис. 8.

Рис. 8 - Внутренняя структура контроллера дисплея WH2002A

Команды, получаемые контроллером HD44780, от микроконтроллера ATmega8 могут вести обмен как в 8-ми битном, так и в 4-х битном режиме. Для экономии выводов порта выберем 4-х битный режим. На скорости отображения информации на экране, визуально это заметно не будет. Список команд контроллера HD44780 приведён в таблице 6.

При подаче питания на модуль-LCD, его нормальная работа может быть обеспечена только после его правильной инициализации. Сначала контроллер ЖК-индикатора переводят в режим приёма команд. Затем следует задать размер матрицы в отображаемых символах. Затем определяют параметры курсора, режим смещения счётчика адреса, разрядность шины данных и после этого контроллер переводят в режим приёма данных. Сразу после этого делают очистку экрана, после чего дисплей готов к приёму символов от основного микроконтроллера. Контроллер LCD-модуля поддерживает как режим записи в него, так и режим чтения. Мы будем использовать только режим чтения.

Таблица 6 - Команды контроллера HD44780


Символы, принимаемые контроллером HD44780 по стандарту ANSI приведены в таблице 7.

Таблица 7 - Символы ANSI видеопамяти контроллера HD44780

Таблица видеопамяти используемого ЖК-индикатора в данном проекте не имеет русификации, поэтому в области видеопамяти от A0h - FFh отсутствуют русские символы. По этой причине мы задействуем область памяти с 20h - 7Fh.

Сам модуль LCD представлен на рис. 9.

Рис. 9 - Вид спереди LCD-модуля WH2002A

Назначение выводов LCD-модуля WH2002A представлено в таблице 8.

Таблица 8 - Назначение выводов LCD-модуля WH2002A

Расположение символов адресного пространства видеопамяти WH2002A представлено на рис. 10.

Рис. 10 - Адресное пространство LCD-модуля WH2002A

Для реализации возможности обмена устройства с компьютером, используем микросхему - преобразователь уровней ТТЛ - RS232 и наоборот фирмы MAXIM MAX232. Данная микросхема показала устойчивую работу в преобразовании уровней напряжения и поэтому была выбрана для данного проекта [14].

Расположение выводов приведено на рис. 11.

Рис. 11 - Расположение выводов MAX232

Типичная схема включения приведена на рис. 12.

Рис. 12 - Схема включения MAX232

Вывод микросхемы Vs- формирует отрицательное напряжение минус 10 В. Это позволяет задействовать его как источник отрицательного напряжения для подачи на вывод регулировки контрастности LCD-модуля, для которого необходимо подать отрицательный потенциал минус 3 В.

Для передачи данных используем асинхронный режим передачи. При асинхронной передачи данных каждому байту предшествует старт-бит, сигнализирующий приемнику о начале очередной посылки, за которым следуют биты данных и, возможно, бит паритета (контроля четности). Завершает посылку стоп-бит, гарантирующий определенную выдержку между соседними посылками. Старт-бит следующего посланного байта может посылаться в любой момент после окончания стоп-бита, то есть между передачами возможны паузы произвольной длительности. Старт-бит, имеющий всегда строго определенное значение (лог. 0), обеспечивает простой механизм синхронизации приемника по сигналу от передатчика. Подразумевается, что приемник и передатчик работают на одной скорости обмена, измеряемой в количестве передаваемых бит в секунду. Внутренний генератор синхронизации приемника использует счетчик-делитель опорной частоты, обнуляемый в момент приема начала старт-бита. Количество бит данных может составлять 5, 6, 7 или 8 (5- и 6-битные форматы мало распространены). Количество стоп-бит может быть 1, 1,5 и 2 ("полтора бита" подразумевает, естественно, только длительность стопового интервала).

Для реализации интерфейса RS232 используем один из возможных режимов обмена - это асинхронный обмен на скорости 9600 бит/с, без проверки на чётность, 1 стоповый бит, без управления потоком. Данные передаются побайтно. Это проиллюстрировано на рис. 13.

Рис.13 - Диаграмма посылок интерфейса RS232

При выборе коммутатора, рассматривалось несколько вариантов, среди которых были малогабаритные реле и современные электронные основанные на полупроводниках [15]. Выбор был в пользу последних. Появившиеся в последнее время твердотельные оптореле обладают малыми габаритами, весом и отвечают заданным характеристикам. Было выбрано твердотельное оптическое реле KAQV412 c MOSFET выходом, нормально замкнутое, на 60 В и 200 мА [16]. Его графическое изображение приведено на рис. 14.

Рис. 14 - Графическое изображение KAQV412

Технические характеристики оптореле KAQV412 показаны на рис. 15.

Рис. 15 - Технические характеристики оптореле KAQV412

Определив элементную базу, разработаем принципиальную схему устройства. Внутренний источник опорного напряжения (ИОН), входящий в состав микроконтроллера DD1 ATmega8, и подключаемый программно, формирует напряжение 1,22 В. Для того, чтобы можно было отслеживать напряжение телефонной линии, надо рассчитать резисторы R1 и R2, используемые в делителе напряжения. Часть схемы представлена на рис. 16.

Рис. 16 - Делитель напряжения и компаратор

Так как на инверсный вход компаратора в исходном случае должно приходить напряжение выше чем установлено программно на положительном входе компаратора, то пусть это будет 2 В, т.к. 2 В > 1,22 В.

Когда абонент снимет трубку телефона, то напряжение на инверсном входе компаратора должно стать ниже порога компарации, что приведёт к формированию внутреннего активного уровня единицы бита ACO = 1.

Принципиальная схема разработанного устройства показана на рис. 17.

Рис. 17 - Принципиальная схема устройства выборочного ограничения исходящей междугородной связи

.3 Разработка программного обеспечения контроллера

Для обработки поступающих сигналов в узел набора и анализа номеров, главная часть этого узла - микроконтроллер, должен быть запрограммирован на анализ поступающих тоновых посылок набора и контроля сеанса разговора. Для этого разработаем управляющую программу, с использованием среды программирования Bascom AVR. Эта среда поддерживает Basic - подобный язык, а так же язык Assembler AVR. Данная среда удобна тем, что содержит средства быстрой разработки программного обеспечения и сочетает в себе сразу три необходимых инструмента для успешной работы с МК фирмы Atmel:

.        среда написания на языке Basic и Assembler;

.        компилятор программного кода;

.        средства для работы с программатором МК.

Перед написанием программы, необходимо сформулировать основные требования к ней, т.е. управляющая программа (УП) должна выполнять следующие операции:

.        постоянно следить за логическим состоянием портов МК, на которые поступают сигналы от декодера DTMF;

.        измерять напряжение телефонной линии;

.        по условиям алгоритма опрашивать состояние кнопок управления;

.        правильно декодировать для операций анализа и сравнения набираемые цифры;

.        в любых случаях, при разном количестве цифр в телефонном номере - исключать ситуации, приводящие к неопределённому поведению работы алгоритма устройства;

.        при пропадании напряжения питания устройства, обеспечивать сохранность набранного номера в EEPROM.

Листинг разработанной программы приведён в приложении А.

3. Моделирование сервисного устройства

.1 Тестирование устройства и анализ результатов

Произведём расчёт аттенюатора. Исходя из того, что допустимой нагрузкой делителя напряжения на линию будет ток в 1 мА, установим общее входное сопротивление делителя 22 кОм. Рабочее напряжение современных АТС (в данном случае АТС63) составляет около 22 В. Исходя из этого, рассчитаем резисторы R1 и R2.

 Ом (20 кОм),

 Ом (2 кОм),

где U1 = падение напряжения на R1, U2 = падение напряжения на R2,

I = ток протекающий через делитель R1, R2.

Для получения результатов проекта, соберём макет устройства выборочного ограничения исходящей междугородной связи и затем протестируем его в реальной среде, а также в программах-симуляторах (Результаты работы с программами-симуляторами рассмотрим в следующем разделе моделирования процессов). Оно собрано на плате из одностороннего фольгированного стеклотекстолита размерами 80х120 мм. Часть деталей, таких как микросхема интерфейса RS232 MAX232 смонтирована со стороны монтажа, так как она была приобретена в корпусе типа SO для поверхностного монтажа. Собранный макет представлен на рис. 18.

Рис. 18 - Макет собранного устройства

Далее соберём простой программатор для микроконтроллера. Принципиальная схема одного из подходящих программаторов типа STK200 приведена на следующем рис. 19.

Рис. 19 - Принципиальная схема программатора STK200

В собранном виде, программатор представляет устройство в виде переходника с LPT порта на SPI интерфейс, по которому происходит программирование микроконтроллера ATmega8. Его видно на рис. 20.

Рис. 20 - Внешний вид собранного программатора STK200

Для непосредственного программирования микроконтроллера используем простую программу Uniprof. Особенность её в том, что она надёжно «прошивает» микроконтроллеры без ошибок связи. Её интерфейс представлен на рис. 21.

Рис. 21 - Интерфейс программы Uniprof (экранная копия)

Полученные результаты собранного макета устройства позволяют сделать выводы о том, что устройство показало стабильную работу на реальной телефонной линии и безошибочно запоминает и анализирует для сравнения телефонные номера. Одним из преимуществ данного устройства явилось наличие в микроконтроллере устройства энергонезависимой памяти EEPROM [17]. Поэтому при многократном отключении питания устройства, это никак не повлияло на сохраненные в памяти устройства номера к запрету.

Также проведём тестирование макета устройства с его опциональной возможностью связи с компьютером [18]. Подключим макет по нуль-модемному кабелю интерфейса RS232 с COM портом компьютера в соответствии с рис. 22.

Рис. 22 - Схема распайки кабеля COM - COM

Для наглядного отображения на экране монитора используем входящую в состав операционной системы Windows XP, программу Hyper Terminal. Затем выставим одинаковые параметры связи с собранным макетом устройства, как показано на рис. 23.

Рис. 23 - Настройки программы Hyper Terminal (экранная копия)

После того, как все необходимые установки произведены, подключаем макет устройства к телефонной линии и при условии, что телефонный номер к запрету уже введён в EEPROM устройства, снимаем трубку телефона и начинаем набирать какой-нибудь телефонный номер. При снятии трубки видим, что макет устройства посылает символ «В», что означает Begin, т. е. начало времени отсчёта занятости линии. При написании специализированной программы для сбора информации о совершённых звонках с данной телефонной линии, этот символ является скрытым и не показывается пользователю. Далее видим отображение набранного телефонного номера. В конце разговора, когда будет положена трубка на базу, будет сформирован ещё один служебный символ «E» (т. е. End). Совместно эти два служебных символа обеспечивают «привязку» к системному времени компьютера. Это позволяет вести учет начала и конца звонков, а также высчитывать программно длительность разговора абонента.

Всё вышесказанное проиллюстрировано на рис. 24.

Рис. 24 - Окно программы Hyper Terminal (экранная копия)

Проведённое тестирование макета устройства, позволяет сделать вывод о его практической пригодности в различных сферах, как устройства, функционально расширяющего сервисные возможности телефонной линии. В случае реализации мелкосерийного производства, рекомендуется использовать пластиковые корпуса, изготовляемые фирмой TEKO [19].

.2 Схемотехническое моделирование в программной среде Proteus 7.4 SP3

Смоделируем макет данного устройства в программной среде Proteus 7.4. Общая принципиальная схема для данной среды представлена на рис. 25.

Рис. 25 - Принципиальная схема устройства в среде Proteus 7.4 SP3 (экранная копия)

Так как в среде Proteus отсутствует библиотека декодера DTMF, применим альтернативное задание двоичного четырёхразрядного кода с выхода декодера DTMF, набором переключателей и кнопки, имитирующей формирование сигнала DSO. Фрагмент альтернативного варианта показан на рис. 26.

Рис. 26 - Аналог части схемы формирования двоичного кода декодером (экранная копия)

Для наглядного отображения осциллограмм используем встроенный в среду Proteus осциллограф. Его изображение показано на рис. 27.

Рис. 27 - Осциллограф в среде Proteus (экранная копия)

Рассмотрим процессы, происходящие в макете устройства. При подаче питающего напряжения (кнопка запуска моделирования процесса) внутри микроконтроллера, происходит первоначальная инициализация LCD-модуля. Это приводит к установке сигнала «RS» в состояние низкого уровня и формировании сигнала строба «E». Продемонстрируем это на рис. 28.

Рис 28 - Формирование управляющих сигналов для LCD-модуля (экранная копия)

Жёлтым цветом обозначен сигнал «RS», а синим строб «E». Когда завершается программа инициализации, происходит переход сигнала RS в состояние высокого уровня, для того чтобы LCD-модуль перешел в режим чтения данных. Далее происходит проверка того, был ли какой-либо номер телефона введён ранее в EEPROM устройства. Предположим, что нам требуется очистить всю память номеров устройства и ввести другие телефонные номера. Для этого, при включении устройства удерживаем около одной секунды кнопку SB3, согласно схеме на рис. 17. При этом происходит очистка всей «памяти номеров». Это показано на рис. 29.

Рис. 29 - Фрагмент очистки EEPROM макета устройства (экранная копия)

Очистка EEPROM происходит около 3-х секунд и сразу после этого устройство переходит к началу следующей программы. В течении некоторого времени выводится информация о изготовителе устройства и учебном заведении, группе и дате представления макета. Это видно из рис. 30.

Рис. 30 - Демонстрационный промежуточный режим LCD-модуля (экранная копия)

Далее микроконтроллер переходит к непосредственному режиму работы. Предлагается ввести телефонный номер к запрету для набора. Следует заметить, что количество цифр в номере не ограничено. Это может быть всего одна цифра «8» для блокировки всех междугородних звонков или цифра «9» для блокировки выхода на городскую АТС с внутренней АТС предприятия, так и длинный междугородний номер. В данной реализации ограничение составляет 20 цифр в номере, чтобы это удобно отображалось на LCD-модуле.

Ввод номера происходит по последовательному 2-х кнопочному интерфейсу. Первоначально предполагалось использование плёночно - матричной клавиатуры для набора номера. Но из-за её дороговизны по сравнению с двумя кнопками, решено было использовать последовательный интерфейс. Это также положительно сказалось на конечном размере устройства, в сторону его уменьшения.

Вводимые цифры номера сразу отображаются на экране LCD-модуля. Это видно на рис. 31.

Рис. 31 - Ввод междугороднего телефонного номера к запрету (экранная копия)

Увеличение значения каждой цифры в одном знакоместе происходит при каждом очередном нажатии кнопки SB1. Переход к вводу следующей цифры номера, производится нажатием кнопки SB2. Когда все необходимые цифры номера набраны, нужно нажать кнопку SB3. При этом макет устройства переходит к следующему циклу работы программы и переключается в режим анализа телефонной линии. Это показано на рис. 32.

Рис. 32 - Режим анализа данных с линии (экранная копия)

Устройство определяет уровень напряжения в телефонной линии и если трубка положена на базу, ждёт её поднятия. При поднятии трубки происходит падение напряжения в телефонной линии с 30 В до 8 В. При этом в точке соединения резисторов R1 и R2 согласно рис. 17, происходит падение напряжения с 2,2 В до 0,7 В. Это показано на рис. 33 верхней (жёлтой) линией. При этом спустя один такт работы микроконтроллера формируется сигнал с выхода внутреннего компаратора, обозначенный на том же рис. 33 нижней (синей) линией.

Рис. 33 - Формирование сигналов снятия трубки (экранная копия)

После того как трубка снята и абонент начинает набор первых цифр номера, в телефонной линии появляются посылки DTMF кода, соответствующего каждой набранной цифре. Форма сигнала посылок DTMF кода видна на рис. 34.

Рис. 34 - Форма сигналов посылок DTMF кода

При посылке каждого DTMF сигнала в линию, декодер DTMF производит распознавание посылки и затем, когда сигнал будет равен 40 мс, он подаётся на выход в виде двоичного четырёхразрядного кода. Сразу после правильного распознавания сигнала формируется сигнал готовности DSO, как управляющий сигнал для микроконтроллера. Это продемонстрировано верхней (жёлтой) линией на рис. 35.

Рис. 35 - Формирование сигнала управления DSO (экранная копия)

Непосредственно в процессе моделирования, имитация декодера DTMF в среде Proteus, согласно рис. 26, осуществляется набором блока переключателей DSW2. Им набирают двоичный код, а кнопкой SB4 формируется сигнал управления DSO. При совпадении набранного номера и номера телефона, находящегося в памяти макета устройства, формируется сигнал сброса, который поступает на коммутатор, осуществляющий временный сброс линии согласно рис. 17, а в среде Proteus порт PB2 микроконтроллера формирует секундный сигнал сброса и тем самым включает светодиод D1. Все последующие наборы различных номеров будут приводить либо к срабатыванию того же сигнала сброса на порту PB2, если номер опять совпадёт или устройство никак не будет влиять на набор номеров, не совпадающих с заданным по условиям алгоритма.

Сервисные возможности устройства расширяются за счёт его опциональной возможности связи с компьютером. В среде Proteus предусмотрен виртуальный терминал последовательного интерфейса. При каждом набранном номере, в соответствии с протоколом передачи RS232 формируется байтовая посылка данных вместе со стартовым битом и стоп-битом. Сигнал TxD, формируемый на выходе микроконтроллера U1, показан на рис. 36 верхней (синей) линией. Преобразователь интерфейса RS232 U2, непосредственно связанный с микроконтроллером ATmega8, получая сигнал RxD, преобразует и инвертирует его из сигналов ТТЛ логики в уровни напряжений COM порта, т. е. в +10 В и минус 10 В. Это показано на рис. 36 нижней (жёлтой) линией.

Рис. 36 - Сигналы интерфейса RS232 (экранная копия)

Сам терминал RS232 при моделировании процесса отображает окно, через которое возможно как просматривать выводимую информацию, так и осуществлять ввод. Мы используем только режим приёма данных на терминал. Окно терминала показано на рис. 37.

Рис. 37 - Окно терминала (экранная копия)

Перейдём к моделированию программного обеспечения микроконтроллера.

3.3 Моделирование работы программы в среде Bascom AVR

Моделирование процесса работы программы рассмотрим в среде разработки Bascom AVR. Тактовая частота МК - 11,0592 МГц [20]. Частота выбрана из-за возможности работы с COM портом компьютера, чтобы осуществлять обмен на скорости 9600 бод/с. Для этого в настройках программы выберем кварц с рабочей частотой 11,0592 МГц. Режим симуляции автоматически произведёт целочисленное деление на 1152 и тем самым будет определена единственная скорость последовательного интерфейса микроконтроллера 9600 бод/с.

Общий вид программы представлен на рис. 38.

Рис. 38 - Общий вид программы BASCOM AVR (экранная копия)

Cмоделируем две основные ситуации, которые могут возникнуть при работе устройства на линии:

§  Абонент снял телефонную трубку, произвел набор телефонного номера - номер не совпал;

§  Абонент снял телефонную трубку, произвел набор телефонного номера - номер совпал.

При старте программы происходит инициализация переменных процесса. При этом также устанавливается и программно подключается источник опорного напряжения ИОН к положительному выводу компаратора микроконтроллера.

Программируются выводы микроконтроллера:

§  Pind.2 Pind.3 Pind.4 Pind.5 Pinb.0 Pinb.1 Pinb.3 Pinb.5 = как входы;

§  Pinb.2 = как выход;

§  Acsr = &B01000000 (настройка внутреннего компаратора).

В режиме симуляции отображается окно конфигурации регистров. При этом выводы портов, которые запрограммированы на выход, подсвечены ярким красным цветом. Это окно приведено на рис. 39.

Рис. 39 - Окно состояния регистров (экранная копия)

Также в режиме симуляции доступно окно состояния регистров специальных функций, таких как регистр компаратора ACSR. На рис. 40 видно, что в этом регистре записано число 40h в шестнадцатеричной системе, что эквивалентно числу 01000000b, записанному в регистр при написании программы.

Рис. 40 - Окно состояния регистров специальных функций (экранная копия)

На рис. 41 приведено окно состояния рабочих регистров, которые при написании программы могут явно не использоваться. Но переменные, определённые в программе, используют эти регистры в ходе выполнения алгоритма программы.

Рис. 41 - Окно состояния рабочих регистров (экранная копия)

Весь код программы разбит на четыре основных цикла (приложение Б):

§  Очистка памяти EEPROM;

§  Проверка наличия записей в EEPROM;

§  Опрос кнопок;

§  Опрос кода с декодера DTMF.

Остальную часть составляют подпрограммы. После инициализации переменных программа переходит к проверке наличия записей в EEPROM и если номер уже записан, то сразу переходит к анализу линии. Это произойдёт и в случае снятия напряжения и подаче его вновь на макет устройства. Очистка EEPROM происходит в принудительном порядке, удержанием кнопки SB3 при включении. После этого происходит переход к циклу опроса кнопок для введения нового номера к запрету.

В остальных случаях происходит постоянный анализ кода с выхода декодера DTMF. В первой из предполагаемых ситуаций, когда абонент набрал номер, но он не совпал, программа очистит вторую строку LCD-модуля и затем снова вернётся к анализу линии. Во втором случае, когда набранный номер абонента совпал с запрограммированным, на выходе порта PB2 формируется сигнал сброса в течении 1 с и затем вновь возвращается к чтению данных с портов, запрограммированных на приём двоичного кода с декодера DTMF.

Результатом успешной работы программы среде Bascom AVR, является файл прошивки для микроконтроллера, который в этой же среде компилируется в бинарный код. Полученный файл имеет расширение имени файла *.hex. Загрузка в память микроконтроллера осуществляется уже упоминавшейся программой Uniprof.

Заключение

В ходе выполнения дипломной работы были получены следующие результаты.

1.       Проведен анализ конструкции и принципа работы абонентской телефонной линии.

2.      На основе проведенного анализа было спроектировано сервисное устройство выборочного ограничения исходящей междугородной связи.

.        Разработано программное обеспечение для микроконтроллера в среде Bascom AVR.

.        Проведено схемотехническое моделирование разработанного устройства в программной среде Proteus 7.4 SP3.

.        Проведено физическое моделирование и тестирование устройства.

Разработанное устройство имеет следующие достоинства:

·        при выпуске устройства в производство, может иметь малый вес и размеры при использовании корпусов микросхем поверхностного монтажа типа SO;

·        устройство не вмешивается в протокол работы АТС и ТА, так как имеет высокое входное сопротивление (около 22 кОм по постоянному току);

·        низкое энергопотребление, измеряемое единицами миллиампер;

·        может быть отконфигурировано при существующей физической реализации в устройство другой сервисной функции телефонии, путём смены дополнительного программного обеспечения;

·        имеет простую настройку и малое количество элементов управления.

Список литературы

1.      Материалы сервера. Анализ аналоговых телефонных сетей. #"524561.files/image047.gif">

Графический алгоритм программы МК (подпрограмма 1)

Графический алгоритм программы МК (подпрограммы 2 и 3)


Приложение В

Порядок настройки разработанного устройства

§  Очистка телефонных номеров, введённых в энергонезависимую память устройства:

При включении удерживать в течении 1 с. Кнопу SB3. После этого через 1 с. Устройство автоматически перейдёт в главное меню ввода номеров.

§ Ввод нового номера к запрету:

Последовательным нажатием кнопки SB1 набрать нужную цифру номера и затем нажать кнопку SB2 для ввода следующей цифры номера. Произвести эти действия столько раз, сколько цифр содержится в номере к запрету.

§ Получение детальной статистики звонков для создания электронного архива на компьютере:

При отключенном питании устройства и компьютера соединить их нуль-модемным кабелем RS232. Затем в компьютерной программе сбора статистики звонков, выставить правильное значение COM порта и следующие параметры обмена: скорость обмена 9600 кбит/с, 8 бит данных, контроля чётности - нет, 1 стоповый бит, управление потоком - нет.

§ Использование основного режима работы:

          Просто включить устройство и при уже введённом номере к запрету, если не используется передача данных на компьютер, наблюдать отображение набираемых номеров на LCD-модуле устройства.

Похожие работы на - Разработка и моделирование сервисного устройства выборочного ограничения исходящей междугородной связи

 

Не нашли материал для своей работы?
Поможем написать уникальную работу
Без плагиата!
Без нейросетей!