Проектирование фильтра симметричных составляющих прямой последовательности тока
КУРСОВАЯ РАБОТА
На тему:
Проектирование фильтра симметричных
составляющих прямой последовательности тока
СОДЕРЖАНИЕ
Исходные
данные
Введение
. Основные
сведения о трансформаторах напряжения
.1 Основные
параметры трансформатора напряжения
.2 Конструкция
ТН
. Фильтры
симметричных составляющих прямой последовательности тока
.1 Назначение
и способы осуществления
.2
Характеристики и показатели фильтров
.3 Фильтры
прямой последовательности тока
. Расчет и
проектирование УВТ на основе шунта с параллельным ПИТН
Заключение
Список
источников информации
ИСХОДНЫЕ ДАННЫЕ
Спроектировать фильтр симметричных составляющих прямой последовательности
тока. В качестве устройства ввода тока использовать шунт с параллельным
трансформатором напряжения.
Разработать и описать схему ФССППТ. Спроектировать устройство ввода тока.
Пояснительную записку оформить в соответствии с действующими стандартами.
Исходные данные для расчета промежуточного трансформатора напряжения:
входной ток 0-5А
выходное напряжение ФССППТ(Rн
≥ 1 кОм)
0-10 В
погрешность трансформатора напряжения не более 0,2%
допустимая потребляемая мощность от первичного ИТН не более 2,5ВА
частота 50±10%Гц
сталь 80 НХС
ВВЕДЕНИЕ
Фильтром симметричных составляющих называется электрическая схема,
приключенная своими входными зажимами к вторичным цепям трансформатора тока и
подающая через два входных зажима на исполнительный орган однофазное напряжение
или однофазный ток, пропорциональный одной или нескольким симметричным
составляющим токов, подведенным к входным зажимам фильтра, а следовательно, и
тем же составляющим токов первичной сети.
Наиболее распространенными являются фильтры, ток между входными зажимами
которых пропорциональны составляющим только одной последовательности тока.
Например, фильтры симметричных составляющих тока прямой последовательности.
В данной курсовой работе необходимо спроектировать фильтр симметричных
составляющих тока прямой последовательности. Где в качестве устройства ввода
тока используется шунт с параллельным трансформатором напряжения. Разработать и
описать схему ФССППТ. Спроектировать устройство ввода тока.
1. ОСНОВНЫЕ СВЕДЕНИЯ О
ТРАНСФОРМАТОРАХ НАПРЯЖЕНИЯ
Трансформаторы
напряжения служат для преобразования высокого напряжения в низкое стандартное
напряжение, удобное для измерения. Обычно за номинальное вторичное напряжение
принимается напряжение 100 В или 100/
В. Это
позволяет для измерения любого высокого напряжения применять одни и те же
измерительные приборы. Реле защиты также выпускается на одни и те же
стандартные напряжения независимо от номинального напряжения защищаемой
установки.
Первичная
обмотка ТН изолируется от вторичной соответственно классу напряжения установки.
Для безопасности обслуживания один вывод вторичной обмотки заземляется. Таким
образом, ТН изолирует измерительные приборы и реле от цепи высокого напряжения
и делает безопасным их обслуживание.
В
ряде случаев целесообразно в качестве УВТ использовать шунт с параллельным
трансформатором напряжения (рис. 11). При этом используется показанное ранее
преимущество по точности ПИТН по сравнению с ПИТТ, но потери мощности в шунте
значительно превышают потери мощности в одном витке первичной обмотки ПИТТ. Еще
одним преимуществом рассматриваемого УВТ является то, что шунт устанавливают
вне печатных плат по наружной стенке УВТ, а в печатную плату вводится
напряжение шунта с очень малым потребляемым током. В случае УВТ на ПИТТ
первичный ток 5А или 1А необходимо вводить через разъем печатной платы, так как
удаление ПИТТ от ОУ, к которому часто непосредственно подключается вторичная
обмотка ПИТТ, приводит к значительным наводкам и росту погрешности
преобразования, а также возрастает вероятность опасного обрыва вторичной
обмотки ПИТТ.
1.1 Основные параметры ТН
К номинальным параметрам ТН относятся номинальные мощность, напряжение,
ток; ток ХХ; потери ХХ и КЗ.
Номинальной мощностью трансформатора называется указанное в заводском
паспорте значение полной мощности, на которую непрерывно может быть нагружен
трансформатор в номинальных условиях места установки и охлаждающей среды при
номинальных частоте и напряжении.
Она
представляет собой наибольшее значение вторичной мощности при cos
=0,8 ,
при которой погрешность ТН не выходит за пределы, определенные классом
точности.
Номинальное
напряжение обмоток - это напряжение первичной и вторичной обмоток при холостом
ходе трансформатора. Для трехфазного трансформатора - это его линейное
напряжение. Для однофазного трансформатора - это U/
.
Номинальный
коэффициент трансформации - это отношение номинального первичного напряжения к
номинальному вторичному:


;
Где
U
- напряжение, для которого предназначен ТН.
U
-напряжение, которое предназначено для приборов.
Номинальными
токами трансформатора называется указанные в заводском паспорте значения токов
в обмотках, при которых допускается длительная нормальная работа
трансформатора. Номинальный ток любой обмотки определяется по ее номинальной
мощности и номинальному напряжению.
Напряжение
короткого замыкания - напряжение, при подведении которого к одной из обмоток
трансформатора при замкнутой накоротко другой обмотке в ней проходит ток,
равный номинальному. Его определяют по падению напряжения в трансформаторе, оно
характеризует полное сопротивление обмоток трансформатора.
Ток холостого хода характеризует активные и реактивные потери в стали, и
зависит от магнитных свойств стали, конструкции и качества сборки
магнитопровода и от магнитной индукции.
Потери холостого хода и короткого замыкания определяют экономичность
работы трансформатора. Потери холостого хода состоят из потерь в стали и
вихревые токи. Потери короткого замыкания состоят из
потерь в обмотках при протекании по ним токов нагрузки и добавочных
потерь в обмотках и конструкциях трансформатора.
Погрешность по напряжению:
1)
U%- отношение разности замеренного и действительного
напряжения к действительному напряжению в %.
U%=
)
- угловая погрешность (в % или радианах)- это угол
между первичным напряжением и повернутым на 180 градусов вторичным напряжением.
Для
уменьшения этих погрешностей используют магнитные материалы с большой магнитной
проницаемостью, увеличивают сечение, уменьшают длину магнитных силовых линий,
применяют различные конструкции вторичной обмотки.
Класс
точности ТН - это погрешность, по напряжению выраженная в % при номинальном
первичном напряжении и номинальной вторичной нагрузке. ТН выпускают четыре
класса точности:
- 0,2- для подключения точных лабораторных приборов, при точных
исследованиях;
- 0,5- для подключения счетчиков;
1;3-для щитовых
приборов.
.2 Конструкция ТН
Основными конструктивными элементами ТН являются магнитная система
(магнитопровод), обмотки, изоляция, выводы, баки. А также охлаждающее
устройство, тележка, механизм регулирования напряжения, защитные и
измерительные устройства.
Магнитопровод является конструктивной и механической основой трансформатора.
Он выполняется из отдельных листов электротехнической стали, изолированных друг
от друга. Качество электротехнической стали влияет на магнитную индукцию и
потери в магнитопроводе. Уменьшение удельных потерь, соединение стержней с
ярмом позволяют уменьшить потери холостого хода и ток намагничивания
трансформатора. Листы трансформаторной стали должны быть тщательно изолированы
друг от друга.
Обмотки трансформатора должны обладать достаточной электрической и
механической прочностью. Изоляция обмоток должна выдерживать коммутационные и
атмосферные перенапряжения. Для проводников обмотки используется медь и
алюминий. Для ТН характерна малая плотность тока в обмотках. Обмотки
трансформатора снабжаются дополнительными ответвлениями, с помощью которых
можно изменять коэффициент трансформации.
Изоляция является ответственной частью, так как надежность работы
трансформатора определяется в основном надежностью его изоляции. Габариты
трансформатора также определяются изоляцией. В масляных трансформаторах основной
изоляцией является масло в сочетании с твердыми диэлектриками: бумагой,
электрокартоном, гетинаксом, деревом. Значительный эффект дает применение
изоляции из специально обработанной бумаги, которая имеет более высокую
электрическую прочность и допускает большой нагрев В сухих трансформаторах
широко применяют новые виды изолирующих материалов повышенной нагревостойкости
на основе кремнийорганических материалов.
трансформатор симметричный фильтр ток
2. ФИЛЬТРЫ СИММЕТРИЧНЫХ СОСТАВЛЯЮЩИХ ПРЯМОЙ ПОСЛЕДОВАТЕЛЬНОСТИ
ТОКА
2.1 Назначение и способы осуществления
Фильтрами
симметричных составляющих называются измерительные преобразователи трехфазных
нессиметричных и неуравновешенных систем синусоидальных напряжений и токов в
однофазные или симметричные трехфазные напряжения и токи, пропорциональные их
симметричным составляющим прямой (U
,I
), обратной (U
,I
) и нулевой (U
,I
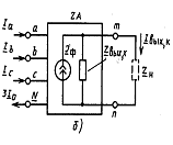
) последовательностей. При подведении к входным
выводам a, b ,c, N фильтра напряжений ZV (рис.6.1,а)
или токов ZA (рис.6.1,б) трех фаз между
выходными выводами m, n возникают напряжение U
или ток I
, определяемый составляющими U
, U
, U
напряжений или I
, I
, I
токов:
U
=
U
;
I
=
I
=
U
;
I
=
I
=
U
;
I
=
I
Где
-
-комплексные коэффициенты преобразования.
Рис. 1. Схемы включения фильтров симметричных составляющих тока
Фильтрами симметричных составляющих, для которых не равен нулю только
один из коэффициентов преобразования, являются простыми. Они находят широкое применение,
особенно фильтры обратной и нулевой последовательностей.В отличии от простых
выходные напряжения и токи комбинированных фильтров определяются двумя и даже
всеми тремя симметричными состовляющими, например
I
=
I
+
I
; I
=
I
+
I
Из
пассивных фильтров выделяются первичные фильтры симметричных составляющих. Они
представляют собой схемы соединения вторичных обмоток измерительных ТН и ТТ и
первичных трансреакторов. Благодаря этому они имеют низкие токи небаланса
(помехи). Используемые схемы соединения вторичных обмоток двух фаз однофазных и
трехфазных первичных измерительных ТН и вторичных обмоток двух однофазных
первичных измерительных ТТ встречно-последовательно и параллельно
соответственно представляют собой комбинированные фильтры напряжения и тока прямой
и обратной последовательностей с одинаковыми комплексно-сопряженными
коэффициентами,
,
преобразования. Их выходные напряжение и ток, равные
разностям напряжений и токов двух фаз, не содержат составляющих нулевой
последовательности неуравновешенных несимметричных напряжений и токов.
2.2
Характеристики и показатели фильтров
Составляющие
обратной и нулевой последовательности трехфазной системы промышленного тока
могут быть относительно низкими
(по сравнению с составляющими прямой последовательности). и возникают при
возмущениях в электроэнергетической системе аварийного характера, требующих
быстрого формирования воздействия автоматических устройств на управляемые
объекты. Поэтому главными показателями фильтров симметричных составляющих
являются их быстродействие и относительный уровень выходного сигнала. Они
определяются функциональными характеристиками: р.- и z-передаточными
функциями и комплексными коэффициентами преобразования К0(j
), K2 (j
) и К0 (е
), К2
(е
) аналоговых и цифровых фильтров соответственно.
Относительный
уровень сигнала аналоговых фильтров зависят от коэффициентов К0 , К2
преобразования при номинальной промышленной частоте
=
, определяющих выходной сигнал, и от помех на выходе
фильтров нулевой и обратной последовательностей при трехфазной системе
напряжений или токов прямой последовательности на их входах.
Для пассивных фильтров симметричных составляющих имеют
существенное практическое значение энергетические показатели.
Используются
следующие энергетические показатели фильтров обратной и нулевой
последовательностей: отношение выходной мощности S
фильтра при согласованной нагрузке некоторых
значениях напряжений U
, U
(токов I
, I
) на их входах к полной S
и Р
мощностям, потребляемым фильтром при тех же значениях напряжения U
= U
или U
= U
(тока I
= I
или I
= I
)прямой
последовательности .
;
.
Чем
выше
и
, тем
фильтр лучше. Их оптимальные значения соответствуют согласованной нагрузке
фильтра
=
. Выходное сопротивление фильтров
симметричных составляющих напряжений, подключаемых к первичным измерительным
ТН, работающим в режиме источников ЭДС, определяется при закороченных входных
выводах
=
.Выходное сопротивление фильтров тока, подключаемых к
первичным измерительным ТТ, работающим в режиме источников тока, определяется
при разомкнутых входных выводах
=
. Фильтры тока являются источником тока (рис.6.1,б).
Быстродействие
фильтров определяется длительностью их собственных переходных процессов при
нулевых начальных условиях, зависящей от постоянной времени затухания свободных
составляющих напряжения или токов.
2.3
Фильтры симметричных составляющих тока прямой последовательности
Фильтры
тока обратной последовательности, применяемые на практике, выполняются с
использованием фазных токов
,
,
. Наибольшее распространение получили трансреакторные
фильтры ZA
(рис.1).
Реакторным
сопротивлением фильтра является сопротивление взаимной индуктивности jXM между обмотками трансреактора ТАV,
равное отношению ЭДС Е
во вторичной обмотке
к току I в
первичной обмотке w
. Независимость выходного тока фильтра от составляющих
нулевой последовательности неуравновешенной трехфазной системы входных токов
достигается включением дополнительной обмотки w
трансформатора тока TLA (рис. 2)
Рис. 2. Трансреакторные фильтры тока обратной последовательности
Трансреакторный фильтр тока имеет передаточную функцию
первого порядка, поскольку содержит одно реактивное сопротивление трансреактора
j Х
=j
Мn
имеет один корень
K
n
.
При
согласованной нагрузке, в частности при K
n
= 1 и R
= R/R
=
, постоянная времени затухания свободной составляющей
мс.
Энергетические
показатели
и
трансреакторных
фильтров тока ниже, чем резисторно-конденсаторных. Хуже и информационный их
показатель 
. Однако,
они проще по конструкции и настройке и допускают последовательное включение с
ними в цепи вторичного тока первичных измерительных трансформаторов тока других
элементов.
3. РАСЧЕТ И ПРОЕКТИРОВАНИЕ УВТ НА ОСНОВЕ ШУНТА С ПАРАЛЛЕЛЬНЫМ
ПИТН
1)
Предполагаем, что известна номинальная мощность, которую можно рассеивать на
шунте 
,
минимальное, номинальное и максимальное значение амплитуды тока через шунт.
Тогда сопротивление шунта
r
=
=
,
где
-действующее значение номинального напряжения шунта.
Обычно
выбирается в пределах (0,075-0,5) В.
r
=
=0, 02
Ом
) Определяем максимальную фазовую погрешность задаваясь разными типоразмерами магнитопроводов: Ш -
9;12;16; для сталей 80 НХС с различным количеством витков( полученное значение
погрешности помножим на 100% и разделим на
)
=
=
[
] ,
где

- длина
материала меди обмоток, м

=
,
где
,
Где
а - ширина среднего
стержня, м;
-
ширина окна сердечника, м;
Ку2
= 0.64 - коэффициент укладки для обмотки q2.
= 1.7∙10-8
Ом∙м - удельное сопротивление меди.
−
длина силовой линии магнитного потока в сердечнике, м;
= 0.8;
=2πƒ=314 с-1;
= 0.35 -
коэффициент меди;
Qo -
полная площадь окна сердечника, м;
Bmн. = 0.45 Тл;
Sст. = а2.
для
стали 80НХС
(0)=64
Определяем
максимальную приведенную погрешность ТН, задаваясь разными типоразмерами
магнитопроводов: Ш - 9;12;16; для сталей 80 НХС.
берем
для трёх типоразмеров магнитопровода Ш-9,Ш-12,Ш-16.
Ш-9:
=4
9+2=38 
м
=38

=77, 4
м
=
=57,7
м
Ш-12:
=4
+2=50
м
=50


=102,5
м
=
=76,25
м
Ш-16:
=4
+2=66
м
=66

=136
м
=
=101
м
W=200
Ш-9:
=
[
+
] =0,1%
Ш-12:
=
[
]=0,06%
Ш-16:
= 
[
]= 0,04%
W=300
Ш-9:
= 
[
Ш-12:
=
[
] =0,06%
Ш-16:
=
[
]= 0,04%
W=400
Ш-9:
=
[
]=0,1%
Ш-12:
=
[
]=0,06%
Ш-16:
=
[
]= 0,04%
3) Предполагаем, что коэфициент трансформации ПИТН равен еденице
,
)
А вторичная обмотка нагружена на бесконечно большое сопротивление и,
следовательно, сечение провода этой обмотки равно технологическому:
)Осуществляем
проверку.
>
,
Где
, а допустимая плотность тока J=(2
2,5)
А/

+
=
Откуда
=
-
У
нас задано условие, а по условию
, где
Для
данного расчёта наиболее подходящей является погрешность магнитопровода при W=200,которая
равна
, эта погрешность удовлетворяет условиям проверки.
=
-0,011
=0,619
ЗАКЛЮЧЕНИЕ
В
данной курсовой работе был спроектирован ФССППТ на основе промежуточного
трансформатора напряжения с шунтом. Разработана структурная и принципиальные
схемы, произведено описание схем, рассчитаны все необходимые параметры ИТН.В
процессе проектирования стальЭ-43 была заменена на 80НХС для повышения точности
проектирования. В результате проектирования ИТН было рассмотрено 3 типоразмера
магнитопровода Ш-9;12;16;
Из
расчетов можно сделать вывод, что в данном случае необходим ИТН с Ш-образным
сердечником типоразмера Ш-9, так как он соответствует предъявляемым требованиям
и является наиболее экономически выгодным. В то время, как два других
рассмотренных сердечника не соответствуют предъявляемым требованиям и
параметрам.
ЛИТЕРАТУРА
1. Кизилов
В.У. Проектирование измерительных трансформаторов тока и напряжения,
трансформаторов и дросселей переменного тока устройств автоматики энергосистем.
Харьков, ХПИ, 2000.
. Ванин В.К.,
Павлов Г.М. Релейная защита на элементах вычислительной техники.- М.:
Энергоатомиздат,1991.
. Темкина
Р.В. Измерительные органы релейной защиты на интегральных микросхемах.- М.:
Энергоатомиздат,1985.
. Гутников
В.С. Интегральная электроника в измерительных устройствах.- М.: Энергия,1988.