Разработка четырёхразрядного счётчика со сквозным переносом
Разработка четырёхразрядного счётчика со сквозным переносом
ВВЕДЕНИЕ
ВВ составе серий ТТЛ выпускаются микросхемы , содержащие RS-, D- и
JK-триггеры (на многотриггерных схемах можно построить: регистры , память малой
ёмкости, счётчики ).
Почти каждая сложная цифровая система содержит несколько счетчиков.
Назначение счетчика очевидно: это подсчет числа некоторых событий или временных
интервалов, либо упорядочение событий в хронологической последовательности.
Кроме того, счетчики могут выполнять и не столь очевидные функции: их,
например, можно использовать для адресации, в качестве делителей частоты и
элементов памяти.
В данном проекте мною будет разработан четырёхразрядный счётчик со
сквозным переносом, выполненный на JK-триггере
ТЕХНИЧЕСКОЕ ЗАДАНИЕ
Разработка четырёхразрядного счётчика со сквозным переносом.
Исходные данные
Счётчик выполнить на JK триггерах
ТРИГГЕРЫ
Триггер представляет собой устройство с двумя
устойчивыми состояниями, содержащее запоминающий элемент (собственно триггер) и
схему управления. Схема управления преобразует поступающую на ее входы А1(
… , Ап информацию в комбинацию сигналов, действующих непосредственно
на входы собственно триггера, характеризующего состояние устройства в целом.
На рис.1 приведена обобщенная структурная схема
триггерного устройства (ТУ), где УУ - устройство управления; Т - собственно
триггер; S' и R' - входы собственно триггера; А1, ..., Аn - информационные входы ТУ; С1
..., Сn - тактовые (синхронизирующие) входы;
Q и Q = Р - прямой и инверсный выходы ТУ.
Однако возможны и более простые варианты схем ТУ,
например такие, в которых отсутствуют тактовые входы или вообще исключено
устройство управления.
В настоящее время в интегральной схемотехнике
применяются десятки разновидностей схем ТУ, отличающихся выполняемой функцией,
схемотехнической реализацией, способом записи информации и т. д.
В основу классификации интегральных триггеров положены
функциональный признак и способ записи информации в триггер.
Функциональная классификация (рис 2) является наиболее
общей и представляет собой классификацию триггеров по виду логического
уравнения, характеризующего состояние входов триггера в момент времени до его
срабатывания (tn - 1) и после его срабатывания (tn ).
Классификация по способу записи информации (рис. 3)
характеризует временную диаграмму работы триггера, т. е. определяет ход
процесса записи информации в триггер.
Отличительной особенностью асинхронных триггеров
является то, что запись информации в них осуществляется непосредственно с
поступлением информационного сигнала на его вход. Запись информации в
тактируемые (синхронные) триггеры, имеющие информационные и тактовые входы,
осуществляется только при подаче разрешающего, тактирующего импульса (ТИ).
В свою очередь, тактируемые триггеры подразделяются на
триггеры, работающие по уровню ТИ (срабатывание триггера происходит
одновременно с поступлением тактирующего сигнала), и на триггеры с внутренней
задержкой (срабатывание триггера происходит после окончания действия тактового
сигнала).
Тактируемые триггеры, работающие по уровню ТИ, могут
быть однотактными и многотактными. Тактируемые триггеры с внутренней задержкой
являются, как правило, однотактными. Многотактные (п-тактные) триггеры
характеризуются тем, что формирование нового состояния собственно триггера
завершается с поступлением п-го тактового импульса (п = 2, 3, 4, ...).
Изменяя организацию устройства управления, способ
подключения выходов триггера С и <3 ко входам схемы управления, можно
получить триггеры различного типа, отличающиеся видом реализуемой функции. Так,
для ТУ с одним информационным входом А и двумя выходами Q и Q, когда возможныo два логических состояния на входе-О и 1 (А = О или А = 1) и пять
логических состояний на выходах: О, 1, Q, Q и Ø,
можно получить 25
функциональных типов триггерных устройств (подобно тому, как для двух
аргументов хг и х2 можно получить 16 элементарных
функций).
Выходные состояния триггера О, 1, Q, Q и Ø обозначают следующее:
О - триггер постоянно находится в состоянии Q = 0 независимо от логического уровня
на входе A; 1 - триггер постоянно находится в состоянии Q = 1 независимо от логического уровня на входе А;
Q -
состояние триггера не изменяется при изменении информации на входе A; Q - состояние триггера изменяется на противоположное при
изменении информации на входе A; Ø - неопределенное состояние триггера.
Из 25 возможных одновходовых ТУ практически применение
находят T-триггер и D -триггер и некоторые их разновидности.
Для триггерных устройств с двумя входами и пятью
вышеперечисленными состояниями выходов существует 54 возможных типов
ТУ.
Из них в практических устройствах в основном
применяются RS-, R-, S-, E-, JK-триггеры и некоторые их модификации.
Формально при n-входовой схеме управления можно создать 52n триггерных устройств.
RS-Триггеры

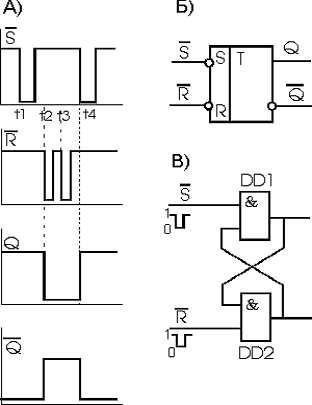
Рис. 4 /R/S-триггер: А - временная диаграмма работы, Б - условное
графическое обозначение, В - схема с двумя ЛЭ И-НЕ
На рис. 4 показан простейший триггер - типа /R/S.
Здесь использованы только два ЛЭ И-НЕ. Назначение входов: /S-для установки
триггера в единичное состояние и /R - для возвращения в нулевое состояние.
Черточки над обозначениями входов показывают, что переключение триггера
происходит, когда входное напряжение высокого уровня сменяется напряжением
низкого уровня (рис. 4. а). Нетрудно видеть, что когда на входы не поступают
сигналы, триггер сохраняет свое состояние. Если, например, Q = 1 и /Q = 0, т.
е. триггер в единичном состоянии, то, поскольку выход DD1 связан с одним из входов
DD2, а выход DD2 - с одним из входов DD1, на двух входах DD2 действует
напряжение высокого, а на выходе - низкого (/Q = 0) уровня. В то же время на
одном из входов DD1 напряжение низкого, а на выходе - высокого уровня. Если
теперь на вход /S поступает сигнал с обозначенной полярностью (момент t1, рис.
4.1, а), состояние триггера не изменится, потому что поступление сигнала на
второй вход DD1 временно изменит только сочетание сигналов на входах (до подачи
сигнала оно было 1 и 0, а стало 0 и 0), но выходное состояние DD1 остается при
этом неизменным. Из сказанного следует, что смена состояния триггера происходит
только при чередовании сигналов низкого уровня на входах /S и /R. При этом,
если такие сигналы поступят на оба входа одновременно, то после их прекращения
состояние триггера станет неопределенным (состояние Q = 0 или Q = 1
равновероятно). Поэтому одновременная подача сигналов низкого уровня на оба
входа не разрешается.
Работа /R/S-триггера характеризуется таблицей состояний (индексы n и n+1
означают принадлежность сигнала моменту времени tn и следующему за
ним tn+1):
|
/Rn
|
/Sn
|
Qn+1
|
/Qn+1
|
|
1
|
1
|
Qn
|
/Qn
|
|
1
|
0
|
1
|
0
|
|
0
|
1
|
0
|
1
|
|
0
|
0
|
Неопределенное состояние
|
|
Не разрешается одновременная подача напряжения низкого уровня на оба
входа /R/S-триггера. Триггер типа RS, как и /R/S-триггер,
"запоминает", на какой из двух входов (R или S) поступил последний
сигнал: если на вход R, триггер находится в нулевом состоянии (Q = 0 и /Q = 1),
а если на вход S, то в единичном состоянии (Q = 1 и /Q = 0).
Рис. 5. RS-триггер: А - временная диаграмма работы, Б - условное
графическое обозначение, В - схема с четырмя ЛЭ И-НЕ.
На рис. 5 показана схема RS-триггера, выполненного на ЛЭ И-НЕ. Она
отличается от схемы /R/S-триггера тем, что к каждому входу добавлено по
инвертору (DD3 и DD4), которые только обеспечивают необходимый уровень входных
сигналов.
Изменение входных сигналов от низкого уровня до высокого приводит к смене
состояния триггера (моменты t1, t2, t2 и t5; в момент t4 опрокидывания не
происходит, так как триггер уже установлен в единичное состояние в
предшествующий момент - t3).
Все сказанное относительно RS-триггера сохраняет силу и для
/R/S-триггера. Единственное различие касается инверсии уровней входных сигналов
(R вместо /R и S вместо /S).
Работа RS-триггера характеризуется следующей таблицей состояний:
|
Rn
|
Sn
|
Qn+1
|
/Qn+1
|
|
0
|
0
|
Qn
|
/Qn
|
|
0
|
1
|
1
|
0
|
|
1
|
0
|
1
|
|
1
|
1
|
неопределенное состояние
|
|
D-Триггер
Триггер типа D - это устройство с двумя устойчивыми выходными
состояниями. Сменой состояния управляют сигналы на информационном входе D (рис.
5.1), но переключение происходит не сразу, а с приходом тактового импульса на
второй вход С. Важнейшее свойство D-триггеров в том, что, как только на вход С
поступает импульс, на выходе Q устанавливается тот же уровень напряжения,
который в этот момент действует на входе D, т. е. переброс триггера происходит
с некоторым отставанием dt относительно смены сигнала на входе D. Поэтому
D-триггеры еще называют триггерами задержки.
Рис. 5.1. D-триггер: А - временная диаграмма работы, Б - условное
графическое обозначение, В - схема с четырмя ЛЭ И-НЕ
Триггер, схема которого показана на рис. 5.1, в, содержит четыре ЛЭ И-НЕ.
Здесь DD1 и DD2 образуют знакомый /R/S-триггер. Дополнительные элементы DD3 и
DD4 превращают его в D-триггер. Действует D-триггер следующим образом. Если D =
1, то при наличии тактового импульса на выходе DD3 формируется сигнал, вид
которого показан на рис. 5.1,в. Сигнал действует на /R/S-триггер подобно
сигналу /S, и на выходе Q устанавливается напряжение высокого уровня (Q = 1, a
/Q = 0). При этом на выходе DD4 напряжение высокого уровня, так как в
отсутствие тактовых импульсов (С = 0) на входе А действует напряжение высокого
и на входе В - низкого уровня, а с приходом тактового импульса (С = 1) на входе
A возникает напряжение низкого, а на входе В - высокого уровня.
Если на вход D подано напряжение низкого уровня, на выходе DD3 будет
напряжение высокого уровня, а тактовый импульс, инвертированный элементом DD4,
как показано на рис, 5.1,в штрихами, действует подобно сигналу /R. Благодаря
этому триггер снова сменит состояние: Q = 0 и /Q = 1. триггер имеет следующую
таблицу состояний:
|
C
|
Dn
|
Qn+1
|
/Qn+1
|
|
1
|
1
|
1
|
0
|
|
1
|
0
|
0
|
1
|
Состояние
выхода Q совпадает с состоянием входа D в момент поступления тактового импульса
на вход С.
Триггер
Триггер типа Т представляет собой устройство с двумя устойчивыми
выходными состояниями, сменой которых управляют только по одному входу Т (рис.
6). Подача импульса на этот вход всегда приводит к смене состояния триггера. На
выходе Q возникает уровень напряжения, бывший на /Q, и наоборот.
На рис. 6. в показана схема T-триггера на ЛЭ И-НЕ. Отличие T-триггера от
D-триггера в том, что вход А элемента DD3 постоянно связан с выходом /Q. Работу
T-триггера легко понять. Когда Q = 1, состояние другого выхода /Q = 0. Так как
вход А соединен с выходом /Q, то на входе А напряжение низкого уровня. После
поступления тактового импульса на вход Т на выходе Q установится напряжение
низкого уровня (Q = 0, и /Q = 1). При поступлении следующего тактового импульса
на входе А уже будет напряжение высокого уровня и произойдет новая смена
состояния (рис. 6. a).
Рис. 6 T-триггер: А - временная диаграмма работы, Б - условное
графическое обозначение, В - схема с четырьмя ЛЭ И-НЕ
Состояние T-триггера меняется с поступлением на вход очередного импульса.
Таблица состояний T-триггера имеет следующий вид:
|
Tn
|
Qn+1
|
/Qn+1
|
|
0
|
Qn
|
/Qn
|
|
1
|
/Qn
|
Qn
|
Т
- триггер может быть построен на D - триггере. Если в структурной формуле D -
триггера приравнять D к
то получим
.
Полученная формула совпадает с формой Т - триггера. Вход С D - триггера играет
роль входа Т Т - триггера. Следовательно для получения Т - триггера на основе D
- триггера достаточно соединить вход D с инверсным выходом, а вход
синхронизации С использовать как вход Т - триггера.
Триггер
Триггер типа JK представляет собой устройство с двумя устойчивыми
выходными состояниями, обладающее двумя информационными входами J и K (рис.
7.). По принципу действия он сходен с RS-триггером, с той разницей, что в
состояниях JK-триггера нет неопределенности при одновременном поступлении
сигналов высокого уровня на оба входа. На рис. 7.1В показана схема JK-триггера
на ЛЭ И-НЕ. Она отличается от схемы RS-триггера только тем, что элементы DD3 и
DD4 включены не как инверторы, а по входам A3 и A4 управляются сигналами с
выходов триггера /Q и Q, соответственно.
Работу схемы поясняет рис. 7.А. Если JK-триггер находится в нулевом
состоянии (Q = 0, a /Q = 1 -до момента t1) и на вход J поступит сигнал
показанного на рисунке вида, на выходе DD3 за счет связи выхода /Q с входом A3,
возникнет сигнал низкого уровня. Он будет действовать подобно сигналу /S на
входе /R/S-триггера, образованного элементами DD1 и DD2, т. е. вызовет смену
состояния триггера. Если JK-триггер пребывал в единичном состоянии (Q = 1 и /Q
= 0 - до момента t2) и сигнал поступит на вход K, то, рассуждая аналогично,
можно убедиться, что на выходе DD4 возникает сигнал (показан на рисунке
штрихами), который действует подобно сигналу /R, т. е. состояние триггера снова
изменится (в этом случае на выходе DD3 напряжение высокого уровня). Когда на
обоих входах J и К одновременно напряжение низкого уровня, состояние триггера
сохраняется.
Рис. 7. JK-триггер: А - временная диаграмма работы, Б - условное
графическое обозначение, В - схема с четырмя ЛЭ И-НЕ
Когда на входы J и К одновременно поступает напряжение высокого уровня,
дальнейшее поведение триггера зависит от его исходного состояния.
. Исходное состояние JK-триггера - единичное (Q = 1 и /Q = 0 - после
момента t3). За счет связи /Q с A3 на входе A3 = 0 и на выходе DD3 сохраняется
напряжение высокого уровня, на которое сигнал J= 1 на входе Вз не влияет. В то
же самое время на выходе элемента И-НЕ (DD4) вследствие связи входа В4 с
выходом Q (Q = 1) появится сигнал /R, от которого /R/S-триггер, состоящий из
DD1 и DD2, сменит состояние (Q = 0, a /Q = l - после момента t4).
. Исходное состояние триггера - нулевое (Q = 0 и /Q = 1 - после момента
t4). Рассуждая аналогично, нетрудно убедиться, что на выходе DD4 сохранится
напряжение высокого уровня, а на выходе DD3 появится сигнал /S, который сменит
состояние /R/S-триггера (Q = 1, /Q = 0 - после момента t5).
Таким образом, в обоих случаях JK-триггер меняет свое состояние. В этом и
состоит различие между JK- и RS-триггерами.
Работа JK-триггера определяется следующей таблицей состояний:
|
J
|
K
|
Qn+1
|
/Qn+1
|
|
0
|
0
|
Qn
|
/Qn
|
|
1
|
0
|
1
|
0
|
|
0
|
1
|
0
|
1
|
|
1
|
1
|
/Qn
|
Qn
|
JK -
триггер называют универсальным, т.к. из него можно сделать любой тип триггера. RS - триггер получается из JK - триггера, когда входы JK используются, как входы S и R соответственно, а запрещенная комбинация не подается.
Если
в формуле несинхронного JK - триггера J назвать входом D, а
на вход K подать
, то
получим:
, что соответствует несинхронному D -
триггеру, но т.к. несинхронный D - триггер смысла не имеет, то для получения
синхронного D - триггера нужно использовать синхронный JK -
триггер. Для получения T -
триггера достаточно объединить входы J и K и назвать этот
вход входом Т по которому триггер будет переключаться в противоположное
состояние, как это должен делать Т - триггер. На рис 8 показано условные
обозначения JK - триггеров и выполнение на основе JK -
триггеров другие типы триггеров.
СЧЕТЧИКИ
Счетчиком называется устройство, предназначенное для подсчета числа
импульсов, поступающих на его вход, и фиксации этого числа в виде кода,
хранящегося в триггерах. Счетчик относится к последовательным логическим
устройствам. Число разрядов счетчика определяется наибольшим числом
подсчитываемых импульсов. В счетчиках имеется один вход и n выходов по числу разрядов. Для
установки начального состояния счетчика (сброс в ноль) обычно предусматривается
вход сброса.
По назначению счетчики могут быть суммирующими, вычитающими и
реверсивными.
Суммирующие счетчики производят сложение чисел поступающих на вход
импульсов с тем числом, которое хранилось в нем.
Вычитающие счетчики производят вычитание числа поступающего импульса из
начального числа, записанного в нем заранее.
Реверсивные счетчики могут производить как сложение, так и вычитание поступающих
на вход импульсов в зависимости от управляющих сигналов, меняющих режим работы
счетчика.
По способу переноса сигнала в старший разряд счетчики могут быть с
последовательным, параллельным и сквозным переносом.
Счетчики отличаются друг от друга кодом, в котором они работают. Код
всегда бывает двоичным, но может иметь различные веса разрядов, например вес
8421 или 5211 и т.п., двоично-десятичным, когда значение каждого разряда
десятичного числа кодируется двоичным кодом.
Счетчики бывают синхронными, когда счетные импульсы подаются на счетные
входы всех триггеров, и асинхронными, когда сигнал на счетный вход какого-либо
триггера подается с выхода одного из триггеров младших разрядов.
Счетчики строятся на Т - триггерах или на универсальных JK - триггерах.
Максимальное число, которое может быть записано в счетчике, равно числу
его состояний и называется модулем счета Ксч . Счетчик , не имеющий
дополнительных связей , имеет модуль счета Ксч = 2n .
Счетчики, имеющие модуль счета 2n , называются двоичными. Если Ксч
¹ 2n, то счетчик называется
не двоичным. Одним из недвоичных является двоично-десятичный счётчик.
Счетчик со
сквозным переносом. Разработка и выбор схемы счётчика
Процедуры двоичного и десятичного счета иллюстрируются в таблице.
Используя только 4 двоичных разряда (D, С, В и А), мы можем считать от 0000 до
1111 (от О до 15 в десятичной системе). Столбец А таблицы соответствует
двоичному разряду единиц или самой младшей значащей цифре. Обычно используется
термин "самый младший разряд" (СМР). Столбец D соответствует
двоичному разряду восьмерок или старшей значащей цифре. Обычно используется
термин "самый старший разряд". Необходимо также обратить внимание,
что в столбце единиц цифры изменяются наиболее часто. Если нам нужен счетчик, который
считает от 0000 до 1111 (в двоичной системе), у него должно быть 16 различных
выходных состояний. Такой счетчик называется счетчиком по модулю 16.
Модуль счетчика - это число различных состояний, через которые проходит
счетчик в процессе одного полного цикла счета.
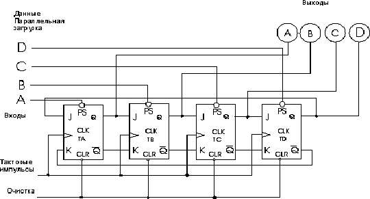
Рис. 9. Логическая схема счетчика по модулю 16
Функциональная схема счетчика по модулю 16, составленного из четырех
JK-триггеров, показана на рис. 9. Каждый JK-триггер работает в режиме
переключения (J=К=1). Пусть в начальный момент состояния выходов счетчика
соответствуют двоичному числу 0000 (счетчик очищен). При поступлении тактового
импульса 1 на синхронизирующий вход (CLK) триггера Т1 этот триггер
переключается (при прохождении среза импульса) и на индикаторе появляется
двоичное число 0001. Тактовый импульс 2 возвращает триггер Т1 в исходное
состояние О (Q = 0), что в свою очередь приводит к переключению триггера Т2 в
состояние 1 (Q = 1). На индикаторе появляется число 0010.
Счет продолжается: срез сигнала на выходе каждого триггера запускает
следующий триггер. Возвращаясь к таблице, мы видим, что цифры (1 или 0) в
столбце А (единиц) изменяются на каждом этапе счета. Другими словами, триггер
Т1 переключается с приходом каждого нового тактового импульса. Как видно из
столбца В, триггер Т2 переключается в 2 раза реже триггера Т1. Вообще каждый
более старший разряд в таблице "переключается" в 2 раза реже
предыдущего.
|
Двоичный счет
|
Десятичныйсчет
|
|
D
|
C
|
B
|
A
|
|
|
8
|
4
|
2
|
1
|
|
|
0
|
0
|
0
|
0
|
0
|
|
0
|
0
|
0
|
1
|
1
|
|
0
|
0
|
1
|
0
|
2
|
|
0
|
0
|
1
|
1
|
3
|
|
0
|
1
|
0
|
0
|
4
|
|
0
|
1
|
0
|
1
|
5
|
|
0
|
1
|
1
|
0
|
6
|
|
0
|
1
|
1
|
1
|
7
|
|
1
|
0
|
0
|
0
|
|
1
|
0
|
0
|
1
|
9
|
|
1
|
0
|
1
|
0
|
10
|
|
1
|
0
|
1
|
1
|
11
|
|
1
|
1
|
0
|
0
|
12
|
|
1
|
1
|
0
|
1
|
13
|
|
1
|
1
|
1
|
0
|
14
|
|
1
|
1
|
1
|
1
|
15
|
Тактовые импульсы запускают только триггер Т1, триггер Т1 запускает
триггер Т2, триггер Т2 запускает триггер ТЗ и т.д. Поскольку каждый триггер
воздействует только на один (следующий за ним) триггер, то для переключения
всех триггеров необходимо некоторое время. Например, на импульсе 8, тактовый
импульс запускает триггер Т1, вызывая его переключение в состояние 0. Это в свою
очередь приводит к переключению триггера Т2 из состояния 1 в состояние 0.
Затем точно так же переключается триггер ТЗ. В момент установки на выходе
Q триггера ТЗ уровня логического 0 запускается триггер Т4, который
переключается из состояния 0 в состояние 1. Мы видим, что изменение состояний
последовательно ("насквозь") распространяется по цепочке триггеров.
Поэтому рассматриваемый счетчик называют счетчиком со сквозным переносом.
Счетчик, функциональная схема которого показана на рис. 9, можно назвать
не только счетчиком со сквозным переносом, но и счетчиком по модулю 16,
4-разрядным счетчиком или синхронным счетчиком. Каждое из названий
характеризует рассматриваемую схему с какой-то одной стороны. Название
"счетчик по модулю 16" отражает число различных состояний,
"проходимых" счетчиком за один полный цикл счета. Определение
"4-разрядный" указывает число двоичных разрядов на выходе счетчика.
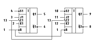
Выбор ИМС, с помощью которых реализуется счётчик
Для реализации счетчика со сквозным переносом, из большого количества ИМС
(Например: 54F112DM или 74F112D ) , мною был выбран двойной JK-триггер с установкой единицы, общей
установкой нуля и синхронизацией, серийный номер которого: 54F114DM. Так как этот триггер двойной, то для полной реализации
четырёхразрядного счётчика достаточно будет двух таких триггеров.
Принципиальная схема ИМС, её описание и основные параметры
Двойной JK-триггер с установкой единицы, общей
установкой нуля и синхронизацией
четырёхразрядный триггер счетчик
ПОЯСНИТЕЛЬНАЯ ЗАПИСКА
В данном проекте мною был разработан четырёхразрядный счётчик со сквозным
переносом. Для реализации этого счётчика мною бил выбран двойной JK-триггер с установкой единицы, общей
установкой нуля и синхронизацией - 54F114DM. Данная микросхема представляет
собой два тактируемых JK
триггера с установкой в 0 и 1 (выводы R и S). Считывание информации со входов J и K происходит во время положительного перепада на входе С, а на
выходы она передаётся во время отрицательного перепада. Логические уровни на J и K не должны изменятся пока на С высокий уровень.
В этом счётчике перенос передаётся не последовательно от одного счётчика
к другому, а образуется при помощи логических схем, связанных с выходами
триггеров счётчика, т. е. одновременно (параллельно), что даёт возможность не
тратить дополнительного времени.
ЛИТЕРАТУРА
Скаржепа
В.А.: «Электроника и микросхемотехника», Киев, Выща школа, 1989.
Шульгин О.А.:
«Справочник по цифровым логическим микросхемам», Москва, Homecomputer, 1998.