Электроснабжение птицефермы на 40000 кур-несушек КСУП 'Родина' Мозырьского района
МИНИСТЕРСТВО
СЕЛЬСКОГО ХОЗЯЙСТВА И ПРОДОВОЛЬСТВИЯ РЕСПУБЛИКИ БЕЛАРУСЬ
Учреждение
образования «Буда-Кошелёвский государственный аграрно-технический колледж»
ЗАДАНИЕ
на
курсовое проектирование
Тема
проекта (работы): Электроснабжение птицефермы на 40000 кур-несушек КСУП
«Родина» Мозырьского района
Специальность
2-74 06 31-01, «Энергетическое обеспечение с/х производства
(Электроэнергетика)»
Учащегося
группы 54ЭС
Духанина
Олега Александровича
Исходные данные для
проектирования:
Генплан №, напряжение на
шинах подстанции
=+1,5,
=-1, тип стержень , L=4 м, сопротивление грунта
=80 Ом
м.
|
Расчетно-пояснительная записка (перечень подлежащих
разработке вопросов)
|
График (срок выполнения)
|
|
Введение
|
|
|
1. Обоснование темы курсового проекта
|
|
|
2. Характеристика хозяйства проектирования
|
|
|
3. Расчёт и выбор электрических нагрузок
|
|
|
4. Расчёт допустимых потерь напряжения
|
|
|
5. Выбор количества и места установки трансформаторов
напряжением 10/0,4 кВ
|
|
|
6. Электрический расчёт линий напряжением 0,38/0,22 кВ
|
|
|
6.1. Составление расчётных схем
|
|
|
6.2. Определение нагрузок на участках линий
|
|
|
6.3. Выбор площади сечения и количества проводов (кабелей)
|
|
|
6.4. Определение потерь напряжения
|
|
|
6.5. Расчёт проводов наружного освещения
|
|
|
7. Выбор мощности трансформатора
|
|
|
8. Проверка низковольтной сети на возможность пуска
двигателя
|
|
|
9. Конструкция сети напряжением 0,38/0,22 кВ
|
|
|
10. Расчёт токов короткого замыкания
|
|
|
11. Выбор защиты отходящих линий
|
|
|
12. Расчёт заземления контура трансформатора и повторных
заземлителей
|
|
|
13. Разработка мероприятий по технике безопасности при
сооружении и эксплуатации низковольтной линии
|
|
|
Заключение
|
|
Графическая часть проекта (перечень обязательных схем,
чертежей)
Лист 1: Генплан птичника с нанесением низковольтной
сети напряжением 0,38/0,22 кВ
Дата выдачи задания учащемуся «___» ___________ 2009г.
Дата окончания проектирования «___» ___________ 2010г.
Руководитель проекта ____________ Хандакова Л. В.
Проектант ____________ Духанин О. А.
Содержание
Введение
.Обоснование темы курсового проекта
. Характеристика объекта
проектирования
. Расчет и выбор электрических
нагрузок
. Расчет допустимых потерь напряжения
. Выбор количества и места установки
ТП напряжением 10/0,4 Кв
. Электрический расчет линий
0,38/0,22 кВ
.1 Составление расчетных схем
.2 Определение токов и эквивалентных
мощностей на участках линий
.3 Выбор площади сечения и количества
проводов
.4 Определение потерь напряжения
.5 Расчет проводов наружного
освещения
. Выбор мощности трансформатора
. Проверка низковольтной сети на
возможность пуска двигателя
. Конструкция сети напряжением
0,38/0,22 кВ
. Расчет токов короткого замыкания
. Выбор защиты отходящей линии
. Расчет заземления контура ТП и
повторных заземлителей
. Разработка мероприятий по ТБ при
сооружении и эксплуатации низковольтной линии
Заключение
Введение
За последние годы в отрасли электроснабжения
потребителей произошли определенные изменения: разработано новое оборудование и
электроаппараты, появились новые нормативные акты, усовершенствован ряд методик
расчета. Главная проблема, стоящая ныне перед Белорусской энергосистемой -
ликвидация острого дефицита мощности источников электроэнергии,
электроэнергетика как базовая отрасль должна стать менее зависимой от внешних
поставок электроэнергии. Для успешного выполнения социально-экономической
программы преобразования села необходимо развивать энергетическую базу агропромышленного
комплекса республики, добиваться более эффективного использования
электроэнергии. При широком внедрении электрифицированных машин и установок
требуется бесперебойное энергоснабжение хозяйств, надежная работа оборудования
и приборов. Перерывы в подаче электроэнергии приводят к потере продукции, или
снижению ее качеств.
Установленная мощность всех электростанций Республики
Беларусь составляет 7224,5 МВт. Протяженность электрических сетей 263,6 тыс.
километров.
В основном электроэнергия производится на таких
электростанциях, как Лукомская, Березовская, Белорусская ГРЭС и др.
Большое внимание уделяется вопросам технического
перевооружения оборудования электростанций и электрических сетей. Ведется
модернизация систем контроля и управления энергоблоками электростанций,
расширяется и совершенствуется автоматизированная система диспетчерского
технического управления, заменяются воздушные выключатели устаревшей
конструкции на элегазовые.
На электростанциях и подстанциях автоматизация дает
следующие преимущества: гарантирует качественное и бесперебойное
электроснабжение, снижает себестоимость производства и передачи электроэнергии
в результате сокращения эксплуатационных затрат, увеличивает надежность работы
электрооборудования, повышает скорость оперативных действий, уменьшает
количество обслуживающего персонала и улучшает условия его работы.
Для того, чтобы электроснабжение
сельскохозяйственного, промышленного производства и бытового сектора было
надежным, необходимо, чтобы у каждого крупного объекта была своя
электростанция. Электроэнергия при этом становится дороже, но снабжение
надежнее. Чтобы повысить эффективность электроснабжения, необходимо две крупные
электростанции объединить в единую энергосистему так, чтобы при выходе из строя
одной, потребитель продолжал получать электроэнергию.
Использование электрической энергии имеет перспективы
развития, так использование ее обходится дешевле, чем использование других
видов энергии, т.е. угля, жидкого топлива, газа и др.
1. Обоснование темы курсового проекта
Электроснабжение производственных предприятий и
населенных пунктов в сельской местности имеет свои особенности по сравнению с
электроснабжением промышленности и городов. Главная из них - это необходимость
подводить электроэнергию к огромному числу маломощных объектов,
рассредоточенных по всей территории республики. В результате протяженность
сетей (в расчете на единицу мощности потребителя) во много раз превышает эту
величину в других отраслях народного хозяйства, а стоимость электроснабжения в
сельском хозяйстве составляет до 75% общей стоимости электрификации, включая
затраты на приобретение рабочих машин.
Первостепенная задача правильного электроснабжения
заключается в доведении стоимости электроэнергии до минимальной. Этого следует
добиваться при соблюдении всех требований, правил и норм и, прежде всего,
необходимого качества электроэнергии, то есть постоянства частоты и напряжения,
а также надежности ее подачи.
Самый важный показатель системы электроснабжения -
надежность подачи электроэнергии. В связи с ростом электрификации
сельскохозяйственного производства, особенно с созданием в сельском хозяйстве
животноводческих комплексов промышленного типа, птицефабрик, тепличных
комбинатов и др., всякое отключение - плановое (для ревизии и ремонта) и особенно
неожиданное, аварийное - наносит огромный ущерб потребителю и самой
энергетической системе. Поэтому необходимо применять эффективные и экономически
целесообразные меры по обеспечению оптимальной надежности электроснабжения
сельскохозяйственных потребителей.
В настоящее время сельское хозяйство не может обойтись
без электроэнергии. Использование электроэнергии повышает производительность,
увеличивает количество выпускаемой продукции и в то же время уменьшает затраты
труда на капитальные вложения. Все это получают за счет автоматизации многих
технологических процессов. К примеру, на животноводческих комплексах процессы
кормления, поения, уборки навоза, поддержания микроклимата, доения и другие
могут быть автоматизированы, а доля ручного труда сведена к минимуму. Но для
бесперебойной работы электрооборудования требуется надежное электроснабжение.
Для того, чтобы надежность работы электрооборудования и электроустановок
были лучше, необходима качественная электроэнергия. Для этого необходимо
правильно спроектировать электрические линии с наименьшими потерями, необходимо
правильно выбрать место расположения трансформаторной подстанции, правильно
расположить опоры, правильно произвести подвод электроэнергии к зданию,
необходимо правильно рассчитать и выбрать марку и сечение провода линии
электропередач и подвода к зданию. Во всех хозяйствах созданы энергослужбы
отвечающие за эксплуатацию электрооборудования.
2. Характеристика хозяйства
проектирования
Здесь имеется КСУП «Родина» где преобладает
мясомолочное направление. Общая площадь хозяйства 8912 га. Из них
сельскохозяйственных угодий - 5714 га, в том числе пашни - 2016 га, сенокос -
659 га, пастбища - 633 га.
Направление хозяйства мясомолочное. Пункты сдачи
основной сельскохозяйственной продукции: мясо, молоко, картофель, птица,
зерновые - г. Мозырь.
Ежегодно хозяйство продаёт государству 330 тонн мяса.
Численность работников в хозяйстве составляет 235 человек.
Зона хозяйства находится в умеренном климате на
равнинной местности. В хозяйстве преобладает дерновоподзолистые почвы. Общая
площадь земель составляет 5800га. Из них посевной площади - 2300га, под сенокос
- 930га, пастбище - 520га. Посевная площадь зерновых - 510га, урожайность -
27,3ц/га, валовой сбор - 13770ц.
Посевная площадь картофеля составляет - 90га,
урожайность - 142га, валовой сбор - 12780га. Посевная площадь льна составляет -
35га, валовой сбор - 19у, льносемя - 3,5ц.
Рентабельность хозяйства составила - 32%.
Электрическую энергию хозяйство покупает от государственных энергосистем. В
2007 году количество потреблённой энергии составило 992380 кВт/ч.
В том числе на растениеводство - 191880 кВт/ч, на
животноводство - 582800 кВт/ч, на подсобное производство - 108200 кВт/ч, на
коммунально-бытовые нужды - 109500 кВт/ч.
Количество электродвигателей в хозяйстве составляет
490 штук, суммарной мощностью - 1490кВт.
Процент электрифицированных работ - 81%.
Электроснабжение хозяйства осуществляется от районной
ПС
«Мозырь - Южный», расположенной на расстоянии 3
километров от предприятия, по воздушным линиям 10 кВ. На территории хозяйства:
- молодняка - 1690 голов.
По состоянию на январь 2008 года численность птицы
составила:
- кур-несушек - 32500
- бройлеры - 302305
молодняк - 2300
Кормовые угодия составляют 885,1 га, в том числе:
сенокосов - 679 га, астбищ - 613 га. Из всех кормовых угодий улучшенные
составляют: сенокосы - 125,6 га, пастбища - 519,3 га. В колхозе предусмотрено 3
полеводческих бригады.
Хозяйство планирует продать государству мяса - 3700 ц
, молока - 32700 кг. В растениеводческой отрасли хозяйством было произведено:
зерна - 22696 ц;
картофеля - 31200 ц;
овощей - 2250 ц;
корнеплодов - 11000 ц;
зеленой массы - 19176 ц;
сена - 20225 ц;
семян многолетних трав - 90 ц;
соломы - 2466 ц.
Установленная мощность хозяйства составляет 4350 кВт.
Штат электротехнической службы составляет 1
инженер-электрик и 4 электромонтера.
3. Расчёт и выбор электрических
нагрузок
Для выбора нагрузок производственных объектов
используем руководящие материалы института «Сельхозэнергопроект».
После выбора нагрузок данные заносим в таблицу 1.
Выбираем коэффициент мощности cos φ (Харкута) дневные и вечерние нагрузки, а затем
суммируем активные мощности дневные и вечерние всех потребителей по объекту и
также заносим в таблицу 1.
Таблица 1 - Нагрузка производственных потребителей
|
Номер На плане
|
Наименование
|
Количество объектов
|
№ позиции РУМ
|
Активная Нагрузка
|
Коэффициент мощности
|
Суммарная мощность
|
|
|
|
|
Рдн.
|
Рвч.
|
Дн.
|
Вч.
|
SРд
|
SРв
|
|
1-4
|
Птицеферма на 10000 кур-несушек
|
4
|
46
|
55
|
55
|
0.75
|
0.85
|
220
|
220
|
|
5-7
|
Птичник на 6000-9000 цыплят
|
3
|
150
|
25
|
25
|
0.75
|
0.85
|
75
|
75
|
|
8
|
Административное здание 15-20 р.м.
|
1
|
518
|
15
|
8
|
0.85
|
0.9
|
15
|
8
|
|
9
|
Ветеринарный пункт
|
1
|
198
|
1
|
1
|
0.85
|
0.9
|
1
|
1
|
|
10
|
Убойно-санитарный пункт
|
1
|
197
|
6
|
2
|
0.75
|
0.8
|
6
|
2
|
|
11
|
Яйцесклад
|
1
|
-
|
10
|
10
|
0,7
|
0,75
|
10
|
10
|
|
12
|
Гаражна 10 автомобилей
|
1
|
375
|
20
|
10
|
0,7
|
0,75
|
20
|
10
|
|
13
|
Насосная скважина
|
1
|
-
|
10
|
10
|
0.8
|
0,8
|
10
|
10
|
|
14-15
|
Инкубаторий на 4 инкубатора
|
2
|
167
|
30
|
30
|
0.92
|
0.96
|
60
|
60
|
|
16
|
АВМ - 0.65
|
1
|
181
|
80
|
80
|
0.75
|
0.8
|
80
|
80
|
|
17
|
Склад концентрированных кормов КДУ - 1
|
1
|
327
|
15
|
1
|
0.7
|
0.75
|
15
|
1
|
|
18
|
Цех по переработке мяса
|
1
|
-
|
30
|
30
|
0.7
|
0.75
|
30
|
30
|
|
ИТОГО по объекту
|
542
|
507
|
Вывод: Дальнейший расчёт производим по дневному
максимуму, так как преобладает дневная нагрузка.
4. Расчет допустимых потерь
напряжения
При передаче электрической энергии по воздушным
линиям, некоторая часть теряется из-за сопротивления проводов. Однако
допустимые отклонения напряжения V100п у удаленного от ТП потребителя при
максимальной нагрузке не должны выходить за пределы -5 %, и у ближайшего к ТП
при минимальной нагрузке не должны выходить за пределы V25п + 5 % от
номинального. Отклонение напряжения на шинах питающей подстанции DU100%=+4 и DU25%=+ 2
Составляем расчетную схему электроснабжения.
Рисунок. 1 - Схема электроснабжения потребителей
Таблица 2 - Отклонение и потери напряжения в % на
элементах системы
|
Элементы сети
|
УТП
|
|
100%
|
25%
|
|
П3
|
П4
|
|
Отклонение напряжения на шинах 10 кВ
|
+1.5
|
-1
|
|
Потери напряжения в ВЛИ-10кВ
|
-4
|
-1
|
|
ТП 10/0,4 кВ Постоянная надбавка
|
+5
|
+5
|
|
Переменная надбавка
|
+2.5
|
+2.5
|
|
Потери напряжения ΔUт
|
-4
|
-1
|
|
Потери напряжения в ВЛИ-0,38
|
-6
|
0
|
|
Отклонение напряжения у потребителей
|
-5
|
+4.5
|
Определяем суммарные потери напряжения в линиях 10 кВ
и 0,38 кВ по формуле (1).
(1)
Полученные потери в линии распределяем между ВЛ 10
кВ-40% и ВЛ 0,4 кВ - 60 %
%
%
Проверяем баланс напряжения по формуле (2).
Определяем “отклонение напряжения у потребителя” по
формуле (3)
5. Выбор количества и места установки трансформаторов
напряжением 10/0,4 кВ
В центре электрических нагрузок в сетях напряжением
0,38/0,22 кВ целесообразно устанавливать трансформаторную подстанцию. В
зависимости от категории надежности объекта проектирования, от его суммарной
мощности, плотности нагрузки и допустимых потерь напряжения производят выбор
числа ТП.
Таблица 3 - Координаты центров электрических нагрузок
|
№ объекта
|
Наименование объекта
|
Р, кВт Дневная нагрузка потребителей
|
X, м
|
Y, м
|
|
1
|
Птицеферма на 10000 кур-несушек
|
55
|
140
|
290
|
|
2
|
Птицеферма на 10000 кур-несушек
|
55
|
230
|
290
|
|
3
|
Птицеферма на 10000 кур-несушек
|
55
|
320
|
290
|
|
4
|
Птицеферма на 10000 кур-несушек
|
55
|
410
|
290
|
|
5
|
Птичник на 6000-9000 цыплят
|
25
|
455
|
185
|
|
6
|
Птичник на 6000-9000 цыплят
|
25
|
455
|
150
|
|
7
|
Птичник на 6000-9000 цыплят
|
25
|
455
|
120
|
|
8
|
Административное здание 15-20 р.м.
|
15
|
55
|
215
|
|
9
|
Ветеринарный пункт
|
1
|
50
|
115
|
|
10
|
Убойно-санитарный пункт
|
6
|
85
|
40
|
|
11
|
Яйцесклад
|
10
|
225
|
35
|
|
12
|
Гаражна 10 автомобилей
|
20
|
345
|
|
13
|
Насосная скважина
|
10
|
510
|
340
|
|
14
|
Инкубаторий на 4 инкубатора
|
30
|
465
|
265
|
|
15
|
Инкубаторий на 4 инкубатора
|
30
|
515
|
265
|
|
16
|
АВМ - 0.65
|
80
|
205
|
120
|
|
17
|
Склад концентрированных кормов КДУ - 1
|
15
|
235
|
165
|
|
18
|
Цех по переработке мяса
|
30
|
60
|
320
|
Определяем центры электрических нагрузок по формулам
(4) и (5)
Х =
,
У =
,где:
- расчетная мощность на вводе отдельных потребителей,
кВт;
- расстояние групп по осям координат;
- суммарная расчетная мощность всех потребителей, кВт.

Плотность нагрузки объекта, кВт/км2:
кВт/км2, (6)
Где,
F -
площадь объекта электроснабжения, км.
F = 𝜟X
𝜟У = 0.271
0.184 = 0.0498 км2 . (7)
Определяем приближенно число ТП по имперической
формуле (8):
Где,
Pсум
- суммарная расчетная нагрузка,
кВт;
В - 0,6…0,7 - постоянный коэффициент для ТП
напряжением 10/0,4 кВ;
ΔU -
допустимые потери напряжения в сети напряжением 0,38 кВ;
cosφ - коэффициент мощности на шинах напряжением 0,4 кВ,
(табл.10.2, /1/).
Принимаем одну двухтрансформаторную подстанцию,
устанавливаем в координаты (150;110).
6 Электрический расчёт линий
0,38/0,22 кВ
Электрический расчёт линий напряжением 0,38/0,22 кВ
является основным расчётом курсового проекта. В этот расчёт входит: составление
расчётных схем для коммунально-бытовых потребителей и определение их мощностей
на вводе, определение расчётных и эквивалентных мощностей на участках каждой
линии, выбор площади сечения и количества проводов, определение потерь
напряжения на магистральной линии, расчёт поводов наружного освещения.
Составление расчётных схем позволяет определить
мощность на вводе каждого потребителя с учётом коэффициента одновремённости.
Это необходимо для того, чтобы определить полную и эквивалентную мощности
потребителей, что в свою очередь позволяет правильно выбрать провода. Провода
необходимо выбирать с учётом мощности потребителей, района по гололёду и
напряжения. Также провода должны быть проверены на возможность пуска
электродвигателей и по условиям чувствительности защиты.
Электрический расчёт линий напряжением 0,38/0,22 кВ
позволяет правильно выбрать провода, определить потери напряжения в линии. Это
является немаловажным в проектировании воздушных линий напряжением 0,38/0,22
кВ.
.1 Составления расчетных схем
Расчетные схемы составляем в соответствии с выбранными
трассами ВЛИ и КЛ, указываем мощность потребителей, номера линий, номера
расчетных участков, длины участков. Расчетная схема составляется без соблюдения
масштаба.
Рисунок. 2 - Расчетная схема линий потребителей второй
и третей категории
Рисунок 3- Расчетная схема линий потребителей
первой категории
6.2 Расчет нагрузок по участкам линий
Расчет нагрузок по участкам линий необходим для выбора
сечения проводов. Для ВЛИ сечение проводов определяют по допустимому току
нагрева. Токи на участках сети суммируют от КТП, Ко
(таблица10,1/1/).
Токи потребителей рассчитываем по формуле:
(9)
где , P -
дневная мощность (нагрузка) объекта; UH - номинальное напряжение сети;
- коэффициент мощности.
. Определяем максимальный ток на участках первой линии
по формуле:
=Σ
, (10)
где Σ
- суммарный ток всех потребителей
находящихся на этом участке.
.3 Выбор площади сечения и количства
проводов (кабелей)
Сечение проводов ВЛИ выбирают по допустимому току
нагрева.
Проводим расчет и выбор проводов линии 1 по условию:
доп ≥ Iрас.уч.
(11)
На головном участке ТП-1, расчетный ток Iрас=77,2
А, выбираем сечение провода ВЛИ, по условию механической прочности, у которого
доп=95 А>77,2 А.
Тип САПсш 3*25+1*35 (три фазных с нулевым, плюс
фонарный провод).
Аналогично выполняем выбор для линий -2, 3. Для
производственного потребителя принимаем на всех участках полнофазные линии.
Данные расчёта сводим в таблицу - 4.
.4 Определение потерь напряжения
Допустимую потерю напряжения в вольтах определяем по
формуле:
DUуч= 3.IусLуч (Rо.соsφуч+Хо.sinφуч), В, (12)
Допустимую потерю напряжения в % определяем по
формуле:
DUуч%=(DUуч /Uном).100, % (13)
где, Rо, Хо - активное и
индуктивное сопротивление провода, выбираем по таблице 2 /2/
Соs φуч - средне взвешенный коэффициент
мощности, который определяем по формуле:
=
Σ
× Σ
/ Σ
, (14)
где Σ
- суммарная мощность участков,
Σ
- суммарный
участков.
Определяем cоs φ для линия - 1.(ВЛ)
Участок ТП-1 :
тп-1=
DUТП-1=1,73•77,2•0,046• (0,62•0,73+0,063•0,66)=3,03 В
Определяем допустимые потери напряжения на участке, %.
DUТП-1=(3,03*100)/380=0,79 % < 4,5% =>
условие соблюдается, а значит кабель выбран, верно,
аналогично рассчитываем потери для других участков КЛ данные расчёта сводим в
таблицу - 4.
Определяем cоs φ для линия - 2.(ВЛИ)
Определяем cоs φ для линия - 3.(ВЛИ)
Определяем допустимые потери напряжения на участках,
В.
DU1-2 =1,73*12,1*0,058*(0,42*0,75+0,035*0,65)=0,59 В
DU1-3 =1,73*65,1*0,052*(0,42*0,75+0,035*0,65)=3,1 В
DU3-4=1,73*43,4*0,132*(0,42*0,75+0,035*0,65)=5,3 В
Определяем суммарные потери напряжения в конце линии,
В.
∑DU =3,03+0,59+3,1+5,3
= 12,02 В
Определяем допустимые потери напряжения на участках,
%.
DUТП-1=(12,02*100)/380= 3,1% < 4,5% => условие
соблюдается, а значит провода выбраны, верно, аналогично рассчитываем потери
для других участков ВЛИ данные расчёта сводим в таблицу - 4.
Таблица-4.Результаты расчёта проводов и кабелей линии
напряжением
|
№ участ-ка
|
Р, кВт
|
Cos φ
|
, А
|
, А
|
Марка и сечение провода (кабеля)
|
L, м
|
Активное сопр-е провода , Ом/м
|
Индуктивное сопр-е провода , Ом/м
|
Потери напряжения, %
|
|
|
|
|
|
|
|
|
|
На участке
|
ΔU, %
|
От ТП, В
|
От ТП,%
|
|
1
|
2
|
3
|
4
|
5
|
6
|
7
|
8
|
9
|
10
|
11
|
12
|
13
|
|
ЗТП
|
|
Кабельные линии
|
|
КЛ-1;2
|
55
|
0,75
|
112
|
135
|
ААШв 3•120+1•120
|
265
|
0,258
|
0,060
|
11,9
|
3,1
|
11,9
|
3,1
|
|
КЛ-3;4
|
55
|
0,75
|
112
|
135
|
ААШв 3•70+1•70
|
178
|
0,443
|
0,061
|
10,1
|
2,65
|
10,1
|
2,6
|
|
КЛ-5;6
|
55
|
0,75
|
112
|
135
|
ААШв 3•50+1•50
|
90
|
0,62
|
0,063
|
8,9
|
2,3
|
8,9
|
2,3
|
|
КЛ-7;8
|
55
|
0,75
|
112
|
135
|
ААШв 3•50+1•50
|
140
|
0,62
|
0,063
|
13,8
|
3,6
|
13,8
|
3,6
|
|
КЛ-9;10
|
30
|
0,92
|
67
|
90
|
ААШв 3•50+1•50
|
200
|
0,62
|
0,063
|
13,6
|
3,5
|
13,6
|
3,5
|
|
КЛ-11;12
|
40
|
0,92
|
83
|
135
|
ААШв 3•70+1•70
|
258
|
0,443
|
0,061
|
15,9
|
4,1
|
15,9
|
4,1
|
|
КЛ-13;14
|
25
|
0,75
|
45,5
|
65
|
ААШв 3•10+1•10
|
70
|
3,1
|
0,073
|
12,6
|
3,3
|
12,6
|
3,3
|
|
КЛ-15;16
|
25
|
0,75
|
45,5
|
65
|
ААШв 3•10+1•10
|
83
|
3,1
|
0,073
|
15
|
3,9
|
15
|
3,9
|
|
КЛ-17;18
|
25
|
0,75
|
45,5
|
65
|
ААШв 3•10+1•10
|
100
|
3,1
|
0,073
|
18,1
|
4,2
|
18,1
|
4,2
|
|
КЛ-19
|
10
|
0,8
|
21
|
65
|
ААШв 3•10+1•10
|
85
|
3,1
|
0,073
|
7,5
|
1,9
|
7,5
|
1,9
|
|
КТП
|
|
Воздушные линии
|
|
Линия 1
|
|
1
|
2
|
3
|
4
|
5
|
6
|
7
|
8
|
9
|
10
|
11
|
12
|
13
|
|
ТП-1
|
36
|
0,73
|
77,2
|
95
|
САПсш 3•25+1•35
|
90
|
1,16
|
0,35
|
3,03
|
0,79
|
3,03
|
0,79
|
|
1-2
|
6
|
0,75
|
12,1
|
70
|
САПсш 4•16+1•25
|
58
|
0,42
|
0,35
|
0,59
|
0,1
|
0,59
|
0,1
|
|
1-3
|
30
|
0,7
|
65,1
|
70
|
САПсш 4•16+1•25
|
52
|
0,42
|
0,35
|
3,1
|
0,8
|
3,1
|
0,8
|
|
3-4
|
20
|
0,7
|
43,4
|
70
|
САПсш 4•16+1•25
|
132
|
0,42
|
0,35
|
5,3
|
1,4
|
5,3
|
1,4
|
|
Линия 3
|
|
ТП-7
|
46
|
0,75
|
89,78
|
95
|
60
|
1,16
|
0,35
|
10,2
|
2,6
|
10,2
|
2,6
|
|
7-8
|
15
|
0,85
|
27,2
|
70
|
САПсш 4•16+1•25
|
40
|
0,42
|
0,35
|
1
|
0,2
|
1
|
0,2
|
|
7-9
|
30
|
0,7
|
60,8
|
70
|
САПсш 4•16+1•25
|
120
|
0,42
|
0,35
|
6,8
|
1,7
|
6,8
|
1,7
|
|
7-10
|
1
|
0.85
|
1,78
|
70
|
САПсш 4•16+1•25
|
90
|
0,42
|
0,35
|
0,14
|
0,03
|
0,14
|
0,03
|
|
Кабельные линии
|
|
Линия 2
|
|
ТП-5
|
95
|
0,75
|
194
|
200
|
ААШв 3•70+1•70
|
60
|
0,443
|
0,061
|
7,4
|
1,9
|
7,4
|
1,9
|
|
5-6
|
15
|
0,7
|
32
|
65
|
ААШв 3•10+1•10
|
53
|
3,1
|
0,073
|
12,44
|
3,2
|
12,44
|
3,2
|
|
|
|
|
|
|
|
|
|
|
|
|
|
|
.5 Расчет проводов наружного
освещения
Принимаем нагрузку наружного освещения 250 Вт на
помещение и равномерно распределяем по линии, поэтому суммарную мощность
условно подводим к ее середине. На основании характеристик самонесущих
изолированных проводов (Приложение 3,141), номинальное сечение фонарной жилы
составляет 16 мм2.
Составляем расчетную схему наружного освещения:
Рисунок. 3 - Расчётная схема наружного освещения
Потери напряжения в фонарном проводе рассчитываем по
формуле:
(15)
где
L - длина, м;
РУД - удельная мощность
кВт/м.
РЛ - мощность одной лампы,
кВт.
П - периметр хозяйства, м2;
Потери напряжения в фонарном проводе рассчитываем по
формуле:
где
Rо - активное сопротивление провода, Ом/км;
Р - активная мощность; - длина линии, L =l/2, км
С учетом потерь в пускорегулирующих аппаратах, для
газоразрядных ламп принимают соsφ»0,9.
Рассчитываем потери напряжения линия - 1.
|
DUЛ-1=
|
(1,75.1,91.0,24)/0,22=3,64В
|
Потеря напряжения в процентах:
|
DU%=
|
DU
|
.
|
100
|
=
|
3,64
|
.
|
100
|
=1,65%,
|
что <4,5%
|
|
UH
|
|
|
|
220
|
|
|
|
|
Линии -2.
|
DUЛ-2=
|
(1,5.1,91.0,18)/0,22=2,3В
|
Потеря напряжения в процентах:
|
DU%=
|
DU
|
.
|
100
|
=
|
2,3
|
.
|
100
|
=1%,
|
что < 4,5%
|
|
UH
|
|
|
|
220
|
|
|
|
|
Линии -3.
|
DUЛ-3=
|
(0,75.1,91.0,12)/0,22=0,78В
|
Потеря напряжения в процентах:
|
DU%=
|
DU
|
.
|
100
|
=
|
0,78
|
.
|
100
|
=0,35%,
|
что <4,5%
|
|
UH
|
|
|
|
220
|
|
|
|
|
Линии -3.
|
DUЛ-3=
|
(1.1,91.0,132)/0,22=1,1В
|
Потеря напряжения в процентах:
|
DU%=
|
DU
|
.
|
100
|
=
|
1,1
|
.
|
100
|
=0,5%,
|
что <4,5%
|
|
UH
|
|
|
|
220
|
|
|
|
|
Условие соблюдается.
7. Выбор мощности трансформатора
Расчетная мощность трансформатора определяется путем
суммирования расчетных мощностей линий, отходящих от ТП по формуле(17):
Для ЗТП самой загруженной является вторая линия РТП-1=55
кВт - максимальная мощность отходящей линии (Рmax)
Выбираем надбавки по активной мощности
РТП-1=55 кВт → D Pтп-1= 37,5 max
=0,75
РТП-3=55 кВт → D Pтп-2= 37,5
=0,75
РТП-5=55 кВт → D Pтп-3= 37,5
=0,75
РТП-7=55 кВт → D Pтп-4= 37,5
=0,75
РТП-9=30 кВт → D Pтп-5= 19
=0,92
РТП-19=40 кВт → D Pтп-6=26,5
=0,92
РТП-13=25 кВт → D Pтп-7=15,7
=0,75
РТП-15=25 кВт → D Pтп-8=15,7
=0,75
РТП-17=25 кВт → D Pтп-9=15,7
=0,75
Рктп max-1 = 55 кВт - это максимальная мощность отходящей линии.
Определим мощность трансформатора, кВА
(18)
где,
cosφmax - коэффициент мощности на самой загруженной линии;
ΔP - надбавка по активной мощности - линии, кВт
сosφi - коэффициент мощности на - линии

Из
таблицы экономических интервалов выбираем стандартную мощность трансформатора
исходя из условия:
(19)
электроснабжение птицеферма энергетический
сельский
где
Sн.тр и Sв.тр
берем из литературы /7/
Мощность 335,5 выбираем, трансформаторную подстанцию Sтр-ра =250 кВ·А (шифр 1.7)
Проводим проверку трансформатора в номинальном режиме
по формуле (26)
Проверяем мощность первого трансформатора в нормальной режиме при
равномерной нагрузке по условию:
;
(20)
где,
Sp -
расчетная нагрузка трансформатора, кВА;
Sн.т - номинальная мощность трансформатора, кВА;
KС.Т - коэффициент допустимой систематической перегрузки
трансформаторов KС.Т=1,65
Условие соблюдается,
следовательно трансформатор выбран верно.
Выписываем из таблицы П.4.1 (7), паспортные данные
трансформатора типа ТМГ СУ 10/0,4кВ.
Для КТП самой загруженной является вторая линия РТП-6=90
кВт - максимальная мощность отходящей линии (Рmax)
Выбираем надбавки по активной мощности
РТП-4=36 кВт → D Pтп-1=26,5
=0,73
РТП-10=46 кВт → D Pтп-2=31
=0,75
РТП-6=90 кВт → max
=0,85
Определим мощность трансформатора, кВА
Из таблицы экономических интервалов выбираем
стандартную мощность трансформатора исходя из условия (19):
Мощность 183,5 выбираем, трансформаторную подстанцию Sтр-ра =160 кВ·А (шифр 1.7)
Проверяем мощность трансформатора в нормальной режиме
при равномерной нагрузке:
;
Условие соблюдается,
следовательно трансформатор выбран верно.
Выписываем из таблицы П.4.1 (7), паспортные данные
трансформатора типа ТМГ СУ 10/0,4кВ.
Таблица.5 - Параметры выбранного трансформатора
|
Мощность, кВА
|
Верхний предел первичного напряжения, кВ
|
Схема соединения обмоток
|
Потери мощности, кВт ΔРм/
ΔРхх
|
напряжение к.з. Uк.з.%
|
Сопротивление прямой последовательности
|
сопротивление при 1- фазном зам.1/3ZТР
|
|
|
|
|
|
|
RТ
|
ХТ
|
ZТ
|
|
|
ЗТП
|
250
|
10
|
U/YH
|
3,7/0,74
|
4,5
|
9,4
|
27,2
|
28,7
|
104
|
|
КТП
|
160
|
10
|
U/YH
|
2,65 /
0,51
|
4,5
|
16,6
|
41,7
|
45
|
162
|
8. Проверка низковольтной сети на
возможность запуска электродвигателя
Проверяем возможность пуска электродвигателя,
расположенного в установке для АВМ-0,65 (линия ВЛ - 1). Мощность двигателя Рп=7,5 кВт.
Составляем расчетную схему.
Рисунок. 4 - Электрическая схема цепи для самого
удалённого электродвигателя
Выписываем паспортные данные электродвигателя типа АИР132S4У3.
П=15,1А; соsφ=0,86; К =7,5.
Данные трансформатора принимаем по таблице - 5.
Потери напряжения при пуске электродвигателя
определяются по формуле:
(21)
где,
Zс - полное
сопротивление сети для пуска двигателя от трансформатора,
Zл - полное
сопротивление линии,
(22)
Отсюда,
эл -
полное сопротивление к.з. электродвигателя
(23)
Тогда,
Следовательно, двигатель запуститься нормально, не
понизив напряжение в сети выше допустимого.
9. Конструкция сети напряжением 0,
38/0,22 кВ
Конструкцию сети ВЛИ выбираем по типовому проекту
3.407.1-138 института «Сельэнергопроект».
Опоры железобетонные. Основа всех опор стойка CВ -
10,5-5. Цифры обозначают длину стойки 10,5 м, допустимый изгибающий момент 5тм
(50 кНм). Пролеты - 20…35 м; пролеты ответвлений к вводам не превышают 15
метров. Углы поворота линий составляют 750, 900.
При монтаже проводов используют зажимы ЗП-01
(поддерживающий), К-НМ-1 (натяжной), ЗОП-01 (ответвительный). Опоры заложены в
грунт на глубину 2,5 м.
Траверсы заземлены проводником диаметром 6 мм,
присоединенным к нулевому проводу зажимом ПА. Для заземления опор на стойке в
верхней ее части предусмотрен заземляющий проводник, а в нижней части -
заземляющий выпуск.
Искусственные заземлители опор привариваются к
заземляющему выпуску стойки. На опорах устанавливают светильники с ртутными
лампами РКУ01-250.
На ВЛИ применяются изолированные фазные провода,
скрученные в жгут относительно изолированного или неизолированного несущего
нулевого провода. Ответвления к вводу выполняется изолированными, скрученными в
жгут проводами без несущего провода.
Изолированный провод относиться к категории
защищенных, имеет изоляцию из трудносгораемого светостабилизированного
синтетического материала, стойкого к ультрафиолетовому излучению и воздействию
озона.
Изоляция является атмосферостойкой и обеспечивает
работоспособность линии при допустимом длительном токе и интенсивности
солнечной радиации не менее 1200 Вт/м2.
Механические нагрузки воспринимает несущий нулевой
провод.
На ответвлениях к вводу, выполняемых изолированными
проводами, скрученными в жгут без несущего провода, механические нагрузки и
воздействия воспринимаются каждым проводом жгута.
Для энергоснабжения всех потребителей принимаем
комплектную двухтрансформаторную подстанцию мощностью 250 кВА.
Распределительные устройства напряжением 0,4 кВ - с автоматическими
выключателями.
10.Расчет токов короткого замыкания
Расчет токов к.з. необходим для проверки выбора
аппаратов защиты. При этом принимают, что к трансформатору подведено
номинальное напряжение и неизменное.
Рассчитывают активные и реактивные сопротивления
элементов схемы электроснабжения. Переходное сопротивление коммутационных
аппаратов трансформаторов тока принимаем 15 мОм. Расчет ведем в именованных
единицах.
Составляем расчетную схему.
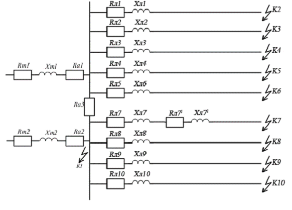
Рисунок. 5 - Схема электроснабжения птицефермы
Для расчета составим схему замещения, где элементы
сети изображаем в виде активных и реактивных сопротивлений.
Рисунок. 6 - Эквивалентная схема замещения
Rт =
Рм·U2ном /S2н.т
(24)
где
Рм
- потери мощности, кВт;
Uном - номинальное напряжение - 0,38 кВ;
Sн.т - номинальная мощность трансформатора.
Rт = 2,65·0,42·103 / 2502
= 0,006 Ом
Zт = Uк·U2ном /(100·Sн.т) (25)
где,
Uк - напряжение к.з., %.
Zт = 4,5·0,42·103 / 100·250 =
0,028 Ом
Хт =
(26)
Хт =
= 0,027
Ом
Линия №1;2
Rл1;2 = ro·L1;2 = 0,258·265= 66 мОм
Хл1;2 = хо·L1;2 = 0,061·265= 16,1 мОм
Линия №3;4
Rл3;4 = ro·L3;4 =
0,443·178= 78,8 мОм
Хл3;4 = хо·L3;4 = 0,061·178= 10,8 мОм
Линия №5;6
Rл5;6 = ro·L5;6 =
0,62·90= 55,8 мОм
Хл5;6 = хо·L5;6 = 0,063·90= 5,6 мОм
Линия №7;8
Rл7;8 = ro·L7;8 =
0,62·140= 86,8 мОм
Хл7;8 = хо·L7;8 = 0,063·140= 8,8 мОм
Линия №9;10
Rл9;10 = ro·L9;10 =
0,62·200= 124 мОм
Хл9;10 = хо·L9;10 = 0,063·200= 12,6 мОм
Линия №11;12
Rл11;12 = ro·L11;12 =
0,443·258= 114,2 мОм
Хл11;12 = хо·L11;12 = 0,061·258= 15,7 мОм
Rл19 = ro·L19 =
3,1·85= 263,5 мОм
Хл19 = хо·L19 = 0,073·85= 6,2 мОм
Линия №13;14
Rл13;14 = ro·L13;14 =
3,1·70= 217 мОм
Хл13;14 = хо·L13;14 = 0,073·70= 5,11 мОм
Линия №15;16
Rл15;16 = ro·L15;16 =
3,1·83= 257,3 мОм
Хл15;16 = хо·L15;16 = 0,073·83= 6 мОм
Линия №17;18
Rл17;18 = ro·L17;18 =
3,1·100= 310 мОм
Хл17;18 = хо·L17;18 = 0,073·100= 7,3 мОм
Для точки К1
åZI = Zс+Zт+Zа,
где
Zс - полное сопротивление системы электроснабжения.
Определим трехфазный ток короткого замыкания в точке
К1, кА:
(27)
Определим трехфазный ток короткого замыкания в точке
К2, кА:
Определим трехфазный ток короткого замыкания в точке
К3, кА:
Определим трехфазный ток короткого замыкания в точке
К4, кА:
Определим трехфазный ток короткого замыкания в точке
К5, кА:
Определим трехфазный ток короткого замыкания в точке
К6, кА:
Определим трехфазный ток короткого замыкания в точке
К7, кА:
Определим трехфазный ток короткого замыкания в точке
К8, кА:
Определим трехфазный ток короткого замыкания в точке
К9, кА:
Определим трехфазный ток короткого замыкания в точке
К10, кА:
Определим двухфазный ток короткого замыкания в точке
К2, кА:
(28)
Определим однофазный ток короткого замыкания в точке
К2, кА:
,
(29)
где
UФ - фазное напряжение с учетом надбавки, 230 В
RП и ХП - соответственно сопротивление
активное и реактивное сопротивление петли фаза - нуль, мОм

Данные расчёта сводим в таблицу - 6.
11. Выбор защиты отходящих линий
В соответствии с методикой, разработанной институтом
«Сельэнергопроект», токовые уставки аппаратов защиты распределительных сетей
0,38 кВ выбирают следующим образом.
Рассмотрим пример выбора защитного аппарата для линии
1 ТП1
(30)
Определяем номинальный ток теплового расцепителя, А:
(31)
По справочнику выбираем предварительно автоматический
выключатель BА51Г-33, у которого Iном=160 А, Iнт=125 А.
Определяем коэффициент чувствительности защиты:
>3
(32)
где,
Iкmin - наименьшее значение двухфазного и однофазного тока на нулевой
провод.
Чувствительность обеспечивается.
Условие соблюдается.
Аналогично производим выбор аппаратов защиты для
других линий. Все выбранные аппараты защиты и оборудования сводим в таблицу 6.
Таблица 6. - Результаты расчета токов к.з. и выбора
защиты
|
№ п/п
|
Расчетная точка к.з
|
Марка Провода
|
Токи к.з.
|
Марка автомата
|
Номинальные данные аппарата
|
|
|
|
I(3)к.з
|
I(2)к.з
|
I(1)к.з
|
|
Iном, А
|
IТР, А
|
IЭМ, А
|
|
1
|
2
|
3
|
4
|
5
|
6
|
7
|
8
|
9
|
10
|
|
КТП
|
|
1
|
К2
|
ААШв 3•120+1•120
|
4,1
|
3,5
|
0,77
|
BА51Г-33
|
160
|
125
|
1600
|
|
2
|
К3
|
ААШв 3•70+1•70
|
3,7
|
3,2
|
0,71
|
BА51Г-33
|
160
|
125
|
1600
|
|
3
|
К4
|
ААШв 3•50+1•50
|
4,7
|
4
|
0,83
|
BА51Г-33
|
160
|
125
|
1600
|
|
4
|
К5
|
ААШв 3•50+1•50
|
3,4
|
2,9
|
0,68
|
BА51Г-33
|
160
|
125
|
1600
|
|
5
|
К6
|
ААШв 3•50+1•50
|
2,6
|
2,2
|
0,55
|
BА51Г-31
|
100
|
63
|
1000
|
|
6
|
К7
|
ААШв 3•70+1•70
|
0,98
|
0,85
|
0,25
|
BА51Г-31
|
100
|
80
|
1000
|
|
7
|
К8
|
ААШв 3•10+1•10
|
1,63
|
1,4
|
0,38
|
BА51Г-31
|
100
|
63
|
1000
|
|
8
|
К9
|
ААШв 3•10+1•10
|
1,4
|
1,2
|
0,36
|
BА51Г-31
|
100
|
63
|
1000
|
|
9
|
К10
|
ААШв 3•10+1•10
|
1,18
|
1
|
0,29
|
BА51Г-31
|
100
|
63
|
1000
|
|
ЗТП
|
|
1
|
К2
|
САПсш 3•25+1•35
|
0,82
|
0,71
|
0,62
|
BА51Г-31
|
100
|
80
|
1000
|
|
2
|
К3
|
САПсш 3•25+1•35
|
0,92
|
0,8
|
0,44
|
BА51Г-31
|
100
|
100
|
1000
|
|
3
|
К4
|
ААШв 3•70+1•70
|
0,96
|
0,83
|
0,39
|
BА51Г-35
|
250
|
200
|
2500
|
12. Расчет заземления контура
трансформатора и повторных заземлений
Рассмотрим пример расчёта заземления для ТП1.
Определяем расчетное сопротивление грунта для
вертикального заземлителя, Ом∙м:
Ом∙м (33)
где
ρизм -
измеренное сопротивление грунта, Ом∙м;
kс
- коэффициент сезонности, kс =1,15;
k1 - учитывающий состояние грунта, k1=1,1.
Определяем сопротивление вертикального заземлителя,
Ом:
(34)
где
l -
длина электрода, м;
d -
диаметр стержня, м;
hСР
- глубина заложения, равна
расстоянию от поверхности земли до середины стержня, м:
м (35)
Ом
Определяем общее сопротивление повторных заземлителей,
Ом:
Ом (36)
где
- число повторных заземлений.
Определяем расчетное сопротивление заземления нейтрали
трансформатора с учетом повторных заземлений, Ом:
Ом (37)
Определяем теоретическое число стержней, шт:
шт
(38)
Принимаем 7 шт.
Определяем длину полосы связи, м:
м, (39)
где а - расстояние между заземлителями.
Определяем расчетное сопротивление грунта для
горизонтального заземлителя
Ом∙м (40)
Определяем сопротивление горизонтальной полосы связи,
Ом:
Ом (41)
где
d -
диаметр стержня, м.
Определяем действительное число стержней, шт:
шт
Определяем действительное сопротивление искусственного
заземления, Ом:
Определяем расчетное сопротивление контура, Ом:
Ом < 4 Ом (43)
Таблица 7. - Расчетные данные контура заземления
№
подст.
,
ОмТип
заземлителяДлина заземли-теля l, мРазмер,
ммrпз,
ОмRВ, ОмRГ, Ом
,
мnД,
шт
,
Ом
|
Ом
|
|
|
|
|
|
|
|
|
|
|
|
|
КТП
|
80
|
Стержень
|
4
|
10
|
1,8
|
22,3
|
8,8
|
28
|
10,3
|
3,21
|
320
|
|
ЗТП
|
80
|
Стержень
|
4
|
10
|
1,7
|
22,3
|
8
|
32
|
11,4
|
2,9
|
320
|
13.
Разработка мероприятий по ТБ при сооружении и эксплуатации низковольтной линии
Среди организационных мероприятий улучшения техники
безопасности немаловажное значение имеет повышение квалификации
электротехнического персонала, целенаправленное формирование трудовых
коллективов и совершенствование ЭТС.
К верхолазным работам по монтажу воздушной линии
допускаются лица не моложе 18 лет и не старше 60 лет, прошедшие медицинский
осмотр, имеющие стаж верхолазных работ не менее 1 года и тарифный разряд не
ниже третьего. Бригады, выезжающие на работы на воздушных линях, должны иметь
набор необходимых медицинских средств для оказания первой медицинской помощи.
При приближении грозы или сильного ветра, бригада обязана прекратить работы.
При работе на опоре работающий должен иметь предохранительный пояс.
При сооружении ВЛ в населённых пунктах ложна быть
обеспечена охрана сооружаемого участка. Посторонние лица на площадку, где
производятся работы, не допускаются. Подъём на опору и спуск с неё разрешается
с помощью монтёрских когтей или других специальных приспособлений.
При монтаже запрещается подниматься на анкерную опору,
а также находиться на стороне натяжения проводов: работать на угловых опорах и
влезать на них со стороны внутреннего угла; находится под проводами во время их
монтажа. Сбрасывать с опоры инструмент и другие предметы можно только при
отсутствии около неё людей.
Запрещается подавать какие-либо предметы, работающему
на опоре, подбрасыванием. Их подают при помощи прочной верёвки, к которой их
привязывают.
При переходе через препятствия приступать к монтажу
следующего провода можно только после натяжки и закрепления предыдущего
провода.
Рабочие при сооружении воздушных линий обязаны
соблюдать правила внутреннего распорядка. Запрещается употребление алкоголя,
наркотических и токсических средств, а также курение в неустановленных местах.
При эксплуатации низковольтных линий, для поддержания
их в рабочем состоянии, для продления их срока службы и для их надёжной работы,
необходимо вовремя и в полном объёме проводить техническое обслуживание линий и
необходимые виды ремонтов.
Заключение
В результате выполнения курсового проекта выбирают
наиболее экономичный вариант электроснабжения в результате сравнения двух или
более технически приемлемых и дающих одинаковый энергетический эффект вариантов
по их важнейшим показателям: капиталовложениям и ежегодным издержкам
производства.
При выполнении курсового проекта была проведена
реконструкция воздушной линии напряжением 0,38 кВ с целью уменьшения потерь при
передаче электроэнергии на расстояние, экономии материальных средств при
строительстве и повышении эффективности и качества электроснабжения. Проект
включает в себя пункты которые выполнены в полном объеме: обоснование темы
проекта, характеристика объекта проектирования, расчет и выбор электрических
нагрузок, выбор количества и места установки ТП10/0,4 кВ, электрический расчет
линии 0,38/0,22 кВ, составление расчетных схем, определение расчетных мощностей
на участках линий, выбор площади сечения и количества проводов, определения
потерь напряжения, расчет проводов наружного освещения, выбор мощности
трансформаторов, проверка низковольтной сети на возможность пуска
электродвигателя, конструкция сети 0,38/0,22 кВ, расчет токов короткого
замыкания, выбор защиты отходящих линий и оборудования КТП, расчет заземления
контура ТП и повторных заземлителей.
Список используемых источников
1. Харкута К.С, Яницкий С.В., Ляш З.В
Практикум по «Электроснабжению сельского хозяйства» - М.:Агропромиздат,
1992-221с.
. Каганов И.А. «Курсовое и дипломное
проектирование». - М.: Агропромиздат, 1990-351с.
. Рунов Ю.А. «Электроснабжение
промышленных предприятий и с/х». - М.: «Ураджай», 1998-270с.
. Янукович Г.И., Счастный В.П.
«Электроснабжение сельскохозяйственных потребителей». - Мн.: Дизайн ПРО,
2000-176с.
. Будзко И.А., Зуль И.М.
«Электроснабжение сельского хозяйства» - М.: Агропромиздат, 1990-496с.
6. Куценко Г.Ф. Монтаж, эксплуатация
и ремонт электроустановок.- Мн.: Дизайн ПРО, 2003.-272с