Расчет настила и прокатных балок балочной клетки
1. Задание и исходные данные к
проектированию
. Количество ячеек и шаг колонн по направлению
ширины здания 2x6;
. Количество ячеек и шаг колонн по направлению
длинны здания 8x6;
. Отметка верха настила 10,8м;
. Тип балочной клетки рабочей площадки - усложненный;
. Тип сопряжения балок в балочной клетке -
этажный или в одном уровне с высотой балочной клетки не более высоты главной
балки;
. Тип настила стальной (Сталь С235) без защитных
устройств и без ребер жесткости;
. Тип балок настила и вспомогательных балок -
прокатные ( сталь С285);
. Главная балка сварная ( сталь С285);
. Колонна сварная сплошного сечения ( сталь
С285);
. Полезная нагрузка на настил 23 кПа;
. Коэффициент надежности по полезной нагрузке
1,1;
. Коэффициент надежности по назначению здания
1,1;
. Класс бетона фундаментов В7,5;
. Длина элементов заводского изготовления 4м;
. Тип монтажных соединений - сварные;
. Тип болтов и сварочных материалов - по выбору
студента.
2. Расчет настила и прокатных балок
балочной клетки
Расчет настила заключается в правильном
назначении его толщины и выборе оптимального пролета.
В курсовой работе балки настила и
вспомогательные балки запроектированны из прокатных профилей. Их расчет
заключается в определении номера профиля, обеспечивающего прочность и жесткость
балок.
2.1 Расчет стального настила
При полезной нагрузке на настил не более 50 кПа
(50 кН/м2) его толщина tn и пролет
регламентируются
обычно только жесткостью. При этом толщина обычно назначается в зависимости от
величины полезной нагрузки po [ 4. табл. 1].
При значении полезной нагрузки po=23 кПа
рекомендуемая толщина настила tn=12 мм. Для стального настила используется
рифленая сталь по ГОСТ 8568-77.
Предельное отношение пролета настила к его
толщине при po < 50 кПа и заданном отношении пролета настила к его
допускаемому прогибу [9] определяется по формуле
,
где
-
нормативная нагрузка на настил, кПа ,
;
- расход стали от
настила, кг/м2
(здесь tn в см);
- коэффициент
надежности по назначению, принимаемый по заданию;
Нормативная нагрузка на настил равна:
кПа;
Е - модуль продольной упругости стали, Е=20600
кН/см2.- отношение пролета настила к его вертикальному прогибу n0=135 [9]
Предельное отношение пролета настила к его
толщине равно:
Следовательно требуемый пролет настила:
мм
Окончательное расстояние между балками настила
принимается
кратным длине вспомогательной балки, т. е. величина
должна
укладываться целым числом раз на расстоянии между осями главных балок.
Следовательно пролет настила принимается
мм.
2.2 Расчет балки настила
Оптимальный пролет балок настила, определяется с
учетом весовых и стоимостных показателей листового настила и прокатных
вспомогательных балок и балок настила по формуле
,
где
-
расчетное сопротивление материала балок настила и вспомогательных балок,
кН/см2;
В - шаг главных балок в балочной клетке рабочей
площадки, м.
С целью типизации конструкций шаг
вспомогательных балок увязывается с длиной главной балки L=
,
т. е. должен укладываться на ней целым числом раз.
м.
В целях унификации принимаем
м.
Балки настила опираются на вспомогательные
шарнирно, поэтому их расчетная схема представляется однопролетной балкой с
равномерно распределенной по всей ее длине нагрузкой
(рис.
1).
Нормативная нагрузка на балку, кН/м,
,
где
-
коэффициент, учитывающий нагрузку от собственного веса балки настила,
,
ℓn - пролет настила, м. Следовательно нормативная нагрузка на балку
равнее:
кН/м
Рисунок 1 - Расчетная схема балки настила
Расчетная нагрузка на балку, кН/м,
,
где
-
коэффициент надежности по полезной нагрузке,
- коэффициент
надежности по нагрузке от собственного веса стальных конструкций, он
принимается равным 1,05.
Расчетная нагрузка на балку равна:
кН/м
Для подбора сечения балки необходимы усилия:
максимальный расчетный изгибающий момент, кН∙м,
кН∙м
максимальный нормативный изгибающий момент, кН∙м,
кН∙м;
максимальное расчетное перерезывающее усилие
(опорная реакция балки), кН,
кН
Требуемый из условия прочности момент
сопротивления сечения балки настила, см3, при этом будет равен
,
где с - коэффициент, учитывающий частичное
развитие в сечении балки пластических деформаций. Для конструкций зданий I
уровня ответственности и выше (при
)
с = 1
- коэффициент перевода “м” в “см”.- расчетное
сопротивление материала балки, кН/см2. Дляизготовления балок принимается сталь
С235, следовательно Ry=23 кН/см2.
- коэффициент
условия работы балки, принят равным 1.
Требуемый из условия прочности момент
сопротивления сечения балки настила равен:
см3
Требуемый (минимальный) из условия жесткости
момент инерции сечения балки, см4, равен
,
где no =135 для пролета
, 104 - коэффициент
перевода “м∙м” в “см∙см”.
см4
2.3 Расчет вспомогательной балки
Вспомогательные балки, как и балки настила,
опираются шарнирно на главные балки. При этом их пролет принимается
приблизительно равным шагу главных балок, т. е.
,
а расчетная схема - аналогична расчетной схеме балки настила (см. рис. 1).
Нормативная нагрузка на вспомогательную балку,
кН/м,
,
где
-
расход стали, кг/м2, от балок настила
;
- коэффициент,
учитывающий нагрузку от собственного веса вспомогательной балки,
.
Нормативная нагрузка на вспомогательную балку,
кН/м,
кН/м
Расчетная нагрузка на балку, кН/м,
.
кН/м
Максимальные усилия в балке
кН∙м;
кН∙м;
кН.
При этажном опирании балок настила на
вспомогательные балки, к последним в местах опирания балок настила
прикладываются сосредоточенные усилия
кН.
Далее, по требуемому моменту сопротивления, см3,
и
требуемому моменту инерции, см4,
по
сортаментам прокатных двутавров выбирается двутавр минимальной массы (
).
см3;
см4
По требуемым параметрам принимаем сечение I
45Б2,
см3
см4.
Необходимо проверить принятое сечение балки на
прочность по формуле
где с1 - коэффициент, учитывающий частичное
развитие пластических деформаций в сечении балки.
При непосредственном опирании балок настила
сверху на вспомогательную балку необходима проверка местной прочности стенки
последней по формуле
где z - условная длина сжатого участка стенки
вспомогательной балки, см,

см
- ширина полки
двутавра балки настила, см (принимается из сортамента двутавров);
и
-
толщина стенки и пояса двутавра вспомогательной балки, см.
;
Так как оба условия выполняются то не требуется
принимать какие-либо дополнительные меры.
3. Расчет сварной главной балки
Расчет главной балки включает в себя: назначение
расчетной схемы с определением нагрузок и усилий; подбор сечения в средней
части и измененного сечения в приопорных участках; расчет опорной части;
назначение шага и размеров ребер жесткости; проверки прочности элементов
сечения и их местной устойчивости, а также жесткости и общей устойчивости
балки.
3.1 Расчетная схема. Нагрузки,
усилия
В принятой схеме балочной клетки на
промежуточную главную балку с шагом ℓbn (рис. 2) опираются
вспомогательные балки. При опирании последних на главную балку в четырех и
более точках сосредоточенную нагрузку на нее можно заменять равномерно
распределенной. Ее нормативная и расчетная величины соответственно будут равны:
;
,
где В - шаг главных балок, м;

- коэффициент,
учитывающий нагрузку от собственного веса главной балки, приблизительно равный
1,05;
- расход стали,
кг/м2, от вспомогательных балок
кг/м2;
следовательно
кН.
Рисунок 2 - Расчетная схема главной балки
Главные балки в курсовом проекте разрезные и
опираются на колонны сверху, шарнирно. За расчетный пролет главной балки
принимается расстояние между осями колонн, т. е.
.
Максимальные усилия в балке при этом будут равны
;
;
;
,
где
-
коэффициент, принимаемый в зависимости от количества точек приложения нагрузки.
кН·м;
кН·м;
кН;
кН,
3.2 Подбор сечения
Подбор сечения сварной балки в средней зоне
длины заключается в назначении размеров сечения стенки и полок (рис. 3),
обеспечивающих надлежащую прочность, устойчивость и жесткость их и балки в
целом.
Подбор сечения балки начинается, как правило, с
назначения ее высоты, которая определяется условиями жесткости, минимума расхода
стали и увязывается с заданной строительной высотой балочной клетки.
Минимальная высота балки, hmin, (или высота из
условия жесткости) определяется по формуле 
,
где
-
коэффициент, зависящий от количества сосредоточенных в пролете главной балки.
Для 3 сосредоточенных сил
- расчетное
сопротивление листовой стали, из которой изготовлена главная балка,
кН/см2
- отношение пролета главной балки, L , к ее допускаемому прогибу, no=200.
- коэффициент
увеличения прогиба балки с переменным сечением по ее длине, (для балок
постоянного сечения
=1) ;
- усредненный
коэффициент надежности по нагрузкам на главную балку, равный
.
Следовательно минимальная высота балки равна
м
Рисунок 3 - Фрагмент главной балки
Высота балки, см, при которой ее масса будет
минимальной, по формуле
,
где
- требуемый момент
сопротивления сечения балки, см3, определенный без учета развития пластических
деформаций
см3
см
Окончательную высоту балки принимаем
Из условия прочности на срез толщина стенки, см,
определяется формулой
,
где 1,2 - коэффициент, учитывающий
неравномерность распределения касательных напряжений в сечении стенки;
- ориентировочная
высота стенки балки, см, равная
= 76 см;-
расчетное сопротивление стали стенки на срез, кН/см
кН/см2.
мм
С целью обеспечения местной устойчивости толщина
стенки, см , принимается близкой к
см
или
см
Во избежание установки продольных ребер
жесткости толщину стенки целесообразно принять не менее
см
Окончательную толщину стенки балки, tw,
назначают по ГОСТ 19903-74*, tw=12мм.
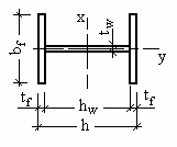
На следующем этапе определяем толщину пояса tf и
его ширину bf в средней части длины балки. При назначении последней необходимо
выполнить условия:
;
;
.
Окончательная ширина пояса принимается кратной 20 или 50 мм.
Требуемая толщина пояса определяется из условия
обеспечения необходимой площади его сечения
,
где
-
требуемая из условия прочности балки площадь сечения пояса
см2,
Следовательно толщина поя равна
см.
Окончательную толщину пояса балки, tf, назначают по ГОСТ 19903-74*, tw=16мм.
Рисунок 4 - Сечение главной балки
3.3 Опорная часть
Рисунок 5 - Схема опорной части главной балки
Главную балку на колонну рекомендуется опирать
через опорное ребро (рис. 5) со строганным нижним торцом, выпущенным ниже
нижнего пояса балки на 20…30 мм (
).
Сечение этого ребра назначается из условия
прочности на смятие строганного торца. При этом требуемая его площадь, см2,
равна
,
где
-
расчетное сопротивление смятию торцевой поверхности материала опорного ребра,
кН/см2, принимаемое по [2],
кН/см2.Следовательно
требуемая площадь
см2
Толщина ребра принимается равной th=16мм, а
ширина bh - из условия
, принимаем
см,
т. е. равным ширине полки. В опорную часть кроме торцового ребра включается
примыкающий к нему участок стенки шириной
,
а ее устойчивость проверяется формулой
,
где
-
коэффициент продольного изгиба условной стойки относительно оси, совпадающей с
продольной осью балки;
- площадь
поперечного сечения, см2, условной стойки, равная
.
Коэффициент продольного изгиба
определяется
по [2] и зависит от гибкости условной стойки
,
где
-
высота условной стойки, см,
см;
-
радиус инерции сечения условной стойки, относительно оси стенки
;
-
момент инерции сечения “стойки”, см4,
.
Следовательно
см4
Катет двухстороннего сварного шва прикрепления
опорного ребра к стенке определяется из формулы
,
где
кН/см2
для электродов типа Э46А - расчетное сопротивление наплавленного металла
сварного шва;
- коэффициент,
учитывающий вид и способ сварки, принимаемый по [2], здесь
0,237.
Принимаем
см
по[2]
3.4 Конструктивное обеспечение
устойчивости стенки
В местах опирания вспомогательных балок в
главной балке ставятся парные поперечные ребра жесткости (рис. 6). Они
обеспечивают как местную прочность стенки, так и ее устойчивость.
Рисунок 6 - Промежуточные ребра жесткости
главной балки
При гибкости стенки
Следовательно предельное расстояние между
ребрами равно
см
Ширина ребер, мм, принимается большей из двух:
и
,
где d - диаметр болтов, мм, крепления вспомогательных балок.
Толщина ребер жесткости принимается не менее
толщины стенки вспомогательной балки, не менее
и
в соответствии с ГОСТ 19903-74*
К стенке балки ребра привариваются
двухсторонними угловыми швами с минимальным катетом
см
по [2].
3.5 Проверки прочности, жесткости и устойчивости
балки и ее элементов
Для выполнения проверок подобранных размеров
элементов поперечных сечений балки необходимо определить их геометрические
характеристики:
площадь поперечного сечения средней части, см2
;
момент инерции поперечного сечения средней
части, см4
;
момент сопротивления поперечного сечения средней
части, см3
;
статический момент зауженного пояса относительно
нейтральной оси, см3
;
статический момент полусечения зауженной части
относительно нейтральной оси сечения, см3
.
Проверка прочности балки в месте действия
максимального изгибающего момента
проверяется
формулой:
,
где
-
определяется по табл. 66 [2].
Проверка прочности балки на срез в месте
действия максимальной поперечной силы выполняется при соблюдении условия
балка колонна настил прочность
.
Проверка жесткости балки выполняется формулой
,
Местная устойчивость сжатого пояса сварной балки
считается обеспеченной, если соблюдается условие
.
При отсутствии сосредоточенных сил, приложенных
к верхнему поясу балки и выполнении условия
,
местная устойчивость стенки считается обеспеченной.
4. Расчет колонны сплошного сечения
В соответствии с заданием на проектирование
необходимо рассчитать промежуточную колонну рабочей площадки сплошного сечения.
Расчет колонны включает назначение расчетной схемы, подбор сечения стержня,
конструирование и расчет базы и оголовка.
Наиболее часто колонны рабочей площадки
представляются центрально сжатым стержнем, с шарнирно закрепленными концами (
),
устойчивость положения (или неизменяемость) которого обеспечивается системой
связей и анкерных болтов.
Расчетные длины колонны принимаются одинаковыми,
равными ее высоте
,
где Н - высота колонны, м (рис. 7),
;
Рисунок 7 - Схема колонны
- отметка верха
настила, м (приведена в задании на проектирование);
- высота балочной
клетки, м (она складывается из высоты главной балки, размера выступа ее
опорного ребра и толщины настила);
- глубина заделки
колонны под пол.
Расчетное усилие в колонне, кН, принимается
равным
,
где N* - расчетное продольное усилие в верхнем
сечении промежуточной колонны, кН, на которую опираются две промежуточные
главные балки
;- ориентировочный
вес, кН, промежуточной колонны
;
- расчетное
сопротивление листовой стали, кН/см2, из которой выполняется колонна, для
изготовления колонны используется с таль С285,
кН/см2
- коэффициент
продольного изгиба центрально сжатого стержня, определяемый в зависимости от
задаваемой гибкости, возьмем гибкость колонны
=115,
для которой
=1,2 -
конструктивный коэффициент, учитывающий вес дополнительных деталей колонны.
- объемный вес
стали
.
Ориентировочный вес колонны равен:
4.2 Подбор сечения стержня колонны
Подбор сечения сплошной колонны заключается в
определении габаритных размеров ее поперечного сечения (рис. 8), его требуемой
площади, назначении толщин стенки tw и полок tf при заданной гибкости стержня и
с учетом требований обеспечения местной устойчивости элементов.
Рисунок 8 - Схема поперечного сечения стержня
сплошной колонны
Сечение колонн рабочей площадки принимаем
двутавровым с ориентировочными (или предварительными) габаритными размерами,
обеспечивающими заданную гибкость
,
и
и
требуемой по прочности площадью
.
Принимаем
см
и
см
Для обеспечения местной устойчивости стенки ее
толщина (при
)
принимается
не менее
Где
;
Окончательная толщина стенки tw==10мм
принимается по ГОСТ 19903-74*. Ориентировочную площадь сечения одного пояса
определяем по формуле
. Если
>>
0, то определяем требуемые из условия прочности стержня размеры сечения пояса.
Обеспечивая его местную устойчивость соблюдением условия
и
принимая во внимание, что
, получим требуемую
толщину пояса
. Округлив
=1,4см.
Рисунок 9 - Сечение колонны
4.3 Проверки жесткости, общей и
местной устойчивости колонны и ее элементов
Необходимые для расчетов геометрические
характеристики сечения:
площадь сечения, см2
;
момент инерции относительно оси х, см4
;
момент инерции относительно оси у, см4
;
радиусы инерции сечения относительно осей х и у,
см, соответственно равны
;
.
Действительные гибкости стержня колонны
относительно осей равны
и
.
Так как они не превышают предельной величины (
=
120), то жесткость колонны считается обеспеченной.
Далее по большей гибкости стержня по определяем
коэффициент продольного изгиба
(стержень колонны
считаем центрально сжатым) и проверяем его общую устойчивость
.
4.4 Конструирование и расчет
оголовка
Конструирование оголовка колонны заключается в
назначении размеров опорной плиты, ребер и отверстий под болты крепления балок
(рис. 10).
Рисунок 10 - Оголовок колонны
Лист плиты оголовка принимается конструктивно
толщиной
=
25 мм, а его размеры в плане на 50 мм превышают габаритные размеры сечения
стержня. Горизонтальные ребра также назначаются конструктивно: толщиной 10 мм и
шириной не менее
Вертикальные ребра оголовка рассчитываются на
восприятие опорных реакций двух главных балок. Ширина одного ребра оголовка (
)
увязывается с шириной опорного ребра главной балки (
)
и принимается равной
. Принимаем
Толщина
каждого ребра (
) определяется
прочностью его на местное торцевое смятие
и
принимается по ГОСТ
.=20мм Длина ребер
определяется прочностью четырех сварных швов, которыми они крепятся к стенке
колонны
,
где
-
катет сварного шва, принимаемый равным максимальному по [2],
Окончательно
принимается
не менее
,.
см
Отверстия в плите оголовка назначаются в
соответствии с болтами, которыми крепятся главные балки к колонне.
4.5 Конструирование и расчет базы
колонны
В курсовом проекте рекомендуется принимать базу
колонны с траверсами и опорной плитой (рис. 11). Расчету в такой базе подлежат:
опорная и траверса.
Рисунок 11 - База сплошной централносжатой
колонны
Размеры плиты в плане, Apl, определяются усилием
в колонне и классом бетона фундамента:
,
где
-
расчетное сопротивление сжатию материала фундамента, кН/см2,
;
здесь 0,75 - коэффициент, учитывающий неравномерность напряжений под плитой;
-
коэффициент, учитывающий соотношение площади верха фундамента Af и площади
плиты
,
=1,5
=0,6кН/см2-
расчетное сопротивление бетона сжатию, принимаемое по СНиП 2.03.01-84*.
Ширина плиты,
(см)
принимается несколько больше ширины сечения стержня колонны
,
где ttr - толщина траверсы, принимаемая ttr=14 мм; d - ширина свеса плиты за
траверсу, принимаемая d=50 мм.
Принятая ширина
плиты
Требуемая из условия прочности бетона фундамента
длина плиты должна быть не менее
и
конструктивно не менее высоты сечения колонны (h).
Рисунок 12 - Геометрические размеры базы колонны
Плита, воспринимая неравномерное давление
фундамента, работает на изгиб, причем на различных участках (рис. 11) по
разному. В проектировочных расчетах условно принимается напряжение в фундаменте
равномерным под всей плитой и равным
кН/см2
(здесь размеры плиты принимаются в см). При этом прочность фундамента будет
обеспеченной, если
, 0,412<0,675
В консольных участках плиты, участки 1,
максимальный изгибающий момент равен
На участках 2, представляемых прямоугольными
пластинками (со сторонами а1 и b1), опертыми по трем сторонам, и так как
отношение ее сторон
плита работает как
консольная с вылетом
.
На участках 3, представляемых прямоугольными
пластинками (со сторонами а и b), опертыми по всем (четырем) сторонам,
максимальный изгибающий момент определяется формулой
,
где
;
b - меньшая сторона пластинки, см.
Требуемая толщина плиты определяется формулой
,
где
-
наибольший из трех изгибающих моментов, определенных выше для участков плиты,
=11,58
кНсм/см;
-
расчетное сопротивление материала плиты,
=27кН/см2

Требуемая высота траверс определяется длиной,
необходимой по прочности четырех сварных швов, которыми траверсы крепятся к
поясам стержня:
.
Окончательный размер высоты траверсы принимается
не менее, чем 0,7 от высоты сечения стержня, следовательно htr=250мм
Анкерные болты в количестве двух штук
назначаются конструктивно диаметром не менее 20 мм.
5. Конструирование и расчет узлов
сопряжения элементов балочной клетки
В этом разделе конструируются и рассчитываются
следующие узлы:
прикрепление настила к балке настила;
опирание балки настила на вспомогательную балку
(как правило, этажное);
опирание вспомогательной балки на главную (в
нашем случае пониженное);
укрупнительный узел сопряжения отправочных
частей главной балки.
5.1 Расчет прикрепления настила
Настил к балке настила крепится сплошным или
шпунтовым (прерывистым) сварным швом. При погонном (на 1 см настила)
растягивающем усилии в настиле (кН/см)
кН/см
требуемая высота катета непрерывного сварного шва (по прочности его металла)
определяется по формуле
сми принимается
,
регламентированного в [2].
5.2 Расчет узла этажного опирания
балки настила на вспомогательную балку
Балки настила на вспомогательные балки обычно
опираются этажно (обычно непосредственно (рис. 13) При непосредственном
опирании одной балки на другую расчет узла заключается в проверке местной
прочности стенки вспомогательной балки.
Рис. 13 - Этажное опирание балок в рабочей
площадке
При непосредственном опирании балок настила
сверху на вспомогательную балку необходима проверка местной прочности стенки
последней по формуле
где z - условная длина сжатого участка стенки
вспомогательной балки, см,
см
- ширина полки
двутавра балки настила, см (принимается из сортамента двутавров);
и
-
толщина стенки и пояса двутавра вспомогательной балки, см.
;
Так как оба условия выполняются то не требуется
принимать какие-либо дополнительные меры.
5.3 Расчет и конструирование узла
пониженного опирания балок
При примыкании вспомогательной балки к главной
балке сбоку (рис. 14) прикрепление первой ко второй осуществляется на болтах
диаметром 16мм.
Рисунок 14 - Пониженное сопряжение балок в
рабочей площадке
Число болтов (n) из условия прочности их на срез
(в нашем случая болты односрезные) в узле прикрепления вспомогательной балки
определяется по формуле
.
где - 1,2 - коэффициент, учитывающий дополнительное
усилие от частичного защемления конца вспомогательной балки в узле;
- расчетное
сопротивление болтов срезу, кН/см2,для болтов класса 6,6
кН/см2
по [2];
- коэффициент
условия работы болтов в соединении, принимаемый по [2]. В нашем случае принят
равным 0,9;
- диаметр болтов.
Число болтов из условия прочности их на смятие
определяется формулой
,
где
-
расчетное сопротивление смятию элементов, соединяемых болтами, принимаемое по
[2];
- толщина более
тонкого листа (см) в соединении (см. рис 12).
Число болтов n=4.
Так как
,
следовательно болты располагаются в один ряд.
5.4 Конструирование равнопрочного
монтажного (укрупнительного) узла главной балки
При длине главной балки более 9 м (а также с
целью обеспечения условия задания на проектирование по ограничению предельных
длин отправочных частей конструкций) следует предусмотреть членение ее на части
(марки заводского изготовления). При этом монтажный стык не рекомендуется
устраивать ближе150 мм от ребра жесткости и совмещать его с местом изменения
сечения балки.
Из-за пониженной прочности ручной стыковой
сварки при растяжении, выполняемой в площадочных условиях, монтажный стык
желательно размещать в сечениях, где изгибающий момент составляет не более 0,85
максимальной его величины, т.е.
. В случае
размещения монтажного стыка вблизи середины пролета или вблизи максимального
изгибающего момента - его выполняют совмещенным (все элементы стыкуются в одном
сечении), но с косым стыковым швом в нижнем поясе (рис. 15).
С целью снижения сварочных напряжений от сварки
монтажного стыка, его выполняют в определенной последовательности (см. номера
на рис. 15), причем в последнюю очередь завариваются участки поясных швов (по
500 мм), специально не сваренных в заводских условиях.
Рисунок 15 - Последовательность выполнения
сварного монтажного стыка составной балки
Для обеспечения провара всех элементов в стыке
на всю толщину кромки их обрабатываются.
Список литературы
1.
Металлические конструкции. Том I. Элементы конструкций / под ред. Проф. В.В.
Горева. - М.: Высшая школа, 2001 - 528 с.
.
СНиП II-23.81*. Стальные конструкции. - М.: ЦИТП, 2001 - 96 с.
.
ГОСТ 21,501-93 Правила выполнения архитектурно строительных чертежей. - М.: ГУП
ЦПП, 1988. - 58 с.
.
Металлические конструкции. Методические указания по выполнению курсовой работы
для студентов специальности ГСХ/ сост. А. Н. Степаненко. - Хабаровск. ХГТУ,
2004. - 31 с.
.
СНиП 2,01,07,85*. Нагрузки и воздействия. - М.: ГУП ЦПП. 2001 - 43 с.
.
Металлические конструкции / под ред. проф. Е.И. Беленя. -.М.: Стройиздат, 1968.
- 560 с.