Электропривод микроволновой печи

  • Вид работы:
    Реферат
  • Предмет:
    Физика
  • Язык:
    Русский
    ,
    Формат файла:
    MS Word
    132,87 kb
  • Опубликовано:
    2011-05-04
Вы можете узнать стоимость помощи в написании студенческой работы.
Помощь в написании работы, которую точно примут!

Электропривод микроволновой печи

МИНИСТЕРСТВО ОБРАЗОВАНИЯ РФ

МОСКОВСКИЙ ЭНЕРГИТИЧЕСКИЙ ИНСТИТУТ

(ТЕХНИЧЕСКИЙ УНИВЕРСИТЕТ)

Кафедра электрических и электронных аппаратов









Электропривод микроволновой печи












Москва - 2006.

Содержание

1. Функциональные задачи, решаемые ЭМС, условия ее работы

. Морфологическое описание системы на основе обобщенной схемы ЭМС. Описание элементов принцип действия. Статические характеристики

. Математическое описание и схема реализации МЭД

. Критерии оценки ЭМС

. Заключение о техническом уровне рассматриваемой системы

. Рекомендации по улучшению системы

Выводы

Список использованной литературы

Приложения

1. Функциональные задачи, решаемые ЭМС, условия ее работы

Микроволновая печь служит для разогрева пищи и разморозки продуктов. Микроволновые печи используют в основном в домашних условиях и в офисах. Основные требования, предъявляемые к микроволновым печам это обеспечение бесшумности работы, большое рабочее пространство и потребление минимальной мощности. От привода же микроволновой печи требуется невысокая скорость вращения вращающегося столика, который также работает в режиме реверса. Также необходимо чтобы привод микроволновой печи имел небольшие габариты, например большой радиус и малую высоту. Плюс ко всему этому в некоторых моделях микроволновых печей предусмотрен ручной останов вращающего столика. Такой режим используется для использования посуды, которая заполняет все внутреннее пространство печи. Эта возможность используется только для ручного приготовления пищи.

Циклограмма работы микроволновой печи представлена на рис. 1.

2.      Морфологическое описание системы на основе обобщенной схемы ЭМС. Описание элементов принцип действия. Статические характеристики

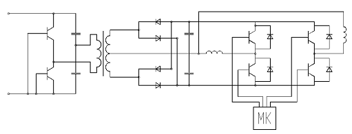
ЭМС микроволновой печи состоит из следующих элементов:

). В, В2 - выпрямитель.

). Ф, Ф2 - фильтр.

). И - инвертор.

). ТрВч - трансформатор высокой частоты.

). К - коммутатор.

). МЭД - магнитоэлектрический двигатель.

). РО - рабочий орган.

). ДПР - датчик положения ротора.

). МК - микроконтроллер.

Функциональная схема ЭМС представлена на рис. 2.

Докажем необходимость и достаточность всех элементов. Прежде всего, стоит отметить, что я выбрал вентильный двигатель (ВД). Это обусловлено следующим:

). Масса ВД меньше массы АД.

). Надежность ВД такая же, или почт такая же, как и у АД.

). КПД ВД выше, чем КПД АД.

). Стоимость ВД меньше стоимости АД.

Этими критериями подтверждается обоснованность выбора в качестве привода микроволновой печи - ВД.

От привода микроволновой печи требуется обеспечение низкой скорости вращения.

Исходя из этого, сделаем двигатель таким, чтобы он работал в зоне близкой к зоне пуска (зона I на статической характеристике). Статическая (механическая) характеристика ВД представлена на рис. 3.

Условно, функциональную схему ЭМС можно поделить на 2 части (см. соответствующее обозначение на рис. 2):

А). Преобразователь.

В). Сам вентильным двигатель (ВД), представляющий из себя синхронный двигатель с электронным коммутатором напряжения, к которому подключена обмотка статора СД. Микроконтроллер обеспечивает управление коммутатором. А датчиком положения ротора, установленный на валу двигателя и управляющий работой коммутатора в зависимости от положения ротора. ДПР генерирует периодические сигналы, по которым открываются и закрываются ключи коммутатора, подключающего к сети соответствующие обмотки статора. В результате этого магнитное поле статора вращается с той же средней скоростью, что и ротор.

При такой классификации не стоить забывать о рабочем органе.

Что касается пункта А) нашей классификации, то важно отметить, что можно было бы использовать один фильтр и один выпрямитель, но тогда конструкция получилась бы громоздкая. А согласно нашей схеме мы имеем следующее: на вход выпрямителя поступает переменное напряжение 220 В, выпрямитель делает из него постоянное 310В. Фильтр устраняет помехи, уменьшая пульсации выходного напряжения. Инвертор же, снова делает напряжение переменным. Далее стоит трансформатор высокой частоты с выводом нулевой точки. Далее процесс повторяется и уже с выхода фильтра Ф2 сигнал поступает на коммутатор. Согласно нашей схеме, эта ее часть имеет хорошую эффективность и компактность, т.к. ее габариты соизмеримы с габаритами аккумулятора сотового телефона. А ведь для нашей ЭМС малые габариты очень важны.

Принцип работы ВД.

Принцип работы ВД, основан на использовании датчика положения ротора (ДПР), преобразователя координат и силового полупроводникового преобразователя. Они совместно формируют на обмотках статора машины фазные напряжения таким образом, чтобы результирующий вектор напряжения всегда был сдвинут на угол 90° и неподвижен относительно оси магнитного поля ротора.

Коммутация производится так, что поток возбуждения ротора - Ф поддерживается постоянным относительно потока якоря. В результате взаимодействия потока якоря и возбуждения создается вращающий момент M, который стремится развернуть ротор так, чтобы потоки якоря и возбуждения совпали, но при повороте ротора под действием ДПР происходит переключение обмоток и поток якоря поворачивается на следующий шаг.

В этом случае и результирующий вектор тока будет сдвинут и неподвижен относительно потока ротора, что и создает момент на валу двигателя.

В двигательном режиме работы МДС статора опережает МДС ротора на угол 90°, который поддерживается с помощью ДПР. В тормозном режиме МДС статора отстает от МДС ротора, угол 90° так же поддерживается с помощью ДПР.

Коммутатор.

Источник питания вырабатывает постоянное напряжение. Следовательно, для преобразования постоянного напряжения источника электроэнергии в переменное для питания обмотки якоря двигателя необходим коммутатор, управляемый по частоте, построенный на ключевых элементах, которые периодически подключают постоянное напряжение к нагрузке.

В качестве ключевых элементов в преобразовательных устройствах используют, как правило, силовые транзисторы, работающие в режиме переключения из области насыщения в область отсечки.

Датчик положения ротора.

Существует множество конструкций датчиков положения ротора, принцип работы которых состоит в следующем: фиксируются определенные положения ротора относительно статора, и в соответствующие моменты времени датчик формирует сигналы, воспринимаемые системой управления (микроконтроллером).

Наибольшую популярность приобрели датчики Холла и фотоэлектрические, так как они практически безинерционны и позволяют избавиться от запаздывания в канале обратной связи по положению ротора.

Конструктивно он должен быть прост и технологичен в изготовлении, надежен в работе. Схема коммутатора будет проще и надежней, если наряду с максимальной отдачей мощности, ДПР будет формировать сигналы заданной формы. В большинстве случаев этот сигнал должен иметь форму прямоугольных импульсов с высокой кратностью максимального и минимального уровней, а также с большой крутизной нарастания и спада фронтов. ДПР состоит из двух элементов. Один из них управляющий - связан с ротором двигателя и при достижении им заданного углового положения входит во взаимодействие с другим элементом - чувствительным, связанным со статором.

Микроконтроллер.

Микроконтроллер - микросхема, предназначенная для управления электронными устройствами. Типичный микроконтроллер сочетает в себе функции процессора и периферийных устройств, может содержать ОЗУ и ПЗУ. По сути, это однокристальный компьютер, способный выполнять простые задачи. Использование одной микросхемы, вместо целого набора, как в случае обычных процессоров, применяемых в персональных компьютерах, значительно снижает размеры, энергопотребление и стоимость устройств, построенных на базе микроконтроллеров.

Микроконтроллеры являются основой для построения встраиваемых систем, их можно встретить во многих современных приборах, таких, как телефоны, стиральные машины и т. п. Бо́льшая часть выпускаемых в мире процессоров - микроконтроллеры.

Электрическая схема рассматриваемой ЭМС представлена на рис. 6.

электропривод микроволновая печь коммутатор

3.      Математическое описание и схема реализации МЭД

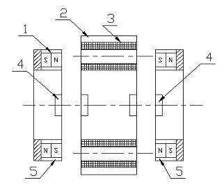
Будем использовать МЭД торцевой конструкции, т.к. это позволят выполнить машину многополюсной и такая конструкция проста и технологична в исполнении. Основным критериями в выборе количества полюсов являются увеличение МДС возбуждения машины и рост потерь в стали. В случае использования вентильного двигателя такой конструкции МДС обеспечивается постоянными магнитами, а потери в стали сравнительно невелики (почти отсутствуют). Конструкция МЭД цилиндрического исполнения представлена на рис. 2. Рисунок имеет следующие обозначения:

- постоянный магнит.

- статор.

- обмотка статора.

- упорный подшипник.

- ротор.

Статор выполнен в виде плоского диска, расположенного в зазоре между 2 дисками ротора. Статор имеет обмотки фазной катушки якоря. Число катушек в каждой фазе равно числу постоянных магнитов 1 на роторе.

Диск ротора выполнен из немагнитного неэлектропрочного материала, в отверстие которого закреплены цилиндрические постоянные магниты.

Такая конструкция определяет особенности расчета.

Итак, для расчета примем следующие допущения:

). Индуктивное сопротивление якоря много меньше активного.

). Пренебрежем полем реакции якоря, т.к. его МДС много меньше МДС постоянного магнита.

). Отсутствуют потери в стали.

Учитывая принятые допущения, запишем основное уравнение динамик:

(1)

Т.к. в теории электрических машин значение , то уравнение (1) перепишется в виде:

 (2)

Где

Ввиду принятого допущения 1), индуктивное сопротивление z заменяем активным.

 (3)

На основании полученных уравнений построим основные временные зависимости параметров нашего МЭД (см. рис. 5).

4.      Критерии оценки ЭМС

В качестве аналогов для сравнения выберем привод с асинхронным двигателем переменного тока.

В качестве показателей качества выберем:

- энергетическая эффективность.

- надежность.

- технические параметры.

- масса и габариты.

- цена.

Необходимо также определить, какой показатель качества является наиболее важным, а какой наименее. В нашем случае приоритет будет таким: 1, 2, 3, 4, 5, где 1 - энергетическая эффективность и т.д. Соответственно будем иметь: самый важный показатель - энергетическая эффективность, самый наименее важный - цена. Конечно, с этим можно поспорить, т.к. цена - это далеко не последний по важности показатель, но так для нашего задания не установлены ценовые ограничения, то будем считать, что мы располагаем неограниченным капиталом. Поэтому цену я и сделал наименее важным показателем. Согласно такой классификации: энергетическая эффективность будет иметь весовой коэффициент 5, надежность - 4, технические параметры - 3, масса и габариты - 2, и цена - 1.

Также необходимо отметить, что каждый показатель качества будет оценен по пятибалльной системе, где оценка 5 будет соответствовать самому лучшему балу.

Показатель качества

Весовой коэффициент

МЭД

АД

1. Энергетическая эффективность

5

5

3

2. Надежность

4

4

3

3. Технические параметры

3

5

3

4. Масса и габариты

2

4

2

5. Цена

1

3

4


Определим комплексные показатели качества для каждого типа ЭМС.

Для наглядности оценки построим диаграмму важности показателей качества (рис. 7)

Таким образом, выбор ВД в качестве привода микроволновой печи является обоснованным с точки зрения оценки технико-экономического уровня.

5.      Заключение о техническом уровне рассматриваемой системы

Рассматриваемая система находится на высоком техническом уровне, ввиду всего вышеизложенного. Использование вентильного двигателя позволило достичь снижение массы, простоты конструкции соответственно габаритов. Что очень важно, ввиду того, что сама по себе микроволновая печь предполагает наличие маленького привода из-за малости отведенного под него пространства. Кроме того, наш привод является бесконтактным, что сильно повышает его надежность.

К недостаткам нашего привода я бы мог отнести только его цену, т.к мы используем постоянные магниты.

6.      Рекомендации по улучшению системы

Итак, для улучшения системы можно предложить следующее:

·        Для уменьшения массы механической части привода необходимо в качестве постоянных магнитов использовать редкоземельные магниты, однако это увеличит стоимость привода.

·        Для уменьшения стоимости системы необходимо рассмотреть возможность применения двигателей без постоянных магнитов.

·        Для уменьшения размеров коммутатора и потерь в нем рекомендуется использовать модули; возможно изготовление коммутатора в по интегральной технологии, однако это вызовет неизбежное серьезное увеличение стоимости привода.

Выводы

В результате проведенной работы сделано следующее:

1 Обоснован выбор вентильного магнитоэлектрического двигателя в качестве привода микроволновой печи;

2 Даны рекомендации о целесообразности использования модулей и применения интегральной технологии для изготовления коммутатора;

3 Сделан вывод о высоком техническом уровне рассматриваемой системы и определены основные направления улучшения ее характеристик.

Список использованной литературы

1. Тыричев П. А., Лозенко В. К. Раздаточный материал. Учебно-методическое пособие по курсу «Электромеханические системы». М.: Издательство МЭИ, 1998г.

. Тыричев П. А., Маслов С. И. Введение в теорию и практику электромеханических систем М.: Издательство МЭИ, 1999г.

. Москаленко В.В. Автоматизированный электропривод. М.: Энергоатомиздат., 1986.


Рис. 1. Типовая циклограмма работы привода.

Рис. 2. Функциональная схема ЭМС.

Рис. 3. Механическая характеристика ВД.

Рис. 4. Конструкция МЭД.

Рис. 5. Основные временные зависимости рассматриваемого МЭД.

Рис. 6. Электрическая схема ЭМС.

Рис. 7. Диаграмма важности показателей качества.

Похожие работы на - Электропривод микроволновой печи

 

Не нашли материал для своей работы?
Поможем написать уникальную работу
Без плагиата!
Без нейросетей!