Расчет методической трехзонной толкательной печи с наклонным подом
Федеральное
агентство по образованию
Государственное
образовательное учреждение высшего профессионального образования
Красноярский
Государственный Технический Университет
Кафедра
Промышленной теплоэнергетики
Курсовая
работа
Расчет
методической трехзонной толкательной печи с наклонным подом
Красноярск
2011
Задание
Спроектировать методическую трехзонную
толкательную печь с наклонным подом для нагрева заготовок из малоуглеродистой
стали с размерами d=305 мм, l=400
мм. Производительность - 60000 кг/ч, tКОН=1030
°С. Топливо: газ, %
СН4=0,5
СО2=8,5
N2=1,5
О2=2,2
СО=37
Н2=50
Н2S=0,3
qH2O=10
г/м3
tВ=280 °С.
1. Расчет горения топлива
Рассчитываем состав влажного газа по
составу сухого и влажности
г/м3. Коэффициент пересчета с сухого
газа на влажный определяем по формуле:
Состав влажного газа находим по
содержанию сухого газа и величине К:
Сумма всех составляющих:
.
Определяем низшую теплоту сгорания
топлива, кДж/м3:
Расчет теоретически необходимого
объема кислорода для горения, м3/м3:
Теоретический расход воздуха для
горения, м3/м3:
,
где
- объемная доля О2 в воздухе (
- для
атмосферного воздуха).
Действительный расход воздуха для
горения, м3/м3:
,
где α - коэффициент
избытка воздуха, принимается по [1].
Объемы продуктов сгорания (м3/м3),
получившиеся в результате горения:
объем углекислого газа
объем азота
объем избыточного кислорода
объем водяного пара
объем сернистого газа
общий объем продуктов сгорания
Состав продуктов сгорания (%)
определяется:
Для проверки правильности расчета
горения топлива составляют материальный баланс, на основании закона сохранения
массы:
где Gт - масса
топлива, кг;
Gв - масса
воздуха, необходимого для горения, кг;
Gп.с. - масса
продуктов сгорания, получившихся, в результате горения, кг.
Масса топлива, кг:
,
где Vт - единица
объема газа на которую ведется расчет, м3;
ρт - плотность газа, кг/м3

где
…… - молекулярная масса
соответствующего компонента.
Масса воздуха, кг:
,
где
кг/м3 - плотность воздуха.
Масса продуктов сгорания, кг:
где
- плотность продуктов сгорания,
кг/м3
Результаты расчета сводятся в
таблицу 1.
Таблица 1. Материальный баланс
горения
|
Приход
|
кг
|
%
|
Расход
|
кг
|
%
|
|
1.
Топливо
|
0,733
|
19,7
|
1.
Продукты сгорания
|
3,7
|
100
|
|
2.
Воздух
|
2,987
|
80,3
|
|
|
|
|
Итого
|
3,72
|
100
|
Итого
|
3,7
|
100
|
Производим расчет неувязки баланса:
%
Величина неувязки не превышает 1%.
Для определения калориметрической
температуры сгорания рассчитываем энтальпию продуктов сгорания, кДж/м3:
,
где Qв - теплота
вносимая подогретым воздухом, кДж.
,
где iв -
энтальпия подогретого воздуха (определяется по [1]), кДж/кг.
Определяем энтальпию продуктов
сгорания при температуре t1=2200 °С, кДж/м3:
.
Определяем энтальпию продуктов
сгорания при температуре t2=2300 °С, кДж/м3:
.
Значение калориметрической
температуры, °С:
.
Действительная температура горения,
°С:
,
где
- пирометрический коэффициент (для
методических печей
).
2. Определение размеров рабочего
пространства печи
Основными размерами рабочего
пространства печи являются - ширина, длина, высота. Определяющими условиями при
этом являются геометрические размеры нагреваемых изделий, рациональный характер
движения газов, соответствующее расположение топливосжигающих устройств,
быстрый и качественный нагрев металла.
Для методических печей общее число
изделий, находящихся в рабочем пространстве в единицу времени, неизвестно,
поэтому размеры определяются предварительно, а затем в процессе расчета
уточняются.
Ширина печи, при расположении
заготовок в шесть рядов, м:
,
где l - длина
заготовки, м;
а - расстояние между заготовками и
между концами заготовок и стенками печи, м.
Начальная высота печи, м:
,
где d - диаметр
заготовки, м.
Высота печи в конце сварочной зоны,
м:
.
Средняя высота печи, м:
.
Средняя высота методической зоны, м:
.
Средняя высота сварочной зоны, м:
.
Эскиз печи представлен на рис.1.
3. Температурный режим работы печи и
нагрева металла
Распределение температур по длине
печи представлено на рис.2.
Максимальная температура печи, °С:
Начальная температура печи, °С:
Температура печи в конце томильной
зоны, °С:
.
Начальную температуру металла
принимаем равной 20 °С.
Температура металла в конце
методической зоны (°С), определяется по формуле:
,
где S -
характерный размер изделия, м
μ - коэффициент
несимметричности нагрева (для одностороннего нагрева μ=0,75-0,8).
Тогда
Рис.2. Температурный режим печи
4. Расчет теплообмена в рабочем
пространстве печи
Теплообмен излучением является
преобладающим. В расчетах определяется величина коэффициента теплоотдачи
излучением. Она находится для каждой зоны методической печи.
Рассчитываем теплообмен в
методической зоне.
Степень развития кладки:
.
Парциальное давление углекислого
газа и водяного пара в продуктах сгорания, кН/м2:
Определяем эффективную толщину
газового слоя, м:
Находим произведение
, кН/м:
Зная произведение
, находим по
номограммам [2] степени черноты углекислого газа
и водяного пара
, а также
поправочный коэффициент β,
при
начальной и конечной температуре газов в методической зоне.
При
: При
:
.
Степень черноты газов определяется
по формуле:
.
Степень черноты металла принимаем
.
Определяем приведенные коэффициенты
излучения в системе газ-металл, Вт/(м2·К4):
.
Определяем коэффициент теплоотдачи
излучением, Вт/(м2·К):
Суммарный коэффициент теплоотдачи,
Вт/(м2·К):
.
Рассчитываем теплообмен в сварочной
зоне.
Степень развития кладки:
.
Определяем эффективную толщину
газового слоя, м:
Находим произведение
, кН/м:
Зная произведение
, находим по
номограммам [2] степени черноты углекислого газа
и водяного пара
, а также
поправочный коэффициент β.
При
:
.
Степень черноты газов определяется
по формуле:
Определяем приведенные коэффициенты
излучения в системе газ-металл, Вт/(м2·К4):
Определяем коэффициент теплоотдачи
излучением, Вт/(м2·К):
.
Суммарный коэффициент теплоотдачи,
Вт/(м2·К):
.
5. Расчет времени нагрева металла
Для расчета времени нагрева
определяется величина критерия Био, характеризующего теплотехническую
массивность нагреваемого изделия.
Для методической зоны.
,
где λ - коэффициент
теплопроводности изделия, при средней температуре металла в методической зоне,
Вт/(мК).
Так как значение критерия Bi >0,3, то
изделие термически массивное. Расчет времени нагрева производим с
использованием графических зависимостей (графики Будрина):
,
где
- температурный критерий;
Fo - критерий
Фурье;
Х - безразмерная координата,
определяющая местоположение рассматриваемой точки.
Определяем температурный критерий
для поверхности нагреваемого изделия:
,
где tп - средняя
температура печи в методической зоне, °С
.
По графикам Будрина [2] определяем
критерий Фурье:
Fo1=1,3.
Время нагрева металла в методической
зоне, ч:
,
где a -
коэффициент температуропроводности при средней температуре металла, м2/ч.
Температурный критерий для центра
заготовки также определяем по графикам Будрина:
тогда температура в центе заготовки
в конце методической зоны, °С:
.
Для сварочной зоны.
,
где λ - коэффициент
теплопроводности изделия, при средней температуре металла в сварочной зоне,
Вт/(мК).
Так как значение критерия Bi >0,3, то
изделие термически массивное.
Определяем температурный критерий
для поверхности нагреваемого изделия:
,
где tп - средняя
температура печи в сварочной зоне, °С.
По графикам Будрина [2] определяем
критерий Фурье:
Fo2=0,41.
Время нагрева металла в методической
зоне, ч:
.
Температурный критерий для центра
заготовки также определяем по графикам Будрина:
тогда температура в центе заготовки
в конце сварочной зоны, °С:
Определяем температурный перепад по
сечению металла в конце сварочной зоны, °С:
Степень выравнивания температуры,
при условии что разница между температурой центра и поверхности не должна
превышать 50 °С, определяется по формуле:
.
Это соответствует числу Фурье Fo3=0,09 ,
тогда время выдержки, ч:
.
Суммарное время нагрева составит, ч:
.
Определяем длину печи, м:
,
где g - вес
одного изделия, кг
V - объем
одного изделия, м3
ρ - плотность материала, кг/м3
.
λ - коэффициент
теплопроводности, Вт/(м·К);
с - теплоемкость материала,
Дж/(кг·К);
а - коэффициент
температуропроводности, м2/ч.
Длина методической и сварочной зоны:
39,8 м, а длина томильной зоны 3,1 м.
6. Составление теплового баланса.
Определение расхода топлива
При проектировании печи тепловой
баланс составляется с целью определения расхода топлива. Тепловой баланс печи
состоит из равных между собой приходной и расходной частей, каждая из которых
складывается из ряда статей.
Статьи приходной части
Теплота, образующаяся при сжигании
топлива, кВт:
,
где В - расход топлива, м3/с.
Физическая теплота, вносимая
подогретым воздухом, кВт:
,
где iв -
энтальпия подогретого воздуха, кДж/м3.
Теплота экзотермических реакций
(теплота окисления железа), кВт:
,
где Р - производительность печи
кг/с;
а - угар металла кг/кг.
Статьи расходной части
Полезная теплота, расходуемая на
нагрев материала, определяется по формуле:
,
Конечная температура металла, °С:
.
Средняя температура металла, °С:
см=0,565685 (кДж/кг) - средняя
теплоемкость металла.
Определяем полезную теплоту, кВт:
.
Теплота, уносимая уходящими
продуктами сгорания, определяется по формуле:

,
где tд -
температура уходящих дымовых газов, °С;
iд -
энтальпия уходящих дымовых газов, кДж/м3:
.
Теплота, уносимая уходящими
продуктами сгорания, кВт:
Потери теплоты теплопроводностью через
кладку печи, определяются по формуле:
Средняя температура печи, °С:
Определяем площадь свода, м2:
.
Средняя температура огнеупорного
материала (шамота), °С:
Коэффициент теплопроводности шамота
при определяющей температуре, Вт/(м·К):
Принимаем толщину огнеупорного
кирпича δ1=250
мм.
Суммарный коэффициент теплоотдачи α от стенки к
воздуху принимаем равным 11,63 вт/(м2К).
Потери теплоты через свод печи, кВт:
Определяем площадь боковых и
торцевых стен, м2:
Принимаем толщину изоляционного слоя
(диатомита) δ2=125
мм.
Температура на границе раздела между
шамотом и диатомитом определяется из уравнения:
,
где
.
Решая уравнение получаем :
tгр=690 °С;
λ1=1,083 Вт/(м·К);
λ2=0,321 Вт/(м·К).
Потери теплоты через боковые и
торцевые стенки печи, кВт:
Суммарные тепловые потери, кВт:
Неучтенные потери принимаем равными,
кВт:
Из условия равенства приходной и
расходной частей получаем:
,
,
Определяем все приходные и расходные
статьи теплового баланса рабочего пространства печи, результаты сводим в
таблицу 2.
Таблица 2. Тепловой баланс рабочего
пространства печи
|
Приход
|
кВт
|
%
|
Расход
|
кВт
|
%
|
|
Qхим
|
14443,65
|
87,08
|
Qпол
|
9285,27
|
55,98
|
|
QВ
|
1200,49
|
7,24
|
Qух
|
28,13
|
|
Qэкз
|
941,7
|
5,68
|
Qпот
|
757,75
|
4,57
|
|
|
|
Qнеуч
|
1877,3
|
11,32
|
|
Итого
|
16585,8
|
100
|
Итого
|
16585,8
|
100
|
7. Выбор топливо сжигающих устройств
Устанавливаем 12 горелок. Принимаем давление
газа Рг=5 кПа, а давление воздуха Рв=1,6 кПа.
Определяем расход газа на одну горелку, м3/с:
Определяем необходимое количество
воздуха, м3/с:
Расчетный расход воздуха, м3/с:
.
толкательный печь сталь
заготовка
Действительный расход газа через
горелку, м3/с:
где
- поправка на плотность газа.
Выбираем горелки типа ДВС 110/40.
8. Расчет потерь напора в газоходе и
определение высоты дымовой трубы
Расчет потерь напора в газоходе
Суммарные потери напора в газоходе
рассчитываются:
где
- потери напора на местное
сопротивление, Н/м2;
- потери напора на трение, Н/м2;
- потери геометрического напора ,
Н/м2.
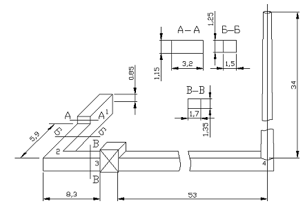
Размеры вертикальных каналов:
b1 =1,15 м;
l1 =0,85 м;
h1 =3,2 м.
Размеры горизонтальных каналов:
b2 =1,25 м;
l2 =5,9 м;
h2 =1,5 м.
Размеры центрального борова:
b3 =1,35 м;
l3 =8,3 м;
l4 =53 м;
h3 =1,7 м.
Потери напора в рекуператоре hрек=55 Н/м2.
Принимаем падение температуры в
горизонтальных участках 2 °С на 1 метр длины. В вертикальных участках - 20 °С
на 1 метр длины. Падение температуры в дымовой трубе 1°С на 1 метр длины.
Падение температуры в рекуператоре 400 °С.
Определяем объем дымовых газов,
м3/с:
Разбиваем дымовой тракт на участки
(рис.3).
Рис.3. Схема дымового тракта печи
Первый участок
Местные потери, Н/м2:
где
- сумма коэффициентов местных
сопротивлений (поворот на 900 и внезапное сужение);
w0 - скорость
движения газов по газоходу, м/с:
Температура газов в конце первого
участка, °С:
,
Определяем гидравлический диаметр
газохода, м:
Определяем критерий Рейнольдса для
данного участка:
,
где ν - кинематический
коэффициент вязкости дымовых газов при средней температуре газов м2/с.
Определяем коэффициент трения для
турбулентного режима течения газов:
Определяем потери напора на трение,
Н/м2:
- средняя температура газов по
длине газохода, °С:
.
Потери геометрического напора, Н/м2:
Второй участок
Местные потери, Н/м2:
где
- сумма коэффициентов местных
сопротивлений (поворот на 900 и внезапное расширение);
w0 - скорость
движения газов по газоходу, м/с:
Температура газов в конце второго
участка, °С:
,
Определяем гидравлический диаметр
газохода, м:
Определяем критерий Рейнольдса для
данного участка:
,
Определяем коэффициент трения для
турбулентного режима течения газов:
Определяем потери напора на трение,
Н/м2:
- средняя температура газов по
длине газохода, °С:
.
Третий участок
На данном участке нет местных
сопротивлений.
Определяем скорость движения газов
по газоходу, м/с:
Температура газов в конце третьего
участка, °С:
.
Определяем гидравлический диаметр
газохода, м:
Определяем критерий Рейнольдса для
данного участка:
,
Определяем коэффициент трения для
турбулентного режима течения газов:
Определяем потери напора на трение,
Н/м2:
- средняя температура газов по
длине газохода, °С:
.
Четвертый участок
Местные потери, Н/м2:
где
- сумма коэффициентов местных
сопротивлений (поворот на 900);
w0 - скорость
движения газов по газоходу, м/с:
Температура газов в конце четвертого
участка, с учетом установки рекуператора между третьим и четвертым участком,
°С:
,
Определяем гидравлический диаметр
газохода, м:
Определяем критерий Рейнольдса для
данного участка:
,
Определяем коэффициент трения для
турбулентного режима течения газов:
Определяем потери напора на трение,
Н/м2:
- средняя температура газов по
длине газохода, °С:
.
Определяем полные потери напора в
газоходе, Н/м2:
Расчет высоты дымовой трубы
Из условия, что площадь основания
дымовой трубы равна площади сечения четвертого участка газохода, а диаметр
устья дымовой трубы в 1,5 раза меньше диаметра её основания, получаем:
;
;
;
.
Тогда средний диаметр дымовой трубы,
м:
.
Определяем скорости движения газов
на входе и выходе трубы, м/с:
.
Средняя скорость движения газов,
м/с:
.
Предварительно принимаем высоту
трубы равной 33 м, тогда температура газов на выходе из дымовой трубы составит,
°С:
,
тогда средняя температура дымовых
газов, °С:
.
Определяем плотность дымовых газов
при средней температуре, кг/м3:
.
Определяем критерий Рейнольдса:
,
Определяем коэффициент трения для
турбулентного режима течения газов:
Высота дымовой трубы находится из
выражения:
Подставляем значения:
После вычислений получаем, что
высота дымовой трубы равна:
Н=33 м.
Список используемой литературы
1. Проектирование топливных
нагревательных печей: Метод. Указания по курсовому проектированию / Сост. О.Г.
Шишканов; КГТУ. Красноярск, 2007г.
2. Высокотемпературные
теплотехнологические процессы и установки: Учебное пособие / Под ред. В.А.
Кулагина. Красноярск: ИПЦ КГТУ, 2007 г.
. Мастрюков Б.С. Теория,
конструкция и расчеты металлургических печей. Т.2. Расчеты металлургических
печей. М.: металлургия, 2006 г.
. Миткалинный В.И., Кривандин
В.А. Металлургические печи: Атлас. М.: Металлургия, 2007 г.