Разработка телевизионного регистратора

  • Вид работы:
    Дипломная (ВКР)
  • Предмет:
    Информатика, ВТ, телекоммуникации
  • Язык:
    Русский
    ,
    Формат файла:
    MS Word
    509,70 kb
  • Опубликовано:
    2011-08-23
Вы можете узнать стоимость помощи в написании студенческой работы.
Помощь в написании работы, которую точно примут!

Разработка телевизионного регистратора

ВВЕДЕНИЕ

Целью данного дипломного проекта является разработка видеорегистратора с низким энергопотреблением. Стимулом для данной разработки послужило отсутствие отечественных аналогов, высокая стоимость и моральное устаревание зарубежных. Разрабатываемая система позволит вести видеозапись в автономном режиме около суток, записывая сжатое в MPEG видео на съемную флеш-память.

Проектируемый видеорегистратор предназначен для работы в местах, где применение отдельной связки камера-кодер не целесообразно, либо в местах удаленных от питающих сетей. В силу своих малых габаритов, устройство может размещаться в тех же местах, где можно разместить лишь одну обычную видеокамеру, но в тоже время не требует подвода проводов для питания или передачи видеоизображения на кодирующее устройство. Принцип «все в одном» позволяет резко снизить цену устройства по сравнению с классической схемой, если она используется для подключения лишь одной камеры.

В проекте проведен обзор современной элементной базы с пониженным энергопотреблением, разработаны технические требования, структурная, функциональная и принципиальная схемы регистратора, проведен расчет надежности и технико-экономический расчет.

1.       ЦИФРОВАЯ РЕГИСТРАЦИЯ ВИДЕОДАННЫХ

 

1.1     Современные системы видеонаблюдения


Системы телевизионного наблюдения предназначены для обеспечения безопасности на охраняемом объекте. Они позволяют одному или нескольким наблюдателям одновременно следить за одним или многими объектами, находящимися порой на значительном расстоянии как друг от друга, так и от места наблюдения. В настоящее время системы телевизионного наблюдения не являются экзотикой. Стоимость наиболее простых систем позволяет их использовать в качестве, например, дверного глазка. Наиболее простая система телевизионного наблюдения включает телевизионную камеру и монитор. Камера может быть подключена непосредственно к телевизору или монитору. При этом вы можете, например, наблюдать за своим ребенком, который играет в соседней комнате, автомобилем возле дома и т.д. [1].

Электронное наблюдение может применяться и для выполнения других функций. Например, посредством системы телевизионного наблюдения можно одновременно следить за состоянием нескольких больных в больничных палатах или за движением транспортных потоков на оживленных магистралях и в портах.

Существует целый ряд применений систем телевизионного наблюдения в научных исследованиях и в промышленности, например, для контроля за технологическими процессами и управления ими. При этом наблюдения могут производиться в условиях очень низкой освещенности и любой не приемлемой для нахождения людей среды, например в ядерном реакторе [2].

Успешно системы телевизионного наблюдения используются в магазинах, на автомобильных стоянках, в казино, банках и т.д.

Малокадровые системы для дома и офиса способствуют повышению безопасности и создают дополнительные удобства. Такие системы могут объединяться с сетью телевизионных программ в доме. При этом на экране телевизора можно наблюдать и изображения от телевизионных камер. Управление такой системой осуществляется от пульта дистанционного управления телевизора.

Для небольшого магазина или автозаправочной станции достаточно не более четырех - пяти камер. Используя монитор с встроенным коммутатором и удачно расположив камеры, можно обеспечить круглосуточное наблюдение за охраняемой территорией.

Камеры могут располагаться внутри помещения на поворотных устройствах. При этом в дневное время они могут использоваться для контроля в торговом зале, а вечером и ночью - для контроля охраняемой территории [3].

Система видеонаблюдения в качестве минимального набора оборудования, который позволяет данной системе успешно выполнять поставленные задачи, состоит из следующих блоков:

·        видеокамера;

·        устройства отображения видеоинформации (видеомониторы).

Наибольшее распространение получила следующая комплектация:

·        видеокамера;

·        устройства обработки видеосигналов (квадраторы, мультиплексоры);

·        устройства отображения видеоинформации.

Дополнительные управляющие и вспомогательные устройства - записывающие устройства (видеомагнитофоны, видеорегистраторы, видеорекордеры), усилители-распределители, модуляторы, телеметрические приемники, матричные коммутаторы, клавиатуры управления камерами видеонаблюдения, видеопринтеры, и передатчики и другие охранные устройства.

Основными признаками классификации видеокамер являются:

·        разрешающая способность - определяет минимальный размер доступного для наблюдения объекта;

·        чувствительность - определяет минимальную рабочую освещенность.

1.2     Разрешающая способность

Разрешающая способность измеряется в телевизионных линиях (ТВЛ) и характеризует, насколько мелкие детали можно различить с помощью телевизионной камеры. Абсолютное значение разрешающей способности связано с числом элементов с помощью следующего эмпирического соотношения - разрешающая способность в ТВЛ = 3/4 числа элементов.

По разрешающей способности можно выделить следующие виды камер:

·        Ч/Б камеры среднего разрешения (приблизительно от 510 до 560 элементов по горизонтали) имеют разрешение от 380 до 420 ТВЛ;

·        Ч/Б камеры повышенного разрешения (до 800 элементов по горизонтали) имеют разрешение до 600 ТВЛ;

·        цветные камеры среднего разрешения имеют разрешение от 280 до 330 ТВЛ;

·        цветные камеры повышенного разрешения имеют разрешение до 460 ТВЛ;

·        цифровые цветные камеры высокого разрешения (до 5 мегаипкселей).

1.3     Чувствительность


Минимальная освещенность характеризует уровень освещенности, при котором телевизионная камера дает «нормально воспринимаемое» изображение. Этот параметр измеряется в люксах. По чувствительности можно выделить следующие виды камер:

·        стандартные (0,1 лк);

·        высокочувствительные (0,05 лк);

·        сверхвысокочувствительные (0,001 лк).

Минимальная «рабочая» освещенность указывается в люксах (лк). При более низкой освещенности, чем указанная, камера не будет показывать изображение. В данном случае могут использоваться инфракрасные прожекторы для камер, позволяющие вести непрерывное круглосуточное наблюдение.

1.4     Объективы для камер видеонаблюдения

Объективы устанавливаются на видеокамеры с целью увеличения дальности ее работы, улучшения технических параметров и приспособления видеокамеры к конкретным условиям работы.

Основные параметры классификации объективов:

·        управление фокусным расстоянием;

·        управление диафрагмой.

1.5     Управление фокусным расстоянием


По управлению фокусным расстоянием видеокамеры подразделяются на следующие типы:

·        фиксированное расстояние;

·        вариообъективы;

·        вариообъективы с сервоуправлением (с трансфокатором).

Фокусное расстояние определяет угол обзора, получаемый камерой с объективом. Чем меньше фокусное расстояние, тем больше угол обзора. Соответственно, объективы с фиксированным фокусным расстоянием не могут менять это значение.

Варифокальные объективы (вариообъективы) - это объективы, фокусное расстояние которых можно корректировать вручную. Трансфокаторы или объективы с сервоуправляемым фокусным расстоянием позволяют изменять это значение в процессе наблюдения.

1.6     Управление диафрагмой


По управлению диафрагмой объективы подразделяются на следующие типы:

·        фиксированные;

·        ручное управление;

·        автоматическое управление (video drive);

·        автоматическое управление (direct drive).

Объективы с постоянной и ручной диафрагмой предназначены для применения в условиях незначительных изменений освещенности. Объективы с ручным управлением диафрагмой позволяют установить минимально возможную в данных условиях диафрагму и увеличить глубину резкости. Автоматическое управление диафрагмой осуществляется либо непосредственно объективом ("Video Drive"), либо камерой ("Direct Drive") в зависимости от освещенности.

1.7     Устройства обработки видеосигналов


Устройства обработки видеосигналов (мультиплексоры, квадраторы) - это приборы, обрабатывающие видеоизображения, получаемые от нескольких камер видеонаблюдения, и передающие их в заданном формате на мониторы видеонаблюдения. Квадраторы - это устройства системы видеонаблюдения, позволяющие одновременно выводить на видеомониторы изображения, передаваемые с 2, 3 или 4 видеокамер. Мультиплексоры позволяют одновременно выводить на мониторе видеонаблюдения изображения с 4 до 32 видеокамер (симплексный мультиплексор), при этом выполнять последовательную запись этих изображений на видеомагнитофон или встроенный видеорегистратор (дуплексные мультиплексоры), а также просматривать на мониторе системы видеонаблюдения, одновременно с “живым” видео, ранее записанные видеофрагменты (триплексные мультиплексоры).

1.8     Устройства записи видеоинформации


Устройства записи видеоинформации (видеомагнитофоны, видеорегистраторы, видео рекордеры) предназначены для записи, хранения и последующего воспроизведения изображений, поступающих как от камер, так и от мультиплексора системы видеонаблюдения.

1.9     Матричные коммутаторы


Матричные коммутаторы системы видеонаблюдения представляют собой электронные переключатели, которые могут подключать свой любой вход к любому своему выходу, сохраняя при этом режим согласования нагрузки. В системе видеонаблюдения такие коммутаторы подключают разные камеры видеонаблюдения на видеомониторы, видео рекордеры или мультиплексоры. Как правило, матричные коммутаторы применяются в крупных системах видеонаблюдения с числом видеокамер более 32-х.

1.10   Видеопринтеры


Видеопринтеры включают в состав системы видеонаблюдения, когда существует необходимость печати на бумаге фрагментов тревожных ситуаций, поступающих с камер видеонаблюдения. Обычно видеопринтеры использую компании розничной торговли, банки и др. организации, предоставляющие услуги населению. Твердые копии фотографий, зарегистрировавших правонарушение, можно передавать в органы внутренних дел, в качестве вещественного доказательства [4].

Стремительный переход от аналоговых систем видеонаблюдения к цифровым диктует изменение архитектуры построения систем безопасности. На смену системам, где аналоговый сигнал от всех камер поступал на единый цифровой сервер, приходят распределенные, децентрализованные системы. В этих системах в непосредственной близости от видеокамер устанавливается видеорегистратор обеспечивающий оцифровывание, хранение видеоинформации и передачу ее в цифровом виде по локальной сети.

Цифровые системы очень гибкие, и спроектированы таким образом, что могут функционировать как сами по себе, так и в составе других сложных охранных комплексов, являясь лишь составной частью всей охранной системы, датчики которой расположены по всему объекту и помимо видеонаблюдения - ведут постоянный сбор и анализ информации, поступающий от самых разных датчиков (включая удаленные) - включая пожарную сигнализацию, сирену, либо охранную сигнализацию. Подобные охранные системы способны автономно, без участия человека реагировать на различные события и происшествия, в зависимости от настроек, запрограммированных в них. Цифровые системы видеонаблюдения используются в охранных комплексах, разветвленных на большой территории. Такие системы могут охватывать не одно, а целый ряд зданий, отдельные датчики и сенсоры могут находиться за пределами охраняемой территории, чтобы передавать ситуацию «со стороны».

Благодаря этому практически все современные системы видеонаблюдения цифровые и делятся всего на два больших типа:

·        аналого-цифровые системы - систем с использованием аналоговых камер и цифровой видеозаписи;

·        системы IP-видеонаблюдения - сетевые камеры, IP-инфраструктура, сервер, программное обеспечение и устройства хранения данных.

На крупных объектах число камер может составлять несколько десятков. И разница в затратах на видеонаблюдения для разных типов может достигать тысяч долларов. Так какой тип предпочтителен?

Для того чтобы ответить на этот вопрос надо установить набор вспомогательных компонентов затрат на приобретение и установку. Разделение компонентов затрат на группы было проверено таким, как показано на рисунке ниже.

Рисунок 1 –         Затраты на приобретение и установку оборудования

Итоговые предложения позволили получить интересные сведения. В показатели стоимости, содержащиеся в этих предложениях, входили затраты на покупку и установку оборудования. На основании усредненных показателей из этих предложений были получены следующие данные:

·        совокупная стоимость владения IP-системой на 3,4 % ниже, чем у других систем;

·        совокупная стоимость владения самой дешевой IP-системой на 25,4 % ниже, чем у самой дешевой аналоговой/АЦВ системы;

·        самая дорогая IP-система стоит на 11,5 % дороже, чем самая дорогая аналоговая/АЦВ система.

Эти результаты отражены на приведенной ниже диаграмме.

Рисунок 2 –         Конечная стоимость системы

Стоимость IP-системы, состоящей из 40 камер, немного ниже. Кроме того, больше разброс показателей ценовых предложений по таким системам. Следует отметить гибкость систем, основанных на IP-технологиях, о которой свидетельствует широкий диапазон показателей ценовых предложений. Эта гибкость достигается использованием IP-технологий и возможностей PoE, различных типов кабелей, а также сетевых и серверных платформ. Аналоговые системы обладают более низкой гибкостью, поэтому большинство предложений находится примерно в одном ценовом диапазоне

Стоимость системы - величина, зависящая от количества каналов. Для систем, основанных на IP-технологиях, справедливо следующее правило: чем крупнее система, тем она экономически выгоднее аналоговой.

Рисунок 3 –         Зависимость разницы в стоимости аналоговой и IP-системой от количества камер

Расчеты показывают, что при количестве камер свыше 32 IP-система более выгодна, а при количестве камер от 16 до 32 стоимость систем примерно равна. При расчетах учитывалось полное отсутствие существующей инфраструктуры. Сегодня во многих зданиях уже существует IP-инфраструктура, в которую можно интегрировать систему видеонаблюдения. Поэтому в следующем расчете не учитывалась стоимость кабелей и их подключения. При наличии существующей IP-инфраструктуры стоимость системы на основе IP-технологий всегда ниже, чем стоимость аналоговой.

Сведения, не поддающиеся количественному определению.

·        IP-системы обладают более высокой масштабируемостью. Они обладают возможностью добавления новых камер в любое время, а также гибкостью (благодаря технологии PoE требуется перенос только сетевой точки, а не самой камеры);

·        качество изображения у сетевых камер выше, чем у аналоговых.

·        камеры с мегапиксельным разрешением получают все более широкое распространение. Такой возможностью обладают только сетевые камеры;

·        во многих случаях для установки систем сетевого видеонаблюдения можно использовать уже существующую IP-инфраструктуру;

·        неполадки, возникающие при использовании аналоговых коаксиальных кабелей, устранить гораздо сложнее, чем неполадки, которые возникают при использовании IP-систем;

·        как правило, проектирование IP-системы не требует дополнительных расходов;

·        IP-систему можно обслуживать удаленно, то есть настраивать и диагностировать по сети;

·        серверы ведущих производителей, используемые в IP-системах, чаще всего поставляются с более выгодными гарантийными условиями и возможностями обслуживания по сравнению с системами АЦВ;

·        стоимость ИТ-оборудования падает быстрее, чем стоимость аналогового [5].

Из всего этого следует, что современные системы видеонаблюдения проходят пусть от чисто аналоговых к IP-видеонаблюдению, через промежуточную ступень аналоговых камер с цифровыми регистраторами.

1.11   Аппаратно-программная база систем видеонаблюдения


В наши дни системы цифровой видеорегистрации могут обеспечить конечных пользователей систем безопасности более быстрым и надежным поиском в архивах. Видеорегистраторы перемещаются из постов охраны в мобильное окружение, позволяя пользователям осуществлять запись непосредственно на объекте, воспроизводить ее по требованию и сохранять для использования в будущем.

За последние пять лет цифровые видеорегистраторы совершили поистине гигантские шаги навстречу конечному пользователю. Как говорит Билл Дурно, менеджер по продажам продукции компании Honeywell, на североамериканском рынке цифровых видеорегистраторов заметен рост по следующим направлениям:

·        интенсивное использование сети Интернет для доступа к системе видеонаблюдения;

·        совершенствование технологий сжатия видеопотоков привело почти что к удвоению длительности хранимого видеоматериала на гигабайт памяти при аналогичном качестве изображения;

·        все в большей степени используется синхронный с изображением звук;

·        все меньше разрыв в функциональном наборе аппаратных видеорегистраторов и решений на базе персональных компьютеров;

·        все выше частота кадров - это открывает новые области применения;

·        появились гибридные цифровые видеорегистраторы, в которых предусмотрено подключение как аналоговых, так и цифровых камер;

·        решения стали значительно проще в использовании -- к примеру, файлы видеофрагментов стали снабжать встроенными средствами просмотра, исключая таким образом необходимость в установке специального программного обеспечения, предназначенного для просмотра видеоматериалов на персональном компьютере. Это значительно облегчает передачу видеосвидетельских материалов властям [6].

"Технология производства цифровых видеорегистраторов уже пережила не одну смену поколений - от первых аппаратных устройств с уникальными алгоритмами компрессии индустрия перешла к третьему и даже четвертому поколениям цифровых видеорегистраторов, стандартизованных на уровне применяемых в них алгоритмов компрессии MPEG-4 или даже H.264," - добавляет Стив Лэнгфорд (Steve Langford), директор по управлению продуктами компании March Networks. - "Эти видеорегистраторы являются полноценными сетевыми устройствами и могут внедряться в качестве отдельных платформ для построения систем видеонаблюдения, включающих также кодеры, сетевые средства хранения данных, IP-камеры и сложное программное обеспечение по управлению системой и ее отдельными приложениями." [7].

После того как была решена проблема унификации алгоритмов сжатия данных, следующей крупной инновацией стало обеспечение возможности удаленного просмотра видеоматериалов с передачей данных по компьютерным. Такая возможность удаленного доступа легла в основу многих и многих охранных систем. Она позволила охранникам просматривать и сортировать видеоматериалы в удаленном режиме и предоставлять права просмотра прочим организациям. видеонаблюдение использует частные сети и сети коллективного пользования для осуществления доступа к видеоинформации в реальном времени из любого места, где имеется доступ к сети. Сетевой видеорегистратор (network video recorder, NVR) обладает всеми свойствами обычного цифрового видеорегистратора, включая синхронную запись видео и звука, высокую скорость поиска нужных видеофрагментов в архиве, шифрование всех цифровых данных, возможность удаленного просмотра посредством мобильного телефона либо карманного компьютера, управление системой с помощью интерактивной карты либо списка камер, а также автоматизированное оповещение операторов с помощью всплывающих окон и звуковых сигналов. Они также осуществляют сложнейшие коммутационные функции, представляя собой, однако, по большей части чисто программные решения; работа в сети дает этим устройствам высокую степень защищенности от сбоев, а новые камеры к таким системам добавляются всего лишь путем получения соответствующей лицензии на ПО.

Подняв индустрию безопасности на высоты, соответствующие возможностям новой технологии, изготовители и поставщики цифровых видеорегистраторов обрратили свои взоры к рынку мобильных решений. Такие компании, как RAE Systems и ICOP digital, производят системы мобильной видеорегистрации, применяемые в основном в практике правоохранительных структур - однако применениями мобильной видеозаписи могут стать и системы, устанавливаемые в школьных автобусах, и поездах пригородного сообщения, а также в полицейских патрульных автомобилях [8].

"Мы приобрели сто единиц оборудования - это первый в практике нашего управления эксперимент с размещением средств видеонаблюдения в патрульных машинах," - говорит лейтенант Джон Барбер из полицейского управления города Мобайл, шт. Алабама, - одного из клиентов компании ICOP. - "В результате мы немедленно получили в свое распоряжение высокотехнологичное решение мобильного цифрового видеонаблюдения."

Система, внедренная в Мобайле в январе этого года, состояла из одного видеорегистратора и двух камер на каждый оборудованный полицейский автомобиль. По словам Барбера, иметь всегда под рукой средства видеозаписи крайне необходимо для обеспечения свидетельских показаний. "Весьма нередки случаи, когда граждане, скажем, обращаются с претензиями на якобы примененную полицейскими силу," - говорит Барбер. - "С того момента как мы начали использовать мобильное видеонаблюдение, мы располагаем исчерпывающим набором доказательств того, как все происходит на деле - и это помогает оградить офицеров полиции от всякого рода инсинуаций в их адрес."

Барбер считает, что мобильные системы цифровой видеорегистрации необходимы и для обеспечения безопасности самих сотрудников полиции. Видеоинформация в этих системах хранится в течение не менее 90 суток; если офицер производит видеозапись ареста либо спорной ситуации, вызвавшей жалобу, он помечает данный фрагмент и переносит его на сервер архивирования. Видеозапись для сохранности также переносится и на цифровой диск DVD [9].

Транспортное управление калифорнийского округа Орэндж (Orange County Transportation Authority, OCTA) развернуло мобильную систему видеонаблюдения для охраны пассажиров и персонала подведомственной ему системы общественного транспорта. Когда было принято решение об установке мобильной системы видеонаблюдения на автобусный парк OCTA, заказчик выбрал решение "под ключ" от компании March Networks. Бортовые видеорегистраторы были снабжены средствами хранения данных, обеспечивающими запись более чем 150 часов материала, предоставив тем самым транспортному управлению достаточный резерв времени, чтобы перекачивать данные о происшествиях на длительное хранение на стационарный сервер.

Мобильный цифровой видеорегистратор модели DV6010 компании RAE Systems является отдельным устройством, работающим независимо от персонального компьютера. Он осуществляет видеорегистрацию в формате MPEG2 и воспроизведение видеоматериалов при полной частоте кадров. Среди прочих особенностей - тройная работа с видеоматериалами (запись с частотой 30 кадров в секунду, воспроизведение и просмотр живого видео), установка цифровых водяных знаков, несколько режимов записи, а также постоянно работающие процедуры поиска, резервного копирования и просмотра.

Компания Honeywell недавно представила свою серию высокоскоростных 9- и 16-канальных цифровых видеорегистраторов, имеющих частоту кадров 140/120 (в системах NTSC/PAL соответственно). Встроенная в приборы от Honeywell технология сжатия изображений XtraStor способна сохранять большие объемы данных с большим количеством деталей на весьма небольшом дисковом пространстве. Серия устройств HRXD предоставляет своим пользователям возможности настройки записи через интервал времени, ввода текста и иных параметров видеорегистрации. Приборы снабжены средствами подключения к локальным сетям и соединениям DSL, что позволяет пользователям использовать систему и управлять ею, находясь на удалении.

Компания Dedicated Micros представила цифровые видеорегистраторы Hybrid Digital Sprite 2(рисунок 4) и IP DV Server (рисунок 5). Гибридные устройства поддерживают как IP-, так и аналоговые камеры. Устройства улучшенной конструкции предлагают тот же набор возможностей, что и сетевые видеорегистраторы, но поддерживают и работу аналоговых камер. Приборы Digital Sprite 2 и DV-IP Server полностью совместимы с продукцией современных производителей IP-камер, включая такие компании как AXIS и JVC.

Рисунок 4 –         Видеорегистратор Hybrid Digital Sprite 2

Рисунок 5 –         Видеорегистратор IP DV Server

Сетевой видеорегистратор i-Pro WJ-ND300A (рисунок 6) от компании Panasonic предназначен для объектов среднего и малого масштаба. Обладая многими чертами своих предшественников, этот прибор, однако, более производителен при работе в сети за счет увеличения тактовой частоты встроенного процессора до одного гигагерца - это привело к расширению полосы пропускания на 30%, возможности осуществления записи с 32-камер одновременно в формате MPEG-4 либо с 16-ти камер при частоте 10 кадров в секунду в формате MJPEG. Модель "A" также поддерживает сохранение до 256-ти пользовательских пресетов и автоматический режим работы камер [10].

Рисунок 6 –         i-Pro WJ-ND300A

Серия устройств Verint S18ХХe, включающая модели S1808e и S1816e (рисунок 7), позволяет получить видеоданные в вы­соком разрешении как для записи в архив, так и для просмотра в реальном времени. Оба устройства поддерживают форматы сжатия H.264 и MPEG-4, с разрешением до 4CIF при 25 к/с одновременно по всем 8 или 16 видеовходам. Поддержка формата H.264 позволяет обеспечить отличное качество изоб­ражения при снижении на 50% требований к пропускной способности сети и объему архива по сравнению с MJPEG. Кодеры могут одновременно сжимать видео с разной частотой кадров и разрешением. Устройство S1808e име­ет 8 видеовходов, S1816e - 16. Оба они имеют аппаратный детектор движения, что позволяет передавать в сеть только те данные, которые нужны, что существенно улучшает производительность системы.

Рисунок 7 –         Verint 1816e

1.12  
Специальные задачи видеонаблюдения

Развитие микроэлектроники минимизировало и удешевляло видеокамеры. Удешевление позволяло расширить круг их применения и в современном мире видеокамеры можно встретить практически повсеместно: на улице, в машине, в сотовом телефоне, в аудиоплеере. Камеру стало возможно разместить даже в авторучке. И что еще пару десятков лет казалось невозможным и встречалось лишь в фантастических фильмах теперь доступно любому обывателю за сто долларов.

Например видеокамера в автомобиле. Из-за повышения штрафов все больше возрастает актуальность использования камер транспортном средстве, ведь все меньше и меньше водителей соглашаются оплачивать штрафы за ложные нарушения. Автомобильные камеры, способные непрерывно записывать ситуацию на дороге, помогут доказать вам свою невиновность при дорожно-транспортном происшествии (ДТП) или другой дорожной ситуации.

Наличие камеры в машине на стекле или приборной панели помогут пресечь попытку обвинить вас в нарушении правил дорожного движения. Обзорная камера для автомобиля - это необходимая вещь, которую лучше иметь в своем авто, тем более что ее цена намного ниже той, что вам придется заплатить в случае ошибочного толкования ДТП.

Автомобильные видеокамеры способны непрерывно записывать абсолютно все, что попадает в их объектив. Эти портативные устройства можно крепить на приборной панели, на переднем или заднем стекле. По причине компактности, Автомобильная камера не создает помех для обзора дороги и никаким образом не мешает вашему управлению автомобилем. Существует великое огромное количество вариантов исполнения этого портативного устройства.

При использовании камеры для автомобиля вы сможете с легкостью доказать инспектору ГИБДД, что он неверно пытается оштрафовать вас за езду на красный свет. Автомобильная камера четко продемонстрирует, что на светофоре был мигающий желтый, когда вы совершали маневр на своем авто. Плюс ко всему камера окажется весьма верным другом, когда с вами ведут себя весьма нагло и превышают свои полномочия сотрудники, что, к сожалению, встречается довольно часто [11].

Пример автомобильной камеры приведен на рисунке 8 и рисунке 9.

регистратор энергопотребление прибор схема

Рисунок 8 –         Автомобильная видеокамера DV-001

Рисунок 9 –         Автомобильная видеокамера Video-Spline [12]

Но у этих устройств есть большой недостаток - все они проводные и должны постоянно подключены к сети. Конечно, это не проблема, если использовать их только в автомобиле, а если нужно записать что-либо вдали от электросети или сделать это скрытно?

На рынке представлены скрытые видеокамеры, размещенные в вещах обихода, например в ручке. Оперативная видео/аудио запись, лекций, интервью, и прочее одним нажатием кнопки и копирование аудио и видео данных на компьютер. Портативный носимый видеорегистратор в виде шариковой авторучки записывает синхронно видео и звук в цифровом виде в реальном времени на внутреннюю встроенную флеш-память.

Устройство мобильной аудио и видео записи на вид обыкновенная авторучка (рисунок 10) как множество подобных пишущих принадлежностей, обладает отличным дизайном и разборной конструкцией, позволяющая вставлять USB-разъем флеш-видеонакопителя непосредственно в разъем ПК без использования кабеля, диаметр шариковой ручки в самой толстой части - 1.4 см и длинна - 14.5 см. Крепится видео ручка на одежде с помощью клипсы.

В верхней части устройства, чуть выше клипсы для крепления ручки к карману, расположено окошко скрытой микрокамеры которая снимает видеоролики и хранит их в памяти. Диаметр объектива цифровой камеры-ручки равен одному миллиметру. Здесь же размещён качественный и чувствительный микрофон. Внутри ручки находится флэш память 4GB, микро камера, микрофон, аккумулятор, встроенный минирекордер звука и видео.

Включение записи производится простым нажатием на кнопку сверху авторучки. Доступ к порту USB можно получить разобрав ручку. При этом камера определяется, как обычный USB flash-накопитель и не требует драйверов. Видеокамера в ручке, характеризуется достаточным быстродействием с операцией захвата цветного видеоизображения, сжатия и записи с минимальной задержкой.

Питание осуществляется от встроенного аккумулятора. Имеется индикация режимов работы цифровой ручки, а также орган управления режимами устройства. В комплекте идет пакет кодеков для воспроизведения.

Для переброски и просмотра записанных видеоданных подходит любой компьютер или ноутбук со свободным портом USB.
Компактные размеры и вес системы позволяют с лёгкостью перемещать ее с места на место, а запись включается нажатием лишь одной кнопки начала/выключения записи, делают процесс работы комфортным и простым в мобильном, носимом варианте. Когда возможности записи не востребованы, владелец сможет использовать устройство и по прямому назначению как обычную шариковую ручку.

Рисунок 10 –       Spy Pen [13]

К сожалению, время работы такой ручки в режиме записи очень не велико.

1.13   Постановка цели и задач проекта


Как видно из обзора на современном рынке наблюдается необходимость в присутствии не дорогого, мобильного, быстроразворачиваемого средства видеонаблюдения с питанием от аккумулятора, низким энергопотреблением и записью на карту памяти.

Для разработки малопотребялющего телевизионного регистратора необходимо разработать технические требования к камере, структурную схему, функциональную схему, выбрать элементную базу, разработать электрическу принципиальную схему, конструкторский чертеж, провести технико-экономическое обоснование и мероприятия по обеспечению жизнедеятельности.

2        РАЗРАБОТКА ТЕХНИЧЕСКИХ ТРЕБОВАНИЙ К КАМЕРЕ

 

На основании цели проекта и технического задания сформулируем основные технические требования к разрабатываемому устройству.

Основные характеристики видеорегистратора:

·        разрешающая способность ФЭП не менее: 640х480;

·        частота кадров не менее: 15 Гц;

·        время автономной работы не менее: 12 часов;

·        формат сжатия видео: MPEG-4;

·        скорость сжатого видеопотока не более: 3 Мбайт/с;

·        объем памяти не менее: 16 Гбайт;

·        габаритные размеры - 80х90х150 мм.

Телевизионный видеорегистратор должен быть рассчитан на следующие условия эксплуатации:

·        температура окружающей среды 0...+45°С;

·        атмосферное давление 760±30 мм рт. ст.;

·        относительная влажность воздуха не более 80%.

3        РАЗРАБОТКА СТРУКТУРНОЙ СХЕМЫ


Видеорегистратор должен содержать фотоэлектрический преобразователь на основе КМОП-сенсора (матрица на комплементарных транзисторах металл-оксид-полупроводник) для преобразования оптического изображения в электрический сигнал, аналого-цифровой преобразователь для преобразования электрического сигнала в цифровую последовательность, кодирующие устройство для сжатия видео с потерями, блок питания для формирования необходимых напряжений и аккумулятор для блока питания.

Структурная схема камеры представлена на рисунке 11.

Оптическое изображение, которое представляет собой двумерное распределение освещенности, через объектив (ОБ), поступает на вход фотоэлектрического преобразователя (ФЭП), который преобразует его в электрический видеосигнал.

Видеосигнал непосредственно на кристалле КМОП-сенсора встроенным аналого-цифровым преобразователем (АЦП) преобразуется в цифровую параллельную битовую последовательность и поступает на кодирующие устройство (КУ).

Кодирующие устройство сжимает видеоданные с потерями в формат MPEG-4 после чего он сохраняется на флеш-память (ФП).

Блок питания формирует напряжения, необходимые для работы телевизионной камеры. Сам блок питания питается от аккумулятора (АК) постоянного тока 3,7 В.

Рисунок 11 –       Структурная схема устройства

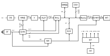
4        разработка функциональной схемы

 

Входной оптический сигнал через объектив поступает на вход матрицы фотодиодов (МФД). В МФД происходит накопление и считывание зарядовых пакетов. Так как в проекте в качестве фотоприемника используется КМОП-сенсор, накопление происходит независимо в каждом пикселе. Время накопления и считывания определяется сигналами, которые вырабатывает блок управления матрицей (БУМ) из тактовых импульсов управления (RS, RST, CAS). Также он определяет тактовые импульсы (CLK1, HD, VD) для работы входных цепей кодирующего устройства (ВхЦ).

Тактовые сигналы вырабатываются, получая от задающего генератора (ЗГ) тактовую частоту CLK равную 27 МГц и идут на БУМ и через делитель (Д) на микроконтроллер (МК)

Затем полученный аналоговый видеосигнал (АВС) поступает на усилитель (У) и АЦП, который представляет собой дискретизирующее, квантующее и кодирующее устройство. На вход квантующего устройства поступает преобразуемый сигнал, а с выхода кодирующего устройства снимается последовательность в цифровом формате видео YUV (D0-D7). С выхода АЦП цифровой сигнал поступает на ВхЦ. В самом кодере имеется блок формирования векторов движения(БФВД), подключенный к внутренней шине по шине данных(ШД). К этой же шине подключается внешняя оперативное запоминающие устройство (ОЗУ) через шину данных (ШД), шину адресов (ША) и шину управления (ШУ). Управление кодером осуществляет блок управление кодером (БУК) через ШУ. Сжатый с потерями сигнал на выходных цепях (ВыхЦ) имеет 8-битувую последовательность (MPEG4), которая поступает на блок управления флеш-памятью(БУФП). БУФП записывает данные на флеш-память файлами по 100 мегабайт шиной sd-карты (SD)

МК задет режимы работы для блоков управления и управляет матрицей по шине I2C.

Так как для работы ряда устройств необходимы питающие напряжения, +3.3 В, +2.5 В, +1.8 В, +1.5 В, +1.2В, следует предусмотреть вторичный блок питания, который бы вырабатывал эти напряжения из входного +3,7 В

Рисунок 12 –       Функциональная схема устройства

5        ВЫБОР И ОБОСНОВАНИЕ ЭЛЕМЕНТНОЙ БАЗЫ

5.1     Определение состава регистратора

При выборе элементной базы следует учитывать следующие критерии:

·        высокие эксплуатационные характеристики;

·        низкая потребляемая мощность;

·        высокая надежность;

·        малые габариты.

Исходя из соображений минимизации энергопотребления, целесообразно использовать для построения видеорегистратора ФЭП в виде КМОП-сенсора, так как матрица такого типа существенно дешевле и менее энергопотребляющие, чем матрицы других типов, также целесообразно использовать компоненты с высокой степенью интеграции для минимизации количества корпусов микросхем.

5.2     Выбор микросхемы КМОП сенсора

В таблице 1 представлены некоторые микросхемы КМОП матриц и их характеристики. Рассмотрены следующие микросхемы: Omni Vision OV9121, Omni Vision OV7141, Omni Vision OV7430 [14], Agilent ADCS-2120 [15], и IC MEDIA ICM2005B [16].

Таблица 1 –         Сравнительные характеристики некоторых КМОП сенсоров   

Параметр

Omni Vision OV9121

Omni Vision OV7141

Omni Vision OV7430

Agilent ADCS-2120

IC MEDIA ICM2005B

Разрешающая способность

1280´1024, 640´480

640´480

510´492

640´480

640´480

Частота кадра

15,30

30

25

15

1…30

Развертка

Прогрессивная

Прогрессивная

Чересстрочная

Прогрессивная

Прогрессивная

Выходной сигнал

Цифровой 10 бит

Цифровой 8 бит

Аналоговый

Цифровой 8 бит

Цифровой 8 бит

Сигнал/шум, дБ

54

46

46

66

45

Параметр

Omni Vision OV9121

Omni Vision OV7141

Omni Vision OV7430

Agilent ADCS-2120

IC MEDIA ICM2005B

Динамический диапазон, дБ

60

62

70

65

70

Напряжение питания, В

2,5 ядро 3,3 аналог., в/в

2,5

5

3,3

3,3

Размер окна, мм

6,66х5,32

3,6х2,7

4.0х3.08

5,2х3,1

3,84x2,88

Потребляемая мощность мВт

<120

<80

<75

<90

<75


Как видно из таблицы, наиболее подходящим по ряду характеристик, главной из которых является потребляемая мощность, с учетом требований изложенных в пункте 2, сенсором является.ICM2005B. Также он имеет встроенный 9-бит АЦП, что позволяет избавиться от установки еще одной микросхемы.

5.3     КМОП сенсор IC MEDIA ICM2005B


Микросхема ICM2005B обладает следующими характеристиками:

·        число активных пикселей: 640x480;

·        число физических пикселей: 658x490;

·        частота кадров: от 30 до 1 Гц;

·        размер пикселя: 6.0 мкм x 6.0 мкм;

·        размер сенсора: 3.84 мм x 2.88 мм (для 1/4” линз);

·        частота: от 3 до 24 МГц;

·        время экспозиции: 64 мкс (30 кадров в секунду, 1 линия 24 МГц) ~ 125 с (1 кадр в секунду, 65535 линий, 24 МГц), с шагом: 64 мкс;

·        цифровое усиление: 1x - 64x для 2N для всех пикселей;

·        RGB усиление: от 1/256 до 8 с шагом 1/256;

·        сигнал/Шум: 45 дБ;

·        питание: 3.3В +/- 0.15В;

·        мощность: <75мВт.

Микросхема ICM2005B имеет следующие дополнительные функции:

·        встроенный 9-бит АЦП;

·        встроенная цифровая обработка сигналов;

·        цветовая интерполяция в реальном времени;

·        программируемый/автоматический контроль экспозиции;

·        программируемый/автоматический баланс белого;

·        программируемая гамма коррекция;

·        программируемая коррекция яркости;

·        программируемая коррекция насыщенности;

·        программируемая коррекция контраста

·        программируемый анти-фликкер;

·        программируемый медиа фильтр;

·        прогрессивная развертка;

·        видео и кадровый режим;

·        выходной формат: 8/16-bit YCbCr, 24-bit RGB, 16-bit RGB, 8-bit raw data;

·        выходной режим: VGA и Sub-sampling QVGA/QQVGA;

·        интерфейс ввода-вывода: SIF;

·        режим энергосбережения;

·        автоматическая компенсация оптического черного;

·        отзеркаливание горизонтальное и вертикальное;

·        одиночное питание, 3.3V +/- 0.15V.

Применение микросхемы:

·        цифровые фотокамеры;

·        камеры для ПК;

·        приложения видеоконференций;

·        машинное зрение;

·        камеры систем безопасности;

·        биометрия;

·        КПК;

·        игрушки;

·        видеофоны;

·        системы анализа изображений.

Микросхемы ICM2005B представлена на рисунке 13, а условные обозначения в таблице 2.

Рисунок 13 –       Микросхема ICM2005B

Таблица 2 –         Описание пинов матрицы

 

Номер пина

Название

Класс*

Описание функции

 

13

Xin

A, I

Вход кристалла

 

14

Xout

A, O

Выход кристалла

 

2

PCLK

D, O

Выход частоты пикселей

 

21

TEST

D, I, N

Входой тестовый пин

 

22

SYNCMODE

D, I, N

Режим синхронизации

 

23

PWRDOWN

D, I,U

Режим энергосбережения

Номер пина

Название

Класс*

Описание функции

25

Enable

D, I, U

Вывод данных

24

I2CA

D, I, N

LSB шины адреса

20

MSSEL

D, I, U

Выбор шины

26

SCLOCK

D, I/O

Частота шины

27

SDATA

D, I/O

Шина данных

16

GNDS

P

Земля

18

RSET

A, I

Резистор на землю

RSTN

D, I, U

Сброс

45,46,47,48,1,3,4,9

DOUT[7:0] (msb:lsb)

D, O

Вывод данных сенсора

28,30,34,35,36,37,38,39

DOUT[15:8] (msb:lsb)

D, I/O

Вывод данных сенсора

41

HSYNC

D, I/O

Горизонтальная синхронизация

42

VSYNC

D, I/O

Вертикальная синхронизация

40

BLANK

D, O

Смесь гасящих импульсов

15

RAMP

A, O

Рамп.

11,33

VDDA

P

Аналоговое питание

12,32

GNDA

P

Аналоговая земля

6,19,43

VDDD, VDDK

P

Цифровое питание

5,17,44

GNDD GNDK

P

Цифровая земля

7,31

VDDO

P

Питание

8,29

GNDO

P

Земля


Расшифровка класса:

A - аналоговый сигнал, D - цифровой сигнал, I - вход, O - выход, P - питание или «земля»,U - подтяжка к питанию, N - подтяжка к «земле»

5.4     Выбор управляющего контроллера


Для реализации функции управления работой видеорегистратора возможны два варианта построения управляющего ядра устройства:

·        организация управления при помощи микропроцессора;

·        создание автоматических цифровых схем управления на основе микросхем программируемой логики.

Казалось бы, что использование первого способа более предпочтительно, так как построение цифрового автомата на логических элементах и триггерах не только трудоемкая операция, но также реализуемая большим числом аппаратных компонент. Однако, на рынке микроэлектроники существуют микросхемы программируемой логики, состоящие из набора элементарных ячеек памяти - триггеров, а также, логических связей между ними. Предварительно спроектировав логическую схему в программной оболочке специального языка программирования, в дальнейшем, при помощи устройства-программатора, можно задать режим функционирования ПЛИС в соответствие с созданной программой. Учитывая тот факт, что для работы микропроцессора необходимо наличие оперативной и постоянной памяти, что влечёт за собой не только расширение аппаратной архитектуры устройства, но и его существенное удорожание (кристалл ПЛИС сопоставим по цене с процессором), использование второго способа более приемлемо.

На рынке существует несколько фирм-производителей ПЛИС, но наиболее популярными являются Altera и Xilinx. В нашем случае была выбрана фирма Xilinx, они обладают более низким энергопотреблением и очень низкой стоимостью. Семейство Spartan-3E как раз отличается низкой стоимостью, и пониженным энергопотреблением. Была выбрана младшая модель этого семейства, так как количество программируемых ячеек 100 тысяч более чем достаточно для реализации всех требуемых функций.

5.5     Выбор кодирующего устройства

Подавляющие большинство современных кодирующих устройств сжимают видео с потерям в формат MPEG. Обычно это: MPEG2, MPEG4 и MPEG4-10 он же H.264. Кодирующее устройство должно отвечать следующим параметрам:

·        малые размеры;

·        высокая надежность;

·        низкое энергопотребление;

·        совместимость с матрицей.

Обязательным является совместимость с матрицей, а очень важным - низкое энергопотребление. Кодеры на основе ARM-архитектуры сразу отпадают, так как хоть и имеют лучшие показатели по качеству сжатия, настройки и прочее, но также обладают колоссальным энергопотреблением.

Для выбора подходящего кодера приведем сравнение микросхем: OKI Semiconductor ML86410 [17], NEC μPD61151 [18] и PHILIPS SAA6752HS [19] в таблице 3

Таблица 3 –         Сравнительные характеристики некоторых кодеров

Параметр

ML86410

μPD61151

SAA6752HS

Формат сжатия

MPEG-4 Simple Profile@Level 3 MPEG-4 Advanced Simple Profile@Level 5

MPEG2 video MP@ML, SP@ML standard , MPEG1 standard Video encoding

MPEG2, MPEG1 standard Video encoding

Размер кадра, пикселей

720х480(NTSC), 720х576(PAL) 640x480(VGA)

720х480(NTSC), 720х576(PAL)

720х480(NTSC), 720х576(PAL)

Частота кадров, Гц

До 30

До 30

До 30

Тип кодирования

IIII, IPPP

IIII, IPPP

IIII, IPPP, IBBP

Модель кодирования

CBR, VBR

CBR, VBR

CBR, VBR

Видео интерфейс

8 bits Y/Cb/Cr 4:2:2+ sync, 27 MHz

8 bits Y/Cb/Cr 4:2:2(ITU-R BT.656) 8 bits Y/Cb/Cr 4:2:0

8 bits Y/Cb/Cr 4:2:2(ITU-R BT.656) 8 bits Y/Cb/Cr 4:2:0

Потребляемая мощность, мВт

320

350

800


Как видно из таблицы наиболее подходящим кодером является OKI Semiconductor ML86410.

5.6    
Микросхема кодера MPEG OKI Semiconductor ML86410


ML86410 позволяет закодировать формат цифрового видео сигнала YUV (YCbCr) в формат MPEG-4-ASP в реальном времени.

Обладает кодирующими свойствами высокого уровня и быстрым поиском векторов движения. Поддерживает прогрессивную развертку и чересстрочную развертку форматов NTSC/PAL.

Микросхема MPEG OKI Semiconductor ML86410 обладает следующими особенностями:

·        поддержка чересстрочной развертки (NTSC/PAL);

·        быстрый поиск векторов движения;

·        может приостанавливать/продолжать кодирование.

Формат кодирования:

·        MPEG-4 Simple Profile@Level 3;

·        MPEG-4 Advanced Simple Profile@Level 5.

Размер кадра:

·        Progressive QVGA, 30 Гц;

·        Progressive VGA, 30 Гц;

·        Interlaced NTSC, 29.97 Гц;

·        Interlaced PAL, 25 Гц.

Выходная частота кадров

·        QVGA/ VGA : 30/15/1/0.5 Гц;

·        NTSC : 29.97/14.985/0.999/0.4995 Гц;

·        PAL : 25/12.5/1/0.5 Гц.

Тип кодирования:

·        IIII;

·        IPPP.

Модель кодирования:

·        CBR (До 6 Мбит/с);

·        VBR.

Видео интерфейсы:

·        для QVGA (320x240)/VGA (640x480): YСbCr (8-bit (YСbCr) (4:2:2)) + sync, 27 МГц или YUV (8-bit (YUV)(4:2:2)) + sync, 27 MГц;

·        для NTSC (720x480)/PAL (720x576): ITU-R BT.656, 27 MГц.

Интерфейс внешней ОЗУ:

·        32-битная шина данных;

·        2 MWords х 32Бит, 81 МГц (эквивалентно PC133).

Входная частота:

·        системная частота: 27 MГц;

·        видео интерфейс: 27 MГц.

Напряжения питания

·        ядро: 1.35 … 1.65В;

·        I/O секция : 3.0 … 3.6В;

·        PLL секция : 1.35 … 1.65В.

Рабочая частота:

·        внутренняя: 81МГц;

·        части видео интерфейса: 27 МГц.

Рабочая температура:

·        -20 to +85°C.

Корпус:

·        144-pin LQFP .

5.7     Выбор микросхемы ОЗУ


Микросхема ОЗУ была выбрана в соответствии с рекомендацией к кодирующему устройству(64Кбайта, 81 МГц) MT48H4M16LF фирмы MICRON.

Эта память питается напряжением 1,8В, что говорит о ее пониженном энергопотреблении, имеет 4 ячейки по 16 МБайт и работает на частотах PC133.

5.8     Выбор элементов блока питания


Устройство будет питаться от аккумулятора, а его особенностью является то, что он выдает не стабильное напряжение и его значение изменяется от 4,4 до 2,4В в зависимости от уровня заряда. В то же время нужно получить напряжение на выходе 3,3В, т.е. блок питания должен сначала понижать напряжение на выходе по сравнению со входом, а потом повышать. Для решения этой проблемы был использован блок питания от компании Linear technology, модель LTC3538. Он обладает широким диапазоном выходных и входных напряжений, имеет высокий КПД и малый корпус.

5.9     Выбор аккумулятора


Для обеспечения заданного времени автономной работы при соблюдении минимизации габаритных размеров, необходимо выбрать как можно более ёмкий аккумулятор. В таблице 4 представлены основные на сегодняшний день типы аккумуляторов.

Таблица 4 –  Сравнение некоторых типов аккумуляторов  Основа Напряжение Емкость энергии Рабочая температура. Циклы перезарядки Вред для окружающей среды  LiFePO4 3.2В >120 ВтЧ/кг -0-60 °C >2000 Малый  Lead acid 2.0В > 35 ВтЧ/кг -20 - 40°C >200 Средний  NiCd 1.2В > 40 ВтЧ/кг -20 - 50 °C >1000 Большой  NiMH 1.2В >80 ВтЧ/кг -20 - 50 °C >500 Малый  LiMnxNiyCozO2 3.7В >160 ВтЧ/кг -20 - 40 °C >500 Средний  LiCoO2 3.7В >200 ВтЧ/кг -20 - 60 °C > 500 Средний 

Как видно из таблицы, хоть LiCoO2 и обладает не очень большим количеством циклов перезарядки, но в тоже время имеет колоссальную энергетическую емкость. Именно этот решающий фактор позволяет выбрать LiCoO2 батарею в качестве источника энергии для проектируемого устройства

6        РАЗРАБОТКА И РАСЧЕТ ПРИНЦИПИАЛЬНОЙ ЭЛЕКТРИЧЕСКОЙ СХЕМЫ

6.1     Разработка и расчет блока питания


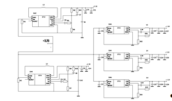
Для подачи входного питания от аккумулятора (+3,7В) предусмотрен разъем XS2 и набор блокировочных конденсаторов.

Разъем входного питания с подключенными блокировочными конденсаторами представлен на рисунке 14.

Рисунок 14 –       Входное питание

Далее из напряжения 3,7 В микросхемы (LTC3538 и LTC3549) формируют следующие напряжения: +1,2 В, +1,5 В, +1,8 В, +2,5 В, +3.3 В.

Схема формирования набора напряжений представлена на рисунке 15

Рисунок 15 –       Схема формирования набора напряжений

Для настройки блока питания LTC3549 на определенное напряжение используется резистивный делитель. Расчет номиналов резисторов производится по формуле:

,

где R1 R2 - резисторы, а VOUT - выходное напряжение.

Нам нужно получить выходные напряжения +1,2 В, +1,5 В и +1,8 В, следует номиналы резисторов должны быть соответственно: 130 кОм и 130 кОм, 200 кОм и 130 кОм, 270 кОм и 130 кОм.

Индуктивность рассчитывается по формуле:

,

где f - частота, I - выходной ток, VIN - входное напряжение.

Подставляя требуемые значения выходных напряжений и потребляемых токов, получаем значение индуктивностей соответственно: 3,6 мкГн, 3.3 мкГн и 3,1 мкГн. Индуктивности мало различаются, по этому будут использоваться одинаковые стандартные индуктивности номиналом в 3,3 мкГн

На выходе микросхемы подключаются три конденсатора номиналами по 10 мкФ, 0.1 мкФ и 0.01 мкФ для подавления помех на низких, высоких и сверхвысоких частотах.

Для настройки блока питания LTC3538 на определенное напряжение используется резистивный делитель. Расчет номиналов резисторов производится по формуле:

.

Нам нужно получить выходные напряжения +2,5 В и +3,3 В, следует номиналы резисторов должны быть соответственно: 470 кОм и 200 кОм, 300 кОм и 200 кОм.

На выходе микросхемы также подключаются три конденсатора номиналами по 10мкФ, 0.1мкФ и 0.01мкФ для подавлении помех на низких, высоких и сверхвысоких частотах.

6.2     Схема подключения блока КМОП-сенсора


Блок матрицы состоит из КМОП-сенсора, усилителя встроенного в кристалл АЦП. Между выходом и выходом замыкается кристалл с двумя блокировочными конденсаторами номиналом по 4,7 мкФ. Вход RSET притягивается к земле через резистор 51 кОм, а на вход RSTN подключается супервизер.

Входы управления подключаются к микроконтроллеру, а выходы параллельной битовой последовательности, синхронизирующих и гасящих импульсов к кодирующему устройству.

На входе микросхемы подключаются керамические конденсаторы номиналами по 0.1 мкФ для подавления высокочастотных помех и один электролитический конденсатор номиналом 0.1 мкФ для подавления низкочастотных помех.

Блок КМОП-сенсора представлен на рисунке 16

Рисунок 16 –       Блок КМОП-сенсора.

6.3     Схема подключения кодирующего устройства ML86410


Рисунок 17 –       Схема подключения кодирующего устройства

Схема подключения кодирующего устройства ML86410 представлена на рисунке 17.

Кодирующие устройство состоит из одной микросхемы подключенной к шине. На вход поступает параллельная битовая последовательность с матрицы, а на выход закодированный в MPEG4 сигнал, который идет на вход микроконтроллера.

Для работы микросхемы требуется внешняя память MT48H8M32LF, схема подключения оной представлена на рисунке 18. Обмен идет по 32-х битовой шине. Шина адреса имеет 12 разрядов. Шина управления - 7.

Для управления работой кодера имеется шина управления с контроллером.

Все входы питания кодирующего устройства и оперативной памяти имеют блокировочные керамические и электролитические конденсаторы номиналом по 0.1 мкФ

Рисунок 18 –       Схема подключения памяти

6.4    
Схема подключения микроконтроллера XC3S100E


Схема включения микроконтроллера представлена на рисунке 19.

Рисунок 19 –       Схема подключения микроконтроллера

На вход микроконтроллера XILINX XC3S100E подаются видеоданные сжатые с потерями, после преобразования на выходе получаем FAT32 совместимые пакеты для записи на флеш-память.

Загрузка осуществляется загрузчиком XAPP482 через пины TCK, TMS, TDI.

IO разъемы подключены к матрице и кодеру для управления оными. Свободные IO разъемы остаются пустыми.

Все входы питания микроконтроллера имеют блокировочные керамические и электролитические конденсаторы номиналом по 0.1 мкФ

6.5    
Схема подключения разъема для SD-карт

9-ти пиновый разъем 1734472-1 SD для флешл-карт подключен к выходу микроконтроллера.

Рисунок 20 –       Схема подключения разъема для SD-карт

С микроконтроллера подаются тактовые импульсы и биты данных, также осуществляется мониторинг наличия карты памяти в слоту.

6.6     Расчет потребляемой мощности устройства

Произведем расчет потребляемой мощности устройства:

·        Мощность потребляемая МК - 0,3 Вт

·        Мощность потребляемая загрузчиком МК - 0,1 Вт

·        Мощность потребляемая ОЗУ - 0.1 Вт

·        Мощность потребляемая КМОП-сенсором - 0.75 Вт

·        Мощность потребляемая кодирующем устройством - 0,31 Вт

·        Мощность потребляемая картой памяти - 0.15Вт

·        Мощность потребляемая кварцевым резонатором - 0,01Вт

·        Средний КПД БП - 0.85.

Итого: .

Рабочее напряжение аккумулятора 3.7 В, то есть для выполнения технического задания по времени автономной работы потребуется аккумулятор емкостью от 2880 мА.

7        требования к по МК


Алгоритм работы устройства должен выполнять следующие функции:

·        определение присутствия карты памяти в слоту;

·        включение матрицы и кодирующего устройства;

·        преобразование файлов в формат FAT32;

·        запись на флеш-память файлами по 100 мегабайт;

·        Отключение матрицы и кодера в случае изъятия карты

После подачи питающего напряжения каждые пять секунд идет опрос слота карты памяти. В случае если карта памяти присутствует, осуществляется включение КМОП-сенсора и кодирующего устройства.

Микроконтроллер принимает первый пакет данных и преобразует их в формат поддерживаемый картой память, FAT32. Проверяет размер текущего файла, если он больше 100 мегабайт, записать данные в новый файл, а если меньше, то дописать в уже имеющейся.

После записи снова происходит проверка на присутствие карты памяти. В случае присутствия, микроконтроллер принимает следующий пакет данных, а в случае отсутствия выключает КМОП-сенсор и кодер и ждет по 5 секунд между последующими инициализациями карты памяти.

Алгоритм работы ПЛИС показан на рисунке 21.

Рисунок 21 –       Алгоритм работы ПЛИС

8        РАЗРАБОТКА КОНСТРУКЦИИ

Конструктивно устройство состоит из двух плат. На первой плате содержатся КМОП-сенсор, супервизор и кристалл к нему Также на первой плате находится 30-ти контактный разъем для подключения матрицы к блокам находящимся на второй плате.

На второй плате находится МК, КУ, ОЗУ, супервайзер к кодеру, загрузчик к МК, тайминг гениратор и блоки питания. Также на второй плате предусмотрен 30-ти контактный разъем для подключения к первой плате, разъем для подключения клемм аккумулятора и стандартный 9-ти контактный разъем для памяти стандарта SD-HC.

Плата изготавливается из четырехслойного фольгированного стеклотекстолита FR-4 толщиной 2,0 мм. Во внутренних слоях расположены шины питания и общая шина. Монтаж радиоэлектронных элементов осуществляется методом поверхностного монтажа с обеих сторон платы пайкой припоем ПОС-61. В устройстве использована элементная базы типоразмеров 1206 для всех резисторов и керамических конденсаторов схемы.

На обеих платах предусмотрено по четыре крепежных отверстия для винтов М2 для установки в корпусе, расположены симметрично в углах печатных плат

9        ОРИЕНТИРОВОЧНЫЙ РАСЧЕТ НАДЕЖНОСТИ


Надежность это свойство любого изделия сохранять свои параметры в установленных пределах при заданных условиях эксплуатации. Надежность является одним из главных показателей качества аппаратуры.

Время работы прибора делится на три периода: приработка, нормальная работа и старение. Под повышением надежности прибора подразумевается увеличение второго периода (периода нормальной работы). Расчет надежности производим в предположении, что:

·        отказ аппаратуры есть событие случайное и независимое;

·        отказ прибора наступает при отказе хотя бы одного элемента, входящего в прибор;

·        элементы работают в нормальном режиме;

·        элементы каждого вида равнонадежны;

·        опасность отказа есть величина постоянная, зависящая от времени.

С учетом выше перечисленных предположениях надежность прибора определяется следующим образом:

а) Интенсивность отказов аппаратуры:

где m - количество типов деталей, - количество деталей i-го типа, - интенсивность отказа деталей, установлена на основе статистических данных.

Расчет интенсивности отказов устройства приведен в таблице 5.

Таблица 5 –  Расчет интенсивности отказов устройства

Тип элемента

0i106, 1/час

Ni, шт

n

0iNi106, 1/час

Микросхемы

0,5

7

1

3,5

Резисторы

0,5

16

0,1

0,8

Конденсаторы

0,2

21

0,6

2,52

Электролит. конд.

0,5

6

1

3

Индуктивности

0,6

5

0,8

2,4

Транзисторы

0,5

1

1

0,5

Разъемы

0,3

3

1

0,9


Тип элемента

0i106, 1/час

Ni, шт

n

0iNi106, 1/час

Паяные соединения

0,01

804

1

8,04

Печатные платы

1

2

1

2

Итого

23,66


0i - интенсивность отказа в нормальных условиях; n - поправочный коэффициент, учитывающий влияние температуры и электрической нагрузки.

б) Среднее время безотказной работы:

ч.

в) Вероятность безотказной работы:

(T)=exp(-срT),

где Т - время наработки.

Результаты расчета сведены в таблице 6.

Таблица 6 – Вероятность безотказной работы

Т, тыс.час.

1

5

10

15

20

25

27

30

Р(Т).

0,976

0,89

0,789

0,701

0,623

0,553

0,527

0,492


10      МЕРОПРИЯТИЯ ПО ТЕХНИКЕ БЕЗОПАСНОСТИ

 

.1       Сведения о проектируемом устройстве


          Проектируемое устройство - видеорегистратор с низким энергопотреблением. Он предназначен для получения и записи изображения в местах, где использование отдельных систем камера-видеорегистратор не возможно по каким-либо причинам. Все элементы устройства располагаются на двух печатных платах. Запись ведется на флеш-память . При изготовлении устройства используется технология печатного монтажа.

          Устройство питается от источника напряжения 3,7В и потребляет не более 1,5Вт. По электробезопасности устройство относится к классу III (ГОСТ 27570.0-87).

          Условия эксплуатации данного изделия:

·        температура воздуха +0…+60 С;

·        атмосферное давление 760 ± 30 мм рт. ст;

·        относительная влажность воздуха до 80 %.

10.2   Пожарная безопасность


Согласно НПБ 102-05 по взрывобезопасности и пожаробезопасности помещение, где производится изготовление изделий, относится к категории "В".

По взрывоопасности помещение относится к классу В-Па и по пожароопасности к классу П-Па. К этому классу относятся помещения, в которых опасные состояния не имеют места при нормальной эксплуатации, а возможны только в результате аварии или неисправностей.

Причиной возникновения пожара при использовании электрооборудования является: электрические искры, дуги, короткое замыкание, перегрев приборов. В помещении для предотвращения пожара согласно ГОСТ 12.1.004-91 "Пожарная безопасность. Общие требования." предусматриваются следующие меры:

·        Применяются плавкие предохранители для защиты от короткого замыкания;

·        имеющиеся вспламеняющиеся материалы хранятся в специальном несгораемом шкафу;

·        наличие в помещении автоматических извещателей, реагирующих на задымленность;

·        автоматическая система отключения питания при пожаре;

·        наличие плана эвакуации людей в случае пожара;

·        в качестве индивидуального средства тушения пожаров предусмат­риваются углекислотные огнетушители;

·        с работниками проводится инструктаж по пожарной безопасности;

·        разработан план эвакуации персонала в случае пожара.

Наиболее эффективным средством борьбы с пожаром является система объемного пожаротушения. Она включает в себя устройство пожаротушения, создающее в объеме защищаемого помещения необходимую концентрацию паров вещества, гасящего огонь, устройство сигнализации, предназначенное для обнаружения загорания. На этапе проектирования устройства, согласно ГОСТ 17.0.88-71 из конструкции исключены легковоспламеняющиеся материалы. Возникновение пожароопасных ситуаций маловероятно также по причине малых потребляемых мощностей в устройстве.

При эксплуатации проектируемое устройство будет размещено в металлическом корпусе, что исключает возможность возникновения пожара из-за применения устройства (ГОСТ 12.2.007-75).

10.3   Электробезопасность при изготовлении и настройке


Согласно ПУЭ 1.1.3 устройство по условиям электробезопасности относится к системам до 1000 В. Выходной сигнал записывается на флеш-память, это позволяет отказаться от использования выносных антенн или подключаемых проводов. Видеорегистратор малопотребляющий, следовательно внутренние токи низки. Устройство находится в металлическом кожухе, что почти полностью исключает и без того низкое электромагнитное излучение. Поэтому специальных мероприятий по защите персонала от электромагнитного излучения не требуется. В процессе работы устройство не создает вредных вибраций (ГОСТ 12.1.012-78), не оказывает неблагоприятное звуковое воздействие на людей (ГОСТ 12.1.003-83).

Персонал, занимающийся выпуском данного устройства, должен иметь квалификационную группу по электробезопасности III (ПЭЭП для электроустановок до 1000 В).

          Помещение, используемое для настройки и монтажа, относится к классу помещений без повышенной опасности (ПУЭ 1.1.13). Помещение должно быть сухое и закрытое (ПУЭ 1.1.16), без химически активной среды (ПУЭ 1.1.12) и пыли (ПУЭ 1.1.11). Уровень шума не должен превышать 60 дБА (ГОСТ 12.1.003-83). Температура и влажность в помещении должны соответствовать ГОСТ 12.1.005-88: +18ºC…+23ºС и 40…60 % (в холодное время года), +21ºC…+23ºС и 40…60 % (в теплое время года). В помещении используется комбинированное освещение. Освещенность рабочего места согласно СН и П 23-05-95 должна составлять 400 лк.

Для настройки проектируемого устройства используются следующие приборы: объектив, тестовые таблицы и персональный компьютер. Приборы питаются от сети 220В, 50Гц с изолированной нейтралью. В процессе эксплуатации возможны повреждения защитных оболочек, изоляции ТЧ устройств и шнуров питания, создающие опасность прикосновения человека либо непосредственно к оголенным ТЧ, либо к металлическим нетоковедущим частям устройств, оказавшимся под напряжением вследствие повреждения изоляции. Поэтому необходимо предусмотреть технические мероприятия по предотвращению воздействия электрического тока на человека.

Безопасность работ обеспечивается в сочетании друг с другом следующими техническими способами и средствами, заложенными в конструкцию устройств и питающей сети:

·        оградительными устройствами, в том числе оболочками, кожухами, обеспечивающими недоступность ТЧ для прикосновения;

·        изоляцией ТЧ (рабочей и дополнительно);

·        защитным заземлением или занулением;

·        блокировками.

Сопротивление изоляции проводов соответствует ПУЭ 1.8.34 (не ниже 0,5 МОм). Кроме того, в приборах должны быть применены плавкие предохранители, защищающие их от перегрузок.

Рабочее место, предназначенное для выполнения монтажных операций, должно быть обеспечено следующим оборудованием и инструментом. Электропаяльником на напряжение 6В, подставкой для паяльника из термостойкого диэлектрического материала, напильником для затачивания жала паяльника, источником питания на 6В для работы электропаяльника. Источник питания работает от сети 220В, 50 Гц. Источник относится к приборам класса II (ГОСТ 27570.0-87). На рабочем месте должна быть лампа местного освещения на напряжение 36В. Для получения напряжения 36В из сетевого напряжения 220В применяется понижающий трансформатор. Один конец вторичной (понижающей) обмотки трансформатора и металлический кожух заземлены.

10.4   Санитарно-гигиенические требования


Потенциальную опасность представляет процесс травления печатных плат, процесс пайки и сверления.

Рабочее место для пайки оборудуется местной вытяжной вентиляцией, обеспечивающей содержание вредных веществ в рабочей зоне не более предельно-допустимой концентрации (ПДК). Концентрация вредных веществ должна соответствовать ГОСТ 12.1.005-88. В таблице 7. содержит ПДК вредных веществ в воздухе рабочей зоны.

Операция

Вещество

ПДК, мг/м

Класс опасности





Пайка

Свинец

0.01

1


Канифоль

60

1


Спирт этиловый

1000

4


Ацетон

200

4

Сверление

Стеклотекстолит

4

3

Травление

Хлорное железо

0.4

2


Азотная кислота

5

2


Медь металлическая

1

2


Мышьяковидный водород

3

2


Серная кислота

1

2


Для предотвращения ожогов и загрязнения свинцом кожи рук монтажнику выдаются салфетки для удаления лишнего припоя с жала паяльника, а также пинцет для поддержания припаиваемых элементов.

Для предохранения от попадания припоя и флюса на одежду, монтажные работы выполняются в спецодежде (халат). В помещении, где производится пайка припоем во избежание попадания свинца в организм, не разрешается хранить личные вещи, принимать пищу. Для предупреждения профессиональных заболеваний необходимо после окончания работы споласкивать руки однопроцентным раствором уксусной кислоты, мыть их горячей водой с мылом, прополаскивать рот, чистить зубы.

С целью создания нормальных условий для персонала (при изготовлении устройства) установлены нормы производственного микроклимата (ГОСТ 12.1.005-88). Эти нормы устанавливают оптимальные и допустимые величины температуры, влажности и скорости движения воздуха для рабочей зоны производственных помещений с учетом избытка явного тепла, тяжести выполняемой работы и сезона года.

10.5   Требования инженерной психологии и эргономики


Напряженность трудового процесса оценивают в соответствии с настоящими «Гигиеническими критериями оценки условий труда по показателям вредности и опасности факторов производственной среды, тяжести и напряженности трудового процесса» СП 2.2.2006-05.

Оценка напряженности труда профессиональной группы работников основана на анализе трудовой деятельности и ее структуры, которые изучаются путем хронометражных наблюдений в динамике всего рабочего дня, в течение не менее одной недели. Анализ осно­ван на учете всего комплекса производственных факторов (стимулов, раздражителей), соз­дающих предпосылки для возникновения неблагоприятных нервно-эмоциональных состоя­ний (перенапряжения). Все факторы (показатели) трудового процесса имеют качественную или количественную выраженность и сгруппированы по видам нагрузок: интеллектуальные, сенсорные, эмоциональные, монотонные, режимные нагрузки.

Проектируемое устройство предназначено для получения и записи видеоизображения исследуемых объектов на флеш-память. Управление процессом измерений осуществляется автоматически. Так как видеорегистратор работает в полностью автоматическом режиме, то нет необходимости учитывать эргономическую оценку тяжести труда на рабочем месте и категорию тяжести труда оператора.

11      ТЕХНИКО-ЭКОНОМИЧЕСКОЕ ОБОСНОВАНИЕ ПРОЕКТА

11.1   Основные положения


Целью данного дипломного проекта является разработка видеорегистратора с низким энергопотреблением. Стимулом для данной разработки послужило отсутствие отечественных аналогов, высокая стоимость и моральное устаревание зарубежных. Разрабатываемая система позволит вести видеозапись в автономном режиме около суток, записывая сжатое в MPEG видео на съемную флеш-память.

Проектируемый видеорегистратор предназначен для работы в местах, где применение отдельной связки камера-кодер не целесообразно, либо в местах удаленных от питающих сетей. В силу своих малых габаритов, устройство может размещаться в тех же местах, где можно разместить лишь одну обычную видеокамеру, но в тоже время не требует подвода проводов для питания или передачи видеоизображения на кодирующее устройство. Принцип «все в одном» позволяет резко снизить цену устройства по сравнению с классической схемой, если она используется для подключения лишь одной камеры.

Из аналогов можно отметить лишь регистратор RAE-EX420B1 от компании rae systems. Сравнение их основных характеристик приведено в таблице 8 .

Таблица 8 –         Технические параметры выпускаемой продукции

Название технико-эксплутационного параметра продукции

Единица измерения

Проектируемая продукция

Аналог RAE-EX420B1

 

Разрешающая способность

Mpix

0,3

0,4

 

Разрядность АЦП

Бит

8

-

 

Время накопления

мкс

4…4×104

-

 

Скорость передачи данных

Мбит/с

1…3

-

 

Потребляемая мощность

Вт

Менее 2

-

 

Напряжение питания

В

3,7

3,7

 

Название технико-эксплутационного параметра продукции

Единица измерения

Проектируемая продукция

Аналог RAE-EX420B1

Время автономной работы батареи

Час

24

10

Время автономной записи

Час

24

2

Носитель информации


Флеш-карта SD

Видеокассета Digital8

Масса, кг

кг

0,4

1,5

Размеры

мм

80х90х150

100x120x180


Как видно из таблицы проектируемое устройство обладает лучшими характеристиками по сравнению с аналогом. Это достигается благодоря использованию цифровых технологий и современных носителей информации. Основное отличие, позволяющие сократить размеры и увеличить время автономной работы - использование сжатия с потерями и запись на флеш-память, которая позволяет резко сократить размеры устройства, по сравнению с записью на видеокассеты, а высвобожденное пространство отвести под аккумулятор увеличенной емкости. Карты формата SD-НС имеют объем памяти до 32 Гбайт, что позволяет вести запись на одну карту на протяжении всего времени работы аккумулятора, а у RAE-EX420B1 за время работы аккумулятора будет израсходовано пять кассет. Смену данных кассет должен осуществлять оператор, что требует дополнительных усилий или вообще делает невозможным использование данной камеры, например, для записи опасного для здоровья людей эксперимента длящегося более двух часов.

Для проигрывания записанной информации на кассету Digital8 нужно специальное устройство, а SD карт-ридеры есть в каждом ноутбуке. Устройство снимает с разрешением VGA, а аналог от rae в NTSC, и проигрывает в количестве мегапикселей, но благодаря прогрессивной развертке все равно выигрывает в разрешающей способности при записи подвижных изображений.

Данный раздел содержит расчет затрат на разработку и производство опытного образца, а также основные технико-экономические показатели изделия.

11.2   Определение затрат на разработку устройства

В данном разделе производится расчет себестоимости разработки устройства.

В основе определения стоимости разработки лежит перечень выполняемых работ и их трудоемкость.

На основе трудоемкости выполняемых работ по разработке стенда рассчитываются издержки на оплату труда ее исполнителя, являющиеся одной из основных статей калькуляции себестоимости разработки. Перечень работ и трудоемкость их выполнения представлены в таблице 9.

Таблица 9 –         Трудоемкость работ по разработке устройства

Наименование работ

Трудоемкость, чел./часы


Научный сотрудник

Инженер

Разработка технического задания

8

16

Сбор информации

16

80

Разработка структурной схемы

8

16

Разработка функциональной схемы

8

40

Выбор элементной базы

8

40

Разработка и расчет принципиальной электрической схемы

16

80

Разработка конструкции системы

8

40

Составление технической документации

8

112

Разработка опытного образца

24

80

Итого

104

504


Расчет основной и дополнительной заработной платы исполнителей проекта СЗО производится по формуле:

СЗО = ЧНС ∙ ТНС + ЧИНЖ ∙ ТИНЖ = 200 ∙ 104 + 100 ∙ 504 = 71200 руб.,

где ТНС и ТИНЖ - трудоемкости научного сотрудника и инженера, 104 и 504 часа соответственно; ЧНС и ЧИНЖ - часовые ставки научного сотрудника и инженера, 200 и 100 руб. соответственно.

Дополнительная заработная плата СЗД составляет 12% от основной. Расчет производится по формуле:

СЗД = СЗО∙ 0,12 = 71200 ∙ 0,12 = 8544 руб.

Размер отчислений на социальные нужды ССН составляет 34% от суммы основной и дополнительной заработной платы. Расчет производится по формуле:

ССН = (ССО + СЗД) ∙ 0,26 = (71200 + 8544) ∙ 0,34 = 27113руб.

К статье «Материалы» относятся затраты на расходные материалы при проведении работ. Калькуляция по статье «Материалы» представлена в таблице 10

Таблица 10 –       Калькуляция затрат по статье «Материалы»

Материал

Кол-во.

Цена, руб.

Сумма, руб.

Бумага разная


100

280

Картридж для принтера

2

1000

2000

Канцелярские принадлежности

5

10

50

Итого:

2330

 

Транспортно-заготовительные расходы, 10%

233

 

Всего:

2563

 


В статью затрат «Специальное оборудование» включены затраты на приобретение персонального компьютера с принтером, необходимого для разрабатываемого стенда. Калькуляция по статье «Специальное оборудование» представлена в таблице 11

Таблица 11 –       Калькуляция затрат по статье «Материалы»

Материал

Кол-во.

Цена, руб.

Сумма, руб.

Компьютер

1

100

16000

Принтер

1

1000

3000

Итого:

19000

 


Стоимость компьютера с принтером составляет СКОМ = 19000 руб.

Накладные расходы составляют 17% от суммы прямых статей затрат:

СНР = (ССО + СЗД + ССН + СМА + СКОМ) ∙ 0,17 = (71200 + 8544 + 27113 + 2563+ 19000) ∙ 0,17 = 21831руб.

Калькуляция себестоимости разработки представлена в таблице 12.

Таблица 12 –       Калькуляция затрат на проектирование

Статьи затрат

Сумма, руб.

Основная заработная плата

71200

Дополнительная заработная плата

8544

Отчисления на социальные нужды

27113

Материалы

2563

Специальное оборудование

19000

Накладные расходы

21831

Итого:

150251


11.3   Определение переменных затрат на изготовление опытного образца


Переменные затраты на производство устройства рассчитываются на единицу производимой продукции. В статьи затрат войдут стоимость сырья и материалов, основная и дополнительная заработная плата основных производственных рабочих, стоимость покупных комплектующих изделий и полуфабрикатов, отчисления на социальные нужды.

При сборке устройства осуществляется пайка радиоэлементов, поэтому к используемым материалам относятся припой, флюс и этиловый спирт. Расчет затрат на сырье и материалы необходимые для производства изделия представлен в таблице 13.

Таблица 13 –       Затраты на сырье и материалы

Материал

Марка

Норма расхода, кг

Цена, руб.

Сумма, руб.

Припой

ПОС-61

0,1

300

30

Флюс

ФКСП

0,1

170

17

Спирт

Этиловый

0,05

100

5

Итого:

52

Транспортно-заготовительные расходы, 10%

5,2

Всего:

57,2


Перечень необходимых покупных комплектующих изделий и полуфабрикатов, а также их стоимость сведены в таблице 14.

Таблица 14 –       Затраты на покупные комплектующие изделия и полуфабрикаты

Наименование

Норма расхода на изделие, шт.

Цена, руб./шт.

Сумма, руб.

Микросхема ICM205B

1

1800

1800

Микросхема ML86410

1

90

90

Микросхема MT48H4M16LF

1

150

150

 Микросхема XC3S100E

1

300

300

Микросхема LTC3533

1

130

130

Микросхема LTC3520

1

110

110

Диоды

5

2

10

Конденсаторы

65

2

130

Индуктивности

9

2

18

Резисторы

14

0,1

1,4

Корпус

1

500

500

Печатная плата

2

60

120

Фотошаблон

2

2000

4000

Разъемы

2

20

40

Аккумулятор

1

1000

1000

Итого:

8399,4

Транспортно-заготовительные расходы (10%):

839,9

Всего:

9239,3


Определение трудоемкости, часовой тарифной ставки (ЧТС), расчет основной заработной платы основных производственных рабочих за изготовление одного устройства приведены в таблице 15.

Таблица 15 –       Расчет основной заработной платы производственных рабочих

Операция

Число рабочих

Норма времени на изделие, норма-час

ЧТС, руб.

Тарифная заработная плата, руб.

Монтаж

1

7

70

420

Регулировка

1

1

70

70

Итого

490


Расчет дополнительной заработной платы производственных рабочих:

СЗД = СЗО∙ 0,12 = 490 ∙ 0,12 = 58,8 руб.

Расчет отчислений на социальные нужды:

ССН = (ССО + СЗД) ∙ 0,26 = (490+ 58,8) ∙ 0,36 = 200 руб.

Общая калькуляция переменных производственных затрат, связанных с изготовлением одного изделия, приведена в таблице 16.

Таблица 16 –       Переменные расходы на изготовление изделия

Статьи затрат

Сумма, руб.

Сырье и материалы

57,2

Покупные комплектующие изделия и полуфабрикаты

9239,3

Основная заработная плата основных производственных рабочих

490

Дополнительная заработная плата основных производственных рабочих

58,8

Отчисления на социальные нужды

200

Итого:

10050


11.4   Определение постоянных затрат на производство опытного образца


Изготовление устройства происходит в уже имеющемся помещении. Арендуемое помещение общей площадью 20 кв.м. и арендная плата в месяц за 1 кв.м. составляет 600 руб. Общая арендная плата за один месяц составляет: 20×600=12000руб.

11.5   Амортизация оборудования


Изготовление устройства происходит на уже имеющемся оборудовании. Все оборудование используемое в процессе изготовления устройства имеет срок службы 5 лет. Стоимость оборудования и амортизационные издержки приведены в таблице 17

Таблица 17 –       Стоимость оборудования

Наименование

Стол монтажный

3000

Паяльная станция

6000

Источник местного освещения

350

Паяльник сетевой

250

Источник питания

500

Вытяжка

200

Итого

10300

Амортизация за мес.

171,67


11.6   Постоянные издержки на изготовление устройства


Постоянные издержки на изготовления устройства составляют сумму издержек на арендную плату и амортизацию оборудования и составляют за один месяц:

12000+171,67=12171,67руб.

11.7   Общие производственно-сбытовые издержки


Производственно-сбытовые издержки являются суммой переменных и постоянных издержек на изготовление одного устройства составляют:

+12171,67=22671,67руб.

11.8   Экономические показатели изделия


Основные экономические показатели проектируемого устройства приведены в таблице18.

Таблица 18 –       Основные экономические показатели устройства

Показатели

Значения

Затраты на разработку, руб.

150251

Затраты на сборку опытного образца, руб.

22671,67

11.9  
Выводы


Разрабатываемый видеорегистратор предназначен для работы в местах, где применение отдельной связки камера-кодер не целесообразно, либо в местах удаленных от питающих сетей. Примерами могут служить проведение разовых замеров с записью их на видео или длительная скрытая видеозапись. Устройство имеет малые габариты, но в тоже время не требует проводов для питания или передачи видеоизображения на кодирующее устройство. Также отсутствует необходимость в обслуживании устройства во время работы, запись может вестись на протяжении суток в автономном режиме. А полученное видео можно сразу же просмотреть на ноутбуке. Данный видеорегистратор может найти свое применение в исследовательской работе вдали от цивилизации, например наблюдение за животными. Малые размеры и простота в обслуживании позволяют устанавливать их почти в любых местах. Достаточно поставить и включить. На следующий день приехать и забрать запись, или просмотреть ее прямо на месте через ноутбук.

Видеорегистратор можно положить даже в достаточно маленькую сумочку и вести скрытую видеозапись, не беспокоясь о том, что кассета вот-вот закончится, а аккумулятор разрядится.

Какие-либо одиночные наблюдения тоже лучше записывать на разрабатываемое устройство, а не устанавливать классическую видеокамеру, подключать к ней регистрирующие оборудование и питание. Намного проще установить лишь одиночный «все в одном» видеорегистратор, произвести видеозапись, а затем легко и быстро демонтировать его.

Заключение


В данном дипломном проекте выполнена разработка телевизионного видеорегистратора с пониженным энергопотреблением.

Были разработаны технические требования к телевизионному видеорегистратору, разработана структурная и функциональная схемы устройства, выбрана элементная база, разработаны электрические принципиальные схемы, разработана конструкция устройства, проведено технико-экономическое обоснование и разработаны мероприятия по безопасности жизнедеятельности.

Телевизионный видеорегистратор обладает следующими особенностями: Потребляемая камерой мощность не превышает 0,9 Вт. Время автономной работы от аккумулятора емкостью 6Ач более 24 часов. Время непрерывной записи на карту памяти более 24 часов при реальной картинке.

Таким образом, разработанное устройство полностью удовлетворяет теме и заданию на проектирование, а также разработанным техническим требованиям.

Список использованных источников

 

1.    http://www.babymonitor.ru

2.                        http://www.diakont.ru

.         В.С. Лаврус. Серия «Информационное Издание». // «ОХРАННЫЕ СИСТЕМЫ». 2009. №4 с. 42-43

.         http://www.videofocus.ru

.         http://www.cctvcamera.ru

.         http://www.securityinfowatch.com

.         http://www.allbusiness.com

.         http://www.raesystems.com

.         http://www.icop.com

.         http://www.secnews.ru

.         http://www.avtocamera.com

.         http://www.video-spline.ru

.         http://www.towersecuritycameras.com

.         http://www.ovt.com/

.         http://www.agilent.ru

.         http://www.icmedia.org

.         http://www.okisemi.com/en/

.         http://www.necel.com/

19.     http://www.nxp.com/


Не нашли материал для своей работы?
Поможем написать уникальную работу
Без плагиата!
Без нейросетей!