Программа контроля качества цемента

  • Вид работы:
    Дипломная (ВКР)
  • Предмет:
    Строительство
  • Язык:
    Русский
    ,
    Формат файла:
    MS Word
    2,20 Mb
  • Опубликовано:
    2012-03-13
Вы можете узнать стоимость помощи в написании студенческой работы.
Помощь в написании работы, которую точно примут!

Программа контроля качества цемента

ВВЕДЕНИЕ

Среди строительных материалов цементу принадлежит ведущее место. В современной строительной практике роль цемента в выпуске новых прогрессивных материалов и изделий для полносборного домостроения постоянно возрастает. Его применяют для изготовления монолитного и сборного бетона, железобетона, асбестоцементных изделий, строительных растворов, многих других искусственных материалов, скрепления отдельных элементов (деталей) сооружений, жароизоляции и т.п. Цемент и получаемые на его основе прогрессивные строительные материалы успешно заменяют в строительстве дефицитную древесину, кирпич, известь и другие традиционные материалы.

Промышленность строительных материалов выпускает цементы с разнообразными свойствами, позволяющими изготовлять бетоны в соответствии с потребностями строительной техники. Цемент используется практически во всех отраслях народного хозяйства, но основным его потребителем выступает строительный комплекс жилья, производственных сооружений, дорог, аэродромов.

Актуальность проблемы состоит в том, что сейчас в Казахстане наблюдаются особенно бурные темпы роста строительства, следовательно, возрастает и потребление цемента, что делает его одним из важных факторов, определяющих экономический потенциал страны в целом. Для удовлетворения потребности рынка в цементе необходимо строительство новых предприятий при наличии сырья, а так же модернизация действующих предприятий путем внедрения новых технологий для увеличения объемов и повышения качества выпускаемой продукции. В условиях современного развития нашей страны и высоких требований к качеству выпускаемой продукции введение передовых технологий представляется весьма актуальным.

При решений поставленной задачи в рамках курсового проекта студент получает знание:

Знание характеризующее данный строительный материал по условиям физико-механических характеристик; знакомятся с сырьем представляющим собой клинкер из известняка с глиной; изучает технологию помола клинкера направление по увеличению производства помола и на основе полученных знании решает следующие задачи:

- на основе теоретических материалов изучить технологию помола клинкера и общие сведения о портландцементе;

изучить возможности интенсификатора помола в части повышения эффективности процесса помола клинкера;

произвести необходимые экономические расчеты, внести рекомендации.

на основе государственных стандартов и норм, специальной литературы подготовить раздел «Охрана труда и безопасность жизнедеятельности», «Охрана окружающей среды»;

1. ПРОГРАММА КОНТРОЛЯ КАЧЕСТВА ЦЕМЕНТА

.1 Технологическая характеристика продукции

Цемент - это тот строительный материал, без которого невозможно представить себе строительство. Благодаря цементу отлично затвердевают строительные смеси. Последние годы наблюдается постоянный рост стоимости цемента, однако достойной замены этому материалу до сих пор никто не нашел. В результате объемы продаж цемента остаются стабильно высокими, и популярность данного строительного материала не падает. По составу цемент похож на вяжущий минеральный порошок, который в процессе затвердевания становится очень прочным. Это качество, которое так ценится в строительстве, цемент приобретает, взаимодействуя с водой. В процессе смешивания цемента и воды получается своеобразная паста, которая через определенный промежуток времени, высыхая, превращается в камень. Те строительные смеси, в которые добавлен цемент, при соединении с водой приобретают такие качества, как прочность и водостойкость. При изготовлении цемента необходимо строго соблюдать пропорции составляющих его веществ. Примерно на четверть он должен состоять из известняка, остальная часть приходится на глину. И тот, и другой компонент добывается в карьерах. Чтобы максимально точно определить соотношение составляющих, при производстве цемента используют компьютерные технологии. При малейшем изменении пропорций образуется новый вид цемента, который имеет совершенно иное назначение. Наиболее распространенные виды цемента - это «известковый», «кремнистый», «тампонажный». Еще существует «глиноземистый», «сульфатостойкий» «магнезиальный» и «гидрофобный» цемент. Любая из перечисленных смесей проходит следующую обработку: ее погружают в печь для обжига при постоянном вращении. Через некоторое время в печи образуются куски определенного вещества под названием клинкер. Клинкер является промежуточным продуктом, который в последствии подлежит сильному измельчению и смешиванию с гипсом. Именно измельченный клинкер, в который добавлено некоторое количество гипса, является готовым продуктом, то есть цементом. Цемент фасуют в водонепроницаемые мешки и отправляют на продажу. Каждая партия цемента подлежит обязательной маркировке. В маркировке обычно отражается две основные характеристики цемента - это пропорции, в которых находятся его составляющие, и максимальная нагрузка, которую он может выдержать. Первая часть маркировки обозначается заглавной буквой Д. Например, маркировка Д10 свидетельствует о том, что в цемент добавлено 10% примесей. Эта цифра очень важна, так как характеризует степень вяжущих свойств цемента. Вторая часть маркировки обозначается заглавной буквой М (другой вариант ПЦ). Например, М500 означает, что данный вид цемента может выдержать нагрузку до 500 кг/см. При использовании цемента с маркировкой 500 - Д0 в составе бетона, у конструкции улучшаются такие характеристики, как морозоустойчивость, водостойкость и долговечность. Такой вид цемента наиболее подходит для срочного, незапланированного ремонта после аварии и при работах по восстановлению конструкций. Если возводимые конструкции находятся в пределах повышенной влажности, лучше всего использовать цемент с маркировкой 400-Д0. Такой же цемент является наиболее подходящим для приготовления растворов из бетона и других строительных смесей. Чем больше число во второй части маркировки цемента, тем выше его стоимость и лучше технические характеристики. Например, цемент, имеющий маркировку М700, дороже цемента, имеющего маркировку М500. Цемент М700 по-другому называется «военный», потому что чаще всего его используют именно в строительстве военных объектов. Из него можно сооружать бункеры и ракетные шахты. Одно из направлений деятельности нашей компании - это продажа цемента оптом. У нас всегда есть в наличии самые популярные и распространенные виды цемента. Это цемент, имеющий маркировку М400, М500 и другие виды. Мы оказываем услуги по доставке цемента. Способ доставки, сроки оплаты - все эти нюансы обязательно обговариваются с заказчиком.

1.2    Виды контроля

.2.1   Входной контроль

Входной контроль на данном этапе производства цемента заключается в контроле качества поступающего клинкера, гипса и добавок.

Анализ клинкера производится ежечасно петрографами на микроструктуру (550 кгс/см2 ±20), активность при физико-механических испытаниях проверяется ежесуточно, пробы клинкера отбираются из вращающейся печи. Для исследования проб клинкера изготавливают полированные шлифы. Для этой пробы отбирают две-три характерные гранулы клинкера разного диаметра. Изготовление полированного шлифа делится на три основные операции:

1. Обдирка образца до образования плоскости;

2. Шлифование полученной плоскости;

3.      Полирование.

Операции осуществляются на шлифовальном станке.

Шлифовальный диск с кашицеобразной консистенции наждаком необходимо смочить, взять гранулу клинкера и обдирать образец до получения плоскости не менее 1 см2. Нажимать следует довольно сильно, делая кистью руки резкие круговые движения. Обдирать нужно 1/3 часть гранулы. Получив нужную плоскость, начинаем шлифовать ее более мягкими круговыми движениями и с легким нажимом.

Время от времени образец следует смачивать водой и осмотреть, достаточно ли ровно и в нужном ли положении шлифуется плоскость. По мере расходования жидкого наждака, его подливают на шлифовальный диск. Шлифуемая поверхность не должна иметь выпуклой формы. Хорошо выровняв поверхность, образец промывают в проточной воде и, обсушив технической салфеткой, приступают к полированию.

Полирование производится с помощью полировочного диска, с натянутым на него сукном или фетром. Нанести на сукно небольшое количество окиси хрома (Cr2O3), начинаем легкими движениями полировать. При осмотре поверхность должна быть идеально плоской без завалов по краям, площадь должна быть не менее 1 см2; полировочная поверхность не должна иметь царапин или выщерблин.

После полировки образцы еще раз промывают в проточной воде, обсушивают технической салфеткой или фильтровальной бумагой и еще раз отполировывают на диске, после проделанных операций поверхность шлифа должна быть идеально зеркальной. На полированной поверхности не должно быть следов полировочных порошков или жидкостей. Немедленно после изготовления приступают к исследованию шлифа. Для визуального исследования шлифа применяют микроскоп ММ У-3. Наличие СаО в непротравленном шлифе. Оценка качества шлифа, грани должны быть четкие, поверхность чистая без полос. Как распределен СаО (отдельными зернами, скоплениями). Затем шлиф бегло просматривается методом сплошного просмотра, составляется общее представление о кристаллизации:

1. По признаку размеров кристаллов, ориентируясь на общую массу: однородная, неоднородная, смешанная.

2.      По признаку взаимного расположения алита и белита: равномерная (белит небольшими группами), неравномерная, смешанная.

.        Наличие участков с неотчетливой и зародышевой кристаллизацией. Зародышевая - минералы образованы, но четко отнести к алиту или белиту нельзя. Неотчетливая - невозможно определить минералы (возможно из-за плохого качества шлифа).

Характер кристаллизации по величине алита: крупная, средняя, мелкая.

.   Распределение жидкой фазы: равномерное, неравномерное (присутствуют участки с дефицитом или обогащенные жидкой фазой), определение количества жидкой фазы (норма 25%).

5.      Характер алита (C3S): форма (четкая, деформация граней и т.д.); размер (преимущественный).

.        Характер белита (C2S) по схеме алита.

.        Пористость шлифа.

.        Промежуточное вещество: распределение (равномерно, неравномерно), форма.

.        Оценка степени обжига.

Температура клинкера на питателях цементных мельниц не должна превышать 90оС.

Гипсовый камень фракцией 0-60 мм для производства цемента принимают партиями. Пробы отбирают не менее чем из десяти мест равными частями на различной глубине. Минимальную массу пробы определяют в зависимости от размера фракции (50 кг при 600 мм, 300 кг). Если при испытании пробы получены неудовлетворительные результаты, проводят повторные испытания пробы камня, отобранной с той же партии. При неудовлетворительных повторных испытаниях, партия приемке не подлежит.

Отбор и анализ проб гипса производится лаборантами механических испытаний цеховой лаборатории с каждого вагона при выгрузке и приемке. В каждой пробе определяют влажность (должна составлять не более 4%),а также не допускается смешение с другими материалами.

Анализ проб гипса проводится на соответствие ГОСТ 4013-82 «Камень гипсовый и гипсоангидритовый для производства вяжущих материалов» в несколько этапов:

1. Подготовка к испытаниям:

Аппаратура: лабораторные весы по ГОСТ 23676-79; набор сит с круглыми отверстиями диаметром 5 и 60 мм.

Фракционный состав пробы определяют контрольными ситами. Из общей пробы, подготовленной к испытаниям, берут 5 кг камня максимальным размером 60 мм и 100 кг камня максимальным размером 300 мм. Пробу просеивают через сито. Содержание камня X 1 в процентах, выходящего за пределы установленных размеров, определяют по формуле:

Х1=G1/G*100 (2)

Где G1-масса пробы, взятая для определения, кг;

G - масса пробы камня размером, большим верхнего предела или меньше нижнего предела фракции.

. Определение содержания гипса

Аппаратура: лабораторные весы по ГОСТ 24104-80 и ГОСТ 23676-79; сушильный шкаф; муфельная печь; фарфоровый тигель и ступка с пестиком по ГОСТ 9147-80; эксикатор по ГОСТ 6373-73.

3. Проведение испытания

Камень после определения фракционного состава дробят до размеров около 10 мм и отбирают среднюю пробу массой около 1 кг. Затем последовательным квартованием отбирают пробу массой около 100 г.

Пробу камня измельчают в фарфоровой ступке до полного прохождения через сито с сеткой №02.

Навеску массой около 2 г, высушенную до постоянной массы при температуре (50±5)о С, помещают в предварительно прокаленный взвешенный фарфоровый тигель и нагревают в муфельной печи при температуре 400оС в течение 1 ч. После прокаливания тигель с навеской охлаждают в эксикаторе и взвешивают. Прокаливание повторяют при той же температуре до получения постоянной массы. Взвешивание проводят с погрешностью до 0,0002 г.

Содержание кристаллизованной воды G в процентах вычисляют по формуле:

G=m-m1/m*100, (3)

где m - масса пробы до прокаливания, г;

m1 - масса пробы после прокаливания, г.

Содержание гипса (CaSO4*2H2O) в процентах вычисляют по формуле:

CaSO4*2H2O=4,7785*G (4)

Рентгеноспектральный метод определения элементов

Рентгеноспектральный метод является экспресс-методом, основанным на возбуждении атомов элементов и измерении интенсивности их характеристических линий флуоресцентного излучения.

1. Средства анализа

Весы лабораторные общего назначения.

Печь муфельная.

Шкаф сушильный.

Спектрометр рентгеновский многоканальный дифракционный дискретного действия, позволяющий анализировать легкие элементы, начиная с магния (Z=12) с одновременной регистрацией излучения не менее шести элементов.

Легкий углекислый по ТУ 6-09-3728.

.   Легкий тетраборат безводный по ТУ 6-09-4756.

Натрий азотнокислый.

Кислота борная по ГОСТ 9556 и раствор массовой концентрации 50 г\дм3 . Крахмал растворимый по ГОСТ 10163.

Смесь для сплавления: безводный тетраборат или метаборат лития, прокаленный при температуре не менее 700 градусов, углекислый литий и азотно-кислый натрий смешивают в фарфоровой ступке в процентном отношении 75:20:5 (в случае использования тетрабората лития) или 85:10:5 (в случае использования метобората лития).

Подложка графитовая дискообразная диаметром 30 мм. Из электродного графита марок ГМЗ, ГЭ или других аналогичных.

Воронка с пуансоном металлические.

Вилка для установки и извлечения из муфельной печи графитовой подложки.

Штатив с опускающимся штампом для формования поверхности наплавленного слоя образца - излучателя.

Пресс-форма для формования образцов-излучателей, изготовленная из нержавеющей стали марки 12х18Н9 по ГОСТ 5632.

Пресс обеспечивающий давление не менее 150 кгс/см2.

. Подготовка к анализу.

.1 Приготовление СОП.

Для каждой разновидности анализируемых материалов готовят серию порошкообразных СОП с различающимся химическим составом в диапазоне производственных колебаний массовой доли определяемых элементов. Количество СОП должно быть не менее n+2, где n-число анализируемых в материале элементов.

.2 Изготовление образцов-излучателей.

Из серии СОП изготавливают образцы-излучатели в виде таблеток наплавлением на графитовую подложку порошка СОП, смешанного со смесью для сплавления. Предварительно, для улучшения сцепления подложки с расплавом, ее смачивают раствором борной кислоты и подсушивают в сушильном шкафу при температуре 105-110 градусов.

Навески СОП массой по 0,5 г. и смеси для сплавления по 1 г. взвешивают на аналитических весах и перемешивают в фарфоровой ступке не менее 3 минут. Полученную смесь с помощью воронки и пуансона вручную формую на графитовой подложке и вилкой помещают в разогретую до температуры 900-950 градусов муфельную печь на керамическую подставку и выдерживают не более 5 минут. Затем положку с сплавом вынимают, быстро устанавливают на штатив и опускают на нее штамп с полированной поверхностью и формуют твердой стекловидный слой таблетки.

Для каждого СОП изготавливают 3 таблетки

При условии получения результатов анализа, отличающихся от полученных при использовании образцов - излучателей, изготовленных методом сплавления, менее чем на значение ошибки повторяемости, установленной для соответствующего элемента допускается применение образцов-излучателей, изготовленных методом прессования или намазывания.

При изготовлении образов-излучателей методом прессования скрепляющей подложкой таблеток служит борная кислота. СОП предварительно высушивают до постоянной массы при температуре 105-110 градусов. Затем в пресс-форму насыпают навеску СОП массой 1-1,5 г. и сверху 1,5-2 г. борной кислоты (положки), налагают пуансон и помещают всю пресс-форму в пресс, создавая усилие не менее 150 кгс/см2. После снятия нагрузки таблетку аккуратно вынимают из кольца-вкладыша. При невозможности извлечения таблетки без повреждений (слабопластичные материалы) СОП предварительно смешивают с борной кислотой или крахмалом в соотношении 1:1 и помещают в пресс-форму (без подложки). При этом общая масса навески образца-излучателя для изготовления таблетки должна быть 3-5 г.

.3 Построение градуировочного графика

Из приготовленных образцов-излучателей серии СОП выбирают 1 в качестве образца-репера, в котором массовая доля элементом находится в середине анализируемого диапазона.

Оставшиеся таблетки образцов-излучателей помещают поочередно в держатель спектрометра и измеряют интенсивность излучения определяемых элементом в импульсах за 100 секунд, которое регистрируется пересчетным устройством. Порядок и режим работы спектрометра - согласно технической документации на него.

После измерения интенсивности от трех таблеток каждого СОП ставят образец-репер. Таким образом, чередуя таблетки образцов-излучателей каждого СОП и репер, проводят измерения всей серии СОП.

Используя среднее арифметическое значение трех параллельных измерений интенсивности излучения образцов-излучателей Iсоп и репере Iр для каждого определяемого элемента, вычисляют относительную интенсивность СОП Rсоп по формуле:

Rсоп= Iсоп/Iр (3)

По полученным результатам определений строят градуировочные графики в координатах «относительная интенсивность - значение массовой доли элемента в СОП в процентах» или составляют калибровочные уравнения.

. Проведение анализа

Готовят две таблетки образца-излучателя анализируемой пробы тем же способом, который использовали при построении градуировочных графиков (составлении уравнений). Измеряют интенсивность излучения двух образцов-излучателей I1 и I2 и образца-репера Iр.

Вычисляют значения относительной интенсивности образцов-излучателей R1 и R2 по формуле (3).

. Обработка результатов

Массовую долю определяемых элементов в процентах, соответствующую значениям R1 и R2, определяют по соответствующему графику или калибровочному уравнению. За результат определения принимают среднее арифметическое найденных значений.

.2.2   Пооперационный контроль

Производственный контроль осуществляют в объемах и в сроки, установленные действующим на заводе технологическим регламентом.

При производственном контроле проверяется:

микроструктура клинкера (петрографический контроль), размер гранул клинкера, содержание кислорода и СО в отходящих газах;

температура клинкера на выходе из холодильника;

температура клинкера перед входом в мельницу и тонкость помола, химический состав цемента на выходе из мельницы (См. Приложение).

.2.3 Выходной контроль

Выходной контроль на данном этапе производства цемента заключается в контроле качества готового цемента, осуществляемого в несколько этапов:

1. Подготовка к испытаниям.

Пробы цемента до испытаний хранят в сухом помещении. Перед испытанием каждую пробу просеивают через сито. Остаток на сите взвешивают и отбрасывают. Массу остатка в процентах, а так же его характеристику (наличие комков, кусков металла) заносят в рабочий журнал. После просеивания пробу цемента перемешивают.

Испытания следует проводить в помещении с температурой воздуха (20 -2+3)0С и относительной влажностью не менее 50%. Температура воздуха и влажность должны ежедневно отмечаться в рабочем журнале.

Перед испытанием цемент, песок и воду выдерживают до принятия температуры помещения.

Для приготовления и хранения образцов используется питьевая вода.

2. МЕТОДИКА СЕРТИФИКАЦИОННОГО КОНТРОЛЯ

 

.1 Определение тонкости помола цемента по ГОСТ 310.2-76


.1.1 Определение тонкости помола цемента по остатку на сите

.1.1* Аппаратура

.1.1* Сито с сеткой № 008 по ГОСТ 6613.

Сетка должна быть хорошо натянута и плотно зажата в цилиндрической обойме. Сетку сита периодически осматривают в лупу. При обнаружении каких-либо дефектов в сетке (дырки, отход ткани от обоймы и т. д.) ее немедленно заменяют новой.

.1.1* Прибор для механического или пневматического просеивания цемента.

Указанные приборы должны отвечать требованиям соответствующих технических условий.

.1.2 Проведение испытаний

.1.2* Пробу цемента, подготовленную по ГОСТ 310.1, высушивают в сушильном шкафу при температуре 105-110°С в течение 2 ч и охлаждают в эксикаторе.

.1.2* При использовании прибора для механического просеивания отвешивают 50 г цемента с точностью до 0,05 г и высыпают его на сито. Закрыв сито крышкой, устанавливают его в прибор для механического просеивания. Через 5-7 мин от начала просеивания останавливают прибор, осторожно снимают донышко и высыпают из него прошедший через сито цемент, прочищают сетку с нижней стороны мягкой кистью, вставляют донышко и продолжают просеивание.

.1.2* Операцию просеивания считают законченной, если при контрольном просеивании сквозь сито проходит не более 0,05 г цемента.

Контрольное просеивание выполняют вручную при снятом донышке на бумагу в течение 1 мин.

.1.2*Тонкость помола цемента определяют как остаток на сите с сеткой № 008 в процентах к первоначальной массе просеиваемой пробы с точностью до 0,1 %.

.1.2* При использовании приборов для пневматического просеивания испытания выполняют в соответствии с инструкцией, прилагаемой к прибору.

.1.2* При отсутствии в лаборатории приборов для механического или пневматического просеивания цемента допускается производить ручное просеивание.

2.1.3 Определение тонкости помола цемента по удельной поверхности

2.1.3* Определение тонкости помола цемента по удельной поверхности выполняется факультативно.

.1.3* Аппаратура

.1.3* Прибор Ле-Шателье (чертеж).

Рисунок 1 - Прибор для определения плотности цемента

.1.3* Прибор для определения удельной поверхности методом воздухопроницаемости типа ПСХ, выпускаемый по соответствующим техническим условиям.

2.1.4 Определение плотности цемента

.1.4* Прибор Ле-Шателье, закрепленный в штативе, помещают в стеклянный сосуд с водой так, чтобы вся его градуированная часть была погружена в воду. Необходимо, чтобы при отсчетах уровня жидкости в приборе температура воды в сосуде соответствовала температуре, при которой производили градуировку прибора.

.1.4* Прибор наполняют обезвоженным керосином до нижней нулевой черты по нижнему мениску. После этого свободную от керосина часть прибора (выше нулевой черты) тщательно протирают тампоном из фильтровальной бумаги.

.1.4*От пробы цемента по п. 1.2.1 отвешивают 65 г цемента с точностью до 0,01 г и высыпают его в прибор ложечкой через воронку небольшими равномерными порциями до тех пор, пока уровень жидкости в приборе не поднимется до одного из делений в пределах верхней градуированной части прибора.

Для удаления пузырьков воздуха прибор с содержимым вынимают из сосуда с водой и поворачивают его в наклонном положении в течении 10 мин на гладком резиновом коврике. После чего прибор снова помещают в сосуд с водой не менее чем на 10 мин и производят отсчет уровня жидкости в приборе.

.1.4* Плотность цемента (gц), г/см3, вычисляют по формуле

,

где mц - навеска цемента, г;- объем жидкости, вытесненный цементом, см3.

Плотность испытуемого цемента вычисляют с точностью до 0,01 г/см3 как среднее арифметическое значение результатов двух определений, расхождение между которыми не должно превышать 0,02 г/см3.

.1.4* Допускается использование других методов определения плотности, обеспечивающих в соответствии с действующими для них инструкциями точность не менее ±0,01 г/см3.

.1.5 Определение удельной поверхности цемента

.1.5* Пробу цемента для испытаний

.1.5* Удельную поверхность цемента определяют в соответствии с инструкцией, прилагаемой к прибору.

Для проведения расчетов используют величину плотности цемента, определенную по п. 2.3.

.2 Определение нормальной густоты, сроков схватывания и равномерности изменения объема цемента по ГОСТ 310.3-76

2.2.1 Определение нормальной густоты цементного теста

2.2.1* Аппаратура

Прибор Вика с иглой и пестиком.

Кольцо к прибору Вика.

Мешалка для приготовления цементного теста.

.2.1* Прибор Вика (черт. 1) имеет цилиндрический металлический стержень 1, свободно перемещающийся в обойме станины 2. Для закрепления стержня на требуемой высоте служит стопорное устройство 3. Стержень снабжен указателем 4 для отсчета перемещения его относительно шкалы 5, прикрепленной к станине. Шкала имеет цену деления 1 мм.

При определении нормальной густоты цементного теста в нижнюю часть стержня вставляют металлический цилиндр-пестик 6.

При определении сроков схватывания пестик заменяют иглой 7.

Пестик должен быть изготовлен из нержавеющей стали с полированной поверхностью. Игла должна быть изготовлена из стальной жесткой нержавеющей проволоки с полированной поверхностью и не должна иметь искривлений. Поверхность пестика и иглы должна быть чистой.

Рисунок 2 - Прибор Вика

- цилиндрический металлический стержень; 2 - обойма станины;

- стопорное устройство; 4 - указатель; 5 - шкала; 6 - пестик; 7 - игла

Массу перемещающейся части прибора сохраняют взаимной перестановкой пестика и иглы. Отдельные детали перемещающейся части прибора подбирают таким образом, чтобы их общая масса находилась в пределах (300±2) г.

Размеры иглы и пестика должны соответствовать указанным на черт. 2 и 3.

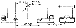
.2.1* Кольцо к прибору Вика и пластинка, на которую устанавливают кольцо, должны быть изготовлены из нержавеющей стали, пластмассы или другого не впитывающего воду материала. Форма и размеры кольца должны соответствовать указанным на черт. 4.

.2.1* Мешалка для приготовления цементного теста должна отвечать требованиям соответствующих технических условий.

.2.1* При отсутствии в лаборатории механизированной мешалки для приготовления цементного теста применяют чашу сферической формы (черт. 5), изготовленную из нержавеющей стали.

цемент сертификационный стандарт норма

Рисунок 3 - Рабочая часть иглы

Рисунок 4 - Рабочая часть пестика

Кольцо к прибору Вика

Рисунок 5 - Кольцо к прибору Вика

Лопатку для перемешивания цементного теста изготовляют из упругой нержавеющей стали. Основные размеры лопатки указаны на черт. 6.

Рисунок 6 - Чаша для затворений

Рисунок 7 - Лопатка для перемешивания

.2.2 Проведение испытаний

.2.2.* Нормальной густотой цементного теста считают такую консистенцию его, при которой пестик прибора Вика, погруженный в кольцо, заполненное тестом, не доходит на 5-7 мм до пластинки, на которой установлено кольцо.

Нормальную густоту цементного теста характеризуют количеством воды затворения, выраженным в процентах от массы цемента.

.2.2* Пробу цемента подготавливают по ГОСТ 310.1.

.2.2* Перед началом испытания проверяют, свободно ли опускается стержень прибора Вика, а также нулевое показание прибора, соприкасая пестик с пластинкой, на которой расположено кольцо. При отклонении от нуля шкалу прибора соответствующим образом передвигают.

Кольцо и пластинку перед началом испытаний смазывают тонким слоем машинного масла.

.2.2* Для ручного приготовления цементного теста отвешивают 400 г цемента, высыпают в чашу, предварительно протертую влажной тканью. Затем делают в цементе углубление, в которое вливают в один прием воду в количестве, необходимом (ориентировочно) для получения цементного теста нормальной густоты. Углубление засыпают цементом и через 30 с после прилипания воды сначала осторожно перемешивают, а затем энергично растирают тесто лопаткой.

Продолжительность перемешивания и растирания составляет 5 мин с момента приливания воды.

Цементное тесто на механической мешалке готовят в соответствии с прилагаемой к мешалке инструкцией.

.2.2* После окончания перемешивания кольцо быстро наполняют в один прием цементным тестом и пять-шесть раз встряхивают его, постукивая пластинку о твердое основание. Поверхность теста выравнивают с краями кольца, срезая избыток теста ножом, протертым влажной тканью. Немедленно после этого приводят пестик прибора в соприкосновение с поверхностью теста в центре кольца и закрепляют стержень стопорным устройством, затем быстро освобождают его и предоставляют пестику свободно погружаться в тесто. Через 30 с с момента освобождения, стержня проводят отсчет погружения по шкале. Кольцо с тестом при отсчете не должно подвергаться толчкам. При несоответствующей консистенции цементного теста изменяют количество воды и вновь затворяют тесто, добиваясь погружения пестика на глубину. Количество добавляемой воды для получения теста нормальной густоты определяют с точностью до 0,25 %.

2.2.3 Определение сроков схватывания

2.2.3*Аппаратура

Аппаратура - по п. 1.1.

Автоматический прибор для определения сроков схватывания.

.2.4 Проведение испытаний

.2.4* Перед началом испытания проверяют, свободно ли опускается стержень прибора Вика, а также нулевое отклонение прибора, как указано в п. Кроме того, проверяют чистоту, поверхности и отсутствие искривлении иглы. Иглу прибора доводят до соприкосновения с поверхностью цементного теста нормальной густоты, приготовленного и уложенного в кольцо. В этом положении закрепляют стержень стопором, затем освобождают стержень, давая игле свободно погружаться в тесто. В начале испытания, пока тесто находится в пластичном состоянии, во избежание сильного удара иглы о пластинку допускается слегка ее задерживать при погружении в тесто. Как только тесто загустеет настолько, что опасность повреждения, иглы будет исключена, игле дают свободно опускаться. Момент начала схватывания определяют при свободном опускании иглы.

Иглу погружают в тесто через каждые 10 мин, передвигая кольцо после каждого погружения для того, чтобы игла не попадала в прежнее место. После каждого погружения иглу вытирают.

Во время испытания прибор должен находиться в затененном месте, где нет сквозняков, и не должен подвергаться сотрясениям.

.2.4* Началом схватывания цементного теста считают время, прошедшее от начала затворения (момента прилипания воды) до того момента, когда игла не доходит до пластинки на 2-4 мм. Концом схватывания цементного теста считают время от начала затворения до момента, когда игла опускается в тесто не более чем на 1-2 мм.

.2.4* Сроки схватывания цементного теста на приборе с автоматической записью определяют в соответствии с инструкцией, прилагаемой к прибору.

2.2.5 Определение равномерности изменения объема цемента

2.2.5* Аппаратура

Аппаратура - по п. 1.1.

Автоклав с рабочим давлением не менее 2,1 МПа.

Бачок для испытания кипячением.

Ванна с гидравлическим затвором.

.2.5* Бачок для испытания кипячением с регулятором уровня воды. Внутри бачка помещают съемную решетчатую полку для лепешек, которая находится на расстоянии не менее 5 см от дна бачка. Уровень воды в бачке должен перекрывать лепешки на 4-6 см в течение всего времени кипячения. Бачок с водой нагревают на любом нагревательном приборе, обеспечивающем доведение воды в бачке до кипения за 30-45 мин.

.2.5* Ванны с гидравлическим затвором для хранения образцов (черт. 7) изготавливают из стойкого к коррозии материала (оцинкованная сталь). В ваннах устанавливают решетки для размещения на них образцов. Под решеткой всегда должна быть вода.

Рисунок 8 - Ванна с гидравлическим затвором

.2.6 Проведение испытаний

.2.6* Для испытания на равномерность изменения объема цемента готовят тесто нормальной густоты согласно пп. 1.2.4 и 1.2.5.

Две навески теста массой 75 г каждая, приготовленные в виде шариков, помещают на стеклянную пластинку, предварительно протертую машинным маслом. Постукивают ею о твердое основание до образования из шариков лепешек диаметром 7-8 см и толщиной в середине около 1 см. Лепешки заглаживают смоченным водой ножом от наружных краев к центру до образования острых краев и гладкой закругленной поверхности.

.2.6* Приготовленные по п. 3.2.1 лепешки хранят в течение (24±2) ч с момента изготовления в ванне с гидравлическим затвором, а затем подвергают испытанию кипячением.

.2.6* По истечении времени хранения по п. 3.2.2. две цементные лепешки вынимают из ванны, снимают с пластинок и помещают в бачок, с водой на решетку. Воду в бачке доводят до кипения, которое поддерживают в течение 3 ч, после чего лепешки в бачке охлаждают и производят их внешний осмотр немедленно после извлечения из воды.

.2.6* Цемент соответствует требованиям стандарта в отношении равномерности изменения объема, если на лицевой стороне лепешек не обнаружено радиальных, доходящих до краев, трещин или сетки мелких трещин, видимых невооруженным глазом или в лупу, а также каких-либо искривлений и увеличения объема лепешек. Искривления обнаруживают при помощи линейки, прикладываемой к плоской поверхности лепешки, при этом обнаруживаемые искривления не должны превышать 2 мм на краю или в середине лепешки. Допускается в первые сутки после испытаний появление трещин усыхания, не доходящих до краев лепешек, при условии сохранения звонкого звука при постукиваний лепешек одна о другую. Образцы лепешек, выдержавших и не выдержавших испытание на равномерность изменения объема, приведены на рис. 9.

Лепешки, выдержавшие испытания на равномерность изменения объема


Лепешки, не выдержавшие испытания на равномерность изменения объема

Разрушение Радиальные трещины


Лепешки, не выдержавшие испытания на равномерность изменения объема

Искривление

Лепешки, выдержавшие испытания на равномерность изменения объема

Трещины усыхания

Рисунок 9 - Схемы испытательных лепешек

.2.6* В случае, когда содержание оксида магния MgО в клинкере, из которого был изготовлен испытуемый цемент, составляет более 5 %, следует дополнительно провести испытание равномерности изменения объема в автоклаве. Это испытание проводят только для цементов, выдержавших испытание.

Лепешку из теста, приготовленную и хранимую, вместо кипячения подвергают обработке в автоклаве по следующему режиму: подъем давления от атмосферного до 2,2 МПа - в течение 60-90 мин, выдержка при давлении 2,1 МПа - в течение 3 ч, снижение давления от 2,1 МПа от атмосферного - около 60 мин. После этого лепешку извлекают из автоклава, охлаждают до температуры помещения и немедленно ее осматривают.

2.2.6 Проверка аппаратуры

2.2.6* Поверке подлежит прибор Вика для определения нормальной густоты и сроков схватывания цементного теста.

.2.6* Поверку проводят в соответствии с утвержденными инструкциями с периодичностью не реже одного раза в год.

.2.6* Поверяемые параметры прибора Вика приведены в таблице.

Таблица 1

Поверяемые параметры прибора Вика

Поверяемые узлы или детали

Поверяемые параметры

1. Игла

Диаметр, отсутствие искривлений

2. Пестик

Диаметр

3. Кольцо

Размеры

4. Падающие части в сборе

Масса


.3 Определение предела прочности при изгибе и при сжатии по ГОСТ 310.4-81

2.3.1 Аппаратура

Мешалка для перемешивания цементного раствора.

Чаша и лопатка.

Встряхивающий столик и форма-конус.

Штыковка.

Формы для изготовления образцов-балочек.

Насадка к формам.

Вибрационная площадка.

Прибор для испытания на изгиб образцов-балочек.

Пресс для определения предела прочности при сжатии.

Пластинки для передачи нагрузки.

Пропарочная камера.

.3.2 Мешалка для перемешивания цементного раствора

la. Для перемешивания цементного раствора применяют лопастную мешалку. Ее схема, взаимное расположение, размеры и предельные отклонения размеров лопастей и чаши приведены на черт. 1а.

Рисунок 10 - Схеме лопастной мешалки

- чаша; 2 - ведомая лопасть; 3 - ведущая лопасть; 4- лопасть-скребок

В систему лопастей сходят две активные (ведущая и ведомая) и одна пассивная (лопасть-скребок). Все три лопасти совершают планетарное вращение относительно оси чаши, а активные лопасти, кроме того, вращаются вокруг собственных осей во встречных направлениях.

Частота вращения лопастей составляет, мин-1:

- планетарного  40±2

осевого:

ведущей лопасти  80±4

ведомой лопасти  160±8.

Лопасть-скребок должна соприкасаться с поверхностью чаши.

Рабочие части лопастей могут быть защищены сменными протекторами, в качестве которых используют трубки из резины или других эластичных, износостойких и коррозионно-стойких в среде цементного раствора материалов.

Для перемешивания цементного раствора допускается применять бегунковую мешалку.

Схема бегунковой мешалки, основные размеры и их предельные отклонения приведены на черт. 1.

Рисунок 11 - Мешалка для перемешивания цементного раствора

- основание; 2 - чаша; 3 - ось чаши; 4 - ось бегунка; 5 -бегунок

Масса деталей мешалки, допустимые отклонения при изготовлении и износе должны соответствовать указанным в таблице.

Таблица 2

Масса деталей мешалки, в килограммах

Наименование детали

Номинальная масса

Предельная масса, допускаемая при



изготовлении

износе, не менее



не более

не менее


1. Бегунок с шестеренкой без оси

19,1

19,4

19,1

18,5

2. Бегунок с шестеренкой и осью

21,5

22,0

21,5

20,9


Частота вращения чаши должна быть (8±0,5) мин-1, а валика мешалки - (72±5) мин-1. Число оборотов чаши мешалки при перемешивании каждой пробы должно быть 20, после чего мешалка автоматически отключается.

.2. Чаша и лопатка - по ГОСТ 310.3 - (при использовании бегунковой мешалки)

.3.3 Встряхивающий столик и форма-конус

Конструкция столика должна обеспечивать плавный без перекосов подъем подвижной части на высоту (10±0,5) мм и ее свободное падение с этой высоты до удара о неподвижную преграду. Масса перемещающейся части столика должна быть (3500±100) г при изготовлении.

Число встряхиваний за рабочий цикл определения расплыва должно составлять 30 с периодичностью одно встряхивание в секунду.

Пример конструкции столика приведен на черт. 2. При помощи кулачка 1, получающего движение от привода, перемещающаяся часть, состоящая из диска 2 и штока 3, поднимается на заданную высоту и затем совершает свободное падение до удара о неподвижную преграду -станину 4. Диск 2 должен быть выполнен из коррозионно-стойкого металла со шлифованной рабочей поверхностью.

Столик должен быть установлен горизонтально и закреплен на фундаменте либо на металлической плите массой не менее 30 кг. Отклонение от горизонтальности рабочей поверхности диска столика не должна превышать 1 мм на диаметр 200 мм.

Форму-конус с центрирующим устройством 5, обеспечивающим точную установку формы на диске столика и предохраняющим ее от смещения в процессе штыкования раствора, и насадку 6 изготовляют из коррозионно-стойких материалов; их основные размеры приведены на черт. 2.

Эксцентриситет установки формы-конуса с центрирующим устройством относительно оси столика не должен быть более 1 мм при изготовлении.

Встряхивающий столик и форма-конус

Рисунок 11 - Встряхивающий столик и форма-конус

- кулачок; 2 - диск; 3 - шток; 4 - станина; 5 - форма-конус с центрирующим устройством; 6 -насадка

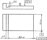
.3.3* Штыковка (черт. 3) для уплотнения раствора в форме-конусе должна быть изготовлена из стали с твердостью не менее 45 НRСэ.

Рисунок 13 - Штыковка: 1 - стержень; 2 - рукоятка

Масса штыковки составляет (350±20) г.

Рукоятку рекомендуется изготовлять из неметаллического малогигроскопичного материала.

.3.3* Разъемные формы для образцов-балочек (черт. 4) изготовляют из материалов, удовлетворяющих условиям их эксплуатации и обеспечивающих жесткость форм и стабильность размеров образцов.

Продольные и поперечные стенки формы должны при закреплении плотно прилегать друг к другу и к поддону, не допуская при изготовлении образцов вытекания воды из формы.

Пределы допускаемого износа стенок форм не более 0,2 мм по ширине и высоте.

Рисунок 14 - Формы для изготовления образцов-балочек

.3.3* Устройства, используемые для разъема и чистки форм, должны обеспечивать выполнение соответствующей операции без повреждения образцов и деталей формы.

.3.3* Насадка к формам балочек (черт. 5) должна обеспечивать плотное прижатие стенок формы к ее основанию и формы в целом к столу вибрационной площадки.

Окно насадки по размерам должно соответствовать внутреннему контуру формы.

Допускается применять насадку с разделительными перегородками.

Рисунок 15 - Насадка к формам балочек

.3.3* Вибрационная площадка для уплотнения цементного раствора в формах балочек должна иметь вертикальные колебания с амплитудой (0,35±0,03) мм, частотой колебаний 3000-200 в минуту и быть укомплектована реле времени.

.3.4 Прибор для испытания на изгиб

Для испытания образцов балочек на изгиб могут быть использованы приборы любой конструкции, удовлетворяющие следующим требованиям.

Средняя скорость нарастания испытательной нагрузки на образец должна быть (0,05±0,01) кН/с [0,12±0,02) МПа/с в пересчете на единицу площади приведенного сечения балочки]. Захват для установки образца должен быть снабжен цилиндрическими элементами, изготовленными, из стали твердостью 56 ... 61 HRCэ.

Нижние опорные элементы должны иметь возможность поворота относительно горизонтальной оси, лежащей на нижней опорной плоскости образца и являющейся осью ее продольной симметрии.

Схема расположения образца на опорных элементах, их форма, размеры и взаимное расположение приведены на черт. 6.

Рисунок 16 - Схема расположения образца на опорных элементах

.3.4* Для определения предела прочности образцов при сжатии могут быть использованы прессы, любой конструкции с предельной нагрузкой до 500 кН, удовлетворяющие техническим требованиям ГОСТ 28840 и обеспечивающие нагружение образца в режиме чистого сжатия.

Для компенсации пространственной непараллельности опорных граней образца пресс должен иметь подвижную шаровую опору. Допускается применять шаровые опоры любой конструкции, обеспечивающей возможность проведения поверки пресса. Пресс должен быть снабжен приспособлением для центрированной установки нажимных пластинок, передающих нагрузку на образец.

.3.4* Нажимные пластиной для передачи нагрузки на половинки образцов-балочек должны быть изготовлены из стали твердостью 56 ... 61 НRСэ. Форма и размеры пластинки приведены на черт. 7.

Пластинки для передачи нагрузки на половинки образцов-балочек

При наличии приспособлений, обеспечивающих фиксацию пластинок на верхней и нижней опорных плитах пресса в отцентрированном и совпадающем при прижиме по периметру рабочих плоскостей положении, их допускается изготовлять без упоров.

Черт. 7

При этом взаимное смещение вертикальных граней пластин не должно быть более 0,5 мм, а на расстоянии 3+1,5 мм от одной из торцевых граней нижней или верхней пластинки должен находиться упор, определяющий положение балочки и не препятствующий деформациям образца при испытании.

.3.4* Конструкция пропарочной камеры должна обеспечивать создание в ней среды насыщенного пара заданной температуры.

.3.4.4. Порядок поверки аппаратуры приведен в приложении 2.

2.3.5 Проведение испытания

2.3.5* Определение консистенции цементного раствора

.3.5* Для определения консистенции цементного раствора отвешивают 1500 г нормального песка по ГОСТ 6139, 500 г и 200 г воды (В/Ц=0,40). Компоненты загружают в предварительно протертую влажной тканью чашу лопастной мешалки в следующей последовательности: песок, вода, цемент. Чашу устанавливают на мешалку и производят перемешивание в течение (120±10) с.

При использовании бегунковой мешалки отвешенные песок и цемент высыпают в предварительно протертую мокрой тканью сферическую чашу, перемешивают цемент с песком лопатой в течение 1 мин.

Затем в центре сухой смеси делают лунку, вливают в нее воду в количестве 200 г (В/Ц=0,40), дают воде впитаться в течение 0,5 мин и перемешивают смесь в течение 1 мин.

.3.5* При применении бегунковой мешалки допускается перемешивать цемент и песок до и после приливания воды в мешалках, обеспечивающих хорошее перемешивание раствора и не изменяющих зерновой состав песка.

.3.5* При применении бегунковой мешалки раствор переносят в предварительно протертую мокрой тканью чашу мешалки и перемешивают в последней в течение 2,5 мин (20 оборотов чаши мешалки).

.3.5* Форму-конус с центрирующим устройством устанавливают на диск встряхивающего столика. Внутреннюю поверхность конуса и диск столика перед испытанием протирают влажной тканью.

.3.5* По окончании перемешивания заполняют раствором форму-конус на половину высоты и уплотняют 15 штыкованиями металлической штыковкой. Затем наполняют конус раствором с небольшим избытком и штыкуют 10 раз.

После уплотнения верхнего слоя избыток раствора удаляют ножом, расположенным под небольшим углом к торцевой поверхности конуса, заглаживая с нажимом раствор вровень с краями конуса, затем конус снимают в вертикальном направлении. Нож предварительно протирают влажной тканью.

.3.5* Раствор встряхивают на столике 30 раз за (30±5) с, после чего штангенциркулем измеряют диаметр конуса по нижнему основанию и двух взаимно перпендикулярных направлениях и берут среднее значение. Расплыв конуса с В/Ц=0,40 должен быть в пределах 106-115 мм. Если расплыв конуса окажется менее 106 мм, количество воды увеличивают для получения расплыва конуса 106-108 мм. Если расплыв конуса окажется более 115 мм, количество воды уменьшают для получения расплыва конуса 113-115 мм.

Водоцементное отношение, полученное при достижении расплыва конуса 106-115 мм, принимают для проведения дальнейших испытаний.

.3.6 Определение предела прочности при изгибе и сжатии

.3.6* Непосредственно перед изготовлением образцов внутреннюю поверхность стенок форм и поддона слегка смазывают машинным маслом. Стыки наружных стенок друг с другом и с поддоном формы промазывают тонким слоем солидола или другой густой смазки.

На собранную форму устанавливают насадку и промазывают снаружи густой смазкой стык между формой и насадкой.

.3.6* Для определения прочностных характеристик цементов изготавливают образцы-балочки из цементного раствора, приготовленного как указано в пп. 2.1.1 и 2.1.2, с В/Ц=0,40 и консистенцией, характеризуемой расплывом конуса 106-115 мм. Если при В/Ц=0,40 расплыв конуса менее 106 или более 115 мм, образцы изготовляют при водоцементном отношении, определенном по п. 2.1.5.

.3.6* Для каждого установленного срока испытаний изготовляют по три образца (одна форма).

Форму по высоте наполняют приблизительно на 1 см раствором и включают вибрационную площадку. В течение первых 2 мин вибрации все три гнезда формы равномерно небольшими порциями заполняют раствором. По истечении 3 мин от начала вибрации виброплощадку отключают. Форму снимают с виброплощадки и избыток раствора удаляют ножом расположенным под небольшим углом к поверхности укладки, заглаживая, с нажимом раствор вровень с краями формы. Образцы маркируют. Нож предварительно должен быть протерт влажной тканью.

.3.6* После изготовления образцы в формах хранят (24±1) ч в ванне с гидравлическим затвором или в шкафу, обеспечивающем относительную влажность воздуха не менее 90%.

.3.6* По истечении времени хранения указанного в п. 2.2.5, образцы осторожно расформовывают и укладывают в ванны с питьевой водой и горизонтальном положении так, чтобы они не соприкасались друг с другом.

Вода должна покрывать образцы не менее чем на 2 см. Воду меняют через каждые 14 сут. Температура ее при замене должна быть (20±2)°С; как и при хранении образцов.

.3.6* Образцы, имеющие через (24±1) ч прочность, недостаточную для расформовки их без повреждения, допускается вынимать из формы через (48±2) ч, указывая этот срок в рабочем журнале.

.3.6* По истечении срока хранения образцы вынимают из воды и не позднее чем через 30 мин подвергают испытанию. Непосредственно перед испытанием образцы должны быть вытерты.

.3.7 Определение предела прочности при изгиб

Образец устанавливают на опорные элементы прибора таким образом, чтобы его горизонтальные при изготовлении грани находились в вертикальном положении. Схема расположения образца на опорных элементах показана на черт. 6. Образцы испытывают в соответствии с инструкцией, приложенной к прибору.

.3.7* Предел прочности при изгибе вычисляют как среднее арифметическое значение двух наибольших результатов испытания трех образцов.

.3.8 Определение предела прочности при сжатии

Полученные после испытания на изгиб шесть половинок балочек сразу же подвергают испытанию на сжатие. Половинку балочек помещают между двумя пластинками таким образом, чтобы боковые грани, которые при изготовлении прилегали к стенкам формы, находились на плоскостях пластинок, а упоры пластинок плотно прилегали к торцевой гладкой плоскости образца (черт.8). Образец вместе с пластинами центрируют на опорной плите пресса. Средняя скорость нарастания нагрузки при испытании должна быть (2,0±0,5) МПа/с. Рекомендуется использовать приспособление, автоматически поддерживающее стандартную скорость нагружения образца.

Положение образца между нажимными пластинками при испытании на сжатие

Черт. 8: 1 - нижняя плита пресса; 2 - пластинки; 3 - верхняя плита пресса

.3.8* Предел прочности при сжатии отдельного образца вычисляют как частное от деления величины разрушающей нагрузки (в кгс) на рабочую площадь пластинки (в см2) т. е. на 25 см2.

.3.8* Предел прочности при сжатии вычисляют как среднее арифметическое значение четырех наибольших результатов испытания шести образцов.

.3.9. Определение прочности цемента при пропаривании

.3.9* Образцы для определения прочности цемента, при пропаривании изготовляют в соответствии с пп. 2.1 и 2.2. Для предохранения поверхности образца от попадания конденсата формы накрывают пластинами, выполненными из коррозионно-стойких материалов и не оказывающими давления на образцы. Формы с образцами помещают в пропарочную камеру, где выдерживают в течение (120±10) мин при температуре (20±3)°С (при отключенном подогреве).

.3.9* Пропарку ведут по следующему режиму:

равномерный подъем температуры до (85±5)°С ... (180±10) мин

изотермический прогрев при температуре (85±5)°С ... (360±10) мин

остывание образцов при отключенном подогреве ... (120±10) мин.

Затем открывают крышку камеры.

.3.9* Через (24 ± 2) ч с момента изготовления образцы расформовывают и сразу же испытывают в соответствии с п. 2.2.

2.3.10 Поверка аппаратуры

2.3.10* Поверке подлежат:

мешалка для перемешивания цементного раствора;

встряхивающий столик и форма-конус;

штыковка;

формы для изготовления образцов-балочек;

вибрационная площадка;

прибор для определения предела прочности образцов при изгибе;

пресс для определения предела прочности образцов при сжатии;

пластинки для передачи нагрузки на половинки образцов-балочек.

.3.10* Поверку проводят в соответствии с утвержденными инструкциями с периодичностью не реже одного раза в год.

.3.10* Поверяемые параметры аппаратуры приведены в таблице.

Объект поверки

Поверяемые узлы или детали

Поверяемые параметры

1. Мешалка лопастная для перемешивания цементного раствора

Лопасти активные (без протекторов)

Диаметр описанной окружности, размеры сторон сечения


Лопасть пассивная (без протектора)

Размеры сторон сечения, длина горизонтальной части

2. Мешалка бегунковая для перемешивания цементного раствора

Бегунок

Диаметр, ширина, радиус закругления


Ось с бегунком в сборе

Масса


Чаша

Диаметр вписанного круга (в профиле чаши)


Механизм в сборе

Частота вращения чаши в минуту, частота вращения бегунка в минуту, зазор между дном чаши и нижней точкой поверхности бегунка, расстояние от центра вращения чаши до средней вертикальной плоскости бегунка

3. Встряхивающий столик

Механизм в целом

Высота подъема падающих частей, полное число встряхиваний за рабочий цикл (для автоматических столиков), отклонение от горизонтальности рабочей поверхности диска

4. Форма-конус с центрирующим устройством


Размеры

5. Штыковка


Размеры рабочей части

6. Форма для изготовления образцов-балочек


Внутренние размеры; параллельность стенок

7. Вибрационная площадка


Амплитуда колебании

8. Прибор для определения предела прочности при изгибе

Опорные и передающие нагрузку элементы

Размеры элементов и их взаимное расположение


Прибор в целом

Точность воспроизведения нагрузок

9. Пресс для определения предела прочности при сжатии


Точность воспроизведение нагрузок

10. Пластинки для передачи нагрузки на половинки образцов-балочек


Состояние рабочей поверхности, размеры, плоскостность рабочей поверхности, перпендикулярность боковых граней


.4 Определения тепловыделения цемента по ГОСТ 310.5-88

 

2.4.1 Средства измерений

.4.1* Калориметр изотермический теплопроводящий «ЦЕМЕНТ ТГЦ 1М» по соответствующей нормативно-технической документации (НТД). Принцип действия и принципиальная схема калориметра приведены в приложении 1.

Допускается применение изотермических теплопроводящих калориметров других типов, прошедших государственные испытания по ГОСТ 8.001* или метрологическую аттестацию по ГОСТ 8.326*, при соблюдении требований настоящего стандарта.

.4.1* Весы лабораторные 3-го класса точности по ГОСТ 24104** с наибольшим пределом взвешивания 200 г.

.4.1* Термометр 1-й группы по ГОСТ 27544.

.4.1* Гигрометр по ГОСТ 12997.

.4.1* Допускается применение других весов, термометров и гигрометров, не уступающих по метрологическим характеристикам средствам измерений, указанным в пп. 1.2-1.4.

.4.1* Вода, дистиллированная по ГОСТ 6709.

2.4.2 Подготовка и проведение испытания

2.4.2* Пробу цемента отбирают по ГОСТ 30515 и доставляют в лабораторию в плотно закрытой таре, защищающей цемент от увлажнения и загрязнения посторонними примесями. В рабочем журнале записывают вид и состояние тары.

.4.2* Испытания следует проводить в помещениях с температурой воздуха (20±5) °С и относительной влажностью не менее 50 % и не более 80 %.

.4.2* Перед испытанием цемент и воду выдерживают до принятия ими температуры помещения.

.4.2* Место расположения калориметра не должно подвергаться ударам и вибрации, освещаться прямыми лучами солнца.

.4.2* При проведении испытания должны быть соблюдены следующие требования:

) водоцементное отношение В/Ц = 0,50 ± 0,01;

) номинальная температура в термостате (20±1)°С;

) допускаемый предел абсолютной погрешности определения тепловыделения не должен быть более 30 кДж/кг, а его мощности - более 1·10-3 кВт/кг.

.4.2* Измерения на изотермическом теплопроводящем калориметре выполняют в соответствии с указаниями эксплуатационной документации калориметра в течение 72 ч (3 сут).

.4.2* Тепловыделение цемента в возрасте 7 сут определяют методом экстраполяции экспериментальных данных, полученных в возрасте 3 сут согласно приложению 2.

2.4.3 Обработка результатов

2.4.3* Удельную мощность тепловыделения (Wt) в момент времени (t) в киловаттах на килограмм определяют по формуле

Wt = ELwt, (1)

где Е -цена деления диаграммной ленты, кВт/(кг·дел.);

Lwt - значение отклонения пера самописца, дел.

Удельное тепловыделение (qt) ко времени (t) в килоджоулях на килограмм определяют по формуле

qt =ANt, (2)

где А - цена одного сброса пера самописца, кДж/кг;

Nt - число сбросов на ленте самописца.

.4.3* Цену одного деления диаграммной ленты самописца (Е) и цену одного сброса пера самописца (А) устанавливают при наладке калориметра в соответствии с НТД.

.4.3* Значение отклонения пера самописца (Lwt) и число сбросов (Nt) определяют по диаграммной ленте самописца, вид которой приведен на черт. 1.

Задавшись значением требуемого времени гидратации (t) в часах, вычисляют соответствующую длину диаграммной ленты (lt) и миллиметрах с момента начала измерения по формуле

lt = vt, (3)

где v- скорость протяжки диаграммной ленты, мм/ч.

Делают соответствующую отметку (t) и измеряют значение отклонения пера самописца (Lwt) в делениях диаграммной ленты у этой отметки.

Подсчитывают число сбросов (Nt) самописца к моменту времени (t).

.4.3* Примеры расчета и таблицы результатов вычислений приведены в приложении 3.

.4.3* Результаты измерении тепловыделения цемента и его мощности оформляют протоколом.

Черт. 1: 1 - кривая отклонения пера самописца; 2 - сброс пера самописца

2.4.4 Поверка средств измерении

2.4.4* Поверку изотермического калориметра «ЦЕМЕНТ ТГЦ 1М» производят согласно действующим методическим указаниям при помощи стандартных образцов теплоты гидратации цемента.

Поверку изотермических теплопроводящих калориметров других типов, проводят согласно действующим на них методическим указаниям в том же порядке.

.4.4* Периодичность поверки калориметров - один раз в 2 года.

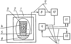
Принцип действия и принципиальная схема калориметра «цемент тгц 1м»

Действие калориметра основано на возникновении на входящих в его состав тепломерах электронапряжения, обусловленного тепловым потоком, направленным от камеры с ячейками с гидратирующимся цементом через тепломеры к массивному теплоотводу.

Сигнал напряжения от тепломеров через коммутатор, предварительный усилитель и калибратор поступает на вход самописца и одновременно на вход интегратора дискретного типа.

Возникающее на тепломерах напряжение пропорционально мощности тепловыделения цемента при гидратации и характеризуется значением величины отклонения пера самописца от нулевой линии.

Тепловыделение цемента определяют после интегрирования мощности тепловыделения по времени, которое автоматически производится интегратором. После выделения цементом определенного количества теплоты интегратор посылает выходной импульс на вход самописца, который регистрирует его кратковременным сбросом пера.

Схема калориметра приведена на черт. 2.

Черт. 2

- термостат; 2 - калориметрический блок; 3 - камера; 4 - ячейка; 5 - тепломер; 6 - теплоотвод; 7 - соединительные кабель; 8 - коммутатор; 9 - калибратор; 10 - предварительный усилитель; 11 - самописец; 12 - интегратор

Экстраполяция экспериментальных данных

Экстраполяцию результатов измерения от 3 до 7 сут (от 72 до 168 ч) выполняют следующим образом.

Определяют значения тепловыделения цемента от 2 до 72 ч и десятичные логарифмы значении времени и тепловыделения до третьего знака после запятой.

Полученные результаты оформляют в виде таблицы.

Пример

t, ч

lg t

qt, КДж/кг

lg qt

2

0,301

13

1,113

4

0,602

16

1,204

6

0,778

20

1,301

...

...

...

...

72

1,857

205

2,312


По данным таблицы в масштабе «одна единица третьего знака после запятой значения десятичного логарифма в 1 мм» строят график зависимости lg qt = f(lgt), начиная от t = 72 ч в сторону уменьшения, пока график не перестает быть прямой линией (черт. 3).

Черт. 3

Определяют значение коэффициента (k) как тангенс угла наклона (a) прямолинейного участка. Значение (k) округляют до трех значащих цифр.

Значение тепловыделения цемента () в килоджоулях на килограмм ко времени экстраполяции (tэ) в часах определяют по формуле

, (4)

где q72 - экспериментальное значение тепловыделения ко времени 72 ч, кДж/кг.

Пример. По экспериментальным данным при t = 72 ч получено значение q72 = 205 кДж/кг. В логарифметических координатах строят график, по которому определяют Dlgqt = 0,420; Dlgt = 0,631 и k = 0,420/0,631 = 0,668. Тогда ко времени tэ = 168 ч но формуле (4) получают

q168 = 205(168:72)0,668 = 361 кДж/кг.

Примечание. Если график зависимости lgqt = f(lgt) не прямолинеен, то экстраполяцию не осуществляют, экспериментальное определение продолжают до заданного времени. Максимальное время определения 168 ч.

Пример расчета тепловыделения цемента и его мощности

При скорости протяжки диаграммной ленты самописца v = 20 мм/ч, цене ее деления Е = 1,25×10-4 кВт/(кг·дел.) и цене одного сброса пера самописца А = 1,0 кДж/кг для времени гидратации t =12 ч вычисляем соответствующую длину диаграммной ленты l12 = 20×12 = 240 мм.

Отмечаем на ленте отрезок l12 = 240 мм.

Пусть значение величины отклонения пера самописца  = 41 дел. и число его сбросов N12= 38, тогда:

W12 = l,25×10-4×41= 5×10-3 кВт/кг;

q12 = 1,0×38 = 38 кДж/кг.

Полученные результаты оформляют в виде таблицы.

t, ч

Wt, кВт/кг

qt, кДж/кг

2



4



6



...



72




.5 Определение водоотделения цемента по ГОСТ 310.6-85

2.5.1 Аппаратура

Фарфоровый стакан вместимостью 1 дм3.

Металлический шпатель.

Весы квадрантные ВЛКТ-2 кг-М.

Градуированный стеклянный цилиндр вместимостью 500 см3 по ГОСТ 1770.

 

.5.2 Проведение испытания

2.5.2* Общие условия проведения испытания и точность отвешивания материалов должны соответствовать требованиям ГОСТ 310.1.

.5.2* Отвешивают 350 г цемента и 350 г воды. Воду выливают в фарфоровый стакан, затем в стакан в течение 1 мин высыпают навеску цемента, непрерывно перемешивая содержимое металлическим шпателем. Полученное цементное тесто перемешивают еще 4 мин и осторожно переливают в градуированный цилиндр. Цилиндр с цементным тестом ставят на стол и тотчас же отсчитывают объем цементного теста. В течение всего времени испытаний цилиндр должен стоять неподвижно и не подвергаться толчкам и встряхиванием.

Объем осевшего цементного теста (в мл) отмечают через 2 ч после первого отсчета и через каждые 30 мин при дальнейших наблюдениях. При совпадении двух последних отсчетов дальнейшее наблюдение прекращают, а содержимое цилиндра выливают.

 

.5.3 Обработка результатов

2.5.3* Коэффициент водоотделения (объемный) (Кв) в процентах вычисляют по формуле

,

где а - первоначальный объем цементного теста, см3;

в - объем осевшего цементного теста, см3.

Производят два параллельных определения. Водоотделение определяют как среднее из двух определений. Отклонение в результатах параллельных определений не должно превышать 1%.

3. ОЦЕНКА КАЧЕСТВА ПРОДУКЦИИ

В результате проведенных испытании были проверены испытания, полученные данные занесли в протокол нормативные данные изложены в ГОСТ 310.1-76, ГОСТ 310.2-76, ГОСТ 310.3-76, ГОСТ 310.4-81, ГОСТ 310.5-88, ГОСТ 310.6-85, 31108-2003.

.1 Политикой в области обеспечения качества центра сертификационных испытаний (далее ЦСИ) РГПК «Восточно-Казахстанский государственный технический университет им. Д. Серикбаева» (далее ВКГТУ) является предотвращение выпуска и использования предприятиями строительных конструкций и материалов некачественных, опасных для человека и окружающей среды.

.2 Основными направлениями в области качества являются:

· осуществление своей деятельности в целях реализации Законов Республики Казахстан «О стандартизации» и «О сертификации», «Об обеспечении единства измерений»;

· формирование системы качества и ее совершенствование.

3.3 Принятая политика в области качества ставит следующие задачи:

обеспечить высокое качество проводимых испытаний, согласно области аккредитация;

· постоянно проводить работу по совершенствованию организации труда и повышению квалификации персонала ЦСИ;

· содействовать обеспечению благоприятного морально-психологического климата в коллективе.

3.4 Организационно- технические ресурсы ЦСИ

Для реализации политики в области обеспечения качества в ЦСИ имеются ниже следующие ресурсы:

3.4.1 Организационно- методические:

· межгосударственные и государственные стандарты, устанавливающие требования к качеству сертифицируемой продукции и методам ее испытаний;

· стандарты, руководящие документы Государственной системы сертификации Республики Казахстан;

· положение о ЦСИ.

3.4.2 Физические:

· производственные помещения, обеспечивающие необходимые и достаточные условия для проведения испытаний продукции;

· испытательное оборудование, приборы и средства измерений, необходимые для работы персонала;

· вспомогательные материалы, используемые для проведения испытаний;

· необходимые виды энергии.

3.4.3 Технические:

·оргтехника;

·вычислительная техника.

.4.4 Человеческие:

ЦСИ располагает штатом сотрудников, имеющих необходимый уровень квалификации.

3.5 Управление обеспечением качества работ

.5.1 Управление обеспечением качества работ реализуется путем использования положений и инструкций, изложенных в данном документе.

.5.2 Требования к качеству проводимых работ по отношению к заказчику при необходимости пересматриваются, оцениваются всеми работниками ЦСИ. Эта работа координируется и обобщается руководителем ЦСИ, который является ответственным за управление обеспечением качества, а в его отсутствие- заведующий лабораторией ЦСИ.

ЗАКЛЮЧЕНИЕ

При испытании данного цемента по установленной сертификационной методике применялись ГОСТ 310.1-76, ГОСТ 310.2-76, ГОСТ 310.3-76, ГОСТ 310.4-81, ГОСТ 310.5-88, ГОСТ 310.6-85, 31108-2003. Соответствие критериев перечисленных стандартов обеспечивает должное качество продукции.

Наименование детали

Номинальная масса

Предельная масса, допускаемая при



изготовлении

износе, не менее



не более

не менее


1. Бегунок с шестеренкой без оси

19,1

19,4

19,1

18,5

2. Бегунок с шестеренкой и осью

21,5

22,0

21,5

20,9



СПИСОК ЛИТЕРАТУРЫ

1.   СНиП РК 2.04-03-2002 «Строительная теплотехника»

2.      СПИСОК ЛИТЕРАТУРЫ

.        СНиП РК 2.04-01-2001 «Строительная климатология».

4.   СТ РК 3.0-2000 ГСС РК. Основные положения.

5.      СТ РК 3.4-2003 ГСС РК. Порядок проведения сертификации продукции. Общие требования.

6.   ГОСТ 12.2.003 Оборудование производственное. Общие требования безопасности.

7.   ГОСТ 310.1-92 Цементы. Методы испытания. Общие положения.

8.      ГОСТ 310.2-92 Цементы. Методы определения тонкости помола.

9.   ГОСТ 310.3-92 Цементы. Методы определения нормальной густоты, сроков схватывания и равномерности изменения объёма.

10.    ГОСТ 310.4-92 Цементы. Методы определения предела прочности при изгибе и сжатии.

.        ГОСТ 4013-84 Камень гипсовый и гипсоангидритовый для производства вяжущих материалов. Технические условия.

12. ГОСТ 6139-91 Песок стандартный для испытаний цемента. Технические условия.

13. ГОСТ 22266-94. Цементы сульфатостойкие. Технические условия.

14. ГОСТ 30108-94 Материалы и изделия строительные. Определение удельной эффективной активности естественных радионуклидов.

15.    ГОСТ 30515-97. Цементы. Общие технические условия.

.        ПР РК 50.3.35-97 Порядок сертификации строительных материалов и конструкций.

17.    Теремецкий К.Н. Проектирование цементных и асбестоцементных заводов. М.: Издательство литературы по строительству, 1964.

.        Колокольников В.С. Производство цемента. - М.: Высшая школа, 1970.

.        ГОСТ 310.4-81 Методы определения прочности при изгибе и сжатии.

.        Кравченко И.В., Мешик Т.Г. Краткий справочник технолога цементного завода. - М.: Стройиздат. 1974.

.        Справочник по производству цемента. / Под ред. И.И. Холина. - М.: Государственное издательство литературы по строительству, архитектуре и строительным материалам, 1963.

.        Общий курс строительных материалов. / Под ред. И.А. Рыбьева. - М.: Высшая школа, 1987.

.        ГОСТ 310.1-76 Методы испытаний. Общие положения

.        ГОСТ 310.2-76 Методы определения тонкости помола

.        ГОСТ 310.3-76 Методы определения нормальной густоты, сроков схватывания и равномерности изменения объема

ПРИЛОЖЕНИЕ 1



Похожие работы на - Программа контроля качества цемента

 

Не нашли материал для своей работы?
Поможем написать уникальную работу
Без плагиата!
Без нейросетей!