|
Вид топлива
|
Qнр, МДж/м3
|
ρ, кг/м3
|
Объемный состав топлива, %
|
|
|
|
СО
|
Н2
|
СН4
|
С2Н6
|
С3Н8
|
С4Н10
|
С5Н12
|
СmНn
|
СО2
|
О2
|
N2
|
Н2О
|
|
Природный газ
|
35
|
0,77
|
-
|
-
|
92,3
|
0,7
|
0,5
|
0,5
|
0,2
|
-
|
-
|
-
|
5,3
|
-
|
Для расчета продуктов сгорания топлива необходимо выбрать коэффициент
избытка воздуха, который в значительной степени зависит от процесса нагрева и
находится в широких пределах. При нагреве металла в естественной атмосфере с
окислительными свойствами (α ≥ 1) на выбор величины α
в основном влияют сорт
сжигаемого топлива и тип горелочных устройств. Если в печи устанавливается
горелочное устройство определенного типа, то значение коэффициент избытка
воздуха выбирается в соответствии с нормалями.
Для горелок типа ДВБ коэффициент расхода воздуха для каждой из трех зон
принимаем равным 1,1.
Для природного газа (Qнр =
35 МДж/м3 и
) выбираем по номограмме (рис.1.6 [4] стр. 11) СО2 = 8,7 %,
Н2О = 17,5 %, О2 = 1,1 %.
Определяем содержание азота в продуктах сгорания:
N2 =
100 - (СО2 + Н2О + О2) = 100 - (8,7 + 17,5 + 1,1) = 72,7 %.
Суммарный объём продуктов сгорания:
м3/кг.
Необходимый объём воздуха:
= 10,18 м3/кг.
Имеем (в м3/кг):
Согласно температурному графику (рис.1):
=
= 860 ОС;
= 1400 ОС;
= 1400 ОС;
= 1350 ОС.
Наиболее высокая температура газов должна установиться между сечениями 1
- 1 и 2 - 2 (зона 2). Поэтому температуру определяем только для зоны 2.
По номограмме (рис.1.6 [4] стр. 11) для природного газа (Qнр = 35 МДж/м3; a = 1,1; tв.о= 210 0С) определяем значение теоретической температуры: tтеор.= 2060 0С.
Действительная расчетная температура в зоне 2:
= 0,7 × 2060 = 1442 0С,
где 0,7 - пирометрическая характеристика зоны 2.
Сравнивая значения
и
, видим, что
>
, (1442>1400). На основании этого можно сделать вывод, что
в рабочих условиях график tгi = f(t)
во всех зонах будет поддерживаться за счет подвода рабочей горючей смеси с
температурой воздуха 210 0С.
Для дальнейшего расчета принимаем значения температур дыма по
температурному графику (см. зад.). Коррекция температурного графика по tгi = f(t) не требуется.
4. Расчет интенсивности внешнего теплообмена в зонах рабочего
пространства печи
Записываем значения температур:
=
= 860 ОС;
= 1400 ОС;
= 1400 ОС;
= 1350 ОС;
= 15 0С;
= 860 ОС;
= 1200 ОС;
= 1230 ОС.
Определяем средний температурный напор между продуктами сгорания топлива
и поверхностью садки:
Зона 1:
печь теплообмен горелочный рекуператор
Зона 2:
Зона 3:
Проводим классификацию теплообмена. Теплообмен происходит одновременно
тепловым излучением и конвекцией. Лучистый теплообмен преобладает над
конвективным. Конвекция составляет 5…15 % лучистого теплообмена.
Теплообмен происходит в системе серых тел (садка, газы, футеровка). При
этом наблюдается два результирующих потоков каждой зоне qг-с и qф-с (лучистый поток от продуктов сгорания к садке и от
футеровки к садке). Общий поток к поверхности садки q = qг-с +
qф-с. Садка уложена плотно и
рассматривается как пластина.
Рассчитываем лучистый теплообмен для плотного посада формуле:
приведенный коэффициент лучеиспускания в i-той зоне, Вт/(м2×К4):
- коэффициент лучистой теплоотдачи в i-той зоне, Вт/(м2·К):
Определяем степень развития кладки wi зон рабочего пространства:
где Fклi, Fмi - площадь поверхностей
соответственно излучающей кладки и лучевоспринимающей поверхности металла i-той зоны на 1 погонный метр. В
данном случае, для печи: b 1 = b 2 = b 3, Fм1 = Fм2 = Fм3.
Для зоны 1:
Здесь
- высота зоны 1; h1 = 0,85 м ([2] рис. 1.12, стр.40-43);
- ширина зоны 1; b = 2,15 м ([2] рис. 1.12, стр.40-43);
- длина зоны 1, принимаем L = 1 м ([3] стр.133).
Тогда:
Площадь лучевоспринимающей поверхности металла i-той зоны на 1 погонный метр:
Степень развития кладки зоны 1:
Для зоны 2:
Здесь
- высота зоны 2; h2 = 1,25 м ([2] рис. 1.12, стр.40-43);
- ширина зоны 2;
= 2,15 м ([2] рис. 1.12, стр.40-43);
- длина зоны 2, принимаем L = 1 м ([3] стр.133).
Тогда:
Степень развития кладки зоны 2:
Учитывая, что ширина и высота зоны 3 равна ширине и высоте зоны 2, то:
Степень развития кладки:
Определяем излучающий объём зон рабочего пространства, также на 1
погонный метр длины:
Определяем площади поверхностей, ограничивающих излучающий объём:
Определяем эффективную длину луча:
Определяем парциальные давления излучающих газов СО2 и Н2О, Па:
Определяем значения
и
:
Рассчитываем средние значения температур продуктов сгорания в зонах:
При этих температурах, используя рис. 4.6 … 4.9 ([4] стр. 138 … 140),
определяем значения
,
,
:
Определяем степень черноты газов в i-тых зонах:
Определяем приведенный коэффициент лучеиспускания в i-той зоне, Вт/(м2×К4):
Окончательно имеем:
Выполняем расчет конвективного теплообмена. Определяем значение
конвективной составляющей теплоотдачи пологая, что aк1 = 0,15·aл1, aк2 = 0,10·aл2, aк3
= 0,05·aл3. Записываем:
Определяем суммарный коэффициент теплоотдачи в зонах 1..3 рабочего
пространства:
5. Расчет времени пребывания садки в рабочем пространстве печи
Садка толщиной 200 мм, длиной 1650 мм нагревается в рабочем пространстве
зон 1..3. Расчет выполняем для каждой зоны отдельно.
Для зоны 1:
Определяем безразмерные температуры
и
:
Подставляем числовые значения безразмерных температур:
Определяем число Bi1:
где x1 - характерный размер садки в зоне
1, м;
l1 - коэффициент теплопроводности садки в зоне 1 (табл. 4.1 [3]
стр.112-113), определяем при средней температуре поверхности металла в зоне
печи, Вт/(м·К).
Расчет времени
выполняем как для цилиндра эквивалентным диаметром:
Для симметричного нагрева x1 = x2 = x3 = dэкв/2
= 0,1 м.
В соответствии с рис. 6.8 ([4] стр. 310), используя значения
и
для поверхности цилиндра находим: Fo1 = 2,8.
Из табл. 4.12 ([3] стр.146-147) выбираем коэффициент
температуропроводности при средней температуре метала в зоне: а1 = 0,852 · 105
м2/с. Имеем:
Для Bi1 = 0,235 и Fo1 = 2,8 находим по рис. 6.9 ([4] стр. 311)
. Имеем
Тогда:
Для зоны 2:
Определяем безразмерные температуры
и
:
Подставляем числовые значения безразмерных температур:
Определяем число Bi2:
В соответствии с рис. 6.8 ([4] стр. 310), используя значения
и
для поверхности цилиндра находим: Fo2 = 0,72.
Из табл. 4.12 ([3] стр.146-147) выбираем коэффициент температуропроводности
при средней температуре метала в зоне: а2 = 0,515 · 105 м2/с. Имеем:
Для Bi2 = 0,82 и Fo2 = 0,72 находим по рис. 6.9 ([4] стр. 311)
. Имеем
Тогда:
Для зоны 3:
Определяем безразмерные температуры
и
:
Подставляем числовые значения безразмерных температур:
Определяем число Bi2:
В соответствии с рис. 6.8 ([4] стр. 310), используя значения
и
для поверхности цилиндра находим: Fo3 = 0,085.
Из табл. 4.12 ([3] стр.146-147) выбираем коэффициент
температуропроводности при средней температуре метала в зоне: а3 = 0,565 · 105
м2/с. Имеем:
Определяем время основного нагрева:
Общее время пребывания садки в рабочем пространстве печи:
. Расчет основных размеров рабочего пространства печи
В качестве исходных данных используем: Р - производительность печи (10
т/ч); размеры садки (200 х 200 х 1650 мм); время пребывания металла в
технологических зонах: τ1 = 0,91 ч, τ2 = 0,39 ч, τ3 = 0,041 ч.
Записываем уравнение материального баланса по садке:
где Р - производительность печи;
ρi - плотность садки в зоне (зависит от
марки стали и температуры металла) (табл. 4.10 … 4.11 [3] стр.136 - 137 … 145):
ρ1 = 7720 кг/м3;
ρ2 = 7540 кг/м3;
ρ3 = 7440 кг/м3;
vi -
объем одной заготовки: vi =
0,2 · 0,2 · 1,65 = 0,066 м3.
Определяем длины зон:
Зона 1:
Зона 2:
Зона 3:
Полная длина печи:
Определяем площадь пода:
Определяем площадь активного пода:
Определяем напряженность активного пода:
. Тепловой баланс зон рабочего пространства печи
Тепловой баланс служит для определения расхода топлива (теплопритоков с
органическим топливом) в каждой зоне и разработки способов снижения расходных
статей. Тепловой баланс составляют для каждой зоны рабочего пространства.
Для зон 1..3 запишем тепловые балансы:
При тепловом балансе зоны 1 отсутствует составляющая Qэкз, так как в этой зоне нет угара и
образования окалины. Для зон 2 и 3 эта приходная статья теплового баланса
учитывается, причем 40 % теплопритока от угара выделяется в зоне 2 и 60 % - в
зоне 3. Согласно исходным данным величину угара распределяем следующим образом:
1 % - угар в зоне 2, 1,5 % - угар в зоне 3.
Выполняем тепловой баланс для зоны 1. Вначале рассчитываем приходные
статьи. Определяем hи.т:
Находим:
Рассчитываем расходные статьи уравнения теплового баланса для зоны 1.
Определяем
:
где
- теплопотери через боковые стенки;
- теплопотери через свод зоны 1;
- теплопотери через под зоны 1;
- теплопотери через торец загрузки печи.
Записываем выражение для определения
:
Находим поток теплоты через боковые стенки кладки печи
зоны 1 :
где tкл1 - температура поверхности
футеровочного слоя.
Выбираем значения l1 и
l2 при температуре 500 0С (первое
приближение). По рис. 5.7 ([2] стр. 95) для футеровочного слоя λ1500
= 0,95 Вт/(м×К) и для теплоизоляционного слоя λ2500
= 0,65 Вт/(м×К).
Температуру Tкл1 на горячей
стороне футеровочного слоя рассчитываем по формуле:
tкл1=
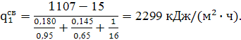
1107 0С. Температуру tо.с
принимаем равной 15 0С.
Рассчитываем q1ст (рис. 3):
Рисунок 1 - Схема теплопроводности через ограждающую конструкцию,
состоящую из двух слоев (футеровочного и теплоизоляционного) для боковых стенок
кладки печи.
В этом выражении коэффициент теплоотдачи от холодной поверхности
теплоизоляционного слоя к окружающему воздуху α = 16 Вт/(м2·К).
Записываем формулы для слоев d1 = 0,395 м и d2 = 0,185 м (см. рис. 1):
Рассчитываем средние температуры слоев:
Используя значения
и
, в соответствии с рис. 5.7 ([2] стр. 95) выбираем λ1809,5 = 1,2 Вт/(м×К) и для теплоизоляционного слоя λ2308,5 = 0,58 Вт/(м×К).
Подставляем эти данные в формулу для расчета q1ст:
Определяем общую площадь поверхности стен:
Рассчитываем:
Находим
. Обращаясь к рис. 2 записываем:
Рисунок 2 - Схема теплопроводности через ограждающую конструкцию,
состоящую из двух слоев (футеровочного и теплоизоляционного) для свода печи.
Записываем формулы для слоев d1 = 0,180 м и d2 = 0,145 м (см. рис. 2):
Рассчитываем средние температуры слоев:

Определяем площадь поверхности свода:
Находим
. Обращаясь к рис. 3 записываем:
Записываем формулы для слоев d1 = 0,340 м и d2 = 0,310 м (см. рис. 3):
Рисунок 3 - Схема теплопроводности через ограждающую конструкцию,
состоящую из двух слоев (футеровочного и теплоизоляционного) для пода печи.
Рассчитываем средние температуры слоев:
Используя значения
и
, в соответствии с рис. 5.7 ([2] стр. 95) выбираем λ1961 = 2,12 Вт/(м×К) и для теплоизоляционного слоя λ2479 = 0,9 Вт/(м×К).
Подставляем эти данные в формулу для расчета q1под:
Определяем площадь поверхности пода:
Рассчитываем:
Находим
:
Для торца загрузки использованы те же материалы, что и для стен,
следовательно:
Рассчитываем
:
где
- время открытия окна загрузки (
);
- коэффициент диафрагмирования отверстия или окна, через
которое происходит излучение, он выбирается в зависимости от формы и размеров
отверстия (рис.4.2 [1] стр.73);
- приведенный коэффициент лучеиспускания;
F1 -
площадь излучающего отверстия, м2:
Определяем потерю теплоты с дымовыми газами
:
где
- энтальпия дымовых газов, покидающих печь, кДж/м3;
- объем газов, проходящих через окно посада:
где
- живое сечение для прохода газов;
- расстояние от уровня пода печи до оси окна, через которое
происходит выбивание дымовых газов ([3] рис. 1.12, стр.41-43);
- плотность наружного воздуха при его температуре:
- плотность уходящих дымовых газов:
Определяем количество теплоты, израсходованное на нагрев садки в зоне 1:
где
- величина угара металла, для зоны 1
;
- производительность печи;
Массовая изобарная теплоемкость при средней температуре металла в зоне
составляет 0,632 кДж/(кг·К) ([3] табл. 4.5, стр.125).
Выполняем подстановку приходных и расходных статей в уравнение теплового
баланса для зоны 1:
откуда:
Выполняем тепловой баланс для зоны 2. Вначале рассчитываем приходные
статьи. Определяем hи.т:
Определяем теплоту, выделяемую в результате экзотермических реакций
:
где
- величина угара металла, для зоны 2
;
- тепловыделение при окислении единицы массы стали, принимаем
Рассчитываем расходные статьи уравнения теплового баланса для зоны 2.
Определяем
:
Записываем выражение для определения
:
Находим поток теплоты через боковые стенки кладки печи
зоны 2:
Выбираем значения l1 и
l2 при температуре 600 0С (первое
приближение). По рис. 5.7 ([1] стр. 95) для футеровочного слоя λ1600
= 1,05 Вт/(м×К) и для теплоизоляционного слоя λ2600
= 0,72 Вт/(м×К).
Температуру Tкл2 на горячей
стороне футеровочного слоя рассчитываем по формуле:
кл2=
1388 0С.
Рассчитываем q2ст (рис. 3):
Записываем формулы для слоев d1 = 0,395 м и d2 = 0,185 м (см. рис. 3):
Рассчитываем средние температуры слоев:
Используя значения
и
, в соответствии с рис. 5.7 ([2] стр. 95) выбираем λ11016,5 = 1,38
Вт/(м×К) и для
теплоизоляционного слоя λ2391,5 = 0,7 Вт/(м×К).
Подставляем эти данные в формулу для расчета q2ст:
Определяем общую площадь поверхности стен:
Рассчитываем:
Находим
. Обращаясь к рис. 4 записываем:
Записываем формулы для слоев d1 = 0,180 м и d2 = 0,145 м (см. рис. 4):
Рассчитываем средние температуры слоев:
Используя значения
и
, в соответствии с рис. 5.7 ([2] стр. 95) выбираем λ11117,5 = 1,43 Вт/(м×К) и для теплоизоляционного слоя
λ2529,5 = 0,75
Вт/(м×К).
Подставляем эти данные в формулу для расчета q2св:
Определяем площадь поверхности свода:
Рассчитываем:
Находим
. Обращаясь к рис. 5 записываем:
Записываем формулы для слоев d1 = 0,34 м и d2 = 0,31 м (см. рис. 5):
Рассчитываем средние температуры слоев:
Используя значения
и
, в соответствии с рис. 5.7 ([2] стр. 95) выбираем λ11187,5 = 2,48 Вт/(м×К) и для теплоизоляционного слоя λ2586= 1,25 Вт/(м×К).
Подставляем эти данные в формулу для расчета q2под:
Определяем площадь поверхности пода:
Рассчитываем:
Определяем количество теплоты, израсходованное на нагрев садки в зоне 2:
где
- величина угара металла, для зоны 2
;
- производительность печи;
Массовая изобарная теплоемкость при средней температуре металла в зоне
составляет 0,69 кДж/(кг·К) ([3] табл. 4.5, стр.125).
Выполняем подстановку приходных и расходных статей в уравнение теплового
баланса для зоны 2:
откуда:
Выполняем тепловой баланс для зоны 3. Вначале рассчитываем приходные
статьи. Определяем hи.т:
Определяем теплоту, выделяемую в результате экзотермических реакций
:
Рассчитываем расходные статьи уравнения теплового баланса для зоны 3.
Определяем
:
где
- теплопотери через торец выгрузки печи.
Определяем
, полагая, что
:
Определяем общую площадь поверхности стен:
Рассчитываем:
Определяем
, полагая, что
:
Определяем площадь поверхности свода:
Рассчитываем:
Определяем
, полагая, что
:
Определяем площадь поверхности пода:
Рассчитываем:
Определяем
:
Для торца выгрузки использованы те же материалы, что и для стен,
следовательно:
Определяем количество теплоты, израсходованное на нагрев садки в зоне 3:
где
- величина угара металла, для зоны 3
;
- производительность печи;
Массовая изобарная теплоемкость при средней температуре металла в зоне
составляет 0,73 кДж/(кг·К) ([4] табл. 4.5, стр.125).
Рассчитываем
:
где
- время открытия окна выгрузки (
);
- коэффициент диафрагмирования отверстия или окна, через
которое происходит излучение, он выбирается в зависимости от формы и размеров
отверстия (рис.4.2 [1] стр.73);
- приведенный коэффициент лучеиспускания;
F3 -
площадь излучающего отверстия, м2:
Выполняем подстановку приходных и расходных статей в уравнение теплового
баланса для зоны 3:
откуда:
Определяем суммарный расход топлива на печь:
. Выбор горелочных устройств
В соответствии с принятой схемой газо-воздушного тракта и по известному
расходу топлива выбираем число горелок, равное 10 шт.
Определяем расход газа на одну горелку:
При давлении 2 кПа по рис. 6.8 ([2] стр.112) выбираем горелки ДВБ200 с
установочными размерами табл. 6.1 ([2] стр.113):
dкр =
200 мм; d1 = 300 мм; d2 = 100 мм; L1 =
1075 мм; L2 = 555 мм.
. Расчет металлического трубчатого петлевого рекуператора
Рекуператор предполагаем установить в борове размером 2,2х1,6 м.
Предварительно принимаем диаметр труб подогревателя равным 57/49 мм с
продольным и поперечным шагом в коридорном пучке 100 мм (s1 = s2 = 100 мм).
Для природного газа с теплотой сгорания
имеем:
Общий расход воздуха, поступающего в рекуператор:
где n для трубчатых петлевых рекуператоров
равно 0.
Расход продуктов сгорания, поступающих в рекуператор:
Задаемся скоростями теплоносителей, пользуясь табл. 9.7 ([4] стр.397):
Определяем водяные эквиваленты теплоносителей:
Определяем температуру дыма на выходе из рекуператора:
где
- температура воздуха на входе в рекуператор;
- температура воздуха на выходе из рекуператора;
- температура продуктов сгорания на входе в рекуператор.
Рассчитываем коэффициент теплоотдачи от дымовых газов к наружной
поверхности трубки рекуператора:
Эффективная длина луча в коридорном пучке l = 3,5 · d =
3,5 × 0,057 = 0,2 м. Поправка на
коэффициент расхода воздуха (a = 1,1) а = 0,83 (рис. 9.25 [3] стр. 407). Тогда эффективная длина луча l = 0,2 × 0,83 = 0,166 м.
Определяем парциальные давления излучающих газов СО2 и Н2О (п.4), Па:
Определяем значения
и
:
Для средней температуры дымовых газов в рекуператоре 781 ОС определяем:
Определяем степень черноты продуктов сгорания в области рекуператора:
Определяем среднюю температуру стенки рекуператора:
Имеем:
Имеем:
Оцениваем режим движения продуктов сгорания в рекуператоре. Для скорости
продуктов сгорания 6 м/с режим вынужденного движения - турбулентный.
Коэффициент a1к
определяем в соответствии с рис 9.19 ([3] стр. 402):
a1к = a · kz · kt, где a =
42 Вт/(м2 × К); kz = 1 (при z = 10); kt =
0,92.
Записываем:
Коэффициент теплоотдачи:
Рассчитываем теплоотдачу к подогреваемому воздуху-окислителю. Полагаем,
что при скорости воздуха в трубке рекуператора, равной 12 м/с, режим будет
турбулентным.
Эквивалентный диаметр канала dэ = dтр = 0,049 м.
Используя значения wв =
12 м/с, dэ = 0,049 м, в соответствии с рис.
9.16 ([3] стр. 399) для турбулентного режима находим: a = 37 Вт/(м2 × К); kt0 = 1,1; ktн=
0,92; kL=1 (при L/dэ>40).
Вычисляем:
Определяем коэффициент теплопередачи между теплоносителями:
Определяем безразмерную температуру подогрева воздуха:
Определяем величину:
Используя значения
и
по рис. 9.12 а ([3] стр. 395) для перекрестно-противоточного
тока определяем:
Площадь сечения борова (2,2 ´ 1,6) м2 позволяет разместить петлевой рекуператор с длиной
трубки l = 2 м.
Определяем поверхность теплообмена одной трубки:
Определяем общее число трубок, составляющих поверхность теплообмена
рекуператора:
По ширине борова можно разместить n2 =1,6/0,1 = 16 трубок (поперек хода газов s2 = 100 мм).
Число рядов по ходу газов n1 =
114/16 = 7,125. Принимаем n1=8.
Определяем суммарные площади живых сечений для прохода теплоносителей:
Определяем средние секундные расходы теплоносителей при температурах
и
:
Фактические значения скоростей теплоносителей при компоновке в коридорный
пучок n1 · n2 =
трубок:
Сравнивая фактические скорости теплоносителей
= 4,7 м/с и
= 9,92 м/с, полученные в результате
расчета, с принятыми ранее (соответственно 6 и 12 м/с), можно сделать вывод о
том, что нет необходимости производить перерасчет рекуператора.
. Автоматическое регулирование тепловой нагрузки печи
Промышленная печь представляет собой объект, который трудно поддается
авторегулированию. Это объясняется спецификой технологии нагрева и термической
обработки металла. Поэтому разработанные и используемые в настоящее время схемы
могут быть отнесены к схемам частичного автоматического регулирования тепловых
процессов, сопутствующих нагреву. В них фактически отсутствуют элементы
автоматического регулирования тепловой мощности и качества нагреваемого
металла.
Работа современных пламенных проходных термических и нагревательных печей
не представляется без эффективно действующих схем автоматического
регулирования, т.к. изменение производительности печи, номенклатуры изделия или
заготовки, подвергающихся тепловой обработке, вызывает одновременное изменение
многих параметров, характеризующих температурный и тепловой графики и
экономичность ее работы.
К регулируемым величинам, определяющим режим работы печи и качество
нагреваемого металла, следует отнести температуру рабочего пространства печи,
соотношение "топливо-воздух", давление в печи, скорость и температуру
нагрева заготовки или изделия.
Регулирование температуры газов в зоне в той или иной степени
обуславливает косвенное регулирование температуры поверхности металла.
Схемами предусмотрена защита рекуператора от пережога, регулирование
температуры и давления газа, сигнализация падения давления и контроль
параметров теплового режима печи.
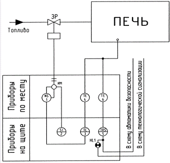
Рисунок 4 - Блок регулирования температуры для одной зоны печи.
Сигнал по температуре газов в зоне с помощью термопары 4 передается на
регулятор температуры 3 где сравнивается с заданным и, при наличии
рассогласования двух сигналов, регулятор температуры подает сигнал на
исполнительный механизм, который в свою очередь увеличивает или уменьшает
открытие газовой регулирующей заслонки. Степень открытия или закрытия газовой
регулирующей заслонки фиксируется на индикаторе положения 2. Термопара 6
передает сигнал на вторичный показывающий электроконтактный прибор 5, который,
при уменьшении или увеличении температуры дымовых газов в рабочей зоне печи,
передает сигнал в систему автоматики безопасности и аварийной сигнализации
печи.
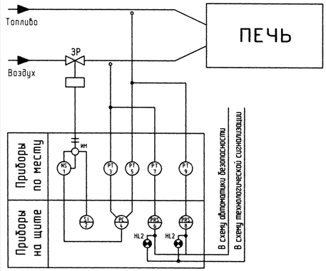
Рисунок 5 - Блок регулирования соотношения компонентов рабочей смеси для
одного отсека горения.
Сигналы по давлению газа с помощью дифманометра 5 и давлению воздуха с
помощью дифманометра 3 передаются на регулятор давления воздуха 4 где
сравниваются с заданными и, при наличии рассогласования сигналов, регулятор
давления подает сигнал на исполнительный механизм, который в свою очередь
увеличивает или уменьшает открытие воздушной регулирующей заслонки. Степень
открытия или закрытия воздушной регулирующей заслонки фиксируется на индикаторе
положения 2. Дифманометры 7 и 9 передают сигнал на вторичные показывающие
электроконтактные приборы 6 и 8, которые, при уменьшении или увеличении
давлений газа или воздуха в рабочей зоне печи, передают сигналы в систему
автоматики безопасности и аварийной сигнализации печи.
Рисунок 6 - Блок регулирования давления для одной зоны.
Сигнал по давлению газов в зоне с помощью дифманометра 4 передается на
регулятор давления 3 где сравнивается с заданным и, при наличии рассогласования
двух сигналов, регулятор давления подает сигнал на исполнительный механизм,
который в свою очередь увеличивает или уменьшает открытие воздушной
регулирующей заслонки. Степень открытия или закрытия воздушной регулирующей
заслонки фиксируется на индикаторе положения 2. Дифманометр 6 передает сигнал
на вторичный показывающий электроконтактный прибор 5, который, при уменьшении или
увеличении давления дымовых газов в рабочей зоне печи, передает сигнал в
систему автоматики безопасности и аварийной сигнализации печи.
11. Технико-экономические показатели работы печи
Производительность по металлу: 10 т/ч.
Марка стали: Ст10.
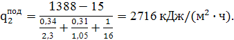
Определяем удельный расход натурального топлива на 1 кг садки:
Определяем полный удельный расход натурального топлива на 1 кг садки:
Определяем удельный расход теплоты на 1 кг садки:
Определяем полный удельный расход теплоты на 1 кг садки:
Определяем удельный расход условного топлива на 1 кг садки:
Определяем полный удельный расход условного топлива на 1 кг садки:
Определяем экономию теплоты топлива в результате регенерации продуктов
сгорания:
Определяем снижение видимого расхода топлива:
где
- топливный эквивалент подогрева:
Определяем КПД печи:
Литература
. Несенчук А. П., Тимошпольский В. И. Промышленные
теплотехнологии. Машиностроительное и металлургическое производство. Мн.
"Высшая школа" 1997 г. ч 2.
. Несенчук А. П., Тимошпольский В. И. Промышленные
теплотехнологии. Печи и сушила машиностроительного и металлургического
производства. Мн. "Высшая школа" 1999 г.
. Несенчук А. П., Тимошпольский В. И. Промышленные
теплотехнологии. Методики и инженерные расчеты оборудования высокотемпературных
теплотехнологий машиностроительного и металлургического производства. Мн.
"Высшая школа" 1998 г. ч 3.
. Несенчук А. П., Тимошпольский В. И. Промышленные
теплотехнологии. Машиностроительное и металлургическое производство. Мн.
"Высшая школа" 1995 г. ч 1.