Технологические процессы алмазно-абразивной обработки
Содержание
Глава 1. Состояние вопроса. цель и задачи исследований
1.1 Область применения керамических покрытий и требования,
предъявляемые к ним
1.2 Анализ существующих технологических процессов
алмазно-абразивной обработки напылённых покрытий и технической минералокерамики
1.3 Выводы. Цель и задачи исследований
Глава 2. Особенности физических явлений при обработке напыленных
покрытий
2.1 Анализ физико-механических свойств керамических материалов.
Методика исследования процесса финишной обработки покрытий
2.2 Анализ физических процессов, характеризующих формообразование
поверхностей
2.3 Влияние технологических факторов на процесс обработки
напылённой керамики
2.5 Выводы
Глава 3. Имитационное моделирование процесса трещинообразования в
пористом керамическом материале при алмазно-абразивной обработке
Список литературы
Введение
Актуальность проблемы. Современный уровень
развития техники характеризуется повышением требований к качеству механизмов и
машин. Надёжность работы машин во многом обусловлена долговечностью рабочих
поверхностей входящих в неё деталей, причём, как показал опыт, значительно
можно повысить её только с использованием принципиально новых технологий и
конструкционных материалов. Решение проблем, связанных с обработкой новых
материалов, является важнейшим направлением научно-технического прогресса. К
данной категории мероприятий по кардинальному повышению технического уровня
производства относиться и дальнейшее совершенствование технологии получения
износостойких покрытий методами плазменного и детонационного напыления. Для
получения рабочей поверхности детали, соответствующей высоким эксплуатационным
требованиям, используют металлические, твёрдосплавные, композиционные и
керамические материалы. Причём удельный вес керамики неуклонно растет ввиду её
высоких физико-механических свойств и низкой себестоимости. Наиболее сложным
этапом в технологическом процессе получения деталей с керамическими покрытиями
является их окончательная механическая обработка. Это обусловлено склонностью
хрупких напылённых слоёв к трещинообразованию и отслоению от основы. В
настоящее время требуемые размеры, параметры отклонений формы и шероховатости
деталей с напылёнными слоями обеспечиваются за счёт использования рекомендаций
по алмазному шлифованию технической минералокерамики и металлов. Но при этом
технологические маршруты имеют нерациональный характер, так как не учитывают
особенностей керамических покрытий. Назначаются завышенные припуски на
механическую обработку, что приводит к необходимости получения покрытий большей
толщины, а требуемые параметры отклонений формы и шероховатости часто
достигаются за счёт выполнения низко производительных доводочных операций.
Связь с научными программами, планами, темами. Работа выполнена на
кафедре Технология Машиностроения Севастопольского Национального Технического
университета и является частью научных исследований кафедры проведенной в
рамках госбюджетной темы: ”Технологические основы обеспечения качества и
повышения стабильности высокопроизводительного чистового и тонкого шлифования”.
Тема проводится в 2006-2008гг.
Цель работы и задачи исследований. Целью работы является
установление взаимосвязей между технологическими режимами и показателями
качества изделий с износостойкими покрытиями на операциях плоского шлифования.
Для реализации поставленной цели необходимо решить следующие
основные задачи:
1. Исследовать механизмы формирования
шероховатости, волнистости и съема при алмазном шлифовании напылённой окиси
алюминия и разработать методики их численного расчёта.
2. Установить взаимосвязь между
технологическими факторами и параметрами качества обработки плазменных и
детонационных керамических покрытий.
Объект исследования - операция плоского
наружного шлифование износостойких керамических покрытий.
Предмет исследований - закономерности
формирования параметров качества при плоском наружном шлифовании заготовок с
износостойкими керамическими покрытиями.
Методы исследований. Теоретические
исследования проводились на базе научных основ технологии машиностроения,
теории резания материалов, теории динамики станков, системного анализа,
линейной алгебры. При проверке адекватности моделей использованы методы
моделирования, которые основываются и базируются на аналитических и численных
экспериментах, а также на экспериментальной проверке результатов моделирования
в лабораторных условиях.
Научная новизна полученных результатов. Установлены зависимости и
механизмы формирования шероховатости, волнистости и съема при алмазном
шлифовании напылённой окиси алюминия и разработать методики их численного
расчёта.
Обоснованность и достоверность
научных положений, выводов и рекомендаций. Основные положения, результаты
исследований, выводы и рекомендации магистерской работы не противоречат
фундаментальным положениям технологии машиностроения и обработки материалов
резанием.
Достоверность научных положений, выводов и
рекомендаций подтверждаются всесторонним статистическим анализом данных,
результатами опытно-промышленной проверки и внедрением в производство.
Научное значение работы заключается в
установлении закономерность между режимами резания при шлифовании керамики и
выходными показателями процесса.
Практическое значение
полученных результатов:
Полученные результаты позволяют дополнить отсутствие
информации о механизмах формирования шероховатости, волнистости и съёма,
создать варианты маршрутов окончательной обработки керамических покрытий в
зависимости от технических требований к рабочим поверхностям напыляемых
деталей.
Результаты работы показывают пути дальнейшего исследования
процесса плоского шлифования износостойких керамических покрытий.
Реализация результатов работы.
Результаты работы внедрены в учебный процесс.
Личный вклад автора.
напыленная керамика алмазный обработка
Автор выполнил постановку цели и задач
работы; Участвовал объемом экспериментальных исследований, выполненных с
использованием современных методик, оборудования и аппаратуры.
Апробация результатов работы обсуждались на
международной научно технической конференции Студентов аспирантов и молодых
ученых "Прогрессивные направления развития Машино-приборо-строительных
отраслей и транспорта", Севастополь 14-17 мая 2007.
Публикации. Имеется одна публикация:
Огородник Н.А. Оценка влияния технологических факторов на
процесс плоского шлифования деталей с керамическими покрытиями \
Н.А. Огородник, С.М. Братан \\Прогрессивные направления
развития Машино - приборостроительных отраслей и транспорта. тез. докл. на
межд. научн. техн. конф. Севастополь, СевНТУ., 2007. С.56-57.
Структура и объём магистерской работы. Магистерская работа
состоит из введения, разделов и выводов. Работа выполнена на листах 120
машинописного текста, включает список литературы из источников и приложений на
страницах, содержит рисунков и таблиц.
Глава 1.
Состояние вопроса. цель и задачи исследований
1.1 Область
применения керамических покрытий и требования, предъявляемые к ним
Развитие современной техники
характеризуется дальнейшей интенсификацией работы узлов и механизмов машин. Для
удовлетворения этих потребностей необходимо создание деталей машин, обладающих
высокой долговечностью рабочих поверхностей. Как показал отечественный и
зарубежный опыт, одним из эффективных технологических приёмов по увеличению
срока службы пар трения является нанесение покрытий, обладающих повышенными
физико-механическими свойствами. В настоящее время существует уже большая
номенклатура методов получения на рабочих поверхностях деталей износостойких
слоев. К основным из них относятся: химическое и физическое осаждение из
газовой фазы, электроконтактное напекание; индукционная, плазменная и лазерная
наплавки; электродуговое, газо-пламенное, плазменное и детонационное напыления
[39].
Большое народнохозяйственное значение в
настоящее время имеет дальнейшее совершенствование технологии получения
защитных покрытий методами плазменного и детонационного напыления. Этому
процессу способствует развитие отечественной порошковой металлургии, появление
промышленных генераторов низкотемпературной плазмы на базе серийных установок
УМП-6 и УПУ-ЗМ, а также успешная разработка оборудования для детонационного
напыления в научно-исследовательских лабораториях страны. Широкое внедрение
данных технологий стало возможным после изучениях основных закономерностей
газотермических методов нанесения износостойких покрытий в работах В.Н.
Анциферова [79], С.С. Бартенева [9], Ю.С. Борисова [12], И.Н. Горбатова [79],
Л.М. Демиденко [23], К.М. Зерова, В.Р. Мадисона [33], В.М. Иванова [39], Э.
Кречмара [48], В.В. Кудинова [49], Ю.П. Федько [103], Ю.А. Харламова, М.Х.
Шоршо-рова [122], А. Хасуи [108] и ряда других исследователей [13, 31, 38, 39,
47, 82, 94, 119].
Хорошо себя зарекомендовали в процессе эксплуатации детали,
относящиеся к группам валов, втулок, колец, рычагов и других, в технологию
изготовления которых было введено напыление износостойких покрытий.
Использование энергии плазмы и детонации взрыва позволяет наносить на рабочие
поверхности деталей защитные слои практически из любых существующих в
промышленности конструкционных материалов, в том числе и тугоплавких.
Наибольшее практическое применение среди них получили порошки никеля,
молибдена, алюминия, карбида вольфрама, окиси хрома, двуокиси титана, окиси
алюминия, самофлюсующегося сплава типа ПГ-СР, а также их композиции [81].
Причём удельный вес керамики на основе
, по данным авторов работ [9, 47, 69], неуклонно растёт в силу её
высоких физико-механических свойств, инертности в химическом отношении, широкой
распространенности в абразивной промышленности, низкой себестоимости, а также
технологичности с точки зрения напыляемоети. Покрытия, полученные с
использованием в качест-ве исходного материала порошка окиси алюминия, обладают
повышенной износостойкостью, не корродируют, легко переносят тепловые нагрузки
и временное отсутствие смазки в паре трения [81]. Эти качества позволяют
повысить долговечность рабочих поверхностей деталей в отношении ранее
используемых материалов в 1,3.3,0 раза [14, 56, 69].
В соответствии с формулировкой В.В. Кудинова, газотермическое
покрытие является своеобразным материалом, полученным в результате удара,
деформации и чрезвычайно быстрой кристаллизации небольших (10.150 мкм) частиц
материала, напыляемого на подложку. Последовательно вкладываясь друг на друга,
частицы образуют чешуйчатое, слоистое покрытие с анизотропией физических и механических
свойств, неоднородное в структурном и химическом отношении [49]. Качество
напылённых материалов характеризуется прочностью их сцепления с основой,
когезионной прочностью, плотностью, однородностью, величиной внутренних
остаточных напряжений, микротвердостью и рядом других параметров. А в случаях
их использования для повышения износостойкости деталей, применяемых в парах
трения, большое значение приобретают шероховатость, волнистость и отклонения
формы рабочих поверхностей покрытий [87].
Технологический процесс получения деталей с напылённымипокрытиями
включает в себя три основных этапа. А именно, подготовку исходного материала и
поверхности подложки, процесс нанесения износостойкого слоя и его окончательную
механическую обработку. Получение качественного покрытия, обладающего высокими
эксплуатационными свойствами, возможно только при тщательном выполнении всех
технологических приёмов на протяжении каждого из трёх этапов. Закономерности
формирования самих износостойких слоев на основе
методами плазменного и детонационного напыления достаточно хорошо
изучены в работах советских и зарубежных исследователей [9, 47, 49, 108].
Разработаны рациональные режимы нанесения керамических покрытий, обеспечивающие
их качество.
По своей сущности процессы газотермического напыления порошковых
материалов заключаются в следующем. При плазменном методе между анодом и
катодом плазмотрона возбуждается электрическая дуга. Подаваемый под давлением в
данную область рабочий газ, азот или смесь аргона с аммиаком, ионизируется с
большим поглощением тепловой энергии. Далее эта энергия освобождается, что
позволяет получить в плазменном факеле температуру 103.105°К.
При подаче порошка исходного материала в эту зону и дальнейшем продвижении к
напыляемой поверхности происходит его разогрев, плавление, сфероидация, а в
момент соударения с подложкой деформация, остывание и кристаллизация. Данный
процесс получил название - "намораживание".
Скорость полёта частиц порошка при плазменном напылении с использованием
промышленных установок типа УМП-6 составляет 1,0.1,5 102 м/с, что
позволяет формировать покрытие с пористостью в интервале 5.15 % и прочностью
сцепления с основой не менее 0,1 МПа [47, 49].
Принцип детонационного метода заключается в том, что в камеру
водоохлаждаемого ствола, направленного на подложку, подают контролируемую смесь
взрывоспособных газов. В момент инициирования электрической искры в ствол
засыпают порцию напыляемого порошка. При взрыве газовой смеси происходит
образование ударной волны с выделением тепла, которая разгоняет и
предварительно разогревает частицы. Скорость полета в этом случае достигает
5,0.6,5 102 м/с. Соударяясь с подложкой, напыляемый материал
расплавляется за счет перехода его кинетической энергии в тепловую и
соответственным получением температуры до 4*103°К. Использование
детонационного метода позволяет формировать покрытия с пористостью в интервале I.5 % и прочностью сцепления с основой не менее 0,3 МПа [9].
При хаотическом наслоении друг на друга напыляемые частицы
образуют на поверхности покрытия развитый микрорельеф. Высота микронеровностей
по параметру Rz может достигать 100.200 мкм. Кроме того,
неравномерность отложения частиц порошка на подложке в пределах пятна напыления
приводит к образованию на ней значительных отклонений формы [54]. Данные
причины не позволяют использовать детали с газотермическими покрытиями в узлах
трения без окончательной механической обработки. Следовательно, для достижения
высокой работоспособности износостойких напылённых слоев, кроме получения
повышенных физико-механических свойств, необходимо создание требуемых
параметров отклонений формы, волнистости и шероховатости. Так, например, при
использовании керамики для повышения долговечности рабочих поверхностей
коленчатых валов шероховатость покрытий по параметру
не должна превышать 0,16 мкм, а
овальность и конусность шатунных и коренных шеек соответственно 0,02 мм [82].
Технические требования на изготовление других типов деталей, работающих в узлах
трения, также достаточно высоки.
Напыленные керамические покрытия являются своеобразным
конструкционным материалом, имеющим ограничения по прочности сцепления с
основой и склонность к хрупкому разрушению. Использовать технологические
рекомендации по механической обработке таких материалов, как закаленные стали и
твёрдые сплавы, в данном случае нецелесообразно. Более близкими по своим
свойствам к напыленной окиси алюминия можно считать техническую минерало-керамику
и газотермические покрытия на основе металлов. Вопросам изучения
обрабатываемости данных материалов посвящены работы целого ряда исследователей
[5, 6, 15, 61, 83, 85, 87, 102, 109] и их анализ представляет значительный
интерес для создания технологии окончательной механической обработки
керамических покрытий на деталях машин с обеспечением требуемого качества и
эксплуатационных характеристик.
1.2 Анализ
существующих технологических процессов алмазно-абразивной обработки напылённых
покрытий и технической минералокерамики
Окончательная механическая обработка
деталей с газотермическими покрытиями необходима для достижения требуемых
размеров, отклонений формы и шероховатости рабочих поверхностей. Как было ранее
отмечено, сложность обработки напылённой керамики обусловлена её склонностью к
хрупкому разрушению, наличием уязвимой поверхности стыка двух разнородных
материалов, а также особенностями структуры износостойкого слоя.
Наиболее приемлемыми в данном случае являются методы механического
воздействия с использованием алмазно-абразивного инструмента. По данным А. Хусу
и О. Моригаки [108] напылённые керамические покрытия следует шлифовать кругами
на резиновой связке с охлаждением. На этапе черновой обработки предлагается
использовать в качестве абразивного наполнителя карбид кремния зернистостью
200/160 мкм, а на окончательном - алмазы зернистостью 50/20 мкм. Приведены
рекомендуемые режимы. Для случая плоского периферийного шлифования: глубина
, скорость вращения круга
, поперечная подача изделия
. Этим обеспечивается шероховатость
поверхности покрытия по параметру
в пределах 1,25., 2,50 мкм. Для получения меньшей высоты
микронеровностей предлагается применять доводку с использованием
алмазно-абразивной пасты.
В соответствии с исследованиями сотрудников ИСМ АН
Э.С. Рабинович и Г.Г. Покладия [83] детонационные покрытия на
основе
можно обрабатывать кругами с наклеенными алмазными шлифовальными
лентами на эластичной основе (АШЛЄ) типа
"ежик", обладающими прерывистой рабочей поверхностью. При
варьировании зернистости помещённых в резиновую связку алмазов в диапазоне от
80/63 до 5/3 мкм шероховатость напылённых слоев изменяется по параметру
от 0,04 до 0,32 мкм. Рекомендуется
устанавливать поперечную подачу
не более 0,01 мм/дв. ход и обеспечивать обильное охлаждение.
По данным работы [47] шлифование керамических покрытий
целесообразно проводить в два этапа. На черновом алмазными кругами, а на
чистовом абразивными на основе карбида кремния зелёного с глубиной шлифования t, не превышающей 0,025 мм, и скоростью V = 25.30м/с.
Вышеприведенные, а также ряд имеющихся в литературе рекомендаций
[48, 49, 81, 82] по обработке детонационных и плазменных керамических покрытий,
имеют противоречивый характер. Существующие данные не вскрывают связи
параметров качества обработанных поверхностей с особенностями структуры
напылённых слоев и целым рядом технологических условий. Отсутствует информация
о механизмах формирования шероховатости, волнистости и съема керамических
покрытий в процессе механического воздействия на них. Не рассмотрены варианты
маршрутов окончательной обработки напылённых слоев в зависимости от уровня
технических требований.
При анализе технологических рекомендаций на обработку технической
минералокерамики типа ЦМ332, ВШ, 22ХС [15,61,109] и аналогичных для напылённых
покрытий наблюдается их схожесть. Создание условий бездефектного шлифования
заключается в использовании алмазного инструмента, обладающего высоким
коэффициентом режущей способности, в назначении высокой скорости вращения круга
V, малых величин глубины t и поперечной подачи
, а также в обеспечении обильной подачи СОЖ.
В отличие от напылённых покрытий, исследования, посвященные
вопросам шлифования и доводки технической керамики, проводились с анализом
процессов взаимодействия инструмента и обрабатываемого материала. Так по данным
работы [73], механизм разрушения корундовой керамики 22ХС при плоском
шлифовании периферией круга может изменяться в зависимости от условий
обработки. При черновом шлифовании имеет место хрупкое разрушение
поверхностного слоя.
С помощью электронного микроскопа по репликам, снятым с
поверхности керамики, установлено наличие на ней выколов и трещин. Их
образованию в обрабатываемом материале способствуют концентраторы или зародыши
трещин. Ими могут служить поры, различные включения, границы раздела спечённых
зёрен технической керамики.
При получистовом шлифовании наблюдается квазихрупкий отрыв и
межзёренное разъединение, характеризуемые на ступенях скола язычками и
гребнями, а также ямками, образующимися после слияния микропустот.
Чистовое шлифование, кроме всего прочего, сопровождается
образованием следов деформации на участках стеклофазы керамики и зерен окиси
алюминия.
В соответствии с результатами исследований по шлифованию
корундовой керамики единичным алмазным зерном [15] образование микрорельефа
обрабатываемой поверхности сопровождается двумя различными процессами. Под
действием нормальной составляющей силы резания
происходит раскалывание зёрен шлифуемого микролита, а под
действием тангенциальной составляющей Рz их отрыв, измельчение и истирание. Таким образом, для технической
керамики в процессе её алмазно-абразивной обработки возможны два вида хрупкого
разрушения материала: раскалывание зёрен и нарушение спаев по границам раздела
исходных частиц микролита.
Вышеприведенные закономерности подтверждают сложность процессов,
происходящих при обработке хрупких конструкционных материалов, и их
нестабильность для различных технологических условий.
По данным М.Х. Мисирова [61] формирование поверхности при
шлифовании ферритов и минералокерамики сопровождается одновременно как
пластическим деформированием, так и хрупким разрушением. Изменение удельного
соотношения видов съема при варьировании технологических условий обработки
приводит к изменению механизма образования микронеровностей поверхности и
параметров её шероховатости. Установлено, что для заданной пары инструмент -
деталь существует постоянная область условий бездефектного шлифования. Причём границы
области можно описать величиной допустимой внешней нагрузки, в данном случае
усилия резания, и количеством дефектов на единице обрабатываемой поверхности.
Результаты исследований закономерностей формирования шероховатости
минералокерамических материалов типа ЦМ332 и 22ХС при шлифовании не могут быть
использованы применительно к напыленным покрытиям без значительных изменений и
дополнений ввиду наличия существенных особенностей последних. Кроме того,
каждая марка технической керамики имеет комплекс постоянных свойств в силу
неизменности технологии её получения. Параметра газометрических покрытий на
основе окиси алюминия такие, как пористость и когезионная прочность, могут
изменяться в зависимости от режимов плазменного и детонационного напыления. Поэтому
алгоритмы для расчёта шероховатости и волнистости обработанной поверхности
напыленной керамики должны учитывать её структуру и физико-механические
свойства.
Разработаны конкретные рекомендации по шлифованию технической
минералокерамики алмазными кругами формы ПП [15]. На этапе черновой обработки
целесообразно использовать инструмент о алмазами марки АС4 и АС6 на
металлической связке Ml 100 % -
концентрации зернистостью 63/50.160/125мкм. Для создания условий бездефектного
шлифования рекомендуется назначать следующие режимы:
, с подачей СОЖ. При этом достигается
шероховатость обработанной поверхности по параметру
в интервале 0,32.1,25 мкм.
Чистовое шлифование минералокерамики следует производить кругами
на органической связке Б1 из алмазов АСМ 40/28.28/20 при
и
. Этим достигается шероховатость обработанной поверхности по
не более 0,08.0,32 мкм. Для дальнейшего
снижения высоты микронеровностей рекомендуется применять доводку алмазными
пастами, что позволяет получать поверхности минералокерамики с
=0,05.0,10 мкм. Данные по волнистости для
всех этапов обработки отсутствуют.
Технологические параметры чернового и чистового шлифования
технической керамики нельзя рассматривать как рациональные для напылённой окиси
алюминия. Плазменные и детонационные покрытия имеют существенные особенности и
границы условий бездефектного шлифования для них могут быть другими, что даёт
возможность более производительной механической обработки напылённой окиcи алюминия.
Подходы к вопросам обрабатываемости металлических и керамических
покрытий значительно отличаются друг от друга, напылённые слои на основе металлов
и их композиций, как правило, оплавляют при высоких температурах для снижения
их пористости и увеличения прочности сцепления с поверхностью детали [38, 64,
88]. Применительно к керамическим покрытиям данная операция нереализуема в
связи со значительной разницей коэффициентов температурного расширения окиси
алюминия и стальной подложки. Таким образом, в случае шлифования металлических
напылённо-оплавленных слоев объектом обработки является практически сплошной
материал с высокими физико-механическими свойствами: прочностью на растяжение,
твердостью, износостойкостью, абразивной способностью. Для обеспечения
требуемого качества деталей необходимо создание условий обработки с усилиями
резания и температурным режимом, не приводящими к отслоению по крытия от основы
и структурным превращением на его поверхности [87]. Закономерности формирования
шероховатости, волнистости и съема при шлифовании напылённых металлов
аналогичны полученным для сталей и твердых сплавов [45, 46, 58, 67, 78, 84,
129]. Плазменные и детонационные покрытия на основе титана, молибдена, никеля,
нержавеющих сталей, самофлюсующихся сплавов типа ПГ-СР и многие другие могут
быть обработаны с использованием как абразивного так и алмазного инструмента
[6, 47, 48, 102].
Но в большинстве случаев алмазные круги являются более
эффективными. Так, например, по данным работы [87] при шлифовании плазменных
покрытий на основе сплавов CHГH и ВСНГН удельная производительность абразивных кругов
является низкой вследствие наличия в напылённом материале включений: боридов,
карбоборидов и карбидов с микротвёрдостью до 400 МПа.
Металлические покрытия по сравнению с керамикой допустимо
шлифовать при более жестких технологических условиях. Так, обработка
напыленного сплава типа ПГ-СР периферией алмазного круга АС4 125/100 М1 100 при
не сопровождается дефектообразованием на
поверхности композиционного материала [25]. На основании этого, рекомендации по
шлифованию металлических покрытий не мо-гут быть использованы для напылённой
окиси алюминия без теоретического обоснования и тщательной экспериментальной
проверки.
1.3 Выводы.
Цель и задачи исследований
. Плазменный и детонационный методы
напыления покрытий на рабочие поверхности деталей машин позволяют значительно
повысить их долговечность. Удельный вес керамических порошков, как исходного
материала для получения износостойких слоев, неуклонно возрастает в силу их
высоких физико-механических свойств, низкой себестоимости и технологичности
. Поверхности покрытий после напыления
имеют значительные отклонения формы и микронеровности. Данные причины, а также
необходимость в получении заданных размеров, не позволяют использовать детали с
керамическими покрытиями в узлах трения без окончательной механической обработки.
. Напылённые слои на основе окиси алюминия
являются своеобразным пористым материалом, имеющим ограничения по прочности
сцепления с основой и склонность к хрупкому разрушению. Использование
технологических рекомендаций по механической обработке таких материалов, как
закалённые стали, твёрдые сплавы, газотермические покрытия на основе металлов,
в данном случае нецелесообразно. Наиболее приемлемыми для обработки хрупких
материалов являются методы с применением алмазно-абразивного инструмента. Но имеющиеся
в литературе данные по шлифованию плазменных и детонационных керамических
покрытий носят противоречивый характер, не вскрывают связи параметров качества
обработанных поверхностей с особенностями структуры напыленных слоев и целым
рядом технологических условий. Отсутствует информация о механизмах формирования
шероховатости, волнистости и съема. Не рассматриваются варианты маршрутов
окончательной обработки керамических покрытий в зависимости от технических
требований к рабочим поверхностям напыляемых деталей.
. Анализ исследований в области
обрабатываемости технической минералокерамики доказывает сложность процессов,
происходящих при механическом воздействии на хрупкие конструкционные материалы.
Рекомендации по шлифованию керамических микролитов не могут быть использованы
применительно к напылённым покрытиям без значительных изменений и проведения
дополнительных исследований ввиду существенных особенностей последних.
В связи с этим целью исследований является
установление взаимосвязей между технологическими режимами и показателями
качества изделий с износостойкими покрытиями на операциях плоского шлифования.
Для достижения поставленной цели
необходимо решить следующие задачи:
. Исследовать механизмы формирования
шероховатости, волнистости и съема при алмазном шлифовании напылённой окиси
алюминия и разработать методики их численного расчёта.
. Установить взаимосвязь между
технологическими факторами и параметрами качества обработки плазменных и
детонационных керамических покрытий.
Глава 2.
Особенности физических явлений при обработке напыленных покрытий
2.1 Анализ
физико-механических свойств керамических материалов. Методика исследования
процесса финишной обработки покрытий
Экспериментальные исследования проводили
для анализа особенностей влияния технологических параметров на качество
обработанной поверхности напылённой керамики, для определения допустимых
режимов шлифования покрытий и их сопоставления с рекомендуемыми для технической
минералокерамики, а также с целью выявления механизмов образования шероховатости,
волнистости, съема в процессе алмазно-абразивной обработки. Поставленные задачи
решались в следующей последовательности.
На первом этапе был проведён сравнительный
эксперимент по шлифованию окиси алюминия, напылённой плазменным и детонационным
методами, и технической минералокерамики, на обработку которой разработаны
технологические рекомендации [1, 15, 109], Основной задачей данных исследований
являлось изучение особенностей обрабатываемости напылённых материалов и
выявление физической картины процесса образования поверхностей при шлифовании
керамических покрытий. Режимы обработки и характеристику инструмента назначали
в соответствии с рекомендациями для технической минералокерамики. В процессе
исследований контролировали силы шлифования, съем, шероховатость и волнистость
обработанной поверхности, а также анализировали микрорельеф шлифованных
поверхностей методами электронной микроскопии. На втором этапе был проведён
технологический эксперимент по шлифованию керамических покрытий. Задачей данных
исследований было определение характера влияния технологических факторов на
качество обработки, а также получение конкретных экспериментальных данных для
их использования в математическом моделировании процесса. Интервалы изменения
режимов и характеристики инструмента устанавливали, принимая во внимание
результаты предыдущих опытов. В процессе исследований контролировали съем,
шероховатость и волнистость обработанной поверхности, износ инструмента, а
также наблюдали за состоянием напылённых покрытий с точки зрения наличия
дефектов: отслоений, сколов и трещин.
При проведении сравнительного эксперимента в качестве
представителя инструментальных минералокерамических материалов использовали
микролит марки ЦМ332. Пластины ЦМ332 получают последовательным прессованием и
двухэтапным спеканием тонкоизмельченного порошка окиси алюминия
с размером частиц I.2 мкм. Для предотвращения роста кристаллов корунда в
процессе формирования микролита в керамику добавляют 0,5.1,0 % окиси магния MgO, которая, вступая в реакцию с окисью
алюминия, образует достаточно прочное цементирующее вещество [11]. В результате
спекания получается поликристаллическое тело, состоящее из мельчайших
кристаллов
и межкристаллитной прослойки в виде аморфной стекловидной массы.
Экспериментальные образцы из технической минералокерамики изготавливали путём
приклеивания прямоугольного блока пластин с размерами 60*55 мм к металлической
основе. При этом достигалась площадь обрабатываемой поверхности
из условия её соответствия площади
исследуемых покрытий на экспериментальных образцах.
Покрытия наносили на образцы из стали 45 в виде плоских дисков
диаметром 70мм с отверстиями и диаметральными проточками, служащими, для их
крепления. Исходным материалом для напыления служил порошок окиси алюминия
марки 24А ТУ 2-036-913-82 с размером
частиц в диапазоне 40.63 мкм. Плазменное напыление покрытий проводили на
установке УМП-6 с заданием режимных параметров процесса в соответствии с
имеющимися рекомендациями
для данной категории материалов [41, 49, 94]. Нанесение окиси
алюминия детонационным методом выполняли на установке конструкции Алтайского
научно-исследовательского института технологии машиностроения на режимах,
разработанных для технических параметров данной модели [33, 80, 112].
Поверхности образцов, предназначенные для напыления покрытий, подвергали
дробеструйной обработке с целью повышения прочности сцепления керамики с
основой за счёт создания на ней развитого микрорельефа. В процессе нанесения
окиси алюминия образцы устанавливали на восьмигранном барабане во вращателе,
что позволило получать партию деталей в количестве 24 штук за один запуск
используемого оборудования. После завершения формирования керамического слоя
образцы с покрытиями помещали в остывающую электропечь, предварительно нагретую
до 180°С, для снижения внутренних напряжений в напыленном слое, имеющих место
за счёт различия в коэффициентах температурного расширения
и стали.
С целью определения физико-механических свойств полученных
покрытий измеряли их толщину, прочность сцепления с подложкой, когезионную
прочность (прочность на растяжение) и пористость с использованием традиционных
методик.
Толщину покрытий определяли путём измерения размера образца до и
после напыления при его установке на плоском столике специальной стойки с
индикаторной головкой (цена деления 0,001мм).
Прочность сцепления керамического слоя с основой измеряли
штифтовым методом [9]. Для этого на образец, состоящий из оправки и конического
штифта, после дробеструйной обработки наносили покрытие. Далее к штифту при
помощи подвеса и набора грузов прикладывали усилие. Значение прочности
сцепления вычисляли как отношение величины разрушающей нагрузки к площади
поверхности штифта, контактирующей с покрытием.
Когезионную прочность измеряли с использованием приспособления,
устройство которого защищено авторским свидетельством СССР № 1236343,
состоящего из двух цилиндрических втулок и центрирующего штифта с коническим
буртиком. Для испытаний на поверхности совмещенных втулок после предварительной
дробеструйной обработки наносили покрытие толщиной 0,40.0,45 мм. Затем к ним
прикладывали растягивающее усилие на разрывной машине модели Р20. Значение
когезионной прочности вычисляли как отношение разрушающей нагрузки к площади покрытия
в сечении разрыва. Наличие на центрирующем штифте конического буртика,
выступающего над цилиндрической поверхностью в месте стыка втулок на высоту
, позволяло получать стабильную поверхность
разрушения в фиксированной области керамического покрытия.
Пористость напылённых слоев определяли методом А.А. Глаголева [89]
путём наложения специальной сетки с основанием в виде квадрата на фотографии
шлифов, выполненных при разрезе образцов по нормали к поверхностям покрытий, и
дальнейшего подсчёта числа узлов сетки, попадающих в область пор. Контрольную
сетку наносили на стекло, причем число узлов, приходящихся на один миллиметр
исследуемой поверхности составляло 3,8x103 штук. Значение пористости
определяли вычислением отношения числа узлов, попавших в область пор, к их
общему числу и его умножением на 100%. Кроме того, для каждого из исследуемых
объектов определяли средний размер пор, попавших в сечение шлифа, и их
количество на единице площади контролируемой поверхности.
Полученные данные (таблица 2.1) характеризуют физико-механические
свойства и качество исследуемых покрытий, а также подтверждают их соответствие
требованиям, предъявляемым в настоящее время к керамике, напылённой плазменным
и детонационным методами [17, 47, 81, 103].
Таблица 2.1
Физико-механические свойства и параметры
структуры минералокерамики и напылённых покрытий
|
Параметр
|
Керрамика ЦМ332
|
Детонационное покрытие
|
Плазменное
покрытие
|
|
Предел
прочности сцепления покрытия с основой бсц, МПа
|
|
0,45
|
0, 19
|
|
Предел
прочности на растяжение бР, МПа
|
450
|
80
|
24
|
|
Содержание
окиси алюминия , %98100100
|
|
|
|
|
Пористость
керамического материала, %
|
I.2
|
3.4
|
8.10
|
Количество пор, измеренное на
поверхности
шлифа
,2*103
,5*103
|
8,3*103
|
|
|
|
|
Средний диаметр
пор в сечении шлифа, мкм
|
0,9
|
1,9
|
2,8
|
|
Толщина
напыленного слоя, мм
|
|
0,5
|
0,5
|
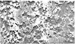
На рис.2.1 представлены фотографии шлифов
минералокерамики и покрытий. При анализе структуры объектов исследования можно
выделить следующие их отличительные признаки. Поры ЦМ332 имеют наименьшие
размеры, а плазменно-налыленной окиси алюминия наибольшие. Количество пор на
единице площади поверхности шлифа для различных керамических материалов также
изменяется. Поэтому с учётом неравенства когезионных прочностей
минералокерамики, детонационного и плазменного покрытий уже на этапе сравнения
их физико-механических свойств и структуры можно предположить, что процессы,
протекающие при алмазно-абразивной обработке данных материалов, также должны
иметь существенные различия.
Шлифы исследуемых керамических материалов
(увеличение: х 250).
а) б)
в)
Рис.2.1, а - техническая минералокерамика
ЦМ332;
б - детонационное покрытие на основе
;
в - плазменное покрытие на основе
При проведении сравнительных экспериментальных исследований для
решения вышепоставленных задач напылённые покрытия и минералокерамику ЦМ332
шлифовали на станке модели 3E711B-1 периферией алмазного круга: AС4 160/125 Б1 100 формы ПП 200× 20× 3 × 76. Использование инструмента на
органической связке Б1 обусловлено необходимостью достижения минимальных
отклонений формы рабочей поверхности круга при изучении физической картины
процесса обработки, в том числе на глубинах шлифования t = 0,01 мм и менее. Применение алмазных кругов на металлических
связках на данном этапе исследований нецелесообразно ввиду трудоёмкости
достижения минимальных отклонений формы их рабочей поверхности. Так, при
использовании традиционных методов правки биения кругов на связке Ml остаются пределах 0,02.0,03 мм. В этом
случае колебания значений фактической глубины шлифования в процессе обработки
могут достигать более 200% в отношении к её заданной величине. Подготовку
инструмента к работе проводили в следующей последовательности. После установки
на планшайбу круг балансировали и правили алмазным карандашом конструкции МААС
АС2 500/400 ИСМ 663-82 при глубине t =0,005
мм, скорости продольной подачи стола станка
и подаче вдоль образующей рабочей поверхности
[38]. Затем повторяли его балансировку и
правку шлифованием стали 
. Окончательно рабочую поверхность инструмента формировали
шлифованием абразивного бруска на основе карбида кремния зелёного 63С 40 СМ1 на
аналогичных режимах [90]. Этим достигали биение периферии круга относительно
оси вращения шпинделя не более 2мкм. Измерение биений проводили при помощи
жёсткой стойки с индикаторной головкой (цена деления 0,001 мм) за счёт
определения разновысотности между рабочей поверхностью инструмента и
заглубленной относительно неё на 1,2.1,5 мм поверхностью базы - алюминиевого
диска, смонтированного на корпусе алмазного круга и проточенного при его
установке на станке.
При выполнении сравнительных исследований режимные параметры
процесса обработки назначали с использованием технологических рекомендаций по
алмазному шлифованию минералокерамических материалов. Глубину резания
варьировали на трех уровнях в интервале изменения условий от чистового до
чернового шлифования, t соответственно
0,01; 0,05; 0,10мм. Остальные режимные параметры на данном этапе исследований
не изменяли и устанавливали как: поперечная подача стола станка S1X =3 мм/ ход, скорость продольной подачи Vs =5 м/мин, скорость вращения шлифовального
круга V =35 м/с. В качестве СОЖ использовали
жидкость, рекомендуемую для обработки данной категории материалов [110]: сода
кальцинированная - 0,25%, тринатрий фосфат - 0,25%, нитрит натрия - 0,25%, бура
- 0,25%, вазелиновое масло - 0,50%, остальное вода. Расход cмазочно-охлаждающей жидкости в процессе экспериментальных
исследований оставался постоянным и соответствовал 7,5л/мин.
После анализа результатов сравнительных исследований был проведён
технологический эксперимент по шлифованию аналогичных детонационных и плазменных
покрытий на основе окиси алюминия алмазными кругами на органической связке: АС4
125/100 Б1 100; АС4 80/63 Б1 100; АСМ 40/28 Б1 100. Режимные параметры на
основании результатов сравнительного эксперимента корректировали и
устанавливали следующим образом. Глубину шлифования t варьировали на трех уровнях: 0,02; 0,06; 0,10 - для детонационных
покрытий и 0,02; 0,10; 0,20 - для плазменных покрытий. Скорость продольной
подачи Vs изменяли на двух уровнях: 5 и 10 м/мин -
как для детонационно-напылённой, так и для плазменно-напылённой керамики.
Поперечная подача S1X имела два значения 3 и 5 мм/ ход. Остальные технологические
факторы не изменяли и назначали в соответствии с условиями проведения
сравнительного эксперимента. Для выполнения вышеперечисленных исследований
станок модели ЗЕ 711-BI был оснащен
комплексом контрольно-измерительной аппаратуры (рис.2.2), позволяющим получать
значительный объем информации об обработанной поверхности детали, износе
инструмента, а также регистрировать величину составляющих силы резания.
Нормальную
и касательную
составляющие силы шлифования, возникающие
при обработке образцов из технической минералокерамики и с покрытиями 1
(рис.2.2б), измеряли при помощи трехкомпонентного тензометрического динамометра
2 [78, 100], установленного на столе станка 3. В состав измерительной цепи
входили усилитель УТ4-1 (4) и самописец модели Н338-4 (5). Для исключения
помех, возникающих при деформации кабеля между динамометром и УТ4-1 в процессе
возвратно-поступательного движения стола станка, тензостанцию устанавливали на
кронштейне в его торце. Определение величин составляющих силы шлифования,
нормальной
и касательной
, проводили с учётом их взаимовлияния друг
на друга по известной методике [20] (приложение 1).
Экспериментальная установка на базе станка модели 3E711-B1 для измерения
составляющих силы шлифования, съема, волнистости обработанной поверхности и
износа инструмента.
а)

б)
Рис.2.2 а - общий вид экспериментальной
установки;
б - схема экспериментальной установки
Съем обрабатываемого материала измеряли
щуповым методом при помощи плоскопружинной балочки равного сопротивления 7
(рис.2.2б) с наклеенным на нее тензодатчиком 8 и оснащенной алмазным
наконечником 9. Для механической фильтрации записи микронеровностей радиус
закругления щупа ρ3 составлял 1,5 мм. Перед
совершением контролируемых рабочих ходов инструмента на поверхности покрытия
формировали шлифованием плоскость. Затем интервал перемещения стола станка в
поперечном направлении устанавливали таким образом, чтобы при работе круга на
экспериментальном образце оставался участок шириной 8.10 мм, не подвергаемый
далее обработке, и проводили шлифование. Съем определяли по разновысотности
обработанной и базовой поверхности профило-графированием в направлении подачи S1x (рис.2. З а). С этой
целью использовали специальный дополнительный привод 1 (рис.2.3б),
устанавливаемый на кронштейне 2 и сообщающий вращательное движение посредством
ремня 3 микрометрическому винту 4 поперечной подачи стола станка. Относительная
скорость перемещения датчика по поверхности покрытия составляла 6,5 мм/мин.
Электрический сигнал, возникающий при деформации тензорезистора в момент
прохождения уступа, усиливали тензостанцией УТ4-1 (4) (см. рис.2.2б) и
регистрировали самописцем ЭК1ТМ (6).
Волнистость обработанной поверхности
измеряли профилографи-рованием объектов исследования в направлении продольной
подачи стола станка Vs с применением устройства и аппаратуры, используемых при
определении съема (рис.2. З в). Поступательное движение образцу сообщали
специальным съемным приводом 1 (рис.2. З г) через ремень 2 и шкив 3,
установленный вместо рукоятки продольного перемещения стола станка.
Относительная скорость движения щупа соответствовала 10 мм/мин. Собственная
частота колебаний щупа составляет 200 Гц, что более чем на два порядка
превышает частоту его вынужденных колебаний при профилографировании
обработанной поверхности.
Устройства для измерения съема материала и
волнистости обработанной поверхности.
а) б)
в) г)
Рис.2.3 а - положение тензометрического щупа при измерении
съема материала;
б - привод перемещения щупа при измерении съема;
в - положение тензометрического щупа при измерении
волнистости обработанной поверхности;
г - привод перемещения щупа при измерении
волнистости
Для достижения равномерности перемещения
датчика напряжение, подводимое на электродвигатель привода, стабилизировали.
Параметры волн на обработанных образцах оценивали по их средней высоте в десяти
точках Wz и среднему шагу Sw в соответствии с
рекомендациями СЭВ (PC 395I-73).
Контроль шероховатости обработанных поверхностей проводили на
профилографе-профилометре модели 252 с определением среднего арифметического
отклонения профиля
, наибольшей высоты неровностей Rmax, среднего значения шагов выступов S в пределах базовой длины и относительной опорной длины
профиля tp.
Износ алмазных кругов в процессе шлифования напыленных покрытий
определили измерением разновысотности между рабочей поверхностью инструмента и
базой до и после обработки в шести фиксированных точках по методике,
аналогичной измерению его отклонений формы при правке. Для получения
обобщенного значения износа результаты 18 замеров с учётом трехкратной
повторяемости опытов усредняли.
Механизм формирования микрорельефа различных типов керамики
исследовали по графитовым репликам на электронном просвечивающем микроскопе
модели УЭМВ-100К и по образцам-свидетелям, выполненным в форме кубов с
величиной ребра 8 мм, на растровом микроскопе BS 300 "TESLA".
Образцы-свидетели вырезали из больших образцов после напыления покрытий и далее
шлифовали в соответствии с условиями эксперимента. Топографию обработанных
поверхностей минералокерамики исследовали с использованием единичных пластин
ЦМ332.
Каждый опыт сравнительного эксперимента был проведен с трехкратной
повторяемостью и имел следующую структуру. После подготовки инструмента к
работе и измерения биений его рабочей поверхности образец, установленный на
динамометре, предварительно шлифовали для устранения исходных погрешностей при t =0,01мм, S1x=3 мм/ход и
Vs =5 м/мин, то есть с наименьшими
значениями режимных параметров и соответственно гарантией обеспечения
минимального дефектообразования на обрабатываемой поверхности керамического
материала. Далее технологическую систему настраивали в соответствии с планом
эксперимента и совершали три рабочих прохода для записи составляющих силы
шлифования. Затем дважды повторяли обработку при тех же технологических
условиях, но уже с установкой аналогичных образцов на жёстком магнитном столе.
В первом случае шлифование проводили без выхаживания, во втором - с выполнением
4 выхаживающих проходов. Тем самым получали возможность проведения анализа
влияния процесса выхаживания на качество обработанной поверхности напылённых
покрытий. Съём, волнистость, шероховатость и топографию объектов исследовали
после удаления с контролируемой поверхности продуктов шлифования и
смазочно-охлаждающей жидкости промывкой спиртом. При проведении
технологического эксперимента придерживались аналогичной структуры опытов.
Анализ обработанных поверхностей методами электронной микроскопии не проводили.
В свою очередь для контроля за отсутствием дефектов на шлифованной поверхности
напылённых слоев образцы пропитывали 5% раствором марганцовокислого калия, а затем
промывали в спирте. При этом, если в керамике имели место единичные трещины или
их сеть, они проявлялись за счёт окрашивания. Кроме того, в процессе
технологического эксперимента по шлифованию детонационных и плазменных покрытий
для кругов каждой характеристики были определены значения удельного расхода
алмазов как отношение весового износа инструмента к объему снятого материала.
Получение такой информации необходимо для технико-экономических обоснований при
внедрении технологии окончательной механической обработки покрытий в
промышленность.
2.2 Анализ
физических процессов, характеризующих формообразование поверхностей
Особенности формообразования для различных
типов керамических материалов изучали на этапе проведения сравнительного
эксперимента совместным анализом выходных параметров процесса шлифования и
электронных фотографий обработанных поверхностей.
Сопоставление численных значений составляющих сил резания,
возникающих при шлифовании объектов исследования, позволяет выделить несколько
существенных отличительных признаков. Величины сил для ЦМ332, детонационного и
плазменных покрытий значительно отличаются друг от друга (рис 2.4 и 2.5).
Наибольших численных значений составляющие
и
достигают при шлифовании технической
минералокерамики, а наименьших для плазменно-напылённой окиси алюминия.
Величина соотношения
/
для различных типов керамики также изменяется. Причем для ЦМ332 в
среднем колеблется в интервале 2,0.2,6, для детонационного покрытия - 3,2.3,8,
для плазменного - 4,9.5,2. Анализ данных динамических параметров с учётом
физико-механических свойств и строения объектов исследования (см. таблицу 2.1)
показывает, что со снижением прочности на растяжение и повышением пористости
обрабатываемого материала численные значения составляющих силы шлифования
уменьшаются, а величина соотношения
/
возрастает. Это подтверждает ранее
выдвинутые предположения о наличии существенных особенностей в характерах
обрабатываемости данных керамических материалов. С увеличением глубины
шлифования t составляющие силы резания также
возрастают. Таким образом, характер напряженного состояния, возникающего в
обрабатываемом материале при взаимодействии с инструментом, определяется
пористостью керамики, ее когезионной прочностью, характеристикой круга и
режимными параметрами процесса. На основании этого можно предположить, что
механизмы съёма, имеющие место при шлифовании минералокерамики, детонационного
и плазменного покрытий, должны иметь существенные различия.
Параметры шероховатости обработанных поверхностей различных
керамических материалов также значительно отличаются друг от друга как по
величине, так и по характеру влияния на них условий обработки. Наименьшая
шероховатость наблюдается на поверхности минералокерамики, наибольшая - у
плазменных покрытий (рис.2.6). В случае обработки ЦМ332 среднеарифметическое
отклонение профиля
при увеличении глубины t возрастает более интенсивно, чем для
детонационно-напылённой окиси алюминия. В свою очередь у плазменных покрытий
параметр
при варьировании t от условий чистового до чернового шлифования изменяется менее
значительно. То есть, увеличение глубины шлифования не приводит к ощутимому
увеличению или уменьшению высоты микронеровностей, несмотря на повышение
напряженного состояния в плазмонно-напылённом слое при обработке.
Изменение наибольшей высоты неровностей профиля Rmax (таблица 2.2) для всех исследуемых
объектов в зависимости от технологических условий подчиняется закономерностям
аналогично параметру
.
Построение опорных кривых профиля обработанных поверхностей
керамических материалов проводили по десяти значениям tp на равноразнесенных уровнях в пределах Rmax При этом масштаб сетки по координате уровней р задавали
пропорционально величине Rmax для каждого
конкретного материала, а по координате
соответственно величине S. Тем
самым были получены формы и размеры микронеровностей усредненного вида для
различных типов обработанной керамики (рис.2.7). Анализ данных опорных кривых с
учётом технологических условий шлифования показал, что форма и размеры
микронеровностей различных типов керамики значительно отличаются друг от друга
и изменяются для каждого из них аналогично параметрам
и S.
Изменение нормальной
и тангенциальной
составляющих силы шлифования при обработке керамических
материалов в зависимости от глубины резания (АС4 160/125 Б1 100)
Рис.2.4, 2.5.1 - минералокерамика ЦМ332;
- детонационное покрытие;
- плазменное покрытие
Изменение среднего арифметического
отклонения профиля при обработке керамических материалов в зависимости от
глубины t
Рис.2.6 I - минералокерамика
ЦМ332;
- детонационное покрытие;
- плазменное покрытие
Таблица 2.2. Параметры шероховатости и
волнистости поверхностей при шлифовании керамических материалов кругом АС4
160/125 Б1 100: V = 35 м/с, Vs =5 м/мин, S1x = 3 мм/ход, с COЖ
|
Минералокерамика
ЦМ 332
|
Детонационное
покрытие
|
Плазменное
покрытие
|
|
Глубина
шлифования t, мм
|
|
|
0,01
|
0,05
|
0,10
|
0,01
|
0,05
|
0,10
|
0,01
|
0,05
|
0,10
|
|
|
Rmax,
мкм
|
1,50
|
1,63
|
1,80
|
3,70
|
4,01
|
4,42
|
9, 20
|
0,1
|
10,9
|
|
|
Wz, мкм
|
3,72
|
3,05
|
2,81
|
5,17
|
5,07
|
4,25
|
7,06
|
6, 83
|
6,24
|
|
|
Sw, мм
|
1,35
|
1,38
|
1,31
|
1,42
|
1,34
|
1,50
|
1,45
|
1,34
|
1,30
|
|
|
h3,
мм
|
0,027
|
0,145
|
0,293
|
0,029
|
0,146
|
0,295
|
0,29
|
0,158
|
0,300
|
|
|
|
|
|
|
|
|
|
|
|
|
|
|
Таким образом, можно предположить, что
формообразование микрорельефа покрытий, напылённых детонационным и плазменным
методами, при обработке характеризуется структурой керамики: величиной пор,
плотностью и равномерностью их распределения в объеме, а также механизмом съема
материала, который, в свою очередь, зависит от физико-механических свойств
объектов исследования и технологических условий шлифования.
Анализ топографии шлифованных поверхностей
ЦМ332, детонационного и плазменного покрытий методами электронной микроскопии
выявил следующие особенности исследуемых объектов.
Формирование микрорельефа технической минералокерамики при
алмазном шлифовании (рис.2.8) сопровождается как элементами вырывания целых
блоков материала, так и хрупкого разрушения микролита вдоль траекторий движения
зерен инструмента. Это подтверждается наличием на обработанной поверхности
целого ряда углублений, в которых просматриваются границы раздела спечённых
частиц окиси алюминия, и более ровных участков с субмикрорельефом. Увеличение
высотных параметров шероховатости
и Rmax для ЦМ 332 при возрастании глубины
резания t можно объяснить повышением удельного
объема процессов вырывания блоков с поверхности керамики. В то же время
численный уровень пределов изменения
и Rmax соответствует более высокому классу
шероховатости по сравнению с напылёнными покрытиями, так как исходная структура
минералокерамики сформирована более мелкими частицами окиси алюминия, содержит
меньшее количество пор относительно небольшого размера. Возникновение усилий
шлифования при обработке минералокерамики, больших по численному значению, чем
для напыленных материалов, обусловлено высокой прочностью взаимного сцепления
частиц в ЦМ332 и её плотностью.
Опорные кривые профиля обработанных поверхностей керамических
материалов (АС4 160/125 Б1 100, V = 35 м/с,
= 5 м/мин, S1x = 3 мм/ход, t = 0,05мм)
а)
б)
в)
Рис.2.7 а - минералокерамика ЦМ332;
б - детонационное покрытие;
в - плазменное покрытие
В данном случае каждое единичное зерно
алмазного круга совершает большую работу в процессе съёма обрабатываемого
материала, что, как следствие, приводит к возрастанию результирующей силы
шлифования. На рис.2.9 приведена модель формообразования микрорельефа
минералокерамики в процессе съёма. Для этого обрабатываемый материал
представили в виде плоской пластины, выделили на нём границы раздела спечённых
частиц окиси алюминия и выполнили форму рельефа обработанной поверхности по
аналогии с топографией объекта на электронной фотографии. Данная модель
характеризует особенности механизма формообразования микрорельефа микролита
ЦМ332 при его шлифовании.
Топография микрорельефа обработанного
детонационного покрытия (рис.2.10) в отличие от минералокерамики имеет вид
слияния множества поверхностей хрупкого разрушения керамического материала. При
этом целый ряд микронеровностей содержит на вершинах плоские участки с
субмикрорельефом. Это явление предположительно можно объяснить тем, что съём
материала при алмазно-абразивной обработке напылённых слоёв осуществляется в
процессе развития поверхностей хрупкого разрушения из пор покрытий, но в тоже
время часть зёрен шлифовального круга взаимодействует с керамикой на глубине,
обеспечивающей зарождение микротрещин в микродефектах структуры: мелких
включениях, дефектах кристаллической решётки окиси алюминия. В последнем случае
образуются поверхности, приближающиеся к плоской форме, так как формируются в
непосредственной близи с траекториями движения алмазных зёрен инструмента.
Плоские участки с субмикрорельефом на поверхности детонационно-напылённой окиси
алюминия преобладающего характера не имеют, но всё же оказывают влияние на
высотные параметры шероховатости. При увеличении глубины шлифования t удельная площадь таких
участков на обрабатываемом материале уменьшается за счёт сокращения числа зёрен
инструмента, работающих с меньшей глубиной микрорезания. Это, как следствие,
приводит к росту высотных параметров микрорельефа поверхности покрытия.
Поверхность минералокерамики ЦМ332,
обработанная кругом АС4 160/125 Б1 100: V = 35 м/с, Vs =5 м/мин, S1x=3 мм /х, t = 0,05 мм (электронный
микроскоп УЭМВ-100К, Графитовая реплика, х2500).
Рис.2.8. Механизм образования микрорельефа
поверхности ЦМ332 при алмазном шлифовании
а) б)
Рис.2.9
а - исходное состояние поверхности;
б - поверхность после взаимодействия с
единичным зерном инструмента
Обработанные поверхности детонационных
керамических покрытий после шлифования кругом АС4 160/125 Б1 100: V = 35 м/с,Vs = 5 м/мин, S1x = 3 мм/ход (электронный
растровый микроскоп ВS 300,×750)
а) б)
Рис.2.10. а) t = 0,01 м; б) t = 0,10 мм
Отличие высоты микронеровностей
минералокерамики и детонационно-напылённой окиси алюминия объясняется
особенностями строения обрабатываемых материалов и отличиями механизмов их
съёма. Можно предположить, что при шлифовании детонационного покрытия съём
материала происходит следующим образом. При внедрении единичного зерна круга в
обрабатываемый материал в области их контактирования возникает напряжённое состояние,
приводящее к развитию микротрещин из находящихся в непосредственной близости
дефектов строения детонационного покрытия: пор и различных включений.
Данная гипотеза базируется на теории А.
Гриффитса [116], в соответствии с которой при возникновении критического
напряжения в нагружаемом непластичном материале его разрушение происходит за
счёт лавинообразного развития трещины из исходного дефекта. Причём такой дефект
всегда присутствует, так как абсолютно однородных тел в реальной природе не
существует.
Дальнейшее продвижение зерна шлифовального
круга после его внедрения в напылённый слой сопровождается опережающим
перемещением поля напряжений в том же направлении, вовлекающим новые дефекты
строения покрытия в процесс трещинообразования. На рис.2.11 изображена
предполагаемая физическая модель механизма съема обрабатываемого материала при
шлифовании детонационно-напылённой керамики. Для построения данного механизма
формообразования поверхности покрытие представили в виде плоской пластины с
порами. В первоначальный момент взаимодействия элементарного зерна 1
абразивного инструмента (рис.2.11а) с напылённым керамическим материалом 2 из
исходного дефекта - поры 3, начинает развиваться микротрещина 4. При дальнейшем
перемещении зерна во внедренном состоянии (рис.2.11б) трещина продолжает расти
в направлении другого дефекта строения покрытия. Траектория развития трещины в
данном случае будет зависеть от характера распределения максимальных
напряжений, возникающих в обрабатываемом материале при шлифовании.
Механизм формирования микрорельефа поверхности детонационного
покрытия на основе
при шлифовании.
|
|
|
|
а)
|
б)
|
|
|
|
|
в)
|
г)
|
|
Рис.2.11 а)
зарождение микротрещины; б) развитие микротрещины; в) съем материала в
процессе трещинообразования; г) формирование участка плоской формы с
субмикрорельефом
|
Каждая пора напыленного керамического
материала является концентратором напряжений, поэтому линия роста микротрещины
с большей вероятностью будет проходить от поры к поре, а не в пространстве
между ними. В то же время, часть микронеровностей детонационного покрытия
содержит плоские участки с субмикрорельефом. Можно предположить следующий
вариант возникновения условий работы зерна на глубине, обеспечивающей
формирование поверхности керамики в непосредственной близи с траекторией его
движения. Так, в пределах дуги контакта зерна инструмента и напылённого
материала единичный выступ шероховатости может формироваться в два этапа.
Проиллюстрируем этот случай. Первоначально формообразование выступа 5
(рис.2.11в) происходит в результате отделения частицы 6 обрабатываемого
материала в процессе роста микротрещины ещё до прохождения зерна через данную
область его траектории. Далее вершина микронеровности как бы срезается при
развитии поверхностей съема из микродефектов керамики с образованием выступа
новой формы 7 (рис.2.11 г). Таким образом, параметры шероховатости напылённых
керамических покрытий находятся в функциональной зависимости от удельного
содержания процессов образования поверхностей хрупкого разрушения из
макродефектов и микродефектов структуры обрабатываемого материала.
На электронной фотографии поверхности
детонационного покрытия, прошлифованного с глубиной t = 0,01 мм (см.
рис.2.10а), плоских участков с субмикрорельефом наблюдается больше, чем при
прочих равных условиях, но с t = 0,10 мм (рис.2.10б), В зависимости от тех или иных
технологических условий обработки и физико-механических свойств керамического
материала глубина проникновения микротрещин при образовании шероховатости
напылённой поверхности изменяется, В каждом конкретном случае характер
процессов трещинообразования зависит от прочности взаимного сцепления частиц
окиси алюминия в напылённом покрытии, размеров пор, расстояний между ними,
характеристики шлифовального круга, режимов резания.
Топография обработанной поверхности плазменного покрытия (рис.2.12)
значительно отличается от детонационно-напылённой керамики. Микрорельеф в
данном случае имеет нерегулярный характер. Практически полностью отсутствуют
плоские участки с субмикрорельефом, причем при изменении глубины шлифования t от условий чистовой до черновой обработки не приводит к
видимому изменению поверхности керамики. Наиболее ровные участки микропрофиля,
которые можно выделить при анализе электронных профилограмм (рис.2.136),
являются результатом нарушения когезионных связей покрытия без разрушения
основы исходных частиц
, то есть расслоения. Образованные таким
образом поверхности сориентированы относительно плоскости шлифования под
различными углами, что объясняется случайным характером формирования спаев
между частицами порошка при напылении. Кроме участков расслоения покрытие
содержит поверхности со следами хрупкого разрушения. Такие области обработанной
керамики являются результатом развития микротрещин в покрытии при его взаимодействии
с инструментом. Механизм трещинообразования рассмотрен при анализе топографии
детонационных покрытий.
Большое значение в формировании микрорельефа плазменно-напылённой
керамики имеют её поры. Попадая на уровень обработки в различных фазах своего относительного
расположения, они образуют на поверхности покрытия впадины разной глубины.
Анализ микрошлифов детонационных и плазменных покрытий показывает, что у
последних поры распределены более неравномерно и имеют повышенный разброс
размеров. Это обстоятельство определяет большую нерегулярность микрорельефа
плазменных покрытий по сравнению с детонационными. Таким образом, при
шлифовании плазменно-напылённой окиси алюминия алмазными кругами на
органической связке шероховатость обработанной поверхности образуется из следов
расслоения, хрупкого разрушения и пор покрытия.
Обработанные поверхности плазменных керамических покрытий после
шлифования кругом АС4 160/125 Б1 100: V = 35
м/с, Vs = 5 м/мин, S1x = 3 мм/ход (электронный растровый
микроскоп BS 300, ×750)
а) б)
Рис.2.12. а) t = 0,01 мм; б) t = 0,10 мм
Поверхность плазменного покрытия на основе
, обработанная шлифовальным кругом АС4
160/ 125 Б1 100: V= 35 м/с, VS = 5м/мин, 3 мм/ход, t = 0,05 мм (электронный растровый микроскоп BS 300, ×750)
а) б)
Рис.2.13. а) общий вид обработанной
поверхности;
б) электронная профилограмма обработанной поверхности
Обобщая результаты анализа обработанных
поверхностей объектов исследования, можно выделить три основных процесса,
сопровождающих формообразование микрорельефа керамики при шлифовании. К ним
относятся: отслоение исходных частиц окиси алюминия и хрупкое разрушение при
развитии микротрещин из дефектов структуры покрытия. В свою очередь хрупкое
разрушение может происходить при образовании поверхностей съема как из
макродефектов - пор, так и из микродефектов структуры напылённого слоя. В
первом случае микрорельеф обработанной поверхности находится в зависимости от
характера распределения пор в покрытии, а во втором от геометрии рабочих зёрен
инструмента и кинематики процесса шлифования. В каждом конкретном случае
шероховатость напылённого покрытия может быть оборудована одним или несколькими
типами поверхностей съема: поверхностями хрупкого разрушения с развитым
микрорельефом, плоскими участками на вершинах микронеровностей с
субмикрорельефом, поверхностями - следами расслоения исходных частиц окиси
алюминия, а также элементами структуры материала - порами.
Характеры съема при шлифовании различных керамических материалов
также имеют отличительные особенности. Так, при обработке минералокерамики,
детонационных и плазменных покрытий разница между суммарной вертикальной
подачей за три рабочих прохода
, заданной по лимбу станка, и фактическим съемом
изменяется (см. таблицу 2.2). Величина
для минералокерамики имеет наибольшее
значение, а для плазменно-напылённой окиси алюминия наименьшее. Объяснить это
можно тем, что при шлифовании плазменных покрытий поверхность съема в процессе
трещинообразования в напылённом слое формируется ниже траекторий движения зёрен
инструмента. То есть, имеет место приращение съема
за счет хрупкого разрушения керамического
материала. Величина
в этом случае существенно компенсирует
упругие отжатия в технологической системе
и значение
приближается к значению
.
Анализ волнистости обработанных поверхностей исследуемых
керамических материалов показал; наибольшая высота волн
наблюдается у плазменных покрытий, а
наименьшая у минералокерамики (таблица 2.2). При увеличении глубины резания t параметр
уменьшается, a
остаётся неизменным.
2.3 Влияние
технологических факторов на процесс обработки напылённой керамики
При проведении технологического эксперимента по шлифованию
детонационных и плазменных покрытий на основе
были получены данные о влиянии характеристики инструмента,
режимных параметров и процесса выхаживания на составляющие силы резания, съём,
шероховатость и волнистость обработанной поверхности, а также определен
удельный расход алмазов для кругов различной зернистости.
Опыты показали, что при увеличении глубины шлифования и снижении
зернистости инструмента нормальная составляющая силы резания возрастает
(рио.2.14). По аналогии с результатами сравнительного эксперимента при
увеличении t нормальная составляющая
для покрытий, полученных детонационным
методом, возрастает более интенсивно, чем для плазменно-напылённых. Этим можно
объяснить явление образования на обрабатываемой поверхности детонационных
покрытий трещин при их шлифовании с глубиной резания более 0,10 мм, когда
значения напряжений в напылённом слое достигают критической величины, У
плазменных покрытий процесс дефектообразования не возникает даже при t = 0, 20мм. Это объясняется наличием в механизме съёма при
шлифовании плазменно-напылённых слоев элементов расслоения исходных частиц
окиси алюминия. Процесс расслоения происходит при меньших затратах усилий и
образование напряжений, приводящих к образованию макро-трещин в покрытии, не
наблюдается даже при больших глубинах резания.
Шероховатость поверхности объектов исследования при варьировании
технологических условий изменяется следующим образом. С увеличением зернистости
алмазных кругов среднее арифметическое отклонение профиля обработанной
поверхности
возрастает (таблица 2.3) для обоих типов
керамических покрытий. Увеличение глубины резания t также приводит к возрастанию параметра
, причем в случае шлифования
детонационно-напылённой керамики это влияние более ощутимо. Величины поперечной
подачи S1x и скорости продольной подачи Vs не оказывают значительного влияния на шероховатость обработанной
поверхности. Хотя при их увеличении наблюдается тенденция к небольшому росту
параметра
.
Следует отметить, что снижение зернистости инструмента приводит
одновременно к уменьшению шероховатости обработанной поверхности и увеличению
нормальной составляющей силы резания
. Поэтому использование кругов меньшей зернистости в условиях
чернового шлифования нежелательно ввиду возможности возникновения в покрытии
макротрещин и отслоений. Обработку целесообразно вести в два этапа. При этом на
первом инструментом большей зернистости и назначением глубины резания,
необходимой для исправления исходных отклонений формы заготовки и достижения заданного
размера. На втором этапе соответственно с использованием алмазного круга
меньшей зернистости и глубиной t не более
0,01.0,02 мм для достижения возможно наименьшей высоты микронеровностей
поверхности керамического покрытия.
Выполнение дополнительных выхаживающих проходов приводит к
снижению шероховатости обработанной поверхности. Для плазменных покрытий, по
сравнению с детонационными, процесс выхаживания менее эффективен (таблица 2.4).
Это явление можно объяснить при анализе результатов измерения съёма.
На рис.2.15 приведен график изменения
в зависимости от величины нормальной
составляющей силы шлифования
, возникающей при обработке керамических покрытий. Параметр
в данном случае является разницей между
суммарной глубиной резания
за три рабочих прохода, задаваемой по лимбу вертикальных подач
станка, и суммарным съемом
. Нулевая линия по координате
соответствует условию
.
В соответствии с экспериментальными данными увеличение нормальной
составляющей силы шлифования
приводит к возрастанию параметра
как для плазменных, так и для детонационных покрытий. Это
объясняется наличием упругих отжатий
в технологической системе при шлифовании, которые находятся в
прямопропорциональной зависимости от величины
Параметр
характеризует неполноту съёма материала
при обработке и в равных условиях для детонационных покрытий имеет большие
значения, чем для плазменных. Именно этим и объясняется более высокая
эффективность процесса выхаживания при шлифовании детонационно-напылённой
керамики.
Данные о фактическом съёме в зависимости от конкретных условий
шлифования целесообразно использовать при проектировании технологии размерной
обработки деталей с керамическими покрытиями.
Таблица 2.3. Значения среднего арифметического отклонения профиля
поверхностей покрытий при шлифовании
алмазными кругами на органической связке без совершения выхаживающих проходов
|
Зернистость
инструмента, мкм
|
|
40/28
|
80/63
|
125/100
|
|
Vs, м/мин
|
Vs, м/мин
|
Vs, м/мин
|
|
5
|
10
|
5
|
10
|
5
|
10
|
|
S1x, мм/ход
|
S1x, мм/ход
|
S1x, мм/ход
|
S1x, мм/ход
|
S1x, мм/ход
|
S1x, мм/ход
|
|
t, мм
|
3
|
5
|
3
|
5
|
3
|
5
|
3
|
5
|
3
|
5
|
3
|
5
|
|
Детонационные
покрытия
|
|
0,10
|
0,32
|
0,35
|
0,36
|
0,33
|
0,64
|
0,53
|
0,55
|
0,61
|
0,77
|
0,77
|
0,73
|
0,74
|
|
0,06
|
0,26
|
0,30
|
0,23
|
0,32
|
0,49
|
0,46
|
0,43
|
0,40
|
0,67
|
0,63
|
0,65
|
0,70
|
|
0,02
|
0,14
|
0,16
|
0,17
|
0,34
|
0,41
|
0,31
|
0,39
|
0,53
|
0,55
|
0,55
|
0,53
|
|
Плазменные
покрытия
|
|
0, 20
|
1,35
|
1,29
|
1,31
|
1,44
|
1,61
|
1,52
|
1,54
|
1,63
|
1,90
|
1,87
|
1,75
|
1,95
|
|
0,10
|
1,34
|
1,30
|
1,27
|
1,53
|
1,47
|
1,50
|
1,56
|
1,59
|
1,83
|
1,74
|
1,71
|
1,67
|
|
0,02
|
1,16
|
1, 20
|
1,25
|
1,28
|
1,34
|
1,41
|
1,39
|
1,44
|
1,58
|
1,62
|
1,67
|
1,60
|
|
|
|
|
|
|
|
|
|
|
|
|
|
|
Таблица 2.4. Значения среднего арифметического отклонения профиля
поверхностей керамики при шлифовании
алмазными кругами на органической связке с совершением четырех выхаживающих
проходов
|
Зернистость
инструмента, мкм
|
|
40/28
|
80/63
|
125/100
|
|
Vs, м/мин
|
Vs, м/мин
|
Vs, м/мин
|
|
5
|
10
|
5
|
10
|
5
|
10
|
|
S1x, мм/ход
|
S1x, мм/ход
|
S1x, мм/ход
|
S1x, мм/ход
|
S1x, мм/ход
|
S1x, мм/ход
|
|
t, мм
|
3
|
5
|
3
|
5
|
3
|
5
|
3
|
5
|
3
|
5
|
3
|
5
|
|
Детонационные
покрытия
|
|
0,10
|
0,25
|
0,26
|
0,28
|
0,28
|
0,34
|
0,32
|
0,34
|
0,37
|
0,45
|
0,31
|
0,42
|
0,42
|
|
0,06
|
0,16
|
0,21
|
0,18
|
0,22
|
0,30
|
0,31
|
0,33
|
0,37
|
0,35
|
0,26
|
0,38
|
0,42
|
|
0,02
|
0,07
|
0,09
|
0,05
|
0,10
|
0, 19
|
0, 20
|
0,24
|
0,21
|
0,29
|
0,26
|
0,32
|
0,34
|
|
Плазменные
покрытия
|
|
0, 20
|
1,30
|
1,28
|
1,30
|
1,40
|
1,40
|
1,42
|
1,51
|
1,60
|
1,82
|
1,80
|
1,80
|
1,88
|
|
0,10
|
0,96
|
0,87
|
0,91
|
1,01
|
1, 20
|
1,26
|
1,23
|
1,39
|
1,61
|
1,70
|
1,67
|
1,75
|
|
0,02
|
0,83
|
0,78
|
0,85
|
0,89
|
1,08
|
1,11
|
1,14
|
1,16
|
1,50
|
1,54
|
1,58
|
1,59
|
Изменение нормальной составляющей силы
резания в зависимости от глубины шлифования и зернистости инструмента (АС4. Б1
100, V=
35 м/с, Vs=5 м/мин, S1x =5 мм/ход).
Рис.2.14. Детонационные покрытия: 1 - 40/28, 2 - 80/63, 3 -
125/100; плазменные покрытия: 4 - 40/28, 80/63 - 5, 6 - 125/100
Изменение параметра
в зависимости от величины нормальной составляющей силы шлифования
Рис.2.15
- детонационные покрытия;
- плазменные покрытия
Анализ волнистости шлифованных
поверхностей напылённых покрытий выявил следующие закономерности процесса. С
увеличением глубины резания t и уменьшением зернистости алмазного круга средняя высота
волн Wz уменьшается (рис.2.16). На основании ранее полученных
экспериментальных данных (см. рис.2.14) это связано с возрастанием нормальной
составляющей силы шлифования Py. Величина среднего шага волнистости Sw зависит от скорости
подачи изделия Vs. Причём с увеличением Vs параметр Sw возрастает. Так при Vs = 5 м/мин средний шаг
волнистость составил Sw = 1,3.1,5 мм, а при Vs = 10 м/мин -
соответствовал Sw = 2,7.3,1 мм.
Исследование износостойкости алмазного инструмента различной
зернистости при шлифовании напылённых покрытий на основе окиси алюминия
показали (рис.2.17): удельный расход алмазов
при прочих равных условиях для керамики, полученной детонационным
методом, выше, чем для плазменной. Уменьшение зернистости инструмента
сопровождается увеличением показателя
. Таким образом, с целью экономии алмазного инструмента
целесообразно использовать для обработки напыленной окиси алюминия круги
большей зернистости, обеспечивающие требуемую шероховатость поверхности.
Изменение средней высоты волнистости
обработанных поверхностей покрытий в зависимости от глубины шлифования и
зернистости круга (АС4. Б1 100, Vs, = 5 м/мин, S1x =5 мм/ход).
Рис.2.16 Детонационные покрытия: 1 - 40/28, 2-80/63, 3 -
125/100; плазменные покрытия: 4 - 40/28, 5 - 80/63, 6 - 125/100
Изменение удельного расхода алмазов при шлифовании покрытий.
плазменные покрытия детонационные покрытия
Рис.2.17 Условия обработки: инструмент -
АС4. Б1 100,V
= 35 м/с, Vs= 5м/мин,S1x=5 мм/ход, t = 0,10мм
С целью определения степени влияния технологических факторов:
зернистости инструмента
, глубины шлифования t, скорости подачи изделия Vs, поперечной подачи S1x на силы резания и шероховатость
обработанных поверхностей детонационных и плазменных покрытий была проведена
обработка результатов измерения среднего арифметического отклонения профиля Rа и нормальной составляющей силы резания Ру в соответствии
с РДМУ 109-77 [60] Для этого из данных технологического эксперимента выделили
значения
и
соответствующие матрице полного факторного эксперимента с числом
опытов
. В качестве варьируемых параметров
приняли
, t, Vs и S1x. За максимальный и минимальный уровни
данных технологических факторов были приняты соответственно их максимальные и
минимальные значения, устанавливаемые в эксперименте для каждого из типов
покрытий. Для математического описания влияния режимов шлифования и
характеристики инструмента на шероховатость обработанных поверхностей
керамических покрытий на основе окиси алюминия использовали традиционную в
технологии машиностроения степенную зависимость вида.
, (2.1)
где
- среднее значение контролируемого
параметра;
,
,
- значение варьируемых параметров;
,
,
,
,
- эмпирические коэффициенты.
Для получения уравнения регрессии зависимость (2.1)
логарифмировали. При этом она приобретала вид
, (2.2)
Среднее значение контролируемых параметров
и
в каждой из N точек плана
определяли в логарифмическом масштабе по данным шести измерений (повторяемость m = 6). Для оценки отклонений контролируемого параметра от
среднего значения по данным m наблюдений
вычисляли дисперсию воспроизводимости
. При проверке гипотезы однородности дисперсий использовали
- критерий Кохрена, равный отношению
максимальной дисперсии
к сумме дисперсии
. Задаваемый уровень значимости
, число степеней свободы
и
. Вследствие однородности дисперсии
усредняли. Коэффициенты регрессии
определяли умножением данных
на данные
в кодовых обозначениях с последующим
делением полученного произведения на общее число точек в плане матрицы
. Затем по усредненной дисперсии, общему
числу точек в плане и числу параллельных наблюдений m вычисляли среднеквадратические отклонения дисперсии ошибки
и
полученных
коэффициентов регресcии
. Гипотезу о значимости коэффициентов регрессии проверяли по
критерию Стьюдента. Задаваемый уровень значимости принимали равным
, число степеней свободы - -
. Адекватность полученной модели оценивали
по F - критерию Фишера на основе вычисленной
дисперсии адекватности
при принятом уровне значимости
и числе степеней свободы
(
- число значимых коэффициентов) и
. Для получения конечных зависимостей проводили замену переменных
в уравнении регрессии и приводили к степенному виду.
Обработку результатов полного факторного эксперимента по
вышеприведённой методике проводили на ЭВМ "Электроника ДЗ-28" с
использованием специально разработанной для этого программы (приложение 2). В
приложении 3 приведён пример расчета коэффициентов размерной модели для
.
Для плазменных покрытий получена следующая эмпирическая
зависимость
(2.3)
соответственно для детонационно-напылённой керамики
(2.4)
Анализ данных расчетных формул однозначно показывает, что на
шероховатость обработанных поверхностей керамических покрытий оказывает влияние
зернистость круга
и глубина шлифования t, влияние же скорости подачи Vs и поперечной подачи S1x незначимо. Существенным недостатком
зависимостей (3.3) и (3.4) является невозможность их использования для покрытий
со структурными параметрами, отличающимися от соответствующих напылённым слоям
на экспериментальных образцах. Таким образом, необходимо разработать алгоритм
расчета параметров шероховатости, который бы учитывал структуру обрабатываемого
покрытия.
При обработке результатов измерения нормальной составляющей силы
резания получены следующие расчетные зависимости: для плазменных покрытий
(2.5)
соответственно для детонационных
(2.6)
Как было ранее отмечено, формирование поверхностей при обработке
напылённой окиси алюминия происходит в процессе развития микротрещин из пор и
микродефектов покрытия. При этом траектории трещин могут проходить как ниже
линий движения алмазных зерен инструмента, так и в непосредственной близи с
ними. Для разработки математической модели по расчёту геометрии обработанных
поверхностей керамических покрытий на базе механизма трещинообразования
необходима дополнительная проверка данной гипотезы, которая имеет следующие
основные положения:
съем при шлифовании покрытий осуществляется в процессе раз вития
микротрещин из дефектов его структуры;
в случае если в процессе трещинообразования участвуют макродефекты
- поры напылённого слоя, образуется развитый микрорельеф;
в случае если трещины зарождаются в микродефектах: мелких
включениях и дефектах кристаллической решетки окиси алюминия, поверхность
формируется в непосредственной близи от траекторий движения алмазных зёрен
инструмента с образованием площадок на вершинах микронеровностей.
Данные площадки содержат на своей поверхности субмикрорельеф. В
дальнейшем явления их образования будем именовать процессами
"микрорезания-скалывания".
2.5 Выводы
. Разработанная методика и конструкция
экспериментальной установки для исследования особенностей формообразования
поверхностей керамических покрытий позволяет изучать обработанные напыленные
слои окиси алюминия с учётом их физико-механических свойств, характеристики
инструмента, режимных параметров процесса при соответствующем анализе
составляющих силы резания и удельной производительности алмазных кругов.
. Физико-механические процессы,
происходящие при обработке технической минералокерамики, детонационных и
плазменных покрытий имеют существенные отличия. При шлифовании
минерало-керамики алмазными кругами на органической связке наряду с элементами
"микрорезания-скалывания" имеет место вырывания отдельных блоков
материала.
Микропрофиль обработанных поверхностей
детонационно-напы-лённой окиси алюминия образуется как результат слияния
поверхностей хрупкого разрушения. При этом на отдельных участках наблюдается
следы "микрорезания-скалывания". С увеличением глубины шлифования
возрастают интенсивность хрупкого разрушения и соответственно шероховатость.
Обработка плазменных покрытий сопровождается как хрупким разрушением, так и
расслоением исходных частиц напылённого материала. Глубина шлифования в данном
случае не оказывает существенного влияния на шероховатость.
З. Со снижением когезионной прочности и
повышением пористости обрабатываемого керамического материала составляющих силы
шлифования уменьшаются, а отношение нормальной к тангенциальной составляющих
увеличивается. Наибольшую величину результирующая сила резания имеет при
обработке минералокерамики, а наименьшую - при шлифовании плазменных покрытий.
. По сравнению с минералокерамикой
напылённые покрытия на основе окиси алюминия имеют более широкие области
режимов бездефектного шлифования. Керамику, полученную плазменным методом,
допустимо шлифовать с глубиной, превышающей в два раза рекомендуемые значения
для минералокерамики. Наименьшая высота микро-неровностей и волн обработанных
поверхностей наблюдается у минералокерамики, а наибольшая у
плазменно-напыленной окиси алюминия. При уменьшении зернистости алмазного
инструмента и глубины шлифования шероховатость поверхностей керамических
покрытий снижается. С уменьшением зернистости круга увеличиваются силы
шлифования. При выборе характеристики алмазного инструмента следует
использовать круги большей зернистости, обеспечивающие требуемую шероховатость
обработанной поверхности.
. Величина съема материала при шлифовании
напылённой керамики меньше значения вертикальной подачи инструмента. Данное
различие для плазменно-напыленной окиси алюминия меньше, чем для детонационных
покрытий. Этим объясняется меньшая эффективность процесса выхаживания для
плазменных покрытий, чем для детонационных.
. Микронеровности поверхностей напыленной
керамики при алмазно-абразивной обработке формируются в основном за счёт
развития микротрещин из пор покрытий. Расчёт полей напряжений, возникающих в
пористом теле при его нагружении, показал, что микротрещина с большей
вероятностью развивается по траектории, проходящей через поры напыленного
материала, в том числе ниже линий движения рабочих зёрен инструмента.
Глава 3.
Имитационное моделирование процесса трещинообразования в пористом керамическом
материале при алмазно-абразивной обработке
Известно, что удаление вещества в зоне контакта при
шлифовании пористых керамических материалов осуществляется как в результате
воздействия микрорезания, так и посредством хрупкого объемного разрушения [1].
Микрорельеф деталей из пористой керамики в существенной степени формируется
вследствие развития микротрещин, развивающихся из микро - и макродефектов
структуры [2,3]. При этом съем материала заготовки осуществляется не только в
зонах траекторий движения зерен, но и вне их (глубже в теле детали) из-за
трещинообразования и выкрашивания материала заготовки. С другой стороны, может
оказаться, что траектории некоторых зерен режущего инструмента полностью или
частично пролегают в зоне опережающего трещинообразования и эти зерна не
участвуют в процессе микрорезания [4].
Определение зависимости мгновенных (точечных) параметров
съема [5] от технологических условий непосредственно по экспериментальным
данным сопряжено с существенными трудностями. В то же время относительно просто
экспериментально определяются такие параметры, непосредственно связанные с тем
же процессом хрупкого разрушения, как шероховатость заготовки и интегральные
показатели съема.
Целью данной работы является задача построения зависимостей
съема от технологических факторов обработки, необходимых для проектирования
технологических процессов финишной обработки хрупких пористых материалов.
Определение параметров трещинообразования при хрупком
разрушении материала заготовки в процессе шлифовании может рассматриваться как
задача идентификации этого процесса, что, в соответствие с указанным ранее,
требует применения теоретико-вероятностных методов.
Вследствие того, что структура происходящих процессов
(лавинообразное развитие трещин) известна, задача идентификации может быть
сведена к параметрической [6].
Рисунок 1 - Схема идентификации параметров съема в процессе
шлифования хрупких материалов.
В схеме идентификации выходные параметры процесса
трещинообразования рассматривается как ненаблюдаемые (недоступные
непосредственным измерениям). В то же время известна функция преобразования
, имеющая вид (6). Процесс на выходе блока
доступен непосредственному измерению.
Построение аналитической зависимости, непосредственно реализующей
преобразование обратное к
невозможно. Однако возможна настройка
параметров модели трещинообразования по критерию близости результатов
моделирования и непосредственного измерения выходных данных блоков
и
. Возможность измерения съема
использовалась для контроля корректности итоговых результатов.
Для получения данных о совокупностях
(моделях трасс трещин) использовались
методы имитационного моделирования. В основу построения моделей положены
следующие посылки:
. Вследствие технологического наследования процесса изготовления
керамического материала, в соответствие с данными [1], поры (дефекты структуры)
в его объеме распределены случайно и имеют равномерное распределение.
. Съем, вызванный хрупким объемным разрушением, при шлифовании
хрупких материалов осуществляется в процессе развития микротрещин из дефектов
структуры.
. Трещины в материале заготовки зарождаются в точках расположения
пор в структуре материала в зонах с наибольшими напряжениями, и, при превышении
критического уровня напряжений, вызываемых движением зерен инструмента, лавинообразно
распространяются.
. Траектории распространения трещин определяют перераспределение
поля напряжений.
При построении конкретных расчетных моделей принимались следующие
дополнительные допущения.
Тело представлялось в виде плоской пластины постоянной толщины,
состоящей из 80 конечных элементов (рис.2), с порами, имеющими ромбическую
форму. В области узловых точек 1, 7, 13 приложением нагрузок
и
имитировалось взаимодействие зерна инструмента материалом
заготовки. Характер нагружения принимался статическим. Граничные условия
удовлетворялись ограничением подвижности системы - лишением ее одной степени
свободы в точке 6 по оси OY и двух - в
точке 55 по осям OY и OX. Значения модуля упругости Юнга E и коэффициента Пуассона m выбирались в соответствии с физико-механическими характеристиками
материала керамики.
Набор сил, действующих в узлах единичного элемента
, могут быть записан в векторном виде
, (1)
а перемещений узлов представлен как

, (2)
где, как и в (1), знаком T обозначена операция транспонирования соответствующего вектора.
С учетом того, что каждый элемент считается упругим, основным
соотношениям (1), (2) соответствует уравнение
, (3)
где
- матрица жесткости элемента.
В любой заданной точке напряжения определяются через условные
перемещения
, (рисунок 3) по соотношению
, (4)
где
- матрица напряжений элемента.
Рисунок 2 - Пример системы конечных элементов, моделирующей
взаимодействие единичного зерна круга с пористым телом
Рисунок 2 - Схема действия напряжений в конечном элементе
Эквивалентные напряжения
рассчитывались по зависимости
, (5)
где
,
- экстремальные нормальные напряжения;
,
- нормальные напряжения конечного
элемента, действующие в направлении осей OY и OX;
- касательное напряжение конечного элемента.
Моделировался вариант нагружения при соотношении сил
= 3,5. Построенные по соотношениям (1) -
(5) поля напряжений позволили определить наиболее вероятную трассу микротрещины
по результатам нахождения элементов с максимальными напряженными состояниями
. Оказалось, что наиболее вероятная
траектория микротрещин проходит через элементы 13, 28, 41, 50, 61, 73, 72. Для
исключения влияния граничных условий элементы 6 и 55, прилегающие к узловым
точкам, не учитывались.
Трасса образовавшейся трещины может охарактеризовать такой
параметр шероховатости, как значение среднего арифметического отклонения
профиля
, определяемого при помощи известной
зависимости по результатам моделирования
(6)
Длина базовой линии
при этом определяется координатами начальной и конечной точки
траектории развития микротрещины, а средняя линия профиля строится по
координатам траектории из условия равенства суммы площадей выступов над этой
линией
и под ней -
Пример моделирования показывает, что часть траектории трещины
проходит ниже уровня трассы движения зерен инструмента в теле заготовки.
Необходимо отметить, что для статистически надежной оценки параметра
необходимо использование модели с
большим, чем приведенное в примере, числом элементов, что требует
дополнительного расхода вычислительных ресурсов. Приведенная модель оказывается
чувствительной к выбору величины шага дискретизации по координатам. Результаты
моделирования также показали чувствительность к настройкам датчика случайных чисел,
задающего расположение пор при моделировании. Эти факторы могут быть
рандомизированы, а их влияние снижено путем соответствующих статистических
методов.
Однако применение статистических методов требует увеличения объема
моделирования, больших затрат вычислительных ресурсов, что делает
целесообразным "упрощения модели" в терминах [7]. Замена расчетных
зависимостей ("моделирование модели"), в первую очередь может быть
осуществлено за счет модернизации модели трещинообразования.
Модель трещинообразования может быть представлена совокупностями
трасс трещин
, каждая из которых следует от точки
внедрения зерна шлифовального круга до ближайшей поры и далее до следующей
ближайшей поры. При этом считается, что отдельные участки трассы являются
отрезками прямой и образуются мгновенно. Образованная совокупность таких
последовательных отрезков соответствует реализации случайного процесса
трещинообразования. Хотя вероятности каждого из возможных направлений ветвлений
определяется распределением всей совокупности пор как концентраторов напряжений
в материале заготовки, наиболее существенным является влияние каждой отдельной
поры, а одновременным совместным влиянием групп пор можно пренебречь без
существенного снижения точности расчетов.
В качестве фактора существенно влияющего на распределение
напряжений необходим учет эффекта свободной поверхности заготовки, снижающего
вероятность заглубления трассы трещины. Учет может быть произведен введением
функций штрафа. Величины коэффициентов штрафа существенно влияют на
характеристики модели и требуют идентификации. Настройка модели в соответствие
со схемой рис.1 может реализовываться как задача минимизации расхождения между
экспериментальными данными натурных измерений параметров шероховатости и их
расчетных значений, полученных по результатам имитационного моделирования.
Участок подверженного процессу хрупкого разрушения тела детали
задается площадкой с базовой длиной
и глубиной анализируемого слоя
и характеризуется набором из
пор, каждая из которых задается случайно выбранными координатами
. При этом глубина анализируемого слоя
должна выбираться не меньшей, чем наибольшая высота микронеровностей профиля
, а длина
- базовой длины профиля, необходимого для расчета параметров
шероховатости.
В предположении однородности материала между порами и отсутствии
влияния ансамблей из нескольких пор, можно считать, что максимальные напряжения
в теле заготовки образуются у ближайшей (по отношению к уже образовавшейся
трассе) поре. Возможность прохождения трассы через поры, расположенные левее,
чем пора, до которой уже дошла трещина, в соответствие с результатами
моделирования методом конечных элементов, не рассматривается, т.е.
обеспечивается выполнение условия
. (7)
Для уменьшения вероятности развития модели трассы микротрещины
вглубь керамики, в критерий близости расположения пор дополнительно к
эвклидовой норме введен аддитивный штраф
. Этот вклад определяет величину поверхностного слоя, в котором
находятся поры, участвующие в процессе трещинообразования.
Очередная пора выбирается в соответствие с критерием
Q=
. (8)
С вычислительной точки зрения, необходимость проверки выполнения
условия (6) при массовых расчетах критерия (8) делает целесообразной
дополнительную процедуру предварительного упорядочивания пор и их нумерации,
которая производится, начиная с верхнего левого угла моделируемого
прямоугольника с ранжированием по каждой из координат с введением двойных
индексов.
В такой записи выражения (7) и (8) приобретают вид
при
Процесс моделирования прекращается при достижении трассой правого
края моделируемого участка - выполнения условия
, т. е
.
Координата средней линии y0 при этом отсчитывается от условного
положения рассматриваемого единичного зерна круга, что позволяет считать ее
численное значение равным величине приращения съема в процессе хрупкого
разрушения поверхностного слоя:
.
Численное значение
является необходимым параметром для расчета съема по зависимостям
[5], характеризующим вероятность неудаления материала за счет объемного
хрупкого разрушения.
Получаемые значения зависят от коэффициента штрафа
, который, в свою очередь, определяется
конкретными технологическими параметрами обработки: - зернистостью
шлифовального круга - Зо, глубиной шлифования -
, скоростью подачи изделия -
, поперечной подачей -
, значения которых выбираются из рекомендуемых
интервалов и некоторых параметров, характеризующих осуществление моделирования:
- глубиной анализируемого слоя -
, - числом М, характеризующим базовую длину
профилограммы и конкретной реализацией
распределения пор в теле заготовки.
С применением метода Монте-Карло по серии имитаций процесса
трещинообразования была выполнена аппроксимация результатов имитационного моделирования
по методу наименьших квадратов степенной зависимостью.
, (2)
которые функционально связывают коэффициент a с технологическими факторами шлифования
через контактные напряжения, возникающие при внедрении зерен инструмента в
материал детали.
При обработке результатов измерения для нормальной составляющей
силы резания получена следующая расчетная зависимость:
, (3)
Апробация алгоритма дала положительные результаты. Приведен пример
расчета параметра
для случая обработки пористой керамики.
Относительная погрешность расчетных и экспериментальных значений не превышала
15%.
Данная методика может быть использована при проектировании
технологических процессов финишной обработки с учетом требуемых параметров
шероховатости рабочих поверхностей детали. Достоверность полученных результатов
подтверждается практической реализацией рассмотренной методики и проверкой
результатов моделирования при обработке деталей с керамическими покрытиями.
Список
литературы
1.
Абразавная и алмазная обработка материалов. Справочник /Под ред. проф.А.Н.
Резникова - М.: Машиностроение, 1977. - 390 с.
.
Бакуль В.Н. и др. Справочник по алмазной обработке металлорежущего инструмента.
- Киев: Техника, 1971. - 208 с.
.
Мишнаевский Л.Л. Износ шлифовальных кругов. - Киев: Наук. думка, 1982. - 192 с.
.
Новоселов Ю.К. Динамика формообразования поверхностей при абразивной обработке.
- Изд-во Сарат. ун-та, 1979. - 232 с.
.
Братан C.
M. Моделирование съема
материала при финишной обработке деталей с износостойкими керамическими
покрытиями // Резание и инструмент в технологических системах. - Межд. научн. -
техн. сборник. - Харьков: ХГПУ, 1998. - Вып. - 52. - С.17-.23.
Сильвестров
А.Н., Чинаев П.И. Идентификация и оптимизация автоматических систем. М.:
Энергоатомиздат, 1987, 200 с.
.
Шеннон Р. Имитационное моделирование систем - искусство и наука. М.: Мир, 1978,
418 с.