Конструктивная схема сборного перекрытия
Содержание:
1. Исходные данные к дипломному
проектированию
. Конструктивная схема здания
. Конструктивная схема сборного
перекрытия
. Расчёт многопустотной плиты по
предельным состояниям первой группы
.1 Размеры формы плиты
.2 Расчётный пролёт плиты
.3 Расчётная схема
.4 Характеристики материалов
.5 Нагрузки
.5.1 Расчётные и нормативные
нагрузки
.5.2 Усилия от расчётных и
нормативных нагрузок
.6 Установление размеров сечения
плиты
.7 Расчёт прочности плиты по
сечению, нормальному к продольной оси
.8 Расчёт прочности плиты по
сечению, наклонному к продольной оси
.9 Расчёт пустотной плиты по
предельным состояниям второй группы
.9.1 Потери предварительного
напряжения арматуры
.9.2 Расчёт по образованию трещин,
наклонных к продольной оси
.9.3 Расчёт по раскрытию трещин,
нормальных к продольной оси
.9.4 Расчёт прогиба плиты
. Расчёт сборного неразрезного
ригеля
.1 Конструктивная и расчётная схемы,
нагрузки, расчётное сечение
.2 Усилия в сечениях ригеля
.3 Перераспределение моментов под
влиянием пластических шарниров
.4 Опорные моменты ригеля по граням
колонн
.5 Огибающая эпюра моментов
.6 Расчёт прочности по сечениям,
нормальным к продольной оси
.7 Расчёт прочности ригеля по
сечениям, наклонным к продольной оси
.8 Построение эпюры материалов
. Расчёт и конструирование колонны
.1 Нагрузки, продольные усилия
1. Исходные данные к дипломному проектированию
Здание промышленное четырех этажное,
без подвала, с размерами в плане 72,0х17,2м. Сетка колонн 6,0х5,7м. и 6,0х5,8м.
Высота этажа 4,2м. Кровля плоская совмещенная. Нормативная длительно
действующая 4,0 кН/м²,
нормативная
кратковременная 2,0 кН/м².
Нормативная
временная нагрузка на перекрытие 6,0 кН/м2. 6,0кН/м2 , кратковременная часть.
Коэффициент надежности по назначению здания
(II класс
ответственности здания). Температурные условия здания нормальные. Влажность
воздуха выше 40%. Район строительства г. Москва. Снеговой район Ш (карта 1
[4]). Расчётная нагрузка Sg=1,8 кПа. Глубина промерзания
грунта 1,5м. Расчётное сопротивление грунта
.
2. Конструктивная схема здания
Здание многоэтажное каркасное с
неполным ж/б каркасом и несущими наружными кирпичными стенами. Железобетонные
перекрытия разработаны в двух вариантах: сборном и монолитном исполнение.
Пространственная жесткость здания решена по рамно-связевой схеме. В сборном
варианте поперечная жесткость здания обеспечивается поперечными рамами и
торцевыми стенами, воспринимающими горизонтальные ветровые нагрузки через диски
перекрытий. Торцевые стены служат вертикальными связевыми диафрагмами. В здание
до пяти этажей включительно жесткость поперечных диафрагм (стен) намного
превышает жесткость поперечных рам, и горизонтальные нагрузки передаются на
торцевые стены. Поперечные же рамы работают только на вертикальную нагрузку.
Жесткость здания в продольном направление обеспечивается жесткими дисками
перекрытий и вертикальными связями, установленными в одном среднем пролете по
каждому ряду колонн по всей высоте здания. Под кирпичные стены принят ленточный
фундамент, под колонны приняты отдельные фундаменты стаканного типа. Сопряжение
колонн и фундамента принято жестким.
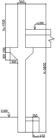
3. Конструктивная схема сборного
перекрытия
Ригели расположены поперек здания и
опираются на продольные несущие стены и консоли колонн. Такое расположение
ригелей увеличивает жесткость в поперечном направлении. Сопряжение ригеля с
колонной принято жестким на сварке закладных деталей и выпусков арматуры с
последующим замоноличиванием стыков. Опирание ригелей на стены принято
шарнирным. Плиты перекрытия пустотные, предварительно напряженные, опирающиеся
на ригели поверху. Сопряжение плит с ригелем принято на сварке закладных
деталей с замоноличиниваем стыков и швов. Привязка стен к крайним разбивочным
осям: к продольным - нулевая, к поперечным -120мм. Заделка ригелей в стены 250
мм. Конструктивная схема сборного перекрытия представлена на рис.1
Рис.1. Конструктивная схема сборного
перекрытия.
4. Расчет многопустотной плиты по предельным
состояниям первой группы
.1 Размеры формы плиты
Рис. 2 Сечение плиты.
Рассчитываем рядовую плиту П-1 (1500х6000)
LК= LН - 20= 6000-20= 5980 мм.
ВК= ВН-2δ=1500-10=1590 мм.
.2 Расчётный пролёт плиты
Находим расчетную длину плиту из выражения:
.
Где:
номинальная длина плиты равная
расстоянию между осями пролета;
высота ригеля, принимаем кратно 50
мм hр= 500 мм.
номинальная длина ригеля;
Находим конструктивную длину плиты -
(данные параметры приведены на рис.2
и 3).
Рис 3. Конструктивная схема опирания
плиты.
.3 Расчётная схема
Рис. 4. Схема нагрузок
.4 Характеристики материалов
(прочности бетона и арматуры)
Пустотную предварительно напряженную
плиту армируем стержневой арматурой класса А-V с
электрическим натяжением на упоры формы. К трещиностойкости плиты предъявляют
требования третей категории. Изделие подвергают тепловой обработке при
атмосферном давление.
Бетон тяжёлый класса В25
соответствующий напрягаемой арматуре (табл.2.4[1]).Согласно приложению 1-4
[1]призменная прочность бетона: нормативная-Rbn=Rb,ser=18.5 МПа,
расчетная Rb=14.5 МПа;
коэффициент условий работы бетона
. Нормативное сопротивление при
растяжение Rbtn=Rbt,ser=1.60 МПа;
расчетное Rbp
устанавливается так, чтобы при обжатии отношение напряжений
.
Арматура продольных ребер класса А-V,
нормативное сопротивление Rsn=785 МПа, расчетное
сопротивление Rs=680 МПа;
модуль упругости Es=190000 МПа (табл.1 прил.5[1]).
Предварительное напряжение арматуры принимаем равным
.
Проверяем выполнение условия 2.22[1]
где p=30+360/l- значение
при электротермическом натяжении арматуры;
l-длина
натягиваемого стержня , принимаемого как расстояние между наружными гранями
упоров =6,5м.
p=30+360/6,5=85,4
МПа
Вычисляем предельные отклонения
предварительного напряжения по формуле 2.25[1]
где np=10 число
арматурных стержней.
Коэффициент точности натяжения при
благоприятном влиянии предварительного напряжения по формуле 2.24[1]
. При
проверке по образованию трещин в верхней зоне плиты при обжатии принимаем
.
Предварительное напряжение с учетом
точности натяжения
.5 Нагрузки
.5.1 Расчетные и нормативные
нагрузки
Подсчет нагрузок на 1м2перекрыти
приведен в таблице 1.
Находим расчетную нагрузку на 1м
длины при ширине плиты
, с учетом
коэффициента надежности по назначению здания
;
Постоянная
Полная
Нормативная нагрузка на 1м длины:
Постоянная
Полная
В том числе постоянная длительная
|
Вид
нагрузки
|
Нормативная
нагрузка Н/м2
|
Коэф-т
надежности по нагрузке
|
Расчетная
нагрузка Н/м2
|
Постоянная: Собственный вес
пустотной плиты Тоже слоя цементного раствора
(
)
Тоже керамической плитки
.1
.3
.1
3300
572
|
|
|
|
|
Итого
Временная: В том числе длительнодействующая кратковременная
|
3680
6000 4000 2000
|
- 1.2 1.2 1.2
|
4134
7200 4800 2400
|
|
Полная
нагрузка В том числе: Постоянная (3680Н/м2)и длительная временная (4000 Н/м2)
Кратковременная
|
9680
7680 2000
|
- - -
|
11334
-
-
|
Таблица 1
.5.2 Усилия от расчетных и нормативных нагрузок
От расчетной нагрузки:
От нормативной полной нагрузки:
От нормативной постоянной длительной:
.6 Установление размеров сечения
плиты
Высота сечения многопустотной
предварительно напряженной плиты h =22 см; рабочая высота сечения
h0=h-a=22-3=19 см; размеры: толщина верхней и нижней полок
. Ширина
рёбер: средних 4,0см, крайних- 5,3см. В расчетах по предельным состояниям
первой группы расчетная толщина сжатой полки таврового сечения
; отношение
h’f/h=38,5/220=
0.175 >0.1, при этом в расчет вводится вся ширина полки b’f=1460 мм;
расчетная ширина ребра:
.7 Расчет прочности плиты по
сечению, нормальному к продольной оси
М=60.09 кН×м.
Сечение тавровое с полкой в сжатой
зоне.
Вычисляем:
Из таблицы III.1[4] находим =0,1;
x = ×b0=0,1×19=1,9см<3,0
см - нейтральная ось проходит в пределах сжатой полки; =0,95.
Вычисляем характеристику сжатой зоны
по формуле:
w=0,85-0,008×gb2×Rb=0,85-0,008×14,5×0,9=0,75.
Вычисляем граничную высоту сжатой зоны по
формуле:
здесь sSR=Rs=680+400-588=492
МПа;
в знаменателе формулы принято 500 МПа, поскольку
gb2<1.
Коэффициент условий работы, учитывающий
сопротивление напрягаемой арматуры выше условного предела текучести, согласно
формуле:
gs6=h-(h-1)×(2×x/xR-1)=1,15-(1,15-1)×(2×0,1/0,57-1)=1,247>h
здесь:
h=1,15 - для
арматуры класса А-V; принимаем gs6=h=1,15.
Вычисляем площадь растянутой арматуры:
см2.
Принимаем 6 стержней 10 мм
с Аs= 4,71 см2.
.8 Расчет прочности плиты по
сечению, наклонному к продольной оси, Q=47,24 кН.
Влияние усилия обжатия P= 301,55 кH:
Проверяем, требуется ли поперечная
арматура по расчёту.
Условие:
=47,24×103 Н<2,5×Rbt×b×h0=2,5×0,9×1,05×(100)×45,83×19=205,7×103 Н -
удовлетворяется.
При
и поскольку
,16×jb4×(1+jn)×Rbt×b=0,16×1,5×(1+0,33)×0,9×1,05×45,83×100=1382,43Н/см
>110,2 Н/см,
принимают с=2,5×h0=2,5×19= 47,5 см.
Другое условие: при Q = Qmax - q1×c = 47,24×103 -
110,2*47,5 = 42×103
H,
-
удовлетворяется. Следовательно,
поперечной арматуры по расчёту не требуется.
На приопорных участках длиной l/4 арматуру
устанавливают конструктивно, 4ÆВр-I с шагом s=h/2=22/2=11 см
(принимаем 100 мм); в средней части пролёта поперечная арматура не применяется.
.9 Расчет пустотной плиты по
предельным состояниям второй группы
.9.1 Геометрические характеристики
приведенного сечения
Круглое очертание пустот заменяют
эквивалентным квадратным со стороной:
=0.9d=0,9·15,9=14,31см.
Толщина полок эквивалентного
сечения:
h’f=h=(22-14,31)
·0,5=3,85см.
Ширина ребра 146-7·14,31=45,83 см.
Ширина пустот 146-45,83=100,17 см.
Площадь приведённого сечения Ared=146·22-100,17·14,31=1778,567
см2.
Расстояние от нижней грани до центра
тяжести приведённого сечения: y0=0,5h=0,5·22=11см.
Момент инерции сечения
(симметричного):
см4.
Момент сопротивления сечения по
нижней зоне:
см3;
то же, по верхней зоне
см3.
Расстояние от ядровой точки,
наиболее удалённой от растянутой зоны (верхней), до центра тяжести сечения по
формуле
cм;
то же, наименее удалённой от
растянутой зоны (нижней) rinf =4,57 см.
Упругопластический момент
сопротивления по растянутой зоне согласно формуле:
см3,
здесь γ=1,5 для
двутаврового сечения.
Упругопластический момент по
растянутой зоне в стадии изготовления и обжатия W’pl=14330,4
см3.
.9.2 Потери предварительного напряжения
арматуры
Коэффициент точности натяжения
арматуры p=1. Потери от релаксации напряжений в арматуре при
электротермическом способе натяжения:
s1=0.03×ssp=0.03×588=17,64
МПа
Потери от температурного перепада между
натянутой арматурой и упорами s2=0,
так как при пропаривании форма с упорами нагревается вместе с изделием.
Усилие обжатия:
P1=As×(ssp-s1)=6,28×(588-17,64)×(100)=358186
H
Эксцентриситет этого усилия относительно центра
тяжести приведенного сечения:
=y0-d=11-3
= 8 см
Напряжение в бетоне при обжатии:
МПа
Устанавливаем величину передаточной
прочности бетона из условия: sbp/Rbp<0.75
Rbp=5,01/0,75=6,68<0.5×B25=12,5 МПа
Принимаем Rbp=12,5МПа. Тогда
отношение bp/Rbp=5,01/12,5=0,4.
Вычисляем сжимающее напряжение в
бетоне на уровне центра тяжести напрягаемой арматуры от усилия обжатия Р1 (без
учета изгибающего момента от веса плиты):
МПа
Потери от
быстро натекающей ползучести при sbp/Rbp=4,19/12,5=0.335 при a>0.3:
s6=40×sbp/Rbp=40×0,335=13,4
МПа
Первые
потери: slos1=s1+s6=17.64+13,4=31,04
МПа
С учетом
потерь s1+s6: Р1=Аs×(ssp-slos1)=6,28×(588-31,04)×(100)=349770
H
МПа;
sbp/Rbp=4,1/12.5=0.328
Потери от усадки бетона s8=35
МПа.
Потери от
ползучести бетона s9=150×a×sbp/Rbp=150×0.85×0.328=41,82
МПа
где a=0.85 при тепловой
обработке и атмосферном давлении.
Вторые потери: slos2=s8+s9=35+41,82=76,82
МПа
Полные потери: slos=slos1+slos2=31,04+76,82=107,86
МПа > 100 МПа - больше минимального значения.
Усилие обжатия с
учетом полных потерь:
Р2=Аs×(ssp-slos)=6,28×(588-107,82)×(100)=301,55
кН
.9.3 Расчет по образованию трещин, нормальных к
продольной оси
Производится для выяснения необходимости
проверки по раскрытию трещин.
Коэффициент надежности по нагрузке f=1; М=58,99
кН×м.
Вычисляем момент образования трещин по
приближенному способу ядровых моментов:
Mcrc=Rbt,ser×Wpl+Mrp=1,6×14330×(100)+
3411435 =5704235 Н*см=57,04 кН×м
Здесь ядровый момент усилия обжатия при gsp=0.9:
Mrp=gsp×P2×(eop+r)=0.9×301550×(8+4.57)=3411435
H×см
Поскольку М=58,99>Mcrc=57,04 кН×м-
трещины в растянутой зоне образуются. Следовательно, необходим расчет по
раскрытию трещин.
Проверим, образуются ли начальные трещины в
верхней зоне плиты при ее обжатии при значении коэффициента точности натяжения gsp=1.10
(момент от веса плиты не учитывается).
Расчетное условие:
gsp×P1×(eop-rinf)-M<Rbtp×W’pl
gsp×P1×(eop-rinf)=1.10×358168×(8-4,57)
=1343821,864 H×смbtp×W’pl
=1×14330×(100)=1433000
H×см
,864 H×см
<1433000 H×см
Условие удовлетворяется, начальные трещины не
образуются.
здесь Rbtp=1МПа - сопротивление
бетона растяжению, соответствующее передаточной прочности бетона Rbp=12.5
МПа.
.9.4 Расчёт по раскрытию трещин, нормальных к
продольной оси
Предельная ширина раскрытия трещин:
непродолжительная
,
продолжительная
. Изгибающие
моменты от нормативных нагрузок: постоянной и длительной - М=46,80 кНм; полной
М=58,99 кНм. Приращение напряжений в растянутой арматуре от действия постоянной
и длительной нагрузок определяется по формуле
Где
- плечо внутренней пары сил;
- усилие
обжатия Р, приложенное в центре тяжести площади нижней напрягаемой арматуры;
- момент
сопротивления сечения по растянутой арматуре.
Приращение напряжений в арматуре от
действия полной нагрузки
Ширина раскрытия трещин от
непродолжительного действия полной нагрузки
Где
,
,
,
,
- диаметр продольной арматуры;
Ширину раскрытия трещин от
непродолжительного действия постоянной и длительной нагрузок
Ширину раскрытия трещин от
длительного действия постоянной и длительной нагрузок
Непродолжительная ширина раскрытия
трещин
Продолжительная ширина раскрытия
трещин
.9.5 Расчет прогиба плиты
Прогиб определяется от нормативного
значения постоянной и длительной нагрузок, предельный прогиб
f=l0/200=585/200=2,93 см. Вычисляем параметры, необходимые для определения
прогиба плиты с учетом трещин в растянутой зоне. Заменяющий момент равен
изгибающему моменту от постоянной и длительной нагрузок М=46,80 кН×м; суммарная
продольная сила равна усилию предварительного обжатия с учетом всех потерь и
при sp=1; Ntot=P2=301,55 кН; эксцентрисистет: es,tot=M/Ntot=4680000/301550=15,52
см,
jl=0.8- коэффициент, при длительном
действии нагрузки.
(принимаем
)
Коэффициент, характеризующий
неравномерности деформаций растянутой арматуры на участке между трещинами:
Вычисляем кривизну оси при изгибе:
здесь yb = 0.9; lb = 0.15 - при
длительном действии нагрузок.
Аb=
= 146×3,845=561,37 см2; z1=h0-0.5h
=19-0,5*3,845=17,0775
- плечо внутренней пары сил.
Вычисляем прогиб плиты:
- условие по прогибу выполняется.
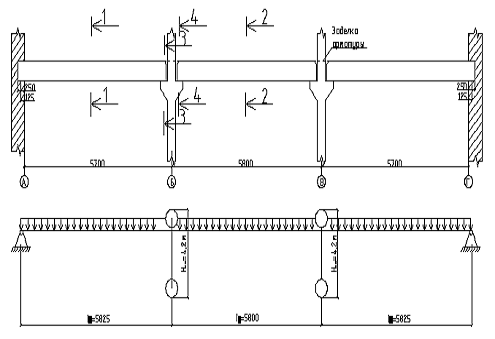
5. Расчет сборного неразрезного ригеля
.1 Конструктивная и расчетная схемы, нагрузки,
расчетное сечение
Ригели расположены поперек здания, образуя с
колоннами несущие поперечные рамы. Стык ригеля с колонной принят консольным.
Жесткость стыка обеспечена сваркой закладных деталей и выпусков арматуры с
последующим замоноличиванием стыка. Опирание ригеля на колонну принято
шарнирным. Заделка ригеля в стену принято 250 мм. Поперечные рамы работают на
восприятие вертикальных нагрузок.
Расчётная схема опирания ригеля:
Нагрузка от плит перекрытия принята равномерно
распределенной, ширина грузовой полосы (шаг поперечных рам) равен l
= 6,0 м.
Рис. 6 Конструктивная схема опирания ригеля.
. Расчетная нагрузка на 1 м длины ригеля -
постоянная от перекрытия
где: q - расчетная
постоянная нагрузка на плиту с учетом ее собственного веса (см. табл.1);
-
коэффициент надежности по нагрузке;
. Постоянная нагрузка от
собственного веса ригеля:
где:
- размеры сечения ригеля, равные 300×500мм;
- коэффициент условий работы бетона;
. Полная постоянная нагрузка:
.
. Временная длительная:
где:
- временная расчетная длительная
нагрузка на перекрытие (см. табл. 1);
. Временная кратковременная:
где:
- временная расчетная
кратковременная нагрузка на перекрытие (см. табл. 1);
. Полная временная нагрузка:
.
. Полная расчетная нагрузка:
.2 Усилия в сечениях ригеля
Отношение погонных жесткостей ригеля
и колонны:
,
Где
- момент инерции сечения колонны.
Принимаем сечение колонны равным 300×300 мм;
- момент инерции сечения ригеля;
- высота этажа;
Определение поперечных сил:
Определение пролетных моментов:
для схемы 1:
;
для схемы 2 и 4:
;
для схемы 3:
;
Данные всех расчетов заносятся в
таблицу 2.
Таблица 5.1
|
№
|
Схема
загружения.
|
Опорные
моменты, кН×м.
|
Пролётные
моменты, кН×м.
|
Поперечные
силы, кН.
|
|
|
М21
|
М23
|
М32
|
 Q12Q21Q23Q32
|
|
|
|
|
|
|
|
|
|
|
|
|
|
|
|
|
1 
-0.1092×27,48×5,8252=
=-101,82
.0939×27,48×5,82=
=-86,80
|
-0.0939×27,48×5,82=
=-86,80 71,21 28,75 62,56 -97,52 79,69 -79,69
|
|
|
|
|
|
|
|
|
|
2 
.0786×41,04×5,8252=
=-109,45
.0307×41,04×5,82=
=-42,38
|
-0.0307×41,04×5,82=
=-42,38 123,64 -42,38 100,74 -138,32 0 0
|
|
|
|
|
|
|
|
|
|
3 
.0307×41,04×5,8252=
=-42,75
.0632×41,04×5,82=
=-87,25
|
0.0632×41,04×5,82=
=-87,25 -17,1 85,32 -7,34 -7,34 119,02 -119,02
|
|
|
|
|
|
|
|
|
|
4 
.1171×41,04×5,8252=
=-163,06
.1098×41,04×5,82=
=-151,59
|
-0.0474×41,04×5,82=
=-65,44 102,09 64,10 91,54 -147,52 162,09 -104,16
|
|
|
|
|
|
|
|
|
|
|
|
1+2
|
-211,27
|
-129,18
|
-129,18
|
194,85
|
-13,63
|
163,3
|
-235,84
|
79,69
|
-79,69
|
|
1+3
|
-144,57
|
-174,05
|
-174,05
|
54,11
|
114,07
|
55,22
|
-104,86
|
198,71
|
-198,71
|
|
1+4
|
-264,88
|
-238,39
|
-152,24
|
173,3
|
154,1
|
-245,04
|
241,78
|
-183,85
|
|
1+4выр
|
-211,27
|
-174,05
|
-173,69
|
194,74
|
114,3
|
151,64
|
-224,18
|
187,17
|
-187,04
|
|
∆
|
53,61
|
64,34
|
-21,45
|
21,44
|
21,45
|
-
|
-
|
-
|
-
|
Опорные моменты:
от постоянной нагрузки:
=a×g×l2.
от временной нагрузки:
M=b×u×l2.
от полной нагрузки:
M=(a×g+b×u)×l2.
Поперечные силы:
Схема 1:
Схема 2:
Схема 3:
Схема 4:
Пролётные моменты:
Схема 1:
Схема 2:
Схема 3:
Схема 4:
5.3 Перераспределение моментов под
влиянием пластических шарниров
Пластический расчёт заключается в
уменьшении опорных моментов не более чем на 30 %, при этом намечается
образование пластических шарниров на опоре. Выполняется перераспределение
моментов для эпюры к схеме (1+4). Для этого к эпюре (1+4) добавляется
выравнивающая эпюра.
Ординаты выравнивающей эпюры:
DМ21=
=264,88-211,27=53,61кН·м
DМ23=
=238,39-174,05=64,34 кН·м
DМ32=
-DМ23/3=
-64,34/3= -21,45 кН·м
кН·м
кН·м
Ординаты выравнивающей эпюры по
схеме 1+4 выровненной:
Поперечные силы для схемы 1+4
выровненной:
.4 Опорные моменты ригеля по граням колонн
Схема (1+2):
М21гр=|М21|-|Q21|×hк/2
= 211.27-235.84×0,3/2 = 175.89 кН×м
М23гр=|М23|-|Q23|×hк/2
= 129,18-79.69×0,3/2 = 117.23 кН×м
Схема (1+3):
М21гр=|М21|-|Q21|×hк/2
= 144.57-104.86×0,3/2 = 128.41кН×м
М23гр=|М23|-|Q23|×hк/2
= 174.05-198.71×0,3/2 = 144.24 кН×м
Схема (1+4выр):
М21гр=|М21|-|Q21|×hк/2
= 211,27-224,18×0,3/2 = 177,64 кН×м
М23гр=|М23|-|Q23|×hк/2
= 174,05-187,17×0,3/2 = 145,97 кН×м
Для расчетов принимаем максимальный из
полученных расчетных моментов.
.6 Расчет прочности ригеля по сечениям,
нормальным к продольной оси
Характеристики прочности бетона и арматуры.
Бетон тяжелый класса В25, расчетные
сопротивления при сжатии Rb=14.5 МПа, при растяжении Rbt=1.05
МПа; коэффициент условий работы бетона gb2=0.90;
модуль упругости Еb=30000 МПа. Арматура продольная рабочая класса
А-III, расчетное сопротивление Rs=365 МПа, модуль упругости Еs=200000
МПа.
Определение высоты сечения ригеля.
Высоту сечения подбираем по опорному моменту при
x=0.35,
поскольку на опоре момент определен с учетом образования пластического шарнира.
Принятое же сечение ригеля следует, затем проверить по пролетному моменту (если
он больше опорного) так, чтобы относительная высота сжатой зоны была x<xy
и исключалось переармированное неэкономичное сечение.
Находим значение aм=0.289
при x=0.35
Граничная высота сжатой зоны:

Требуемая рабочая высота сечения ригеля: при b=25см
Полная высота h=h0+as=43,4+5=48,4мм.
→ h=50 см.
= 5 см - расстояние до арматуры.
Производим подбор сечений арматуры в расчетных
сечениях ригеля.
Сечение 1-1 в первом пролете: М=194.85 кН×м;
h0=50-5=45 см
am=М/Rb×b×h02=19485000/0.9×14.5×25×452×(100)=0,295
по таблице
= 0.82, 
(0,36<0,59)
As=M/Rs×
×h0=19485000/365×0,82×45×(100)=14,47
см2
Принимаем 4 стержня 22 А-III с Аs=15,2
см2
Определяем количество верхней
арматуры.
Арматура принимается конструктивно 212
А-III с Аs=2,26
см2
Сечение 2-2 в среднем пролете:
М=114,3 кН×м; h0=45 см
am=М/Rb×b×h02=11430000/0.9×14.5×25×452×(100)=0,173
по таблице
=0.904,
,
(0,191<0,59)
=M/Rs××h0=11430000/365×0.904×45×(100)=7.70
см2
Принимаем 4 стержня 16 А-III с Аs= 8,04
см2
Для восприятия отрицательного
момента в верхней зоне среднего ригеля принимаем равной 50% от нижней 2 стержня
16 А-III с Аs= 4,02
см2
Сечение 3-3 на средней опоре верхняя арматура: M=177,64кН×м;
h0=50-4=46 см
am=
/Rb×b×h02=17764000/0.9×14.5×25×462×(100)=0.257
по таблице
=0.849,
(0,303<0,59)
s=
/Rs×h×h0=17764000/365×0.849×46×(100)=12,46
см2
Принимаем 2 стержня Æ28 c As=12,32
см2
Сечение 4-4 на средней опоре верхняя
арматура: M=145,94 кН×м;
h0=46
am=
/Rb×b×h02=14594000/0.9×14.5×25×462×(100)=0.211
по таблице
=0.88, 
(0,24<0,59)
As=
/Rs×h×h0=14694000/365×0.88×46×(100)=9,96см2
Принимаем 2 стержня 25 c As=9,82 см2
Нижняя арматура 2 16 А-III
с Аs=4,02 см2 (по сечению 2-2)
5.7 Расчет прочности ригеля по сечениям,
наклонным к продольной оси
На средней опоре поперечная сила
Q=245,04 кН. Диаметр поперечных стержней устанавливают из условия сварки их с
продольной арматурой диаметром d=28мм и принимают dsw=8 мм с
площадью Аs=0.503см2.
При классе A-III Rsw=285 МПа;
поскольку dsw/d=8/28=0,29<1/3,
вводят коэф. условий работы gs2=0.9 и
тогда Rsw=0.9×285=257 МПа.
Число каркасов -2, при этом Asw=2×0.503=1,01
см2. Шаг поперечных стержней по конструктивным условиям
=h/3=50/3=16,7
см. Принимаем
=15 см. На
всех приопорных участках длиной l/4 принят шаг
=15 см, в
средней части пролёта шаг
=3×h/4=3×50/4=37,5
см. Принимаем
=35 см.
Погонное усилие в поперечных
стержнях
=Rsw×Asw/
=257×1.01×100/15=1730
H/см.
.min=jb3×Rbt×b×h0=0.6×0.9×1,05×25×45×100=63,79кН=1730 H/см > Qb.min/2×h0=63790/2×45=708,75 H/см -
условие прочности по наклонному
сечению между соседними хомутами удовлетворяется.
Условие
Smax также
удовлетворяется
=jb4×Rbt×b×h02/Q=1.5×0.9×1,05×25×452×100/245,04×103=29,29см
>15 cм
- удовлетворяется.
Расчёт прочности по наклонному
сечению.
Вычисляют Mb=jb2×Rbt×b×h02=2×1,05×0.9×25×452×100=95,68×105 H/см.
Поскольку q1=g+u/2=27,48+41,04/2=48 кН/м=480
Н/см < 0.56×qsw=0.56×1730=968,8
Н/см
значение С вычисляют по формуле:
с=
см<3,33×h0=3,33×45=149,85см.
Принимаем С=141.19
При этом
=Mb/c=95,68×105/141.19=67.77×103 H >Qb.min=63,79×103 H.
Поперечная сила в вершине наклонного
сечения
Q=Qmax-q1×c=245,04×103-480×141.19=177,27×103.
Длина проекции наклонного сечения
с0=
см < 2×h0=2×45=90см.
Вычисляют Qsw=qsw×c0=1730×74,37=128,66×103H.
Условие прочности
Qb+Qsw=67,77×103+128,66×103=196,43×103H>173,11×103H
обеспечивается. Проверка прочности
по сжатой полосе между наклонными трещинами:
mw=Asw/b×s=1.01/25×15=0.0027;
a=Es/Eb=200000/30000=6.67;
jw1=1+5×a×mw=1+5×6.67×0.0027=1.09;
jb1=1-0.01×Rb=1-0.01×14.5=0.855.
УсловиеQ=245040<0.3×jw1×jb1×Rb×b×h0=0.3×1.09×0.855×0.9×14.5×25×45×100=410466H
удовлетворяется.
.8 Построение эпюры материалов
Принятая продольная арматура - рабочая принятая
по максимальным пролётным и опорным моментам по мере удаления от опор и
середины пролётов часть рабочей арматуры можно оборвать. Точки пересечения
огибающей эпюры и эпюры моментов дают теоретические точки обрыва продольной
арматуры. Порядок обрыва продольной арматуры:
1. Строятся в масштабе огибающие эпюры M
и Q от внешней
нагрузки.
. Определяют М, которые могут воспринимать
сечения армированной принятой рабочей арматурой.
. В масштабе М эпюры материалов накладываются на
огибающие эпюры моментов, точки пересечения этих опор и дают теоретические
точки обрыва.
. Определяют анкеровку обрываемых стержней за
теоретические точки обрыва.
Сечение 1-1
Моменты, которые может воспринимать армированное
сечение:
а) 4Æ22
Аs=15.2
см2,
h0=h-as=50-5=45 см.
;
=0.811
М4Æ22=Rs×As×z×h0=365×103×15.2×10-4×0.811×45×10-2=202.47
кНм.
б) 2Æ22 Аs=7,6
см2,
h0=h-as=50-3=47 см.
;
=0.909
М2Æ22=Rs×As×z×h0=365×103×7,6×10-4×0.909×47×10-2=118,51кНм.
в) 2Æ12 Аs=2.26
см2,
h0=h-as=50-4=46 см.
;
=0.972
М2Æ12=Rs×As×z×h0=365×103×2.26×10-4×0.972×46×10-2=36,88
кНм.
Сечение 2-2
а) 4Æ16 Аs=8,04см2,
h0=h-as=50-5=45 см.
;
=0.902
М4Æ16=Rs×As×z×h0=365×103×8,04×10-4×0.902×45×10-2=119,12
кНм.
б) 2Æ16 Аs=4,02см2,
h0=h-as=50-3=47 см.
4
;
=0.958
М2Æ16=Rs×As×z×h0=365×103×4,02×10-4×0.958×47×10-2=66,07
кНм.
в) 2Æ16 Аs=4,02
см2,
h0=h-as=50-4=46 см.
;
=0.951
М2Æ16=Rs×As×z×h0=365×103×4,02×10-4×0.951×46×10-2=64,19кНм.
Сечение 3-3, 4-4
Æ28 Аs=12,32 см2,
h0=h-as=50-4=46 см.
;
=0.851
М2Æ28=Rs×As×z×h0=365×103×12,32×10-4×0.851×46×10-2=176,03
кН.пролёт:
М4Æ22= 202,47 кНм,
М2Æ22= 118,51 кНм,
М2Æ12= 36,88 кНмпролёт:
М4Æ16= 119,12 кНм
М2Æ16= 66,07 кН
М2Æ16= 64,19 кН
Опора: М2Æ28=176,03кНм
Анкеровка обрывных стержней.
³(Q/2×qsw)+5×d
W³20×d
Где d-
диаметр обрываемой арматуры, Q
- поперечная сила в точке теоретического обрыва
qsw=Rsw×Asw/
=257×1.01×100/15=1730 H/см.
где S - это шаг
поперечных стержней в месте анкеровки
qsw=1730 Н/см
.Q1 =88.88 кН;
W1=(88,88×103/2×1730)+5×2.2=36,69 см
W=20×2.2=44 см
. Q2=97,93 кН W2=(97,93×103/2×1730)+5×2.2=39,3 см
W=20×2.2=44см
. Q3 =136,57 кН
W3=(136,58×103/2×1730)+5×2.8=53,47 см
W=20×2,8=56 см
. Q4 =145,54 кН
W4=(145,54×103/2×1730)+5×2.8=56,06 см
W=20×2,8=56 см
. Q5 =82,87 кН W5=(82,87×103/2×1730)+5×1.6=31,95 см
W=20×1.6=32 см
. Q6 =74,96 кН W5=(74,96×103/2×1730)+5×1.6=29,66 см
W=20×1.6=32 см
. Q7 =128,42 кН
W5=(128,42×103/2×1730)+5×2.8=51,12см
W=20×2.8=56 см
6. Расчёт и конструирование колонны
.1 Нагрузки, продольные усилия
Таблица 6.1
|
Нагрузка
|
Нормативная,
кН/м2
|
gf
|
Расчётная
|
|
I. Покрытие: постоянная.
|
|
|
|
|
1.
Рулонный ковер в 3 слоя
|
0.12
|
1.2
|
0.144
|
|
2.
Цементная стяжка =20мм, r=20кН/м3.0.401.30.520
|
|
|
|
|
3.
Утеплитель - пенобетонные плиты s=120мм,
r=4кг/м3.
|
0.48
|
1.2
|
0.576
|
|
4.
Пароизоляция
|
0.04
|
1.2
|
0.048
|
|
5.
Сборные ж/б плиты
|
3.00
|
1.1
|
3.300
|
|
6.
Ригель: Fтр=0.25×0.50×5,8×25/34,5=0.53
кН0.531.10.583
|
|
|
|
|
Итого:
|
4.57
|
|
5.171
|
|
II.
Временная - III снеговой район
|
|
|
|
|
Длительная
|
0,64
|
1.4
|
0,9
|
|
Кратковременная
|
0,64
|
1.4
|
0,9
|
|
Итого:
|
1,28
|
|
1,8
|
|
Всего:
В том числе длительная
|
5.85 5.21
|
|
6.971
6.071
|
|
I.
от перекрытия постоянная
|
|
|
|
|
1.
собственный вес керамич. плитки
|
0.24
|
1.1
|
0.264
|
|
2.
цементный раствор
|
0.44
|
1.3
|
0.572
|
|
3.
пустотная плита
|
3.0
|
1.1
|
3.300
|
|
4.
ригель
|
0.53
|
1.1
|
0.583
|
|
Итого:
|
4,21
|
|
4.72
|
|
II.
Временные
|
|
|
|
|
длительная
|
4
|
1.2
|
4.8
|
|
кратковременная
|
2
|
1.2
|
2.4
|
|
Итого:
|
6
|
|
7.2
|
|
Всего:
|
10,21
|
|
11.92
|
|
В
том числе длительная
|
8,21
|
|
9.52
|
Грузовая площадь колонны
,
Нагрузка от собственного веса
колонны в пределах первого этажа.
Предварительные размеры колонны
=b×h×Hэт×gж/б×gn
,
,
=b×h×Hэт×gж/б×gn=0.3×0.3×4.2×25×0.95×1.1=9.88кН
|
№
эт.
|
Расчётная
нагрузка на перекрытие и покрытие (кН)
|
G (вес колонн) кН
|
Расчётные
нагрузки
|
|
Длительная
|
кратковременная
|
|
длительная
|
кратковрем.
|
полная
|
|
4
|
 9.88208,8629.50238,36
|
|
|
|
|
|
3
=
,98
+ 9,52*34,5*0,95=510,1
=29,50+2,4*34,5*
*0,95=108,16
2
=510,1+9,52*34,5*0,95=
=822,12
|
=108,16+2,4*34,5*0,95=186,8229.64851,76186,821038,58
|
|
|
|
|
|
1
=
822,12+9,52*34,5*0,95=
=1134,14
|
=186,82+2,4*34,5*0,95=265,4839.521173,66265,481439,14
|
|
|
|
|
|
.2 Изгибающие моменты в колонне от расчётных
нагрузок
Изгибающие моменты в колонне от расчетных
нагрузок определяются по разностям абсолютных значений опорных моментов ригеля
в узле.
Для определения опорных моментов ригелей первого
этажа находим
=1,2*(Jbm×lcol/Jcol×lbm)=260416,67×
420/67500×580=1,2*2,794=3,35
где: Jbm,
Jcol - моменты сечения
ригеля и колонны
lbm, lcol
- длина ригеля в осях и длина стойки
=b×h3/12=25×503/12=260416,67;
Jcol=30×303/12=67500
Определяют максимальный момент колонн - при
загружении 1+2 без перераспределения моментов. При действии полной нагрузки:
М21=(a21×g+b21×u)×lкр2=(-0,110×27,48-0,081×41,04)×5,8252=-215,28
кН×м;
М23=(a23×g+b23×u)×lср2=(-0,093×27,48-0,029×41,04)×5,82=-125,98кН×м;
от действия длительной нагрузки:
М21=(a21×g+b21×ul)×lкр2=(-0,110×27,48-0,081×27,36)×5,8252=-177,76
кН×м;
М23=(a23×g+b23×ul)×lср2=(-0,093×27,48-0,029×27,36)×5,8
2= -112,66 кН×м;
Разность абсолютных значений опорных моментов в
узле рамы:
От действия полной нагрузки:
DМ=|М21-М23|=|-215,28 -(-125,98)|= 89,3 кН×м,
От действия длительной нагрузки:
DМ=|М21-М23|=|-177,76 -(-112,66)|= 65,1 кН×м.
Изгибающий момент колонны от 1 этажа:
От действия полной нагрузки:
М=0.4×DМ=0,4*89,3 =
35,72 кН×м,
От длительной нагрузки:
М=0.4×DМ=0,4*65,1 =
26,04 кН×м.
Изгибающий момент колонны от 2 этажа:
От действия полной нагрузки:
М=0.6×DМ=0,6×89,3=
53,58 кН×м,
От действия длительной нагрузки
М=0.6×DМ=0,6×65,1
= 39,06 кН×м.
Вычисляют изгибающие моменты колонны,
соответствующие максимальным продольным силам; для этой цели используют
загружение пролётов ригеля по схеме 1+1. Разность абсолютных значений опорных
моментов ригеля:
От полной нагрузки:
DМ=|(a21-a23)×(g+u)×(
)2|=|(-0,110+0,093)×(27,48+41,04)×5,81252|=
39,35 кН×м,
От длительной нагрузки:
DМ=|(-0,110+0,093)×(
27,48+27,36)× 5,81252|=
31,50 кН×м,
изгибающие моменты колонн 1 этажа:
От полной нагрузки:
М=0,4×DМ=0,4×39,35= 15,74 кН×м,
М=0,4×DМ=0,4×31,50=12,6 кН×м,
изгибающие моменты колонн второго
этажа:
От полной нагрузки:
М=0,6×DМ=0,6×39,35=23,61кН×м,
От длительной нагрузки
М=0,6×DМ=0,6×31,50= 18,9 кН×м.
.3 Расчёт прочности колонны
Эпюры изгибающих моментов и
продольных сил в средней колонне.
Характеристики прочности бетона и
арматуры.
Класс тяжёлого бетона В25 (Rb=14.5 МПа, Еb=30000) и
класс арматуры А-III, RS=365МПа -
расчетное сопротивление, ЕS=200000МПа - модуль уругости
арматуры. Комбинации расчётных усилий: max N=1439,14кН,
в том числе от длительных нагрузок Nl=1173,66 кН
и соответствующий момент М=15,74 кН×м, в том числе от длительной нагрузки
М=12,6 кН×м.
Ведем расчет по двум комбинациям
усилий
По схеме загружения 1+1, дающей
максимальное продольное усилие.
От действия полной нагрузки:
Nmax =1439,14кН
Мmax=15,74 кН×м
Схема загружения 1+1 от длительной
нагрузки:
Nlmax=1173,66 кН×м
Мlmax=12,6 Н×м
Схема загружения 1+2 от полной
нагрузки:
Мmax=35,72 кН×м
=(Nmax-u×l/2)×0.95=(1439,14-41,04×5,8/2)×0,95=1254,12
кН,
Схема загружения 1+2 от длительной
нагрузки:
Ml=24,06 кН×м
= (Nl-ul×l/2)×0.95=(1173.66-27.36×5,8/2)×0,95=1039.6
кН.
Подбор сечения симметричной арматуры
в сечении колонны.
По схеме 1+1
Рабочая высота сечения: h0=h-a=30-4=26 см,
ширина: b=30 см.
Эксцентриситет силы:
=М/N=15,74/1439,14=1,09
cм.
Случайный эксцентриситет:
e0=lкол/600=420/600=0,7см. Принимаем больший эксцентриситет для расчета e0=1,09
см.
Найдем значение моментов в сечении
относительно оси, проходящей через центр тяжести наименее сжатой (растянутой)
арматуры.
От действия длительной нагрузки:
М1l=Мl+Nl×(h/2-a)=
12,6+1173,66×(0,3/2-0,04)=141,70
кН×м,
От действия полной нагрузки:
1= М+N×(h/2-a)=
15,74+1439,14×(0,3/2-0,04)=174,05
кН×м.
Отношение l0/r=420/8,67=48,44>14,
где r=0,289×h=0,289×30=8,67 см -
радиус ядра сечения.
Выражение для критической продольной
силы при прямоугольном сечении с симмет
ричным армированием Аs=A’s ( без
предварительного напряжения) с учетом, что,
Ib=r2×A,
s=m1×A×(h/2-a)2,
m1=2×As/A
принимает
вид:
Расчетная длина колонн многоэтажных
зданий при жестком соединении ригелей с колоннами в сборных перекрытиях
принимается равной высоте этажа l0=l=4,2 м.
Для тяжелого бетона: jl=1+M1l/M1=1+141,7/174,05=1,81
d=e0/h=1,09/30=0,036<dmin=0,5-0,01×l0/h-0,01×Rb=0,5-0,01×420/30-0,01×14,5=0,215
принимаем d=0,215 Отношение
модулей упругости a=Es/Eb=200000/30000=6,7
Задаемся коэффициентом армирования m1=2×As/A=0.025.
Вычисляем критическую силу:
кН
Вычисляем коэффициент
h: h=1/(1-N/Ncr)=1/(1-1439,14/38129)=1,04.
Значение e
равно
e=e0×h+h/2-a=1,09×1,04+30/2-4=12,13см.
Определяем граничную высоту сжатой зоны:
;
здесь w=0,85-0,008×0,9×14,5=0,75
Вычисляем:
;
Определяют площадь арматуры:
По схеме 1+2
Рабочая высота сечения: h0=h-a=30-4=26 см,
ширина: b=30 см.
Эксцентриситет силы:
=М/N=35,72/1254,12=2,8
cм.
плита нагрузка шарнир
прочность
Случайный эксцентриситет:
e0=lкол/600=420/600=0,7см. Принимаем больший эксцентриситет для расчета e0=2,8
см.
Найдем значение моментов в сечении
относительно оси, проходящей через центр тяжести наименее сжатой (растянутой)
арматуры.
От действия длительной нагрузки:
М1l=Мl+Nl×(h/2-a)=
24,06+1039,6×(0,3/2-0,04)=138,42
кН×м,
От действия полной нагрузки:
1= М+N×(h/2-a)=
35,72+1254,12×(0,3/2-0,04)=173,67
кН×м.
Отношение l0/r=420/8,67=48,44>14,
где r=0,289×h=0,289×30=8,67 см -
радиус ядра сечения.
Выражение для критической продольной силы при
прямоугольном сечении с симметричным армированием Аs=A’s ( без предварительного
напряжения) с учетом, что
Ib=r2×A,
s=m1×A×(h/2-a)2,
m1=2×As/A
принимает
вид:
cr=6.4×Eb×A/l2×((r2/jl×(0.11/(0.1+d)+0.1)+a×m1×(h/2-a)2)).
Расчетная длина колонн многоэтажных зданий при
жестком соединении ригелей с колоннами в сборных перекрытиях принимается равной
высоте этажа l0=l=4,2 м.
Для тяжелого бетона: jl=1+M1l/M1=1+138,42/173,67=1,8
d=e0/h=2,8/30=0,093<dmin=0,5-0,01×l0/h-0,01×Rb=0,5-0,01×420/30-0,01×14,5=0,215
принимаем d=0,215 Отношение
модулей упругости a=Es/Eb=200000/30000=6,7
Задаемся коэффициентом армирования m1=2×As/A=0.025.
Вычисляем критическую силу:
кН
Вычисляем коэффициент
h: h=1/(1-N/Ncr)=1/(1-1254,12/38230)=1,03.
Значение e
равно
e=e0×h+h/2-a=2,8×1,03+30/2-4=13,88см.
Определяем граничную высоту сжатой зоны:
;
здесь w=0,85-0,008×0,9×14,5=0,75
Вычисляем:
;
Определяют площадь арматуры:
выбираем арматуру по
Принимаем 2 стержня 22 А-III c
As=7,6 см2.
Процент армирования

;
Минимальная площадь сечения
продольной арматуры S и
во внецентренно сжатых элементах ,
согласно нормам допускается равной в %.
,2% … в элементах при 35

83;
Поперечную арматуру принимаем из
условия свариваемости с продольными стержнями:
d=8мм
(приложение 9 [1]) А-III
Шаг поперечной арматуры
Принимаем
. Поперечная
арматура принимается для обеспечения устойчивости продольных стержней
(исключает поперечное выпучивание продольных).
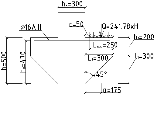
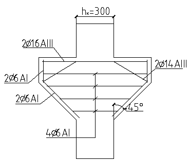
.4 Расчёт и конструирование консоли
колонны
Опорное давление ригеля: Q=241,78кН (расчет
ригеля); бетон класса В25, Rb=14.5 МПа, gb2=0.9
МПа; Rbt=1.05 МПа; арматура класса А-III, Rs=365 МПа.
Длина опорной площадки ригеля из условия смятия
бетона:
lsup
Q/y×Rb,loc×bbm=241780/0.75×14.5×25×(100)=8,89 см
y=0.75
- при равномерно распределённой нагрузке
b=25 см -
ширина сечения ригеля
b,loc=a×jb×Rb=1×1×14.5=14.5МПа
при бетоне класса В25 и выше, a=1,jb=1.
Требуемый вылет консоли: l1=lsup+c=8,9+5=13,9см,
где с=5см. Принимаем l1= 300мм п
рекомендации [1].
Уточняем lsup= l1-c
=300-50=250мм=25 см.
Высоту сечения консоли у грани
колонны принимаем равной: h=(0.7¸0.8)×hp=40 см при hp=50см при
угле наклона сжатой грани g=450
высота консоли у свободного края:
1= h-l=40-30=10
>h/2=40/2=20
см.
Принимаем h1=20см, тогда
исходя из того что угол наклона консоли колонны к самой колонне должен быть
равен 450 h=50см.
Момент в опорном сечении:
М=Q×a=241,78×0,175=42,31
кН×м
a=l1-lsup/2
=300-25/2=17,5см
Рабочая высота сечения консоли:
0=h-a=50-3=47см.
Требуемая площадь арматуры:
s=1.25×M/Rs×x×h0=1.25×42,31
/365
×0.9×0,47=0,000342=3,42см2
Принимаем продольную рабочую
арматуру 2Æ16 А-III с Аs=4,02 см2
Проверка прочности наклонной сжатой полосы
1.
-угол наклона сжатой полосы


( класс А-I );
;
;
- площадь сечения горизонтальных
хомутов. (2Æ6 А-I), т.к. h>2.5а; h=50см>
=0.1м - шаг горизонтальных хомутов:
.
=0.3м - ширина сечения консоли
(ширина колонны)
;
.
-условие удовлетворяется.
.
- условие удовлетворяется.
.
- условие удовлетворяется
Прочность колонны сжатой зоны
обеспечена.
Площадь отгибов: Аsотг=0.002×b×h0=0.002×30×47=2,82 см2.
Принято 2Æ14 А-III с Аs=3,08 см2
Продольные и поперечные стержни
объединяются в каркас К-2
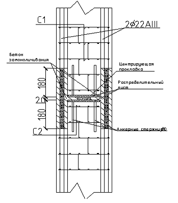
6.5 Расчет стыка колонн
Экономичный стык колонн с минимальными затратами
металла осуществляется путем ванной сварки выпусков продольной арматуры,
расположенных в специальных подрезках, при последующем замоноличивании этих
подрезок. Таким образом, обеспечивают прочность стыка равную прочности колонн в
стадии эксплуатации. Расчет ведется в стадии монтажа. Следовательно,
присутствует только постоянная нагрузка за вычетом перекрытия первого этажа,
ригеля, колонны, так как стык назначают выше отметки первого этажа на 1 м.
Постоянная нагрузка:
Вес покрытия:
, где g=5,171кН/м² - расчетная
постоянная нагрузка на 1 м² от покрытия (табл 6.1), F=34,5м²- грузовая
площадь колонны.
=5,171×34,5=178,40 кН
Вес перекрытия:
×(n-2)= 5,171×34,5×(4-2)=356,80
кН
Вес колонны:
,
где G- вес
колонны одного этажа
Итого: N=
178.4+356.8+29.64=566.84
Площадь ослабленного сечения колонны:
,
где
Толщина центрирующей прокладки 2 см.
Размер ширины прокладки:
Принимаем
Расчётное сечение стыка
принимаем
как площадь ядра сечения
, ограниченного
контуром сварной сетки (в осях крайних стержней). Сетки косвенного армирования
принимаем из проволоки.
Приняты сетки косвенного армирования из
проволоки 3 класса Вр-1. Шаг проволоки не больше bk/4=300/4=75мм.
Принимаем шаг с=50мм. Ячейки принимаем квадратные.
Расчётное сечение:
2=c2×n=5²×21=525см2.
=18-число ячеек сетки.
Площадь распределительных листов с целью
экономии металла принята не более Aloc2/2=
=525/2=262,5см2, толщина 10мм. Тогда сторона
листа,
а=
см.
Принимаем 16х16=а2=Aloc1=256см2.
Условие прочности при косвенном
армировании сварными сетками:
.
- приведенная призменная прочность
бетона,
- приведенная призменная прочность
бетона,
gb2=0.9
b-
коэффициент, учитывающий повышение несущей способности бетона от местного
смятия
b=
s-
коэффициент повышения несущей способности бетона с косвенным армированием
s=4.5-3.5×Aloc1/Aloc2=4.5-3.5×256/525=2.79
sxy - расчетное
сопротивление арматуры сеток (Вр-I), Rsxy=375 МПа
где
и
- число стержней одного и другого
направления.
=4,
,
=4,
= 28см,
=28,
,
- длина
стержней разных направлений.
- площадь сечения одного стержня
- шаг сеток
)
)
)
Принимаем
j
- коэффициент эффективности косвенного армирования
b,red=14.5×0.9×1.43+3,41×0.0039×375×2.79=32,57
кН/м2
Rb,red×Aloc1=32,57×256×(100)=833,79кН>N=566,84
кН
Условие выполняется: прочность стыка обеспечена.
Число сеток у торцов колонны принимается не
менее четырех. Длина участка расстановки должна быть не менее 10×d=10×22=220,
где d- диаметр продольных стержней колонны.
Требуемое число сеток: n=10×d/s+1=220/100+1=3,2.
Принимаем 4 сетки.
.6 Размеры, форма колонны
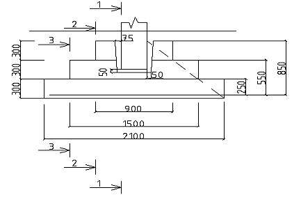
7. Расчет фундамента под колонну
.1 Определение глубины заложения
подошвы фундамента
Нагрузка передаваемая колонной 1-го
этажа по обрезу фундамента:
расчетная: 1439,14кН из табл. 6.2.
нормативная:
,
где
=1,2 - осредненный коэффициент
надежности по нагрузке.
По конструктивным требованиям
минимальная высота фундамента:
Принимаем
=0,9м
,05м- зазор, заливаемый бетоном;
,25м- толщина дна стакана.
Глубина заложения фундамента:
,15- заглубление обреза фундамента
ниже нулевой отметки.
7.2 Назначение размеров подошвы
фундамента
Площадь подошвы фундамента.
,
где
- нормативная нагрузка по обрезу,
- вес
единицы объёма фундамента и грунта на его обрезах,
=0,3
расчетное сопротивление грунта под подошвой фундамента (дано по заданию).
Пренебрегая малым значением момента,
фундамент рассчитываем как центрально нагруженный, наиболее рациональная форма
фундамента в плане - квадратное.
принимаем а=2,1м.
.3 Конструирование тела фундамента
7.4 Расчет прочности тела
фундамента. Армирование
Расчёт фундамента на продавливание:
- требуемая рабочая высота
фундамента.
- продавливающая сила действующая за
пределами нижней пирамиды продавливания.
=1439,14кН - полная расчётная
нагрузка.
Для первого сечения:
0,85м > 0,1м - условие
выполняется.
Проверка прочности наклонного
сечения по поперечной силе не требуется.
Расчёт прочности нормальных сечений
по изгибающему моменту:
Требуемая площадь арматуры:
Принимаем
-
максимальное из трех значений.
Принимаем сетку С-1 с рабочей
арматурой, а двух направлениях с шагом 0,10м.
Количество стержней:
Принимаем Æ10А-II с
∑
8. Проектирование монолитного
перекрытия
.1 Конструктивная схема монолитного
перекрытия
Требуется запроектировать и
рассчитать монолитное ребристое перекрытие для четырехэтажного промышленного
здания размерами в плане 72 х 17,2м., с несущими наружными стенами из кирпича и
неполным железобетонным каркасом. Сетка колонн 6,0 х 5,7(5,8)м.
Эксплуатационная нагрузка на перекрытие 6 кН/м². Высота этажа
4,2м. Привязка продольных и торцевых стен 20см.
Для прямоугольной сетки колонн
расположение
главных балок принимается поперек здания с пролётом
Шаг
второстепенных балок (пролёт плиты) принимается
,(
).
Толщина плиты в соответствии с
действующей на нее нагрузкой принимается 6 см.
Глубина опирания на стены:
Главных балок с=25см
Второстепенных балок с=20см.
Плиты с=12см.
Предварительно задаёмся размерами
второстепенной и главной балак:
Второстепенная балка:
Высота сечения:
Принимаем
Ширина сечения:
Принимаем
Главная балка:
Высота сечения:
Принимаем
Ширина сечения
Принимаем
.2 Характеристика материалов
Для железобетонных конструкций задан
бетон В15. призменная прочность
, прочность при осевом растяжении
,
коэффициент работы бетона
,
Арматура: продольная рабочая для
второстепенных балок из стали класса А-III:
. Арматура
сварных сеток для армирования плиты из обыкновенной стальной проволоки класса
Вр-I,
для
диаметра d=3..5мм.
8.3 Расчёт монолитной плиты
.3.1 Расчётная схема. Нагрузки
Для расчёта плиты условно вырезаем полосу
шириной 1 м, опёртую на второстепенные балки и нагруженные равномерно
распределенной нагрузкой.
Расчётные пролёты:
крайний
м
средний
м
В продольном направлении расчетный
пролёт плиты
м
- плиту рассчитываем, как работающую
по короткому направлению. Принимаем толщину плиты 6 см.
Подсчет нагрузок на 1 м2 перекрытия
приведен в таблице.
Таблица 3. Нагрузка на 1 м2
перекрытия.
|
Нагрузка
|
Нормативная
нагрузка, кН/м2
|
Коэффициент
надежности по нагрузке
|
Расчетная
нагрузка, кН/м2
|
|
Постоянная
От собственного веса плиты, =60 мм (=2500 кг/м3)
|
1,500
|
1.1
|
1,650
|
|
слой
цементного р-ра, =20 мм (=220 кг/м3)
|
0,440
|
1.3
|
0,572
|
|
Слой
изоляции
|
0,250
|
1.3
|
0,352
|
|
керамические
плитки, =13 мм (=2000 кг/м3)
|
0,226
|
1.3
|
0,338
|
|
Итого:
|

|
|
|
|
Временная:
|
1.2
|
|
|
|
Всего:
|

|
|
|
При принятой ширине полосы 1м
нагрузка, приходящаяся на 1м² плиты, в то же время является нагрузкой
на 1 погонный метр полосы. С учётом коэффициента надёжности по назначению
здании
нагрузка на
1 п/м будет равна:
За расчётную схему плиты принимаем
неразрезную балочную с равными пролетами.
.3.2 Определение усилий
Расчётные изгибающие моменты в
сечениях плиты определяются с учётом перераспределения за счёт появления
пластических деформаций.
В среднем пролете на средних опорах:
В крайнем (первом) пролёте и на
первой промежуточной опоре:
.3.3 Расчёт прочности
Требуемое количество арматуры
(продольной) для обеспечения прочности нормальных сечений при рабочей высоте
сечения плиты.
Для среднего пролёта плиты
Коэффициент
при b=1м и
Средние пролеты окаймлены по всему
контуру монолитно связанными с ними балками и под влиянием возникающих распоров
изгибающие моменты уменьшаются на 20%, если
- условие выполняется, тогда
требуемая площадь сечения арматуры:
Принимаем на полосе шириной 1м с
шагом 0,2 м 4Æ4 Вр-I c
для средних
пролётов и над средними опорами и соответствующую рулонную сетку марки
Сетки марки С-1 раскатывают поперек
второстепенных балок.
Процент армирования:
Для крайнего пролета плиты
,
.
Для крайних пролётов плит, опора
которых на стену является свободной, влияние распора не учитывают.

По сортаменту принимается
Проверяется условие:
условие выполняется, поэтому хомуты
в плите перекрытия не нужны.
.4 Расчёт и конструирование
второстепенной балки
Второстепенная балка рассчитывается
как многопролётная неразрезная балка таврового сечения.
Расчётные пролёты:
Крайние
м.
Средние
м.
Расчётные нагрузки на 1 м длины
второстепенной балки.
Таблица 4.
|
Постоянная
от плиты и пола
|
2.912×1,45=4.22 кН/м
|
|
от
балки сечением 0.5×0.24 (=2500
кг/м3), f=1.1
|
0.2×(0.5-0,06)×1.1×25=2.42
кН/м
|
|
g=6.64кН/м
|
|
С
учетом коэффициента надежности по назначению здания n=0.95
|
=6.64×0.95=6.31 кН
|
|
Временная
с учетом n=0.95
|
=7,2×1.45×0.95=9.92кН
|
|
Полная
нагрузка
|
6.31+9.92=16.23 кН
|
.4.2 Определение усилий
Расчётные усилия в сечениях балки определяются с
учётом их перераспределения за счёт появления пластических деформаций.
В первом пролете:
На первой промежуточной опоре:
В средних пролетах и на средних
опорах:
Для средних пролетов определяются минимальные
изгибающие моменты от невыгодного расположения временной нагрузки
На смежных
пролётах при отношении
Поперечные силы на крайней опоре:
На первой промежуточной опоре слева:
На опоре В справа и на остальных
опорах
.4.3 Определение высоты сечения
второстепенной балки
Высоту сечения подбираем по опорному
моменту при x=0.35,
поскольку на опоре момент определяем с учетом образования пластического
шарнира. Находим am=0.289. На
опоре момент отрицательный - полка ребра в растянутой зоне. Сечение работает
как прямоугольное с шириной ребра b=20 см. Вычисляем:
см.
h=h0+a=34+3=37см,
принимаем h=40 см, b=20 см. Тогда
h0=40-3=37 см
В пролетах сечение тавровое - полка
в сжатой зоне.
Проверяем достаточность высоты
сечения второстепенной балки для обеспечения прочности бетона при действии
главных сжимающих усилий:
,35×gb2×Rb×b×h0=0.35×0.9×8.5×100×20×37=198.1кН>
Qвл=71.07 кН
Условие удовлетворяется,
следовательно, высота сечения второстепенной балки достаточна.
8.4.4 Расчет прочности по сечениям, нормальным к
продольной оси
Отношение
то в расчёт может
быть введена ширина полки таврового сечения в пролёте балки.
м.т.к.>1.45
то принимаем
- шаг
второстепенной балки
Изгибающий момент, воспринимаемый
сжатой полосой сечения и растянутой арматурой.
,
т.к.
, то н.о. пересекает полку и
пролётное сечение балки рассчитывается прямоугольное.
Определение площади сечения нижней
рабочей арматуры крайнем пролёте балки:
am=М/gb2×Rb×b’f×h02=5058000/85×0.9×145×372×100=0.033,
н.о. проходит в сжатой полке.s=50,58×103/0,985×0,37×365×106=3.78см2
принимаем 2 Æ14А-III c As=4.02
см2
Коэффициент армирования
Определение площади сечения арматуры в среднем
пролёте балки:
am=М/gb2×Rb×b’f×h02=33.54×103/8.5×106×0,9×1,45×0,372=0.022,
Аs=33.54×103/365×0,37×0.989×106=2.51см2
принимаем 2 Æ14А-III c As=3.08
см2
Растянутую рабочую арматуру в
опорных сечениях второстепенных балок монолитных перекрытий конструируют в виде
рулонных сеток с поперечной рабочей арматурой, раскатываемых вдоль главных
балок. Размеры расчётного сечения b=20см,
Определение
рабочей арматуры в сечении над второй от края опорой: М = 39.74кН×м
am=М/gb2×Rb×b×h02=39.74×103/0.9×8.5×0,372×106×0,2=0.190,
s=37.94×103/0,894×0,37×370×106=3.09см2
принимаем 25Æ4 Bp-I Аs=3.15 см2
В сечении сеток, располагаемых в два
слоя на ширине b’f =145 см,
требуемый шаг стержней s=2×145/25=10см.
Ставим две рулонные сетки
Аs/2=3.15/2=1.575см2
-для одной сетки.
Для одной сетки принимаем 14Æ4 Вр-I на полосу
1,45м с шагом100 Аs=1.764см2>1.575см2
Определение рабочем арматуры в
сечениях над остальными опорами:

принимаем 14Æ5 Bp-I Аs=2.76 см2
Требуемый шаг стержней s=2×145/14=20.71
см. Принимаем S =21см.
рулонные сетки
Аs/2=2.76/2=1,38см2
-для одной сетки.
Для одной сетки принимаем 9Æ5 Вр-I на полосу
1,45м с шагом 100 Аs=1,764см2>1.38см2
За пределами длины надопорных сеток, т.е. на
расстоянии l/3 = 1,45 м от
опор, минимальный отрицательный момент должен быть воспринят верхними стержнями
арматурного каркаса балки и бетоном.
Принимаем 2Æ12 A-II c As=2.26 см2
.4.5 Расчет прочности второстепенной
балки по сечениям, наклонным к продольной оси
Прочность элемента по наклонному сечению на
действие поперечной силы считается обеспеченной при отсутствии наклонных
стержней, если соблюдается условие:
где: Q- поперечная
сила в элементе,
Qsw- сумма
осевых усилий в поперечных арматурных стернях, пересекаемых сечением;
Qв проекция
на нормаль к продольному направлению элемента равнодействующей усилий в сжатой
зоне бетона.
Наибольшее значение поперечной силы
на первой промежуточной опоре слева Qвл=71,07 кН.
Вычисляем проекцию расчетного наклонного сечения (С) на продольную ось
Влияние свесов сжатой полки:
где b’f
принимается не более b+3 h’f, тогда
Вычисляем:
Н·см
Где
- для тяжёлого бетона
=0 - коэффициент, учитывающий
влияние продольных сил.
В расчетном наклонном сечении
, тогда
>2h0=2·37=74см.
Принимаем с=74см, тогда QB=В/с=45.59·105/74=61.61кН
кН
Принимаем с=123,21см
Поперечная сила в вершине наклонного
сечения:
Условие прочности
-выполняется.
Диаметр поперечных стержней
устанавливают из условия сварки с продольными стержнями d=18 мм и
принимают dsw=6 мм класса
А-I с Rsw=175 МПа.
Число каркасов два, Аsw=2×0.282==0.57
см2.
Шаг поперечных стержней по
конструктивным условиям s=h/2= 400/2=
20 см, но не более 15 см. Для всех приопорных участков промежуточных и крайней
опор балки принимаем s=15 см. В средней части пролета (на
расстоянии l/4) шаг s=3/4h
=0.75·40=30см.
Производим проверку по сжатой полосе
между наклонными трещинами :
;
;
;
-
условие выполняется.
9. Расчет несущего простенка
каменной наружной стены
.1 Исходные данные
Исходные данные.
Сетка колонн: 6,0х5,7
Число этажей: n=4
Высота этажей:
Размеры оконного проёма: 1,5х2,0 м
Толщина наружной стены: h=51 см
Материалы: кирпич керамический
пластического прессования марки 75 (100). Марка раствора М50. Кладка сплошная,
плотность
.
Ширина оконного проёма:
Высота оконного проёма:
Ширина рассчитываемого простенка
Согласно СНиП допускается считать
стену как расчленённую на отдельные элементы с расположением опорных шарниров в
уровне ригелей.
Нагрузка от верхних этажей,
перераспределяясь, прикладывается в центре тяжести сечения простенка. Нагрузка
от перекрытия в пределах рассматриваемого этажа приложена с фактическим
эксцентриситетом.
Расстояние от точки приложения
опорной реакции балки до внутренней поверхности стены d.
, принимаем
Сбор нагрузок на простенок для
сборного варианта перекрытия.
Расчётная нагрузка верха плиты
перекрытия 1-го этажа:
Грузовая площадь
и
- расчётные нагрузки на 1 м² (из табл.
6.1)
,
=0,95
Расчётная нагрузка от веса кирпичной
кладки в уровне верха плиты перекрытия 1-го этажа:
- для собственного веса конструкции.
n= 4 -число
этажей.
H=0.51м - толщина
простенка.
Нагрузка от кладки над оконным
проёмом 1-го этажа:
Нагрузка от перекрытия 1-го этажа:
Полная расчётная нагрузка в сечении
2-2
Момент в уровне перекрытия:
Момент в сечении 2-2:
где 0,15м - толщина пола.
Расчётные характеристики.
Площадь сечения простенка:
Коэффициент условия работы кладки:
т.к.
А=1,02м²
>0.3 м².
Гибкость простенка:
Коэффициент условия работы кладки:
( по табл. 15 [3]) - упругая
характеристика кладки;
( по табл. 18 [3])
Расчётное сопротивление кладки
сжатию R=1.3МПа ( по
табл. 2 [3]).
Эксцентриситет продольной силы в
сечении 2-2:
Высота сжатой части сечения:
Гибкость сжатой части сечения:
Коэффициент продольного изгиба
сжатой части сечения:
( по табл. 18 [3]).
Коэффициент продольного изгиба при
внецентренном сжатии:
Условие прочности кладки:
)
, при
Условие прочности керамической
кладки не выполняется.
Принимаем армированную кладку с
поперечной установкой арматурных сеток.
Условие эффективности поперечного
армирования:
)
- высота ряда кладки;
)
)
Все условия выполняются.
Принимаем арматурные сетки из
проволоки Вр-13 с
, 

Прочностные характеристики арматуры:

;
Требуемый коэффициент армирования
кладки:
.
Принимаем
Временное сопротивление сжатию
армированной кладки:

k=2 ( по табл. 14[3]).
Расчётное сопротивление армированной
кладки:
Упругая характеристика армированной
кладки:
Условие прочности:
;
Условие для армированной кладки
выполняется.
Так как
, то расчёт
по раскрытию трещин не производим.
Требуемый шаг сеток:
С= 0,05м - размер ячейки сетки.
высота ряда кладки.
- число шагов сеток:
ряда.
Фактический шаг сеток:
Принимаем 0,2м
Фактический коэффициент армирования:
.
10. Библиографический список
1. СНиП
2.03.01-84*. Бетонные и железобетонные конструкции. Госстрой СССР, 1989г.
. СНиП
2.01.07-85. Нагрузки и воздействия. Госстрой СССР, 1986г.
3. СНиП
II-22-81. Каменные и армокаменные конструкции. Госстрой СССР, 1983г.
. Байков
В.Н., Сигалов Э.Е. Железобетонные конструкции: общий курс: Учебник для вузов
М.: Стройиздат, 2010г.
. Бондаренко
В.М., Суворкин Д.Г. Железобетонные и каменные конструкции: Учебник для
студентов ВУЗов по спец. ПГС. М.: Высшая школа, 2007г.
. Бондаренко
В.М., Судницин А.И. Расчёт строительных конструкций. Железобетонные и каменные
конструкции. М.: Высшая школа, 2008г.
. Манриков
А.П. Примеры расчёта железобетонных конструкций: Учебное пособие для
техникумов. М.: Стройиздат, 2009г.
. Пособие
по проектированию каменных и армокаменных конструкций (к СНиП II-22-81)
Госстрой СССР, 1989г.
. Пособие
по проектированию бетонных и железобетонных конструкций из тяжёлых и лёгких
бетонов без преднапряжения арматуры (к СНиП 2.03.01-84). Госстрой СССР, 1986г.
. Пособие
по проектированию предварительно напряжённых железобетонных конструкций из
тяжёлых и лёгких бетонов. (к СНиП 2.03.01-84). Часть 1. Госстрой СССР, 1988г.
. Пособие
по проектированию предварительно напряжённых железобетонных конструкций из
тяжёлых и лёгких бетонов. (к СНиП 2.03.01-84). Часть 2. Госстрой СССР, 1988г.