Технологический процесс производства биметалла
Содержание
Введение
1. Аналитический обзор литературы
1.1 Теоретические основы сварки давлением
1.2 Экспериментальные исследования прокатки биметалла
1.3 Теоретические исследования прокатки биметаллов
1.4 Выводы и обоснование выбранного направления
2. Теоретические основы соединения разнородных деформируемых
металлов при прокатке
2.1 Основные допущения
2.2 Вариационная постановка задачи о прокатке металла с учетом
взаимодействия слоев
2.3 Построение опорного поля скоростей
2.4 Построение скорректированного поля скоростей
2.5 Построение поля скоростей соответствующее прокатке биметалла
2.6 Исследование условия сварки слоев
3. Описание алгоритма программы расчета поля скоростей при прокатке
биметалла с учетом взаимодействия слоев
4. Безопасность жизнедеятельности
4.1 Анализ опасных и вредных производственных факторов
4.2 Санитарно-технические требования
4.2.1 Требования к планировке лаборатории
4.2.2 Требования к микроклимату лаборатории
4.2.3 Требования к освещению лаборатории
4.3 Разработка мер защиты от опасных и вредных факторов
4.4 Безопасность жизнедеятельности в чрезвычайных ситуациях
4.5 Расчет защитного заземления ПЭВМ
5. Охрана окружающей среды
6. Экономический раздел
6.1 Технико-экономическое обоснование дипломной НИР
6.2 Калькуляционные статьи расходов
6.2.1 Материалы, покупные изделия и полуфабрикаты
6.2.2 Затраты на заработную плату научно-технического персонала
6.2.3 Накладные расходы
6.2.4 Затраты на электроэнергию
6.3 Составление калькуляции себестоимости дипломной работы
6.4 Технико-экономический эффект дипломной НИР
6.5 Построение сетевых графиков
Заключение
Список использованных источников
Введение
В современной технике все чаще используются композиционные
материалы, в частности биметаллические изделия, получаемые различными
способами, в том числе и обработкой металлов давлением. Именно композиционные
материалы позволяют получать изделия с повышенной электропроводимостью,
корозионностойкостью и т.д.
Разработать технологический процесс производства биметалла с
заданными соотношением слоев возможно лишь с использованием математической
модели, адекватно описывающей процесс. Эта модель должна не только учитывать
соотношение не только соотношение механических свойств и геометрических
параметров слоев, но и их взаимодействие (проскальзывание, сцепление и сварку)
в процессе пластической деформации.
В работе использована математическая модель, основанная на
построении непрерывного поля скоростей. Проверка работоспособности модели по
кинематическим параметрам осуществлена экспериментально методом муар. Условия
сварки слоев, с использованием феноменологической теории, исследовали на паре
сплавов АД0 и АД31 при различных условиях.
1.
Аналитический обзор литературы
.1
Теоретические основы сварки давлением
В общем объеме сварочного производства разнообразные способы
сварки давлением занимают небольшой объем, но они позволяют решать сложные
задачи современной техники. С помощью сварки давлением можно получать
качественные соединения в условиях ограниченного и регулируемого теплового
вложения и, следовательно, управлять физико-химическими процессами, приводящими
к образованию соединения, и сохранять исходные свойства свариваемых металлов.
Сварное соединение при сварке давлением образуется в
результате развития сложных и взаимосвязанных физико-химических процессов,
часто конкурирующих при образовании сварного соединения. Общим для всех
способов сварки давлением является то, что соединение образуется в результате
пластической деформации приконтактных объемов, которой сопутствует накопление
макропластической деформации свариваемых деталей. Очевидно, что условия
протекания деформации приконтактных объемов (механизмы реализации,
чувствительность деформационного упрочнения к степени и скорости деформации,
характер структурных превращений при деформации, характеристики диффузионных
превращений и др.) должны определять особенности процесса образования
соединения и свойства сварного соединения в целом.
Все способы сварки давлением можно разделить по следующим
признакам:
) по степени завершенности процесса образования сварного
соединения;
) по интенсивности деформации при сварке;
) по схеме деформирования при сварке [1].
По степени завершенности процесса образования сварного
соединения условно следует различать способы сварки, при которых образования
сварного соединения заканчивается только схватыванием контактных поверхностей
(результат межатомного валентного взаимодействия контактных поверхностей) или
образованием в зоне соединения общих зерен (для однородных сочетаний металлов и
сочетаний разнородных металлов с неограниченной растворимостью) и новых фаз
(для сочетаний разнородных металлов с ограниченной взаимной растворимостью).
Если конкретный способ сварки давлением осуществляется при
низкой температуре, т.е. когда интенсивность диффузионных процессов мала
(холодная сварка), или при высокой температуре, но за короткий промежуток
времени, т.е. когда полнота развития диффузионных процессов мала (сварка
взрывом), образование сварного соединения заканчивается только схватыванием
контактных поверхностей. Зону соединения в этом случае можно рассматривать как
“структурный надрез”, и такие соединения имеют высокий предел прочности при
нормально температуре, но низкие пластичность, вязкость и высокотемпературную
прочность, если влияние упрочненного приконтактного слоя не столь существенно.
Если длительность и температура процесса сварки давлением
достаточны для интенсивного развития диффузионных процессов и необходимой
полноты их протекания (диффузионная сварка, сварка давлением с подогревом), то
в зоне соединения образующиеся зерна или новые фазы. В этом случае при сварке
однородных металлов структура зоны соединения может быть неотличимой от
структуры основного металла. Такие соединения могут иметь вязкость,
пластичность и высокотемпературную прочность на уровне этих показателей основного
металла. Образование общих зерен в зоне соединения происходит в результате
миграции границы зерен, ориентированной вдоль первоначально плоскости контакта.
Условия миграции осложнены возможностью наличия на ней макро -
микронесплошностей, зоны разупорядоченности и другими особенностями, связанными
с условиями ее деформирования. При сварке разнородных металлов с ограниченной
взаимной растворимостью образование новых фаз в зоне соединения определяется
процессами гетеродиффузии, протекающими в условиях пластической деформации. В
этом случае возможно образование нескольких диффузионных зон с различным
стехиометрическим составом. Отдельные диффузионные зоны могут оказывать
барьерный эффект для развития гетеродиффузии. Свойства сварных соединений при
этом будут определяться свойствами диффузионных зон.
По интенсивности деформации при сварке условно можно
различать способы сварки с низкоинтенсивной (диффузионная сварка, сварка
давлением с подогревом), среднеинтенсивной (холодная сварка, сварка прокаткой)
и высокоинтенсивной деформацией (сварка взрывом, магнитно-импульсная сварка).
При сварке с низкоинтенсивной деформацией остаточная деформация свариваемых
изделий обычно не превышает 10%, а длительность процесса составляет до
нескольких десятков минут и, поэтому в зоне соединения развиваются различные
процессы релаксационного характера и обычно не возникает проблемы влияния
напряжений, связанных с деформацией, на свойства сварных соединений. При сварке
со средне - и высокоинтенсивной деформацией остаточная деформация свариваемых
изделий составляет десятки процентов, а длительность процесса - от 10-6
- 10-5 с при сварке взрывом до нескольких секунд при холодной
сварке. Для этих способов сварки актуальной становиться проблема влияния
напряжений, связанных с деформацией, на свойства сварных соединений и скорость
деформации свариваемых металлов следует согласовывать с их релаксационной
стойкостью в условиях сварки [1].
В работе [2] показано, что процесс образования соединения при
любых способах сварки давлением следует рассматривать протекающим в три
основные стадии:
. Образование физического контакта, т.е. сближение атомов
соединяемых материалов за счет пластической деформации на расстояние, при
котором возникает физическое взаимодействие, обусловленное ван-дер-ваальсовскими
силами, или на расстояние, при котором возможно слабое химическое
взаимодействие.
. Активация контактных поверхностей (образование активных
центров). При сварке разнородных металлов на этой стадии происходит образование
активных центров на поверхности более твердого из соединяемых металлов. Наличие
этого периода и его длительность обусловлены особенностью его пластической
деформации. При сварке однородных металлов первая и вторая стадии практически
сливаются в одну, так как активация обеих контактных поверхностей начинается
уже в процессе сближения при смятии отдельных микровыступов за счет совместной
пластической деформации.
. Объемное взаимодействие. Эта стадия наступает с момента
образования активных центров на соединяемых поверхностях. В течении этой стадии
происходит развитие взаимодействия соединяемых металлов как в плоскости
контакта с образованием прочных химических (в частном случае металлических)
связей, так и в объеме зоны контакта. Этот процесс протекает на активных
центрах, в частности, представляющих собой дислокации с полями напряжений. В
плоскости контакта он заканчивается слиянием дискретных очагов взаимодействия,
в объеме - релаксацией напряжений. Однако для обеспечения требуемой прочности
соединения в целом часто необходимо дальнейшее развитие релаксационное
процессов типа рекристаллизации, а иногда гетеродиффузии.
При сварке однородных металлов критерием окончания третьей
стадии может служить рекристаллизация, приводящая к образованию общих зерен в
зоне соединения. При сварке разнородных металлов необходимость развития или
ограничения гетеродиффузии определяется свойствами диффузионной зоны и
образующихся в ней фаз.
Процесс схватывания на контактных поверхностях есть процесс
бездиффузионный. Необходимость развития диффузионных процессов, которые всегда
сопутствуют термодинамическому воздействию, следует рассматривать с точки
зрения упрочнения или возможного разупрочнения (охрупчивания) зону соединения.
Возможность взаимодействия с образованием химических связей между атомами
соединяемых поверхностей на активных центрах, которыми являются дислокации с
полями напряжений, выходящие в зону контакта, показана в работах [2, 3, 4] на
примере соединения алюминия с кремнием.
В соответствии с концепцией трехстадийности процесса
образования соединения между металлами в твердой фазе следует, что независимо
от характера и интенсивности деформационного или термодеформационного
воздействия (т.е. от способа сварки давлением) природа образования соединения
едина. Различия заключаются кинетике протекания отдельных стадий процесса,
которая определяется температурно-скоростными условиями деформирования
металлов, степенью локализации и механизмами деформаций, а также особенностями
развития релаксационных процессов в зоне соединения.
1.2
Экспериментальные исследования прокатки биметалла
В работе [5] показано, что при плакировании прокаткой степень
совместной пластической деформации является основным фактором, от которого
зависит прочность получаемого соединения. Анализ данных, проведенной в работе,
показывает, что для обеспечения надежного сцепления слоев необходимо вести
прокатку в приварочном проходе с максимальным обжатием и при больших значениях
параметра очага деформации
и принимать по возможности заготовки мягкого компонента меньшей
толщины, особенно в случае соединения металлов со значительной разнице в
механических свойствах.
В работе [6] выполнены исследования по прочности соединения
серебра с различными металлами и сплавами, в которых показано, что надежное
соединение может быть получено прокаткой с накопленной относительно деформацией
70%, рисунок 1.
Плакирование прокаткой протекает в условиях контактного и
межслойного трения, оказывающего значительное влияние на распределения деформаций
в слоях прокатываемых металлов. Показано [7, 8], что при совместной прокатке
разнородных металлов возникает искривление межслойной границы, зависящие от
условий трения и параметров прокатки, и шероховатость межслойных поверхностей,
которая зависит от степени обжатия, условий межслойного трения, исходной
шероховатости заготовок, дробности деформаций и ряда других факторов.
Рисунок 1 - зависимость надежности сварки биметаллических полос от
обжатия
Микроразнотолщинность на лентах зависит от технологических
факторов и структуры исходных заготовок. Основные причины ее появления -
локальные изменения касательных напряжений на контактных и межслойных
поверхностях, локальные изменения механических свойств слоев из-за разницы в
размере зерен и их кристаллографической ориентации по отношению к поверхности
раздела слоев, локальные искривления поверхности раздела слоев при их
собирательной рекристаллизации и др. [9, 10].
В работе [11] исследованиями на промышленных партиях
биметаллических полос армко-железо + сплав АСМ показано, что отклонение толщины
стального слоя вызывается главным образом различием в толщине исходных
заготовок, неравномерностью деформации, присущей прокатке металлов с различными
механическими свойствами.
Работа [12] рекомендует с целью снижения разнотолщинности
использовать для изготовления биметалла возможно тонкие заготовки, что
согласуется с выводом авторов работы [5].
Следует отметить, что экспериментальные работы по исследованию
влияния степени деформации на прочность соединения слоев в многослойном
изделии, разнотолщинности, контактного и межслойного взаимодействия металлов
выполнены для конкретных композиций материалов. Поэтому результаты этих
исследований позволяют лишь качественно оценить явления, происходящие при
плакировании и прокатке многослойных металлов других композиций.
1.3
Теоретические исследования прокатки биметаллов
Одна из первых попыток аналитического расчета обжатий слоев для
случая прокатки биметалла была предпринята в работах [13, 14, 15, 16]. В
решениях работ [14, 15] использована теория вязко-пластического течения.
Деформацию считали плоской, дуги захвата заменяли параболами, поверхность
раздела между слоями принята плоской. Схватывание слоев назначено в области
выхода полосы из валков. Опережение отсутствует. Продольные скорости металла
изменяются по параболическому закону и не меняются по высоте. Силы трения на
контакте слоев металла с валком равны
На границе раздела слоев касательные напряжения равны
, где
-
мягкого компонента;
- коэффициент, характеризующий влияние
контактного трения. Продольную скорость i-ого слоя
представили в виде ряда
где
- скорость выхода полосы из очага деформации;
- длина дуги захвата.
Учитывая, что
получили
где
- относительная степень деформации i-того слоя;
- постоянная интегрирования, определяемая из условия, что
скорость на границе металла с валком направлена по касательной к поверхности
валка. Решение задачи выполнено с использованием вариационного принципа
Журдена.
В работах [13, 16] используется одномерное поле скоростей для
каждого i-ого слоя двухслойного пакета. Деформируемые среды являются
линейно-вязкими. Используется вариационный принцип Журдена [17], с помощью
которого определяется единственный варьируемый параметр - конечный размер
плакирующего слоя.
Несмотря на существенное огрубление модели в сравнении с реальным
процессом такое решение позволило удовлетворительно для пары медь-алюминий
аппроксимировать соотношение между деформациями
плакирующего,
несущего слоев и общей деформацией
пакета [13]:
где
,
- коэффициенты вязкости плакирующего и несущего слоев.
Для симметричных пакетов в работе [16] приведены аналогичные
зависимости для расчетной степени деформации каждого слоя. Экспериментальная
проверка этих зависимостей проводилась прокаткой медно-алюминиевых пакетов
(схемы Т-М-Т и М-Т-М) с суммарной толщиной 15 мм, отношением
на стане с диаметров валка 185 мм.
Сравнение опытных и расчетных данных приведено на рисунке 2.
- расчетные кривые; --- экспериментальные данные
Рисунок 2 - Соотношение
в зависимости от
Максимальное расхождение составило 20%. По данным работы [16]
уменьшение доли мягкой составляющей в схеме Т-М-Т приводит к уменьшению
отношения деформаций
, что противоречит данным работ [15, 18]
для пары Д16-АД1. Очевидно характер деформации мягкого и твердого слоев зависит
от конкретных свойств деформируемых металлов.
В ряде других работ [19, 20, 21 и др.] также как и в рассмотренных
выше принимаются существенные упрощения при построении полей скоростей для
моделирования прокатки биметаллов. В большинстве случаев это разрывные поля, не
учитывающие положения точки сцепления слоев в очаге деформации. Последнее не
позволяет выполнить анализ деформации послойного течения металлов с учетом
взаимодействия слоев, важность которого для прогнозирования параметров
технологии прокатки отмечается во многих работах [22, 23, 24 и др.]
1.4 Выводы и
обоснование выбранного направления
На основании выполненного анализа существующих методов
решения задач о прокатке металла можно сделать следующие выводы:
. При решении задач о прокате металла с наиболее полным
учетом особенностей его течения реализация этого решения практически возможна
только с помощью вариационной постановки. При этом выбор подходящего
вариационного принципа определяется видом заданных граничных условий и
характером реализации задачи (численное или аналитическое решение).
. Большинство методов моделирования процесса прокатки
направленно на оценку напряженного и деформированного состояния металла.
Экспериментальные исследования показывают, что для прокатки металла характерна
неравномерность деформации, обусловленная внутренним взаимодействием частиц
тела, приводящая к неоднородности текстуры прокатки, механических свойств
проката и образованием дефектов в объеме деформируемого металла. Существующие
методы моделирования течения прокатываемых многослойных металлов не позволяют
определить положение точки сцепления слоев в очаге деформации, не учитывают
проскальзывание слоев до их сцепления, обеспечивающих надежное сцепление слоев.
Разработка методики управления степенью неравномерности деформации является
одной из важнейших задач теории прокатки. В решении этого вопроса, в частности,
нуждаются предприятия, выпускающие прокатную продукцию в виде биметаллических
лент, листов и полос, крупногабаритных плит, толстых листов.
Целью работы является разработка методики проектирование
режимов деформирования биметаллических листов, полос и лент на основе
совместного теоретического и экспериментального исследования
напряженно-деформированного состояния прокатываемого металла с учетом
взаимодействия его слоев.
Для достижения этой цели поставлены следующие задачи:
. Применить вариационную постановку задачи для исследования
процесса прокатки со смешанными граничными условиями с учетом взаимодействия
слоев деформируемого металла.
. С использованием непрерывного поля скоростей разработать
математическую модель процесса прокатки многослойных металлов
. Разработать методику проектирования режимов деформации
металла, обеспечивающих сцепление и сварку его слоев, получение заданной
геометрии изделий.
2.
Теоретические основы соединения разнородных деформируемых металлов при прокатке
2.1 Основные
допущения
В качестве моделей деформируемых металлов будем использовать
изотропные, сплошные несжимаемые среды, для которых выполняются условие
несжимаемости:
Граничные линии тока
и
, описываются непрерывными функциями,
обеспечивая получение непрерывного поля скоростей во всей области течения
среды, участки границы
и
, обозначающие вход среды в область исследовании ее течения и
выход из нее соответственно, находятся на расстоянии
от геометрического очага деформации, где
При исследовании послойного течения металла внутри очага
деформации допускаются разрывы вектора скорости за счет тангенциальной к
поверхности тока составляющей вектора скорости. Такие скачки наблюдаются на
межслойных границах при прокатке многослойных тел и на некоторых участках
поверхности тока, где образуется расслой деформируемого металла. Участки
поверхности тока, на которых происходит скачкообразное изменение вектора
скорости, будем называть участками проскальзывания. Точки на границе
этих участков, где происходит
выравнивание скоростей контактирующих слоев, назовем точками сцепления.
Предполагается, что на контакте металла с инструментом и на стыках
контактирующих слоев в зонах их относительного проскальзывания заданы
коэффициенты трения, в первом случае, как коэффициенты пропорциональности
напряжения трения напряжению пластического сдвига металла в приконтактной зоне,
во втором - как коэффициенты пропорциональности напряжения трения напряжению
пластического сдвига наиболее мягкого из слоев.
2.2
Вариационная постановка задачи о прокатке металла с учетом взаимодействия слоев
Вследствие принятой абсолютной жесткости инструмента и условия
непроницаемости поверхности тока нормальная к этим участкам составляющая
вектора скорости равна нулю. Силовое контактное взаимодействие металлов на этих
участках определяется заданными коэффициентами трения. При исследовании
прокатки 2-слойного тела на контакте первого и второго слоев с валками должны
быть заданы
и
а на межслойной границе
. Среда в модели является упруго-вязко-пластичной. Рассмотрим
функционал Лагранжа для мощности внутренних и внешних сил:
где
- скоростной потенциал, рассчитываемый по
формуле
T - интенсивность касательных напряжений, рассчитываемый по формуле
Так как Т является сложной функцией, вычисление скоростного
потенциала является затруднительным. Для решения данной задачи воспользуемся
изопериметрической постановкой задачи. Запишем вспомогательный функционал:
где
- выступает как целевой функционал, а
является балансом мощности, который
накладывает ограничения на экстремали целевого функционала.
Минимизация баланса мощности осуществляется при помощи
варьирования параметра lн, положения нейтрального сечения. Далее
при Jб=0, с заданным значением lн,
минимизируем целевой функционал
при помощи варьирования h11
и Ec.
В данной работе использовалась итерационная процедура нахождения
наилучшего приближения из множества КВ-полей скоростей к Р-полю, в котором
множество КВ-полей скоростей строилось на опорном, непрерывном поле скоростей,
полученным методом склейки, с его последующем уточнением по методу М.М.
Филоненко-Бородича
2.3
Построение опорного поля скоростей
Для построения опорного, непрерывного КВ-поля скоростей
воспользуемся методом склейки разрывного поля. Для этого необходимо разбить
интервал от
до
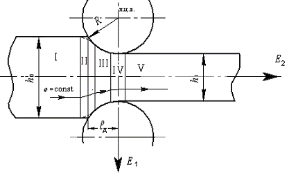
на 5 зон, как показано на рисунке 3.
Рисунок 3 - Расчетная схема прокатки
Представим область прокатки в виде пяти зон I (
), II (
), III (
), IV (
), V (
) и введем вспомогательные координаты хi. Во всех зонах I - V вспомогательная координата х1
совпадает с эйлеровой координатой
(
). Вспомогательная координата (склеивающая
функция) х2 совпадает с эйлеровой координатой
(
) лишь в зонах I, III и V, а в зонах II и IV имеет вид
где для зоны II:
а для зоны IV:
В этом случае разрывное поле скоростей можно представить в виде:
где текущая высота проката
связана с координатой
:
частная производная:
склеивающая функция
в зонах I, III и V равна единице, а в зонах II и IV принимает вид:
ее производная
в зонах I, III и V равна нулю, а в зонах II и IV принимает вид:
Полю скоростей соответствует функция тока:
с граничными значениями
и
, в случае рассмотрения симметричного
пакета;
и
, в случае рассмотрения несимметричного пакета.
По формуле Дж. Стокса определяем компоненты тензора скоростей
деформаций основного решения:
где
2.4
Построение скорректированного поля скоростей
Полученное непрерывное поле скоростей в подразделе 2.3 отражает
только геометрию области течения металла, но не учитывает свойства
деформируемой среды и условия контактного трения. Поэтому, в соответствии с
методом М.М. Филоненко-Бородича, представим функцию тока
как основное решение скорректированной
функции тока:
Корректирующая функция
должна удовлетворять однородным граничным условиям, т.е.
обращаться в ноль на границе области при
Для построения такой функции
воспользуемся методом разделения переменных
Где
- варьируемые параметры.
Значение скорректированной функции тока позволяет получить
скорректированное поле скоростей:
и скоростей деформаций:
где
2.5
Построение поля скоростей соответствующее прокатке биметалла
Рисунок 4 - Однородное течение слоев по схеме П-С
На границе Sмс слоев назначим две точки E2=Eп и E2=Eс рисунок 4, в которых заканчивается однородное течение хотя бы
одного из слоев и начинается сцепление (выравнивание скоростей) слоев
соответственно (схема П-С, - проскальзывание-сцепление). Однородное течение
слоев с разными скоростями
и
до точки Eп и
совместное течение с одинаковой скоростью
после точки Eс, а также неизменность граничных линий
тока
и
, можно обеспечить, если в i-ых слоях использовать нижеследующие функции тока:
рисунок 5 - К построению плоского КВ-поля скоростей при деформации
двухслойной (а) и трехслойной (б) полос
(1)
где Bc - функция сцепления слоев
Где
Коэффициенты bi
определяются значениями y на стыке слоев у входа в зону возмущенного движения до точки Eп (Y=ys) и от точки Eс
до выхода из этой зоны (Y=yf)
рисунок 5:

Зная функции тока Yi в каждом из слоев, по формуле Дж. Стокса определим
соответствующие компоненты вектора скорости в первом
и втором
слоях
(2)
где
По формулам Дж. Стокса найдем компоненты тензора скоростей
деформаций
где
На стыке слоев функция тока основного решения принимает значение
, где
В дальнейшем для решения задач о совместном течении двух слоев,
образующих сплошную среду, понадобится приращение вектора скорости на
межслойной границе Sмс в интервале Eп£E2£Eс
. (3)
Легко показать, что такой разрыв вектора скорости осуществляется
за счет тангенциальной DVt к межслойной границе Sмс составляющей вектора скорости, так как
нормальная к этой границе составляющая векторов скорости обоих слоев равна
нулю. Условие непрерывности нормальной к поверхности Sмс стыка слоев составляющей вектора скорости
(4)
всегда является дополнительным кинематическим граничным условием в
постановке задач о движении композитных сред. Поле скоростей (1), построенное
на функциях тока (2), независимо от вида основного решения удовлетворяет
условию (4). При этом изложенный алгоритм построения многослойного течения
пригоден для использования при деформировании как в симметричных, так и в
асимметричных областях рисунок 3.
2.6
Исследование условия сварки слоев
В разработанной математической модели прокатки биметалла
взаимодействие слоев рассматривается на уровне статических и кинематических
параметров. Средства, использованные в модели, не позволяют определить условия
сварки слоев. В данном пункте излагается методика оценки таких условий на
основании экспериментальных исследований качества сварки слоев и теоретических
расчетов этих условий.
1) а-θ=7130K; б-θ=4330K; в - θ=2930K;
) а-ε=60%; б - ε=50%; в ε=40%;
3) а
/
=
; б-
/
=
;
Рисунок 6 - Влияние температуры 1), относительного обжатия 2) и
соотношения слоев 3) на положение точки сцепления при прокатке.
Опытная часть работы выполнена на двухвалковом стане с диаметром
валков 290 мм. Отношение высоты
плакирующего слоя из сплава АД0 к высоте
основного слоя из сплава АД31 изменялось
от
до
с шагом
. Температура нагрева двухслойной
заготовки варьировалась от 2930К до 7130К с шагом 1400.
Относительное обжатие задавали от 20% до 60% с шагом 10%. Таким образом был
реализован неполный факторный эксперимент 53, для каждой точки
которого прокатывалось по три образца. Обработка результатов проводилась
статистическими методами [25].
Перед нагревом и последующей прокаткой контактирующие поверхности
слоев зачищались металлическими щетками и обезжиривались. Нагретые заготовки
прокатывались до получения недоката, рисунок 6.
Прокатанные образцы использовались в исследованиях на определение
положения точки сцепления слоев и уровня качества их сварки. Первое
определялось визуально на микроскопе УИМ-23 по макротемплетам, рисунок 6,
второе - путем стандартных испытаний на перегиб ГОСТ 12812-68. За параметр
оценки качества принято число перегибов до появления трещин в плакируемом слое
без расслоения в месте изгиба.
Теоретические исследования выполнялись с помощью разработанной
математической модели. Рассчитывалось положение точки сцепления слоев и
накопление мощности, развиваемой касательными напряжениями на разрывах вектора
скорости на межслойной границе до точки
.
. (5)
Значение параметра Jмс,
соответствующее обновлению ювенальных поверхностей контактирующих слоев и
последующей их сварке под давлением слоев обозначим Jсв.
Тогда коэффициент
сварки слоев
Скачок вектора скорости DVt в (5) рассчитывается по формуле (3);
межслойное напряжение трения tn
определяется с помощью закона трения Э. Зибеля [26]
;
оценка коэффициента mмс межслойного трения предложена в работе [27]; напряжение
пластического сдвига мягкого слоя
, как функция степени деформации, скорости деформации и температуры
определяется по методике работы [28].

а - относительное
обжатие; б - температура; в - соотношение слоев.
1 - q=7130K,
/
=
; 2 - q=5730K,
/
=
; 3 - q=2930K,
/
=
; 4 - e=50%,
/
=
; 5 - e=50%,
/
=
; 6 - e=40%,
/
=
; 7 - e=50%, q=7130K, q=0,016; 8 - e=40%, q=2930K, q=0,016; 9 - e=50%, q=7130K, q=0,013; 10 - e=50%, q=4330K, q=0,016; 11 - e=40%, q=2930K, q=0,013.
; ▲; ■; ○; □ - экспериментальные данные.
Рисунок 7 - Влияние параметров процесса на положение точки
сцепления слоев при прокатке биметалла.
На рисунке 7 показана зависимость положения точки сцепления
слоев в очаге деформации, рассчитанная по модели и полученная опытным путем.
Видно, что расчетные и опытные данные имеют
удовлетворительное совпадение. Значения коэффициента сварки Kc на межслойной границе в
зависимости от температуры прокатываемых металлов q, относительного обжатия
всего пакета e и соотношения слоев показаны на рисунке 8.
Таким образом, с помощью
математической модели разработана методика оценки сварки разнородных металлов
при прокатке пакета, позволяющая создавать технологии производства многослойных
материалов.
___ - e=65%, q=7130K,
/
=2/3; __ __ - e=50%, q=5730K,
/
=1/3; _. _. _ - e=50%, q=2930K,
/
=1/3; _ _ _ - e=40%, q=5730K,
/
=1/3; _. _. _ - -e=30%, q=2930K,
/
=1/3;
Рисунок 8 - Распределение коэффициента Kc на межслойной границе.
3. Описание
алгоритма программы расчета поля скоростей при прокатке биметалла с учетом
взаимодействия слоев
Модель, используемая для расчета поля скоростей, соответствующая
прокатке биметаллической полосы, является сложной и оптимизационной, так же
данная модель является детерминировано-стохастической, так как использует как
математические формулы для расчета, так и данные, полученные экспериментальным
путем. Программа написана на языке QBasic.
Текст программы приведен в приложении. На рисунке 8 приведена блок-схема
программы для решения вариационной задачи о прокатке биметалла с учетом
взаимодействия слоев. В блоке 1 производится ввод исходных значений: радиус
валков, число варьируемых параметров, высоту заготовки и изделия и, высоту
плакировки, напряжение пластического сдвига основного и плакирующего слоев и
коэффициент трения
. В блоке 2 производится минимизация
функционала, блок-схема минимизации представлена в работе [29]. В блоке 3
значениям
и
присваиваются начальные значения, соответствующие определенной
линии тока. В блоке 4 осуществляется расчет основного, скорректированного поля
скоростей и поля скоростей биметалла. В блоке 5 производится сравнение текущего
значения
с
, точкой сцепления слоев. В блоке 6 осуществляется расчет мощности
межслойных сил. В блоке 7 производится расчет шага по
и
. В блоке 8 рассчитывается мощность внешних и внутренних сил, а
так же баланса мощности. В блоке 9 производится сравнение текущего значения
с граничным значением
. В блоке 10 сравнивается текущее значение
с граничным значением по оси
. В блоке 11 осуществляется сравнение
полученного значения баланса мощности с минимальным значением баланса мощности,
полученного в предыдущих расчетах. В блоке 12 минимальному значению баланса
мощности присваивается текущее значение баланса.
В блоке 13 производится печать значения всех варьируемых
параметров, высоту плакировки готового изделия, координаты точки сцепления,
значения баланса мощности, мощности межслойных, внешних и внутренних сил. В
блоке 14 выводится кинематические картины изотет, изотах и изострат. В таблице
1 приведена идентификация входных параметров.
Таблица 1 - Идентификация входных параметров
|
Наименование
параметра
|
Обозначение в
тексте
|
Обозначение в
программе
|
|
Радиус валков,
мм
|
R
|
R
|
|
Число
варьируемых параметров, б/р
|
-
|
N
|
|
Высота заготовки,
мм
|
h0
|
H0
|
|
Высота
плакировки заготовки, мм
|
h01
|
H01
|
|
Высота
исходного изделии, мм
|
h1
|
H1
|
|
Напряжение
пластического сдвига плакирующего слоя, МПа
|
т1
|
TT1
|
|
Напряжение
пластического сдвига основного слоя, МПа
|
т2
|
TT2
|
|
Коэффициент
трения, б/р
|
|
MU
|
В таблице 2 приведена идентификация выходных параметров.
Таблица 2 - Идентификация выходных параметров
|
Наименование
параметраОбозначение в текстеОбозначение в программе
|
|
|
|
Варьируемый
параметр, б/р
|
ik
|
Z (J,K)
|
|
Высота
плакировки изделия, мм
|
h11
|
H11
|
|
Координата
точки сцепления, б/р
|
Ec
|
EC
|
|
Мощность
внутренних сил
|
Jint
|
JINT
|
|
Мощность
внешних сил
|
Jext
|
JEXT
|
|
Мощность
межслойных сил
|
Jмс
|
JMC
|
|
Баланс мощности
|
J
|
U
|
4.
Безопасность жизнедеятельности
Выполнение экспериментальной части дипломной работы связано с
влиянием опасных и вредных факторов. Целью данного раздела является выявление
этих факторов, а также их анализ, решение вопросов устройства и оборудования
научно-исследовательской лаборатории, выбор и расчет технических средств,
сопутствующих экспериментальной части дипломной работы.
4.1 Анализ
опасных и вредных производственных факторов
Анализ опасных и вредных факторов при проведении работ в
лаборатории с использованием персональных электронно-вычислительных машин
(ПЭВМ) проведен в соответствии с ГОСТ 12.0.003-74 и представлен в таблице 3.
Таблица 3 - Идентификация опасных и вредных факторов
|
Операция
|
Используемые
оборудование и вещества
|
Опасные и
вредные факторы
|
Нормируемое
значение параметра
|
|
|
классификация
|
перечень
|
|
|
1
|
2
|
3
|
4
|
5
|
|
Работа на ПЭВМ
|
ПЭВМ
|
физические
|
повышенное
значение напряжения в электрической цепи, замыкание которой может произойти
через тело человека;
|
Uн =
2 В; I н = 0,3 мА.
|
|
|
|
повышенный
уровень ионизирующих излучений в рабочей зоне;
|
эквивалентная
доза не должна превышать 0,1 мбер/ч.
|
|
|
|
повышенный
уровень электромагнитных излучений
|
E пд =
25 В/м при f = 5 Гц - 2 кГц
|
|
Работа на ПЭВМ
|
ПЭВМ
|
Психофизио-логические
|
Физические
нагрузки (статические, динамические), гиподинамия;
|
-
|
|
|
|
Нервно-психологические
перегрузки: умственное напряжение, перенапряжение анализатора, монотонность
труда, эмоциональные перегрузки.
|
-
|
4.2
Санитарно-технические требования
4.2.1
Требования к планировке лаборатории
Лаборатория, где проводилась дипломная работа, относится к
вычислительным лабораториям. Основным видом выполняемых работ являются
расчетные работы, проводимые на ПЭВМ. Длина лаборатории, в которой проводились
исследования - 8 м, ширина - 5 м, площадь ее составляет 40 м2. В
лаборатории имеется 8 рабочих мест. Оборудование составляют: рабочие столы, стулья,
компьютеры и принтеры. Ширина проходов между рабочими местами не менее 1,0 м и
0,5 м между оборудованием и стеной. Высота помещения лаборатории - 3,5 м.
Согласно СанПин 2.2.2/2.4.1340-03, производственная площадь, приходящаяся на
одного работающего, должна составлять не менее 6 м2, а объем - не
менее 20 м3. Помещение лаборатории не удовлетворяет требованиям
СанПин 2.2.2/2.4.1340-03.
4.2.2
Требования к микроклимату лаборатории
В соответствии с требованиями СанПин 2.2.2/2.4.1340-03
устанавливаются параметры микроклимата для рабочей зоны помещений данного типа.
Категория работ, выполняемых в вычислительной лаборатории,
принадлежит к легкой категории работ 1а.
Оптимальные параметры микроклимата лаборатории соответствует
требованиям, установленным СНиП 2.04.05. Температура, относительная влажность и
скорость движения воздуха приведены в таблице 4.
Таблица 4 - Параметры микроклимата для категории работ 1а
|
Сезон года
|
Условия
|
Температура
воздуха, ˚С
|
Относительная
влажность, %
|
Скорость
движения воздуха, м/с
|
|
Холодный
период, t<10 ˚ С
|
оптимальные
|
22-24
|
40-60
|
0,1
|
|
допустимые
|
21-24
|
<75
|
0,1
|
|
Теплый период,
t>10 ˚ С
|
оптимальные
|
23-25
|
40-60
|
0,1
|
|
допустимые
|
22-28
|
40-60
|
0,1-0,2
|
Помещение лаборатории оборудовано системой центрального
отопления с теплоснабжением от городской тепловой сети. В качестве
нагревательных приборов для системы отопления применяются радиаторы, а в
качестве теплоносителя - вода с температурой 95 ˚С.
4.2.3
Требования к освещению лаборатории
Выбор естественного и искусственного освещения производится в
зависимости от характера и точности выполняемых работ, так как работа, в
основном, со зрительным вниманием.
Работа за ПЭВМ относится к зрительным работам высокой
точности. Характер необходимой освещенности в лаборатории, согласно СНиП
23-05-95, приведен ниже:
) характер зрительной работы - высокой точности;
2) наименьший или эквивалентный размер объекта различия
- от 0,3 мм до 0,5 мм;
3) разряд зрительной работы - Б 1;
) нормированное значение КЭО, eн=1%;
5) номер административного района по ресурсам светового
климата - 1;
6) значение KEO, eN=1%;
7) освещенность на рабочей поверхности от системы общего
искусственного освещения Eн=300 лк;
8) показатель дискомфорта, М 40 р.
) Коэффициент пульсации освещенности Kп=15%;
Естественное освещение в лаборатории осуществляется через два
оконных проема общей площадью 14 м2. В качестве источников
искусственного освещения применяются люминесцентные лампы дневного света с
исправленной цветопередачей ЛБ 80.
Произведем расчет параметров осветительных устройств по методу
коэффициента использования светового потока.
Общее число светильников в помещении определяется по формуле:
, (6)
где
- число светильников в помещении, шт.;
- нормативное значение освещенности, лк;
- площадь освещаемого помещения, м2;
- коэффициент запаса;
- коэффициент минимальной освещенности;
- световой поток одной лампы, лм;
- количество ламп в одном светильнике, шт.;
- коэффициент использования осветительной установки.
Суммарная мощность осветительной установки рассчитывается по
формуле:
, (7)
где
- суммарная мощность осветительной
установки, Вт;
- мощность одной лампы, Вт.
Индекс помещения определяется по формуле:
, (8)
где
- ширина помещения, м;
- длина помещения, м;
Индекс помещения равен:
.
По формуле 6, определяем необходимое число светильников. Значение
К принимаем равным 1,5 для помещений общественных и жилых зданий; значение Z находят обычно в пределах 1,1 - 1,5, в расчетах принимается
равным 1,1, для ламп ЛБ 80 Фл =5200 лм. Значение η зависит
от коэффициента отражения светового потока стенами и потолком и индекса
помещения, коэффициенты отражения светового потока стенами и потолком
соответственно равны ρс = 0,5 и ρn = 0,7. Коэффициент использования
осветительной установки для i = 0,9, ρс = 0,5, ρn = 0,7 равен 0,47.
Подставляя полученные значения, имеем:
шт.
Суммарная мощность осветительной установки равна:
4.3
Разработка мер защиты от опасных и вредных факторов
В качестве организационных мер защиты необходимо ознакомление
персонала с инструкцией по правилам работы на ПЭВМ и по технике безопасности при
работе с оборудованием. После каждых двух часов работы на ПЭВМ необходимо
делать перерыв не менее 15 минут, в перерывах между работой выполнять
упражнения для глаз.
Для обеспечения защиты от поражения электрическим током
открытие части электрических устройств ограждены от возможного прикосновения
специальными ограждениями и блокированы. Все металлические конструкции надежно
заземлены, провода заизолированы. Кроме этого в вычислительной лаборатории
ведется постоянный контроль исправности электронной аппаратуры и проводки. В
помещении должна поддерживаться нормальная влажность, не более 60%.
При работе на ПЭВМ человек в течение длительного времени
подвергается воздействию ионизирующего излучения (ИИ), источником которого
является электроннолучевая трубка (ЭЛТ). Техническим средством защиты от
ионизирующего излучения является защитный экран, непосредственно встроенный в
монитор компьютера, с помощью которого мощность дозы за экраном уменьшается в
требуемое число раз.
При работе за компьютером необходимо находиться напротив
монитора на определенном расстоянии от него, для того чтобы обеспечить
безопасную работу в зоне действия электромагнитного излучения.
При работе с использованием ПЭВМ приблизительно у 80 %
пользователей наблюдаются физические расстройства различной степени тяжести.
Основные из них: расстройства органов зрения и различные мышечные расстройства.
Для снижения воздействия этих вредных факторов на организм
человека разработан ряд эргономических требований.
Любой труд, связанный с необходимостью пристально смотреть в
одну точку, приводит к перенапряжению глаз. Но особый урон здоровью наносит
работа за экраном монитора. Расстояние от монитора до глаз в процессе работы не
меняется, постоянно подвергая их таким раздражителям, как резкий яркий свет и мерцание.
Проблемы со зрением связаны с неправильным освещением в помещении, неподходящим
разрешением экрана, ослепляющей яркостью, а также мерцанием монитора.
Для обеспечения надежного считывания информации при
соответствующей степени комфортности ее восприятия в СанПиН 2.2.2/2.4.1340-03
определены оптимальные и допустимые диапазоны визуальных эргономических
параметров. Визуальные эргономические параметры и пределы их изменений
приведены в таблице 5.
Таблица 5 - Визуальные эргономические параметры ПЭВМ и пределы
их изменений
|
Параметры
|
Допустимые
значения
|
|
Яркость белого
поля
|
не менее 35
кд/м2
|
|
Неравномерность
яркости рабочего поля
|
не более ±20%
|
|
Контрастность
(для монохромного режима)
|
не менее 3: 1
|
|
Временная
нестабильность изображения (мелькание)
|
не должна
фиксировать
|
|
Пространственная
нестабильность изображения (дрожание)
|
Не более 2·10-4L,
где L - проектное расстояние наблюдения, мм.
|
Для профилактики расстройств органов зрения рекомендуется
периодически консультироваться у окулиста, если обнаруживается разница в зрении
левым глазом, необходимо ее скорректировать, иначе вся нагрузка придется на
здоровый глаз.
Положение монитора должно быть таким, чтобы свет на него
падал под углом. Экран монитора должен располагаться примерно на расстоянии
28-60 см от оператора, причем верхний край экрана должен находиться на уровне
глаз. Рекомендуется по возможности уменьшать интенсивность света люминесцентных
источников. Для монитора должны быть предусмотрены ручки регулировки яркости и
контраста изображения, обеспечивающие возможность регулировки этих параметров
от минимальных до максимальных значений.
При необходимости рекомендуется применять защитные фильтры
для ослабления воздействия излучения экрана, уменьшения отраженной блескости
изображения, снижения статического заряда. Использование защитных фильтров
делает менее заметным мерцание монитора.
Для любого монитора, используемого на территории РФ
обязательно соблюдение требований стандарта ГОСТ 27954-88 /ссылка на
литературу/ на видеомониторы персональных ЭВМ. Основные требования этого
стандарта следующие:
частота кадров с позитивным контрастом - не менее 60 Гц;
частота кадров в режиме обработки текста - не менее 72 Гц;
дрожание элементов изображения - не более 0,1 мм;
антибликовое покрытие - обязательно;
допустимый уровень шума - не более 50 дБА;
монотонность дозы рентгеновского излучения на расстоянии 5 см
от экрана при 41-часовой рабочей недели - не более 0, 03 мкР/с.
Режимы труда и отдыха при работе с ПЭВМ зависят от вида
категории трудовой деятельности (таблица 6).
Таблица 6 - Время регламентированных перерывов в зависимости
от продолжительности рабочей смены и вида трудовой деятельности
|
Категория
работы с ПЭВМ
|
Уровень
нагрузки за рабочую смену при видах работы
|
Суммарное время
перерывов, мин
|
|
считывание
информации, число знаков
|
ввод
информации, число знаков
|
работа в режиме
диалога, ч
|
8-ми часовая
смена
|
12-ти часовая
смена
|
|
1
|
до 20000
|
до 15000
|
до 2
|
30
|
70
|
|
2
|
до 40000
|
до 30000
|
до 4
|
50
|
90
|
|
3
|
до 60000
|
до 40000
|
до 6
|
70
|
120
|
Для профилактики возникновения мышечных расстройств при
работе на ЭВМ рекомендуется выполнение следующих требований:
) руки должны быть выпрямлены в запястьях и согнуты в локтях
примерно под прямым углом, пальцы также должны быть слегка согнуты;
) удары по клавишам не должны быть слишком сильными;
) рабочее кресло должно иметь подлокотники, отрегулированные
соответствующим образом, которые служили бы опорой для рук как при работе с
клавиатурой, так и при пользовании мышью;
) при чувстве напряженности или спазмов в мышцах следует
немедленно прекратить работу;
) высота рабочего стула должна быть отрегулирована так, чтобы
бедра были параллельны полу;
) ноги должны твердо стоять на полу, а если приходиться
работать за высоким столом, следует воспользоваться подставкой;
) сидеть нужно прямо или слегка подать корпус вперед,
стараясь сохранить естественный изгиб тела в пояснице;
) клавиатура и мышь должны располагаться так, чтобы к ним не
нужно было тянуться;
) документы рекомендуется закреплять рядом с монитором
специальной подставкой;
) рекомендуется держать на столе эластичную резиновую игрушку
или кольцо эспандер и время от времени с его помощью разминать кисти рук;
) через некоторое время менять режим работы.
Соблюдение описанных выше требований поможет избежать
неприятных последствий работы на ПЭВМ.
4.4 Безопасность
жизнедеятельности в чрезвычайных ситуациях
Пожарная нагрузка помещений может включать в себя различные
сочетания горючих и трудногорючих жидкостей и твердых материалов в пределах
пожароопасного участка и определяется по формуле:
(9)
где
- количество j-того материала пожарной нагрузки, кг;
- низшая теплота сгорания j-того материала пожарной нагрузки, МДж/кг
Удельная пожарная нагрузка определяется по формуле:
(10)
где
- площадь размещения пожарной нагрузки, м2.
В лаборатории находятся 8 столов из дерева массой 50 кг каждый. По формуле (9)
произведем расчет пожарной нагрузки:
МДж.
По формуле (10) найдем удельную пожарную нагрузку:
МДж/м2.
Категория пожароопасности лаборатории устанавливается в
соответствии с характером исследовательской работы, процессами, осуществляемыми
в лабораторных помещениях [30]. Вычислительная лаборатория относится к
категории В4.
По степени огнестойкости данное помещение относится к II степени огнестойкости по СНиП 21-01-97.
В лаборатории имеется огнетушитель ОУ-5. На случай пожара имеется
эвакуационный выход в коридор и две лестничные клетки.
4.5 Расчет
защитного заземления ПЭВМ
Исходные данные:
Мощность трансформатора 180 кВА, на стороне 6 кВ -
изолированная нейтраль, на стороне 0, 38 кВ - глухозаземленная нейтраль.
Расчетный ток замыкания на землю на стороне 6 кВ - Iд. =5 А.
Тип заземлителя: стержневой (трубчатый с толщиной стенки 3,5
мм).
4 Длина трубы
см.
Диаметр трубы
см.
Ширина соединяющей полосы
см.
Заземлитель: заглубленный, глубина заложения
см.
Расположение вертикальных заземлителей - по четырехугольному
контуру.
Грунт: суглинок.
Климатическая зона: I
Ом.
Расчет приведен поэтапный:
Определение расстояния между трубами Lт. Для заглубленных заземлителей
рекомендуется отношение
брать равным 1, т.е. Lт =250 см.
Вычисление расстояния от поверхности земли до середины трубы
см.
Определение удельного сопротивления грунта
Ом∙см.
Определение значений повышающих коэффициентов для стержневого
заземлителя для I климатической зоны
и для полосового заземлителя
. (при расчетах брались рекомендованные
значения повышающих коэффициентов по верхнему пределу, т.е. при самых
неблагоприятных условиях для данной зоны).
Вычисление расчетного удельного сопротивления грунта для труб
Ом∙см.
Вычисление расчетного удельного сопротивления грунта для
соединительной полосы
Ом∙см.
Определение сопротивления растекания тока одной трубы
Ом.
Вычисление количества труб, которые необходимо забить в грунт, без
учета коэффициента экранирования
труб.
Определение коэффициента экранирования при расположении труб по
четырехугольному контуру и
,
=0,43.
Вычисление необходимого количества труб с учетом коэффициента
экранирования
труб.
Определение расчетного сопротивления трубчатых заземлителей без
учета соединяющей полосы
Ом.
Вычисление длины соединяющей полосы при условии, что трубы
расположены по четырехугольному контуру
см.
Определение сопротивления растеканию тока соединяющей полосы
Ом.
Ом.
Определение коэффициента экранирования соединяющей полосы при
расположении труб по четырехугольному контуру и при
,
Вычисление расчетного сопротивления соединяющей полосы
Ом.
Вычисление общего расчетного сопротивления заземляющего устройства
(труб и соединяющей полосы)
Ом.
Вывод: Полученное расчетное сопротивление удовлетворяет
требованиям ПУЭ, т.е. 
=4 Ом.
5. Охрана
окружающей среды
Расширение области применения компьютерной техники, ее
быстрое моральное старение остро ставит вопрос о необходимости разработки новых
технологий переработки компьютерного лома.
До недавнего времени при утилизации старых компьютеров
происходила их разборка на фракции: металлы, пластмассы, стекло, провода,
штекеры. Вторичные ресурсы металлов складываются из лома (3-4%) и отходов
(57%). Из одной тонны компьютерного лома получают до 200 кг меди, 480 кг железа
и нержавеющей стали, 32 кг алюминия, 3 кг серебра, 1 кг золота и 300 г
палладия.
В настоящее время разработаны следующие методы переработки
компьютерного лома и защиты литосферы от него:
сортировка печатных плат по доминирующим материалам;
дробление и измельчение;
гранулирование, в отдельных случаях сепарация;
обжиг полученной массы для удаления сгорающих компонент;
расплавление полученной массы, рафинирование;
прецизионное извлечение отдельных металлов;
создание экологических схем переработки компьютерного лома;
создание экологически чистых компьютеров.
В последнее время приняты радикальные меры по улучшению
разделки, сортировки и использования лома и отходов цветных металлов. Важной
задачей является переработка медных проводов и кабелей, так как более одной
трети меди идет на производство проводов.
Лучшим способом разделки проводов можно считать отделение
изоляции от проволоки механическим способом. С помощью грануляторов специальной
конструкции удовлетворительно решена проблемы отделения термоплавкой и резиновой
изоляции. Установка пригодна для переработки проволоки, изолированной
термопластом и бумагой. Установка не пригодна для некоторых типов проводов,
изолированных хлопчатобумажной тканью, для кабелей со свинцовой оболочкой и для
всех сортов изоляции, которая прилипает к проводу так, что не отделяется от
металла даже при очень тонкой грануляции. При переработке проводов, у которых
разделение изоляция и меди осуществляется удовлетворительно и почти без потерь
получается термопласт, последний может служить сырьем для изготовления менее
ответственных деталей.
Если между проводами, изолированными термопластом, есть
изоляция из ткани, ее можно удалить из смеси кусков меди и изоляции с помощью
отсасывающего устройства. Эта установка закрыта и механизирована, требует
минимального обслуживания и обеспечивает производительность - 500 тонн
изолированной проволоки в год. При работе установки не загрязняется атмосфера,
технология экономически более выгодна, чем обжиг изоляции в печах.
Переработку промышленных отходов производят на специальных
полигонах, создаваемых в соответствии с требованиями СНиП 2.01.28-85 и
предназначенных для централизованного сбора обезвреживания и захоронения
токсичных отходов промышленных предприятий, НИИ и учреждений.
При всех существующих способах переработки компьютерного лома
необходимы новые, более совершенные, экологически чистые методы.
6.
Экономический раздел
6.1
Технико-экономическое обоснование дипломной НИР
В настоящее время большую часть плакируемых изделий получают
при помощи сварки прокаткой. Плакируемым слоем может служить практически любой
металл. В большинстве случаев отладка технологии производства связана с
большими затратами на эксперименты. Данная дипломная работа позволяет избежать
большого числа экспериментов, так как позволяет прогнозировать качество
получаемого сварного соединения при помощи одного эксперимента на определенной
паре металлов или сплавов не зависимо от соотношения толщин плакируемого и
основного слоя.
.2
Калькуляционные статьи расходов
.2.1
Материалы, покупные изделия и полуфабрикаты
На эту статью относится стоимость сырья, основных материалов,
комплектующих изделий, полуфабрикатов.
Материалы оцениваются по действующим оптовым ценам согласно
прейскурантов с обязательным учетом транспортно-заготовительных расходов.
Величина транспортно-заготовительных расходов предварительно рассчитывается
бухгалтерией в виде укрупненного процента начисления к стоимости материалов и
обычно составляет 5-10% от стоимости всех материалов.
Затраты на сырье, материалы и полуфабрикаты могут быть
рассчитаны по формуле
где:
- норма расходов материала, кг;
- цена материалов, руб/кг;
- коэффициент транспортно-заготовительных расходов;
- масса возвратных отходов, кг;
- цена отходов, руб/кг.
Расчет произведенных по данной статье расходов приведен в таблице
7.
Таблица 7 - Расчет материальных затрат на выполнение
дипломной НИР
|
Наименование
материала и отходов
|
Единица
измерения
|
Количество
|
Цена
|
Сумма
|
|
1. Бумага
|
500 листов
|
3
|
100
|
300
|
|
2. Картридж для
принтера
|
Штука
|
1
|
1700
|
1700
|
|
3. Ручка
|
Штука
|
10
|
5
|
50
|
|
4. Книги
|
Штука
|
5
|
500
|
2500
|
|
Итого
материальных затрат
|
4550 руб.
|
|
Транспортно-заготовительные
расходы
|
455 руб.
|
|
ИТОГО
|
5005 руб.
|
Амортизацию принимаем как 25% от стоимости основных фондов,
она равна 1251,25 руб.
6.2.2 Затраты
на заработную плату научно-технического персонала
В калькуляционных расчетах эта статья занимает важное место,
т.к. в сумме затрат на тему составляет обычно 30-40 % и более. В расчете
учитывается заработная плата только исполнителей, непосредственно занятых
выполнением дипломной работы: зарплата руководителя темы и консультантов и
зарплата (стипендия) студента-исполнителя темы. Затраты на оплату труда
руководителя и консультантов рассчитываются, исходя из количества часов,
затраченных ими на руководство и консультации, а также стоимость одного
учебного часа.
Для расчета заработной платы исполнителя используется
следующая формула:
где
- заработная плата i-го исполнителя, руб.;
- месячный оклад исполнителя, руб.;
- количество фактически затраченного времени.
Заработная плата исполнителя дипломной работы определяется суммой
стипендии, начисленной за время дипломирования.
Доля дополнительной заработной платы руководителя работы и
консультантов для МИСиС составляет 20% от основной заработной платы. Отчисления
на социальные нужды составляет 25,6 %.
Результаты расчета заработной платы приведены в таблице 8.
Таблица 8 - Заработная плата исполнителей
|
Должность
|
Месячный оклад,
руб.
|
Фактически
отработанное время, часы
|
Основная
зарплата, руб.
|
Дополнительная
зарплата, руб.
|
|
Студент-исполнитель
темы
|
1200
|
880
|
4800
|
0
|
|
Руководитель
работы
|
15000
|
25
|
9689,92
|
1937,98
|
|
Консультант по
экономике производства
|
8000
|
3
|
155,3
|
31,06
|
|
Консультант по
БЖД
|
8000
|
3
|
155,3
|
31,06
|
|
Консультант по
охране окружающей среды
|
8000
|
3
|
155,3
|
31,06
|
|
Консультант по
стандартизации и метрологии
|
15000
|
3
|
290,7
|
58,14
|
|
Общая сумма
заработной платы, руб.17335,82
|
|
Отчисления на
социальное страхование, руб.4437,97
|
|
ИТОГО
заработная плата с отчислениями, руб.21773,79
|
6.2.3
Накладные расходы
Величина накладных расходов исчисляется в процентах к
заработной плате производственного персонала, занятого выполнением научной
тематики института как отношение итога сметы накладных расходов на планируемый
год к фонду заработной платы производственного персонала.
Планируют, учитывают и контролируют накладные расходы
плановый отдел и бухгалтерия института. Величина накладных расходов в МИСиС по
работам, выполняемым в рамках НИО, составляет в последние годы ~60 %.
Утвержденный процент накладных расходов является обязательным
при плановых расчетах.
Рн = (Осн. ЗП + Доп. ЗП) ×60%=17335,82×0,6=10401,49 руб.
6.2.4 Затраты
на электроэнергию
Затраты на освещение, отопление и т.д. учитываются в
накладных расходах. Расчет затрат на электроэнергию для работы с ПЭВМ
производится по формуле:
где
- затраты на электроэнергию, руб.;
- мощность электроприбора по паспорту, кВт;
- коэффициент использования мощности (
)
- время использования оборудования, ч;
- цена одного кВт/ч электроэнергии, руб.
Стоимость одного кВт/ч - 2,08 руб. Результаты расчета затрат на
электроэнергию: мощность ПЭВМ - 0,1 кВт; время использования ПЭВМ - 550 ч;
сумма затрат на электроэнергию - 114,4 руб.
6.3
Составление калькуляции себестоимости дипломной работы
Плановые калькуляции составляются на основе нормативов,
трудовых, материальных и финансовых затрат по каждой из калькулируемых статей.
При отсутствии нормативов затраты могут быть определены по аналогии с
предыдущими работами подобного типа с учетом коэффициентов, характеризующих
степень изменения значения калькуляционных статей по сравнению с работами -
аналогами. Эти коэффициенты определяются путем экспертной оценки компетентными
лицами (руководитель темы, консультант, работники планового отдела и т.д.).
Отчетная калькуляция рассчитывается после окончания работ по
фактическим затратам. Используя ранее рассчитанные статьи затрат,
рассчитывается себестоимость дипломной работы. Результаты расчетов оформлены в
виде таблицы 9.
Таблица 9 - Калькуляция себестоимости дипломной НИР
|
Статьи затрат
|
Сумма, руб.
|
Отклонение,
руб.
|
Фактические
затраты, % к общей стоимости работы
|
|
план
|
отчет
|
|
|
|
Материалы,
покупные изделия, полуфабрикаты
|
6256,25
|
6512,00
|
255,75
|
15,45
|
|
Основная
зарплата производственного персонала
|
15246,52
|
15246,52
|
0
|
36,18
|
|
Дополнительная
зарплата производственного персонала
|
2089,3
|
3285,5
|
1196,2
|
7,8
|
|
Отчисления на
социальное страхование
|
4437,97
|
4437,97
|
0
|
10,53
|
|
Затраты на
электроэнергию
|
114,4
|
126,69
|
12,29
|
0,3
|
|
Накладные
расходы
|
10401,49
|
12536,58
|
2135,09
|
29,75
|
|
ИТОГО
себестоимость НИР
|
38545,93
|
42145,26
|
3599,33
|
|
|
|
|
|
|
|
В первой статье причиной отклонения фактических затрат от
плановых является перерасход материала, в третьей статье - увеличение времени
работы консультантов по дипломному проектированию, в статье накладных расходов
- несовпадение планового процента с фактическим.
Путем возможной экономии средств является более рациональное
использование материалов, покупных изделий и уменьшение накладных расходов.
6.4
Технико-экономический эффект дипломной НИР
В данной работе была разработана математическая модель
адекватно отражающая реологию процесса прокатки биметаллических изделий, также
был проведен эксперимент на сплавах АД0 и АД31. В настоящее время практическое
использование полученных результатов не проводилось, таким образом
непосредственный экономический эффект для данной работы не рассчитывался.
Однако, можно определить договорную цену продажи полученных результатов по
следующей формуле:
Цд=С (1 + РН),
где Цд - договорная цена в руб.;
С - плановая себестоимость НИР, руб.;
РН - уровень рентабельности научной организации, где
выполняется исследование (для МИСиС - 20 %).
Таким образом. договорная цена составляет 50574,32 руб.
Прибыль составляет выручка за вычетом себестоимости НИР. В
этом случае она составит 50574,32 - 42145,26 = 8429,06 руб. Срок окупаемости
Ток= (ОМ+ВМ) /П = 6512/8429,06 =0,77 лет, что меньше нормативного срока (6,67
года).
Так как коэффициент экономической эффективности Е=П/ (ОМ+ВМ)
=1,29 больше нормативного 0,15, и срок окупаемости меньше нормативного, то НИР
можно считать экономически эффективной.
6.5
Построение сетевых графиков
Под сетевым графиком (сетевой моделью) понимают граф, отображающий
технологическую взаимосвязь между работами.
Начальная информация для составления сетевого графика должна
содержать перечень всех работ с указанием технологической последовательности их
выполнения.
Одна из основных количественных характеристик каждой работы -
ее продолжительность - является случайной величиной, распределенной в
определенном интервале времени.
Расчет времени проводили с использованием сетевого
планирования. Исходные данные для расчета сетевого графика представлены в
таблице 10.
Таблица 10 - Исходные данные для построения и расчета
сетевого графика выполнения НИР
|
№ работы
|
Тема:
"Исследование условий сварки биметаллических полос"
|
№№
предшествующих работ
|
Временные
оценки в неделях
|
Количество
исполнителей
|
|
Содержание
работ
|
|
наимень-шая, a
|
наиболь-шая, b
|
|
|
1
|
Составление
литературного обзора. Разработка методики исследования
|
-
|
3
|
5
|
1
|
|
2
|
Составление
технико-экономического обоснования и расчет затрат на выполнение темы
|
1
|
2
|
3
|
1
|
|
3
|
Определение
экономической эффективности исследования
|
2
|
2
|
3
|
1
|
|
4
|
Составление
программы на языке QBasic
|
1
|
2
|
5
|
1
|
|
5
|
Оформление
дипломной записки, включая консультации по метрологии, экономики,
безопасности жизнедеятельности и нормоконтролю
|
3,4
|
3
|
1
|
Оценка продолжительности выполнения работы вычисляется по
формуле:
где a и b - минимальная и максимальная продолжительности работы.
Наиболее ранний срок начала работ определяется по формуле:
где
- сроки раннего начала предшествующей
работы.
Если к раннему сроку начала каждой работы прибавить их
продолжительность, то будет получен наиболее ранний срок их окончания.
Максимальная величина определить продолжительность всей разработки, то есть
критическое время
Если работа
лежит на критическом пути, то наиболее
ранний и наиболее поздний сроки ее окончания совпадают.
Наиболее поздний срок окончания
работы
можно определить как разность между
критическим временем
и продолжительностью максимального пути
от конца разработки до работы
. Если просмотреть сеть справа налево, то есть так, что при
вычислении наиболее позднего срока окончания работы
поздние сроки окончании всех последующих
работ уже вычислены, то
Резерв времени
для каждой работы вычисляется по формуле
Если
…
и работы
…
связаны между собой, то они составляют критический путь
разработки.
Полный резерв времени недостаточно отражает меру критических работ.
Работы могут обладать одинаковым резервом, но если при этом распространены на
участках различной длины, то напряженность выполнения работ будет неодинакова.
Для характеристики напряженности выполнения каждой работы вводится коэффициент K, для вычисления которого нужно найти путь максимальной
длины, проходящий через данную работу (
), и критический путь. Работы, общие для этих двух путей
исключается, и отношения оставшихся несовпадающих участков путей принимается за
коэффициент напряженности
(11)
Продолжительность выполнения каждой работы - величина случайная,
распределенная в интервале (a, b), то реальные работы будут выполняться не точно за время,
равное среднему значению, а быстрее или дольше.
биметалл слой сварка давление
Степень рассеяния продолжительности работ около их средних
значений учитывается с помощью подсчета этих величин:
где
- дисперсия продолжительности данной
работы;
a и b - минимальная и максимальная
продолжительности работы.
Ранние сроки начала работ также являются случайными величинами,
дисперсия которых
зависит от рассеивания продолжительности
предшествующих работ. Для начальных работ сети
. Если принять продолжительность различных путей сетевого графика,
предшествующих данной работе, за независимые величины, то
определяется по правилу сложения
дисперсии:
где
и
- значения дисперсий работы
, предшествующей данной работе и принадлежащей пути максимальной
длины, проходящему через работу
.
Дисперсия срока окончания выполнения работ критического пути
равна:
, (12)
где
…
- последовательность работ одного
критического пути. Длительность критического пути, являющаяся случайной величиной,
распределенной, по нормальному закону, полностью характеризуется математическим
ожиданием и дисперсией.
(13)
(
…
- последовательность работ критического
пути).
Вероятность окончания работы в срок определяется по формуле:
(14)
гдеT - директивный срок выполнения работы;
Ф - нормальная функция распределения вероятностей.
При разработке сетевых графиком выполнения НИР принято считать
удовлетворительным план, при котором вероятность завершения темы в
запланированный срок P≥0,4
[ссылка на литературу].
Расчет параметров сетевого графика по формулам, указанным выше,
приведен в таблице 11.
Таблица 11 - Исходные данные и результаты расчетов сетевого
графика
|
Код работы
|
Шифр работы
|
a
|
b
|
t
|
   
|
|
|
|
|
|
1
|
1-2
|
3
|
5
|
4
|
0
|
4
|
0
|
0,16
|
0
|
|
2
|
2-3
|
2
|
3
|
2
|
4
|
6
|
0
|
0,04
|
0,16
|
|
3
|
3-4
|
2
|
3
|
2
|
6
|
8
|
0
|
0,04
|
0,2
|
|
4
|
2-4
|
2
|
5
|
3
|
4
|
8
|
1
|
0,36
|
0,16
|
|
5
|
4-5
|
1
|
3
|
2
|
8
|
10
|
0
|
0,16
|
0.52
|
Рисунок 10 - Сетевой график
Все величины выражены в неделях, сетевой график планирования
проведения дипломной НИР представлен на рисунке 10.
Критический путь: 1-2-3-5.
Допустим, что работы некритических последовательностей могут
приблизиться к работа критического пути не более, чем на 1 неделю, т.е. δ=1. Тогда подкритическими будут работы, резерв которых R≤ δ=1, т.е. работа 4.
Путь максимальной продолжительности, проходящей через эту
работу, состоит из работ 1-4-5. Согласно определению этот путь -
подкритический.
Напряженность работы определяется как отношение
продолжительности из путей, на которых лежит данная работа, к отношению
продолжительности критического пути всего исследования. При этом работы, общие
для этих путей исключаются из расчета. Тогда напряженность работ, лежащих на
критическом пути равна единице.
Коэффициент напряженности работы 4 вычисляется по формуле
(11):
Дисперсия продолжительности критического
пути (12):
Допустим, что срок выполнения дипломной НИР составляет 13 недель.
Вероятность того, что вся разработка окончится в запланированный срок,
вычисляется по формуле (14) Нижняя граница интервала, на котором определено
критическое время разработки, равна сумме минимальных оценок критической
последовательности (13):
Вероятность окончания работы в срок равна:
Таким образом, вычисленная вероятность выполнения работы в срок
больше приемлемого значения 0,4.
Заключение
В данной дипломной работе разработана методика проектирования
режимов деформации для прокатки биметалла. Данная модель позволяет рассчитать
кинематические и силовые параметры процесса, а также геометрические параметры
готового изделия и положение точки сцепления слоев. В работе предложена
феноменологическая теория сварки при прокатке. С использованием этой теории
математическая модель позволяет прогнозировать свариваемость слоев при
деформации. Работоспособность модели подтверждена экспериментально на паре
сплавов АД0 и АД31. Правильность расчета кинематических параметров проверена
методом муар.
Список
использованных источников
1. Каракозов
Э.С. Сварка металлов давлением. М.: Машиностроение. 1986.
2. Красулин
Ю.Л. Взаимодействие металла с полупроводником в твердой фазе. М.: Наука,
1971.119с.
. К
вопросу расчетной оценки режимов сварки давлением. М.Х. Шорошов, Ю.Л. Красулин,
А.М. Дубасов и др. - Сварочное производство, 1967, № 7, с.14-17.
. Красулин
Ю.Л. Дислокация как активные центры в топохимических реакциях. - Теоретическая
и экспериментальная химия, 1967, т III, вып.1, с 58-65.
. П.Ф.
Засуха, В.Д. Корщиков, О.Б. Бухвалов и др. Биметаллический прокат. - М.:
Металлургия, 1971. - 264с.
. Малышев
В.М., Румянцев Д.В. Серебро. - М.: Металлургия, 1976. - 311с.
. Аркулис
Г.Э., Дорогобид В.Г. Об искривлении межслойных поверхностей при прокатке
биметаллических полос. Научн. тр. Челябинский политехнический институт, 1968, №
5, с.91-94.
. Аркулис
Г.Э., Дорогобид В.Г. Об изменении шероховатости межслойных поверхностей при
прокатке слоистых материалов. Известия АН СССР, 1967, № 3, с.91-94.
. Гугузин
Я.Б., Нгуен Чонг Бао, Парицкая Л.Н. О рельефе поверхности в области
диффузионной зоны в связи с влиянием малых давлений на взаимную диффузию.
Физика металлов и металловедения, 1970, т.30, № 4, с 790-795.
. Мастеров
В.А., Саксонов Ю.В. Серебро, сплавы и биметаллы на его основе. - М.:
Металлургия, 1979. - с.296.
. Бухвалов
О.Б., Засухин П.Ф., Ляшков В.Б. Уменьшение разнотолщинности стального слоя при
прокатке подшипникова биметалла. Сталь, 1969, № 6, с.535-537.
. Лапис
А.В., Ляшков В.Б. Определение разнотолщинности компонентов биметалла. Извстия
ВУЗ-ов. Черная металлургия, 1970, №1, с.25-31.
. А.В.
Архангельский, П.И. Полухин, Ю.В. Кнышев и др. Расчет деформаций
биметаллического пакета при прокатке. В сб. МИСиС: Пластическая деформация
металлов и сплавов. - М.: Металлургия, 1968, № 47, с.141-146.
. О.Б.
Бухвалов, А.Н. Леванов, И.Я. Тарновскй и др. Тр. /Уральский научн. Иссл.
Институт черных металлов, т.6. - М.: Металлургия, 1968, с.168-175.
. В.Д.
Корщинов, П.Ф. Засуха, В.Ф. Ещенко и др. Получение плакированной алюминием
тонколистовой стали для глубокой вытяжки. - Сталь, 1968, № 5, с.441-444.
. Мастеров
В.А., Барыкин Н.П., Архангельский А.В. Расчет обжатий при двустороннем
плакировании. - В сб. МИСиС.: Пластическая деформация металлов и сплавов. - М.:
Металлургия, 1968, № 47, с.152-158.
. Тарновский
И.Я. Расчет и конструирование заводского оборудования. - М.: Свердловск.
Машиностроение. Тр. УПИ, вып.48, 1953, с.64.
. Король
В.К., Козлов К.Е., Белякова Н.А. Исследование неравномерности послойной
деформации в начальной стадии прокатки слоистых плит. Технология легких
сплавов, 1980, № 5, с.29-33.
. Л.В.
Меандров, А.А. Бычков, В.В. Зайцев и др. - В сб. Листопрокатное производство. -
М.: Металлургия, 1973, 137 с.
. Л.В.
Меандров, А.А. Бычков, В.В. Зайцев и др. Теоретическое определение послойной
деформации при обработке давлением биметалла с прочным сцеплением слоев.
Технология легких сплавов, 1973, № 5, с.74-78.
. Меандров
Л.В., Устиненко В.А. Исследование деформации слоев биметалла при обработке
металлов давлением. Известия ВУЗ-ов. Черная металлургия, 1963, № 11, с.109-112.
. Аркулис
Г.Э. Совместная пластическая деформация разных металлов. - М.: Металлургия,
1964. - 272 с.
. Астров
Е.М. Плакированные многослойные металлы. - М.: Металлургия, 1965. - 240 с.
. Голованенко
С.А., Меандров Л.В. Производство биметаллов. - М.: Металлургия, 1966 - 168 с.
. Налимов
В.В., Чернова Н.Н. Статистические методы планирования экспериментов. - М.:
Наука 1965. - 340 с.
. Зибель
Э. Обработки металлов в пластическом состоянии. - М.: Металлургия. 1934.198 с.
. Кучеряев
Б.В., Кузнецов Е.В. Математическая модель прокатки трехслойной биметаллической
полосы. Производство проката № 10, 2004, с.10-14.
. Третьяков
А.А., Зюзин В.И. Механические свойства металлов при обработке давлением. - М.: Металлургия.
1973.224 с.
. Кучеряев
Б.В., Крахт В.Б., Манухин О.Г. Моделирование процессов и объектов в
металлургии. Ч.1. Моделирование и оптимизация технологических систем: Учеб.
пособие. - М.: МИСиС, 2004. - 62 с.
. ГОСТ
12.1.010-76. ССБТ. Взрывобезопасность. Общие требования. - М.: Издательство
стандартов, 1976.
Приложения
Приложение А
- Программа построения поля скоростей
CLS
Прокатка биметалла. Вариационная задача.
Построение изолиний на основном решении.
Программа составлена студентом гр. МОЦ-02-1 Кучеряевым Вик.
В.12.04.2007 г.
PI = 3.14159265#: S3 = SQR (3): UM =
1000000"Ввести: ""SUPER3. DAT" FOR OUTPUT AS #1"радиус
валка, мм R = ";: INPUT R #1, "Исходные данные: "
PRINT "количество варьируемых параметров - N= ";: INPUT N
PRINT #1, "количество варьируемых параметров - N= "; N
DIM S (N), A1 (N), A2 (N), Z (N), LT (P2), P (P2,
P1)W1 (P2, P1), W2 (P2, P1), W3 (P2, P1), K1 (P2, P1), K2 (P2, P1), K3 (P2, P1)
DIM H (P2, P1), GAM (P2, P1), T (P2, P1), LAMB
(P2, P1)#1, "радиус валка, мм R = "; R
PRINT "коэффициент трения по напряжению
пластического сдвига, если неизвестен, то MU=0, б\р MUT= ";: INPUT MUT
PRINT "высоту заготовки, мм H0 = ";: INPUT H0
PRINT #1, "высота заготовки, мм H0 = "; H0
PRINT "высоту изделия, мм H1 = ";: INPUT H1
PRINT #1, "высота изделия, мм H1 = "; H1
PRINT "высоту плакировки, мм H01 = ";: INPUT H01
PRINT #1, "высоту плакировки, мм H01 = "; H01
PRINT "напряжение пластического сдвига
плакировки, MПа
TT1= ";: INPUT TT1
PRINT #1, "напряжение пластического сдвига
плакировки, MПа
TT1= "; TT1
PRINT "напряжение пластического сдвига основного
слоя, MПа
TT2= ";: INPUT TT2
PRINT #1, "напряжение пластического сдвига
основного слоя, MПа TT2= "; TT2
PRINT "осесимметричный пакет: PP=0, асимметричный пакет: PP=2";: INPUT PP
PRINT #1, "осесимметричный пакет: PP=0, асимметричный пакет: PP=2"; PP
N = 5: P1 = 17: P2 = 55S (N), A1 (N), A2 (N), Z
(N), LT (P2), P (P2, P1)W1 (P2, P1), W2 (P2, P1), W3 (P2, P1), K1 (P2, P1), K2
(P2, P1), K3 (P2, P1)
DIM H (P2, P1), GAM (P2, P1), T (P2, P1), LAMB
(P2, P1)
OPEN "SUPER2. DAT" FOR OUTPUT AS #1=
TT1TT2 <= TT1 THEN TTM = TT2= 1= H0 - H1: EPS = DH / H0= SQR (R * DH - .25 *
DH * DH): EM = - 1.5 * LD: EP =.5 * LD= H0 - H01: DELTA1 =.1 * LD: DELTA2 =.1 *
LD= - LD - DELTA1: EH1 = - LD + DELTA1: EF1 = - DELTA2= DELTA2: MP = 2 * LD /
(H0 + H1): DET = H0 / 20= (H0 - H1) / 2/LD:= V0 * (H0 / 2 - H01)=.5 * V0 * H0=
0MUT = 0 GOTO 2= MUT3
MU = 2 * EPS / (2 - EPS) / MP
IF MP > 1 THEN KF =.4MU >.5 THEN MU =.5= MU
* MP ^ KF / (1 + MU * MP)"TG="; TG; "MUP="; MUP= H1 + DH *
ABS (1 - TG / MUP)= (HH - H1) / 2/TG=.5 * DH * ABS (1/TG - 1/MUP)#1, "
Кoэффициенты трения: MUT= ";#1, USING "#. ###"; MU;#1, ";
MUP=";#1, USING "#. ###"; MUP#1, " "" Кoэффициенты трения: MUT= ";
PRINT USING "#. ###"; MU;";
MUP="; USING "#. ###"; MUP
PRINT " "
' Минимизация функционала
A1 (N) =.1: A2 (N) =.9: A1 (N - 1) = 0: A2 (N -
1) = 1: UM = 10000000I = 1 TO N - 2(I) = - 1: A2 (I) = 1ITIME$; (W)#1, TIME$;
(W)I = 1 TO N(I) = A1 (I): S (I) =.5 * (A2 (I) - A1 (I)): LT (I) = Z (I)I= 1
M = 0: G = 0I = 1 TO N(I) =.5 * S (I): G = G +
ABS (S (I))I= G / N:"KL= "; KL, "G= "; GK8 = 1 TO N
Z (K8) = Z (K8) + S (K8)Z (K8) < A1 (K8) OR Z
(K8) > A2 (K8) GOTO 69U >= UM GOTO 6USING "#######. ## ########. ##
"; UM; U;= U: M = 0L8 = 1 TO NUSING " ###. #### "; Z
(L8);L8" "5
S (K8) = - S (K8): Z (K8) = Z (K8) + S (K8): M =
M + 1M < 2 GOTO 5
NEXT K8= KL + 1G >= E GOTO 4USING
"#######. ## "; UM;#1, USING "#######. ## "; UM;I = 1 TO
NUSING "###. ###### "; Z (I);#1, USING "#####. ###### "; Z
(I)I= Z (1) * H1: EC = Z (2) * LD"H11 = ";USING "###. ######
"; H11;#1, USING "#####. ###### "; H11;"EC = ";USING
"###. ###### "; EC#1, USING "#####. ###### "; EC100
CLOSE #1
' Функционал Ж. Лагранжа
PRINT
"______________________________________________________"" SS E1
TT E2 V1 V2 V11 V21 V12 V22""______________________________________________________"
'Основное поле= 0: JINT = 0: JMC = 0: ET1 = - .5 * H0
E2 = EM: E1 = ET1= TT + 1
PRINT "E1="; E1
IF E2 >= EM AND E2 <= EH THEN
PSI = - V0 * ET1: V1 = 0: V2 = V0: H = H0
KSI11 = 0: KSI12 = 0IFE2 > EH AND E2 <= EH1
THEN= EH1=.0625= 2 * (EH1 - EH) / PI= (2 * E2 - EH - EH1) / G1=.5 * (E2 + A) -
B * G1 * (9 * COS (ESTR) + (1/3) * COS (3 * ESTR))=.5 + B * (9 * SIN (ESTR) +
SIN (3 * ESTR))
FS = B * (9 * COS (ESTR) + 3 * SIN (3 * ESTR)) /
G1
H = H1 + 2 * R - 2 * SQR (R ^ 2 - X2 ^ 2)= - V0 *
H0 * E1/H= 2 * X2/ (SQR (R ^ 2 - X2 ^ 2))= 2 * R ^ 2/SQR ( (R ^ 2 - X2 ^ 2) ^
3)= V0 * H0 * E1 * HS * F / H ^ 2= V0 * H0 / H= V0 * H0 * HS * F / H ^ 2= V0 *
H0 * E1 * (HSS * F + HS * FS - 2 * HS ^ 2 * FS ^ 2/H) / H ^ 2IFE2 > EH1 AND
E2 <= EF1 THEN= 1= 0= H1 + 2 * R - 2 * SQR (R ^ 2 - E2 ^ 2)= - V0 * H0 *
E1/H= 2 * E2/SQR (R ^ 2 - E2 ^ 2)= 2 * R ^ 2/SQR ( (R ^ 2 - E2 ^ 2) ^ 3)= H1 +
2 * R - 2 * SQR (R ^ 2 - E2 ^ 2)= V0 * H0 * E1 * 2 * E2/ (H ^ 2 * SQR (R ^ 2 -
E2 ^ 2))= V0 * H0 / H= V0 * H0 * HS * F / H ^ 2= V0 * H0 * E1 * (HSS * F + HS *
FS - 2 * HS ^ 2 * FS ^ 2/H) / H ^ 2IFE2 > EF1 AND E2 <= EF THEN= EF1= -
.0625= 2 * (EF1 - EF) / PI= (2 * E2 - EF - EF1) / G1=.5 * (E2 + A) - B * G1 *
(9 * COS (ESTR) + (1/3) * COS (3 * ESTR))=.5 + B * (9 * SIN (ESTR) + SIN (3 *
ESTR))
FS = B * (9 * COS (ESTR) + 3 * SIN (3 * ESTR)) /
G1
H = H1 + 2 * R - 2 * SQR (R ^ 2 - X2 ^ 2)= - V0 *
H0 * E1/H= 2 * X2/ (SQR (R ^ 2 - X2))= 2 * R ^ 2/SQR ( (R ^ 2 - E2 ^ 2) ^ 3)=
V0 * H0 * E1 * F * HS / H ^ 2= V0 * H0 / H= V0 * H0 * HS * F / H ^ 2= V0 * H0 *
E1 * (HSS * F + HS * FS - 2 * HS ^ 2 * FS ^ 2/H) / H ^ 2IFE2 > EF AND E2
<= EP THEN= - V0 * H0 * E1/H1: V1 = 0: V2 = V0 * H0 / H1: H = H1= 0: KSI12 =
0= H1IF70
'Скорректированное поле= 0: DFIDE2 = 0: DFIDP =
0: DFIDP2 = 0: D2FIDE22 = 0: D2FIDPDE2 = 0= (1 - E2/EP) * (E2/EP - EM / EP)= (1
- PSI / PSIP) * (PSI - PSIM)= (1/EP) * (EM / EP + 1 - 2 * E2/EP)= PSIM / PSIP +
1 - 2 * PSI / PSIPFIEDE2 = - 2/EPFIPDP2 = - 2/PSIPI = 3 TO N - 2K = 3 TO N - 2=
FI + Z (I) * FIP ^ I * FIE ^ K= DFIDE2 + K * Z (I) * FIP ^ I * DFIEDE * FIE ^
(K - 1)= DFIDP + I * Z (I) * DFIPDP * FIP ^ (I - 1) * FIE ^ K= DFIDP2 + I * Z
(I) * (D2FIPDP2 * FIP ^ (I - 1) + (I - 1) * DFIPDP ^ 2 * FIP ^ (I - 2)) * FIE ^
KFIDE22 = D2FIDE22 + K * Z (I) * (D2FIEDE2 * FIE ^ (K - 1) + (K - 1) * DFIEDE ^
2 * FIE ^ (K - 2)) * FIP ^ IFIDPSIDE2 = D2FIDPSIDE2 + I * K * Z (I) * FIP ^ (I
- 1) * DFIPDP * FIE ^ (K - 1) * DFIEDEKI= PSI + FI= V1 * (1 + DFIDP) + DFIDE2:
VB2 = V2 * (1 + DFIDP)= KSI11 * (1 + DFIDP) - V1 * V2 * DFIDP2 - V2 *
D2FIDPSIDE2= KSI12 * (1 + DFIDP) +.5 * ( (V1 ^ 2 + V2 ^ 2) * DFIDP2 + V1 *
D2FIDPSIDE2 + D2FIDE2)
'Поле биметалла= Z (N) * H1: M2 = 2 * LD / (H0 -
H01 + H1 - H11)= (H0 - H01 - H1 + H11) / (H0 - H01)= 2 * EPS2/ (2 - EPS2) / M2=
- Z (N - 1) * LD= V0 * H0 * (H1/2 - H11) / H1
ET = PI * (2 * E2 - EM - EC) / (2 * (EM - EC))=
(PSIF - PSIS) / (PSIS - PSIP)=.5 +.0625 * (9 * SIN (ET) + SIN (3 * ET))
PSICT = (PSIF + PSIP * B1 * BC) / (1 + B1 * BC)=
(PSIF - PSIP) * B1/ (PSIF - PSIM + (PSIP - PSIM) * B1 * BC)
DBCDE =.0625 * (9 * COS (ET) + 3 * COS (3 * ET))
* PI / (EH - EC)BCDE2 = - .5625 * (SIN (ET) + SIN (3 * ET)) * (PI / (EH - EC))
^ 2DBC = - B2/BCdE = - DBCDE * B2/BCB2DBCDE = - (DB2dE * BC - B2 * DBCDE) / BC
^ 2B2DE2 = D2BCDE2 * DB2DBC + DBCDE2 * D2B2DBCDE= PSI + B1 * (PSIP - PSI) * BC=
PSI + B2 * (PSI - PSIM) * BC
IF E2 >= EC THEN12IFET1 <= - .5 * H0 + H01
THEN= V1 * (1 + B1 * BC) + B1 * (PSI - PSIP) * DBCDE= V2 * (1 + B1 * BC)= KSI11
* (1 + B1 * BC) - V2 * B1 * DBCDE= KSI12 * (1 + B1 * BC) + B1 * (V1 * DBCDE +.5
* (PSI - PSIP) * D2BCDE2)= V11: VT2 = V21= V1 * (1 + B2 * BC) + (PSI - PSIM) *
(BC * DB2dE + DBCDE * B2)= V2 * (1 + B2 * BC)= KSI11 * (1 + B2 * BC) - V2 * (BC
* DB2dE + DBCDE * B2)= KSI12 * (1 + B2 * BC) + V1 * (BC * DB2dE + DBCDE * B2)
+.5 * (PSBI - PSIP) * (D2B2DE2 * BC + 2 * DB2dE * DBCDE + B2 * D2BCDE2)= V12:
VT2 = V22IF13= VB1 * (1 + B1 * BC) + B1 * (PSBI - PSIP) * DBCDE= VB2 * (1 + B1
* BC)= VB1 * (1 + B2 * BC) + (PSBI - PSIM) * (BC * DB2dE + DBCDE * B2)= VB2 *
(1 + B2 * BC)= KSIB11 * (1 + B1 * BC) - VB2 * B1 * DBCDE= KSIB12 * (1 + B1 *
BC) + B1 * (VB1 * DBCDE +.5 * (PSBI - PSIP) * D2BCDE2)= KSIB11 * (1 + B2 * BC)
- VB2 * (BC * DB2dE + DBCDE * B2)= KSIB12 * (1 + B2 * BC) + VB1 * (BC * DB2dE +
DBCDE * B2) +.5 * (PSBI - PSIP) * (D2B2DE2 * BC + 2 * DB2dE * DBCDE + B2 *
D2BCDE2)
GOTO 13
VT1 = V1: VT2 = V2
DE2 = DT * VT2= DT * VT1= E2 + DE2= E1 + DE1: KT
= - 1: TTT = TT1
ETA = 2 * SQR (KSI111 ^ 2 + KSI121 ^ 2)ET1 > -
.5 * H0 + H01 THEN= TT2: ETA = 2 * SQR (KSI112 ^ 2 + KSI122 ^ 2)IF= JINT + TTT
* ETA * DE1 * DE2ET1 > - .5 * H0 +.0001 GOTO 14E2 >= - LH THEN KT = 1
VT = SQR (V11 ^ 2 + V21 ^ 2): DL = SQR (DE1 ^ 2 +
DE2 ^ 2)
JEXT = JEXT + 2 * KT * MU * TT1 * VT * DL
14 IF E2 <= EP GOTO 11= ET1 + DET
SS = 0
'INPUT FFET1 <= 0 GOTO 10
' Мощность межслойных сил
E1 = - .5 * H0 + H01: E2 = EM
21 IF E2 >= EM AND E2 <= EH THEN
PRINT "‡® I"= - V0 * ET1: V1 = 0: V2 =
V0: H = H1
END IFE2 > EH AND E2 <= EH1 THEN
PRINT "E1="; E1"‡® II"
A = EH1=.0625= 2 * (EH1 - EH) / PI= (2 * E2 - EH
- EH1) / G1=.5 * (E2 + A) - B * G1 * (9 * COS (ESTR) + (1/3) * COS (3 *
ESTR))=.5 + B * (9 * SIN (ESTR) + SIN (3 * ESTR))
FS = B * (9 * COS (ESTR) + 3 * SIN (3 * ESTR)) /
G1
H = H1 + 2 * R - 2 * SQR (R ^ 2 - X2 ^ 2)= 2 *
X2/ (SQR (R ^ 2 - X2 ^ 2))= 2 * R ^ 2/SQR ( (R ^ 2 - X2 ^ 2) ^ 3)= V0 * H0 * E1
* HS * F / H ^ 2= V0 * H0 / HIFE2 > EH1 AND E2 <= EF1 THEN"‡®
III"= 1= 0= H1 + 2 * R - 2 * SQR (R ^ 2 - E2 ^ 2)= 2 * E2/SQR (R ^ 2 - E2
^ 2)= 2 * R ^ 2/SQR ( (R ^ 2 - E2 ^ 2) ^ 3)= H1 + 2 * R - 2 * SQR (R ^ 2 - E2 ^
2)= V0 * H0 * E1 * 2 * E2/ (H ^ 2 * SQR (R ^ 2 - E2 ^ 2))= V0 * H0 / HIFE2 >
EF1 AND E2 < EF THEN"‡® IV"= EF1= - .0625= 2 * (EF1 - EF) / PI=
(2 * E2 - EF - EF1) / G1=.5 * (E2 + A) - B * G1 * (9 * COS (ESTR) + (1/3) * COS
(3 * ESTR))
F =.5 + B * (9 * SIN (ESTR) + SIN (3 * ESTR))= B
* (9 * COS (ESTR) + 3 * SIN (3 * ESTR)) / G1
H = H1 + 2 * R - 2 * SQR (R ^ 2 - X2 ^ 2)= 2 *
X2/ (SQR (R ^ 2 - X2))= 2 * R ^ 2/SQR ( (R ^ 2 - E2 ^ 2) ^ 3)= V0 * H0 * E1 * F
* HS / H ^ 2= V0 * H0 / HIFE2 >= EF AND E2 <= EP THEN
PRINT "‡® V"= - V0 * H0 * ET1/H1: V1 =
0: V2 = V0 * H0 / H1
H = H1IF"V1="; V1; "V2="; V2=
- V0 * H0 * E1/H= V0 * H0 * HS * F / H ^ 2= - KSI11= V0 * H0 * E1 * (HSS * F +
HS * FS - 2 * HS ^ 2 * FS ^ 2/H) / H ^ 2= KSI12
'Скорректированное поле= 0: DFIDE2 = 0: DFIDP =
0: DFIDP2 = 0: D2FIDE22 = 0: D2FIDPDE2 = 0I = 3 TO NK = 1 TO N - 2= (1 - E2/EP)
* (E2/EP - EM / EP)= (1 - PSI / PSIP) * (PSI - PSIM)= (1/EP) * (EM / EP + 1 - 2
* E2/EP)= PSIM / PSIP + 1 - 2 * PSI / PSIPFIEDE2 = - 2/EPFIPDP2 = - 2/PSIP= FI
+ Z (I) * FIP ^ (I - 2) * FIE ^ K= DFIDE2 + K * Z (I) * FIP ^ (I - 2) * DFIEDE
* FIE ^ (K - 1)= DFIDP + (I - 2) * Z (I) * DFIPDP * FIP ^ (I - 3) * FIE ^ K=
DFIDP2 + (I - 2) * Z (I) * (D2FIPDP2 * FIP ^ (I - 3) + (I - 3) * DFIPDP ^ 2 *
FIP ^ (I - 4)) * FIE ^ KFIDE2 = D2FIDE2 + K * Z (I) * (D2FIEDE2 * FIE ^ (K - 1)
+ (K - 1) * DFIEDE ^ 2 * FIE ^ (K - 2)) * FIP ^ (I - 2)FIDPSIDE2 = D2FIDPSIDE2
+ (I - 2) * K * Z (I) * FIP ^ (I - 3) * DFIPDP * FIE ^ (K - 1) * DFIEDEKI= PSI
+ FI= V1 * (1 + DFIDP) + DFIDE2: VB2 = V2 * (1 + DFIDP)= KSI11 * (1 + DFIDP) -
V1 * V2 * DFIDP2 - V2 * D2FIDPSIDE2= KSI12 * (1 + DFIDP) +.5 * ( (V1 ^ 2 + V2 ^
2) * DFIDP2 + V1 * D2FIDPSIDE2 + D2FIDE2)
'Поле биметалла= Z (1) * H1: M2 = 2 * LD / (H0 -
H01 + H1 - H11)= (H0 - H01 - H1 + H11) / (H0 - H01)= 2 * EPS2/ (2 - EPS2) / M2=
- Z (2) * LD= V0 * H0 * (H1/2 - H11) / H1
ET = PI * (E2 - EM - EC) / (2 * (EM - EC))= (PSIF
- PSIS) / (PSIS - PSIP)=.5 +.0625 * (9 * SIN (ET) + SIN (3 * ET))
PSICT = (PSIF + PSIP * B1 * BC) / (1 + B1 * BC)=
(PSIF - PSIP) * B1/ (PSIF - PSIM + (PSIP - PSIM) * B1 * BC)
DBCDE =.0625 * (9 * COS (ET) + 3 * COS (3 * ET))
* PI / (EH - EC)BCDE2 = - .5625 * (SIN (ET) + SIN (3 * ET)) * (PI / (EH - EC))
^ 2DBC = - B2/BCdE = - DBCDE * B2/BCB2DBCDE = - (DB2dE * BC - B2 * DBCDE) / BC
^ 2B2DE2 = D2BCDE2 * DB2DBC + DBCDE2 * D2B2DBCDE= PSI + B1 * (PSIP - PSI) * BC=
PSI + B2 * (PSI - PSIM) * BC
IF TT2 > TT1 THEN= VB1 * (1 + B1 * BC) + B1 *
(PSIP - PSIB) * DBCDE= VB2 * (1 + B1 * BC)= V1 * (1 + B2 * BC) + (PSI - PSIM) *
(BC * DB2dE + DBCDE * B2)= V2 * (1 + B2 * BC)
'V1 = VB1 * (1 + B2 * BC) + (PSIB - PSIM) * (BC *
DB2dE + DBCDE * B2)
'V2 = VB2 * (1 + B2 * BC)IF
DE2 = DT * V2: VT = SQR (V1 ^ 2 + V2 ^ 2)= DT *
V1: DL = SQR (DE1 ^ 2 + DE2 ^ 2)= JMC + 2 * MUMC * TTM * VT * DL= E2 + DE2= E1
+ DE1E2 <= EP GOTO 21
U = JEXT + JINT + JMC"U="; U;
"UM="; UMFF
PRINT #1, " Картины кинематических
параметров"
PRINT TIME$; (W)#1, TIME$; (W)49TIME$; (W)#1,
TIME$; (W)USING "### ### "; M1; M2#1, USING "### ### "; M1;
M2 "
Будете строить изолинии PSI=const? Нет-N1=0, Да-N1>0) N1= ";: INPUT N1
IF N1 < 1 GOTO 20"PMAX="; PMAX;
"PMIN="; PMIN;
PRINT #1, "PMAX="; PMAX;
"PMIN="; PMIN;"X1PMAX="; X1PMAX; "X1PMIN=";
X1PMIN; "X2PMAX="; X2PMAX; "X2PMIN="; X2PMIN;#1,
"X1PMAX="; X1PMAX; "X1PMIN="; X1PMIN; "X2PMAX=";
X2PMAX; "X2PMIN="; X2PMIN;= 11: DV = (PMAX - PMIN) / CI: LMIN = PMIN:
LN = 8999"DV="; DV: PRINT #1, "DV="; DV: PRINT #1, "
"
FOR M = 1 TO M2L = 1 TO M1(L, M) = P (L, M)LM164M
= 1 TO M2L = 1 TO M1(L, M) = P (L, M2 + 1 - M)LM164
20 PRINT " Будете строить изотахи V1,V2=const? Нет-N1=0, Да-N1>0) N1= ";: INPUT N1
IF N1 < 1 GOTO 11"V1MAX="; V1MAX;
"V1MIN="; V1MIN;#1, "V1MAX="; V1MAX; "V1MIN=";
V1MIN;"X1V1MAX="; X1V1MAX; "X1V1MIN="; X1V1MIN;
"X2V1MAX="; X2V1MAX; "X2V1MIN="; X2V1MIN;#1,
"X1V1MAX="; X1V1MAX; "X1V1MIN="; X1V1MIN;
"X2V1MAX="; X2V1MAX; "X2V1MIN="; X2V1MIN;= 15: DV = ABS
(V1MAX - V1MIN) / CI: LMIN = V1MIN: LN = 8999"DV1="; DV: PRINT #1,
"DV1="; DV: PRINT #1, " ""V2MAX="; V2MAX;
"V2MIN="; V2MIN;#1, "V2MAX="; V2MAX; "V2MIN=";
V2MIN;"X1V2MAX="; X1V2MAX; "X1V2MIN="; X1V2MIN;
"X2V2MAX="; X2V2MAX; "X2V2MIN="; X2V2MIN#1,
"X1V2MAX="; X1V2MAX; "X1V2MIN="; X1V2MIN;
"X2V2MAX="; X2V2MAX; "X2V2MIN="; X2V2MIN
FOR M = 1 TO M2L = 1 TO M1(L, M) = W1 (L, M)L
NEXT M164= 15: DV = ABS (V2MAX - V2MIN) / CI:
LMIN = V2MIN: LN = 8999
FOR M = 1 TO M2L = 1 TO M1(L, M) = W2 (L, M2 + 1
- M)LM164
PRINT "DV2="; DV: PRINT #1,
"DV2="; DV: PRINT #1, " "
GOTO 200
'" Подпрограмма построения картин в плоскости Е1,
Е2"
DE2 = (EP - EM) / P1: DE1 = (.5 * H0) / P2= - 10:
PMIN = 1000000: V1MAX = - 10: V1MIN = 1000000: V2MAX = 0
V2MIN = 1000000= - .5 * H0
E2 = EH"E1="; E1
IF E2 >= EM AND E2 <= EH THEN
PSI = - V0 * ET1: V1 = 0: V2 = V0: H = H0
KSI11 = 0: KSI12 = 0IFE2 > EH AND E2 <= EH1
THEN= EH1=.0625= 2 * (EH1 - EH) / PI= (2 * E2 - EH - EH1) / G1=.5 * (E2 + A) -
B * G1 * (9 * COS (ESTR) + (1/3) * COS (3 * ESTR))=.5 + B * (9 * SIN (ESTR) +
SIN (3 * ESTR))
FS = B * (9 * COS (ESTR) + 3 * SIN (3 * ESTR)) /
G1
H = H1 + 2 * R - 2 * SQR (R ^ 2 - X2 ^ 2)= - V0 *
H0 * E1/H= 2 * X2/ (SQR (R ^ 2 - X2 ^ 2))= 2 * R ^ 2/SQR ( (R ^ 2 - X2 ^ 2) ^
3)= V0 * H0 * E1 * HS * F / H ^ 2= V0 * H0 / H= V0 * H0 * HS * F / H ^ 2= V0 *
H0 * E1 * (HSS * F + HS * FS - 2 * HS ^ 2 * FS ^ 2/H) / H ^ 2IFE2 > EH1 AND
E2 <= EF1 THEN= 1= 0= H1 + 2 * R - 2 * SQR (R ^ 2 - E2 ^ 2)= - V0 * H0 *
E1/H= 2 * E2/SQR (R ^ 2 - E2 ^ 2)= 2 * R ^ 2/SQR ( (R ^ 2 - E2 ^ 2) ^ 3)= H1 +
2 * R - 2 * SQR (R ^ 2 - E2 ^ 2)= V0 * H0 * E1 * 2 * E2/ (H ^ 2 * SQR (R ^ 2 -
E2 ^ 2))= V0 * H0 / H= V0 * H0 * HS * F / H ^ 2= V0 * H0 * E1 * (HSS * F + HS *
FS - 2 * HS ^ 2 * FS ^ 2/H) / H ^ 2IFE2 > EF1 AND E2 <= EF THEN= EF1= -
.0625= 2 * (EF1 - EF) / PI= (2 * E2 - EF - EF1) / G1=.5 * (E2 + A) - B * G1 *
(9 * COS (ESTR) + (1/3) * COS (3 * ESTR))=.5 + B * (9 * SIN (ESTR) + SIN (3 *
ESTR))
FS = B * (9 * COS (ESTR) + 3 * SIN (3 * ESTR)) /
G1
H = H1 + 2 * R - 2 * SQR (R ^ 2 - X2 ^ 2)= - V0 *
H0 * E1/H= 2 * X2/ (SQR (R ^ 2 - X2))= 2 * R ^ 2/SQR ( (R ^ 2 - E2 ^ 2) ^ 3)=
V0 * H0 * E1 * F * HS / H ^ 2= V0 * H0 / H= V0 * H0 * HS * F / H ^ 2= V0 * H0 *
E1 * (HSS * F + HS * FS - 2 * HS ^ 2 * FS ^ 2/H) / H ^ 2IFE2 > EF AND E2
<= EP THEN= - V0 * H0 * E1/H1: V1 = 0: V2 = V0 * H0 / H1: H = H1= 0: KSI12 =
0= H1IFPSI > PSIP GOTO 7840
'PRINT "V1 = "; V1; "V2 = ";
V2= 0: DFIDE2 = 0: DFIDP = 0: DFIDP2 = 0: D2FIDE22 = 0: D2FIDPDE2 = 0= (1 -
E2/EP) * (E2/EP - EM / EP)= (1 - PSI / PSIP) * (PSI - PSIM)= (1/EP) * (EM / EP
+ 1 - 2 * E2/EP)= PSIM / PSIP + 1 - 2 * PSI / PSIPFIEDE2 = - 2/EPFIPDP2 = -
2/PSIPI = 3 TO N - 2K = 3 TO N - 2= FI + Z (I) * FIP ^ I * FIE ^ K= DFIDE2 + K
* Z (I) * FIP ^ I * DFIEDE * FIE ^ (K - 1)= DFIDP + I * Z (I) * DFIPDP * FIP ^
(I - 1) * FIE ^ K
'PRINT FIE, FIP, PSI, PSIP
'INPUT FF= DFIDP2 + I * Z (I) * (D2FIPDP2 * FIP ^
(I - 1) + (I - 1) * DFIPDP ^ 2 * FIP ^ (I - 2)) * FIE ^ KFIDE22 = D2FIDE22 + K
* Z (I) * (D2FIEDE2 * FIE ^ (K - 1) + (K - 1) * DFIEDE ^ 2 * FIE ^ (K - 2)) *
FIP ^ IFIDPSIDE2 = D2FIDPSIDE2 + I * K * Z (I) * FIP ^ (I - 1) * DFIPDP * FIE ^
(K - 1) * DFIEDE
'PRINT "DFIDP="; DFIDP;
"DFIDE2="; DFIDE2; "FIP="; FIP
'PRINT "FIE="; FIE;
"DFIPDP="; DFIPDP; '"PSI="; PSI
'PRINT "EP="; EP; "EM="; EM;
"E2="; E2
'INPUT FFKI= PSI + FI= V1 * (1 + DFIDP) + DFIDE2:
VB2 = V2 * (1 + DFIDP)= KSI11 * (1 + DFIDP) - V1 * V2 * DFIDP2 - V2 *
D2FIDPSIDE2= KSI12 * (1 + DFIDP) +.5 * ( (V1 ^ 2 + V2 ^ 2) * DFIDP2 + V1 *
D2FIDPSIDE2 + D2FIDE2)
H11 = Z (N) * H1: M2 = 2 * LD / (H0 - H01 + H1 -
H11)= (H0 - H01 - H1 + H11) / (H0 - H01)= 2 * EPS2/ (2 - EPS2) / M2= - Z (N -
1) * LD= V0 * H0 * (H1/2 - H11) / H1
'PSIM = - PSIP= PI * (E2 - EC) / (2 * (EM - EC))=
(PSIF - PSIS) / (PSIS - PSIP)=.5 +.0625 * (9 * SIN (ET) + SIN (3 * ET))
PSICT = (PSIF + PSIP * B1 * BC) / (1 + B1 * BC)=
(PSIF - PSIP) * B1/ (PSIF - PSIM + (PSIP - PSIM) * B1 * BC)
DBCDE =.0625 * (9 * COS (ET) + 3 * COS (3 * ET))
* PI / (EH - EC)BCDE2 = - .5625 * (SIN (ET) + SIN (3 * ET)) * (PI / (EH - EC))
^ 2DBC = - B2/BCdE = - DBCDE * B2/BCB2DBCDE = - (DB2dE * BC - B2 * DBCDE) / BC
^ 2B2DE2 = D2BCDE2 * DB2DBC + DBCDE2 * D2B2DBCDE= PSI + B1 * (PSIP - PSI) * BC=
PSI + B2 * (PSI - PSIM) * BC
IF E2 >= EC THEN
'PRINT "E2="; E2; "EC="; EC
'INPUT FF32IFET1 <= - .5 * H0 + H01 THEN= V1 *
(1 + B1 * BC) + B1 * (PSI - PSIP) * DBCDE= V2 * (1 + B1 * BC)= KSI11 * (1 + B1
* BC) - V2 * B1 * DBCDE= KSI12 * (1 + B1 * BC) + B1 * (V1 * DBCDE +.5 * (PSI -
PSIP) * D2BCDE2)= V11: VT2 = V21= V1 * (1 + B2 * BC) + (PSI - PSIM) * (BC *
DB2dE + DBCDE * B2)= V2 * (1 + B2 * BC)= KSI11 * (1 + B2 * BC) - V2 * (BC *
DB2dE + DBCDE * B2)= KSI12 * (1 + B2 * BC) + V1 * (BC * DB2dE + DBCDE * B2) +.5
* (PSBI - PSIP) * (D2B2DE2 * BC + 2 * DB2dE * DBCDE + B2 * D2BCDE2)= V12: VT2 =
V22IF33= VB1 * (1 + B1 * BC) + B1 * (PSBI - PSIP) * DBCDE= VB2 * (1 + B1 * BC)=
VB1 * (1 + B2 * BC) + (PSBI - PSIM) * (BC * DB2dE + DBCDE * B2)= VB2 * (1 + B2
* BC)= KSIB11 * (1 + B1 * BC) - VB2 * B1 * DBCDE= KSIB12 * (1 + B1 * BC) + B1 *
(VB1 * DBCDE +.5 * (PSBI - PSIP) * D2BCDE2)= KSIB11 * (1 + B2 * BC) - VB2 * (BC
* DB2dE + DBCDE * B2)= KSIB12 * (1 + B2 * BC) + VB1 * (BC * DB2dE + DBCDE * B2)
+.5 * (PSBI - PSIP) * (D2B2DE2 * BC + 2 * DB2dE * DBCDE + B2 * D2BCDE2)
GOTO 13
VT1 = V1: VT2 = V2
DE2 = DT * VT2= DT * VT1= E2 + DE2
E1 = E1 + DE1E2 <= EF GOTO 31
ET1 = ET1 + DETPSUO <= PMAX GOTO 61= PSUO:
X1PMAX = E1: X2PMAX = E2
GOTO 62
IF PSUO >= PMIN GOTO 62
PMIN = PSUO: X1PMIN = E1: X2PMIN = E2
62 W1 (I, K) = V1V1 <= V1MAX GOTO 63
V1MAX = V1: X1V1MAX = E1: X2V1MAX = E2
GOTO 64
IF V1 >= V1MIN GOTO 64
V1MIN = V1: X1V1MIN = E1: X2V1MIN = E2
64 W2 (I, K) = V2V2 <= V2MAX GOTO 65
V2MAX = V2: X1V2MAX = E1: X2V2MAX = E2
GOTO 66
IF V2 >= V2MIN GOTO 66
V2MIN = V2: X1V2MIN = E1: X2V2MIN = E2
66 IF K11 <= K1MAX GOTO 67MAX = K11: X1K1MAX =
E1: X2K1MAX = E268
IF K11 >= K1MIN GOTO 68MIN = K11: X1K1MIN =
E1: X2K1MIN = E2
IF K12 <= K2MAX GOTO 69MAX = K12: X1K2MAX =
E1: X2K2MAX = E270
IF K12 >= K2MIN GOTO 70MIN = K12: X1K2MIN =
E1: X2K2MIN = E2
K1 (I, K) = K11: K2 (I, K) = K12: H (I, K) = ETA:
GAM (I, K) = GAMMAETA <= HMAX GOTO 71= ETA: X1HMAX = E1: X2HMAX = E272
IF ETA >= HMIN GOTO 72
HMIN = ETA: X1HMIN = E1: X2HMIN = E2
IF GAMMA <= GMAX GOTO 73= GAMMA: X1GMAX = E1:
X2GMAX = E2
GOTO 79
IF GAMMA >= GMIN GOTO 79
GMIN = GAMMA: X1GMIN = E1: X2GMIN = E279
KU = BKU + AKU * KSI: KT = BKT + AKT * TET: KE =
BKE + AKE * EPS= KT * KU * KE * TOD: DTET = TAU * ETA * DT / C0 / RO /.427= TET
+ DTET: LA = LA + ETA * DT: E1 = E1 - DE1: E2 = E2 - DE2
IF E2 >= EM GOTO 52(I, K) = TETTET <= TMAX
GOTO 75= TET: X1TMAX = E1: X2TMAX = E276
IF TET >= TMIN GOTO 76
TMIN = TET: X1TMIN = E1: X2TMIN = E2
LAMB (I, K) = LALA <= LMAX GOTO 77= LA: X1LMAX
= E1: X2LMAX = E2
GOTO 79
IF LA >= LMIN GOTO 79
LMIN = LA: X1LMIN = E1: X2LMIN = E2
GOTO 79
P (I, K) = 9000: W1 (I, K) = 9000: W2 (I, K) =
9000: GAM (I, K) = 9000(I, K) = 9000: K2 (I, K) = 9000: H (I, K) = 9000: T (I,
K) = 9000: LAMB (I, K) = 9000
PRINT K, I, LAMB (I, K)= E2 + DE2: I = I + 1I
> P2 GOTO 80
IF ET2 <= EP GOTO 31
E1 = E1 + DE1: K = K + 1
IF K > P1 GOTO 81ET1 <= 0 GOTO 50
M2 = K - 1: M1 = I - 1(I, K) = PSIPSUU <= PMAX
GOTO 94= PSUU: X2PMAX = E2: X3PMAX = E395
IF PSUO >= PMIN GOTO 95
PMIN = PSUU: X2PMIN = E2: X3PMIN = E3
95 W3 (I, K) = V3V3 <= V3MAX GOTO 96
V3MAX = V3: X3V3MAX = E3: X2V3MAX = E2
GOTO 97
IF V3 >= V3MIN GOTO 97
V3MIN = V3: X3V3MIN = E3: X2V3MIN = E2
97 W2 (I, K) = V2V2 <= V2MAX GOTO 98
V2MAX = V2: X3V2MAX = E3: X2V2MAX = E2
GOTO 99
IF V2 >= V2MIN GOTO 99
V2MIN = V2: X3V2MIN = E3: X2V2MIN = E2
99 IF K33 <= K3MAX GOTO 100MAX = K33: X3K3MAX
= E3: X2K3MAX = E2101
IF K33 >= K3MIN GOTO 101MIN = K33: X3K3MIN =
E3: X2K3MIN = E2
IF K23 <= K2MAX GOTO 102MAX = K23: X3K2MAX =
E3: X2K2MAX = E2103
IF K23 >= K2MIN GOTO 103MIN = K23: X3K2MIN =
E3: X2K2MIN = E2
K1 (I, K) = K33: K2 (I, K) = K23: H (I, K) = ETA:
GAM (I, K) = GAMMAETA <= HMAX GOTO 104= ETA: X3HMAX = E3: X2HMAX = E2105
IF ETA >= HMIN GOTO 105
HMIN = ETA: X3HMIN = E3: X2HMIN = E2
IF GAMMA <= GMAX GOTO 106= GAMMA: X1GMAX = E1:
X2GMAX = E2
GOTO 112
IF GAMMA >= GMIN GOTO 112
GMIN = GAMMA: X1GMIN = E1: X2GMIN = E2112
KU = BKU + AKU * KSI: KT = BKT + AKT * TET: KE =
BKE + AKE * EPS= KT * KU * KE * TOD: DTET = TAU * ETA * DT / C0 / RO /.427= TET
+ DTET: LA = LA + ETA * DT: E3 = E3 - DE3: E2 = E2 - DE2
IF E2 >= EM GOTO 85(I, K) = TETTET <= TMAX
GOTO 108= TET: X1TMAX = E1: X2TMAX = E2109
IF TET >= TMIN GOTO 109
TMIN = TET: X1TMIN = E1: X2TMIN = E2
LAMB (I, K) = LALA <= LMAX GOTO 110= LA:
X1LMAX = E1: X2LMAX = E2
GOTO 112
IF LA >= LMIN GOTO 112
LMIN = LA: X1LMIN = E1: X2LMIN = E2
GOTO 112
P (I, K) = 9000: W1 (I, K) = 9000: W2 (I, K) =
9000: GAM (I, K) = 9000(I, K) = 9000: K2 (I, K) = 9000: H (I, K) = 9000: T (I,
K) = 9000: LAMB (I, K) = 9000
PRINT K, I, LAMB (I, K)= ET2 - DX2: I = I + 1I
> P2 GOTO 113
IF ET2 >= EM GOTO 84
ET3 = ET3 + DX3: K = K + 1
IF K > P1 GOTO 114ET3 <= 0 GOTO 83
M2 = K - 1: M1 = I - 1
PRINT Y$;#1, Y$;= 0
FOR L = 1 TO M1LAMB (L, M) > LN AND KR = 0
GOTO 185LAMB (L, M) > LN AND KR > 0 GOTO 184
RA = (LAMB (L, M) - LMIN) / DV
IF RA > 1 GOTO 165$ = "A"183
IF RA > 2 GOTO 166184
IF RA > 3 GOTO 167$ = "B"183
IF RA > 4 GOTO 168184
IF RA > 5 GOTO 169$ = "C"183
IF RA > 6 GOTO 170184
IF RA > 7 GOTO 171$ = "D"183
IF RA > 8 GOTO 172184
IF RA > 9 GOTO 173$ = "E"183
IF RA > 10 GOTO 174184
IF RA > 11 GOTO 175$ = "F"183
IF RA > 12 GOTO 176184
IF RA > 13 GOTO 177$ = "H"183
IF RA > 14 GOTO 178184
IF RA > 15 GOTO 179$ = "R"183
IF RA > 16 GOTO 180184
IF RA > 17 GOTO 181$ = "Q"183
IF RA > 18 GOTO 182184
IF RA > 19 GOTO 184$ = "U"
PRINT S$;#1, S$;186
PRINT O$;#1, O$;186
185 KR = 2Y$;#1, Y$;
186 NEXT LKR > 0 GOTO 187
PRINT Y$#1, Y$189
187 PRINT O$#1, O$
NEXT M