|
PН, кВт
|
U, В
|
I, А
|
nН, об/мин
|
iВ, А
|
UВ, В
|
η, %
|
rЯ, Ом
|
rЦЯ, Ом
|
rШ, Ом
|
Z
|
K
|
|
0,115
|
230
|
0,5
|
2400
|
0,35
|
55
|
54,5
|
4,7
|
2,48
|
7,18
|
127
|
21
|
63
|
4. Определение параметров регуляторов тока и
скорости
Расчетная структурная схема контура тока приведена на рисунке
1.
Рис. 1. Структурная схема контура тока.
Коэффициент обратной связи по току при IМАКС
Коэффициент передачи П-части регулятора тока
Постоянная времени интегрирования регулятора тока
Передаточная функция регулятора тока
.
Передаточная функция замкнутого контура тока
Переходный процесс в контуре тока представлен на рисунке 2.
Расчетная электрическая схема регулятора тока приведена на рисунке 3.
Рис. 2. Переходный процесс в контуре тока
Рис. 3. Расчётная электрическая схема регулятора тока
Емкость конденсатора в цепи обратной связи регулятора тока
Сопротивления на входе регулятора тока приняты одинаковыми, т.к.
одинаковы коэффициенты передачи по прямому каналу и по каналу обратной связи
Сопротивление резистора в цепи обратной связи регулятора тока
Расчетная структурная схема контура скорости приведена на рисунке
4.
Рис. 4. Структурная схема контура скорости
Коэффициент обратной связи по скорости для максимальной скорости
Коэффициент передачи П-регулятора скорости
Передаточная функция регулятора скорости
Передаточная функция замкнутого контура скорости настроенного на
модульный оптимум
Расчетная электрическая схема регулятора скорости приведена на
рис. 5.
Рис. 5. Расчётная схема регулятора скорости
Переходные процессы по току и по скорости при работе с нагрузкой и
без нагрузки представлены на рисунке 6, динамические скоростные характеристики
с нагрузкой и без нагрузки - на рисунке 7.
Рис. 6. Переходные процессы в двухконтурной системе
Сопротивления на входе регулятора скорости
Сопротивление резистора в цепи обратной связи регулятора скорости
Рис. 7. Динамические характеристики двухконтурной системы
Анализ переходных процессов дает следующие результаты:
Перерегулирование при пуске вхолостую составляет 4,3%. Как
видно из графиков динамических скоростных характеристик, контур скорости,
настроенный на модульный оптимум, отрабатывает сигнал задания на скорость без
погрешности при работе вхолостую, но при работе под нагрузкой появляется погрешность
равная
Точность регулирования в этом случае составляет
Полученные результаты в целом соответствуют стандартным настройкам
на модульный оптимум и полностью подтверждают теоретические сведения.
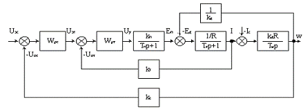
5. Двухконтурная система с учетом ООС по ЭДС
двигателя
Расчетная структурная схема приведена на рисунке 8.
Рис. 8. Структурная схема СПР с учетом ООС по ЭДС двигателя.
При внесении обратной связи по ЭДС из внешнего контура во
внутренний появляется погрешность в отработке контуром тока сигнала задания.
Эта погрешность тем больше, чем меньше нагрузка двигателя.
Таким образом, при учете ЭДС двигателя возникает токовая
погрешность, зависящая от нагрузки и быстродействия системы(степени форсировки
двигателя
), при этом время разгона увеличивается
из-за уменьшения динамического тока. При малых нагрузках влияние ЭДС двигателя
велико и им нежелательно пренебрегать.
Переходные процессы замкнутой системы без учета и учетом ООС
по ЭДС двигателя представлены на рисунках 9, 10, динамические характеристики -
на рисунке 11.
Электромеханические характеристики двигателя, разомкнутой
системы и замкнутой системы приведены на рисунке 12.
Рис. 9. Переходные процессы с учетом и без учета ООС по ЭДС
двигателя при Мс=0.
Рис. 10. Переходные процессы с учетом и без учета ООС по ЭДС
двигателя при Мс = Мн
Рис. 11. Динамические характеристики при анализе ООС по ЭДС
двигателя
Рис. 12. Электромеханические характеристики
6. Анализ влияния упругости и зазора на
жесткость характеристик
Структурная схема для анализа приведена на рисунке 13.
Рис. 13. Структурная схема двухмассовой СПР с учетом упругости и
зазора.
Жесткость механической передачи от двигателя к механизму
Момент инерции механизма
Все остальные параметры расчётной структурной схемы
определены ранее.
В двухмассовой электромеханической системе в начальный момент
времени вторая масса движется вниз, а двигатель начинает разгоняться в
противоположенную сторону. При закрытии зазора вторая масса начинает
разгоняться вверх, двигатель же тормозиться и кратковременно переходит в
четвертый квадрант. Далее привод разгоняется с колебаниями по амплитуде вокруг
заданного момента. Наличие зазора и упругости значительно увеличивает
динамические нагрузки в механической части привода. Снизить нагрузки можно
путем уменьшения ускорения в зазоре, т.е. на время выбора зазоров уменьшить
задание, а затем разгоняться до номинальной скорости. Кроме того, изменением
коэффициента обратной связи по току можно добиться такой жесткости механической
характеристики, при которой демпфирующая способность будет максимальна
Переходные процессы в двухмассовой ЭМС с зазором и упругостью
для каждой из масс, а также динамические механические характеристики при работе
без нагрузки и с номинальной нагрузкой изображены на рисунках 14-16.
По результатам моделирования делаем вывод:
Данная система при заданной величине зазора, упругости и
соотношений моментов инерции масс, становится неработоспособной (возникает
колебательный процесс с очень большим перерегулированием).
Рис. 14. Переходные процессы в двухмассовой системе при Мс=0
Рис. 15. Переходные процессы в двухмассовой системе при Мс=Мн
Рис. 16. Динамические характеристики двухмассовой системы.
7. Расчет позиционной системы
При проектировании позиционной системы следует обратить
внимание на отработку заданных перемещений без перерегулирования и с
минимальным дотягиванием.
Для исследования спроектированной системы задают средние
перемещения. Величину средних перемещений определяют по графикам переходных процессов
двухконтурной системы.
На участке разгона графика переходного процесса выбирается
скорость w1.
Время разгона до скорости w1
(ускорения разгона и торможения принимаются с одинаковыми значениями)
Структурная схема для анализа приведена на рисунке 17.
Рис. 17. Структурная схема позиционной системы
Среднее перемещение (угловой путь) определяется из уравнения
движения
Коэффициент ООС по перемещению
Рис. 18. Переходные процессы в трехконтурной СПР при IС = 0
Рис. 19. Переходные процессы в трехконтурной СПР при IС = IНОМ
Передаточная функция параболического регулятора
Передаточная функция регулятора положения для моделирования
На рисунках 18, 19 представлены переходные процессы в позиционной
системе. На рисунке 18 исследована система при Iс=0, время перемещения составило 1,5 сек, перерегулирование
отсутствует. На рисунке 19 исследована та же система при IC = IHOM. В процессе моделирования возникла
неустойчивость в СПР. Устранение неустойчивости возможно увеличением
коэффициента передачи регулятора перемещения и передаточная функция в этом виде
примет вид
В этом случае длительность перемещения составила 1,75 сек и
перерегулирование отсутствует.
Выводы:
1) на базе двухконтурной СПР, настроенной на модульный
оптимум, можно реализовать позиционную трехконтурную систему;
) правильно настроенный регулятор позиционной системы
позволяет производить точную отработку задания с отсутствием перерегулирования
и дотягивания.
двигатель
постоянный преобразователь индуктивность
8. Расчет регуляторов для работы во второй
зоне
Коэффициент рассеяния обмотки главных полюсов при 2р=4
[1]

Изменение тока возбуждения при ослаблении поля в точке 0,5·Фн
(рис.21)
Структурная схема для расчета приведена на рисунке 20, кривая
намагничивания двигателя - на рисунке 21.
Рис. 20. Структурная схема регулирования магнитного потока
Индуктивность обмотки возбуждения без учёта вихревых токов
Электромагнитная постоянная времени обмотки возбуждения при
ослабленном поле
Электромагнитная постоянная времени контура вихревых токов в полюсах
при ослабленном поле
Суммарная постоянная времени обмотки возбуждения при ослабленном
поле
Суммарная постоянная времени обмотки возбуждения при номинальном
режиме работы
Темп разгона привода во второй зоне (принимается равным темпу
разгона в первой зоне)
Требуемый коэффициент форсировки возбуждения двигателя
ЭДС тиристорного преобразователя питания обмотки возбуждения
Условие обоснования выбора статического тиристорного возбудителя
для обеспечения форсировки возбуждения
При питании трехфазной мостовой схемы выпрямителя от сети 380 В
через реактор можно получить напряжение
Коэффициент передачи тиристорного возбудителя
Постоянная времени тиристорного возбудителя
Коэффициент усиления по магнитному потоку для первой зоны
Во второй зоне
зависит от насыщения магнитной цепи машины, поэтому при
моделировании необходимо учесть зависимость Ф = f(Iв) - кривую намагничивания машины.
Коэффициент обратной связи по току возбуждения
Передаточная функция регулятора магнитного потока
Коэффициент усиления пропорциональной части регулятора
Передаточная функция регулятора магнитного потока
Передаточная функция замкнутого контура магнитного потока
Номинальная ЭДС двигателя
Коэффициент усиления в контуре по ЭДС
Коэффициент обратной связи по ЭДС
Электромагнитная постоянная времени якоря двигателя
Передаточная функция регулятора ЭДС настроенного на модульный
оптимум
Корректируемый при моделировании коэффициент пропорциональной
части передаточной функции регулятора скорости при работе во второй зоне
Переходные процессы в двухзонной системе I=f(t), w=f(t), Eп=f(t), Ф=f(t) при работе без нагрузки и
с номинальной нагрузкой изображены на рисунках 24, 25. Динамические
электромеханические характеристики совмещены на общем графике и приведены на
рисунке 26. Выводы:
· на базе систем подчиненного регулирования
возможно создание вполне работоспособных многоконтурных систем с перекрестными
связями, для правильной работы подобных систем необходимо вводить коррекцию,
необходимую для управления регуляторами корректируемых контуров;
· примером построения подобной системы
служит система подчиненного регулирования для работы двигателя во второй зоне.
· неравномерность переходных процессов при МС
= МН объясняется возрастанием динамического момента во
второй зоне и соответственно замедлением темпа разгона двигателя.
Заключение
Подводя итоги проведенным исследованиям системы подчиненного
регулирования можно отметить положительные моменты:
система подчиненного регулирования, настроенная на
модульный оптимум, является очень устойчивой системой регулирования;
система подчиненного регулирования обладает открытой
архитектурой, позволяющей конструировать на ее базе более сложные системы
регулирования, с применением внешних обратных связей;
применение вспомогательных устройств регулирования
расширяет потенциальные возможности систем подчиненного регулирования.