Оборудование и технология производства стали марки 35ХГСА в условиях Нижнесергинского метизно-металлургического завода
«Оборудование
и технология производства стали марки 35ХГСА в условиях Нижнесергинского
метизно-металлургического завода»
Введение
ЗАО « НСММЗ » («Нижнесергинский
метизно-металлургический завод») расположено в Свердловской области на двух производственных
площадках: в г. Ревда (электросталеплавильное производство) и в г. Нижние Серги
(производство сортового проката и катаной заготовки).. Основной сферой
деятельности компании является производство металлопроката строительного
назначения. Нижнесергинский метизно-металлургический завод (ЗАО «НСММЗ») - одно
из старейших предприятий Урала, производящих металлопрокат. Завод основан в
1740 году. ЗАО «НСММЗ» образовалось слиянием Нижнесергинского металлургического
и Ревдинского метизно-металлургического заводов и начало свою деятельность в
декабре 2001 г. Предприятие специализируется на выпуске горячекатаного
металлопроката, товарной катанки, а также непрерывнолитой заготовки, которая в
том числе реализуется на экспорт. НСММЗ является вертикально интегрированным
производителем металлопродукции и металлопроката из лома черных металлов,
компания реализует 6% общего объема товарного лома в России, производит 4%
общего объема сортового проката (по некоторым позициям до 30%) и выпускает 12%
катанки в России. Помимо производства металлопроката НСММЗ занимается также
электромонтажными, строительными работами, распределением газообразного
топлива, передачей электроэнергии, обработкой неметаллических отходов и лома,
отходов и лома черных металлов. В последние годы НСММЗ возводился новый цех по
производству сортового проката - круг, квадрат, арматура, балка, швеллер,
уголок, шестигранник, полоса, катанка. Рекордным для производства сортового
проката стал октябрь 2005 года; производство стана 150 составило 30722 тонн, а
всего за год было произведено 310 тыс. тонн катанки и арматуры в бунтах, был
освоен выпуск таких новых видов продукции как арматура в бунтах 6,0; 8,0; 10,0;
12,0 мм, производство катанки 7,5; 8,5; 11,0 мм. Более 11 млн. руб. составил
экономический эффект от реализации на НСММЗ в 2009 г программы по экономии
энергоресурсов и снижению энергоёмкости производства. В частности, была
проведена модернизация установки пульсирующей продувки металла в
сталеразливочном ковше. Это позволило значительно снизить потребление аргона на
собственные нужды и увеличить его реализацию сторонним покупателям. На
компрессорной станции в сортопрокатном производстве установлены приборы учёта
выработки сжатого воздуха, что повышает контроль его использования в
технологическом процессе. В целом на финансирование всех мероприятий программы
в 2009 г. направлено 4,3 млн. руб.
1. Характеристика
завода, его сырьевой и энергетической базы
ЗАО « НСММЗ» работающий на своем ломе сырьём для
электросталеплавильного производства служит металлолом. В соответствии с
принятой на ЗАО « НСММЗ » технологией, металлолом, поступающий на завод, не
подвергается дополнительной обработке (разделке крупногабаритных кусков,
уплотнению легковесного лома и т.п.), а сразу из вагонов загружается в завалочные
бадьи или в закрома.
На Нижнесергинском метизно-металлургическом
заводе норма прибыли составляет 25-30%. Для сравнения: у Новолипецкого
металлургического комбината, предприятия полного цикла, норма прибыли
составляет 42%. Нижнесергинский метизно-металлургического заводе в ближайшее
время планирует довести годовое производство проката до 1,5 млн. тонн. На
сегодняшний день большое внимание уделяется реализации всех планов по развитию
сортопрокатного производства предприятия. В 2008 г. произвели 1 миллион 400
тысяч тонн проката, а в 2009 году довели объем производства продукции до 1,5
миллионов тонн. Одной из главных задач является завершение начатого
строительства сортопрокатного цеха №5, которая позволит стабилизировать работу
сортопрокатного производства на всём предприятии. На сегодняшний день введена в
действия линия термоупрочнения на стане «250» это позволит предложить
покупателям более широкий сортамент сортового проката, успешно осваивать новые
рынки сбыта, поставлять потребителям продукцию, пользующуюся на рынке неизменно
высоким спросом. Согласно статистическим данным, в 2007 году потребление
арматуры в России составило 5,9 миллиона тонн. Из этого объема 70 % приходится
на арматуру марки А500С. Использование более дешевые марки стали на
предприятии, чем прежде, планируется поставлять в близлежащие регионы
недорогую, востребованную на рынке продукцию, что позволит значительно
увеличить прибыль.
Ревдинский метизно-металлургический и
Нижнесергинский метизно-металлургический заводы производят 9% метизов в России.
Использование стального скрапа позволило улучшить качественные показатели
выпускаемой продукции за счет снижения в металле массовой доли вредных
примесей. При последующем переделе непрерывнолитой заготовки в сортопрокатном
производстве существенно вырос выпуск годной продукции, а снижение
себестоимости составило 5%.
Лабораторные испытания готового проката,
произведенного по новой технологии, подтвердили полное соответствие всех его
механических свойств и химического состава нормативным требованиям и условиям
экспортных контрактов. До 50 тонн скрапа идет на одну плавку благодаря
технологическим отходам мартеновского производства. Скрап и раньше использовали
в процессе электросталеплавления, но в незначительных количествах - до 20 тонн
на плавку. Усовершенствование технологии, применительно к условиям НСММЗ,
позволило увеличить долю скрапа и уменьшить объем лома. В условиях жесткого
ограничения оборотных средств, использование скрапа в качестве шихты стало
вынужденной мерой. Однако рентабельность продукции повысилась, ее качество
по-прежнему высокое, а запасы скрапа только на площадке в Ревде позволят печам
бесперебойно работать в течение 4 - 5 месяцев.
Общая схема производства на заводе и сортамент
производимого металла
НСММЗ является ключевым производителем сортового
проката и метизов в рамках металлургического дивизиона Макси-Групп. В настоящее
время НСММЗ уверенно занимает: 11,6% рынка стальной проволоки, 9% рынка
катанки, 6,5% рынка метизов, 4,5% проката для строительной отрасли, а дивизион
по переработке лома - 5,2% рынка лома черных металлов. Сортамент производимого
металла: Сталь арматурная № 20 класс А400, ст.35ГС, Сталь арматурная № 16 класс
А400, ст.25Г2С, Сталь арматурная № 18 класс А400, ст.35ГС , Сталь арматурная №
10 класс А400, ст.25Г2С, Сталь арматурная d 10 мм класс А1, ст3пс, Сталь
арматурная № 22 класс А400, ст.35ГС, Сталь арматурная d 16 мм класс А1, ст3пс,
Сталь арматурная d 14 мм класс А1, ст3пс, Сталь арматурная № 12 класс А400,
ст.35ГС, Сталь арматурная № 12 в бунтах класс А400, ст.35ГС, Сталь арматурная №
12 в бунтах класс А400, ст.25Г2С, Сталь арматурная d 22 мм класс А1, ст3пс,
Сталь арматурная № 12 класс А400, ст.25Г2С, Сталь арматурная № 14 класс А400,
ст.25Г2С, Сталь арматурная № 8 класс А400, ст.25Г2С, Сталь арматурная № 6 класс
А400, 35ГС, Сталь арматурная d 18 мм класс А1, ст3пс, Сталь арматурная № 32
класс А400, ст.25Г2С, Сталь арматурная № 25 класс А400, ст.25Г2С, Сталь
арматурная d 18 мм класс А1, ст3пс.
2. Характеристика
сталеплавильного цеха
Электросталеплавильное производство действует на
ЗАО «НСММЗ» с 2005 года. В состав НСММЗ входит ЭСПЦ №1 и ЭСПЦ №2, которые
работают независимые друг от друга, каждый цех работает по своей
технологической линии производства. Каждая линия состоит из дуговой
сталеплавильной печи (ДСП), установки «ковш-печь» (УКП) для внепечной обработки
стали и машины непрерывного литья заготовок (МНЛЗ). Проектная
производительность каждой линии - 1 миллион тонн непрерывнолитой заготовки в
год. Поставку оборудования осуществляла одна из ведущих фирм в области
электрометаллургии - VAI-Fuchs.
Конечной продукцией электросталеплавильного производства является квадратная
непрерывнолитая заготовка сечением 125х125 мм и длиной от 8000 до 12000 мм из
углеродистых и низколегированных сталей. Большая часть заготовки направляется
для дальнейшего передела в прокатное производство, другая часть - отгружается
потребителям как в России, так и за рубежом.
3. Основное
технологическое оборудование цеха
Основным технологическим оборудованием цеха
включает в себя дуговую сталеплавильную печи (ДСП), установку «ковш-печь» (УКП)
для внепечной обработки стали и машину непрерывного литья заготовок (МНЛЗ). В
результате освоения новой электродуговой печи ДСП-125 (Concast) в феврале 2010
г. на произведено 95,7 тыс. т жидкой стали, что выше достигнутого уровня
среднемесячной выплавки в 2007 г. на 27%.
Кроме того, средний вес плавки
увеличен до 128,5 т. После обработки на установке «Ковш-печь», получения
необходимого химического состава и доведения до определенной температуры металл
поступает на МНЛЗ, далее проводится его разливка с получением непрерывнолитой
квадратной заготовки. Проектная производительность МНЛЗ составляет 1 млн. т в
год заготовок длиной до 12 м и сечением от 100 до 150 мм. Машина имеет 6 ручьев
и базовый радиус - 8 м, поворотный стенд способен принимать ковши с весом
плавки до 130 т. Плавку весом более 120 т. разливают в течении часа, при этом
все ручьи работали стабильно. Проектная мощность ЭСПЦ №2 - 1 миллион тонн
непрерывно-литой заготовки в год. С выходом на проектную мощность ЭСПЦ №2,
общая производственная мощность завода будет более 2 млн. т. Помимо
строительства ЭСПЦ №2 НСММЗ ведет реконструкцию сортопрокатного стана в г.Нижние
Серги и строительство прокатного цеха в г.Березовский.
Назначение выплавляемого сплава. Обоснование
способа производства
Химический состав стали 35ХГСА
|
Химический
элемент
|
%
|
|
Кремний
(Si)
|
1.10-1.40
|
|
Марганец
(Mn)
|
0.80-1.10
|
|
Медь
(Cu), не
более
|
0.30
|
|
Никель
(Ni), не
более
|
0.30
|
|
Сера
(S), не
более
|
0.025
|
|
Углерод
(C)
|
0.32-0.39
|
|
Фосфор
(P), не
более
|
0.025
|
|
Хром
(Cr)
|
1.10-1.40
|
Механические свойства стали 35ХГСА.
|
Термообработка,
состояние поставки
|
Сечение,
мм
|
σ0,2,
МПа
|
σB,
МПа
|
δ5,
%
|
ψ,
%
|
KCU,
Дж/м2
|
HB
|
|
Изотермическая
закалка при 880°С в смеси калиевой и натриевой селитры, имеющей температуру
280-310°С, охлаждение на воздухе.
|
|
Образцы
|
1270
|
1620
|
9
|
40
|
39
|
|
|
Поковки.
Закалка. Отпуск.
|
|
|
КП 490
|
100-300
|
490
|
660
|
13
|
40
|
54
|
212-248
|
|
КП 540
|
100-300
|
540
|
690
|
13
|
40
|
49
|
223-262
|
|
КП 590
|
<100
|
590
|
730
|
14
|
45
|
59
|
235-277
|
|
КП 640
|
<100
|
640
|
780
|
13
|
42
|
59
|
248-293
|
Механические свойства при повышенных
температурах.
|
t испытания,°C
|
σ0,2, МПа
|
σB, МПа
|
δ5, %
|
ψ, %
|
HRCэ
|
|
Закалка
880°С, масло. Отпуск 500°С.
|
|
20
|
1200
|
1300
|
11
|
52
|
42
|
|
250
|
|
1260
|
12
|
57
|
|
|
400
|
|
1000
|
14
|
72
|
|
|
500
|
|
540
|
31
|
70
|
|
Механические свойства в зависимости от
температуры отпуска.
|
t
отпуска,°С
|
σ0,2,
МПа
|
σB,
МПа
|
δ5,
%
|
ψ,
%
|
KCU,
Дж/м2
|
HRCэ
|
|
Закалка
880°С, масло
|
|
200
|
1570
|
1910
|
12
|
48
|
49
|
52
|
|
300
|
1550
|
1760
|
12
|
50
|
59
|
50
|
|
400
|
1420
|
1620
|
12
|
51
|
44
|
47
|
|
500
|
1180
|
1300
|
14
|
52
|
44
|
42
|
|
Изотермическая
закалка при 880°С, селитра 300°С
|
|
Без
отпуска
|
1460
|
1670
|
12
|
52
|
70
|
50
|
|
300
|
1450
|
1670
|
12
|
55
|
71
|
50
|
|
400
|
1410
|
1570
|
14
|
54
|
53
|
48
|
|
500
|
1220
|
1330
|
14
|
53
|
39
|
43
|
Механические свойства в зависимости от сечения.
|
Сечение,
мм
|
σ0,2,
МПа
|
σB,
МПа
|
δ5,
%
|
ψ,
%
|
HB
|
|
закалка
880°С, масло. Отпуск 500°С, вода.
|
|
20
|
1000
|
1110
|
12
|
54
|
322
|
|
40
|
940
|
1080
|
11
|
50
|
310
|
|
60
|
860
|
960
|
11
|
46
|
270
|
|
Закалка
880°С, масло. Отпуск 600°С, вода.
|
|
40
|
810
|
970
|
14
|
58
|
280
|
|
60
|
780
|
880
|
13
|
58
|
250
|
Технологические свойства стали 35ХГСА.
Температура ковки: Начала 1250, конца 860-880.
Сечения до 100 мм охлаждаются на воздухе, 101-200 мм - в мульде, 201-300 мм - с
печью.
Свариваемость: Ограниченно свариваемая.
Способы сварки: РДС, АДС под флюсом и газовой
защитой. Рекомендуется подогрев и требуется последующая термообработка, КТС без
ограничений.
Обрабатываемость резанием: В горячекатаном
состоянии при НВ 207-217 и σB = 710 МПа
Kυ тв.сплав
= 0.85, Kυ б.ст.
= 0.75.
Склонность к отпускной способности: склонна
Флокеночувствительность: чувствительна.
Температура критических точек стали 35ХГСА.
|
Критическая
точка
|
°С
|
|
Ac1
|
760
|
|
Ac3
|
830
|
|
Ar3
|
705
|
|
Mn
|
670
|
Ударная вязкость стали 35ХГСА.
Ударная вязкость, KCU, Дж/см2.
|
Состояние
поставки, термообработка
|
-40
|
-60
|
|
Закалка
880 С, масло. Отпуск 200 С, воздух
|
49
|
39
|
|
Закалка
880 С, масло. Отпуск 300 С, воздух
|
49
|
39
|
|
Закалка
880 С, масло. Отпуск 400 С, воздух
|
39
|
29
|
|
Изотермическая
закалка 880 С, селитра 300 С. Отпуск 300 С, 1 ч, воздух
|
62
|
53
|
|
Изотермическая
закалка 880 С, селитра 300 С. Отпуск 400 С, 1 ч, воздух
|
48
|
37
|
Прокаливаемость стали 35ХГСА.
|
Расстояние
от торца, мм / HRCэ
|
|
1.5
|
3
|
4.5
|
6
|
9
|
12
|
15
|
18
|
24
|
30
|
|
50.5-50
|
49-54
|
47.5-53
|
46-52.5
|
41.5-52
|
38-51
|
36.5-48.5
|
35-46.5
|
30-43
|
25-40.5
|
Физические свойства стали 35ХГСА.
|
Температура
испытания,°С
|
20
|
100
|
200
|
300
|
400
|
500
|
600
|
700
|
800
|
900
|
|
Модуль
упругости при сдвиге кручением G, ГПа
|
84
|
82
|
79
|
75
|
71
|
66
|
62
|
54
|
47
|
|
Сталь марки 35ХГСА используют для производства
таких изделий как: фланцы, кулачки, пальцы, валики, рычаги, оси, детали сварных
конструкций и другие улучшаемые детали сложной конфигурации, работающие в
условиях знакопеременных нагрузок.
Выплавляемые стали идут на поставки - сортовой
прокат, в том числе фасонный калиброванный пруток, серебрянка, полоса, поковки
и кованные заготовки. Назначение данного сплава различные детали, работающие
при температуре до 200°С, ответственные сварные конструкции, крепежные детали,
работающие при низких температурах.
Почему ДСП, зачем нужен АКП, почему разливка
непрерывная?
Использование электрической энергии
(электрического тока) ДСП даёт возможность расплавить шихту практически любого
состава, точное регулирование температуры металла, его химического состава,
производства легированной стали и качественного литья в отличие от кислородного
конвертора или мартеновской печи. Агрегат ковш-печь используется в комплексе с
плавильными агрегатами, в которых выплавляется полупродукт, в которых
проводятся расплавление металлолома и ферросплавов с малым угаром и проводится
окислительный период. Во время обработки через днище ковша осуществляется
продувка металла инертным газом (аргон или азот) для перемешивания металла с
целью усреднения его по химическому составу и температуре, кроме этого продувка
металла способствует выведению неметаллических включений из металла. Вдувание
газа осуществляется через одну-три пористые пробки. Также возможно
электромагнитное перемешивание металла. После достижения заданных значений по
химическому составу и температуре, ковш с металлом передают на обработку на
другие агрегаты или на разливку. По сравнению с прежним методом разливки стали
в изложницу при непрерывной разливке можно сократить не только время за счет
исключения некоторых операций, но и капиталовложения (например, на сооружение
обжимных станов). Непрерывная разливка обеспечивает значительную экономию
металла вследствие уменьшения обрези и энергии, которая тратилась на подогрев
слитка в нагревательных колодцах. Исключение нагревательных колодцев позволило
в значительной степени избавиться от загрязнения атмосферы. По ряду других
показателей: качеству металлопродукции, возможности механизации и
автоматизации, улучшению условий труда непрерывная разливка также эффективнее
традиционных способов. Но непрерывная разливка имеет и Отрицательные стороны.
Стали некоторых марок, например кипящие, нельзя разливать по этому методу,
малые объемы разливки сталей различных марок повышают их себестоимость,
неожиданные поломки оказывают большое влияние на снижение общей
производительности.
4.
Технологическая схема и технология производства сплава
Плавят металл в электросталеплавильном цехе, а
все последующие операции по десульфурации, раскислению, легированию и доводке
выполняют- на установке «Ковш-печь», куда ковши с жидким металлом передаются по
крановой эстакаде. После обработки на установке «Ковш-печь», получения
необходимого химического состава и доведения до определенной температуры металл
поступает на МНЛЗ, далее проводится его разливка с получением непрерывнолитой
квадратной заготовки. Основным результатом реализации первого этапа
реконструкции сталеплавильного производства стало улучшение
технико-экономических показателей работы электросталеплавильного цеха:
производительность выросла на 15% в дальнейшем планируется улучшить этот
показатель. Резко возросло качество металла, увеличился выход годного металла.
Расходный коэффициент в прокатном цехе снизился в 2 раза.
Плавка в ДСП, после осмотра печи и ремонта
пострадавших участков футеровки, начинается с завалки шихты. В современные печи
шихту загружают сверху при помощи загрузочной бадьи (корзины). Для
предохранения подины от ударов крупными кусками шихты на дно бадьи загружают
мелкий лом. Для раннего шлакообразования в завалку вводят известь 2-3% от массы
металлической шихты. После окончания завалки в печь опускают электроды, и
включают высоковольтный выключатель, начинают период плавления. На данном этапе
возможна поломка электродов (из-за плохой проводимости между электродом и
шихтой). Регулирование отдаваемой мощности осуществляется изменением положения
электродов (длины электрической дуги) либо напряжения на электродах. В
современных системах АСУ ТП достаточно указать ток работы регулятора мощности
либо период работы печи, АСУ поддерживает заданный ток горения дуги -
отдаваемую мощность. После периода расплава в печи образуется слой металла и
шлака.
Выпуск готовой стали и шлака осуществляется
через сталевыпускное отверстие и жёлоб путём наклона рабочего пространства
(или, если печь оборудована вместо жёлоба донным выпуском, то через него).
Рабочее окно, закрываемое заслонкой, предназначено для контроля за ходом плавки
(замер температуры металла и отбор пробы химического состава металла). Так же
рабочее окно может использоваться для отдачи шлакообразующих и легирующих
материалов (на малых печах).
5. Расчёт плавильного
агрегата
.1 Расчёт геометрии
С учетом современной технологии,
предусматривающей работу дуговой печи с завалкой большей части металлической
шихты и подвалкой оставшейся части лома после проплавления основной части
шихты, необходимый для размещения шихты объем рабочего пространства печи
уменьшается, соответственно снижаются тепловые потери и увеличивается
производительность печи в целом. Исходя из этого, расчет начнем с определения
максимальной массы металла в печи Мм:
м = (l+k)•M,
где М - масса сливаемого
металла за плавку, т; k - коэффициент избытка металла, оставляемого в печи
после слива, т.е. «болото» (k = 0,15...0,25).
Из анализа геометрических
размеров действующих печей выведен стехио- метрический коэффициент (А =
0,35...0,40), связывающий максимальную массу металла в печи (Мм, т ) с
диаметром рабочего пространства (D,
м) на уровне панелей (рис. 8.3),
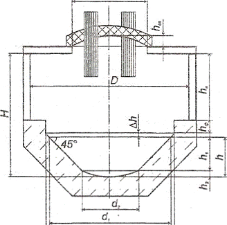
Рис. 8.3. Геометрическая схема дуговой
сталеплавильной печи: D
- диаметр рабочего пространства, Dсв
- диаметр свода печи, D1
- диаметр ванны по верхнему краю футеровки, d1
- диаметр верхнего основания конической части ванны, d2
- диаметр нижнего основания конической части ванны, Н - высота рабочего
пространства печи, h - высота
ванны, h1 - высота
конической части ванны, h2
- высота сферической части ванны,∆hф
- запас конической части ванны, hф
- высота цилиндрической части футеровки, hп
- высота водоохлаждаемых панелей, hсв-
высота подъема свода печи, dрэ
- диаметр распада электродов, dэ-
диаметр электрода.
)Анализ геометрических параметров плавильного
пространства действующих дуговых печей указывает на зависимость диаметра
свободного пространства на уровне
панелей(D,м)
от максимальной массы жидкого металла в печи (вместимости печи М, Т).
М = А•
D3,т
D=
, м
D = 
= 6,46, м
) Высота рабочего пространства печи
= m• D, м
где m= 0,5…0,7 H= 6,46• 0,7
= 4,522 м
) Максимальный объём жидкого металла
в печи
м = 
, м3
где ρж = 6,8…7,4
т/м3 -плотность жидкого металла
VМ = 
= 14,084, м3
) Объём шлака
ш =
, м3
где b=0,05…0,1-
коэффициент, учитывающий долю шлака от массы металла
ρж =2,8…3,2 т/
-плотность жидкого шлака
Vш =
,м3
) Объём ванны печи
Vв = С•(Vм + Vш), м3,
Где С=1,1…1,15- коэффициент запаса,
учитывающий резерв объёма, необходимый для кипения и перемешивания металла
Vв=
1,1•(14,084 +3,33) =19,155 , м3
) Типичной формой круглой ванны
является сфероконическая с углом откоса, равным 45 градусов. При этом глубина
ванны (h, м) зависит
от вместимости печи.
M=100, т.
Примем глубину ванны h=1,2
) Геометрически объём ванны V’в = Vк + Vс ,
м3,
где Vк и Vс -объём
конической и сферической частей соответственно,
м3
) Объём конической части
к = π•(h1 + ∆h) • 
,
м3
где h1 = 0,8• h- высота
конической части, м
h1 = 0,8• 1,2
= 0,96, м
∆h=0,1…0,2 м-
запас конической части; принимаем ∆h=0,15, м
d1 = D1-2• ∆h, м- диаметр
верхнего основания конуса;
hф =
0,25…0,35 м -запас футеровки; принимаем hф = 0,3, м
D1 =
6,46-2•0,3 = 5,86 м.
d1 =
5,86-2•0,15= 5,56 м.
d2 = d1 -2• h1 = 5,56 -
2•0,96 = 3,64, м- диаметр нижнего основания конуса;
9) Объём сферической части
Vc = π• h2• (
),
м3,
где h2 = 0,2• h - высота
сферической части, м;
h2 = 0,2• 1,2
= 0,24, м Vв = С•(Vм + Vш ),
м3,
) Геометрический объём ванны
V’в =
18,705+1,255 =19,96, м3.
) Проверка
(∆b не должна
превышать ±5%).
) Высота водоохлаждаемых панелей
п = H-(h+∆h+ hф ), м
п = 4,522 -(1,2+0,15+ 0,3 )=2,872, м
) Объём свободного пространства
между верхним и нижнем уровне панелей.
) Объём между уровнем откосов и нижним уровнем
панелей.
) Полный объём рабочего пространства печи
р.п.
= Vв
+ Vф
+ Vп
=19,155+9,82+94,08 = 123,055 м3.
) Правильность расчёта определяется сравнением
объёма рабочего пространства печи (Vр.п.
) с объёмом загружаемых в печь шихтовых материалов, основную часть которых
составляет объём металлического лома (Vл)
Vл = 
, м3,
где 1,1- коэффициент, учитывающий
расход металлошихты, т/т стали;

л = 0,7..1,2 т/м3
) Загрузка металлошихты
осуществляется в два приёма. При этом наибольшим является объём первой завалки
(V’л ,м3).
V’л =k1 ∙Vл, м3,
Где k1 = 0,6…0,7-
доля первой завалки
V’л =0,7∙
157,143 =110 , м3
) Проверка
где K2
=0,85…0,95- коэффициент заполнения печи
(∆р.п. не должна
превышать±5%).
19) Для определения размеров футерованного свода
- диаметра (Dсв) и выпуклости (hсв)-
необходимого рассчитать диаметр электрода (dэ),
зависящий от установленной мощности трансформатора печи (S,
Вт).
Диаметр электрода
где i=(20…40)∙104
А/м2 -плотность тока электрода;
I2- электрический
ток во вторичной цепи трансформатора, А.
Где U2л ≤1600
В - максимальное линейное напряжение во вторичной цепи трансформатора. При U2л=1000 В.
Принимаем dэ = 500 мм.
20) Диаметр свода
св= (1,5…2,5)∙dэ
+dр.э., м,
где dр.э. -
диаметр распада электродов
р.э.=
Kр.э.∙dэ
, м,
Где
Kр.э.
= 1,9…2,2-
коэффициент распада электродов
dр.э.=2,1∙0,5=1,05, м
Dсв=2,1∙0,5+1,05=2,1, м
)
Выпуклость свода
hсв= Dсв ∙Kсв , м,
где
Kсв
=0,12…0,18- коэффициент выпуклости свода
hсв=0,15∙2,1=0,315, м
|
D
|
D1
|
Dсв
|
d1
|
d2
|
dэ
|
dр.э
|
H
|
h
|
hп
|
hсв
|
|
6,46
|
5,86
|
2,1
|
5,56
|
3,64
|
0,5
|
1,05
|
4,522
|
1,2
|
2,872
|
0,315
|
5.2 Тепловой расчёт
футеровки
Так как футеровка стен ДСП выполняется с
использованием водоохлаждаемых панелей, тепловой расчёт проводим для футеровки
подины печи.
С учётом существующего производственного опыта
выбираем схему футеровки подины ДСП-125 оснащена трансформатором мощностью 100
МВА.
Футеровка подины- многослойная. Рабочий слой (І)
выполняется набивным толщиной 750мм из периклазового порошка марки ППЭ-88 на
жидком стекле.
Промежуточный слой (ІІ)- три ряда (195 мм) -
периклазовый кирпич (П).
Арматурный слой (ІІІ)- два ряда (130 мм)-
шамотный кирпич марки ША.
Теплоизолирующий слой (ІV) толщиной 30 мм
выполнен из асбестового картона, уложенного на днище стального кожуха (Ст 45) толщиной
40 мм (V)
. Тепловое сопротивление футеровки.
Принимаем для расчёта значения средних
температур слоёв футеровки:

=13000C

=9000C;

=6500
C;
Коэффициент теплопроводности
материалов (λ,
Вт/м
k) для слоёв
футеровки:
λ1=2,5-0,4•10-3•
=2,5-0,4•10-3•1300=1,98 Вт/м
k (при
13000С)
λ2=4,7-1,7•10-3•
=4,7-1,7•10-3•900=3,17
Вт/м
k (при 9000С)
λ3=0,84+0,58•10-3•
=0,84+0,58•10-3•650=1,22
Вт/м
k (при 6500С)
λ4= 0,2 Вт/м
k
λ5=54 Вт/м
k
Тепловое сопротивление слоёв
футеровки :

= 
=


= 
= 


= 
=
= 0,123 

= 
=
= 0,15

= 
= 

Тепловое сопротивление футеровки
∑R = R1+R2+R3+R4+R5 =0,613.
Коэффициент теплоотдачи от кожуха днища в
окружающую среду.
Принимаем α=20
Вт/ м2к
Коэффициент теплопередачи от рабочего
пространства в окружающую среду
K= 
=

= 1,508 Вт/ м2к
Плотность теплового потока через
футеровку:
q=k(tвн-tн),
Вт/
м3
= 1,508•(1600-20)=2382,64 Вт/
м3
Принимаем tвн=160
00С tн=200С.
Температурный напор по слоям
футеровки:
q = 

;

= q
= q

= q
= 2382,64 •
0,277 =
659,9910С

= q
= 2382,64 •0,062= 147,7240С.

= q
= 2382,64 •0,123= 280,0550С.

= q
=2382,64 •0,15= 357,3960С.

= q
= 2382,64 •0,001= 2,3830С.
Температура на границах раздела
слоёв футеровки:

=
-
= 1600-659,991 =940,0090С.

=
-
= 940,009 -147,724 = 792,2850С.

=
-
= 792,285- 280,055 = 512,2300С.

=
-
= 512,230 -357,396 = 154,8340С.

=
-
= 154,834-2,383 = 152,4510С.
Средняя рабочая температура слоёв
футеровки:

=
= (1600+940,009) /2=1270,0050 С.


=
= (940,009 +792,285) /2 = 866,1470
С
.

=
= (792,285+512,230) /2 = 652,2570
С.

=
= (512,230 +154,834) /2 = 333,5320
С.

=
= (154,834 +152,451) /2 = 153,6420
С.
Анализ результатов расчёта.
Температуры на границах раздела
слоёв футеровки не превышают допустимых значений рабочих температур для
выбранных огнеупоров.
Расчётные значения средних
температур слоёв футеровки (пункт 8) соответствуют значениям, принятым при
расчёте коэффициентов теплопроводности отдельных слоёв (пункт 2).
Вывод: Выбранная схема футеровки
подины ДСП-125 обеспечивает нормальные температурные условия её работы.
Расчёт шихты для производства сплава и
химического состава продуктов плавки
Химический состав металлической
части шихты, масс.
|
материал
|
C
|
Si
|
Mn
|
Ni
|
S
|
P
|
Cr
|
Mo
|
Cu
|
Fe
|
|
30ХНМА
|
0,34
|
0,17
|
0,3
|
1,25
|
0,03
|
0,03
|
0,6
|
0,2
|
0,3
|
96,87
|
|
Чугун
|
4
|
0,6
|
0,5
|
0
|
0,02
|
0,15
|
0
|
0
|
0
|
94,73
|
6. ТЕРИАЛЬНЫЙ БАЛАНС ПЛАВКИ СТАЛИ В ДУГОВЫХ
СТАЛЕПЛАВИЛЬНЫХ ПЕЧАХ
Рассмотрим технологию выплавки
стали 40ХНМА в дуговой печи с последующей обработкой в ковше-печи. Доводка
стали в ковше-печи освобождает от необходимости жестко контролировать
содержание серы в металле по ходу плавки в ДСП.
Исходными данными для расчетов
являются требования к данной марке стали. Состав стали 40ХНМА согласно ГОСТ
4543-71 приведен в табл. 1.
Таблица 1
Химический состав легированной
конструкционной стали 40ХНМА, масс. %
|
C
|
Si
|
Mn
|
Ni
|
S, до
|
P, до
|
Cr
|
Mo
|
Cu, до
|
|
0,37-0,44
|
0,17-0,37
|
0,5-0,8
|
1,25-1,65
|
0,025
|
0,025
|
0,6-0,9
|
0,15-0,25
|
0,3
|
Расчет ведем на 100 кг
металлошихты. Среднее содержание хрома в шихте для марки стали 40ХНМА не должно
превышать 1%. В противном случае образующиеся соединения оксидов хрома сильно
понижают жидкотекучесть шлака, что затруднит ведение плавки.
В качестве шихты используем
отходы стали 30ХНМА, имеющиеся в цехе, а также передельный чугун. При этом
учитываем необходимость наличия избыточного количества углерода для его
последующего окисления. Исходя из этого, зададим в шихту 70 кг отходов стали
30ХНМА и 30 кг чугуна. Данные о фактическом химическом составе используемых
материалов приведены в табл. 2.
Таблица 2
Химический состав металлической
части шихты, масс. %
|
Материал
|
C
|
Si
|
Mn
|
Ni
|
S
|
P
|
Cr
|
Mo
|
Cu
|
Fe
|
|
30ХНМА
|
0,34
|
0,17
|
0,3
|
1,25
|
0,03
|
0,03
|
0,6
|
0,2
|
0,3
|
96,87
|
|
Чугун
|
4
|
0,6
|
0,5
|
0
|
0,02
|
0,15
|
0
|
0
|
0
|
94,73
|
С учетом массы компонентов и их
химического состава определим массу элементов, вносимых каждым компонентом
шихты, и представим результаты также в виде табл. 3.
|
Компоненты
шихты
|
C
|
Si
|
Mn
|
Ni
|
S
|
P
|
Cr
|
Mo
|
Cu
|
Fe
|
Всего
|
|
Отходы
30ХНМА
|
0,38
|
0,119
|
0,21
|
0,875
|
0,021
|
0,021
|
0,42
|
0,14
|
0,21
|
67,8
|
70
|
|
Чугун
|
1,2
|
0,18
|
0,15
|
0
|
0,006
|
0,045
|
0
|
0
|
0
|
28,42
|
30
|
|
Всего
|
1,58
|
0,299
|
0,36
|
0,875
|
0,027
|
0,066
|
0,42
|
0,14
|
0,21
|
96,22
|
100
|
Таблица 3
Масса элементов, вносимых шихтовыми
материалами, кг
Кроме металлической части
шихты, в завалку сверху добавляют известь. В качестве примера используем
известь, состав которой приведен ниже. Для наведения шлака в завалку на 1 т
металлошихты обычно дают 15.. .30 кг извести.
Таблица 4
Химический состав извести, %.
|
Материал
|
CaO
|
SiO2
|
MgO
|
Al2O3
|
Fe2O3
|
П.п.п.
|
|
Известь
|
88
|
1,3
|
2
|
0,8
|
1,2
|
6,7
|
Период плавления
В период плавления происходит
расплавление металлошихты, сопровождающееся окислением химических элементов,
которые в виде оксидов переходят в шлак. Помимо продуктов окисления шлак
периода плавления образуется из вносимой в завалку извести, железной руды (если
ее давали в завалку) и материала футеровки печи, попадающего в шлак в
результате разрушения футерованной части печи.
Продукты окисления компонентов
металлического расплава вносят в шлак следующее количество оксидов.
Кремний. К окончанию периода
весь кремний окисляется до Si02.
Количество окислившегося кремния 0,299•1 = 0,299 кг. На окисление этого
количества кремния потребуется 0,299 • 32/28 = 0,342 кг кислорода. При этом в
шлак будет внесено 0,299• 6 0/28 = 0,64 кг Si02.
Марганец. Примем, что в период
плавления до МnО окислится 35 % от
вносимого шихтой марганца, т.е. 0,36•0,35 = 0,126 кг. На его окисление
потребуется 0,126• 16/55 = 0,0576 кг кислорода. При этом в шлак будет внесено
0,126• 71/55 = 0,163 кг МnО.
Хром. При современной
технологии плавки хром окисляется незначительно. Учитывая относительно
невысокое содержание хрома в шихте примем, что в период плавления до Cr2O3
окислится около 5% от вносимого шихтой хрома, т.е. 0,420•0,05 = 0,021 кг. На
его окисление потребуется 0,021• 48/104 = 0,009 кг кислорода. При этом в шлак
будет внесено 0,021• 152/104 = 0,03 кг Сr203.
Железо. Примем, что в период
плавления окислится 0,4% от вносимого шихтой железа, т.е. 96,22•0,004 = 0,385
кг. Из них половина окислившегося железа уносится с пылью в виде Fe2O3.
На окисление этого количества железа потребуется 0,385•0.5•48/112 = 0,0825 кг
кислорода. При этом образуется 0,385•0,5•112/160 = 0,135 кг. Fe203.
В шлак будет внесено 0,385•0,5•72/56 = 0,247 кг FeO.
На его образование требуется 0,385•0,5•16/56 = 0,055 кг кислорода.
Фосфор. Примем, что в период
плавления в шлак из металла переходит 30% фосфора в виде Р2O5.
Окислится 0,066•0,3 = 0,0198 кг фосфора, на что потребуется 0,0198•80/62 =0,025
кг кислорода. При этом в шлак будет внесено 0,0198•142/62 = 0,045 кг Р205.
Принимаем, что в период
плавления углерод не окисляется, сера из металла не удаляется.
Учтем, что в завалку вместе с
металлошихтой вводили известь в количестве около 2% от массы завалки или 2 кг
на 100 кг шихты. С учетом получения необходимой основности скорректируем это
значение до 1,7 кг.
С известию вносится в шлак, кг:
СаО 0,880•1,7=1,496, SiO2
0.013•1,7=0,022,
MgO
0.020•1,7 =0,34, А12O3 0,008•1,7=0,014,
Fe2O3
0,012•1,7=0.020 или в пересчете на FeO
0,020•112/160•72/56 = 0,018.
Вследствие потерь при
прокаливании из извести удалится в атмосферу 0,067•1,7 =0,114 кг СO2.
Во время работы печи происходит
износ футерованной части подины и свода, продукты износа в виде соответствующих
оксидов переходят в шлак. Состав и количество оксидов, вносимых футеровкой,
зависят от применяемых огнеупоров и качества кладки печи. При использовании
периклазохромитовых огнеупоров в период плавления в шлак поступает до 5 кг/т
стали периклазового порошка (используемого для подварки подины) в виде MgO
и до 1,2....1,4 кг/т продуктов разрушения футеровки. Если печь имеет
периклазоуглеродистую набивную подину, водоохлаждаемые стены и свод, то расход
периклазоуглеродистых огнеупоров принимается около 3 кг/т (или 0,3 кг на 100 кг
металлошихты). Примем, что подина набивная, выполнена из периклазоуглеродистой
массы. По результатам выполненных расчетов определяем состав и количество шлака
в конце периода плавления (табл. 4.5). Отдельно составляем баланс металла за
этот период (табл. 4.6). Если по технологии плавки в печь присаживаются и
другие добавки (железная руда, флюорит и т.п.), то их тоже необходимо учитывать
в табл. 5.
При составлении баланса металла
учтем, что в процессе плавки происходит науглероживание металла в результате
износа графитированных электродов. Расход электродов на плавку в современных
печах составляет 1,7...2,5 кг/т стали. Примем расход электродов 2 кг/т или 0,2
кг на 100 кг шихты и усвоение углерода ванной 75%. С учетом
того, что продолжительность
периода плавления составляет 2/3 общего времени плавки, в металл дополнительно
перейдет 0,2•0,75•2/3=0,100 кг углерода и выделится 0,2•0,25•28/12•2/3=0,078 кг
СО. На это потребуется 0,2•0,25•2/3•16/12 = 0,044 кг 02.
Таблица 5
Количество и состав печного
шлака периода плавления
|
Источники
|
SiO2
|
CaO
|
MnO
|
FeO
|
Cr2O3
|
Al2O3
|
MgO
|
P2O5
|
∑
|
|
Известь
|
0,022
|
1,496
|
-
|
0,018
|
-
|
0,014
|
0,034
|
-
|
1,584
|
|
Футеровка
|
0,004
|
-
|
-
|
-
|
-
|
-
|
0,276
|
-
|
|
Продукты
окисления
|
0,64
|
-
|
0,163
|
0,247
|
0,03
|
-
|
-
|
0,045
|
1,125
|
|
Всего,
кг
|
0,666
|
1,496
|
0,163
|
0,265
|
0,03
|
0,014
|
0,31
|
0,045
|
2,989
|
|
Всего,
%
|
22,28
|
50,05
|
5,45
|
8,86
|
1,00
|
0,57
|
10,37
|
1,50
|
100
|
Основность полученного шлака,
выраженная через отношение
%СаО/%Si02=1,496/0,666=2,24.
Это удовлетворяет требованиям к шлаку в период плавления.
Период окисления
Сразу после появления жидкого
шлака его начинают вспенивать, и по мере наполнения ванны печи жидким металлом
часть шлака через рабочее окно самотеком покидает рабочее пространство печи. С
ним удаляется значительная часть.
Баланс составляющих металла за
период плавления Таблица 6
|
Элемент
|
Поступило
с шихтой
|
Перешло
в шлак
|
Содержится
в металле
|
|
|
|
кг
|
%
|
|
С
|
1,58
|
0
|
1,68
|
1,686
|
|
Si
|
0,299
|
0,299
|
0
|
0
|
|
Мn
|
0,360
|
0,126
|
0,243
|
0,244
|
|
Сr
|
0,420
|
0,021
|
0,399
|
0,400
|
|
S
|
0,027
|
0
|
0,027
|
0,027
|
|
P
|
0,066
|
0,0198
|
0,0462
|
0,046
|
|
Мо
|
0,14
|
0
|
0,14
|
0,141
|
|
Fe
|
96,22
|
0,1925*
|
96,027*
|
96,372
|
|
Cu
|
0,21
|
0
|
0,21
|
0,211
|
|
Ni
|
0,87
|
0
|
0,87
|
0,873
|
|
∑
|
100
|
0,658
|
99,642
|
100
|
* С учетом потерь с пылью.
фосфора. Потери шлака в течение
всей плавки компенсируют небольшими присадками извести, поддерживая необходимый
уровень шлака и его основность.
Задачами окислительного периода
являются: 1) окисление углерода и фосфора в металле до их требуемого содержания
в готовом металле (полупродукте) и частично удаление серы, 2) нагрев металла до
необходимой температуры. Окисление металла проводят продувкой техническим
кислородом с чистотой не менее 99,5%. В случае затруднений с удалением фосфора
в ванну можно присаживать железную руду. В большинстве случаев для получения не
более 0,012...0,020 % фосфора в металле достаточно поддерживать в этот период
основность не ниже 2.7...3,0 при содержании FeO
в шлаке около 12...15%.
Для интенсификации массо- и
теплопереноса в сталеплавильной ванне, способствующей нормальному развитию в
ней физических и физико-химических процессов, в это время необходимо обеспечить
возможность окисления не менее 0,3...0,5% углерода.
Обезуглероживание и окисление
примесей. С учетом того, что углеродистые ферросплавы значительно дешевле, чем
низкоуглеродистые, используем в дальнейшем для легирования углеродистые
ферросплавы. Поэтому с учетом количества вводимых ферросплавов необходимо в
конце периода иметь содержание углерода в металле на нижнем пределе по марке
или несколько ниже. Примем, что содержание углерода в металле в конце
окислительного периода должно составлять 0,35%.
Углерод. После окончания
периода плавления в металле с учетом науглероживания электродами содержится
1,68 кг углерода. Учтем науглероживание электродами за период окисления и
определим количество углерода, которое необходимо окислить.
За окислительный период при
расходе электродов 2 кг/т в металл с учетом 75% усвоения попадет дополнительно
0,2•0,75•1/3 = 0,050 кг углерода. Всего требуется окислить углерода
(1,68 + 0,050) - 0,150 = 1,58
кг.
Примем, что весь углерод
окисляется до СО. Тогда для окисления 0,601 кг углерода потребуется 1,58•16/12
= 2,106 кг О2 и образуется 1,58•28/12 = 3,686 кг СО.
Марганец. Принимаем, что в
окислительный период окислится 45% оставшегося в металле марганца: 0,243•0,45 =
0,109 кг. На его окисление необходимо 0,109•16/55=0,032 кг 02. При этом
образуется 0,109•71/55=0,141 кг МgО.
Хром. С учетом относительно
невысокого содержания хрома в металле примем, что за этот период окислится 5%
хрома, поступившего с металлом: 0,399•0,05= 0,019 кг. На его окисление
необходимо 0,019•48/104 = 0,009 кг 02 и в результате образуется 0,019•152/104 =
0,028 кг Сr203.
Железо. В окислительный период
окислится около 0,4% железа из металла. Примем, чго 85% от этого количества
переходит в шлак в виде FeO,
а 15% удаляется в виде пыли Fe203
с отходящими газами. Всего окислится 0,004•96,027 =0,384 кг железа.
В шлак перейдет
0,384•0,85=0,326 кг железа, на его окисление израсходуется 0,326•16/56 = 0,093
кг 02 и образуется 0,326•72/56 = 0,419 кг FeO.
С пылью теряется 0,384-0,326 =
0,058 кг железа, на его окисление до Fe203
требуется 0,058•48/112=0,025 кг кислорода. Образуется 0,058•160/112 = 0,083 кг Fe203.
Сера. Примем, что в
окислительный период из металла удаляется около 20% содержащейся в нем серы:
0,027•0,2 = 0,005 кг.
Фосфор. Примем, что в
окислительный период в шлак переходит 30 % имеющегося в металле фосфора:
0,0462•0,30=0,014 кг. На его окисление до Р205 требуется 0,014•80/62 = 0,018 кг
02 и в шлак переходит 0,018•142/62 = 0,041 кг P2O5.
Если для удаления фосфора в
печь присаживается железная руда, то последовательность расчета сохраняется.
Однако необходимо учитывать, что руда содержит некоторое количество фосфора,
часто в справочной литературе приводимого в пересчете
на элементарный фосфор. В таком
случае необходимо учесть количество кислорода, идущего на его окисление и
количество Р205, переходящего в шлак. Определив общую потребность в кислороде
для удаления фосфора, и зная количество кислорода, выделяемого 1 кг железной
руды при разложении оксидов железа до металла, рассчитывают потребность в руде
и газообразном кислороде. Восстановленное из руды железо необходимо учесть в
табл. 8, а попадающие с рудой прочие оксиды в табл. 7.
Шлакообразование в
окислительный период. Для расчетов принимается, что к концу периода плавления в
печи остается 1/3 шлака, состав которого приведен в табл. 5. После этого в печи
наводится новый шлак присадками извести, если необходимо, с добавками
плавикового шпата и железной руды. Шлак окислительного периода образуется из
остатков шлака предыдущего периода, извести, оксидов - продуктов окисления
металла, компонентов износа футеровки, железной руды и плавикового шпата (если
их давали в этот период). С учетом требуемой величины основности примем, что в
окислительный период присаживают 0.7 кг извести. С ней в шлак попадет:
СаО: 0,880•0.7=0,616 кг, SiO2:
0.013•0.7 = 0,0091 кг,
MgO:
0.020•0.7 = 0,014 кг, А12O3:
0,008•0.7 = 0,0056 кг,
Fe2O3:
0,012•0.7 = 0,0084 кг. или в пересчете на FeO
0,0084•112/160•72/56 = 0,0076.
Вследствие потерь при
прокаливании из извести удалится в атмосферу 0,068 кг СO2.
Из футеровки при расходе за
период 0,2 кг на 100 кг металлошихты в шлак переходит:
MgO:
0,920•0,2 = 0,184 кг
SiO2:
0.012•0,2 = 0,002 кг.
Если в печь присаживалась
железная руда, то нужно учитывать, что железо из руды полностью
восстанавливается, выделяемый при этом кислород идет на окисление серы и
фосфора. Остальные оксиды руды целиком переходят в шлак.
Аналогично периоду плавления
подсчитываем количество и состав шлака (табл.7) и определяем баланс металла
(табл. 8).
Таблица 7
Количество и состав шлака в
конце окислительного периода
|
Источники
|
SiO2
|
CaO
|
MnO
|
FeO
|
Cr2O3
|
Al2O3
|
MgO
|
P2O5
|
∑
|
|
Извести
|
0,0091
|
0,616
|
---
|
0,0076
|
---
|
0,0056
|
0,014
|
---
|
0,652
|
|
Футеровка
|
0,002
|
---
|
---
|
---
|
---
|
---
|
0,184
|
---
|
0,186
|
|
Продукты
окисления
|
---
|
---
|
0,141
|
0,419
|
0,028
|
---
|
---
|
0,041
|
0,629
|
|
Шлак
периода плавления
|
0,222
|
0,498
|
0,054
|
0,088
|
0,01
|
0,005
|
0,103
|
0,015
|
0,995
|
|
Всего,
кг
|
0,233
|
1,114
|
0,195
|
0,515
|
0,038
|
0,0106
|
0,301
|
0,056
|
2,463
|
|
Всего,
%
|
9,460
|
45,230
|
7,917
|
20,910
|
1,543
|
0,430
|
12,221
|
2,273
|
100
|
Примечание. Основность %СаО/%Si02=
4,8. Это удовлетворяет требованиям ведения плавки.
Продувку кислородом прекращают,
когда содержание углерода в металле достигнет заданного. После окончания
окислительного периода если химический состав стали в печи близок к марочному и
к готовой стали не предъявляются высокие требования по качеству, плавка
раскисляется и выпускается в ковш. Раскисление начинают в печи перед выпуском,
а затем завершают в ковше. Обычно в печь присаживают ферромарганец. При этом
угар марганца может достигать 15%. Пример расчета количества раскислителей и
ферросплавов, присаживаемых в металл, без обработки на печи-ковше приводится
ниже.
Таблица 8
|
Элемент
|
Поступило
из периода плавления
|
Перешло
в шлак
|
Содержится
в металле
|
|
|
|
кг,
|
%
|
|
С
|
1,68
|
0
|
0,150
|
0,154
|
|
Si
|
0
|
0
|
0
|
0
|
|
Мn
|
0,243
|
0,109
|
0,103
|
0,105
|
|
Сr
|
0,399
|
0,019
|
0,38
|
0,389
|
|
S
|
0,027
|
0,005
|
0,022
|
0,023
|
|
Р
|
0,0462
|
0,014
|
0,0322
|
0,033
|
|
Мо
|
0,14
|
0
|
0,14
|
0,143
|
|
Fe
|
96,027
|
0,326
|
95,701*
|
98,046
|
|
Cu
|
0,21
|
0
|
0,21
|
0,215
|
|
Ni
|
0,87
|
0
|
0,87
|
0,891
|
|
∑
|
99,642
|
0,473
|
97,608
|
100
|
* С учетом потерь с пылью.
.2 МАТЕРИАЛЬНЫЙ БАЛАНС
ОБРАБОТКИ СТАЛИ В КОВШЕ-ПЕЧИ
Обработка стали в ковше-печи, в отличие от
плавки в конвертере или современной дуговой сталеплавильной печи, процесс
восстановительный. Одним из главных
требований его проведения является наличие
нейтральной или слабо восстановительной атмосферы в ковше. Это дает возможность
наведения восстановительного шлака, обеспечивающего низкий угар раскислителей и
легирующих материалов, а также глубокую десульфурацию металла в условиях
интенсификации процесса продувкой аргоном, К этим операциям и процессам и
сводится материальный баланс обработки стали в ковше-печи. В общем виде он
может быть описан уравнением
М1 + М2 + М3 + М4 +.М5=М6+М7 +
М8
где М1- масса жидкой
стали-полупродукта; М2 - расход шлакообразующих; М3 - поступление материалов из
футеровки ковша; М4 - масса вводимых ферросплавов и легирующих; М5 - расход
аргона;М6 -выход жидкой стали; М7- количество образовавшегося шлака; М8- количество
образовавшегося газа.
Для удобства расчета баланс, как правило,
составляется на 100 кг жидкой стали- полупродукта.
Составить баланс обработки в
ковше-печи стали марки 40ХНМА. Дополнительное техническое условие: для гарантии
выполнения требования заказчика по технологической пластичности и механическим
свойствам (повышенные относительное сужение и ударная вязкость) необходимо
иметь в стали не более 0,015% серы.
Пользуясь справочными данными,
находим по ГОСТ 4543-71 химический состав стали 40ХНМА и делаем поправку на
допустимое содержание серы (табл. 9).
Таблица 9
Химический состав готовой
стали, масс. %
|
C
|
Si
|
Mn
|
Сr
|
S
|
Р
|
Cu
|
Ni
|
Мо
|
|
0,37...0,44
|
0,17...
0,37
|
0,50…0,80
|
0,6...
0,9
|
<0,015*
|
<0,025
|
<0,30
|
1,25…1,65
|
0,15…0,25
|
* С учетом требований
заказчика.
Состав жидкого полупродукта,
полученного в конвертере с передувом, приведён в табл. 10.
Состав жидкой
стали-полупродукта, масс. %
|
C
|
Si
|
Мn
|
Сr
|
S
|
P
|
Мо
|
Cu
|
Ni
|
|
0,154
|
0
|
0,105
|
0,389
|
0,023
|
0,033
|
0,143
|
0,215
|
0,189
|
Таблица 10
Состав используемых
ферросплавов и раскислителей приведен в табл. 11.
Химический состав используемых
материалов, масс. % Таблица 11
|
Материал
|
С
|
Мn
|
Si
|
Сr
|
S
|
Р
|
Fe
|
Аl
|
|
Ферромарганец
ФМн0,5
|
0,5
|
85,0
|
2,0
|
-
|
0,030
|
0,30
|
12,7
|
-
|
|
Ферросилиций
ФС75
|
-
|
0,4
|
80
|
0,4
|
0,02
|
0,05
|
20,0
|
-
|
|
Феррохром
ФХ100А
|
1
|
-
|
0,8
|
68
|
0,02
|
0,02
|
30,45
|
0,7
|
|
Алюминий
первичный
|
-
|
1,5
|
-
|
-
|
1,5
|
-
|
97
|
Используемый на производстве глинозем содержит: SiO2
- 0,03...0,20%; Fe2O3
- 0,04...0,08%; потери при прокаливании не более 1,0..1,2%, Al2O3
- остальное. Химический состав прочих шлакообразующих и огнеупорных материалов,
используемых в данном расчете взят из табл. 3. Науглероживание стали в случае
необходимости производят продувкой порошком молотых остатков (боя) электрода
или отсевков кокса.
Примем в расчете, глинозем с
содержанием: А1203 - 99,4%; Si02-0,10%;
Fe2O3
- 0,05%; потери при прокаливании 0,6%; науглероживатель с содержанием: С -
99,795%; SiO2 - 0,041%;
СаО - 0,132%; MgO - 0,032%.
Футеровка ковша в зоне шлакового пояса, подвергаемого наиболее интенсивному
износу - периклазодоломитовая. Химический состав футеровки: MgO
- 87%; СаО - 10%, Si02
- 3%. Материальный баланс составим поэтапно на 100 кг жидкого полупродукта.
Раскисление и легирование
Определим количество
ферросплавов (см. табл. 11), которое необходимо присадить в металл для
получения заданного состава стали. При этом, учитывая увеличение массы металла
в процессе обработки, зададим содержание легирующих несколько выше среднего
(см. табл. 9). Величину присадок определим по формуле
МФСПЛ = Мж.Ст. • ([C])гот.ст
- ([C])исх.ст) •100/[C]фспл•
(100-Kуг)
где Мж.Ст. - масса жидкой
стали, кг; [C]гот.ст [С]исх и
[С]фспл - содержание легирующего элемента в готовой стали (среднее по данной
марке стали), в ковше перед раскислением, и в ферросплаве соответственно, %; Kуг.-
угар элемента при раскислении (легировании),%. При обработке в печи-ковше угар
ниже, чем при легировании в ковше и в среднем составляет: для фосфора - 70%,
алюминия и науглероживателя около 30%, для кремния - 15%, марганца, железа и
хрома - 0%. Тогда количество присаживаемого ферромарганца
МФМн05=100•(0,7-0,105)
•100/85•(100-0)=0,7 кг.
Он дополнительно внесет в
расплав, с учетом угара:
Si:
0,7•0,02•0,85=0,012 кг; Fe:
0,7•0,127 = 0,089 кг;
С: 0,7•0,005•0,7 = 0,0024 кг,
Р: 0,7•0,003•0,3 = 0,00063 кг.
Аналогично расход феррохрома
МФХ100А=100•(0,8-0,389)
•100/68•(100-0)=0,604 кг.
Он дополнительно внесет в
расплав, с учетом угара
Si:
0,604•0,008•0,85=0,004 кг; Fe:
0,604•0,3045 = 0,184 кг.
Расход алюминия без расчета
принимается 0,7 кг/т или 0,07 кг на 100кг полупродукта. С ним в металл также
поступит 0,07•0,015•0,85 = 0,001 кг кремния и 0,07•0,015•0,3=0,0003 кг фосфора.
С учетом 30% угара в металл перейдет 0,049 кг алюминия.
Эти ферросплавы и алюминий
попутно внесут в металл 0,012 + 0,001 = 0,013 кг кремния. С учетом этого
количества кремния расход ферросилиция при усвоении кремния 85% составит
МФС75=100•(0,25-0)
•100/80•(100-15)=0,368 кг.
Он внесёт в сталь0,368•0,2 =
0,074 кг Fe.
Всего в сталь поступит 0,089 + 0,184 + 0,074 +
95,701= 96,048кг железа, из которых 95,701кг вносится полупродуктом.
Расход углеродистого порошка с
учетом угара
МС=100•(0,44-0,154)•100/99,795•(100-30)=0,41
кг.
6.3
Состав и количество шлака
Шлаковая смесь, загружаемая в
ковш, состоит из извести и глинозема в соотношении 65:35. Расход смеси обычно
составляет 20...30 кг/т или 2...3 кг на 100 кг полупродукта. Шлаковая смесь 2,5
кг. Внесет (см. табл. 8.3)
из извести:
СаО: 0,88
2,5
0,65 = 1,43
кг,
SiО2: 0,013
2,5
0,65 =
0,021кг,
MgO: 0,02
2,5
0,65 = 0,033
кг,
Al2O3:0,008
2,5
0,65 =
0,013кг,
Fe2О3: 0,012
2,5
0,65 = 0,020
кг;
из глинозема:
А12O3: 0,992
2,5
0,35 = 0,868
кг,
SiO2: 0,001
2,5
0,35 = 0,001
кг.
Содержащимся в глиноземе Fe203 за
малостью пренебрегаем.
В шлак переходит оксидов -
продуктов раскисления в результате присадки ферросплавов:
в результате угара окислится
кремния: 0,368 •0,80•0,15 = 0,044 кг,
из остальных ферросплавов:
0,013•0,15 = 0,002 кг.
Всего окислится кремния:
0,044+0,002=0,046кг. При этом образуется 0,046•60/28=0,098кг Si02.
Помимо кремния в шлак перейдет 0,07•0,30•102/54 = 0,040 кг А1203 в результате
окисления алюминия.
При износе футеровки в зоне
шлакового пояса 1,2 кг/т или 0,12 кг на 100 кг полупродукта в шлак перейдет:
MgO:
0,12•0,87 = 0,104 кг,
СаО: 0,12•0,1 = 0,012 кг,
Si02:
0,12•0,03 = 0,004 кг.
Переходит в шлак из вдуваемого
в металл углеродистого порошка
MgO:
0,41•0,00032 = 0,000 кг,
СаО: 0,41•0,00132 = 0,000 кг,
SiO2:
0,41•0,00041=0,000 кг.
Переходом этих оксидов в шлак с
допустимой точностью можно пренебречь.
По результатам проведенных
расчетов можно определить количество и состав образующегося шлака. Результат
оформим в табл. 12.
Таблица 12
Количество и состав шлака в
ковше-печи
|
Источник
поступления
|
СаО
|
А1203
|
Si02
|
Fe203
|
MgO
|
Итого
|
|
Известь
|
1,43
|
0,013
|
0,021
|
0,020
|
0,033
|
1,517
|
|
Глинозем
|
-
|
0,868
|
0,001
|
-
|
-
|
0,869
|
|
Продукты
раскисления
|
-
|
0,040
|
0,098
|
-
|
-
|
0,138
|
|
Футеровка
|
0,012
|
-
|
0,004
|
-
|
0,104
|
0,120
|
|
Итого,
кг
|
1,442
|
0,921
|
0,124
|
0,020
|
0,137
|
2,644
|
|
Итого,%
|
54,540
|
34,833
|
4,690
|
0,756
|
5,182
|
100
|
Рассматривая результаты
расчетов, приведенные в табл. 12, следует сделать два замечания:
Полученное расчетом содержание Fe203
= 0,756% высоко и может быть лишь в начале процесса. По ходу его развития этот
оксид расходуется на окисление раскислителей и вдуваемого углерода. Таким
образом, Fe203.
выступает как дополнительный окислитель, дополняя растворенный в стали кислород.
6.4
Десульфурация
Вследствие наводки в ковше-печи
активного шлака с высокой десульфурирующей способностью в условиях интенсивного
перемешивания вдуваемым аргоном коэффициент распределения серы между шлаком и
металлом
Ls
= (S) / [S]
достигает
... 1000. Учитывая повышенное
содержание в шлаке Si02
и высокие требования заказчика, принимаем эту величину равной 250, т.е. в два
раза меньше нижнего значения. Рассчитаем содержание серы в стали после
обработки в печи-ковше:
[S]
= [S]0/(1 +Ls•a/100),
сталеплавильный
футеровка сплав шихта
где а - количество шлака в % от
массы металла, [S]0 и [S]
- содержание серы в стали в исходном (до обработки) и конечном (после
обработки) состояниях. Вносимой ферросплавами серой можно на данном этапе
пренебречь.
Тогда конечное содержание серы
в металле гарантированно не превысит
[S]
= 0,022 / (1 + 250•2,644/100) = 0,003%.
Это содержание серы при обычной
технологии обработки значительно ниже допустимого техническими условиями и
дополнительных мер по снижению серы в металле принимать не требуется.
6.5
Количество газа
В процессе обработки в
ковше-печи газ образуется в основном в результате окисления углерода и потерь
при прокаливании шлаковых материалов. При наведении шлака выделится:
из извести: 6,7 / 100•5•0,65 =
0,218 кг,
из глинозема: 0,6 / 100•5•0,35
= 0,011 кг,
% угара углерода, вдуваемого в
металл с образованием
СО:0,41•30 /100•28 /12 =0,287
кг,
% угара углерода, вносимого
ферромарганцем:
,7•0,5 / 100•0,3•28 / 12 =
0,0025 кг.
Итого образуется газа:
,218 + 0,011 + 0,287 + 0,0025 =
0,520 кг. Используемый при продувке аргон не учитывается, так как инертный газ
с компонентами стали и шлака не взаимодействует. Аргон проходит ванну и без
изменения количества из нее уходит.
6.6
Выход жидкой стали
Для составления баланса металла
определим, сколько всего внесено компонентов полупродуктом, ферросплавами с
учетом фактического химического состава ферросплавов. При этом учтем, что
углерод в графитовом порошке - неметалл и не растворен в жидком металле. Однако
он переходит в жидкий металл и после этого является компонентом стали.
Углерод поступает с
полупродуктом, ферросплавами и порошком науглероживателя в количестве
0,154+0,700•0,005+0,41=0,57кг. Остальные элементы вносятся полупродуктом и
ферросплавами с учетом их содержания, но без учета угара. Результаты оформим в
виде табл. 13.
Таблица 13
Баланс металла
|
Элемент
|
Поступило,
кг*
|
Перешло
в шлак, кг
|
Перешло
в газ, кг
|
Содержится
в металле
|
|
|
|
|
кг
|
%
|
|
С
|
0,57
|
|
0,171
|
0,4
|
0,328
|
|
Si
|
0,31
|
0,046
|
0
|
0,264
|
1,327
|
|
Мn
|
1,007
|
0
|
0
|
1,007
|
0,990
|
|
Cr
|
1,26
|
0
|
0
|
1,26
|
1,239
|
|
S
|
0,021
|
0,020
|
0
|
0,001
|
0,001
|
|
P
|
0,037
|
0,026
|
0
|
0,011
|
0,011
|
|
Al
|
0,068
|
0,020
|
0
|
0,048
|
0,047
|
|
Fe
|
97,249
|
0
|
0
|
97,249
|
95,644
|
|
Cu
|
0,21
|
0
|
0
|
0,21
|
0,201
|
|
Ni
|
0,21
|
0
|
0
|
0,21
|
0,201
|
|
Итого
|
102,111
|
0,291
|
0,143
|
101,678
|
100,000
|
* Без учета угара.
Невязка
102,111-(0,291+0,143+101,678) = 0.
Выход жидкой стали
101,678/102,111•100 = 99,56% от введенных в печь-ковш исходных материалов.
Материальный баланс обработки стали в печи-ковше приводится в табл. 14. Невязка
0,693 кг, или 0,63%.
Таблица 14
Материальный баланс плавки
|
Поступило
|
Получено
|
|
Материал
|
Количество,
кг
|
Продукт
|
Количество,
кг
|
|
30ХГСА
|
70
|
Сталь
|
101,678 1
|
|
У13
|
30
|
|
|
|
Известь
|
3,250
|
|
|
|
Глинозем
|
1,750
|
Шлак
|
5,402
|
|
Ферромарганец
|
0,909
|
|
|
|
Феррохром
|
1,079
|
Газ
|
0,275
|
|
Ферросилиций
|
1,838
|
|
|
|
Алюминий
|
0,07
|
Невязка
|
-0,693
|
|
Углеродистый
порошок
|
0,311
|
|
|
|
Итого
|
109,207
|
Итого
|
109,207
|
7. Охрана труда и
техники безопасности. Охрана окружающей среды
На производственной площадке НСММЗ в г.Ревда
завершился очередной этап мероприятий по улучшению условий труда и уменьшению
воздействия электросталеплавильного производства на окружающую среду. С целью
снижения загрязнения рабочей зоны и атмосферного воздуха была проведена
модернизация существующих стендов сушки с установкой дожигания фенолов,
формальдегида и других вредных веществ, образующихся в процессе сушки футеровки
сталеразливочных ковшей.
В результате модернизации удалось улучшить
показатели санитарных норм в цехе и усовершенствовать управление
технологическим процессом путем внедрения АСУ ТП. При этом полностью решена
проблема утилизации паров тяжелых углеводородов, введен в эксплуатацию
промышленный пылесос BlowVac SL4000 Diesel 80, позволяющий существенно снизить
воздействие вредных производственных факторов в цехах и улучшить условия труда
персонала. Система централизованной пылеуборки обеспечивает сбор и удаление
пыли, оседающей на технологическом оборудовании, конструкциях и территории
цеха. При этом каждый из её участков функционирует автономно, обеспечивая
последовательную очистку всех площадей. За одну рабочую смену (8 часов) пылесос
всасывает 7 тыс. кг сыпучего материала, пыли и гранул. Применение нового
оборудования позволяет также технически решить проблему централизованного сбора
побочных продуктов технологического процесса для их последующей утилизации или
повторной переработки. Стоимость нового оборудования составила более 180 тыс.
евро. Более 150 млн. рублей направило в 2009 году на охрану труда персонала и
обеспечение промышленной безопасности производства. Это в 3 раза больше, чем в
2007 году, 124 млн. рублей было выделено предприятием на благоустройство
территории промышленной площадки и ремонт дорог. В конце 2009 года в
электросталеплавильном цехе (ЭСПЦ) был запущен в эксплуатацию промышленный
пылесос. Ведутся проектные работы по подготовке к строительству газоочистки №3.
НСММЗ была положительно оценена комиссией Ростехнадзора, проводившей плановую
комплексную проверку на соблюдение требований промышленной безопасности и
электробезопасности. По результатам проверки был составлен акт-предписание от
24 февраля 2009 года и справка «О состоянии промышленной безопасности », в
которой в частности сказано: «общее впечатление от проводимой проверки, по
сравнению с состоянием промбезопасности при проверке в 2004 году, положительно.
Несмотря на все сложности настоящего времени, принимают все возможные меры по
выделению необходимых финансовых ресурсов для выполнения графиков экспертиз,
капитальных ремонтов, выполнения мероприятий по проводимым экспертизам.
Значительно упорядочилось выполнение требования действующего законодательства
по запуску новых объектов». Политика компании по этому вопросу однозначная -
никакого вредного влияния на окружающую среду новые строящиеся предприятия
оказывать не должны. Поэтому наряду с основным технологическим оборудованием
приобретается лучшее в мире оборудование для очистки, переработки и утилизации
всех негативных факторов, присущих металлургическому производству. Проводимую
политику явно подтверждают несколько престижных наград, полученных ЗАО «НСММЗ»
в области экологии: в 2005 году завод был удостоен Диплома в номинации « Охрана
здоровья и безопасные условия труда», а в 2006 г. получил Диплом «Лидер
природоохранной деятельности в России». В феврале
года ЗАО «НСММЗ» признано лауреатом конкурса «100
лучших организации России» в номинации «Экология и экологический менеджмент», а
бывший генеральный директор - Бутенко В.И. отмечен почетным знаком «Эколог года
2006». ЗАО «НСММЗ » осуществляет свою производственную деятельность с понимаем
ответственности за техногенное воздействие на окружающую среду. Все мероприятия
по снижению удельного потребления природных и энергетических ресурсов,
уменьшению объемов выбросов загрязняющих веществ, утилизации ранее накопленных
и вновь образующихся отходов на предприятии планируются и осуществляются
заблаговременно, не дожидаясь трудностей в решении экологических проблем
воздействия на окружающую среду.
Главная цель политики в области окружающей среды
можно сформулировать, как организация экологически безопасного производства
стали через осознание приоритетного значения природоохранной деятельности. Для
достижения данной цели не только обеспечивается функционирование системы
управления окружающей средой, отвечающей национальным и международным
стандартам, требованиям законодательных и других нормативно-правовых актов РФ,
но и осуществляется постоянное улучшение данной системы. В числе главных
направлений экологической политики постоянное совершенствование технологических
процессов с целью минимизации выбросов и сбросов вредных веществ и производство
экологически безопасной продукции. Для предприятия крайне важно также
обеспечить экологически безопасную транспортировку, хранение, использование и
размещений на территории предприятия отходов производства и потребления, рационально
использовать энергетические, сырьевые и природные ресурсы, успешно управлять
экологическими рисками.
Утилизация электросталеплавильной пыли
представляет собой более серьезную проблему, нежели пыли и шламов других
сталеплавильных производств из-за высокой концентрации тяжелых металлов, и во
многих странах она относится к особо опасным веществам. Работа во вредных
условиях приводит к развитию у работников предприятия профессиональных
заболеваний - в первую очередь, пылевой патологии легких и заболеваний органов
слуха. На НСММЗ не проводятся систематические натурные исследования, измерения
загрязнения атмосферного воздуха и уровней физического (шумового) воздействия
на него. Также зафиксировано превышение уровня шума в жилой застройке.
Установлено невыполнение предприятием санитарно-эпидемиологических требований
при обращении с отходами производства и потребления.
Качество, состав и свойства сточной воды,
которую предприятие выпускает в реку Ревда, не соответствует установленным
требованиям. В частности, при проверке воды было зафиксировано превышение
уровней содержания железа и нефтепродуктов. На здоровье рабочих также влияют
такие факторы как: температуры, влажности, освещенности, давления, наличие
вибрации, шума и другие производственные вредные условия.
Для защиты от вредных факторов таких как:
температура, шум, вибрация и загрязнение окружающей среды проводят ряд мер. Для
защиты от высокой температуры рабочие одевают специальную одежду, костюм
изготавливается из шинельного сукна с огнезащитной пропиткой. Основными
методами борьбы с разного рода шумами и вибрацией являются:
. Уменьшение шума и вибрации в
источнике их возникновения: совершенствование конструкции (расчёт фундамента,
системы амортизаторов или виброизоляторов).
. Звукопоглощение и виброизоляция.
. Установка глушителей шума и
вибрации, экранов, виброизоляторов.
. Рациональное размещение работающего
оборудования и цехов.
. Применение средств индивидуальной
защиты (для защиты от шума: беруши, наушники; для защиты от вибрации -
виброгасящие рукавицы).
. Вынесение шумящих агрегатов и
устройств от мест работы и проживания людей, зонирование.
Проведенные экспериментальные исследования
опытно-промышленного образца устройства регулирования напряжения и реактивного
сопротивления с ДСП вместимостью 6 тонн показали возможность комплексного
решения вопросов повышения производительности дуговых сталеплавильных печей (на
17-20 % в период расплавления), осуществления плавного регулирования токовых
нагрузок в соответствии с требованиями технологического процесса выплавки
стали, изменением начальных углов, управления тиристоров, улучшения тепловых
режимов электропечного агрегата, снижения вредного влияния электропечной
нагрузки на систему электроснабжения и уровня шума в процессе плавки.
Для защиты атмосферного воздуха, почвы, водных
ресурсов необходимо устанавливать современные газоочистительные и
водоочистительные сооружения. Это позволит улучшить условия труда на самом
предприятии, так и на экологию региона и всего мира в целом.
Заключение
В результате проведенной выпускной работы была
изучена технология выплавки стали 35ХГСА в сталеплавильной печи с последующей
обработкой в ковше-печи, а также был произведен расчёт геометрии печи и
тепловой расчёт футеровки.
Также в выпускной работе приведены
характеристика завода, его сырьевая и энергетическая база, общая схема
производства, характеристика сталеплавильного цеха, назначение выплавляемого
сплава, технологическая схема и технология производства сплава, а так же
рассмотрено состояние экологии и БЖД на Нижнесергинском метизо-металлургическом
заводе.
Библиографический
список
1. Афанасьев
В.В Размеры и форма ванны круглой дуговой печи //Электрометаллургия.- 2005.
-№1. -С.17-21.
2. Егоров
А.В. Расчёт мощности и параметров электропечей чёрной металлургии. - М.: Металлургия,
1990. -280с.
. Кудрин
В.А. Теория и технология производства стали: Учебник для вузов.- М.:
Мир,
2003. -529с.
. Поволоцкий
Д.Я., Кудрин В.А., Вишкарёв А.Ф. Внепечная обработка стали: Учебник для вузов.
-М.: МИСИС, 1995. -592с.
. Рощин
А.В., Поволоцкий В.П., Грибанов В.П.Производство стали. Решение практических
задач: Учебное пособие. -М.: ЮУрГУ, 2006. -8с, 21-28с, 41-47с, 58-61с.
Приложение А
Назначение, химический состав и свойства сплава
35ХГСА
Сталь 35ХГСА используется для производства таких
изделий как: фланцы, кулачки, пальцы, валики, рычаги, оси, детали сварных
конструкций и другие улучшаемые детали сложной конфигурации, работающие в
условиях знакопеременных нагрузок.
Химический состав выплавляемой стали.
|
C
|
Cr
|
Ni,не более
|
Cu,не более
|
Mn
|
Si
|
P,не более
|
S,не более
|
|
0.32-0.39
|
1.1-1.4
|
0.30
|
0.30
|
0.80-1.1
|
1.1-1.4
|
0.025
|
0.025
|
Технологические свойства стали 35ХГСА.
Температура ковки: Начала 1250, конца 860-880.
Сечения до 100 мм охлаждаются на воздухе, 101-200 мм - в мульде, 201-300 мм - с
печью.
Свариваемость: Ограниченно свариваемая.
Способы сварки: РДС, АДС под флюсом и газовой
защитой, АрДС. Рекомендуется подогрев и требуется последующая термообработка,
КТС без ограничений.
Обрабатываемость резанием: В горячекатаном
состоянии при НВ 207-217 и σB = 710 МПа
Склонность к отпускной способности: склонна
Флокеночувствительность: чувствительна.
Температура критических точек стали 35ХГСА.
Физические свойства стали 35ХГСА.
|
Температура
испытания,°С
|
20
|
100
|
200
|
300
|
400
|
500
|
600
|
700
|
800
|
900
|
|
Модуль
упругости при сдвиге кручением G, ГПа
|
84
|
82
|
79
|
75
|
71
|
66
|
62
|
54
|
47
|
|
Ударная вязкость, KCU, Дж/см2
|
Состояние
поставки, термообработка
|
-40
|
-60
|
|
Закалка
880 С, масло. Отпуск 200 С, воздух
|
49
|
39
|
|
Закалка
880 С, масло. Отпуск 300 С, воздух
|
49
|
39
|
|
Закалка
880 С, масло. Отпуск 400 С, воздух
|
39
|
29
|
|
Изотермическая
закалка 880 С, селитра 300 С. Отпуск 300 С, 1 ч, воздух
|
62
|
53
|
|
Изотермическая
закалка 880 С, селитра 300 С. Отпуск 400 С, 1 ч, воздух
|
48
|
37
|
Приложение Б
Электросталеплавильная печь ДСП-125
|
D
|
D1
|
Dсв
|
d1
|
d2
|
dэ
|
dр.э
|
H
|
hп
|
hсв
|
|
6,965
|
6,365
|
2,1
|
6,065
|
4,145
|
0,5
|
1,05
|
4,875
|
1,2
|
3,225
|
0,315
|
Приложение В
Технологическая схема производства
Приложение Г
|
Компоненты
шихты
|
C
|
Si
|
Mn
|
Cr
|
Cu
|
Ni
|
P
|
S
|
Fe
|
Al
|
|
Отходы
30ХГСА
|
0,196
|
0,63
|
0,56
|
0,56
|
0,21
|
0,21
|
0,018
|
0,018
|
67,599
|
0
|
|
Отходы
У13
|
0,405
|
0,096
|
0,06
|
0
|
0
|
0
|
0,009
|
0,009
|
29,421
|
0
|
|
ФМн0,5
|
0,5
|
2
|
85
|
0
|
0
|
0
|
0,3
|
0,03
|
12,7
|
0
|
|
ФС75
|
0
|
80
|
0,4
|
0,4
|
0
|
0
|
0,05
|
0,02
|
20
|
0
|
|
ФХ100А
|
1
|
0,8
|
0
|
68
|
0
|
0
|
0,02
|
0,02
|
30,45
|
0,7
|
|
Алюминий
первичный
|
0
|
1,5
|
0
|
0
|
0
|
0
|
1,5
|
0
|
0
|
97
|
|
|
|
|
|
|
|
|
|
|
|
|
|
|
Результаты расчётов шихты и химического состава
продуктов плавки
|
Поступило
|
Получено
|
|
Материал
|
Количество,
кг
|
Продукт
|
Количество,
кг
|
|
30ХГСА
|
70
|
Сталь
|
101,678
|
|
У13
|
30
|
|
|
|
Известь
|
3,250
|
|
|
|
Глинозем
|
1,750
|
Шлак
|
5,402
|
|
Ферромарганец
|
0,909
|
|
|
|
Феррохром
|
1,079
|
Газ
|
0,275
|
|
Ферросилиций
|
1,838
|
|
|
|
Алюминий
|
0,07
|
Невязка
|
-0,693
|
|
Углеродистый
порошок
|
0,311
|
|
|
|
Итого
|
109,207
|
Итого
|
109,207
|
Материальный баланс плавки