Проектирование блока смены светофильтров фотокалориметра КФК 3 с микропрограммным управлением
Введение
Решающими факторами повышения
производительности труда, сближения физического и умственного труда являются
механизация и автоматизация производства. Под механизацией понимается
применение машин и механизмов, заменяющих мускульный труд рабочего. В полностью
механизированных производствах роль человека сводится к управлению и наладке
машин и механизмов. Автоматизация - это механизация управления
производственными процессами. В автоматизированном производстве обслуживающий
персонал занимается наладкой и ремонтом механизмов и систем управления. Вместе
с тем появилась новая область приложения труда инженеров на производстве -
математическое обеспечение систем автоматического управления.
В последнее десятилетие претерпели
значительные изменения все аспекты автоматизации. Если теория автоматического
управления развивалась эволюционным путем, то развитие элементной базы систем
автоматического управления претерпело революционные изменения. Появление
полупроводниковых приборов, интегральных схем и особенно цифровой и
микропроцессорной техники существенно расширило функциональные возможности
систем автоматического управления технологическими процессами и установками.
В настоящее время невозможно решить задачу
автоматизации производства без применения микроэлектроники. Микроэлектроника
как новое научно-техническое направление решает проблему создания
высоконадежной, экономической и миниатюрной радиоэлектронной аппаратуры,
вычислительной техники и систем автоматизации при широком наборе выполняемых
функций и большом объеме перерабатываемой информации.
Развитие микроэлектронной технологии ведет к повышению уровня
автоматизации и снижению стоимости систем управления. И в большой мере это
связано с развитием микропроцессорной техники.
Замечательным свойством микропроцессорных систем является их
высокая гибкость, возможность быстрой перенастройки при необходимости даже
значительных изменений алгоритмов управления. Как правило, перенастройка
осуществляется программным путем без существенных производственных затрат. Более
того, микропроцессоры позволяют легко реализовать принципы открытых систем,
функциональные возможности которых могут наращиваться по мере необходимости или
по мере появления новых технических средств. Тем самым обеспечивается
соответствие технического уровня микропроцессорных систем управления самым
современным требованиям в течение длительного времени. Универсальность
микропроцессорных систем обеспечивает их доступность широкому кругу
потребителей.
Характерные особенности микропроцессорных информационно -
управляющих систем, предназначенных для автоматизации технологических
процессов:
• наличие ограниченного набора четко сформулированных задач;
• требования оптимизации структуры системы для конкретного
применения;
• работа в реальном масштабе времени, т.е. обеспечение
минимального времени реакции на изменение внешних условий;
• наличие развитой системы внешних устройств, их большое
разнообразие;
• существенное различие функциональных задач;
• высокие требования по надежности с учетом большой
продолжительности непрерывной работы;
• сложные условия эксплуатации;
• обеспечение автоматического режима работы или режима с
участием оператора как элемента системы.
1.
Описание фотоколориметра КФК - 3
.1 Принцип действия и
назначение колориметра
Принцип действия колориметра основан на
поочередном измерении светового потока F0, прошедшего через
растворитель или контрольный раствор, по отношению к которому производится
измерение, и потока F, прошедшего через исследуемую среду.
Световые потоки F0, F фотоприемниками преобразуются
в электрические сигналы U0 и U, которые обрабатываются микро-ЭВМ колориметра и
представляются на цифровом табло в виде коэффициента пропускания, оптической
плотности, концентрации, активности.
С помощью микро-ЭВМ рассчитывается коэффициент пропускания
исследуемого раствора по формуле.
.
где
- величина сигнала при перекрытом
световом потоке.
Оптическая плотность
исследуемого раствора рассчитывается по формуле
.
Измерение концентрации исследуемого раствора на колориметре
возможно при соблюдении основного закона светопоглощения, т.е. при линейной
зависимости оптической плотности
исследуемого раствора от концентрации С.
Концентрация исследуемого раствора рассчитывается по формуле:
.
где
- коэффициент факторизации, получаемый из
градуировочных данных. Активность А рассчитывается по формуле
.
где
и
- оптическая плотность исследуемого раствора в начале и в конце
измерения; t - время измерения в минутах.
Градуировочная характеристика составляется потребителем по набору
растворов с известной концентрацией.
.2
Блок-схема электрическая колориметра
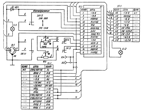
Электрическая блок-схема колориметра (рис.
1.) состоит из преобразователей светового излучения в электрические сигналы
(фотоприемников), измерительного усилителя постоянного тока (УПТ),
стабилизаторов напряжения и микропроцессорной системы.
Фотоприемники и измерительный УПТ с
переключателем фотоприёмников размещены в колориметрическом блоке (А1);
стабилизаторы напряжения - в блоке питания (A3), а микропроцессорная система
(А2) в верхней части прибора.
Рис. 1. Электрическая блок-схема
колориметра
В колориметрическом блоке колориметра
размещены осветитель EL1, фотоприёмники ВL1 и УД1, печатная плата
измерительного УПТ (А1), переключатель фотоприемников SAL.
Подключение фотоприемников BL1 и УД1 к входу УПТ (А1) осуществляется переключателем SAL. При работе с фотоэлементом (ВL1) ток
, возникающий в нем под действием светового потока
, проходит через сопротивление нагрузки R6 (А1, рис. 2), на котором создается напряжение, равное
.
.3
Усилитель постоянного тока
Рис. 2. Усилитель постоянного тока
Сопротивление нагрузки состоит из трех
резисторов R6-1,
R6-2 и R6-3, которые для подбора
чувствительности могут замыкаться перемычками в комбинациях: 1-2; 2-3 и 1-3
(перепайка осуществляется в заводских условиях при настройке прибора или при
его капитальном ремонте. Это напряжение подается на неинвертирующий вход
операционного усилителя типа К284УД1А, на котором построен измерительный УПТ.
Поданный сигнал усиливается по току и напряжению и через разъем XS1 подается в
вычислительный блок. Изменение коэффициента усиления УПТ в пределах 1 - 6 раз
осуществляется за счет изменения глубины отрицательной обратной связи
резистором R8.
Данная регулировка производится при начальной настройке колориметра, после
смены фотоприемника, осветительной лампы, а также при регламентном осмотре
технического состояния прибора. Коэффициент усиления усилителя устанавливается
такой величины, чтобы максимальное выходное напряжение УПТ при максимальном
световом потоке лежало в пределах 4 - 4,8В.
Время установления выходного напряжения
УПТ определяется постоянной времени R6-C2.
.4
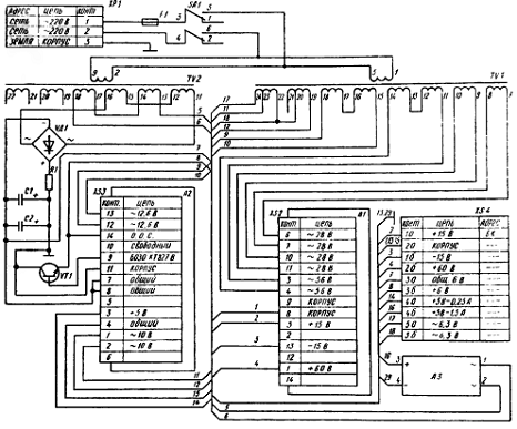
Колориметрический блок
Принципиальная схема колориметрического
блока показана на рисунке 3.
Рис. 3. Схема электрическая принципиальная
колориметрического блока
Для измерения в области излучения 590 -
980 нм вместо фотоэлемента Ф26 (BL1) па вход УПТ подключается фотодиод ФД-24 К
(УД1). Как следует из схем рис. 2 и 3, фотодиод включен на инвертирующий вход
операционного усилителя как генератор тока. В этом случае операционный
усилитель служит преобразователем тока в напряжение. Нагрузкой фотодиода
является входное сопротивление операционного усилителя, которое при замкнутой
цепи отрицательной обратной связи (через резисторы R2-1, R2-2 и R2-3 на рис. 4) является
достаточно малым. Фотодиод по этой схеме включения работает практически в
режиме короткого замыкания. Такой режим обеспечивает высокую линейность всей
электрической схемы колориметра имеете с фотодиодом. Указанные резисторы в
такой же комбинации, что и R6-1; R6-2; R6-З, могут замыкаться перемычками.
Напряжение на выходе УПТ для данного
режима работы равно:
,
где
- ток фотодиода;
- сопротивление в цепи отрицательной обратной
связи; К - коэффициент усиления УПТ по напряжению.
Изменение чувствительности электрической схемы при работе с
фотодиодом осуществляется за счет изменения коэффициента усиления УПТ
резистором R10 на печатной плате УПТ. Регулировку
чувствительности схемы как и при работе с фотоэлементом Ф-26 производят при
начальной настройке колориметра, после смены фотодиода и осветительной лампы, а
также при регламентном осмотре технического состояния прибора. Величину
коэффициента усиления УПТ устанавливают так, чтобы максимальное выходное
напряжение УПТ при максимальном световом потоке лежало в пределах 4 - 4,8 В.
Время установления выходного сигнала УПТ при работе с ФД-24К
определяется постоянной времени цепи С1 и R2.
Для балансировки УПТ (установки нулевого напряжения па его выходе
при перекрытом световом потоке) предусмотрены переменные резисторы R1 и R2, ручки
которых «под шлиц» выведены на боковую стенку прибора под надписью НУЛЬ. Для
каждого фотоприемника введена своя установка нуля.
Усилитель постоянного тока имеет собственную параметрическую
стабилизацию питающих напряжений (стабилитроны и резисторы VD1-2 и R1-R7), что повышает стабильность нуля
колориметра. Контрольные гнезда XS4 и XS5 служат для подключения цифрового
вольтметра.
.5
Блок питания
Электрическая принципиальная схема блока
питания приведена на рис. 5.
Рис. 4. Схема электрическая принципиальная
блока питания
Данные элементов схемы приведены в
приложении 2.
1.6
Стабилизаторы напряжения
В блоке питания смонтированы следующие
стабилизаторы напряжения:
6В - для питания осветительной лампы КГМ
6,3-15 и - 5 В - 0,25 А - для питания цифровых микросхем вычислителя (плата А2
рис. 5);
± 15В - для питания аналоговых микросхем
КФК-2 МП и 60 В-для питания фотоэлемента Ф26 (плата 1);
5В - 1,5 А - для питания цепей световой
индикации вычислителя (плата A3).
Рис. 5. Схема электрическая принципиальная
стабилизатора напряжения на 6 и 5 В
Все элементы стабилизаторов напряжения 6 В
и 5В - 0,25 А, кроме электролитических конденсаторов большой емкости Cl, C2 и мощного регулирующего
транзистора VT1, смонтированы на отдельной печатной плате А2, которая
подключается к общей схеме прибора через разъем XS3 (рис. 5). Стабилизаторы
напряжения на минус 15 и 15В (А1 на рис. 5) совершенно одинаковы и построены по
типовой схеме стабилизаторов напряжения с применением транзисторов типа «n-p-n» (рис. 6).
Рис. 6. Электрическая принципиальная схема
стабилизатора напряжения ±15 и +60 В
Отличительной особенностью их является
наличие положительной обратной связи R5, R9 и R6, R10, которая позволяет увеличить коэффициент стабилизации до
200 - 250, а уровень пульсации 100Гц снизить до 3 - 5 мВ. На той же печатной
плате смонтирован параметрический стабилизатор напряжения 60 В на стабилитронах
УД4 и УД5 для питания фотоэлемента Ф-26. Резистор R1 служит для разряда
емкости С1 после выключения прибора.
Стабилизаторы напряжения на 5 В (-0,2А и
1,5А) по схемному построению аналогичны стабилизаторам напряжения ± 15 В и
отличаются от них только величиной опорного и входного напряжений. Цепь
положительной обратной связи в этих стабилизаторах не регулируется. Она выбрана
постоянной, обеспечивающей коэффициент стабилизации не менее 50 для первого
стабилизатора и около 20 для второго. Электрические схемы стабилизаторов
приведены на рис. 5 и 6. Все источники напряжения колориметрического блока
питаются от сети через два трансформатора типа ТАН1-220-50к и ТПП 286-220-50 к.
Принцип работы блока вычислителя
Блок вычислителя состоит из
микропроцессорной системы. Сигнал с выхода УПТ через разъем XS1 поступает в
микропроцессорную систему (МПС). При нажатии определенных клавиш, входящих в
состав клавиатуры МПС, этот сигнал соответствующим образом обрабатывается.
Результаты измерения и расчетов выводятся на цифровое табло.
В вычислительный блок входит система
микропроцессорная «Электроника МС 2703». На передней панели МПС расположены
клавиатура, цифровое табло и два сигнальных светодиода. Клавиатура состоит из
24 клавиш. Клавиша ПУСК предназначена для запуска микропроцессорной системы.
Клавиша «с» предназначена для вызова на цифровое табло из памяти МПС значений
соответствующих коэффициентов для их контроля или ввода новых значений. Клавиша
«СБР» предназначена для стирания значения вызванного коэффициента (в случае
необходимости задания нового значения).
Клавиша УТВ. предназначена для записи в
память МПС нового значения коэффициента, набранного на цифровом табло.
Клавиши «К (1)», «(2)», «Д (5)», «С (4)»
предназначены для выполнения калибровки прибора, измерений коэффициента
пропускания, оптической плотности исследуемого вещества, концентрации вещества
в растворе.
Клавиша «Л (3)» предназначена для
измерения активности.
Клавиша «Ц/Р» предназначена для перевода
МПС в один из двух режимов выполнения измерений: режим одиночных измерений или
режим циклических измерений. В режиме одиночных измерений измерения выполняются
один раз при нажатии соответствующей клавиши; в режиме циклических измерений
первое измерение производится при нажатии соответствующей клавиши и затем
повторяется циклически с периодом 5с до тех пор пока МПС не будет переведена в
режим выполнения одиночных измерений. Перевод МПС из режима циклических
измерений в режим одиночных измерений и обратно происходит при нажатии клавиши
«Ц/Р». Сигнальный светодиод «Ц» и сигнальный светодиод «Р» служат для
отображения режима измерения. В случае, если МПС находится в режиме одиночных
измерений, то горит светодиод «Р», в противном случае горит светодиод «Ц».
Цифровое табло состоит из 6-ти индикаторов. Первый индикатор служит для
отображения одного из символов «3», «2», «1», «4», «5», «О» появляющегося при
нажатии одной из клавит «А (3)», «т (2)», «К(1)>>, «С (4)», «Д (5)»
соответственно и при измерении «нулевого отсчета» пп. Индикаторы 2-6 служат для
вывода результатов измерений и значений параметров «с» и «Ь».
Клавиша «Ш (0)» МПС предназначена для
проверки (измерения) «нулевого отсчета» п0.
2.
Разработка блока смены фотофильтров
Для смены светофильтров предлагается использовать шаговой
двигатель. Шаговый двигатель - это электромеханичское устройство, которое
преобразует электрические импульсы в дискретные механические перемещения. Так,
пожалуй, можно дать строгое определение. Наверное, каждый видел, как выглядит
шаговый двигатель внешне: он практически ничем не отличается от двигателей
других типов. Чаще всего это круглый корпус, вал, несколько выводов.
Однако шаговые двигатели обладают некоторыми уникальными
свойствами, что делает порой их исключительно удобными для применения или даже
незаменимыми.
2.1
Достоинства шагового двигателя
· угол поворота ротора
определяется числом импульсов, которые поданы на двигатель
· двигатель обеспечивает
полный момент в режиме остановки (если обмотки запитаны)
· прецизионное
позиционирование и повторяемость. Хорошие шаговые двигатели имеют точность 3-5%
от величины шага. Эта ошибка не накапливается от шага к шагу
· возможность быстрого
старта / остановки / реверсирования
· высокая надежность,
связанная с отсутствием щеток, срок службы шагового двигателя фактически
определяется сроком службы подшипников
· однозначная зависимость
положения от входных импульсов обеспечивает позиционирование без обратной связи
· возможность получения
очень низких скоростей вращения для нагрузки, присоединенной непосредственно к
валу двигателя без промежуточного редуктора
· может быть перекрыт
довольно большой диапазон скоростей, скорость пропорциональна частоте входных
импульсов
2.2
Недостатки шаговых двигателей
· шаговым двигателем
присуще явление резонанса
· возможна потеря контроля
положения ввиду работы без обратной связи
· потребление энергии не
уменьшается даже без нагрузки
· затруднена работа на
высоких скоростях
· невысокая удельная
мощность
· относительно сложная схема
управления
2.3
Выбор шагового двигателя
Шаговые двигатели относятся к классу бесколлекторных
двигателей постоянного тока. Как и любые бесколлекторные двигатели, они имеют
высокую надежность и большой срок службы, что позволяет использовать их в
критичных, например, индустриальных применениях. По сравнению с обычными
двигателями постоянного тока, шаговые двигатели требуют значительно более
сложных схем управления, которые должны выполнять все коммутации обмоток при
работе двигателя. Кроме того, сам шаговый двигатель - дорогостоящее устройство,
поэтому там, где точное позиционирование не требуется, обычные коллекторные
двигатели имеют заметное преимущество. Справедливости ради следует отметить,
что в последнее время для управления коллекторными двигателями все чаще
применяют контроллеры, которые по сложности практически не уступают
контроллерам шаговых двигателей.
Одним из главных преимуществ шаговых двигателей является
возможность осуществлять точное позиционирование и регулировку скорости без
датчика обратной связи. Это очень важно, так как такие датчики могут стоить
намного больше самого двигателя. Однако это подходит только для систем, которые
работают при малом ускорении и с относительно постоянной нагрузкой. В то же
время системы с обратной связью способны работать с большими ускорениями и даже
при переменном характере нагрузки. Если нагрузка шагового двигателя превысит
его момент, то информация о положении ротора теряется и система требует
базирования с помощью, например, концевого выключателя или другого датчика.
Системы с обратной связью не имеют подобного недостатка.
Основным принципом работы шагового двигателя является
создание вращающегося магнитного поля, которое заставляет ротор поворачиваться.
Вращающееся магнитное поля создается статором, обмотки которого соответствующим
образом запитываются.
Для двигателя, у которого запитана одна обмотка, зависимость
момента от угла поворота ротора относительно точки равновесия является
приблизительно синусоидальной. Эта зависимость для двухобмоточного двигателя,
который имеет N шагов на оборот (угол шага в радианах S = (2*pi)/N), показана
на рис. 9.
Рис. 7. Зависимость момента от угла поворота ротора для одной
запитанной обмотки
Реально характер зависимости может быть несколько другой, что
объясняется неидеальностью геометрии ротора и статора. Пиковое значение момента
называется моментом удержания. Формула, описывающая зависимость момента от угла
поворота ротора, имеет следующий вид:
T = - Th*sin((pi/2)/S)*Ф),
где T - момент, Th - момент удержания, S - угол шага, Ф -
угол поворота ротора.
Если к ротору приложить внешний момент, который превышает
момент удержания, ротор провернется. Если внешний момент не превышает момента
удержания, то ротор будет находится в равновесии в пределах угла шага. Нужно
отметить, что у обесточенного двигателя момент удержания не равен нулю
вследствие действия постоянных магнитов ротора. Этот момент обычно составляет
около 10% максимального момента, обеспечиваемого двигателем.
Иногда используют термины «механический угол поворота ротора»
и «электрический угол поворота ротора». Механический угол вычисляется исходя из
того, что полный оборот ротора составляет 2*pi радиан. При вычислении
электрического угла принимается, что один оборот соответствует одному периоду
угловой зависимости момента. Для приведенных выше формул Ф является
механическим углом поворота ротора, а электрический угол для двигателя,
имеющего 4 шага на периоде кривой момента, равен ((pi/2)/S)*Ф или (N/4)*Ф, где
N - число шагов на оборот. Электрический угол фактически определяет угол
поворота магнитного поля статора и позволяет строить теорию независимо от числа
шагов на оборот для конкретного двигателя.
Если запитать одновременно две обмотки двигателя, то момент
будет равен сумме моментов, обеспечиваемых обмотками по отдельности (рис. 8).
Рис. 8. Зависимость момента от угла поворота ротора для двух
запитанных обмоток
При этом если токи в обмотках одинаковы, то точка максимума
момента будет смещена на половину шага. На половину шага сместится и точка
равновесия ротора (точка e на рисунке). Этот факт и положен в основу реализации
полушагового режима. Пиковое значение момента (момент удержания) при этом будет
в корень из двух раз больше, чем при одной запитанной обмотке.
2 = 2 0.5*Th1,
где Th2 - момент удержания при двух запитанных
обмотках,
Th1 - момент удержания при одной запитанной обмотке.
2.2
Разработка микропрограммного управления сменой светофильтров
.2.1
Практическая реализация драйверов
Драйвер шагового двигателя должен решать две основные задачи:
это формирование необходимых временных последовательностей сигналов и
обеспечение необходимого тока в обмотках. В интегральных реализациях иногда эти
задачи выполняются разными микросхемами. Примером может служить комплект
микросхем L297 и L298 фирмы SGS-Thomson. Микросхема L297 содержит логику
формирования временных последовательностей, а L298 представляет собой мощный
сдвоенный H-мост. К сожалению, существует некоторая путаница в терминологии относительно
подобных микросхем. Понятие «драйвер» часто применяют ко многим микросхемам,
даже если их функции сильно различаются. Иногода микросхемы логики называют
«трансляторами». В этой статье далее будет использоваться следующая
терминология: «контроллер» - микросхема, ответственная за формирование
временных последовательностей; «драйвер» - мощная схема питания обмоток
двигателя. Однако термины «драйвер» и «контроллер» могут также обозначать
законченное устройство управления шаговым двигателем. Необходимо отметить, что
в последнее время все чаще контроллер и драйвер объединяются в одной
микросхеме.
На практике можно обойтись и без специализированных
микросхем. Например, все функции контроллера можно реализовать программно, а в
качестве драйвера применить набор дискретных транзисторов. Однако при этом
микроконтроллер будет сильно загружен, а схема драйвера может получится
громоздкой. Несмотря на это, в некоторых случаях такое решение будет
экономически выгодным. Самый простой драйвер требуется для управления обмотками
униполярного двигателя. Для этого подходят простейшие ключи, в качестве которых
могут быть использованы биполярные или полевые транзисторы. Достаточно
эффективны мощные МОП-транзисторы, управляемые логическим уровнем, такие как
IRLZ34, IRLZ44, IRL540. У них сопротивление в открытом состоянии менее 0.1 ом и
допустимый ток порядка 30А. Эти транзисторы имеют отечественные аналоги КП723Г,
КП727В и КП746Г соответственно. Существуют также специальные микросхемы,
которые содержат внутри несколько мощных транзисторных ключей. Примером может
служить микросхема ULN2003 фирмы Allegro (наш аналог К1109КТ23), которая
содержит 7 ключей с максимальным током 0.5 А. Принципиальная схема одной ячейки
этой микросхемы приведена на рис. 9.
Рис. 9. Принципиальная схема одной ячейки микросхемы ULN2003
Аналогичные микросхемы выпускаются многими фирмами. Необходимо
отметить, что эти микросхемы пригодны не только для питания обмоток шаговых
двигателей, но и для питания любых других нагрузок. Кроме простых микросхем
драйверов существуют и более сложные микросхемы, имеющие встроенный контроллер,
PWM-регулировку тока и даже ЦАП для микрошагового режима.
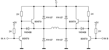
Как уже отмечалось ранее, для управления биполярными двигателями
требуются более сложные схемы, такие как H-мосты. Такие схемы тоже можно
реализовать на дискретных элементах, хотя в последнее время все чаще они
реализуются на интегральных схемах. Пример дискретной реализации показан на
рис. 10.
Рис. 10. Реализация мостового драйвера на дискретных компонентах
Такой H-мост управляется с помощью двух сигналов, поэтому он не
позволяет обеспечить всех возможных комбинаций. Обмотка запитана, когда уровни
на входах разные и закорочена, когда уровни одинаковые. Это позволяет получить
только медленный спад тока (динамическое торможение). Мостовые драйверы в
интегральном исполнении выпускаются многими фирмами. Примером могут служить
L293 (КР1128КТ3А) и L298 фирмы SGS-Thomson.
До недавнего времени большое количество микросхем для управления
шаговыми двигателя выпускала фирма Ericsson. Однако 11 июня 1999 года она
передала производство своих микросхем индустриального назначения фирме New
Japan Radio Company (New JRC). При этом обозначения микросхем помянялись с
PBLxxxx на NJMxxxx.
Как простые ключи, так и H-мосты могут составлять часть ключевого
стабилизатора тока. Схема управления ключами может быть выполнена на дискретных
компонентах или в виде специализированной микросхемы. Довольно популярной
микросхемой, реализующей ШИМ-стабилизацию тока, является PIC16F84. Совместно с микросхемой мостового драйвера L293 или L298 они
образуют законченную систему управления для шагового двигателя (рис. 11).
Рис. 11. Схема управления шагового двигателя
Транзисторы сильно разгружают управляющий
микроконтроллер, так как от него требуется только тактовая частота CLOCK
(частота повторения шагов) и несколько статических сигналов: DIRECTION -
направление (сигнал внутренне синхронизирован, переключать можно в любой
момент), HALF/FULL - полушаговый / полношаговый режим, RESET - устанавливает
фазы в исходное состояние (ABCD = 0101), ENABLE - разрешение работы микросхемы,
V ref - опорное напряжение, которое задает пиковую величину тока при
ШИМ-регулировании. Кроме того, имеется несколько дополнительных сигналов.
Сигнал CONTROL задает режим работы ШИМ-регулятора. При его низком уровне
ШИМ-регулирование происходит по выходам INH1, INH2, а при высоком - по выходам
ABCD. SYNC - выход внутреннего тактового генератора ШИМ. Он служит для
синхронизации работы нескольких микросхем. Также может быть использован как
вход при тактировании от внешнего генератора. HOME - сигнал начального
положения (ABCD = 0101). Он используется для синхронизации переключения режимов
HALF/FULL. В зависимости от момента перехода в полношаговый режим микросхема
может работать в режиме с одной включенной фазой или с двумя включенными
фазами.
Ключевое регулирование реализуют и многие другие микросхемы.
Некоторые микросхемы обладают теми или иными особенностями, например драйвер
LMD18T245 фирмы National Semiconductor не требует применения внешнего датчика
тока, так как он реализован внутри на основе одной ячейки ключевого
МОП-транзистора.
Некоторые микросхемы предназначены специально для работы в
микрошаговом режиме. Примером может служить микросхема A3955 фирмы Allegro. Она
имеет встроенный 3-битный нелинейный ЦАП для задания изменяющегося по
синусоидальному закону тока фазы.
Рис. 12. Зависимость фазы шага от тока через обмотки
Смещение ротора в зависимости от токов
фаз, которые сформированы этим 3-битным ЦАПом, показано на рис. 12. Микросхема
A3972 имеет встроенный 6-битный линейный ЦАП.
2.2.2
Разработка программы управления шаговым двигателем
Версия программы, которая позволяет
осуществлять разгон и торможение двигателя с постоянным ускорением, а также
вращение на постоянной скорости в полношаговом или полушаговом режиме приведена
в приложении. Эта программа содержит весь необходимый набор функций и может быть
использована как базовая для написания специализированных программ. Поэтому
имеет смысл рассмотреть ее структуру более подробно.
Главной задачей программы является
формирование импульсных последовательностей для 4-х обмоток двигателя.
Поскольку для этих последовательностей временные соотношения являются
критичными, формирование выполняется в обработчике прерывания таймера 0. Можно
сказать, основную работу программа делает именно в этом обработчике. Блок-схема
обработчика приведена на рис. 13.
Рис. 13. Блок-схема обработчика прерывания таймера
Последовательность чередования фаз задана
таблично. В памяти программ микроконтроллера имеются три разных таблицы: для
полношагового режима без перекрытия фаз, полношагового с перекрытием и для
полушагового режима. Все таблицы имеют одинаковую длину 8 байт. Нужная таблица
в начале работы загружается в ОЗУ, что позволяет наиболее просто переходить
между разными режимами работы двигателя. Выборка значений из таблицы происходит
с помощью указателя PHASE, поэтому переключение направления вращения двигателя
тоже осуществляется очень просто: для вращения вперед требуется
инкрементировать указатель, а для вращения назад - декрементировать.
Самая «главная» переменная в программе -
это 24-битная знаковая переменная VC, которая содержит значение текущей
скорости. Знак этой переменной определяет направление вращения, а значение -
частоту следования шагов. Нулевое значение этой переменной говорит о том, что
двигатель остановлен. Программа в этом случае выключает ток всех фаз, хотя во
многих приложениях в этой ситуации требуется оставить включенными текущие фазы
и лишь несколько уменьшить их ток, обеспечив этим удержание положения
двигателя. При необходимости такое изменение логики работы программы сделать
очень просто.
Таким образом, в случае переполнения
программного таймера STCNT происходит анализ значения переменной VC, в случае
положительного значения указатель PHASE инкрементируется, а в случае
отрицательного - декрементируется. Затем из таблицы выбирается очередная
комбинация фаз, которая выводится в порт. В случае нулевого значения VC
указатель PHASE не изменяется, и в порт выводятся все нулевые значения.
Величина T, которой следует загружать
таймер STCNT, однозначно связана со значением переменной VC. Однако перевод
частоты в период занимает довольно много времени, поэтому эти вычисления
производятся в основной программе, и не на каждом шаге, а гораздо реже. Вообще,
эти вычисления нужно периодически производить только во время разгона или торможения.
В остальных случаях скорость, и, соответственно, период повторения шагов, не
меняются.
Для осуществления ШИМ-стабилизации тока
фазы должны периодически включаться, а затем, при достижении током заданного
уровня, выключаться. Периодическое включение производится в прерывании таймера
0, для чего даже в случае отсутствия переполнения программного таймера STCNT в
порт выводится текущая комбинация фаз. Происходит это с периодом 25 мкс (что
соответствует частоте ШИМ 40кГц). Выключением фаз управляют компараторы, выходы
которых подключены к входам прерывания INT0 и INT1. Прерывания разрешаются
после того, как ток фаз включается, и запрещаются сразу после переключения
компараторов. Это исключает их повторную обработку. В обработчиках прерываний
происходит только отключение соответствующих фаз (рис. 14).
Рис. 14. Блок-схема обработчика прерываний INT0 и INT1
Процессы, происходящие при
ШИМ-стабилизации тока, показаны на рис. 15. Особо следует отметить, что ток в
датчике тока имеет прерывистый характер даже в том случае, если ток обмотки не
прерывается. Это связано тем, что во время спада тока его путь не проходит
через датчик тока (а проходит через диод).

Нужно сказать, что аналоговая часть
системы ШИМ-стабилизации тока фаз двигателя является довольно «капризной». Дело
в том, что сигнал, снимаемый с датчика тока, содержит большое количество помех.
Помехи возникают в основном в моменты коммутации обмоток двигателя, причем как
«своей», так и «чужой» фазы. Для правильной работы схемы требуется корректная
разводка печатной платы, особенно это касается земляных проводников. Возможно,
придется подобрать номиналы ФНЧ на входе компаратора или даже ввести в
компаратор небольшой гистерезис. Как уже отмечалось выше, при управлении
маломощными двигателями от ШИМ-стабилизации тока можно вовсе отказаться,
применив обычную L/R-схему питания обмоток. Для исключения ШИМ-стабилизации
достаточно просто не подключать входы INT0 и INT1 микроконтроллера,
естественно, при этом можно вообще не устанавливать компаратор и датчики тока.
Заключение
В данном проекте нами проведено проектирование блока смены светофильтров
фотокалориметра КФК 3 с микропрограммным управлением. Разработана схема
драйвера шагового двигателя, программа управления микроконтроллером.
Литература
фотоколориметр микропрограммный управление
светофильтр
1. Бродин
В.Б., Калинин А.В. Системы на микроконтроллерах и БИС программируемой логики. -
М.: ЭКОМ, 2002. - ISBN 5-7163-0089-8
2. Жан
М. Рабаи, Ананта Чандракасан, Боривож Николич Цифровые интегральные схемы.
Методология проектирования = Digital Integrated Circuits. - 2-е изд. - М.:
Вильямс, 2007. - ISBN 0-13-090996-3
. Микушин
А. Занимательно о микроконтроллерах. - М.: БХВ-Петербург, 2006. - ISBN
5-94157-571-8
. Новиков
Ю.В., Скоробогатов П.К. Основы микропроцессорной техники. Курс лекций. - М.:
Интернет-университет информационных технологий, 2003. - ISBN 5-7163-0089-8
. Фрунзе
А.В. Микроконтроллеры? Это же просто! Т. 1. - М.: ООО «ИД СКИМЕН», 2002. - ISBN
5-94929-002-X
. Букашкин
С.А., Лисицын Г.Ф., Миронов В.Г. Применение цифровых процессоров обработки
сигналов - магистральный путь развития современных средств телекоммуникаций //
Сборник докладов 3-й межд. конф. «Цифровая обработка сигналов и ее применение».
Т. 1. Москва. 2000. с. 3-4.
. Корнеев
В.В., Киселев А.В. Современные микропроцессоры. М.: Нолидж, 1998. 240 с.
. Марков
С. Цифровые сигнальные процессоры. М.: «Микроарт», 1996.
. Процессоры
цифровой обработки сигналов компании Texas Instruments Inc. М.: «СКАН», 1999.
. Рабинер
Л., Гоулд Б. Теория и применение цифровой обработки сигналов: Пер. с англ. под
ред. Ю.Н. Александрова М.: Мир, 1978. 848 с.