Проектирование радиовещательного передатчика с амплитудной модуляцией

  • Вид работы:
    Дипломная (ВКР)
  • Предмет:
    Информатика, ВТ, телекоммуникации
  • Язык:
    Русский
    ,
    Формат файла:
    MS Word
    585,86 kb
  • Опубликовано:
    2011-06-15
Вы можете узнать стоимость помощи в написании студенческой работы.
Помощь в написании работы, которую точно примут!

Проектирование радиовещательного передатчика с амплитудной модуляцией

1. Техническое задание

Спроектировать радиовещательный передатчик с АМ (ПРВАМ) со следующими параметрами:

·        Мощность в антенне (нагрузке ) P~=100 кВт;

·        Волновое сопротивление фидера ρФ=150 Ом;

·        КПД фидера ηф = 0.80;

·        Коэффициент бегущей волны КБВ = 0.8;

·        Максимальный индекс модуляции m = 1;

·        Диапазон рабочих частот fmin - fmax, 0.1 - 0.3МГц;

·        Диапазон частот модуляции ΔF = 50 10000 Гц;

·        несущая частота f0=200 кГц.

Анализ технического задания:

Радиовещательные передатчики (ПРВ) с АМ применяемые в диапазонах длинных, средних и коротких волн по своим параметрам должны соответствовать ГОСТ 1392468. В ламповых вариантах передатчиков для получения АМ сигнала заданной мощности наиболее распространены анодная, анодно-экранная или комбинированная (по нескольким электродам) модуляция в оконечном каскаде, реже применяется усиление модулированных колебаний (УМК).

В рамках данной работы проведены следующие расчеты:

·        оконечного каскада в пиковой, минимальной и телефонной точках, а также при 100% -й глубине модуляции;

·        модулирующего устройства и электрических параметров его элементов; трансформатора, дросселей, блокировочных конденсаторов;

·        выходной колебательной системы;

2. Выбор способа построения проектируемого устройства

Для реализации данного устройства был выбран вариант реализации с анодной модуляцией вследствие ее высокой энергоэффективности, хорошей линейности и широкого применения в радиовещательных передатчиках [1], [2].Структурная схема проектируемого устройства представлена на рисунке 1.

Рисунок 2.1. Структурная схема проектируемого радиовещательного передатчика с АМ.

Ориентировочный расчет радиопередатчика с АМ по структурной схеме

Согласно техническому заданию, передатчик должен обладать следующими параметрами: P~= 100 кВт;

индекс модуляции m = 1;

диапазон рабочих частот fmin fmax = 0.1 0.3 МГц.

Исходя из заданных выше параметров произведем ориентировочный расчет элементов радиопередатчика.

Пиковая мощность в антенне при этом составит:

 

Мощности P1T и P1max, отдаваемые приборами ОК определяются формулами:

 

 

где  ориентировочный КПД выходной колебательной системы. выбранный из таблицы, приведенной в [3] и [4], КПД фидера.

Тогда P1T= 136 кВт, P1max= 544 кВт.

В связи с тем, что в ОК реализована анодная модуляция то номинальная мощность ЭП выбирается по правилу P1ном⋍2P1T= 272 кВт (номинальная мощность генераторных ламп).

Т.к. при разработке ОК использовалась двухтактная схема, то P1ном лампы= .

Выбор типа лампы осуществляется по таким параметрам как P1ном ламы и максимальной рабочей частоте fmax.

По справочным таблицам, представленным в[1] и [4] была выбрана лампа ГУ 66 Б, имеющая следующие параметры [5]: Ea ном= 10 кВ; S = 0.16 А/В, Pном справ= 150 кВт.

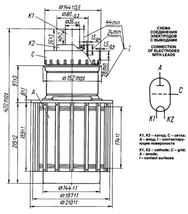
Описание лампы ГУ 66 Б приведено в приложении 1.

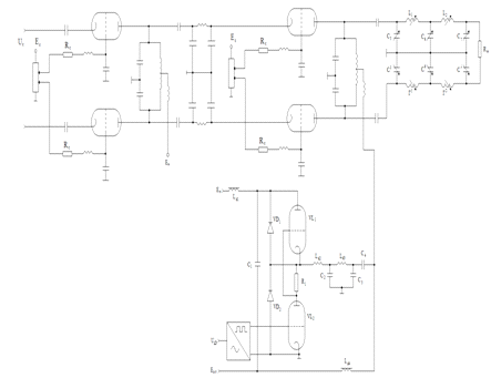
Принципиальная схема проектируемого радиовещательного передатчика представлена на рисунке 2.2.

Рисунок 2.2 - Принципиальная схема проектируемого передатчика с АМ.

 

3. Расчет оконечного каскада (ОК)

В данном пункте производится расчет ОК в следующих режимах:

·        в пиковой точке;

·        в минимальной точке;

·        в телефонной точке;

·        при 100% глубине модуляции.

Глубина модуляции анодного напряжения m = 1 в соответствии с техническим заданием.

Принципиальная схема оконечного каскада приведена на рисунке 3.1.

Рисунок 3.1 Принципиальная схема оконечного каскада.

Напряжение анодного питания для режима телефонной точки обычно выбирается как:

Угол отсечки выбирается в пределах θ = 80˚- 90˚. В данном случае примем угол отсечки равным 90˚.

3.1 Расчет оконечного каскада(ОК) в максимальной точке

Расчет оконечного каскада в максимальной точке производится по методике изложенной в [1] и [3].

Напряжение анодного питания и питания экранирующей сетки:

Еаmax=Ea(1+m)=16 кВ

Коэффициент использования анодного напряжения в граничном режиме

=0.94

=0.98

Амплитудное напряжение на аноде:

a max= Eamaxξmax=15.7 кВ

Амплитуда первой гармоники анодного тока:

a1max=2=69.2 А

Амплитуда импульса анодного тока

amm== 138.4 A

Эквивалентное сопротивление анодной нагрузки:

= 227 Ом

Верхний угол отсечки  определяется из уравнения

 


Откуда получаем  = 0.31 рад = 180

Постоянная составляющая анодного тока с учетом усеченности вершины импульса

 

Мощность, потребляемая анодной цепью

 

Мощность рассеиваемая на аноде

 

КПД анодной цепи в максимальном режиме

 

Амплитуда напряжения возбуждения в цепи управляющей сетки и напряжение смещения

 1.17 кВ

= - 400 В

Сопротивление автоматического смещения

 = 1.6 кОм

где  , = 71.20,  ⋍ 0.66

Составляющие сеточного тока

= 0.26 А

 = 0.5 А

где коэффициенты  и , учитывающие несинусоидальность импульса тока, принимаются равными  ⋍ 0.66,  ⋍ 0.75

Мощности, потребляемые от предыдущего каскада ПК и источника смещения

 = 294 Вт.

 = -102 Вт

Мощность, рассеиваемая на управляющей сетке

 396 Вт

 

3.2 Расчет оконечного каскада(ОК) в минимальной точке

Расчет режима минимальной точки проводится по методикам, изложенным в [1] - [3]. Режим минимальной точки характерен малыми напряжениями на аноде. В области ea→0 увеличивается напряженность режима и несколько искривляется МХ. Для ослабления этих явлений в цепь тока  включают сопротивления автоматического смещения Rc.[3].

Расчет параметров минимального режима выполняется только для цепи управляющей сетки[1], [3]. Исходными данными для этого расчета являются Uc max, Ec0, S, Rc. [3].

Для нахождения параметров сеточного тока, по методике, изложенной в [1] найдем  из уравнения

 

Далее по графику, приведенному в [1] и таблице 5.1, приведенной в [3] определяется ⋍ 150

-80 В

0.05 A

 = 0.1 A

Потребляемые мощности от источника смещения и от ПК.

 -4.1 Вт

 = 0 В

 

3.3 Расчет оконечного каскада(ОК) в телефонной точке

Расчет режима телефонной точки проводится по методикам, изложенным в [1] и [3].

Составляющие анодного тока

 = 34.6 A

 = 18.7 A

Анодное напряжение и амплитуда напряжения на нагрузке

 = 7.9 кВ

Потребляемая и отдаваемая мощности

 = 149 кВт

 

 

3.4 Расчет оконечного каскада(ОК) в режиме модуляции

Расчет ОК в режиме модуляции проводится по методике, изложенной в [1] и [3].

Средняя, потребляемая анодной цепью мощность

 = 223 кВт.

Мощность, доставляемая модуляционным устройством

 75 кВт

Средняя мощность, отдаваемая лампами ОК

204 кВт.

Средняя мощность, рассеиваемая на аноде.

19 кВт

Средняя мощность, рассеиваемая на управляющей сетке

 400 Вт

 

4. Расчет предоконечного каскада

ЭП для предоконечного каскада выбирается по следующему правилу: по справочным таблицам, приведенным в [3] находится коэффициент усиления мощности Np = 30 .. 50. Примем Np = 50. Тогда мощность предыдущего каскада, необходимая для возбуждения ОК составляет

 

Для данной мощности подходит лампа ГУ - 39 Б , у которой Pном = 13 кВт [5]. Характеристики ГУ 39 Б приведены в приложении 2.

В качестве цепи согласования ПОК и ОК может быть применена П цепочка [3].

 

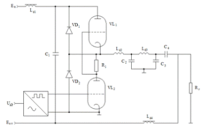
5. Расчет модуляционного устройства

ММУ реализовано с использованием усилителя класса D. Принцип работы данного ММУ подробно описан в [2] и [3]. Двухтактный усилитель класса D предназначен для усиления модулирующего сигнала. Для подачи постоянной составляющей Ia к ОК служит отдельный источник питания с напряжением Еат и дроссель Ld4. Модулирующее напряжение UΩ подается к широтно - импульсному модулятору и последующему импульсному усилителю и далее к лампе V2. Управление второй лампой V1 производиться напряжением, падающим на сопротивление R1 от анодного тока лампы V2[3].


Рисунок 5.1 Принципиальная схема ММУ с двухтактным усилителем класса D.

К преимуществам данной схемы относятся:

·        существенное увеличение КПД усилителя, вследствие того, что лампы каскада работают в ключевом режиме, а постоянная составляющая тока Ia0 т ОК проходит через дроссель с малым сопротивлением обмотки;

·        постоянный КПД усилителя при разных уровнях усиливаемого сигнала ( при рациональном выборе ламп, КПД в таком усилителе может достигать 95% - 97%) [2];

·        отсутствие тяжелого, громоздкого, дорогостоящего модуляционного трансформатора[2].

К недостаткам данной схемы можно отнести:

·        необходимость тщательной регулировки управления лампами, исключающей их одновременное открытие, что привело бы к замыканию источника питания 2Еа.

Диоды VD1 и VD2 предназначены для предотвращения прерывания тока в катушке Ld2 в моменты переключения ламп.

Т.к расчет параметров режима ОК выполнен, то определяется

 

= 75 кВт.

Исходя из рассчитанных параметров выбирается лампа ГУ- 66 Б [5].

Диоды VD1 и VD2 выбираются по следующим параметрам:

Обратное напряжение Eобр Еп,

Максимальный импульсный ток ID max= 38 А

Прямое сопротивление открытого диода rD - желательно возможно меньше. Номинал индуктивности дросселя фильтра Ld1 выбирается в несколько Генри. Ld1= 5 Гн .

Конденсатор C1 выбирается из условия тогда C1 =253 пФ

Фильтр Ld2, Ld3, C2, C3 выполнен в виде полузвена Ld2C2 по Баттерворту. Следовательно

 5.2 мГн

 48.2 нФ

Разделительный конденсатор C4 выбирается из условия

 

Тогда С4= 688 нФ.

 выбирается из условия Тогда можно положить

Сопротивление R1 выбирается таким образом, чтобы выполнялось неравенство

 

где  напряжение отсечки анодного тока ламп VL1 и VL2.

Таким образом R1= 150 Ом.

Тактовая частота fт выбирается из условия fт=(5..8)Fв. Выбираем fт= 70 кГц.

6. Расчет выходной контурной системы

Расчет выходной колебательной системы проводится по методике, изложенной в [1] и [3].

Назначение выходных колебательных систем в радиопередатчиках заключается в выполнении следующих функций [3]:

·        согласование активного сопротивления RA антенного фидера с необходимым для нормальной работы выходной ступени эквивалентным сопротивлением Rэ нагрузки в анодной цепи;

·        компенсация реактивного сопротивления XA антенны или фидера с тем, чтобы ВКС работала на активную нагрузку и отдавала в антенну наибольшую мощность;

·        фильтрация гармоник, вырабатываемых электронными приборами в выходных каскадах.

Для выбора конструкции ВКС вычислим необходимую фильтрацию

 = 2.15 103

По графику зависимости ηВКСнеобх) определяется конструкция выходной колебательной системы. Для ηВКС=0.92 и Фнеобх=2.1 103 в конструкция ВКС будет иметь вид (рисунок 6.1):

Рисунок 6.1 Принципиальная схема выходной колебательной системы.

Максимальное и минимальное входное сопротивление фидера

 

 

 

Тогда

Расчет элементов ВКС проводится по методике, изложенной в [3].

Тогда для первой П - цепи имеем

 

 

 

 

Для второй П цепочки

 

 

 

Тогда номиналы элементов ВКС должны изменяться в пределах

 

 

 

 

 

 

 

 

 

 

7. Заключение

В результате проделанной работы в соответствии с техническим заданием был спроектирован радиовещательный передатчик с амплитудной модуляцией. Произведен расчет ОК, модуляционного устройства и выходной контурной системы и выбраны элементы для построения данных устройств. ММУ выполнено по схеме с двухтактным усилителем класса D, что способствует увеличению КПД усилителя и упрощению его схемы. Для согласования активного сопротивления антенного фидера с необходимым для нормальной работы выходной ступени эквивалентным сопротивлением нагрузки в анодной цепи, а также для компенсации реактивного сопротивления фидера и для фильтрации гармоник, вырабатываемых электронными приборами в выходных каскадах применена выходная контурная система с двойным П-образным контуром.

Приложение 1


Генераторный триод ГУ-66Б предназначен для усиления мощности на частотах до 30 МГц в стационарных передающих радиотехнических устройствах как в схемах с общей сеткой, так и в схемах с общим катодом.

Общие сведения

Катод - вольфрамовый торированный карбидированный прямого накала. Оформление - металлокерамическое с кольцевыми выводами катода и сетки. Охлаждение - принудительное: анода - водяное; ножки - воздушное. Высота не более 420 мм. Диаметр не более 211 мм. Масса не более 23 кг.


Допустимые воздействующие факторы при эксплуатации

Температура окружающей среды, С0

-10 .. +55

Относительная влажность воздуха при температуре до 25 °С, %

98

Электрические параметры

Напряжение накала, В

13.5

Ток накала, А

200-250

Крутизна характеристики, мА/В

120-170

Коэффициент усиления (при напряжении анода 4 кВ, токе анода 8 А)

39-53

Межэлектродные ёмкости, пФ, не более

 входная

160

выходная

3

проходная,

55

Мощность выходная кВт, не менее

150

Максимальные предельно допустимые эксплуатационные данные

Наибольшее напряжение накала

14

Наибольший пусковой ток накала, А

360

Наибольшее напряжение анода (постоянное), кВ

10

Наибольшая мощность рассеивания, кВт

анодом

60

сеткой

1.3

Наибольшая рабочая частота, МГц

30

Наибольшая температура ножки и спаев керамики с металлом, °С

200

радиовещательный передатчик амплитудный модуляция трансформатор

Приложение 2

Характеристики ГУ - 39 Б

Допустимые воздействующие факторы при эксплуатации

Температура окружающей среды, С0

-10 .. +55

Относительная влажность воздуха при температуре до 25 °С, %

98

Электрические параметры

Напряжение накала, В

6.3

Ток накала, А

95

Крутизна характеристики, мА/В

24

Мощность выходная кВт, не менее

13

Максимальные предельно допустимые эксплуатационные данные

Наибольшее напряжение анода (постоянное), кВ

10

Наибольшая рабочая частота, МГц

30


Похожие работы на - Проектирование радиовещательного передатчика с амплитудной модуляцией

 

Не нашли материал для своей работы?
Поможем написать уникальную работу
Без плагиата!
Без нейросетей!