Электрическая часть КЭС-1800
Белорусская
государственная политехническая академия
Энергетический
факультет
Кафедра
"Электрические станции"
Курсовой проект по дисциплине
"Электрическая часть станций и
подстанций"
Тема проекта:
"Электрическая часть КЭС-1800"
Студент: Р.Ф. Миначев
группа 106618
Преподаватель: И.И. Сергей
Минск, 2002
Содержание
Введение
. Выбор основного оборудования и разработка вариантов схем
. Выбор и технико-экономическое обоснование главной схемы
электрических соединений
. Расчет токов короткого замыкания для выбора аппаратов и
токоведущих частей
. Выбор аппаратов (высоковольтные выключатели, разъединители,
разрядники и т.п.)
. Выбор токоведущих частей (токопроводы генераторов и
трансформаторов, шины распределительных устройств всех напряжений)
. Контрольно-измерительные приборы на электростанциях
. Выбор типов РЗ
. Конструктивное выполнение распределительных устройств
Введение
Темой курсового проекта является разработка технического проекта
электрической части станции КЭС с установленной мощностью 1800 МВт.
При выполнении курсового проекта нужно решить средующие вопросы:
1) разработать структурную схему и
выбрать основное оборудование;
2) выбрать и обосновать главную схему
соединений и схемы распределительных устройств;
3) расчитать токи трехфазного КЗ;
4) выбрать коммутационные и
измерительные аппараты;
5) выбрать токоведущие шины и провода;
6) выбрать контрольно-измерительные
приборы;
7) выбрать и разработать конструкции РУ.
Графическая часть курсового проекта выполняется на двух листах формата
А1, содержащие: 1) главную схему электрических соединений; 2) конструктивное
выполнение ОРУ 330 кВ.
1. Выбор
основного оборудования и разработка вариантов схем выдачи энергии
При выборе основного оборудования и разработке схем выдачи электроэнергии
необходимо руководствоваться следующими соображениями:
1. Экономически целесообразно устанавливать агрегаты возможно
больших мощностей;
2. Все генераторы принимаются одинаковой мощности;
. Число генераторов должно быть не менее двух и не более 8;
. Единичная мощность генератора не должна превышать 10% от
установленной мощности системы включая и проектируемую станцию;
. Целесообразнее брать трехфазные трансформаторы;
. Количество блоков с трехобмоточными трансформаторами
(автотрансформаторами) принимают не более двух;
. Для независимого регулирования напряжения на шинах высшего и
среднего напряжений трехобмоточные трансформаторы должны иметь на одном из
повышенных напряжений РПН или вольтодобавочный трансформатор.
Выбор
турбогенераторов
Выбираем генераторы ТГВ-300-2У3 с параметрами:
Таблица 1
|
S, МВА
|
Р, МВт
|
Uном, кВ
|
cosном
|
Iном, кА
|
ном, %
|
|
353
|
300
|
20
|
0,85
|
10,2
|
98,7
|
Для заданной мощности КЭС 1800 МВт нам потребуется 6 турбогенераторов.
Таким образом, мы выбрали генераторы большой единичной мощности; по
мощности они все одинаковы; число генераторов более 2, но меньше 8; единичная
мощность генератора не превышает 10 % от установленной мощности энергосистемы.
Выбор
трансформаторов
Для выдачи мощности от генераторов в систему выбираем:
1. ТДЦ-400000/330 - для выдачи мощности
в РУ 330 кВ;
2. ТДЦ-400000/110 - для выдачи РУ 110
кВ;
3. Для связи между РУ 330 и 110 кВ
выбираем:
а) при установке одного генератора на РУ 110 кВ перетоки мощности со
стороны РУ 330 кВ в режиме максимальных нагрузок на стороне 110 кВ составят:
(420-300)=120 МВт,
где420 - максимальная нагрузка на стороне 110 кВ;
- номинальная активная мощность ТГВ-300-2У3
Таким образом, при установке двух трансформаторов связи, по каждому из
них будет протекать мощность 60 МВт. Однако, надо учитывать необходимость
ремонта генератора, установленного на напряжении 110 кВ. При его ремонте
перетоки мощности будут составлять 420/2=210 МВт.
Выбираем трансформаторы АТДЦТН-200000/330/110.
б) при установке двух генераторов на стороне 110 кВ в режиме минимальных
нагрузок, составляющих 273 (65 % от 420 МВт) в РУ 330 кВ будет перетекать
мощность: 600-273=327 МВт,
где600 МВт - максимальная активная мощность, выдаваемая двумя
генераторами ТГВ-300-2У3;
МВт - потребляемая нагрузкой мощность.
Таким образом для обеспечения перетоков выбираем АТДЦТН-200000/330/110.
Полученные структурные схемы:
рис. 1а
рис. 1б
2. Выбор и
технико-экономическое обоснование главной схемы электрических соединений
При выборе главной схемы электрических соединений руководствуемся:
1.
На
электростанциях с блоками 300 МВт и более повреждение или отказ любого из
выключателей (за исключением секционного и шиносоединительного) не должны
приводить к отключению более одного энергоблока;
2.
Повреждение или
отказ секционного или шиносоединительного выключателя, а также совпадение
отказа или повреждения одного из выключателей с ремонтом любого другого не
должны приводить к отключению более двух блоков и линий, если при этом
сохраняется устойчивая работа энергосистемы или ее части;
3.
Каждый генератор
мощность 200 МВт и выше должен присоединяться к шинам повышенного напряжения
через отдельные трансформаторы и выключатели. В виде исключения допускается
объединение двух блоков с отдельными трансформаторами под общий выключатель;
4.
Отключение
присоединений должно производиться: ЛЭП - не более чем двумя выключателями;
энергоблоков, трансформаторов связи, трансформаторов СН - не более чем тремя
выключателями РУ каждого напряжения;
5.
Должна быть
обеспечена возможность ремонта выключателей 110 кВ и выше без отключения
соответствующих присоединений;
6.
Для РУ с двумя
основными и одной обходной системой шин при числе присоединений 12-16
секционируют одну рабочую систему шин, получая три секции сборных шин;
7.
В случае
применения одной секционированной системы сборных шин устанавливают отдельный
обходной выключатель для каждой секции;
8.
Мощность
резервного трансформатора СН принимается равной или несколько больше мощности
наибольшего рабочего трансформатора;
9.
Мощность
пускорезервного трансформатора определяется исходя из условия замены одного из
наибольших рабочих трансформаторов СН и одновременного обеспечения запуска
блока;
10.
РУ СН выполняются
с одной системой шин;
11.
При мощностях
блоков 160 МВт и более - две секции на блок;
12.
В целях
ограничения токов КЗ трансформаторы СН мощностью 25 МВА и более принимают с
расщепленной обмоткой низшего напряжения;
13.
На блочных
станциях с боками 160 МВт и выше принимают следующее число пускорезервных трансформаторов
СН: при 1-2 блоках - один; при 3-6 - два;
Вариант
главной схемы электрических соединений №1
Число присоединений в РУ равно:
nн=nлэп+nт.св.+nпит,
где nлэп - количество отходящих к
потребителям и системе линий;
nт.св - количество трансформаторов связи.
Число ЛЭП, отходящих от РУ определяется по формуле:
nлэпPмакс/Рлэп,
где Рмакс - максимально отдаваемая мощность с шин РУ;
Рлэп - максимальная передаваемая мощность одной линии (см.
таблицу 2)
Таблица 2
|
Напряжение линии, кВ
|
Наибольшая длина передачи, км
|
Наибольшая передаваемая мощность на одну линию, МВт
|
|
110
|
50-150
|
25-50
|
|
330
|
200-300
|
300-400
|
Таким образом для РУ 330 кВ к которому подключено 2 трансформатора связи
АТДЦТН-200/330/110, 5 трансформаторов ТДЦ-400000/330 имеем:
nн=1800/400+2+5=11.5 присоединений
т. к. число присоединений - целое число, а передаваемую мощность на одну
ЛЭП мы взяли максимальной, то следует округлить число присоединений в большую
сторону. Принимаем число присоединений: nн=12.
Для РУ 110 кВ к которому подключено 2 трансформатора связи, 1
трансформатор ТДЦ-400000/110 имеем:
nн=420/40+2+1=13.5
присоединений
Округляем до: nн=14.
На рис. 2. изображена получившаяся главная схема электрических
соединений.
Рис. 2
Вариант
главной схемы электрических соединений №2
РУ 330 кВ:nн=1800/300+2+4=12 присоединений
РУ 110 кВ:nн=420/40+2+2=14.515 присоединений
Рис. 3
Технико-экономическое
сравнение вариантов
Приведенные затраты подсчитываются по формуле:
З=РнК+И+У,
гдеРн - нормативный коэффициент эффективности капиталовложений. Рн=0.12;
К - капитальные затраты на сооружение; И - годовые издержки; У -ущерб от
недоотпуска электроэнергии.
В связи с тем, что главные схемы первого и второго вариантов идентичны,
различаясь только числом присоединений к РУ, то при расчете экономических
показателей не будем учитывать капитальные затраты на сооружение РУ.
Издержки находятся по формуле:
И=Иа+Иру=(Ра+Ро)К+Э10-5,
тыс. руб,
Где Ра, Ро -отчисления на амортизацию и обслуживание;
Для электрооборудования напряжением 35-150 кВ: Ра=0.064, Ро=0.03;
Для электрооборудования напряжением 220 кВ и выше: 0.064; 0.02;
- стоимость 1 кВтч потерянной энергии, равная 0.8 коп/(кВтч);
Э - потери энергии, кВтч.
Потери энергии в двухобмоточном трансформаторе:
,
где Рх - потери на ХХ трансформатора;
- время при котором существуют потери ХХ. Принимаем 8760 т.к.
трансформатор у нас весь год в работе;
Ркз - потери КЗ трансформатора;
Smax -
максимальная мощность, протекающая по трансформатору.Sном - номинальная мощность трансформатора, МВт;
,
примем Тmax=6000. Получаем:
=(0.124+600010-4)28760=4592
часов
Для трансформатора АТДЦТН-200000/330/110 посчитаем только потери при
перетоке мощности с обмотки высшего напряжения на обмотку среднего напряжения.
Т.к. в курсовом проекте не задано никаких данных по потребителю, кроме
его максимума и минимума нагрузки, то мы не имеем данных о возможном ущербе от
перерыва электроснабжения. Следовательно, считать эту часть приведенных затрат
тоже не будем.
Технико-экономический
расчет варианта №1
Таблица 3 Состав оборудования
|
Тип оборудования
|
Характеристики
|
Цена, тыс. руб
|
Кол-во, шт.
|
Итого, тыс. руб
|
|
ТГВ-300-2У3
|
-
|
900
|
6
|
5400
|
|
ТДЦ-400000/330
|
Рх=300 кВт; Ркзвн=790 кВт
|
398,5
|
5
|
1992,5
|
|
ТДЦ-400000/110
|
Рх=320 кВт; Ркз=900 кВт
|
255
|
1
|
255
|
|
АТДЦТН-200000/330/110
|
Рх=155 кВт; Ркзвс=560 кВт
|
291
|
2
|
582
|
|
ТРДНС-25000/35-У3
|
Рх=25 кВт; Ркзвс=115 кВт
|
69,6
|
6
|
417,6
|
|
РУ 330 кВ (схема 3/2)
|
-
|
2100
|
1
|
2100
|
|
РУ 110 кВ (двойная с обх.)
|
-
|
1154
|
1
|
1154
|
|
Итого капитальные затраты, тыс. руб
|
11901,1
|
Таблица 4 Потери энергии в трансформаторах
|
Трансформатор
|
Потери, кВтч
|
Кол-во, шт
|
Итого, кВтч
|
|
ТДЦ-400000/330
|
Э=3008760+790(300/ 400)4592=5348760
|
5
|
26743800
|
|
ТДЦ-400000/110
|
Э=3208760+900(300/ 400)4592=5902800
|
1
|
5902800
|
|
ТРДНС-25000/35
|
Э=258760+115(21/ 25)4592=662587,2
|
6
|
3975523,2
|
|
АТДЦТН-200000/330/110
|
Э=1558760+560(60/ 200)4592=2129256
|
2
|
4258512
|
|
Итого потери в трансформаторах, кВтч
|
40880635,2
|
Таблица 5 Годовые издержки на содержание оборудования
|
U, кВ
|
Тип
|
Стоимость, тыс. руб
|
Итого, тыс.руб
|
Издержки, тыс. руб
|
|
|
|
|
амортизация
|
ремонт и обслужив.
|
|
110
|
ТДЦ-400000/110
|
255
|
6809
|
435,776
|
204,27
|
|
РУ 110 кВ
|
1154
|
|
|
|
|
ТГВ-300-2У3
|
5400
|
|
|
|
|
330
|
ТДЦ-400000/330
|
1992,5
|
4674,5
|
299,168
|
93,49
|
|
АТДЦТН-200000/330/110
|
582
|
|
|
|
|
РУ 330 кВ
|
2100
|
|
|
|
|
Итого
|
734,944
|
297,76
|
И=(734,944+297,76)+0.840880635,210-5=1359,75 тыс. руб.
Технико-экономический
расчет варианта №2
Таблица 6 Состав оборудования
|
Тип оборудования
|
Характеристики
|
Цена
|
Кол-во, шт.
|
Итого
|
|
ТГВ-300-2У3
|
-
|
900
|
6
|
5400
|
|
ТДЦ-400000/330
|
Рх=300 кВт; Ркзвн=790 кВт
|
398,5
|
4
|
1594
|
|
ТДЦ-400000/110
|
Рх=320 кВт; Ркз=900 кВт
|
255
|
2
|
510
|
|
АТДЦТН-200000/330/110
|
Рх=155 кВт; Ркзвс=560 кВт
|
291
|
2
|
582
|
|
ТРДНС-25000/35-У3
|
Рх=25 кВт; Ркзвс=115 кВт
|
69,6
|
6
|
417,6
|
|
РУ 330 кВ (схема 3/2)
|
-
|
2100
|
1
|
2100
|
|
РУ 110 кВ (двойная с обх.)
|
-
|
1154
|
1
|
1154
|
|
Итого капитальные затраты, тыс. руб
|
11757,6
|
Таблица 7 Потери энергии в трансформаторах
|
Трансформатор
|
Потери, кВтч
|
Кол-во, шт
|
Итого, кВтч
|
|
ТДЦ-400000/330
|
Э=3008760+790(300/ 400)4592=5348760
|
4
|
21395040
|
|
ТДЦ-400000/110
|
Э=3208760+900(300/ 400)4592=5902800
|
2
|
11805600
|
|
ТРДНС-25000/35
|
Э=258760+115(21/ 25)4592=662587,2
|
6
|
3975523,2
|
|
АТДЦТН-200000/330/110
|
Э=1558760+560(163/ 200)4592=3460017,6
|
2
|
6920035,2
|
|
Итого потери в трансформаторах, кВтч
|
44096198,4
|
Таблица 8 Годовые издержки на содержание оборудования
|
U, кВ
|
Тип
|
Стоимость, тыс. руб
|
Итого, тыс.руб
|
Издержки, тыс. руб
|
|
|
|
|
амортиза-ция
|
ремонт и обслужив.
|
|
110
|
ТДЦ-400000/110
|
510
|
7064
|
452,096
|
211,92
|
|
РУ 110 кВ
|
1154
|
|
|
|
|
ТГВ-300-2У3
|
5400
|
|
|
|
|
330
|
ТДЦ-400000/330
|
1594
|
4276
|
273,664
|
85,52
|
|
АТДЦТН-200000/330/110
|
582
|
|
|
|
|
РУ 330 кВ
|
2100
|
|
|
|
|
Итого
|
725,76
|
297,44
|
И=(725,76+297,44)+0.844096198,410-5=1375,97 тыс. руб.
В первом варианте приведенные затраты получились меньше. Кроме того, в
первом варианте у нас меньшие перетоки мощности по трансформаторам связи.
Для дальнейших расчетов выбираем вариант №1.
. Расчет
токов короткого замыкания для выбора аппаратов и токоведущих частей
Для выбора и проверки электрических аппаратов необходимо правильно
оценить расчетные условия КЗ: составить расчетную схему, наметить места
расположения точек КЗ, определить расчетное время протекания тока КЗ, вид КЗ.
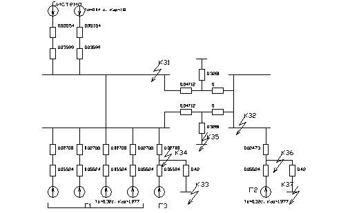
Рассчетные точки КЗ:
1)РУ 330 кВ;
2)РУ 110 кВ;
)за трансформатором СН у генератора, работающего на РУ 330 кВ;
)на выводах генератора, работающего на РУ 330 кВ;
)на НН трансформатора связи;
)на выводах генератора, работающего на РУ 110 кВ;
)за трансформатором СН у генератора, работающего на РУ 110 кВ;
Для всех расчетных точек определяются: начальное значение периодической
составляющей тока КЗ (IПО), ударный ток (iу), ток в момент размыкания контактов выключателя (I).
Параметры элементов схемы:
Таблица 9
|
Элемент
|
Параметры
|
|
Система
|
|
Генератор
|
X*Г=0.195, S=353 МВА
|
|
ЛЭП
|
XУД=0.32 Ом/км, l=130 км, UСР=340 кВ
|
|
Трансформатор в РУ 330 кВ
|
UK=11.5%, SНОМ=400 МВА
|
|
Трансформатор в РУ 110 кВ
|
UK=10.5%, SНОМ=400 МВА
|
|
Трансформатор связи
|
UКВС=10.5 %; UКВН=38 %; UКСН=25 %, SНОМ=200 МВА, SНН=80 МВА
|
|
Трансформатор СН
|
UК=10.5%, SНОМ=25 МВА
|
Рассчитаем сопротивление элементов схемы, приняв SБ=100 МВт, UБ=340:
1)Сопротивление системы x*С=0.06. При приведении к базисным
условиям
;
)Сопротивление генератора:
;
)Сопротивление ЛЭП:
;
)Сопротивление блочных трансформаторов, работающих на РУ 330 кВ:
;
)Сопротивление блочных трансформаторов, работающих на РУ 110 кВ:
;
)Сопротивление трансформаторов связи:
Пренебрегая сопротивлением обмотки НН:
Учитывая сопротивление обмотки НН, а также то, что ее мощность равна 80
МВт имеем:
КВ=0.5(UКВ-С+UКВ-Н-UКС-Н)
UКС=0.5(UКВ-С+UКС-Н-UКВ-Н)
UКН=0.5(UКВ-Н+UКС-Н-UКВ-С)
UКВ=0.5(10.5+38-25)=11.75%UКС=0.5(10.5+25-38)0%КН=0.5(38+25-10.5)=26.25%

7)Сопротивление трансформатора СН:
Для блоков 300 МВт с трансформаторами Та=0.32 с, куд=1.977.
Для системы с воздушными ЛЭП 330 кВ Та=0.04 с, куд=1.78
[4, стр.61].
ЭДС для системы E*=1, для генераторов станции E*=1.13.
Сведем полученные сопротивления в таблицу:
Таблица 10
|
Элемент
|
Обозначение
|
Значение
|
|
Система
|
X*C
|
0.001154
|
|
Сопротивление генератора
|
X*Г
|
0.065
|
|
Сопротивление ЛЭП
|
X*ЛЭП
|
0.03599
|
|
Трансформатор на РУ 330 кВ
|
x*тр330
|
0.02708
|
|
Трансформатор на РУ 110 кВ
|
x*тр110
|
0.02473
|
|
Трансформатор связи
|
x*трсв X*ВСВ X*ССВ X*НСВ
|
0.04712 0.05875 0 0.3281
|
|
Трансформатор СН
|
х*трсн
|
0.42
|
Упрощенная главная схема электрических соединений с указанием точек КЗ:
Рис. 4
Расчет точки КЗ1:

Найдем периодическую составляющую тока КЗ в именованных единицах от:
а) системы
кА
б) генераторов, работающих на РУ 330 кВ
кА
в) генераторов, работающих на РУ 110 кВ
кА
Суммарный ток КЗ:
IПО=9.144+11.66+1.854=22.66 кА
Найдем ударный ток:
кА
Номинальный ток от:
а) системы:
кА
электрический замыкание генератор трансформатор
б) генераторов, работающих на РУ 330 кВ
кА
в) генераторов, работающих на РУ 110 кВ
кА
Найдем отношения IГО/IНОМ:
а) системы
б) генераторов, работающих на РУ 330 кВ
кА
в) генераторов, работающих на РУ 110 кВ
кА
По типовым кривым для определения периодической составляющей тока
короткого замыкания для времени =0.07 секунд находим отношения:
И из них находим значение тока КЗ в момент времени =0.07 c:
Суммарный ток КЗ в момент времени : I=8.87+10.26+1.687=20.82 кА.
Результаты расчета точек КЗ:
Таблица 11
|
Точка КЗ
|
Источник
|
S, МВА
|
XРАСЧ
|
IПО, кА
|
КУ
|
IУ, кА
|
IИСТНОМ, кА
|
I*ИСТ(НОМ)
|
IИСТ, кА
|
|
1
|
Система Г1+Г3 Г2
|
5200 1765 353
|
0.01857 0.01646 0.1035
|
9.144 11.66 1.854 22.66
|
1.8 1.977 1.977
|
23.28 32.6 5.184 61.06
|
8.83 2.997 0.599
|
1.03 3.89 3.09
|
8.87 10.26 1.687 20.82
|
|
2
|
Система Г1+Г3 Г2
|
5200 1765 353
|
0.06872 0.06091 0.07997
|
7.306 9.314 7.094 23.71
|
1.8 1.977 1.977
|
18.6 26.04 19.83 64.47
|
26.1 8.86 1.77
|
0.28 1.05 4
|
7.306 9.129 6.101 22.54
|
|
3
|
Система Г1 Г2 Г3
|
5200 1412 353 353
|
1.519 1.683 8.465 1.119
|
6.033 6.153 1.223 9.254 22.66
|
1.8 1.977 1.977 1.977
|
15.36 17.2 3.419 25.87 61.85
|
476.5 129.4 32.35 32.35
|
0 0 0 0.28
|
6.033 6.153 1.223 9.254 22.66
|
|
4
|
Система Г1 Г2 Г3
|
5200 1412 353 353
|
0.07495 0.08306 0.4177 0.05524
|
38.52 39.27 7.81 59.05 144.7
|
1.8 1.977 1.977 1.977
|
98.06 109.8 21.84 165.1 394.8
|
150.1 407.6 10.19 10.19
|
0.26 0.1 0.77 5.8
|
38.52 39.27 7.57 47.24 132.6
|
|
5
|
Система Г1+Г3 Г2
|
5200 1765 353
|
1.366 1.185 0.855
|
6.859 8.739 12.11 27.71
|
1.8 1.977 1.977
|
17.46 24.43 33.86 75.75
|
476.5 161.7 32.35
|
0 0 0.37
|
6.859 8.739 12.11 27.79
|
|
6
|
Система Г1+Г3 Г2
|
5200 1765 353
|
0.1213 0.1076 0.05524
|
23.8 30.32 59.05 113.2
|
1.8 1.977 1.977
|
60.58 84.77 165.1 310.5
|
150.1 50.95 10.19
|
0.16 0.595 5.8
|
23.8 29.71 47.24 100.8
|
|
7
|
Система Г1+Г3 Г2
|
5200 1765 353
|
1.937 1.718 0.8821
|
4.731 6.028 11.74 22.5
|
1.8 1.977 1.977
|
12.04 16.85 32.82 61.71
|
476.5 161.7 32.35
|
0 0 0.36
|
4.731 6.028 11.74 22.5
|
4. Выбор аппаратов
Выбор
выключателей
Выбор выключателей производится по следующим условиям:
Таблица 12
|
Параметры
|
Расчетные величины
|
Каталожные величины
|
Условия для выбора
|
|
Номинальное напряжение
|
UРМАХ
|
UНОМ
|
UНОМUРМАХ
|
|
Номинальный ток
|
IРМАХ
|
IНОМ
|
IНОМIРМАХ
|
|
Номинальный ток отключения: Симметричный Асимметричный
|
Iп
|
|
Iп
|
|
Номинальный ток динамической стойкости: Симметричный
Асимметричный
|
Iп,о
IУ
|
IМАХ
|
Iп,о IМАХIУ
|
|
Номинальный тепловой импульс
|
BК
|
It, tКЗ
|
It2tКЗBК
|
Каталожные данные выключателей:
Таблица 13
|
Тип
|
Uном, кВ
|
Umax, кВ
|
Iном, кА
|
, кА
|
, %
|
IМАХ, кА
|
, кА
|
, кА / TДОП, с
|
, c
|
|
ВВУ-110Б-40/2000У1
|
110
|
126
|
2000
|
40
|
23
|
102
|
40
|
40/3
|
0.06
|
|
ВВД-330Б-40/3150У1
|
330
|
363
|
3150
|
40
|
20
|
102
|
40
|
40/3
|
0.06
|
Результаты расчета:
Таблица 14
|
ВВУ-110Б-40/2000У1
|
Расчетные величины
|
ВВД-330Б-40/3150У1
|
Расчетные величины
|
|
Uном=110 кВ
|
Uраб=110 кВ
|
Uном=330 кВ
|
Uраб=330 кВ
|
|
Iном=2000 А
|
Iраб<2000 А
|
Iном=3150 А
|
Iраб<3150 А
|
|
=40 кА
|
Iп=22.54 кА
|
=40 кА
|
Iп=20.82 кА
|
|
= = =69.58 кА
|
= = 65.41 кА
|
= = =67.88 кА
|
= = =61.44 кА
|
|
=40 кА
|
Iп,о=23.71 кА
|
=40 кА
|
Iп,о=22.66 кА
|
|
IМАХ=102 кА
|
Iу=64.47 кА
|
IМАХ=102 кА
|
Iу=61.06 кА
|
|
BK=4023=4800 А2с
|
BК=23.720.07=39 А2с
|
BK=4023=4800 А2с
|
BК=22.720.07=36 А2с
|
В результате расчета установлено, что выбранные ранее выключатели подходят
для использования.
Таблица 15
Выбор разъединителей
|
РНД-110/2000У1
|
Расчетные величины
|
РНД-330/3200У1
|
Расчетные величины
|
|
Uном=110 кВ
|
Uраб=110 кВ
|
Uном=330 кВ
|
Uраб=330 кВ
|
|
Iном=2000 А
|
Iраб<2000 А
|
Iном=3200 А
|
Iраб<3150 А
|
|
Главные ножи: IДИН IТЕРМ/Время
|
100 кА 40 кА/3 с
|
Главные ножи: IДИН IТЕРМ/Время
|
160 кА 63 кА/2 с
|
|
Заземляющие ножи IДИН IТЕРМ/Время
|
100 кА 40 кА/1 с
|
Заземляющие ножи IДИН IТЕРМ/Время
|
160 кА 63 кА/1 с
|
Разъединители удовлетворяют необходимым условиям.
5. Выбор токоведущих частей распределительных
устройств
Шины 330 кВ
Ток от наиболее мощного присоединения (в данном случае от генератора):
А
По условию коронобразования выбираю провод 2хАС240/39 с параметрами:
) d=21.6 мм - диаметр провода;
) IДОП=610 А - допустимый ток на открытом
воздухе при TОС=25 C, ТНАГР=70 С;
) m=0.997 кг/м - масса одного метра
провода;
) ДОП=72.5 МПА - допустимые
эксплуатационные напряжения в проводе, опредеелнные как: ДОП=0.25MAX=0.25290=72.5 МПа, где MAX-разрывное напряжение для провода.
Проверка
шин на электродинамическое действие от тока КЗ
При больших токах КЗ провода в фазах в результате динамического
взаимодействия могут настолько сблизиться, что произойдет схлестывание или
пробой между фазами.
Наибольшее сближение фаз наблюдатся при двухфазном КЗ между соседними
фазами, когда провода сначала отбрасываются в противоположные стороны, а затем
после отключения тока КЗ движуться навстречу друг другу. Их сближение будет тем
больше, чем меньше расстояние между фазами, чем больше стрела провеса и чем
больше длительность протекания и значение тока КЗ. Сближение гибких
токопроводов при протекании токов КЗ определятяется по методу, изложенному в
[5]:
Определяется усилие от длительного протекания тока двухфазного КЗ, Н/м:
,
гдеа=4.5 м - расстояние между фазами (в ОРУ обычно обозначается через D);
I(2)=0.866I(3) - ток двухфазного КЗ, А.
Подставляя эти величины, получаем усилие, Н/м:
Н/м
Определим силу тяжести 1 м токопровода с учетом внутрифазных распорок:
g=1.19.8mn,
гдеm=0.997 кг масса 1 м провода;
n=2 -
число проводов в фазе.
g=1.19.80.9972=21.5 Н/м
Найдем отношение h/tЭК, где h=1.5 м - стрела провеса провода; tЭК=0.2 с - эквивалентное по импульсу время действия
быстродействующей защиты:
Найдем отношение f/g:
f/g=17.12/21.5=0.8
Из полученный соотношений и диаграммы [2, стр.235] получаем отношение:
b/h=0.42,
гдеb - отклонение провода в
горизонтальной плоскости, м.
b=0.42h=0.421.5=0.63 м
Сравним полученное выражение с допустимым по ПУЭ:
,
гдеbДОП - допустимое отклонение провода, м; D=4.5 м - расстояние между фазами, м; d=0.4 м - расстояние между
проводниками одной фазы (для 330 кВ); aДОП=1.4 м -
наименьшее допустимое расстояние в свету между соседними фазами в момент их
наибольшего сближения, м.
м
bДОП=1.35 м>b=0.63 м
Следовательно, при заданных уровнях токов КЗ схлестывание проводов
произойти не должно.
Проверка
по электродинамическому взаимодействию проводников одной фазы
Усилие на каждый провод от взаимодействия со всеми остальными n-1 проводами составляет, Н/м:
,
гдеn=2 - число проводников в фазе;
d=0.4
м - диаметр фазы, м;
IПО(3)=22660 А - действующее значение тока
КЗ, А;
Н/м
Под действием импульсных усилий fЦ
проводникик фазы стремятся приблизиться к центру. Для фиксации проводов и
уменьшения импульсных усилий в них устанавливают внутрифазовые (дистанционные
распорки). Расстояние между распорками должно быть, м:
,
гдеk=1.8 - коэффициент допустимого
увеличения механического напряжения в проводе при КЗ;
МАХ=72.5
МПа;
=15910-13 м2/Н;
МПа/м - удельная нагрузка от собственной массы провода,
МПа/м;
МПа/м - удельная нагрузка от сил взаимодействия при КЗ,
МПа/м.
м
В результате расчета установлено, что распорки можно ставить через 73.15
м, однако для сохранения геометрии фазы распорки необходимо устанавливать
максимум через 15 м.
Проверка
по условиям короны
Проводить не требуется, т.к. по ПУЭ минимально допустимое сечение для
напряжения 330 кВ по условию образования короны равно 240 мм2,
которое мы и взяли.
Шины 110 кВ
Ток от наиболее мощного присоединения (в данном случае от генератора):
кА
Выбираю провод 3хАС240/39 с параметрами:
) d=21.6 мм - диаметр провода;
) m=0.997 кг/м - масса одного метра
провода;
) ДОП=72.5 МПА - допустимые
эксплуатационные напряжения в проводе, опредеелнные как: ДОП=0.25MAX=0.25290=72.5 МПа, где MAX-разрывное напряжение для провода.
) Длительно допустимый ток для всего провода: IДОП=3IДОП=3610=1830 А
Проверка
шин на электродинамическое действие от тока КЗ
Определяется усилие от длительного протекания тока двухфазного КЗ, Н/м:
,
гдеа=3 м
I(2)=0.866I(3) - ток двухфазного КЗ, А.
Подставляя эти величины, получаем усилие, Н/м:
Н/м
Определим силу тяжести 1 м токопровода с учетом внутрифазных распорок:
g=1.19.80.9973=32.24 Н/м
Найдем отношение h/tЭК, где h=1.5 м - стрела провеса провода; tЭК=0.2 с - эквивалентное по импульсу время действия
быстродействующей защиты:
Найдем отношение f/g:
f/g=28.11/32.24=0.872
Из полученный соотношений и диаграммы [2, стр.235] получаем отношение:
b/h=0.48,
гдеb - отклонение провода в
горизонтальной плоскости, м.
b=0.48h=0.481.5=0.72 м
Сравним полученное выражение с допустимым по ПУЭ:
,
гдеbДОП - допустимое отклонение провода, м;
D=3 м
- расстояние между фазами, м;
d=0.1
м - расстояние между проводниками одной фазы (для 1110 кВ);
aДОП=0.45 м - наименьшее допустимое
расстояние в свету между соседними фазами в момент их наибольшего сближения, м.
м
bДОП=1.225 м>b=0.72 м
Следовательно, при заданных уровнях токов КЗ схлестывание проводов
произойти не должно.
Проверка
по электродинамическому взаимодействию проводников одной фазы
Усилие на каждый провод от взаимодействия со всеми остальными n-1 проводами составляет, Н/м:
,
гдеn=3 - число проводников в фазе;
d=0.1
м - диаметр фазы, м;
IПО(3)=23710 А - действующее значение тока
КЗ, А;
Н/м
Расстояние между распорками должно быть, м:
,
гдеk=1.8 - коэффициент допустимого
увеличения механического напряжения в проводе при КЗ;
МАХ=72.5
МПа;
=15910-13 м2/Н;
МПа/м - удельная нагрузка от собственной массы провода,
МПа/м;
МПа/м - удельная нагрузка от сил взаимодействия при КЗ,
МПа/м.
м
В результате расчета установлено, что распорки можно ставить через 18.7
м, однако для сохранения геометрии фазы распорки необходимо устанавливать
максимум через 15 м.
Проверка
по условиям короны
Проводить не требуется, т.к. по ПУЭ минимально допустимое сечение для
напряжения 110 кВ по условию образования короны равно 70 мм2, а мы
взяли провод сечением 240 мм2.
Провода от
трансформаторов связи до РУ 110 кВ
Выполняем такими же как для РУ 110 кВ: 3хАС240/39 с максимально длительно
допустимым током 1830 А.
Выполним проверку токонесущей способности этого провода для двух
параллельно включенных трансформаторах связи и отключенном генераторе на РУ 110
кВ. Через трансформаторы будет протекать мощность 420 МВт, т.е. через каждый из
трансформаторов будет протекать мощность 210 МВт или 210/0.8=262.5 МВА, что на
262.5/200=1.31 раза превышает номинальную мощность трансформатора. Этот режим
является допустимым. Рабочий ток на стороне 110 кВ:
А
Этот ток меньше максимально допустимого тока, значит условие токонесущей
способности выполнено.
Провод для
присоединения ПРТСН
Подключенного
к трансформаторам связи
Ток через трансформатор:
А
С учетом того, что трансформатор может быть перегружен в 1.4 раза, тогда
ток через трансформатор будет равен: 1.4412=577 А, выбираю провод АС240/39.
Подключенного
к РУ 110 кВ
Ток через трансформатор:
А
С учетом возможной перегрузки трансформатора в 1.4 раза выбираю провод
АС70/11. Токопровод от трансформатора СН до РУСН
Номинальный рабочий ток на каждую секицю:
,
где½ - учитывает, что только половина мощности трансформатора
идет на секцию; SНОМ - номинальная мощность
трансформатора СН; UСН=6.3 кВ - напряжение на шинах СН.
А
На шинах в режиме КЗ IПО=22.66 кА; ударный ток IУ=61.85 кА.
Выбираю токопровод ТЗК-6-1600-81 с параметрами:
а) UНОМ=6.3 кВ;
б) IНОМ=1600 А (больше II);
в) Ток динамической стойкости IДИН=81 кА
(больше IУ).
Для КРУ выбираю КМ-I с
параметрами:
а) UНОМ=6.3 кВ;
б) IНОМ=1600 А;
в) Ток отключения IОТКЛ=31.5 кА (больше IПО);
г) Ток динамической стойкости IДИН=81 кА
(больше IУ).
Токопровод
для генераторного напряжения
Выбираю токопровод ТЭН-Е-20-11200-400, предназначенный для эксплуатации с
генератором ТГВ-300, с параметрами:
а) UНОМ=20 кВ;
б) IНОМ=11.2 кА;
в) Ток динамической стойкости 400 кА (больше IУ=394.8 кА);
.
Контрольно-измерительные приборы на электростанциях
Контроль за режимом работы основного и вспомогательного оборудования на
электростанциях и подстанциях осуществляется с помощью контрольно-измерительных
приборов. В зависимости от характери объекта и структуры его упрввления объем
контроля и место установки контролько-измерительной аппаратуры могут быть
различными. Приборы могут устанавливаться на главном щите управления (ГЩУ),
блочном щите управления (БЩУ) и центральной щите (ЦЩУ) на электростанциях с
блоками генератор-трансформатор и на местных щитах.
Таблица 16
Список устанавливаемого оборудования
|
Цепь
|
Место утсановки
|
Перечень приборов
|
|
Блок генератор-трансформатор
|
Генератор
|
Статор
|
Амперметр в каждой фазе, вольтметр, ваттметр, варметр,
счетчик активной энергии, датчики активной и реактивной мощности.
Регистрирующие приборы: ваттметр, амперметр и вольтметр. Устанавливается
осциллограф и приборы синхронизации
|
|
|
Ротор
|
Амперметр, вольтметр. Вольтметр в цепи основного и
резервного возбудителей. Регистрирующий амперметр
|
|
Блочный трансформатор
|
ВН
|
Амперметры во всех фазах
|
|
|
НН
|
-
|
|
Трансформатор связи РУ
|
Двухобмоточный
|
ВН
|
-
|
|
|
НН
|
Амперметр, ваттметр и варметр с двусторонней шкалой
|
|
Трансформатора СН
|
На одну секцию
|
Со стороны питания: амперметр, ваттметр, счетчик активной
энергии
|
|
На две секции
|
На вводе к секциям 6.3 кВ: амперметр, ваттметр, счетчик
активной энергии, датчик активной мощности
|
|
Линии 110 кВ
|
-
|
Амперметр, ваттметр, варметр, фиксирующий прибор,
используемый для определения места КЗ, расчетные счетчики активной и
реактивной энергии на тупиковых потребительских линиях
|
|
Линии 330 кВ
|
-
|
Амперметр в каждой фазе, ваттметр и варметр с двусторонней
шкалой, осциллограф, фиксирующий прибор для определения места КЗ, датчики
активной и реактивной мощности
|
|
Сборных шин высшего напряжения электростанции
|
На каждой секции или системе шин
|
Вольтметр с переключением для измерения трех междуфазных
напряжений; регистирующие приборы: частотометр, вольтметр и суммирующий
ваттметр; приборы синхронизации: два частотометра, два вольтметра,
синхроноскоп; осциллограф (на шинах 110 кВ один на секцию, на шинах 330 кВ -
два на секцию)
|
|
Шиносоединительный и секционный выключатель
|
-
|
Амперметр
|
|
Обходной выключатель
|
-
|
Амперметр, ваттметр и варметр с двусторонней шкалой,
расчетные счетчики и фиксирующий прибор.
|
Трансформаторы
тока выбираются по следующим условиям:
1) Номинальное напряжение
UН≥UРМАКС , где UРМАКС - максимальное напряжение на участке
цепи;
UН - каталожные данные ТТ;
) Номинальный первичный ток
I1Н≥I1Р, гдеI1Р - расчетный ток в первичной цепи;
I1Н - номинальный ток для первичной цепи
ТТ;
) Номинальный вторичный ток
I2Н≥I2Р, гдеI2Р - расчетный ток во вторичной цепи;
I2Н - номинальный ток для вторичной
цепи;
) Класс точности NНОМ%≤NДОП%
) Кратность тока динамической стойкости KДИН≥IУ/(√2∙I1Н)
) Кратность односекундного тока термической стойкости (К1С∙I1Н)2≥ВК
) Номинальная вторичная нагрузка S2H≥S2P
Трансформаторы
напряжения выбираются по следующим условиям:
1) Номинальное первичное напряжение U1H≥U1РМАКС
) Класс точности NНОМ%≥NДОП%
) Номинальная мощность вторичной обмотки S2H≥S2P
Таблица 17
Выбор трансформаторов тока и трансформаторов напряжения
|
Прибор и место установки
|
Параметры ТТ (ТН)
|
Расчетные величины
|
|
ТФРМ-330Б-3000/1 ОРУ 330 кВ
|
1) 363 кВ - наибольшее рабочее напряжение 2) 3000 А -
наибольший ток первичной обмотки 3) 1 А 4) 160 кА - ток электроди-намической
стойкости 5) 630002∙1=4∙109 А2∙с
6) номинальная вторичная наг-рузка и класс точности выдер-живаются при
соответствующем выборе кабелей для вторичных цепей
|
1) 340 - средне номинальное напряжение на шинах ОРУ 2) I=400∙103/(√3∙340)=679
А - ток, подтекающий к линии 3) 1 А 4) 61.06 кА - ударный ток при КЗ на шинах
ОРУ 5)
610602∙0.15=0.56∙109 А2∙с
|
|
ТШ-20-12000/5 Токопровод для генератора
|
В связи с тем, что ТТ встроены в токопровод, то по своим
пара-метрам они согласованы с параметрами токопровода. Т.к. токопровод
удовлетворяет расчетным условиям, то и ТТ и ТН будут удовлетворять этим
условиям. Расчет вторичной нагрузки приведет ниже.
|
|
|
ТВТ300-I-3000/1
|
1) 2) 3) 6) как для ТФРМ-330Б 4) КДИН=25 -
номинальная предельная кратность тока 5) (25∙3000)2=5.625∙109 А2∙с
|
4) 61060/(√2∙3000)=14.39
5) 610602∙0.2=0.74∙106 А2∙с
|
|
ТПОЛ-10-1500/5 На вводе секции 6 кВ
|
1) 10 кВ 2) 1500 А 3) 5 А 4) КДИН=25 5) 180002=324∙106
А2∙с
|
1) 6 кВ 2) 25/(2√3∙6)=1203 А 3) 5 А 4) 61850/(√2∙1500)=24.5 5) 618502∙0.1=382∙106 А2∙с
|
|
ТВТ300-2000/1 Трансформатор
связи
|
1) 363 кВ - наибольшее рабочее напряжение 2) 2000 А 3) 1 А
4) КДИН=25 5) (25∙2000)2=2.5∙109 А2∙с
|
1) 340 кВ 2) (200∙1.4)/(√3∙340)=475 А 3) 1 А 4) 61060/(√2∙2000)=21.59
5) 610602∙0.2=0.74∙109 А2∙с
|
|
ТВТ110-I-2000/1 Трансформатор связи
|
1) 110 кВ 2) 2000 А 3) 1 А 4) КДИН=24 5) (24∙2000)2=2.3∙109
А2∙с
|
1) 110 кВ 2) (200∙1.4)/(√3∙110)=1470 А 3) 1 А 4) 64470/(√2∙2000)=22.79
5) 644702∙0.2=0.83∙109 А2∙с
|
|
ТВТ35-4000/5 Трансформатор связи
|
1) 35 кВ 2) 4000 А 3) 5 А 4) КДИН=16 5) (16∙4000)2=4.1∙109
А2∙с
|
1) 35 кВ 2) (25∙1.4)/(√3∙35)=577 А 3) 5 А 4) 75750/(√2∙4000)=13.4
5) 757502∙0.2=1.15∙109 А2∙с
|
|
ТВТ110-2000/5 ПРТСН на ОРУ 110 кВ
|
1) 110 кВ 2) 2000 А 3) 5 А 4) КДИН=24 5) (24∙2000)2=2.3∙109
А2∙с
|
1) 110 кВ 2) (25∙1.4)/(√3∙110)=225 А 3) 5 А 4) 64470/(√2∙2000)=22.8
5) 644702∙0.2=0.8∙109 А2∙с
|
|
ТФЗМ-110Б-III-2000/1
ОРУ 110 кВ
|
1) 110 кВ 2) 2000 А 3) 1 А 4) 212 кА 5) (68000)2=4.62∙109 А2∙с
|
1) 110 кВ 2) (50∙1.4)/(√3∙110)=367 А 3) 1 А 4) 64470/(√2∙2000)=22.8
5) 644702∙0.2=0.8∙109 А2∙с
|
|
НКФ-110-83У1
|
1) 110 кВ 2) 3) Мощность вторичной обмотки не должна
превышать допустимой для заданного класса точности.
|
1) 110 кВ
|
|
НКФ-330-73У1
|
1) 330 кВ 2) 3) Мощность вторичной обмотки не должна
превышать допустимой для заданного класса точности
|
1) 330 кВ
|
Вторичная
нагрузка для цепи генератор-трансформатор
Для
трансформатора тока
Таблица 18
|
Прибор
|
Тип
|
Нагрузка ВА, фазы
|
|
|
А
|
В
|
С
|
|
Амперметр
|
Э377
|
0.1
|
0.1
|
0.1
|
|
Ваттметр
|
Д-335
|
0.5
|
-
|
0.5
|
|
Варметр
|
Д-335
|
0.5
|
-
|
0.5
|
|
Счетчик актив-ной энергии
|
САЗ-И680
|
2.5
|
-
|
2.5
|
|
Регистрирующий: ваттметр амперметр
|
Н-348 Н-344
|
10 -
|
- 10
|
10 -
|
|
Ваттметр на щите турбины
|
Д-335
|
0.5
|
-
|
0.5
|
|
Итого
|
|
14.1
|
10.1
|
14.1
|
Допустимая вторичная нагрузка для трансформатора ТШ20 равна Z2НОМ=1.2 Ом для класса точности 0.2.
Вторичный ток равен 5 А. Найдем допустимое сопротивление приборов (включая сопротивление
проводов):
Ом
Допустимое сопротивление проводов:
Ом,
гдеrК=0.1 Ом - переходное сопротивление контактов
Для генератора 300 МВт применяется кабель с алюминиевыми жилами, ориентировочная
длина которого 40 м, трансформаторы тока соединены в полную звезду, поэтому Lрасч=L. Требуемое сечение:
мм2,
где=0.0283 (Оммм2)/м - удельное
сопротивление для алюминиевого провода.
Принимаем контрольный кабель АКРВГ с жилами сечением 4 мм2.
Для
трансформатора напряжения
Таблица 19
|
Прибор
|
Тип
|
S одной обмотки, ВА
|
Число обмоток
|
tg
|
Число приборов
|
Общая потребляемая мощность
|
|
|
|
|
|
|
P, Вт
|
Q, Вар
|
|
Вольтметр
|
Э-377
|
2
|
1
|
0
|
1
|
2
|
-
|
|
Ваттметр
|
Д-335
|
1.5
|
2
|
0
|
2
|
6
|
-
|
|
Варметр
|
Д-335
|
1.5
|
2
|
0
|
1
|
3
|
-
|
|
Датчик активной мощности
|
Е-829
|
10
|
-
|
0
|
1
|
10
|
-
|
|
Датчик реактивной мощности
|
Е-830
|
10
|
-
|
0
|
1
|
10
|
-
|
|
Счетчик активной энергии
|
САЗ-И680
|
2 Вт
|
2
|
2.4
|
1
|
4
|
9.7
|
|
Регистрирующий ваттметр вольтметр
|
Н-348 Н-344
|
10 10
|
2 1
|
0 0
|
1 1
|
20 10
|
- -
|
|
Частотомер
|
Э-372
|
3
|
1
|
0
|
2
|
6
|
-
|
|
Итого
|
|
|
|
|
|
71
|
9.7
|
Суммарная вторичная нагрузка:
ВА
Встроенный трансформатор напряжения ЗНОМ-20 допустимая вторичная нагрузка
для класса точности 0.5 равна S2НОМ=75 ВА. Таким образом, трансформатор
будет работать в выбранном классе точности.
Вторичная
нагрузка для трансформатора связи
Для
трансформатора тока
Для стороны НН и СН
Таблица 20
|
Прибор
|
Тип
|
Нагрузка ВА, фазы
|
|
|
А
|
В
|
С
|
|
Амперметр
|
Э377
|
0.1
|
0.1
|
0.1
|
|
Ваттметр
|
Д-335
|
0.5
|
-
|
0.5
|
|
Варметр
|
Д-335
|
0.5
|
-
|
0.5
|
|
Итого
|
|
1.1
|
0.1
|
1.1
|
Допустимая вторичная нагрузка для трансформатора ТВТ35-I равна Z2НОМ=1.2 Ом для класса точности 0.5. Вторичный ток равен 5 А.
Ом
Допустимое сопротивление проводов:
Ом,
Ориентировочная длина кабеля 100 м, трансформаторы тока соединены в
полную звезду, поэтому Lрасч=L. Требуемое сечение:
мм2,
Принимаем контрольный кабель АКРВГ с жилами сечением 4 мм2.
Допустимая вторичная нагрузка для трансформатора ТВТ110-I равна Z2НОМ=50 Ом для класса точности 0.5. Вторичный ток равен 1 А.
Ом
Допустимое сопротивление проводов:
Ом,
Ориентировочная длина кабеля 100 м, трансформаторы тока соединены в
полную звезду, поэтому Lрасч=L. Требуемое сечение:
мм2,
Принимаем контрольный кабель АКРВГ с жилами сечением 1 мм2.
Для стороны ВН
Таблица 21
|
Прибор
|
Тип
|
Нагрузка ВА, фазы
|
|
|
А
|
В
|
С
|
|
Амперметр
|
Э377
|
0.1
|
-
|
-
|
|
Итого
|
-
|
-
|
Допустимая вторичная нагрузка для трансформатора ТВТ330-I равна Z2НОМ=100 Ом для класса точности 0.2. Вторичный ток равен 1 А.
Ом
Допустимое сопротивление проводов:
Ом,
Ориентировочная длина кабеля 100 м, трансформаторы тока соединены в
полную звезду, поэтому Lрасч=L. Требуемое сечение:
мм2,
Принимаем контрольный кабель АКРВГ с жилами сечением 1 мм2.
Вторичная
нагрузка для ТСН
Для
трансформатора тока
Со стороны питания:
Таблица 22
|
Прибор
|
Тип
|
Нагрузка ВА, фазы
|
|
|
А
|
В
|
С
|
|
Амперметр
|
Э377
|
0.1
|
-
|
-
|
|
Ваттметр
|
Д-335
|
0.5
|
-
|
0.5
|
|
Счетчик активной энергии
|
САЗ-И680
|
2.5
|
-
|
2.5
|
|
Итого
|
|
3.1
|
-
|
3.0
|
Допустимая вторичная нагрузка для трансформатора ТВТ-35 равна Z2НОМ=0.6 Ом для класса точности 0.5.
Вторичный ток равен 5 А.
Ом
Допустимое сопротивление проводов:
Ом,
Ориентировочная длина кабеля 40 м, трансформаторы тока соединены в полную
звезду, поэтому Lрасч=L. Требуемое сечение:
мм2,
Принимаем контрольный кабель АКРВГ с жилами сечением 4 мм2.
На вводе к секциям:
Таблица 23
|
Прибор
|
Тип
|
Нагрузка ВА, фазы
|
|
|
А
|
В
|
С
|
|
Амперметр
|
Э377
|
0.1
|
-
|
-
|
|
Ваттметр
|
Д-335
|
0.5
|
-
|
0.5
|
|
Счетчик актив-ной энергии
|
САЗ-И680
|
2.5
|
-
|
2.5
|
|
Итого
|
|
3.1
|
-
|
3.0
|
Допустимая вторичная нагрузка для трансформатора ТПОЛ-10 равна Z2НОМ=0.4 Ом для класса точности 0.5.
Вторичный ток равен 5 А
Ом
Допустимое сопротивление проводов:
Ом,
Ориентировочная длина кабеля 40 м, трансформаторы тока соединены в полную
звезду, поэтому Lрасч=L. Требуемое сечение:
мм2,
Принимаем контрольный кабель АКРВГ с жилами сечением 8 мм2.
7. Выбор
типов релейной защиты
Защита
трансформаторов СН, автотрансформаторов связи
Для трансформаторов должны быть предусмотрены устройства релейной защиты
от следующих видов повреждений и ненормальных режимов работы:
1)многофазных замыканиях в обмотках и на выводах;
2)однофазных замыканий на землю в обмоткае и на выводах, присоединенных к
сети с глухозаземленной нейтралью;
)витковых замыканиях в обмотках;
)токов в обмотках, обусловленных внешними КЗ;
)токов в обмотках, обусловленных перегрузкой;
)понижения уровня масла.
Рекомендуется применение защиты от однофазных замыканий на стороне 6-35
кВ автотрансформаторов с высшим напряжением 220 кВ и выше.
Блок генератор-трансформатор
Для блоков генератор-трансформатор с генераторами мощностью более 10 МВт
должны быть предусмотрены устройства РЗ от следующих видов повреждений и
ненормальных режимов работы:
1)замыканий на землю на стороне генераторного напряжения;
2)многофазных замыканий в обмотке статора генератора и на его выводах;
)замыканий между витками одной фазы в обмотке статора турбогенератора;
)многофазных замыканий в обмотках и на выводах трансформатора;
)однофазных замыканий на землю в обмотке трансформатора и на ее выводах,
присоединённых к сети с большими токами замыкания на землю;
)замыканий между витками в обмотках трансформатора;
)внешних КЗ;
)перегрузки генератора токами обратной последовательности;
)симметричной перегрузки обмотки статора генератора и обмоток
трансформатора;
)перегрузки обмоток ротора генератора токов возбуждения;
)повышения напряжения на статоре генератора и трансформаторе блока;
)замыканий на землю в одной точке цепи возбуждения;
)асинхронного режима с потерей возбуждения;
)понижения уровня масла в баке трансформатора.
Защиты
воздушных линий в сетях напряжением 110-330 кВ с эффективно заземленной
нейтралью
1)для линий 110-330 кВ с эффективно заземленной нейтралью должны быть
предусмотрены устройства РЗ от многофазных замыканий и от замыканий на землю;
2)защиты должны быть оборудованы устройствами, блокирующими их действие
при качаниях;
)для линий 330 кВ в качестве основной должны быть предусмотрена защита,
действующая без замедления при КЗ в любой точке защищаемого участка; для линий
110 кВ вопрос об основной защите решается исходя из требований сохранения
устойчивости работы энергосистемы;
)на одиночных линиях с односторонним питанием от многофазных КЗ следует
устанавливать ступенчатые токовые защиты или ступенчатые защиты тока и напряжения.
Если такие защиты не удовлетворяют требованиям чувствительности или быстроты
срабатывания, должны быть предусмотрена ступенчатая дистанционная защита, а в
качетсве дополнительной использовать токовую отсечку без выдержки времени.
От замыканий на землю должна быть предусмотрена, как правило, ступенчатая
токовая направленная или ненаправленная защита нулевой последовательности.
Защита должна быть установлена, как правило, только с тех сторон, откуда может
быть подано напряжение.
5)если защиты, устанавливаемые на параллельных линиях не удовлетворяют
требованиям быстродействия, в качестве основной защиты на питающем конце двух
параллельных линий 110 кВ с односторонним питанием может быть применена
поперечная дифференциальная направленная защита;
6)если предыдущие защиты не удовлетворяют требованиям быстродействия, в
качестве основных защит одиночных и параллельных линий с двусторонним питанием
следует предусматривать высокочастотные и продольные дифференциальные защиты.
Для линий 110 кВ рекомендуется осуществлять основную защиту с
использованием высокочастотной блокировки дистанционной и токовой направленной
нулевой последовательности защит, когда это целесообразно по условиям
чувствительности или упрощения защиты.
На линиях 330 кВ в дополнение к ВЧ защите следует предусматривать
использование устройства передачи отключающего или разрешающего ВЧ сигнала,
если это устройство предусмотрено для других целей.
7)при выполнении защит по п.6 в качестве резервных следует применять:
-дистанционные защиты (как правило, трехступенчатые) - от многофазных КЗ;
-от замыканий на землю ступенчатые токовые направленные или
ненаправленные защиты нулевой последовательности.
Защита шин.
Защита на обходном и шиносоединительном и секционном выключателях
1)дифференциальная токовая защита без выдержки времени;
2)для РУ 110 кВ дифференциальная защита должны быть предусмотрена в
исполнении для фиксированного распределения элементов;
)двухступенчатая неполная дифференциальная защита, первая ступень которой
выполнена в виде токовой отсечки по току и напряжению или дистанционной защиты,
а вторая - в виде максимальной токовой защиты. Защита должны действовать на
отключением питающих элементов и трансформатора собственных нужд;
)на обходном выключателе 110 кВ должны быть защиты:
а) трехступенчатая дистанционная защита и токовая отсечка от многофазных
КЗ;
б) четырехступенчатафя токовая направленная защита нулевой
последовательности от замыканий на землю;
5)на секционном (шиносоединительном) выключателе должны быть:
а) двухступенчатая токовая защита от многофазных КЗ;
б) трехступенчатая токовая защита нулевой последовательности от замыканий
на землю.
.
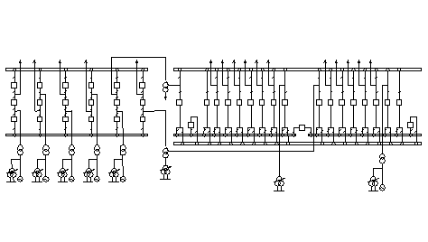
Конструктивное выполнение распределительных устройств
ОРУ сооружаются на электростанциях при напряжении 35 кВ и выше при
нормальных условиях внешней среды.
Компоновку ОРУ выбирают, исходя из схемы соединений, перспектив развития
и особенностей конструкции устанавливаемых электрических аппаратов. При этом
большое значение имеет число рядов размещения выключателей, количество ярусов
расположения проводов и тип разъединителей. В ОРУ со сборными шинами
рекомендуются следующие типы расположения выключателей:
1)
при схемам с
обходной системой шин - в один ряд;
2)
при схемам 3/2
выключателя на цеь - в три ряда.
Разработка ОРУ с использованием типового проекта сводится к выбору
расположения ячеек и компоновке в ячейках выбранного оборудования. При
расположении ячеек целесообразно:
1)
присоединения
трансформаторов чередовать с отходящими линиями;
2)
трансформаторы
напряжения и разрядники размещать в ячейках силовых трансформаторов или
линейных ячейках;
3)
иносоединительные
и обходные выключатели располагать в средней части ОРУ.