Проектирование цифровой многофункциональной телемеханической системы ТУ-ТС-ТИ
Пояснительная записка к
курсовому проекту
Проектирование цифровой
многофункциональной телемеханической системы ТУ-ТС-ТИ
Задание
Требуется спроектировать цифровую многофункциональную
телемеханическую систему ТУ-ТС-ТИ с полудуплексной передачей команд
телеуправления (ТУ), сообщений телесигнализации (ТС) и телеизмерений (ТИ),
предназначенную для обслуживания рассредоточенных объектов телемеханики.
Предлагается разработать устройство приёмной части пункта
управления (ПУ), отвечающего требованиям указанного варианта задания. Передача
команд ТУ должна осуществляться по вызову, а приём сообщений ТС, ТИ -
циклически или по вызову.
Проект выполняется в виде комплекта конструкторской
документации, в состав которого входят: пояснительная записка, блок-схема
алгоритма работы системы, структурная, функциональная и электрическая
принципиальная схемы.
Исходные
данные
Вариант №5.
Количество контролируемых пунктов: М=3
Число объектов на КП: ТИ+ТС+ТУ = 2+4+8
Число позиций объекта: 2
Вероятность искажения двоичного символа: Р=2*10-3
Вероятность потери: Рпот =10-7
Вероятность трансформации: Ртр =10-7
Верхняя граница частоты спектра ТИ: Fс =1 Гц
Погрешность ТИ: d=0.1%.
Передача ведётся по каналу с независимыми ошибками [1].
Введение
В настоящее время имеется острая необходимость в
автоматизации различных сфер нашей жизни. В связи с этим возникает
необходимость применения средств автоматизации и вычислительной техники.
Современное развитие техники, электроники и вычислительной техники открыло
возможность автоматизированного выполнения многих операций по контролю и
управлению. Это относится, прежде всего, к простейшим операциям по управлению
отдельными объектами и простыми процессами. Автоматизированные устройства дают
возможность выполнить эти операции точнее, лучше и быстрее по сравнению с тем,
как эти операции выполнит один человек.
1.
Структура кодовых посылок
В состав каждой посылки входят (рис. 1):
синхросигнал, общий адрес, включающий адрес контролируемого пункта АКП и
функциональный адрес ФА, определяющий характер передаваемой информации: ФАТИ -
вызов или передача ТИ, ФАТС - вызов или передача ТС, ФАТУ - вызов или передача
ТУ, или квитанции о её включении. При передаче команды ТУ посылка дополняется
адресом объекта телеуправления АТУ.
Каждая посылка передается помехозащищенным кодом, поэтому в
ее состав входят проверочные символы.
При представлении посылок в двоичном коде они имеют следующий
вид:
СС k m
Здесь СС - синхросигнал, m - число проверочных
символов, k
- число информационных символов. Длительность кодовой посылки удобно измерять
числом двоичных символов в посылке или числом временных позиций (в.п.). Под
в.п. понимается интервал времени, отводимый для передачи одного двоичного
символа.
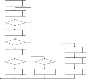
2. Алгоритм
работы пункта управления (ПУ)
Блок-схема алгоритма, описывающего работу ПУ, приведена на рис.
3. После включения (блок 1) аппаратура ПУ находится в режиме вызова ТИ
(блок 2). На ПУ формируется общий адрес, включающий адрес КП и функциональный
адрес ТИ (блок 3). Затем осуществляется помехозащитное кодирование (блок 4) и
передача сформированной кодовой посылки (блок 5). После этого ПУ переходит в
режим приема сообщений с КП (блок 6). Если сообщения приняты правильно (блоки
7,8), то ПУ приступает к циклическому опросу датчиков ТС на КП, для чего
формируется адрес КП и функциональный адрес ТС (блоки 9,10). После
помехоустойчивого кодирования (блок 4) и передачи вызова ТС (блок 5) ПУ
приступает к приему сообщений ТС (блок 11). После приема известительной
информации автоматически, либо диспетчером формируются заявки на передачу ТУ
(блок 12). Если заявка имеется, то формируется посылка адреса КП, команды ТУ
(блок 13), которые после защиты от ошибок (блок 4) передаётся на КП (блок 5).
После этого ПУ принимает сигнал подтверждения с КП о выполнении команды ТУ
(блок 14). ПУ переходит в режим вызова следующего КП.
3. Алгоритм
работы контролируемого пункта (КП)
управление кодовый телемеханическая система
Блок-схема алгоритма, работы КП представлена на рис. 4.
После включения (блок 1) происходит прием поступающей с ПУ кодовой посылки
(блок 2) и ее анализ (блок 3). Если в посылке обнаружена ошибка, то КП
возвращается в исходное состояние. Если ошибки нет, выделяется код адреса КП
(блок 4) и осуществляется его анализ (блок 5). Если адрес КП совпал с номером
КП, то определяется функциональный адрес вызова ТИ, ТС либо команды ТУ (блок
6), если нет, то КП возвращается в исходное состояние. Далее анализируется ТИ
(блок 7), ТС (блок 8), ТУ (блок 9). При выделении соответствующего
функционального адреса КП осуществляет циклическую передачу адреса КП,
функционального адреса ФА и сообщений ТИ или ТС (блоки 8,10). При приеме
команды ТУ (блок 11) осуществляется передача команды на исполнительный механизм
(блок 12), а также формирование и передача на ПУ квитанции о выполнении команды
ТУ (блок 13).
4.
Выбор синхросигнала
В случае одноэлементного синхросигнала для выполнения
неравенства:
Рпр.с.≤Рпот,
где Рпр.с - вероятность пропуска синхросигнала;
Рпот - вероятность потери телемеханического
сообщения,
необходимо обеспечить длительность синхросигнала tс=b×t0,
где b - коэффициент удлинения, выбираемый из ряда
чисел 2,3,…;
t0 =1/В-длительность элементарного сигнала;
В-скорость модуляции, Бод.
Значение b определяется из соотношения:
b=] hc2 / h02 [,
где hc2=E0/N0 - отношение сигнал-помеха
для синхросигнала;
h02 - отношение сигнал-помеха для элементарного
сигнала.
Для Q(x)=Pпот=10-7 по таблице 2 из [1] находим x=yc=5.2, затем
hc=
×yc=
×5.2=7.354.
Для Q(x)=P=2*10-3 проведем линейную аппроксимацию:
Q(x1)=10-2
Q(x)=2*10-3
Q(x2)=10-3
x1=2.37
x2=3.11
x=y0=3.03, затем
h0= y0×
= 3.03×
=4.285.
Тогда:
b= ] hc2 /h02 [=] 7.3542/4.2852
[=] 2.94 [=3;
tс=b×t0=3t0.
Длительность синхросигнала составляет 3 в.п. (временных
позиции).
5.
Формирование структуры кодовых посылок без учета СС и ПС
Т.к. число КП равно 3, то для представления этого числа в
позиционном двоичном коде достаточно двух разрядов. Следовательно, для передачи
АКП нужно отвести 2 в.п.
Для представления ФА в позиционном двоичном коде достаточно
два разряда: 00 - ТУ «включить», 01 - ТУ «выключить», 10 - ТС, 11 - ТИ.
Следовательно, общая длина посылки вызова в режиме ТИ(ТС) без учёта
синхросигнала и проверочных символов:
nТС,ТИв=nАКП+nФА=2+2=4 в.п.,
где nАКП, nФА - длина комбинаций АКП и ФА соответственно.
Для передачи команды ТУ нужно указать адрес объекта АТУ и
характер управления: «включить» или «выключить». Поскольку число ОУ равно 8, то
для передачи АТУ позиционным двоичным кодом потребуется 3 в.п. Характер
управления задаётся кодом ФАТУ. Следовательно, длина посылки вызова с командой
ТУ составляет:
nТУв=nАКП+nФАТУ+nАТУ=2+2+3=7 в.п.
В режиме сообщения длина посылки ТС больше длины вызова ТС на
число в.п., отводимых для передачи сигналов состояния объектов ТС1,
ТС2, ТС3, ТС3. Т.к. число объектов
телесигнализации 4, то для передачи сигналов ТС опрашиваемого КП потребуется 4
в.п. При этом длина посылки ТС без учёта СС и проверочных символов:
nТСс=nАКП+nФА+ nТС=2+2+4=8 в.п.
После передачи команд ТУ диспетчер должен получить
известительную сигнализацию о её выполнении, т.е. квитанцию. Обычно квитанция
имеет ту же структуру, что и сообщение ТС. Поскольку число объектов управления
равно 8, то для передачи ТС потребуется 8 в.п., а значит, кодовая посылка без
учёта СС и ПС будет занимать:
nТУс=nАКП+nФА+ nТУ=2+2+8=12 в.п.
Как показано в [1] для представления ТИ с приведенной
среднеквадратичной погрешностью квантования не более d% число уровней
равномерного квантования должно быть не меньше N:
N=(100/d×2
).
Для обеспечения такого N число разрядов
комбинации позиционного двоичного кода должно быть равно или больше:
nТИ=] log2N [=] log2 (100/0.1×2
) [=] 8.173 [= 9.
nТИс=nАКП+nФА+2× nТИ=2+2+2×9=22 в.п.
6. Выбор
помехоустойчивого кода
Корректирующие свойства кода зависят от его избыточности и
определяются величиной минимального кодового расстояния d. Задача состоит в том, чтобы при минимальной избыточности
кода обеспечить выполнение условия: Pноост≤Pтр. Увеличение d продолжается до тех пор, пока не будет выполнено это условие.
Проверка условия предполагает определение вероятностей
,
,
. Формулы для вычисления этих вероятностей
зависят от вида помехоустойчивого кода и характера ошибок в канале связи.
Будем использовать систематический код (n, k), где
n - общая длина кодовой комбинации,
k - число информационных символов,
m = n - k - число проверочных символов.
Информация ведется по каналу с независимыми ошибками.
Воспользуемся результатами расчетов раздела 8 и выберем из всех
длин кодовых посылок (без учета синхросигнала) максимальную длину посылки
вызова и сообщения:
kВ = 7 в.п.
(команда ТУ),
kC = 22
в.п. (сообщение ТИ).
Определим максимальную кратность полностью обнаруживаемых ошибок
и исправляемых ошибок для
помехоустойчивого кода с минимальным кодовым расстоянием d по формулам:
q0= d - 1 = 4 - 1 = 3, qИ = d /2- 1 = 1.
Число проверочных символов m можно найти, как минимальное целое число, удовлетворяющее условию
исправления ошибок кратности
:
,
где
- число сочетаний из n по i искаженных
символов.
В режиме обнаружения ошибок
где
- вероятность появления i ошибок в n-разрядной
кодовой комбинации;
- вероятность появления d и более
ошибок в n-разрядной кодовой комбинации.
При работе в канале с независимыми ошибками следует
воспользоваться биномиальной моделью ошибок, согласно которой распределение
вероятностей определяется по формуле Бернулли:
где Р - вероятность искажения двоичного символа (для нашего
варианта
).
При этом вероятность появления не менее m ошибок в n-разрядной
комбинации определяется по формуле:
Для расчетов воспользуемся пакетом MathCad 2001. Далее приведен текст программы.
При выборе d=3 остаточная
вероятность необнаруживаемой ошибки получается больше вероятности
трансформации, что не удовлетворяет поставленной задаче.
Выбираем d=4.
nc, nv - общая длина кодовой комбинации
Pnov, Pnoc - вероятности приёма вызова / сообщения с
необнаруживаемой ошибкой
Poov, Pooc - вероятности приёма вызова / сообщения с
обнаруживаемой ошибкой
Pnnv, Pnnc-вероятности правильного приема вызова /
сообщения
Poctno-остаточная вероятность необнаруживаемой ошибки
Как видно, полученная остаточная вероятность необнаружения меньше
требуемой (
).
Для кодирования будем использовать циклический код [4].
Циклические коды относятся к числу блоковых систематических
кодов, в которых каждая комбинация кодируется самостоятельно (в виде блока)
таким образом, что информационные k и проверочные m символы всегда находятся
на определенных местах.
Кодирование посылки вызова.
Кодирование - это преобразование k-разрядной комбинации в n-разрядную комбинацию
циклического кода.
Кодирование осуществляется методом деления исходной k-разрядной кодовой
комбинации на образующий полином. Проверочные m разрядов соответствуют
остатку от деления исходной комбинации на образующий полином.
Выше мы уже определили длину посылки вызова:
k = 7 - число информационных символов,
m = 4 - число проверочных символов,
n = k + m = 11 - общая длина кодовой комбинации.
Степень образующего полинома Р(х) следует выбирать равной
числу m
= 4. Выберем из готовой таблицы неприводимых многочленов [4] следующий:
.
Кодирования посылки сообщения.
Выше мы уже определили длину посылки сообщения.
k = 22 - число информационных символов,
m = 5 - число проверочных символов,
n = k + m = 27 - общая длина кодовой комбинации.
Из таблицы неприводимых многочленов [4] выберем образующий
многочлен Р(х), степень которого равна числу m = 5.
.
7. Расчет
длительности цикла обслуживания КП
В предыдущих пунктах мы уже рассчитали длину кодовых посылок
без учета проверочных символов и синхросигнала. Рассчитаем теперь общую длину
кодовых посылок.
Длительность цикла обслуживания КП при работе системы в
циклическом режиме:
, где М - количество КП, no = nc + nв;
nc = ncc + mc
+ kc = 3 + 5 + 22 = 30 (в.п.).в = ncc + mв + kв = 3 + 4 + 7 = 14 (в.п.). = 3 -
число КП.
Подставим теперь численные значения:
цо
= 3*M*no = 3*3*44 = 396 (в.п.).
8. Выбор скорости модуляции
Под скоростью модуляции
понимается число элементарных сигналов длительностью τ0, передаваемых в единицу времени. Скорость
модуляции рассчитаем по формуле [1]:
, где
- среднее число передач сообщения.
Получим
. И тогда скорость модуляции:
В≥2×1×396×1.078=853,45 [Бод].
Полученное значение В округляется до ближайшего большего из
стандартного ряда:
, 100, 200, 300, 600, 1200, т.е. принимаем В=1200 Бод.
9. Определение коэффициента нестабильности
генераторов тактовых импульсов
В простейшем случае система должна обеспечивать передачу
информации по вызову. Такой вид передачи организуется оператором ПУ и занимает
интервал времени Тц, называемый циклом передачи. В этих
условиях для правильного приёма информации необходимо вначале каждого цикла
передавать синхросигнал, несущий информацию о начале цикла. Наиболее простым
способом синхронизации является старт-стопный. Согласно этому способу,
синхросигнал подключает ГТИ приёмника к распределителю и фазирует ГТИ один раз
за цикл. Это обеспечивает синхронную и синфазную работу распределителей
передающей и приёмной сторон, если время te выпадения из синхронизма
ГТИ приёмника, обусловленное нестабильностью частоты генераторов, больше
времени Тц цикла передачи, т.е.
, (
)
где n - число элементарных сигналов в
передаваемой кодовой посылке, исключая синхросигнал;
Если условие (
) не выполняется, то необходимо фазировать ГТИ приёмника с помощью
специального устройства в течение цикла передачи.
Из неравенства (
) определяется значение коэффициента нестабильности генератора n, при котором можно обойтись без
устройства фазирования по элементам:
.
В качестве n в этом выражении используем число
элементарных сигналов кодовой посылки максимальной длины, без учета
синхросигнала. Максимальной является посылка сообщения ТИ: nс = 22 (в.п.). Значение e примем равным e = 0.35.
υ =0.35/44 = 0.008.
10. Согласование спектра сигнала с частотными
характеристиками канала связи
В цифровых системах телемеханики первичные сигналы
представляют собой последовательность импульсов прямоугольной формы и пауз:
Тактовые импульсы
Первичный сигнал
Синхросигнал
Разделительная пауза (n, k) - код Сервисные такты
Ширина спектра первичного сигнала зависит от длительности
импульсов и пауз, а также от их чередования. Наиболее широкий спектр имеет
сигнал, состоящий из чередующихся импульсов и пауз длительностью t0 (такой сигнал
соответствует кодовой комбинации, состоящей из чередующихся единиц и нулей).
Поэтому для определения ширины спектра первичного сигнала можно ограничиться
рассмотрением периодической последовательности импульсов и пауз с периодом Т=2×t0=2/В и частотой первой
гармоники F1=1/T=B/2.
Теоретически спектр периодической последовательности
импульсов состоит из бесконечно большого числа гармоник, т.е. занимает весь
частотный диапазон от нуля до бесконечности. Однако энергия высокочастотных
составляющих спектра незначительна. Это позволяет считать, что практически
спектр первичного сигнала занимает диапазон частот от нуля до Fmax, причём:
Fmax=Кгр×F1,
где Кгр - номер гармоники, ограничивающей спектр
по энергетическому критерию; F1 - частота первой гармоники спектра сигнала или
частота следования импульсов.
Рекомендуется принять Кгр=1, т.е. Fmax= F1, поскольку при этом
сохраняется примерно 90% энергии сигнала.
Поскольку спектр первичного сигнала расположен в полосе частот
от 0 до Fmax, то этот сигнал можно передавать без дополнительных
преобразований только по таким каналам, полоса пропускания которых начинается с
нуля. Если же амплитудно-частотная характеристика (АЧХ) канала эквивалентна АЧХ
полосового фильтра (к таким каналам относится и стандартный телефонный канал),
то спектр первичного сигнала должен быть перемещён в полосу пропускания канала,
что осуществляется с помощью модуляции.
Находим частоту первой гармоники модулирующего сигнала:
F1=В/2=1200/2=600 Гц.
Практическая ширина спектра DFАМ сигнала при амплитудной
модуляции:
DFАМ=2×F1=2×600=1200 Гц.
Для устранения взаимного влияния каналов за счёт
нестабильности генераторов несущих колебаний и неидеальности разделительных
фильтров необходимо предусмотреть защитные интервалы. Нестабильность x определяется
относительно номинального значения частоты несущего колебания.
Следовательно, должно выполняться неравенство: DfЗК³ х×f0.
Поскольку fВ³ f0, где fВ - верхняя частота
канала, то для упрощения расчётов можно вычислять fЗК следующим образом,
положив х=10-2: DfЗК³х×fВ=10-2×3400=34 Гц.
Определим значение несущей частоты:
f0=] (fВ-DfЗК-0,5×DFС)/ F1 [×F1=] (3400-34-0,5×1200)/600 [×600=2400 Гц.
Определяем нижнюю частоту канала:
fН= f0-0,5×DFС-DfЗК=2400-0,5×1200-34=1766 Гц.
Тогда занимаемый каналом диапазон частот:
DFАМ= fВ - fН=3400-1766=1634 Гц.
Расположение частот в полученном канале показано:
DfЗК DFАМ DfЗК
f, Гц
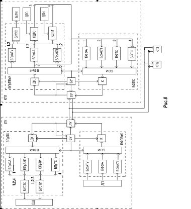
14. Структурная схема цифровой системы
телемеханики
Рассмотренные ранее алгоритмы могут быть реализованы системой
телемеханики, структурная схема которой представлена на рис. 8.
На ПУ диспетчер с помощью ключей, расположенных на
диспетчерском пульте ДП, устанавливает нужный адрес КП и осуществляет вызов ТИ
или ТС либо передачу команд ТУ. Формирование кодовых посылок возлагается на
блок формирования посылок вызова и команд БФПВиК. На КП блок приёма посылок
вызова и команд БПрПВиК анализирует поступающие посылки. Если принят вызов ТС
или ТИ, то с КП на ПУ передаётся соответствующая информация, поступающая с
коммутаторов КДТС, КДТИ датчиков ТС и ТИ. Если на КП принята команда ТУ, то в
блок исполнительных механизмов БИМ поступает сигнал управления. При этом с КП
на ПУ передаётся информация о выполнении команды, поступающая с датчиков телесигнализации
ДТС через КДТС. Формирование передаваемых с КП на ПУ кодовых посылок происходит
в блоке формирования посылок сообщений БФПС. Эти посылки принимаются на ПУ
блоком приёма посылок сообщений БПрПС. Полученная информация отображается на
диспетчерском щите ДЩ.
Блоки управления (БУ) синхронизируют работу аппаратуры ПУ и
КП, а линейные блоки (ЛБ) обеспечивают согласование устройств КП и ПУ с линией
связи.
При построении системы телемеханики используется агрегативный
принцип, позволяющий унифицировать блоки формирования приема посылок на ПУ и
КП.
В состав блока БФПВиК на ПУ входят: блок формирования адреса
контролируемого пункта (БФАКП), блок формирования функционального адреса
(БФФА), блок формирования адреса объекта телеуправления (БФАТУ), а также блок
ввода информации (БВИ) и кодер (К). На КП в аналогичном блоке БФПС вместо БФАТУ
включены блоки БФТС, БФТИ формирования сообщений ТС и ТИ.
В состав блока БПрПС на ПУ входят: декодер (ДК), блок ввода
информации (БВвИ), блоки БПрАКП, БПрФА приема адреса КП и ФА, блоки БПрТИ,
БПрТС приема сообщений ТИ, ТС и блоки БУСТИ, БУСТС управляющих сигналов ТИ, ТС,
обеспечивающие отображение информации на ДЩ. На КП в блоке БпрПВиК блоки БПрТИ,
БПрТС заменяются блоком БПрАТУ приема адреса объекта ТУ.
Блоки БВИ служат для преобразования параллельного кода в
последовательный. Блоки БВвИ осуществляют обратное преобразование. Кодеры (К) и
декодеры (ДК) обеспечивают защиту информации помехоустойчивыми кодами.
В состав устройства ПУ входят: БПрФА - блок приёма
функционального адреса;
БПрАКП - блок приёма адреса КП;
БПрТИ - блок приёма ТИ;
БПрТС - блок приёма ТС;
БФАТУ - блок формирования адреса ТУ;
БФФА - блок формирования функционального адреса;
БФАКП - блок формирования адреса КП;
БУСТС, БУСТИ - блоки управляющих сигналов ТС, ТИ;
БВИ - блок вывода информации;
БВвИ - блок ввода информации;
К, ДК - кодипрующее и декодирующее устройство.
В состав устройства КП входят: БФТС - блок формирования
сообщений ТС;
БФТИ - блок формирования сообщений ТИ;
ДТС - датчик ТС;
ДТИ - датчик ТИ;
БИМ - блок исполнительных механизмов;
ЛУ - линейное устройство;
КДТС - коммутатор датчиков ТС;
КДТИ - коммутатор датчиков ТИ;
БФУС - блок формирования управляющих сигналов;
БУ - блок управления;
К, ДК - кодирующее и декодирующее устройство.
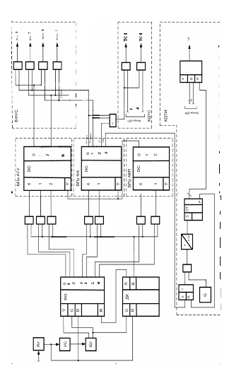
15. Функциональная схема приемной части
контролируемого пункта
Один из вариантов построения приемной части КП представлен
функциональной схемой на рис. 9.
Линейное устройство ЛУ преобразует последовательность
импульсов переменного тока в импульсы постоянного тока, поступающие на
устройство синхронизации УС, информационный вход D сдвигового регистра RG,
выполняющего функцию блока БВвИ ввода информации, и декодер ДК. Ввод информации
начинается по синхросигналу, после выделения которого на управляющий вход V
сдвигового регистра RG с блока управления БУ поступает сигнал разрешения
записи. В регистр RG и декодер ДК по входу D вводятся k информационных символов, после чего
сигнал разрешения записи снимается, а в декодер ДК продолжают вводиться m
последующих проверочных символов. Считывание информационной части принятой
кодовой посылки осуществляется после выполнения операции декодирования в
декодере ДК и получения сигнала, подтверждающего правильный прием кодовой
комбинации (выход B). В случае обнаружения ошибки информация, записанная в
регистр RG, стирается сигналом с выхода A декодера ДК. При безошибочном приеме
информация поступает через схемы совпадения на дешифраторы: блок БПрАКП адреса
контролируемого пункта, блок БПрФА приема функционального адреса и блок БПр АТУ
приема адреса объекта телеуправления, преобразующие позиционный двоичный код в
распределительный код. Дешифраторы, выполняющие функции блоков БПрФА и БПрАТУ,
переходят в рабочее состояние по сигналу, поступающему на их управляющие входы
V с соответствующего выхода дешифратора адреса КП (блока БПрАКП). Этот сигнал
появляется при совпадении кода адреса КП с номером КП.
В случае приема кодовой посылки, содержащей команду ТУ,
сигнал появляется на одном из выходов блока БФУС формирования управляющих
сигналов, выполняющую функцию дешифрации команд ТУ. Например, при поступлении
команды ТУ «включить», адресованную первому объекту, логическая «1» появляется
на нулевых выходах БПр ФА, и Бпр АТУ, что приводит к появлению сигнала только
на выходе «Вкл1». Одновременно подготавливаются соответствующие цепочки КДТС
датчиков телесигнализации ДТС для выдачи сигнала ТС от управляемого объекта и
других объектов.
В случае приема кодовой посылки вызова ТИ на выходе
коммутатора КДТИ датчиков ТИ последовательно появляются телеизмерения датчиков.
Сигнал с одного из выходов дешифратора адреса КП разрешает работу аналогового
мультиплексора AMS. По сигналу вызова ТИ с выхода БпрФА RS-триггер устанавливается
в состояние «1», разрешая прохождение через схему совпадения импульсов от
генератора G
на делитель частоты, с выхода которого импульсы необходимой длительности и
частоты поступают на счетный вход счетчика СТ, который последовательно меняет
адрес входа мультиплексора AMS, подключая соответствующий датчик ТИ выбранной
группы на выход КДТИ. [2]

16. Разработка модели декодирующего устройства КП
Декодирование - процедура анализа полученной кодовой
комбинации, в результате которой обнаруживаются или (и) исправляются ошибки. В
данном проекте используется режим обнаружения ошибок. Процедура обнаружения
ошибки сводится к делению принятой комбинации на образующий полином и принятию
решения по виду остатка от деления. Если остаток от деления равен нулю, то
ошибки нет, либо произошла не обнаруживаемая кодом ошибка. Если остаток от
деления на образующий полином отличен от нуля, то данные приняты с ошибкой.
Декодер для обнаружения ошибок представляет собой схему
деления на образующий полином. Такой схемой является сдвиговый регистр,
охваченный обратными связями через сумматоры по модулю два (рис. 10). Для
нашего случая P(x4) = x4+x+1, он будет выглядеть:
Рис. 10. Схема декодирующего устройства для обнаружения
ошибок
Принимаемая n-разрядная кодовая комбинация символ за символом
вводится в регистр. В течение первых m=4 тактов обратная связь не действует, так как
триггер x3 - в нулевом состоянии. В течение последующих к=9 тактов
происходит деление: делимое суммируется по модулю два с делителем, поступающим
через обратные связи. С поступлением последнего символа деление завершается. К
этому моменту в регистре записан остаток, по виду которого принимается решение о
наличии ошибки.
Длина посылки вызова равна n = k + m = 7 + 4 = 11,
где k=7 - число информационных символов, m=4 - число проверочных
символов.
Для данной комбинации выбран образующий полином вида P(x4)=x4+x+1.
Возьмем кодовую комбинацию 1100100.
) Исходная комбинация описывается полиномом С6(х)=x6+x5+x2.
) Умножаем полином С6(х) на х4, что
соответствует сдвигу кодовой комбинации на 4 разряда влево, имеем: С6(х)·x4= x10+x9+x6 → 11001000000.
Получившемуся остатку соответствует кодовая комбинация 0001.
Тогда получаем кодовую комбинацию 11001000001.
Остаток от деления равен 0, следовательно, комбинация принята
без ошибки.
Остаток от деления не равен нулю, следовательно, комбинация
принята с ошибкой.
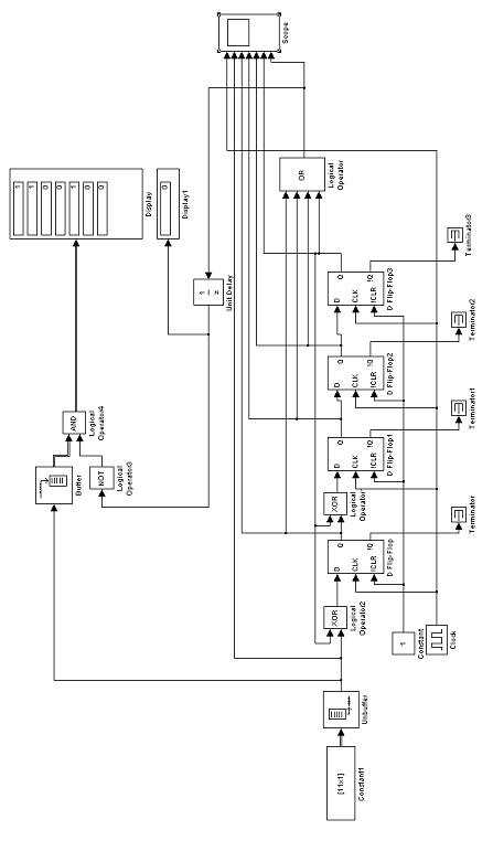
Рассмотрим работу спроектированного декодера в среде
визуального моделирования Simulink системы MATLAB (рис. 11).
Как видно из модели декодер, построенный по виду образующего
полинома P(x4)=x4+x+1, представляет
сдвиговый регистр, охваченный обратными связями через сумматоры по модулю два.
В состав декодера входят:
1) 4 триггера (D Flip-Flop - D Flip-Flop3), число триггеров
определяет показатель степени полинома P(x);
) два сумматора по модулю два (Sum Mod2_1 - Sum Mod2_2);
3) дизъюнктор OR (Error detector).
Информационные символы посылки вызова подаются на выход схемы
если комбинация принята без ошибки или произошла необнаруживаемая ошибка, в
противном случае на выход подаются нули.
Временные диаграммы работы декодера, для комбинации без
ошибок (11001000001) представлены на рис. 12.
На диаграмме мы видим: х0 - х3 - комбинация снятая с
триггеров D Flip-Flop0 - D Flip-Flop3, OR - выводится остаток от
деления, DATA - проверяемая комбинация, Clock - тактовые импульсы.
Принимаемая 11-разрядная кодовая комбинация синхронно
с тактовыми импульсами вводится в регистр. В течение первых 4 тактов обратная
связь не действует, так как триггер D Flip-Flop3 - в нулевом состоянии. В
течение последующих 7 тактов происходит деление: делимое суммируется по модулю
два с делителем, поступающим через обратные связи. С поступлением последнего символа
деление завершается. К этому моменту в регистре записан остаток, по виду
которого может быть принято решение о наличие ошибки. В данном случае остаток
равен 0, следовательно, комбинация принята без ошибок.
На выход схемы подаются информационные символы посылки
вызова.
Временные диаграммы работы декодера, для комбинации с ошибкой
в 2-ом разряде (10001000001).
Заключение
В данном курсовом проекте была спроектирована цифровая
многофункциональная телемеханическая система ТУ-ТС-ТИ с полудуплексной
передачей команд телеуправления, сообщений телесигнализации и телеизмерений,
предназначенная для обслуживания рассредоточенных объектов телемеханики.
Разработано устройство пункта управления, в котором передача
команд ТУ осуществляется по вызову, ТС и ТИ - циклически или по вызову. Был
использован стандартный телефонный канал связи общего пользования с полосой
пропускания 0,3 - 3,4 кГц.
На основе алгоритмов работы ПУ и КП были составлены структуры
кодовых посылок, формируемых на ПУ и КП.
Были рассчитаны основные параметры телемеханической системы.
С учетом требований к помехоустойчивости проектируемой
телемеханической системы, которые заданы, был выбран помехоустойчивый CRC-код с кодовым
расстоянием d=4.
Также в данном курсовом проекте, в среде визуального
моделирования Simulink системы MATLAB, разработана модель декодирующего устройства
контролируемого пункта для образующего полинома вида P(x4)=x4+x+1.
Список литературы
1. Гаврилов
А.Н., Вираховский Н.И. Телемеханика: методические указания к курсовому
проектированию. / РРТИ, 1992 г.
2. Гаврилов
А.Н., Вираховский Н.И. Схемотехника цифровых систем телемеханики: методические
указания к курсовому проектированию; РРТИ, 1993.
. Гаврилов
А.Н.: Исследование CRC - кода. Методичские указания к лабораторной работе. Рязань; 2006.
. Тутевич
В.Н. Телемеханика: учебное пособие для студентов вузов специальности
«Автоматика и телемеханика». 2-е изд. / М.; 1985 г.