Устройства для тестирования аккумуляторов

  • Вид работы:
    Дипломная (ВКР)
  • Предмет:
    Информатика, ВТ, телекоммуникации
  • Язык:
    Русский
    ,
    Формат файла:
    MS Word
    1,03 Mb
  • Опубликовано:
    2012-01-30
Вы можете узнать стоимость помощи в написании студенческой работы.
Помощь в написании работы, которую точно примут!

Устройства для тестирования аккумуляторов

Федеральное агентство по образованию

ГОУ СПО Волгоградский политехнический колледж











ПОЯСНИТЕЛЬНАЯ ЗАПИСКА

к дипломному проекту

Устройство для тестирования аккумуляторов


Выполнила: К. И. Черногаева

СОДЕРЖАНИЕ

Аннотация

Введение

. Литературный обзор

. Постановка задачи

. Техническая часть

.1 Назначение и основные технические характеристики устройства

.2 Разработка и описание схемы электрической функциональной

.3 Характеристика элементной базы

.4 Разработка и описание алгоритма работы схемы

.5 Описание схемы электрической принципиальной

.6 Разработка и описание программного продукта

.7 Построение и описание временных характеристик

. Конструкторская часть

.1 Разработка и описание платы печатной

.2 Разработка и описание сборочного чертежа платы

. Расчётная часть

.1 Оценка надёжности устройства

. Эксплуатация устройства

. Ремонтно-регламентные работы

.1 Характерные неисправности и методы их устранения

.2 Применение сервисной аппаратуры

. Охрана труда

. Экономическая часть

Заключение

Литература

Листинг программы

АННОТАЦИЯ

Согласно заданию дипломного проекта разработано «Устройство для тестирования аккумуляторов».

Дипломный проект состоит из двух частей: пояснительной записки и графической части. В пояснительной записке раскрывается назначение, технические характеристики устройства, поясняется работа данного устройства через алгоритм работы схемы и временные характеристики. Представлена конструкторская часть в виде печатной платы и её сборки. Выполнен расчёт на надёжность, рассмотрены возможные неисправности «Устройства для тестирования аккумуляторов» и методы их устранения. Рассмотрены вопросы охраны труда при настройке и эксплуатации данного устройства, произведен расчет себестоимости устройства и его проектная цена в экономической части. Так же выполнено заключение и представлен список используемой литературы, которая была использована для разработки данного устройства.

Рассматриваемое в дипломном проекте «Устройство для тестирования аккумуляторов» может найти применение в сфере использования различной портативной радиоэлектронной аппаратуры, питающейся литий-ионовыми аккумуляторами, в качестве тестирующего и зарядного устройства.

ВВЕДЕНИЕ

Микропроцессорная техника сейчас всё активнее входит в нашу жизнь постепенно замещая и вытесняя традиционную цифровую технику на «жёсткой логике». Со времени своего появления интегральные схемы делились на: малые, средние, большие и ультрабольшие  (МИС, СИС, БИС и УБИС соответственно). Все больше и больше транзисторов удавалось поместить на всё меньших и меньших по размерам кристаллах. Следовательно, ультрабольшая интегральная схема оказывалась не такой уж большой по размеру и огромной по своим возможностям. Поэтому процессоры созданы именно на основе  УБИС . Развитие микропроцессоров в электронной индустрии проходило настолько быстрыми темпами, что каждая модель микропроцессора становилась маломощной с момента появления новой модели, а ещё через 2-3 года  считалась устаревшей и снималась с производства. Универсальность, гибкость, простота проектирования аппаратуры, практически неограниченные возможности по усложнению алгоритмов обработки информации - всё это обещает микропроцессорной техники большое будущее. Обычная цифровая техника сегодня применяется для увеличения возможностей микропроцессорных систем, для их сопряжения с внешними устройствами.

Целью дипломного проекта является спроектировать «Устройство для тестирования аккумуляторов».

В дипломном проекте используется микропроцессор типа PIC16F870, который в свою очередь обладает высоким быстродействием и низкой потребляемой мощностью при тестировании аккумуляторов.

В настоящее время литий-ионные аккумуляторы всё шире применяются для питания различной портативной радиоэлектронной аппаратуры. В первую очередь, это значительная часть сотовых телефонов, число которых только в нашей стране составляет десятки миллионов. Аккумулятор - важная часть сотового телефона, поскольку от его качества зависит как надёжность связи, так и продолжительность работы без подзарядки. Стоимость Li-ion аккумуляторов ещё сравнительно высока, поэтому важно оценить их свойства и принять решение о замене или продолжении эксплуатации. Поможет в этом устройство, представленное ниже. расчет устройство тестирование аккумулятор

Источником для разработки «Устройства для тестирования аккумуляторов» является литература [1].

1 ЛИТЕРАТУРНЫЙ ОБЗОР

Инженерная мысль непрерывно развивается: ее стимулируют постоянно возникающие проблемы, требующие для своего решения разработки новых технологий. В свое время на смену никель-кадмиевым (NiCd) аккумуляторам пришли никель-металлгидридные (NiMH), а сейчас место литий-ионных (Li-ion) [2] пытаются занять литий-полимерные (Li-pol) аккумуляторы. NiMH аккумуляторы в какой-то степени потеснили NiCd, но в силу таких неоспоримых достоинств последних, как способность отдавать большой ток, низкая стоимость и длительный срок службы, не смогли обеспечить их полноценной замены.

Аккумуляторная батарея - это устройство для накопления энергии с целью последующего ее использования.

Первые эксперименты по созданию литиевых батарей начались в 1912 году, но только спустя шесть десятилетий, в начале 70-х годов, они впервые были внедрены в бытовые устройства. Причем, подчеркну, это были именно батареи. Последовавшие вслед за этим попытки разработать литиевые аккумуляторы (перезаряжающиеся батареи) оказались неудачными из-за проблем, связанных с обеспечением безопасности их эксплуатации. Литий, самый легкий из всех металлов, имеет наибольший электрохимический потенциал и обеспечивает самую большую плотность энергии. Аккумуляторы, использующие литиевые металлические электроды, характеризуются и высоким напряжением, и превосходной емкостью. Но в результате многочисленных исследований в 80-х годах было выяснено, что циклическая работа (заряд - разряд) литиевых аккумуляторов приводит к изменениям на литиевом электроде, в результате которых уменьшается тепловая стабильность и появляется угроза выхода теплового состояния из-под контроля. Когда это происходит, температура элемента быстро приближается к точке плавления лития - и начинается бурная реакция с воспламенением выделяющихся газов. Так, например, большое количество литиевых аккумуляторов для мобильных телефонов, поставленных в Японию в 1991 году, было отозвано после нескольких случаев их воспламенения.

Из-за свойственной литию неустойчивости исследователи обратили свой взор в сторону неметаллических литиевых аккумуляторов на основе ионов лития. Немного проиграв при этом в плотности энергии и приняв некоторые меры предосторожности при заряде и разряде, они получили более безопасные так называемые Li-ion аккумуляторы.

Плотность энергии Li-ion аккумуляторов обычно вдвое превышает плотность стандартных NiCd, а в перспективе, благодаря применению новых активных материалов, предполагается еще больше увеличить ее и достигнуть трехкратного превосходства над NiCd. В дополнение к большой емкости Li-ion аккумулятор при разряде ведет себя аналогично NiCd (форма их разрядных характеристик подобна и отличается лишь напряжением).

На сегодняшний момент существует множество разновидностей Li-ion аккумуляторов, причем можно долго говорить о преимуществах и недостатках того или иного типа, но отличить их по внешнему виду невозможно. Поэтому отметим только те достоинства и недостатки, которые свойственны всем типам этих устройств, и рассмотрим причины, вызвавшие появление на свет литий-полимерных аккумуляторов.

Основные преимущества.

· высокая плотность энергии и как следствие большая емкость при тех же самых габаритах по сравнению с аккумуляторами на основе никеля;

· низкий саморазряд;

· высокое напряжение единичного элемента (3.6 В против 1.2 В у NiCd и NiMH), что упрощает конструкцию - зачастую аккумулятор состоит только из одного элемента. Многие производители сегодня применяют в сотовых телефонов именно такой одноэлементный аккумулятор (вспомните Nokia). Однако, чтобы обеспечить ту же самую мощность, необходимо отдать более высокий ток. А это требует обеспечения низкого внутреннего сопротивления элемента;

· низкая стоимость обслуживания (эксплуатационных расходов) - результат отсутствия эффекта памяти, требующего периодических циклов разряда для восстановления емкости.

Недостатки.

· для аккумулятора требуется встроенная схема защиты (что ведет к дополнительному повышению его стоимости), которая ограничивает максимальное напряжение на каждом элементе аккумулятора во время заряда и предохраняет напряжение элемента от слишком низкого понижения при разряде. Кроме того, она ограничивает максимальные токи заряда, разряда и контролирует температуру элемента. В результате возможность металлизации лития практически исключена;

· аккумулятор подвержен старению, даже если не используется и просто лежит на полке. Процесс старения характерен для большинства Li-ion аккумуляторов. По вполне очевидным причинам производители об этой проблеме умалчивают. Незначительное уменьшение емкости становится заметным уже через год вне зависимости от того, находился аккумулятор в эксплуатации или нет. Через два или три года он часто становится непригодным к использованию. Впрочем, аккумуляторы других электрохимических систем также имеют возрастные изменения с ухудшением своих параметров (это особенно справедливо для NiMH, подверженных воздействию высокой температуры окружающей среды). Для уменьшения процесса старения храните заряженный примерно до 40 % от номинальной емкости аккумулятор в прохладном месте отдельно от телефона;

· более высокая стоимость по сравнению с NiCd аккумуляторами;

· затруднено быстрое тестирование аккумуляторов (например, на анализаторе Cadex C7xxx), поскольку технология их изготовления до конца еще не отработана и постоянно меняется.

Технология изготовления Li-ion аккумуляторов постоянно улучшается. Она обновляется приблизительно каждые шесть месяцев, и понять, как “ведут себя” новые аккумуляторы после длительного хранения, трудно.

Словом, всем был бы Li-ion аккумулятор хорош, если бы не проблемы с обеспечением безопасности его эксплуатации и высокая стоимость. Попытки решения этих проблем и привели к появлению литий-полимерных (Li-pol или Li-polymer) аккумуляторов.

Основное их отличие от Li-ion отражено в названии и заключается в типе используемого электролита. Первоначально, в 70-х годах, применялся сухой твердый полимерный электролит, похожий на пластиковую пленку и не проводящий электрический ток, но допускающий обмен ионами (электрически заряженными атомами или группами атомов). Полимерный электролит фактически заменяет традиционный пористый сепаратор, пропитанный электролитом.

Такая конструкция упрощает процесс производства, характеризуется большей безопасностью и позволяет выпускать тонкие аккумуляторы произвольной формы. К тому же отсутствие жидкого или гелевого электролита исключает возможность воспламенения. Толщина элемента составляет около одного миллиметра, так что разработчики оборудования свободны в выборе формы, очертаний и размеров, вплоть до внедрения его во фрагменты одежды.

Но пока, к сожалению, сухие Li-polymer аккумуляторы обладают недостаточной электропроводностью при комнатной температуре. Внутреннее сопротивление их слишком высоко и не может обеспечить величину тока, необходимую для современных средств связи и электропитания жестких дисков переносных компьютеров. В то же время при нагревании до 60 °C и более электропроводность Li-polymer увеличивается до приемлемого уровня, однако для массового использования это не годится.

Исследователи продолжают разработку Li-polymer аккумуляторов с сухим твердым электролитом, работающим при комнатной температуре. Подобные аккумуляторы, как ожидается, станут коммерчески доступными к 2005 году. Они будут стабильными, допускать1000 полных циклов заряда-разряда и иметь более высокую плотность энергии, чем сегодняшние Li-ion аккумуляторы

Тем временем некоторые виды Li-polymer аккумуляторов в настоящее время используются в качестве резервных источников питания в жарком климате. Например, часть производителей специально устанавливает нагревающие элементы, поддерживающие благоприятную для аккумулятора температуру.

На рынке вовсю продают Li-polymer аккумуляторы, изготовители комплектуют ими телефоны и компьютеры, а мы тут говорим, что для коммерческой эксплуатации они пока не готовы. Все очень просто. В данном случае речь идет об аккумуляторах не с сухим твердым электролитом. Для того чтобы повысить электропроводность небольших Li-polymer аккумуляторов, в них добавляют некоторое количество гелеобразного электролита. И большинство Li-polymer аккумуляторов, используемых сегодня для мобильных телефонов, фактически являются гибридами, поскольку содержат гелеобразный электролит. Правильнее было бы их называть литий-ионными полимерными. Но большинство изготовителей в рекламных целях маркируют их просто как Li-polymer.

Хотя характеристики и эффективность обеих систем во многом сходны, уникальность Li-ion полимерного (можно его и так назвать) аккумулятора заключается в том, что в нем все же используется твердый электролит, заменяющий пористый сепаратор. Гелевый электролит добавляется только для увеличения ионной электропроводности.

Технические трудности и задержка в наращивании объемов производства задержали внедрение Li-ion полимерных аккумуляторов. Это вызвано, по мнению некоторых экспертов, желанием инвесторов, вложивших большие деньги в разработку и массовое производство Li-ion аккумуляторов,

получить свои инвестиции обратно. Поэтому они и не спешат переходить на новые технологии, хотя при массовом производстве Li-ion полимерные аккумуляторы будут дешевле литий-ионных.

Рисунок 1.1 Стадии заряда Li-ion аккумуляторов

Основные характеристики Li-ion и Li-polymer аккумуляторов очень похожи.

Время заряда всех Li-ion аккумуляторов при начальном зарядном токе в 1С (численно равном номинальному значению емкости аккумулятора) составляет в среднем 3 часа. Полный заряд достигается при напряжении на аккумуляторе, равном верхнему порогу, и при уменьшении тока заряда до уровня, примерно равного 3 % от начального значения. Аккумулятор во время заряда остается холодным. Как видно из графика, процесс заряда состоит из двух стадий. На первой (час с небольшим) напряжение растет при почти постоянном начальном токе заряда в 1С до момента первого достижения верхнего порога напряжения. К этому моменту аккумулятор заряжается примерно на 70 % от своей емкости. В начале второго этапа напряжение остается почти постоянным, а ток уменьшается до тех пор, пока не достигнет вышеуказанных 3 %. После этого заряд полностью прекращается.

Если требуется поддерживать аккумулятор все время в заряженном состоянии, то подзаряд рекомендуется проводить через 500 часов, или 20 дней. Обычно его проводят при уменьшении напряжения на выводах аккумулятор до 4.05 В и прекращают при достижении 4.2 В

Несколько слов о температурном диапазоне при заряде. Большинство разновидностей Li-ion аккумуляторов допускают заряд током в 1С при температуре от 5 до 45 C. При температуре от 0 до 5 C рекомендуется заряжать током в 0.1 С. Заряд при минусовой температуре запрещен. Для заряда оптимальна температура от 15 до 25 C.

Зарядные процессы в Li-polymer аккумуляторах почти идентичны вышеописанным, поэтому потребителю совершенно ни к чему знать, какой их двух типов аккумуляторов у него в руках. И все те зарядные устройства, которые он использовал для Li-ion аккумуляторов, годятся для Li-polymer.

Обычно Li-ion аккумуляторы разряжают до значения 3.0 В на элемент, хотя для некоторых разновидностей нижний порог составляет 2.5 В. Производители оборудования с питанием от аккумуляторов, как правило, разрабатывают устройства с порогом выключения 3.0 В (на все случаи жизни). Это означает, что напряжение на аккумуляторе при включенном телефоне постепенно уменьшается, и как только оно достигнет 3.0 В, аппарат предупредит вас и выключится. Однако это совсем не означает, что он перестал потреблять энергию от аккумулятора. Энергия, пусть незначительная, требуется для определения нажатия клавиши включения телефона и некоторых других функций. Кроме того, энергию потребляет собственная внутренняя схема управления и защиты, да и саморазряд, хоть и небольшой, но все же характерен даже для аккумуляторов на основе лития. В результате, если оставить литиевые аккумуляторы на длительный срок без подзарядки, напряжение на них упадет ниже 2.5 В, что очень плохо. В этом случае возможно отключение внутренней схемы управления и защиты, и не все зарядные устройства смогут зарядить такие аккумуляторы. Кроме того, глубокий разряд отрицательно сказывается на внутренней структуре самого аккумулятора. Полностью разряженный аккумулятор должен заряжаться на первом этапе током всего в 0.1C. Словом, аккумуляторы скорее любят находиться в заряженном состоянии, чем в разряженном.

Как правило, Li-ion аккумуляторы лучше всего функционируют при комнатной температуре. Работа в более теплых условиях серьезно сокращает срок их службы. Хотя, например, свинцово-кислотный аккумулятор имеет самую высокую емкость при температуре более 30°C, но длительная эксплуатация в таких условиях сокращает жизнь аккумулятора. Точно так же и Li-ion лучше работают при высокой температуре, которая поначалу противодействует увеличению внутреннего сопротивления аккумулятора, являющемуся результатом старения. Но повышенная энергоотдача коротка, поскольку повышение температуры, в свою очередь, способствует ускоренному старению, сопровождаемому дальнейшим увеличением внутреннего сопротивления.

Исключение составляют на данный момент только литий-полимерные аккумуляторы с сухим твердым полимерным электролитом. Для них жизненно необходима температура от 60°C до 100°C. И такие аккумуляторы заняли свою нишу на рынке резервных источников в местах с жарким климатом. Они помещаются в теплоизолированный корпус со встроенными элементами нагревания, питающимися от внешней сети. Li-ion полимерные аккумуляторы в качестве резервных, как считают, превосходят по емкости и долговечности VRLA аккумуляторы, особенно в полевых условиях, когда управление температурой невозможно. Но их высокая цена остается сдерживающим фактором.

При низких температурах эффективность аккумуляторов всех электрохимических систем резко падает. В то время как для NiMH, SLA и Li-ion аккумуляторов температура -20°C является пределом, при котором они прекращают функционировать, NiCd продолжают работать до -40°C. Отмечу только, что речь опять же идет только об аккумуляторах широкого применения.

Важно не забывать, что, хотя аккумулятор и может работать при низких температурах, это совсем не означает, что он может быть также заряжен в этих условиях. Восприимчивость к заряду у большинства аккумуляторов при очень низких температурах чрезвычайно ограничена, и ток заряда в этих случаях должен быть уменьшен до 0.1C.

Литиевая батарея - это не просто батарея элементов. На разъёме больше двух контактов (иногда значительно больше). Все современные батареи для «умных» устройств (ноутбуки, мобильные телефоны, цифровые фотоаппараты) сами по себе тоже «умные» - они как минимум обеспечивают идентификацию батареи устройством, ее использующим. Необходимость такой идентификации объясняется возможностью применения батарей с различной емкостью и даже с различной технологией - устройство должно правильно отображать состояние батареи и корректно выполнять ее зарядку.

В простейшем случае батарея идентифицируется кодовой последовательностью, передаваемой по отдельной электрической линии - таковы, например, батареи мобильных телефонов. Электрический коннектор таких батарей имеет обычно четыре контакта - плюсовой вывод самой батареи, вывод идентификации, вывод встроенного в батарею термистора и общий. Тактовый генератор для работы системы идентификации при этом расположен в самой батарее. Иногда используются три контакта, в этом случае батарея передает показания термистора также через линию идентификации уже в оцифрованном виде. Общим недостатком таких систем является то, что устройство должно опознавать батарею по уникальной кодовой последовательности, соответственно, все допустимые типы и модификации батарей должны быть заранее известны устройству, а с неизвестными оно либо будет работать некорректно, либо вообще откажется.

Рисунок 1.2 - Li-ion аккумулятор

Более гибкий подход был стандартизован в 1993 году компаниями Duracell и Intel под названием Smart Battery System (SBS). Он предполагает применение двунаправленного канала передачи данных между устройством и батареей - интерфейса SMBus. В простейшем случае такие батареи имеют пятиконтактный разъем: две линии требуются для работы интерфейса - он основан на широко применяемой в бытовой технике двухпроводной шине I2C с внешним тактовым сигналом на отдельной электрической линии. Батарея, соответствующая SMBus, может обмениваться с устройством, ее использующим, гораздо большим количеством параметров, кроме того она хранит внутри довольно много данных о себе и своем состоянии (в качестве устройства хранения используется микросхема энергонезависимой памяти с последовательным интерфейсом, к примеру типа 24xx). Среди хранимой информации есть данные, однократно записываемые на заводе-изготовителе (идентификатор, тип элементов, серийный номер, производитель, дата выпуска и прочее) и временные, изменяющиеся в процессе эксплуатации (количество пройденных циклов заряда-разряда, дата первого использования, параметры текущего состояния и т. п.).

Контроллер батареи отслеживает напряжение каждого элемента в отдельности и разрывает цепь заряда при превышении границы в 4,3 В (все значения приведены для типовых цилиндрических литий-ионных элементов), а также отключает разряд, если напряжение упало ниже 2,5 В - батареи, оставленные на хранение при меньшем напряжении элементов, подвержены необратимым изменениям, что при последующем заряде может оказаться опасным (подробнее ниже). Термопредохранители рассчитаны на температуру в 80-90 градусов Цельсия, а система защиты от повышенного давления невосстановимо разрывает цепь при давлении около 10 кгс/см2 внутри элемента.

В современных литиевых батареях значительно больше элементов, обеспечивающих безопасность, нежели в металлoгидридных или никель-кадмиевых аккумуляторах. Связано это с тем, что литий - весьма химически активный элемент (вспоминайте школьные опыты на уроках химии по бросанию кусочка металлического лития в воду). И хотя в чистом виде литий в батареях отсутствует, он образуется в металлической форме на электродах при нештатных условиях (перезаряд или глубокий разряд), зачастую вместе с кислородом, образуя весьма взрывоопасную смесь. Если в старых типах батарей достаточно было включенных последовательно в силовую цепь плавкого предохранителя и терморазмыкателя, то у литиевых используется обычно несколько термопредохранителей (часто отдельно на каждый элемент), тот же общий токовый предохранитель (в большинстве батарей самовосстанавливающийся), система защиты от повышенного давления внутри элемента, а также более сложная схема заряда и контроля состояния батареи в части аварийного отключения сильноточной цепи (выполненная с использованием силовых КМОП-ключей). Опять же по соображениям безопасности схема управления зарядом размещена в самой батарее.

Рисунок 1.3 - Устройство аккумулятора

Избавившись в литиевых батареях от эффекта «памяти» собственно элементов, производители столкнулись с подобным же эффектом на другом уровне - так называемой «цифровой памятью». Дело в том, что электроника управления зарядом-разрядом, размещенная в самой батарее, работает независимо от устройства, батарею использующего. Внутренняя электроника следит за уровнем напряжения элемента, прерывает заряд по достижении установленной максимальной величины (с учетом изменения напряжения, обусловленного током зарядки и температуры батареи), прерывает разряд при достижении критической величины и сообщает об этом «наверх» (для этих целей производится большая номенклатура специализированных микросхем). Система же мониторинга батареи «наверху» вычисляет уровень заряда, основываясь на информации о моментах выключения заряда и разряда от батареи и показаниях системы измерения тока. Но если условия работы таковы, что полной разрядки до аппаратного отключения или полной зарядки не происходит, эти вычисления после нескольких циклов могут стать не вполне корректными - емкость батареи со временем падает, да и показания измерителя тока не всегда могут соответствовать реальности. Обычно отклонения не превышают одного процента на каждый цикл, если только в процессе эксплуатации не произошло серьезных изменений, связанных, к примеру, с выходом из строя одного из элементов батареи. Система мониторинга имеет возможность «обучаться», то есть пересчитывать значение полной емкости батареи, но для этого нужно выполнить как минимум один полный цикл заряд-разряд до срабатывания аппаратных схем самой батареи, при этом система мониторинга должна быть отключена (в нормальном режиме она не даст, к примеру, разрядить батарею ноутбука до нуля, выполнив останов операционной системы или «засыпание» на заданном уровне в 3% или около того). Производители ноутбуков обычно реализуют возможность «переобучения» в программе мониторинга батареи, и на практике использование этой возможности необходимо примерно раз в три месяца.

По указанному на батарее напряжению легко определить число последовательно включенных элементов: к примеру, напряжение одного литиевого элемента составляет 3,6 В, соответственно для двух получится 7,2 В, для трех - 10,8 В, для четырех - 14,4 В. Некоторые модификации (например, ионно-литиевые полимерные батареи) имеют немного более высокое напряжение элемента - 3,7 В, отсюда «нестандартные» цифры типа 14,8 В. Кроме того, элементы в батарее могут быть соединены и параллельно - литиевая технология для этого вполне пригодна. Основываясь на габаритах и напряжении, понять количество параллельных и последовательных элементов не вскрывая пластиковый корпус батареи (особенно в случае с цилиндрическими элементами) не составит труда.

Система зарядки останавливает процесс по достижении элементами батареи некоторого порогового напряжения, и обратного включения зарядки при последующем падении напряжения за счет саморазряда (пока напряжение находится в допустимых пределах) обычно уже не происходит. Режим зарядки включится после некоторой задержки только в случае, когда появится разрядный ток или батарея будет отключена от зарядного устройства и подключена вновь. Чтобы включить зарядку, отсоедините блок питания или батарею и подключите вновь.

Таблица 1.1 - Эксплуатационные свойства аккумуляторов

Применение

Бытовая и специальная мобильная техника: сотовые телефоны, ноутбуки, фото- и видеокамеры

Зарядка

Часто подзаряжать батарею, поскольку она служит дольше при частичных разрядках, чем при полных. Не использовать, если нагревается при зарядке (проверить зарядное устройство). Методы зарядки: постоянное напряжение до 4,2 В на ячейку. Не подпитывать слабым током по окончании заряда. Батарея может долго оставаться в зарядном устройстве (нет эффекта памяти). Следить за тем, чтобы батарея не нагревалась. Быстрая зарядка невозможна

Разрядка

Изнашивается при полных циклах. Рекомендуется использовать 80% глубины разрядки. Подзаряжать как можно чаще. Избегать полной разрядки, поскольку низкое напряжение может отключить цепь аварийной защиты

Профилактика

Не требуется. Теряет емкость со временем вне зависимости от того, используется или нет

Хранение

Хранить при 40% зарядке в прохладном месте. Хранение при полном заряде и высоких температурах ускоряет старение

Утилизация

Должна возвращаться в оборот. В небольших бытовых количествах может выкидываться


Встроенные в батарею светодиодные индикаторы состояния бывают разными - наиболее интересны те, которые умеют показывать «мертвую» емкость - они двухцветные, зеленым цветом отображается заряженная часть, красным - та, использовать которую уже невозможно. Эта схема работает без использования внешних программ, и красная индикация, увы, обычно корректно отражает ситуацию.

К персональному компьютеру устройства сопряжения (в данном случае это разрабатываемое «Устройство для тестирования аккумуляторов») могут быть подключены тремя путями, соответствующими трём типам стандартных внешних интерфейсов, свойства которых входят в базовую конфигурацию компьютера:

· через системную магистраль или шину, канал - эти терминалы равнозначны (например, ISA - Industrial Standard Architecture);

· через параллельный интерфейс Centronics;

· через последовательный интерфейс RS-232C [3].

Каждый из трёх указанных методов подключения имеет свои преимущества и недостатки.

Таблица 1.2 - Сравнение методов подключения устройств сопряжения


Системная магистраль ISA

Интерфейс Centronics

Интерфейс  RS-232C

Скорость обмена

Высокая (до 5 Мбайт/с и выше)

Средняя (до 100 Кбайт/с)

Низкая

Длина и тип линии связи с компьютером

Встроенные устройства сопряжения (линия связи отсутствует)

До 2 м, многопроводный кабель

До 15 м, одиночный провод

Допустимая сложность устройств сопряжения

От малой до средней

Любая

Любая

Сложность узлов сопряжения с интерфейсом

От малой до средней

От малой до средней

От средней до высокой

Дополнительный конструктив

Не нужен

Нужен

Нужен

Внешний источник питания

Не нужен

Нужен

Нужен

Формат и разрядность данных

Параллельный, 8 или 16 разрядов

Параллельный, 8 разрядов

Последовательный

Количество устройств сопряжения, подключаемых к компьютеру

До 6

1

1


Выбор в пользу применения интерфейса RS-232C может быть сделан при наличии следующих требований:

· относительная удалённость объекта обмена информацией (внешнего устройства) от компьютера (стандартом оговорена длина кабеля до 15 м при наличии общего контура заземления, однако во многих практических случаях она может быть существенно увеличена, хотя и с некоторым снижением рабочих скоростей);

· сравнительно (по отношению к параллельным методам и локальным вычислительным сетям) невысокая скорость обмена данными (максимально возможная скорость передачи данных стандартного последовательного порта компьютера составляет 115200 бит/сек, что ограничивает скорость обмена величиной около 10 Кбайт/сек);

· применение стандартного интерфейса для подключения к компьютеру без его вскрытия (несмотря на то, что времена, когда установка любой дополнительной платы в компьютер представлялась кощунством и вызывала дрожь его хозяина, прошли, применение RS-232C для подключения внешних устройств существенно упрощает процесс подключения и повышает оперативность в работе).

Устройство построено на базе высокоскоростного, восьмиразрядного микроконтроллера PIC16F870, который относится к семейству PIC16F87X. [4].

Микроконтроллеры семейства PIC (Peripheral Interface Controller) компании Microchip объединяют все передовые технологии микроконтроллеров: электрически программируемые пользователем РПЗУ, минимальное энергопотребление, высокую производительность, хорошо развитую RISC-архитектуру функциональную законченность и минимальные размеры. Широкая номенклатура изделий обеспечивает использование микроконтроллеров в устройствах, предназначенных для разнообразных сфер применения.

Первые микроконтроллеры компании Microchip PIC16C5x появились в конце 1980-х годов и благодаря своей высокой производительности и низкой стоимости составили серьёзную конкуренцию производившимся в то время 8-разрядным МК с CISC-архитектурой.

Высокая скорость выполнения команд в PIC-контроллерах достигается за счёт использования двухшинной гарвардской архитектуры вместо традиционной фон-неймановской. Гарвардская архитектура основывается на наборе регистров с разделёнными шинами и адресными пространствами для команд и данных. Все ресурсы микроконтроллера, такие как порты ввода/вывода, ячейки памяти и таймер, представляют собой физически реализованные аппаратные регистры. Кроме того, Гарвардская архитектура допускает конвейерное выполнение инструкций, когда одновременно выполняется текущая инструкция и считывается следующая. В традиционной же Фон-неймановской архитектуре команды и данные передаются через одну разделяемую или мультиплексируемую шину, тем самым, ограничивая возможности конвейеризации.

Микроконтроллеры PIC содержат RISC-процессор с симметричной системой команд, позволяющей выполнять операции с любым регистром, используя произвольный метод адресации. Пользователь может сохранять результат операции в самом регистре - аккумуляторе или во втором регистре, используемом для операции.

Основным назначением микроконтроллеров, как следует из аббревиатуры PIC (Peripheral Interface Controller), является выполнение интерфейсных функций.

В настоящее время компания Microchip выпускает пять основных семейств 8-разрядных RISC - микроконтроллеров: CXXX C5X FXXXCXXX CXXX

Представление о семействе можно получить, рассмотрев основу системы обозначений и примеры обозначений микроконтроллеров. После префикса PIC16, PIC12 или PIC18 следуют обозначение типа (технологии) памяти программ.

Варианты: - масочное ПЗУ; программируется один раз при изготовлении МК. - EPROM; программируется электрическим способом. Может быть запрограммирована только один раз.- FLASH ПЗУ (EEPROM); запрограммированная память может быть стерта "электрически" и вновь запрограммирована тысячи раз. FLASH микроконтроллеры обычно имеют также и DATA EEPROM - FLASH память данных (не путать с ОЗУ!) для хранения "неоперативных данных", таких, как настроечные параметры, изменяемые константы, тексты. - ПЗУ, стираемое ультрафиолетовым облучением. Корпус таких МК имеет специальное окошко из кварца (WINDOWED).

В дипломном проекте при разработке «Устройства для тестирования аккумуляторов» используется микроконтроллер типа PIC16F870 (подгруппы PIC16F87X) который относится к семейству 8-разрядных КМОП микроконтроллеров группы PIC16FXXX, для которых характерны высокая производительность и полностью статическая КМОП - технология с очень малым потреблением энергии и полностью статической архитектурой.

Основные характеристики микроконтроллера:

· высокопроизводительный RISC-процессор;

· все инструкции исполняются за один такт, кроме инструкций перехода, выполняемых за два такта;

· скорость работы: тактовая частота до 20 МГц, минимальная длительность такта 200 нс;

FLASH память программ до 2K × 14 слов;

память данных (ОЗУ) до 128 × 8 байт;

ЭСППЗУ память данных до 64 × 8 байт;

· совместимость цоколёвки с PIC16CXXX c 28-ю и 40-а выводными корпусами;

· механизм прерываний (до 11 внутренних/внешних источников прерываний);

· восьмиуровневый аппаратный стек;

· прямой, косвенный и относительный режимы адресации;

· сброс при включении питания (POR);

· таймер включения (PWRT) и таймер запуска генератора (OST);

· сторожевой таймер (WDT) с собственным встроенным RC-генератором для повышения надежности работы;

· программируемая защита кода;

· режим экономии энергии (SLEEP);

· выбираемые режимы тактового генератора;

· экономичная, высокоскоростная технология КМОП FLASH/ЭСППЗУ;

· полностью статическая архитектура;

· программирование на плате через последовательный порт с использованием двух выводов;

· для программирования требуется только единственный источник питания 5В;

· отладка на плате с использованием двух выводов;

· доступ процессора на чтение/запись памяти программ;

· широкий диапазон рабочих напряжений питания: от 2,0В до 5,5В;

· сильноточные линии ввода/вывода: 25 мА;

· коммерческий и промышленный температурные диапазоны;

· низкое потребление энергии:

< 1.6 мА при 5 В, 4 МГц;

мкА (типичное значение) при 3 В, 32 кГц;

< 1 мкА (типичное значение) в режиме STANDBY.

Характеристики периферийных модулей микроконтроллера:: 8-разрядный таймер/счетчик с 8-разрядным предварительным делителем;: 16-разрядный таймер/счетчик с предварительным делителем, может вести счёт во время спящего режима от внешнего генератора;: 8-разрядный таймер/счетчик с 8-разрядным регистром периода, предварительным и выходным делителем;

модуля захвата, сравнения, ШИМ;

захват 16-ти разрядов, максимальное разрешение 12,5 нс;

сравнение 16-ти разрядов, максимальное разрешение 200 нс;

ШИМ с максимальным разрешением 10 разрядов;

-битный многоканальный аналого-цифровой преобразователь;

· универсальный синхронно-асинхронный приемопередатчик (USART/SCI) с обнаружением 9-разрядного адреса;

· встроенный генератор опорного напряжения;

· параллельный 8-битный Slave-порт (PSP) со внешними сигналами управления RD, WR и CS (только в 40/44-выводных корпусах);

· программируемая схема сброса при падении напряжения питания (BOR).

Микроконтроллер содержит 8 - разрядное АЛУ и рабочий регистр W. АЛУ является арифметическим модулем общего назначения и выполняет арифметические и логические функции над содержимым рабочего регистра и любого из регистров контроллера.

АЛУ может выполнять операции сложения, вычитания, сдвига и логические операции. Если не указано иное, то арифметические операции выполняются в дополнительном двоичном коде. В зависимости от результата операции, АЛУ может изменять значения бит регистра STATUS: C (Carry), DC (Digit carry) и Z (Zero).

Рисунок 1.4 - Структурная схема микроконтроллера PIC16F870

- таймер 0: 8-разрядный таймер/счётчик с 8-разрядным программируемым предделителем;- таймер 1: 16-разрядный таймер/счётчик с возможностью подключения внешнего резонатора; - таймер 2: 8-разрядный таймер/счётчик с 8-разрядным программируемым предделителем и выходным делителем;- модуль сравнения/захвата/ШИМ 2: 16-разрядный захват и сравнение данных (максимальная разрешающая способность 12,5нс);- модуль сравнения/захвата/ШИМ 2: 16-разрядный захват и сравнение данных (максимальная разрешающая способность 200нс);

-разрядное АЦП - многоканальный 10-разрядный аналого-цифровой преобразователь;

последовательный синхронный порт - ведущий/ведомый режим SPI, ведущий/ведомый режим I2C;- универсальный синхронно-асинхронный приёмопередатчик с поддержкой детектирования адреса;- энергонезависимая память данных;, OST, PWRT, WDT, BOR, ICD, LVP - представляют собой схему управления сбросом и таймером.- регистр указатель, используемый при косвенной адресации (например к ячейкам ОЗУ);А - Порт A, представляет собой 5-битовый двунаправленный порт ввода/вывода;B - Порт B, представляет собой 8-битовый двунаправленный порт ввода/вывода;C - Порт C, представляет собой 8-битовый двунаправленный порт ввода/вывода;

Архитектура микроконтроллера основана на концепции раздельных шин и областей памяти для данных и для команд. Шина данных и память данных (ОЗУ) - имеют ширину 8 бит, а программная шина и программная память (ПЗУ) имеют ширину 14 бит. Такая концепция обеспечивает простую, но мощную систему команд, разработанную так, что битовые, байтовые и регистровые операции работают с высокой скоростью и с перекрытием по времени выборок команд и циклов выполнения. 14 - битовая ширина программной памяти обеспечивает выборку 14 - битовой команды в один цикл. Двухступенчатый конвейер обеспечивает одновременную выборку и исполнение команды. Все команды выполняются за один цикл, исключая команды переходов. У микроконтроллера PIC16F870- 1K×14 памяти программ. Вся память является внутренней.

Микроконтроллер может прямо или косвенно обращаться к регистрам или памяти данных. Все регистры специальных функций, включая счётчик команд, отображаются на память данных.

Ортогональная система команд позволяет выполнять любую команду над любым регистром с использованием произвольного метода адресации. Ортогональная архитектура и отсутствие специальных исключений делает программирование микроконтроллера PIC16F870простым и эффективным.

Счётчик команд в микроконтроллере имеет ширину 13 бит и способен адресовать 8К×14Бит объёма программной памяти. Однако физически на кристаллах PIC16F870- 1K×14 памяти (адреса 0000h - 03FFh). Обращение к адресам выше 3FFh фактически есть адресация в те же первые 512 адресов (первые 1К адресов).

В памяти программ есть выделенные адреса. Вектор сброса находится по адресу 0000h, вектор прерывания - по адресу 0004h. Обычно по адресу 0004h располагается подпрограмма идентификации и обработки прерываний, а по адресу 0000h - команда перехода на метку, расположенную за подпрограммой обработки прерываний.

Память данных МК разбита на две области. Первые 12 адресов - это область регистров специальных функций (SFR), а вторая - область регистров общего назначения (GPR). Область SFR управляет работой прибора. Обе области в свою очередь разбиты на банки 0 и 1. Банк 0 выбирается обнулением бита RP0 регистра статуса (STATUS). Установка бита RP0 в единицу выбирает банк 1. Каждый банк имеет протяженность 128 байт, однако для PIC16F876 память данных существует только до адреса 04Fh.















Рисунок 1.5 - Организация памяти микроконтроллера PIC16F870

При записи байта автоматически стирается предыдущее значение, и записываются новые данные (стирание перед записью). Все эти операции производит встроенный автомат записи EEPROM. Содержимое ячеек этой памяти при выключении питания сохраняется.

Микроконтроллер PIC16F870имеет энергонезависимую память данных 64x8 EEPROM бит, которая допускает запись и чтение во время нормальной работы (во всём диапазоне питающих напряжений). Эта память не принадлежит области регистровой памяти ОЗУ. Доступ к ней осуществляется посредством косвенной адресации через регистры специальных функций.

Рассматривая схему тактирования и цикл выполнения команд, следует сказать, что входная тактовая частота, поступающая с вывода OSC1/CLKIN, делится внутри на четыре, и из неё формируются четыре циклические не перекрывающиеся тактовые последовательности Q1, Q2, Q3 и Q4. Счетчик команд увеличивается в такте Q1, команда считывается из памяти программы и защёлкивается в регистре команд в такте Q4. Команда декодируется и выполняется в течение последующего цикла в тактах Q1 …Q4. Схема тактирования и выполнения команды изображена на рисунке 1.3

Рисунок 1.6 - Схема тактирования и выполнения команд

Цикл выполнения команды состоит из четырёх тактов: Q1…Q4. Выборка команды и её выполнение совмещены по времени таким образом, что выборка команды занимает один цикл, а выполнение - следующий цикл. Эффективное время выполнения команды составляет один цикл. Если команда изменяет счётчик команд (например, команда GOTO), то для её выполнения потребуется два цикла.

«Устройства для тестирования аккумуляторов» и все его аналоги, выполняя сходные функции, имеют некоторые различия. Далее приведена сравнительная характеристика «Устройства для тестирования аккумуляторов» и аналогичного по назначению «Зарядного устройства» [5], которая представлена в таблице 1.3.

Таблица 1.3 - Сравнительные характеристики устройств

Наименование характеристики

«Устройства для тестирования аккумуляторов»

«Зарядное устройство»

Элементная база

Микроконтроллер PIC16F877

Жёсткая логика

Функциональные возможности

Программа управляет параметрами заряда, возможность измерения ёмкости и напряжения аккумулятора

Только зарядка и разрядка аккумулятора

Ёмкость заряда

0,99 А×ч

1,2 А×ч

Напряжение питания

+5В

+14В


Из таблицы 1.3 следует, что разрабатываемое «Устройство для тестирования аккумуляторов» превосходит по своим функциональным возможностям «Зарядное устройство» и обладает лучшими характеристиками:

высокая надёжность;

высокое быстродействие;

малое напряжение питания;

функциональные возможности.

Использование более совершенной модели микроконтроллера в совокупности с меньшим количеством элементов и однофазной сетью питания повышает быстродействие, а также делает «Устройство для тестирования аккумуляторов» более надежным и гибким в эксплуатации.

2 ПОСТАНОВКА ЗАДАЧИ

Согласно заданию дипломного проекта необходимо разработать «Устройство для тестирования аккумуляторов», которое выполнено на микроконтроллере PIC16F870.

Разработать:

· схему электрическую функциональную и принципиальную;

· алгоритм работы устройства и векторные диаграммы;

· программное обеспечение.

Сконструировать:

· проект печатной платы.

· сборочный чертеж.

Рассчитать:

· вес печатной платы с элементами и без элементов;

· оценку надёжности устройства;

· полную себестоимость и проектную цену.

Охарактеризовать:

· элементную базу;

· характерные неисправности;

· технику безопасности работы.

При разработке и конструировании устройства нужно обратить внимание на то, что для каждого класса запоминающих устройств используется сменный модуль, который подключается к универсальному разъему программатора: переходник между разъемом и панелью под микросхему.

При выполнении задач используется техническая справочная литература.

3 ТЕХНИЧЕСКАЯ ЧАСТЬ

.1 Назначение и технические характеристики устройства

«Устройство для тестирования аккумуляторов» предназначено для определения ёмкости, напряжения и зарядки исследуемого аккумулятора.

Данное устройство характеризуется основными техническими характеристиками микроконтроллера и устройства и эксплуатационными параметрами устройства.

Технические характеристики микроконтроллера PIC16F870:

Тактовая частота,………………………..…МГц……………………………………..4

Память,………………………....… Байт…..….…...…………….....128

Разрядность…………………………………………………….…...…….8

Напряжение питания,………… …В….………………………….+5

Технические характеристики устройства:

Тактовая частота,………………… ……МГц……………………….....4

Разрядность..………… ………………………………………...………8

Потребляемый ток,……………...А……..………………………….…0,4

Напряжение питания,………..…В….…………………………...…12…15

Ток зарядки и разрядки,…………………....А…....….…………….0,3

Максимальная регистрируемая ёмкость,..А*ч….………………..…9,99

Наработка на отказ,………..…..ч………………………..15000

Эксплуатационные параметры устройства:

Температура окружающей среды,………....С……………-10…+50

Атмосферное давление,……………….…..кПа…….……………...….100

Влажность,…………….……….…%.....................................60

Вибрация.……………… ……………..………...………допускается

3.2 Разработка и описание схемы электрической функциональной

Была разработана схема электрическая функциональная «Устройства для тестирования аккумуляторов», которая представлена в приложении А, в виде графического листа ДП. 2201. (230101). 021 08 Э2.

Микроконтроллер DD1 является основным элементом схемы, выполняет функции обмена с другими блоками схемы и функции управления.

Генератор тактовых импульсов - вырабатывает тактируемый сигнал, который посылается на входы микроконтроллера, задаёт тактовую частоту внутреннего генератора микроконтроллера и формирует сигнал начальной установки. Блок сброса - сбрасывает регистры микроконтроллера в начальное состояние, поддерживает логический уровень напряжения на входе MCLR.

Блоки фильтра 1, 2, 3, 4 - сглаживают напряжение питания.

Блоки стабилизации напряжения 1, 2, 3 - служат для стабилизации напряжения питания.

Компаратор напряжения - даёт опорное напряжение для сравнения с напряжением на аккумуляторе.

Блоки коммутации «Запуск», «Пуск» и «Qзар» - управляют режимами работы схемы.

Блок логики - управляется электронным коммутатором, предназначен для подачи на мультиплексор напряжения питания.

Блок выборки - мультиплексирует, связывает устройство с компьютером.

СОМ-port - предназначен для управления устройством с компьютера.

Блоки ограничения тока 1, 2, 3, 4, 5 - ограничивают силу тока на заданном участке схемы.

Блок индикации - служит средством вывода символьных данных о напряжении и ёмкости.

Блоки электронных ключей 1, 2, 3, 4 - управляют определёнными блоками устройства.

Блок стабилизации тока разрядки - стабилизирует ток разрядки, разряжает аккумулятор.

Блок коммутации разрядки - подключает аккумулятор к блоку стабилизации тока разрядки.

Блок стабилизации тока зарядки - стабилизирует ток зарядки, заряжает аккумулятор.

Блок коммутации зарядки - подключает аккумулятор к блоку стабилизации тока зарядки.

Блок звуковой индикации - служит для звуковой индикации режимов работы устройства.

Режимы работы схемы:

· режим инициализации - подготовка микроконтроллера к работе;

· режим исходного состояния - микроконтроллер ожидает подключение аккумулятора;

· режим первичной зарядки - зарядка аккумулятора до 4,29 В;

· режим разрядки - разрядка аккумулятора до 2,7 В;

· режим окончательной зарядки - окончательная зарядка проверяемого аккумулятора;

· конец цикла - индикация значения ёмкости аккумулятора, полученная при зарядке и разрядке.

Режим инициализации.

После подачи напряжения питания на схему происходит включение микроконтроллера, срабатывает генератор тактовых импульсов, который задаёт тактовую частоту внутреннего генератора микроконтроллера и формирует сигнал начальной установки. Затем микроконтроллер инициализирует все свои блоки, подготавливает порты ввода и вывода, сбрасывает таймер счётчики.

Режим исходного состояния.

Микроконтроллер опрашивает состояние линии портов RA4, RA5 и AN0. При подключении аккумулятора, происходит подача сигнала с COM-порта, после чего нажимается и удерживается кнопка «Запуск» с блока электронного коммутатора, а следом нажимается кнопка «Пуск» с блока коммутации, после чего обе кнопки отпускаются и устройство переходит в режим первичной зарядки, который сопровождается звуком с блока звуковой индикации. Если сигнал с COM-порта не пришёл, происходит нажатие кнопки «Пуск» и устройство переходит в режим первичной зарядки.

Режим первичной зарядки.

Аккумулятор, подключённый к устройству, заряжается стабильным током 0,3 А с блока стабилизации тока зарядки. Измерение напряжения на аккумуляторе производится с помощью порта AN0 (внутреннего АЦП) микроконтроллера. Когда в процессе зарядки напряжение на аккумуляторе достигнет 4,29 В, устройство перейдёт в следующий режим.

Режим разрядки.

Устройство производит разрядку аккумулятора током 0,3А на блоке стабилизации тока разрядки. Исходя из времени разряда, определяется ёмкость аккумулятора, которая попеременно с напряжением указывается на блоке индикации. При снижении напряжения на аккумуляторе до 2,7 В, устройство переключается в режим окончательной зарядки, сопровождаемый звуковым сигналом с блока звуковой индикации.

Режим окончательной зарядки.

Устройство переходит в режим окончательной зарядки аккумулятора током 0,3 А с блока коммутации тока зарядки до значения 4,29 В. Происходит звуковой сигнал с блока звуковой индикации.

Конец цикла.

На блоке индикации индицируется значение ёмкости аккумулятора в ампер-часах при его разрядке. При нажатии на кнопку с блока коммутации Qзар будет индицироваться значение ёмкости, которую аккумулятор получил при зарядке. При нажатии на кнопку с блока коммутации «Пуск», обнуляются показатели на блоке индикации, устройство переходит в режим исходного состояния и аккумулятор отсоединяют.

3.3 Характеристика элементной базы

Согласно заданию Дипломного проекта раскрывается характеристика элементной базы «Устройства для тестирования аккумуляторов».

Элементная база устройства представлена через назначение элемента, условно - графическое обозначение (УГО), общий вид, таблицы состояния и основные электрические параметры.

«Устройства для тестирования аккумуляторов» построенного на дискретной и интегральной схемотехнике.

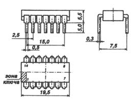
Микроконтроллер, поз. DD1, тип PIC16F870, [4].


Микросхема представляет собой восьми разрядный Flash CMOS микроконтроллер компании Microchip Technology Incorporated, который содержит гарвардскую архитектуру с RISC- процессором. Имеет КМОП-структуру. Корпус типа 28SP, 28SO, 28SS. Масса не более 4 г.

Рисунок 3.1 а) б) а - УГО; б - общий вид

Таблица 3.1 - Назначение выводов




Таблица 3.2 - Размеры микроконтроллера












Микросхема, поз. DD2, тип КР531КП11 [6, с. 245].

Микросхема представляет собой четырёхразрядный селектор 2-1 с тремя устойчивыми состояниями. Содержит 207 интегральных элемента. Корпус типа 201.16-16. Масса не более 1,4 г.









Рисунок 3.2 а) б) а - УГО; б - общий вид

Назначение выводов:

- вход адреса;

- вход информационный 1Х1;

- вход информационный 1Х2;

- вход информационный 2Х1;

- вход информационный 2Х2;

- выход У2;

- общий;

- выход У3;

- вход информационный 3Х2;

- вход информационный 3Х1;

- выход У4;

- вход информационный 4Х2;

- вход информационный 4Х1;

- вход стробирующий;

- напряжение питания.

Электрические параметры:

номинальное напряжение питания,………… …...В…......…….5 ± 5%

выходное напряжение высокого уровня,……………......В………...≥ 2,4

выходное напряжение низкого уровня,………………….В…...……≤ 0,5

ток потребления при низком уровне Uвх,……….………мА….…..≤ 93

ток потребления при высоком уровне Uвх,……...………мА…..…..≤ 68

ток потребления в состоянии «выключено»,……………мА….…..≤ 99

Микросхема, поз. DA1, DA2, DA3, тип КР142ЕН5А [6, с. 462].

Микросхема представляет собой мощный стабилизатор напряжения с фиксированными входными напряжениями положительной полярности 5 и 6 В и током нагрузки 2 и 3 А. Имеет встроенную защиту от короткого замыкания, защиту от перегрузок по току и от перегрева кристалла. Содержит 39 интегральных элементов. Корпус типа КТ28-2 Масса не более 2,5 г.





Рисунок 3.3. а) б) а - УГО; б - общий вид

Назначение выводов:

- вход;

- выход;

- общий.

Электрические параметры:

выходное напряжение при Uвх = 10В, Iвых = 10мА,……...В….4,9…5,1

ток потребления при Uвх = 15В, …………………………мА..…..≤ 10

нестабильность напряжения при Uвх = 10В, Iвых = 10мА, В...... ≤ 0,05%

температурный коэффициент напряжения, ……….....°С….…..≤ 0,02

Микросхема, поз. DA4, тип КР142ЕН12 [6, с. 469].

Микросхема представляет собой регулируемый стабилизатор напряжения компенсационного тепа. Она выполнена по планарной диффузионной технологии с изоляцией р-п переходом. Стабилизатор работает с внешним делителем напряжения в измерительном элементе, что позволяет регулировать выходное напряжение в очень широких пределах - от 1,3 до 37 В. Регулирующий элемент стабилизатора включен в плюсовой провод питания. Выходной ток (ток нагрузки) - до 1 А. Содержит 276 интегральных элемента. Корпус типа КТ28-2. Масса не более 2,5 г.



Рисунок 3.4 а - УГО; б - общий вид

Назначение выводов:

- регулировка;

- вход;

- выход.

Электрические параметры:

выходное напряжение при Uвх = 5В, Iвых = 5мА, …...В…..1,2…1,3

нестабильность напряжения при Uвх = 20В, Iвых = 5мА, ...В.....≤ 0,01%

нестабильность тока при Uвх = 20В, Iвых = 5мА, ………....А.....≤ 0,2%

температурный коэффициент напряжения, ………..°С…....≤ 0,02

Микросхема, поз. DA5, DA6, тип КР142ЕН19 [6, с. 475].

Микросхема представляет собой регулируемый стабилизатор напряжения параллельного типа (интегратор аналогичного стабилитрона) и предназначена для использования в качестве ИОН и регулируемого стабилитрона. Изготовлена по планарно-эпитаксиальной технологии с изолированным p-n переходом. Корпус типа КТ-26. Масса не более 0,3 г.

Рисунок 3.5 а - УГО; б - общий вид

Назначение выводов:

- опорное напряжение;

- анод;

- катод.

Электрические параметры:

опорное напряжение,……………… …..В……….2,44…2,55

входной ток по входу опорного напряжения,………….мкА………...≤ 5

напряжение между анодом и катодом,… …...В..…..….......... ≤ 30

ток катода,……… ……………...………….....мА…....…..1,2…100

Микросхема, поз. DA7, тип К155ЛА2 [6, с. 179].

Микросхема представляет собой логический элемент 8И-НЕ. Содержит 64 интегральных элемента. Корпус типа 201.14-1, масса не более 1 г.


Рисунок 3.6 а - УГО; б - общий вид

Назначение выводов:

, 6, 14, 12 - Входы Х1-Х8;

- общий;

- выход У;

- напряжение питания.

Электрические параметры:

номинальное напряжение питания,… ………...В….......…….5 ± 5%

выходное напряжение высокого уровня,… В……………...≥ 2,4

выходное напряжение низкого уровня,…… ……….В…...…………≤ 0,4

ток потребления при низком уровне Uвх,……….………мА….…..≤ 6

ток потребления при высоком уровне Uвх,……...………мА…....…..≤ 2

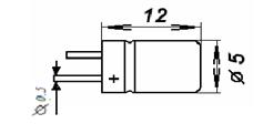
Диод, поз. VD1, тип КД209А [9, с. 115].

Диод кремниевый эпитаксиально-планарный импульсный. Предназначен для применения в импульсных устройствах. Выпускается в стеклянном корпусе с гибкими выводами. Тип диода приводится на корпусе в виде цветной маркировки. Масса не более 0,15 г.






Рисунок 3.7 а - УГО; б - общий вид

Технические параметры:

обратное напряжение, …………………….…В…....…………400

максимальный прямой ток, …………………....А..……..………..0,7

максимальный обратный ток, ……………........мкА...….…………30

Диод, поз. VD2, VD3, VD4, тип КД510А [9, с. 73].

Диод кремниевый эпитаксиально-планарный импульсный. Предназначен для применения в импульсных устройствах. Выпускается в стеклянном корпусе с гибкими выводами. Тип диода приводится на корпусе в виде цветной маркировки. Масса не более 0,15 г.






Рисунок 3.8 а - УГО; б - общий вид

Технические параметры:

напряжение стабилизации, ……………………….В…….…………3,2

минимальный ток стабилизации, ………………..мА..….………..0,01

максимальный ток стабилизации, ………………….мА..….…………0,5

дифференциальное сопротивление, ……………..Ом…...…….…..500

Резистор, поз. R1-R24, тип МЛТ C2-33 [7, с. 56].

Резистор постоянный металлодиэлектрический общего назначения для работы в цепях постоянного, переменного и импульсного тока, с аксиальными выводами, для печатного монтажа с установкой параллельно плате, неизолированный, пожаробезопасный, для автомонтажа в отверстие. Масса не более 1 г.


Рисунок 3.9 а - УГО; б - общий вид

Таблица 3.3 - Параметры используемых резисторов

Тип

Позиция в схеме

Сопротивление

Мощность

МЛТ С2-33

R1-R3, R5, R6, R21

2 кОм

0,25

МЛТ С2-33

R4, R15, R23

10 кОм

0,25

МЛТ С2-33

R7-R14

100 Ом

0,25

МЛТ С2-33

R19, R22, R24

3 кОм

0,25

МЛТ С2-33

R21

4,7 кОм

0,25

МЛТ С2-33

R17

1,5 кОм

0,25

МЛТ С2-33

R18

4,3 кОм

0,25

МЛТ С2-33

R2

22 кОм

0,25

МЛТ С2-33

R16

3,9 Ом

0,5

МЛТ С2-33

R20

8,2 Ом

0,5


Электрические параметры:

номинальная мощность, ……………………….Вт………………0,5

предельное импульсное напряжение, ……………В..….………….750

предельное рабочее напряжение тока, ………..В..…….……….350

максимальная резонансная частота, …………..Гц.……………3000

Цифробуквенный индикатор, поз. HG1, тип BA56-12GWA [10, с. 654].

Представляет собой трёхразрядный цифробуквенный индикатор с высотой буквы более 5мм. Цвет свечения красный.








Рисунок 3.10 а - УГО; б - общий вид

Электрические параметры:

ток прямой, …………………………………мА………………20

напряжение прямое max, ………………………...В….……………2,5

напряжение обратное max, ……………………В.………………..5

ток прямой max, ………………………………мА………………25

мощность max, …………………………………мВт…………….500

длина волны, …………………………………...нм….…….650..670

Конденсатор, поз. С1-С10, тип К50-6 [8, с. 83].

Предназначен для работы в цепях постоянного и пульсирующего тока, а также в цепях импульсного тока. Конденсатор выпускают в цилиндрических металлических корпусах с однонаправленными выводами.






Рисунок 3.11 а - УГО; б - общий вид

Электрические параметры:

номинальная ёмкость, ……………………..мкФ……….0,1…500

Конденсатор, поз. С11, С12, тип КМ -6 [8, с. 59].

Конденсатор керамический монолитный КМ-6 предназначен для работы в цепях постоянного, переменного и импульсного тока. Выпускается с изолированными однонаправленными выводами. Конденсатор может быть типа 1 и типа 2. Конденсатор типа 1 отличается от конденсатора типа 2 относительно большей реактивной мощностью, низкими потерями, высоким сопротивлением изоляции, стабильным ТКЕ.






Рисунок 3.12 а - УГО; б - общий вид

Электрические параметры:

номинальная ёмкость, ……………………………пФ…...….…22…50

номинальное напряжение, ……………………...…..В...….….….22…50

Дроссель, поз. L1, тип 25 мГн [11, с. 270].

Малогабаритная катушка постоянной индуктивности. Представляет собой миниатюрную катушку с ферритовым сердечником, размещенным в изолированном корпусе с двумя выводами. Номинал индуктивности и ее точность обозначаются цветными полосками.





Рисунок 3.13 а - УГО; б - общий вид

Электрические параметры:

диапазон номинальных значений, …….……мкГн…...…0,1…1000

точность, ………………………………..%…….………5…20

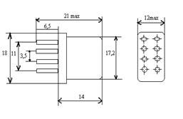
Реле, поз.К1, К2, тип РЭС52, [11, с. 134].

Реле герметичное, двухпозиционное, одностабильное, с двумя переключающими контактами, питаемое постоянным током, предназначено для коммутации цепей постоянного и переменного частотой до 10000 Гц. Масса не более 8 г. Реле РЭС 52 соответствует ГОСТ 16121 - 86 и техническим условиям ЯЛО.455.012 ТУ.

Рисунок 3.14


 а - УГО; б - общий вид

Таблица 3.4 - Частные характеристики

Сопротивление обмотки, Ом

Ток срабатывания, мА

Напряжение, В

Сопротивление контакта, Ом

830±125

12

6

0,5


Электрические параметры:

ток питания обмотки………...………..……...…постоянный

сопротивление изоляции, ………………...…мОм.…..…...…..200

испытательное переменное напряжение, …………………В..........360

время срабатывания, …………………………….мс..………….…. 8

время отпускания, ………………………………….мс..………….…. 5

температура окружающей среды,………………...°С…….- 60…+100

повышенная относительная влажность, …………………..%.............98

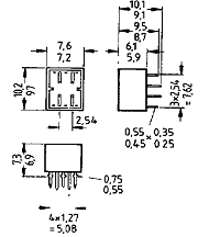
Пьезоизлучатель, поз. HA1, тип ЗП-10, [11, с. 180].

Излучатель высокочастотный. Предназначен для работы в цепях в качестве звуковой сигнализации. Работа основана на пьезоэффекте. Выпускается с однонаправленными проволочными выводами. Масса не более 7 г.








Рисунок 3.15 а - УГО; б - общий вид

Электрические параметры:

диапазон излучаемых частот, …………………..Г....….2000…4000

частота резонанса, ………………………………Гц ..………….2500

напряжение питания, …………………………….В….…………….5

выходная мощность, …………………………….Вт..…………..0,25

Транзистор, поз. VT4, VT5, VT6, VT8, тип КТ3107А, [9, с.175].

Транзистор кремневый, малой мощности, высокочастотный, P-N-P. Масса не более 3 г.


 


Рисунок 3.16 а - УГО; б - общий вид

Электрические параметры:

ток коллектора, ……………………………мА….……....….100

частота, ………………………………………МГц …..……….200

мощность, …………………………………мВт...…………..300

Транзистор, поз. VT1, VT2, VT3, тип КТ3102А, [9, с.161]

Транзистор кремневый, малой мощности, высокочастотный, N-P-N. Масса не более 3 г.







Рисунок 3.17 а - УГО; б - общий вид

Электрические параметры:

ток коллектора, ………………………………мА….……....….100

частота, ………………………………………МГц …..……….250

мощность, ………………………………………мВт...…………..250

Транзистор, поз. VT7, тип КП501А, [9, с.73]

Кремниевый полевой транзистор с P-N переходом и каналом N-типа.






Рисунок 3.18 а - УГО; б - общий вид

Электрические параметры:

напряжение отсечки, ………………………...В…...…………….2

ток затвора, ……………………………………..мА.....…………….3

ток стока, ……………………………………..мА.....…………….5

рассеиваемая мощность, …………………………мВт.……………150

Кварцевый резонатор, поз. ZQ1, тип РК92СР [11, с. 668].

Резонатор кварцевый с номинальной частотой 4 МГц. Выпускается в стеклянном корпусе, масса не более 5 г.






Рисунок 3.19 а - УГО; б - общий вид

Электрические параметры:

рабочая частота, …………………………….МГц……………….4

изменение частоты, …………………………МГц…...1…1,5*10-6

сопротивление не более, ……………………….…Ом..……………..60

Переключатель, поз. SB1, SB2, SB3, тип ПГ-2-1-6П1Н, [11, с. 120].

Переключатель кнопочный однополюсного включения, предназначен для коммутации электрических цепей постоянного и переменного тока до 3 А с напряжением до 220 В и мощностью 660 ВА. Масса не более 8 г.







Рисунок 3.20 а - УГО; б - общий вид

Электрические параметры:

сопротивление контакта, ……………………Ом.……………0,02

сопротивление изоляции, …………………..МОм.…………1000

сопротивление изоляции min, ……………...МОм...…….……...2

прочность изоляции, ……………………….В...…………..1100

число циклов коммутации……………….…...…………….…104

Разъём COM-порта, поз. XP3, тип RS232-C [3, с. 39].

Интерфейс RS232-C предназначен для подключения к компьютеру стандартных внешних устройств, а так же для связи компьютеров между собой. Представляет собой 9-контактный DB9P разъём для подключения RS232-C.


Рисунок 3.21 а - УГО; б - общий вид

Назначение контактов:

- DCD - обнаружение несущей данных (детектирование принимаемого сигнала);

- R x D - данные, принимаемые компьютером в последовательном коде (логика отрицательная);

- Т x D - данные, передаваемые компьютером в последовательном коде (логика отрицательная);

- DTR - готовность выходных данных;

- SG - сигнальное заземление, нулевой привод;

- DSR - готовность данных. Используется для задания режима модема;

- RTS - сигнал запроса передачи. Активен во всё время передачи;

- CTS - сигнал сброса (отчистки) для передачи. Активен во всё время передачи. Говорит о готовности приёмника;

- RI - индикатор вызова. Говорит о приёме модемом сигнала вызова по телефонной сети.

В данном разделе была представлена характеристика элементной базы «Устройства для тестирования аккумуляторов», которая используется при выполнении конструкторской части и для расчёта полной себестоимости устройства.

3.4 Разработка и описание алгоритма работы схемы

Согласно заданию дипломного проекта, на основании схемы электрической принципиальной, которая представлена в приложении Б и в виде графического листа ДП. 2201. (230101). 021 08 Э3, был разработан алгоритм работы «Устройства для тестирования аккумуляторов», который представлен на рисунке 3.22 и в виде графического листа 3.

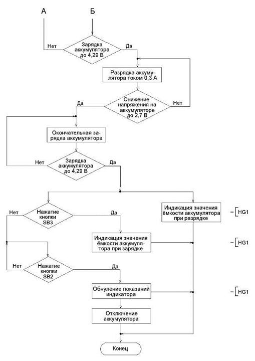
Начало. После подачи напряжения питания происходит инициализация микроконтроллера DD1, т.е. опрос портов ввода-вывода, включение таймера-счётчика, приём в порты данных. Далее микроконтроллер ожидает подключение аккумулятора, после чего происходит подача сигнала с COM-порта. Когда сигнал поступил, нажимается и удерживается кнопка SB1, а следом кнопка SB2. Если сигнал с COM-порта не поступает, то далее следует нажатие кнопки SB2. Если при нажатии кнопки SB2 раздаётся аварийный сигнал, необходимо проверить правильность подключения аккумулятора и напряжение на нём, а затем отключить питание. Если аварийный сигнал не звучит, происходит начало первичной зарядки стабильным током 0,3 А. Измерив параметры напряжения, устройство производит заряду аккумулятора до 4,29 В. Затем происходит разрядка аккумулятора током 0,3 А. Разрядка продолжается до тех пор, пока снижение напряжения на аккумуляторе не достигнет значения 2,7 В.

Рисунок 3.22 - Алгоритм работы устройства


После чего устройство переходит к окончательной зарядке аккумулятора. Полученные параметры значения ёмкости аккумулятора при разрядке выводятся на блок индикации HG1. При нажатии кнопки SB3 индицируется значение ёмкости аккумулятора при зарядке с блока индикации HG1. Повторное нажатие на кнопку SB2 приводит к обнулению показаний индикатора HG1. Далее следует отсоединить проверяемый аккумулятор от устройства. Конец.

3.5 Разработка и описание схемы электрической принципиальной

Была представлена схема электрическая принципиальная «Устройства для тестирования аккумуляторов», которая представлена в приложении Б, в виде графического листа ДП. 230101. 021 08 Э3.

Элементы, которые входят в состав блоков:

микроконтроллер - микросхема DD1;

генератор тактовых импульсов - состоит из конденсаторов С11, C12 и кварцевого резонатора ZQ1;

блок сброса - состоит из резисторов R1, R4 и конденсаторов С2 и С3;

блоки фильтра 1, 2, 3, 4 - состоят из конденсаторов С1 (1), С5 (2), С6, С8 (3), С9 (4);

блоки стабилизации напряжения 1, 2, 3 - состоят из элементов DA1 (1), DA2 (2), DA3 (3);

компаратор напряжения - состоит из R15, R17, R18, R23, DA5, C10, VT5;

электронный коммутатор «Запуск» - кнопка SB1;

блок коммутации «Пуск» - кнопка SB2;

блок коммутации «Qзар» - кнопка SB3;

блок логики - состоит из микросхемы DА7;

блок выборки - мультиплексор DD2;

СОМ-порт - разъем ПК СОМ ХР3;

блоки ограничения тока 1, 2, 3, 4, 5 - резисторы R7-R14 (1), R19, R22, R24 (2), R6 (3), R3 (4), R2 (5);

блок индикации - индикатор HG1;

блоки электронных ключей 1, 2, 3, 4 - состоит из биполярных транзисторов VT2 (1), VT3 (2), VT1 (3), VT4, VT6, VT8 (4);

нагрузка - резистор R20;

блок стабилизации тока разрядки - состоит из полевого транзистора VT7, резистора R25 и микросхемы DA6;

блок коммутации разрядки - реле К2, контакт реле К2.1;

блок стабилизации тока зарядки - состоит из элементов DA4 и R16;

блок коммутации зарядки - реле К1, контакт реле К1.1;

блок звуковой индикации - пьезоизлучатель НА1.

Режим инициализации.

После подачи напряжения питания на схему происходит включение микроконтроллера DD1, срабатывает генератор тактовых импульсов ZQ1, который задаёт тактовую частоту внутреннего генератора микроконтроллера DD1 и формирует сигнал начальной установки. Затем микроконтроллер DD1 инициализирует все свои блоки, подготавливает порты ввода и вывода, сбрасывает таймер счётчики.

Режим исходного состояния.

Микроконтроллер опрашивает состояние линии портов RA4, RA5 и AN0. При подключении аккумулятора к разъёму XP2, происходит подача сигнала с COM-порта, после чего нажимается и удерживается кнопка SB1, а следом нажимается кнопка SB2, после чего обе кнопки отпускаются и устройство переходит в режим первичной зарядки, который сопровождается звуковой индикацией НА1. Если сигнал с COM-порта не пришёл, происходит нажатие кнопки SB2 и устройство переходит в режим первичной зарядки.

Режим первичной зарядки.

Аккумулятор, подключённый к разъёму XP2, заряжается стабильным током 0,3 А посредством коммутации разъёма ХР2 с стабилизатором DA4. Измерение напряжения на аккумуляторе производится с помощью порта AN0 (внутреннего АЦП) микроконтроллера DD1. Когда в процессе зарядки напряжение на аккумуляторе достигнет 4,29 В, устройство перейдёт в следующий режим.

Режим разрядки.

Устройство производит разрядку аккумулятора током 0,3А на полевом транзисторе VT7, резисторе R20 и стабилизаторе DA6. Исходя из времени разряда, определяется ёмкость аккумулятора, которая попеременно с напряжением указывается на индикаторе HG1. При снижении напряжения на аккумуляторе до 2,7 В, устройство переключается в режим окончательной зарядки, сопровождаемый звуковым сигналом НА1.

Режим окончательной зарядки.

Устройство переходит в режим окончательной зарядки аккумулятора током 0,3 А принудительным подключением к микросхеме DA4 до значения 4,29 В. Происходит звуковой сигнал НА1.

Конец цикла.

На индикаторе HG1 выводится значение ёмкости аккумулятора в ампер-часах при его разрядке. При нажатии на кнопку SB3 будет индицироваться значение ёмкости, которую аккумулятор получил при зарядке. При нажатии на кнопку SB2, обнуляются показатели на индикаторе HG1, звучит долгий сигнал с элемента НА1 и устройство переходит в режим исходного состояния и аккумулятор отсоединяют.

3.6 Разработка и описание программного продукта

Согласно постановке задачи дипломного проекта представлен программный продукт работы «Устройства для тестирования аккумуляторов».

При разработке устройства и последующем его применении необходимо прошить микросхему памяти микроконтроллера DD1 представленным ниже шестнадцатеричным кодом. Исполняемый код расположен в ПЗУ микроконтроллера PIC16F870. На рисунке 3.23 представлена карта прошивки ПЗУ.

:00000040000FA

:00000003E2898

:0000A00B00A300884007A

:00010000B30В104D522341A3329203004022620BЗ :0002000Bl05000S2B20BF0031lC3820lF30Bl055E :0003000BF1AB1163F1B3117BF1BB117E030B20515 :0004000lF303F05B204D222D52233298A0182070C :0005000FE34FD34F7348A01820703349F3425349B :00060000D34993449344134lF3401340934FF3498 :00070003F102A180800AF1D3F1408008316031311 :0008000013081000F308500E030860087018C014F :00090008D010S309F008B017D3092000317S3I680 :000A0008C010313831241309F0085018601870173

:000A0008C010313831241309F0085018601870173 :000B0008C018D0190018E018F0195019601970lB0

:000C0000530920091013F30350083132030840069 :000D0008001840A84lF68232030B000B0033414E3 :000E0003S140317S3128D01031783160Cl403179D :000F00083120C0803138312AA002AlC94282A30A6 :0010000840003112E30040203199428840A031773 :001100083128D0A0317S3160C14031783120C081D :00120000313831280008128DE2028212A1C9428B2 :0013000861EDE2294282F14B316CF220310DB3044 :00140002302031CBD01BD0A28303D02031D6329A3 :0015000BD01AA162F10AF14B3123316CF22B41656 :00160006329AF143316CF2203108A3023020318F9 :0017000BD01BD0A28303D02031D6329BD01AA123D :00180002A16AF102F15B3163312CF22B4166329D7 :00190002F15E316CF220310DB302302031CBD0141 :001A000BD0A2S303D0203lD6329BD012Al22F110B

:001B0002A17B3123312CF22341763290608341CCE :001C0000800B41DE828B41808003419EE2008000F :001D0000BlC080086lFB41534100800B41134112C :001E000AAl8FB28AA14102lAAl908002A14B31669 :001F000CF222Fl40800B3123312CF22AB0lAC016F :0020000AD0lAE0lAA01BA0lBB0lBE012F10AFl0B2 :00210002F110F30B40BB50197013514D82208000D :002200021212А15О31О8ОЗО23О2О31С1С29О310ЕЕ :0023000E6302302031C2All2AlD0800AAl5BD015D :0024000080099221F151F1923291E08A300080062 :00250000BlD08000Bll2230300203lD0528203031 :0026000B000B0030S28B60A031131303602031D71 :00270000800B601AA1C40292A1D4029FS214D2954

:0028000B5013514B4lA4D2934lB4D29BE0lBB0lEB

:0029000B413B41E9701341F97015B229821341CBC :002A0006821B41AC421341BDC21AA19BA212A1CE2 :002B000080010212A1B0800AA190800AA1AB12850 :002C0002A1AC8289B28AA1AA4292A1AAF29080082 :002D000B90A2830390203lD7429B410341lB4113D :002E0003414B80lB9010800B418862986lF7A2988 :002F000B80108000B18B8010B10B80A0230380218 :0030000031D0800B414B801B9010800861B8A292E

:10031000B80108000B18B8010B10B80A04303802F5

:10032000031D0800B41034153414B801B9010800D5

:10033000B70A0730370203lD0800870lAFlDA22915

:10034000AF11A329AF150800BA0A0311F0303A0221

:10035000031D0800BA01AB0F0800AC0A0800BA0A76

:100360000311F0303A02031D0800BA01AD0F080076

:10037000AE0A08002Al9BC0lBC0Al4303C0203lD55

:100380000800AA11BC010800BB0A07303B02031D8C

:100390000800BB01B41FCF29B4139701D229B417A9

:1003A0000C309700BE0A08303E0203lD0800B4l24C

:1003B000BE01B4139701080PB412BE0A14303B020B

:1003C00003lD08008B0lB4lFE829B413970lEB29F2

:1003D000B4170C309700BE0A0A303E02031D080015

:1003E0003413BE01B413970108003518002AB5185C

:l003F000lC2AB519ZE2A3519412A35lA502A080007

:1004100097013510B514BE0A03303E02031D0800D3

:10042000B510BE01B516351F192AB512351335168C

:1004300008003515351608008B0A02303B02031DC3

:100440000800BB010C309700B510B515B51A2B2A62

:100450003514B5110800351F0800282ABB0A0730DB

:100460003B0203lD0800BB01970lB51lB514BE0A7C

:1004700003303E02031D0800B510BE0135153517C7

:100480000800BB0A07303B0203lD0800BB010C300B

:10049000970035113514351B08003510B5150800C7

:1004A000BB0A0F303B02031D0800BB010C30970054

:1004B0003512351408002B08C2002C08Cl009E22FA

:1004C0002430840090222D08C2002E08C1009E22F4

:1004D000273084009022061F712A2430840087224E

:1004E000752A273084008722752A0A30AF19080040

:1004F0002F18A000AF18A1002F19A200AA1C0800F5

:100500002Al9832A0800A000Al00A2000800000800

:10051000A000840A0008A100840A0008A2000800C4

:1005200046088000840A450S8000840A4408800048

:l005300008000630C000C00B9B2A0800410EF038AE

:10054000C600C607E23EC500323EC30041080F396F

:10055000C507C507C307E93EC400C407C407420E68

:l00560000F39C407C307C40DC30DC309C30D420827

:100570000F39C307C60D0730C7000A30C307C403CD

:10058000031CBE2AC407C503031CC22AC507C60331

:100S9000031CC62AC607C703031CCA2A080033u85F

:1005A000850008003208860008003108870008002E

:1005B000031783128D018C01FD2208000B30B1045A

:1005C000D522341A080034162A3084008403031715

:1005D00083128D0103138312840A00080317831208

:1005E0008C00FD22031783128D0A031383120311SB

:1005F0002E30040203lDEA2A08008Bl3031783160A

:100600000C1555308D00AA308D008C148C18062BDB

:0606100003138312080031

:00000001FF

Для изготовления разрабатываемого устройства необходимо использование программатора. В данном случае применяется программатор универсального типа. Выбор его обусловлен тем, что он обладает подходящими техническими характеристиками для работы устройства сопряжения, надежностью и безотказностью.

В данном разделе приведена программа инициализации микроконтроллера, которая необходима для правильной работы устройства. Программа написана на языке Assembler.

Ниже представлен листинг программы.5.03 ZY_LIT.ASM 11-12-2006 19:18:31 PAGE 1

LOC OBJECT CODE LINE SOURCE TEXT

VALUE

; - программа зарядного устройства для восстановления литиевых аккумуляторов

; - зарядка и разрядка стабильным током 300мА

; - весь цикл состоит из 3-х этапов:

; - первичная зарядка

; - разряд с подсчётом ёмкости аккумулятора

; - окончательный заряд для последующего использования

; - индикация ёмкости на с/д семисегментном индикаторе (3 цифры)

00009

#include<p16f870.inc>

LIST

; - P16F870.INC Standard Header File, Version 1.00 Microchip Technology, Inc.

LIST

errorlevel -302; - no bank warnings

CBLOCK 0x20; - размещаем регистры ОЗУ с ячейки 0х20 по порядку

00000020 00014 IND_SEG1; - 1 сегмент на индикаторе

00015 IND_SEG2; - 2 сегмент на индикаторе

00016 IND_SEG3; - 3 сегмент на индикаторе

00017 V_AKK; - ячейка напр канала (на аккумуляторе)

00018 EMK_R_1K; - единицы ёмкости в А/ч при разряде

00019 EMK_R_100; - десятые доли ёмкости в А/ч при разряде

00020 EMK_R_10; - сотые доли ёмкости в А/ч при разряде

00021 EMK_Z_1K; - единицы ёмкости в А/ч при заряде

00022 EMK_Z_100; - десятые доли ёмкости в А/ч при заряде

00023 EMK_Z_10; - сотые доли ёмкости в А/ч при заряде

A 00024 AKK_Z_R; - состояние ячейки аккумулятора (биты)

B 00025 EMK_R_L; - младший байт ёмкости в мА/ч при разряде

C 00026 EMK_R_H; - старший байт ёмкости в мА/ч при разряде

D 00027 EMK_Z_L; - младший байт ёмкости в мА/ч при последнем заряде

E 00028 EMK_Z_H; - старший байт ёмкости в мА/ч при последнем заряде

F 00029 IND_MIG; - информация о мигании индикатора (биты)

00030 FSR_2; - дополнительный переменный регистр для индикатора

00031 P_C_COPY; - копия порта С

00032 P_B_COPY; - копия порта B

00000033 00033 P_A_COPY; - копия порта A

00034 FLAG_ALL; - общие флаги

00000035 00035 BIT_SOS; - биты при воспроизведении сигнала SOS

00036 TMR_TIM_DEL; - таймер общего времени

00037 TMR_DIOD; - таймер для мигания

00038 TMR_DREBEZG; - таймер дребезга

00039 TMR_CLR_KN; - таймер времени отведённого на срабатывание кнопки

A 00040 TMR_ZAR; - таймер при подсчёте ёмкости

B 00041 TMR_PI; - таймер при пикании

C 00042 TMR_AVAR; - таймер, при пропадании контакта с акк. след. изм.

; - будет через 2с после возобновления контакта (для устранения помех)

D 00044 TMR_NEXT; - счётчик АЦП для чёткого переключения м/у режимами

; - ждёт когда АЦП даст сигнал на переключение режима опреденное кол-во раз подряд

E 00046 COUNT_PI; - счётчик кол-ва пропиканных сигналов (при смене режима)

F 00047 TEMP; - временная переменная

00048 fCOUNTER; - счётчик для маленьких задержек

00049 BIT_H; - регистры для программы преобразования BC > BCD

00050 BIT_L

С помощью программного обеспечения происходит управление работой микроконтроллера, а с ним и работой почти всех узлов схемы:

· начальная инициализация микроконтроллера, то есть установка счетчика команд, и всех регистров специальных функций в ноль, запрещение всех источников прерываний, работу таймеров/счетчиков и последовательного порта, подготавливаются порты для приема данных, устанавливаются фиксаторы - защелки портов в «1», настраивая порты на ввод информации, указатель стека принимает значение равное 07Н;

· управление параллельными портами, предназначенными для ввода и вывода байтовой информации и обеспечивают обмен с внешними устройствами: памятью программ и данных, периферийными устройствами;

· управление работой таймеров/счетчиков, арифметико-логического устройства, внутренней памяти данных, блока синхронизации, резидентной шины данных и других внутренних узлов микроконтроллера;

· вырабатывание управляющих сигналов, таких как INT0, INT1, ALE, PSEN, WR и других;

· преобразование информации от исполнительских устройств.

Для изготовления разрабатываемого устройства необходимо использование программатора. В данном случае применяется программатор универсального типа. Выбор его обусловлен тем, что он обладает подходящими техническими характеристиками для работы устройства сопряжения, надежностью и безотказностью.

Согласно постановке задачи было приведено описание программного продукта, написанное для микроконтроллера PIC16F870, используемого в разрабатываемом «Устройстве для тестирования аккумуляторов».

3.7 Построение и описание временных характеристик

Согласно заданию дипломного проекта, на основании схемы электрической принципиальной, представленной в приложении Б ДП. 2201. (230101). 021 08 Э3 и характеристики элементной базы [подраздел 3], построены временные характеристики «Устройства для тестирования аккумуляторов», которые представлены на рисунке 3.24 и в виде графического листа 3 ДП. 2201. (230101). 021 08.

После подачи напряжения питания происходит инициализация микроконтроллера DD1. Частота тактовой генерации микроконтроллера DD1 равна 4 МГЦ. При нажатии на кнопку SB2 «Пуск», измеряется напряжение на аккумуляторе, после чего начинается первичная зарядка аккумулятора стабильным током 0,3 А.

Когда в процессе зарядки напряжение на аккумуляторе достигнет значения 4, 29 В, устройство переключится в режим разрядки током 0,3 А


Рисунок 3.24 - Временные диаграммы

Как только напряжение на аккумуляторе снизится до 2,7 В, начнётся окончательная зарядка аккумулятора. Режим зарядки и разрядки аккумулятора соответствует включению реле К1 и К2. После окончательной зарядки аккумулятора, на индикаторе HG1 произойдёт индикация значение емкости аккумулятора, полученной при разрядке аккумулятора.

На рисунке 3.24 представлены временные диаграммы «Устройства для тестирования аккумуляторов», которые показывают работу схемы электрической принципиальной ДП. 2201. (230101). 021 08 Э3 и устройства в контрольных точках.

4 КОНСТРУКТОРСКАЯ ЧАСТЬ

.1 Разработка и технология изготовления платы печатной

Согласно заданию дипломного проекта разработана печатная плата «Устройства для тестирования аккумуляторов», которая представлена в приложении В, ДП. 2201. (230101). 021 08-01.

Печатная плата предназначена для электрического соединения элементов схемы. Она выполнена на основании схемы электрической принципиальной, ДП. 2201. (230101). 021 08 Э3 и характеристики элементной базы.

Печатная плата представляет собой изоляционное покрытие, на котором имеется совокупность печатных проводников, контактных площадок, монтажных отверстий.

При проектировании и разработке данного устройства используется специальная система проектирования радиоэлектронной аппаратуры P-CAD. На сегодняшний день эта программа является одной из самых мощных, полных и последних систем автоматизированного проектирования для персонального компьютера.

Разрабатываемая в дипломном проекте плата является односторонней и выполнена из стеклотекстолита фольгированного СФ2-35-1,5 ГОСТ 10316-92. Размеры платы - 116×66×1,5 мм×мм×мм,

Количество сторон с печатными проводниками определяется сложностью элементной базы, т.к. используются большие интегральные схемы (БИС) - микроконтроллер, средние интегральные схемы - операционный усилитель, стабилизатор напряжения, следовательно, класс точности данных плат 3.

Толщина платы выбирается из массы самого тяжелого элемента, который будет установлен на плату, и составляет 1,5мм.

Шаг координатной сетки определяется типом корпуса интегральных микросхем и составляет 1,25 мм. В зависимости от диаметров отверстий под ножки элементов выбираются диаметры монтажных отверстий, которые условно представлены на чертеже платы и в таблице 4.1 [12, с. 112]. Контактные площадки, их размеры и расстояние между ними зависят от класса точности платы, т.к. плата третьего класса точности, то диаметр контактных площадок равен 1,6 мм для отверстия 0,8 мм. Исходя из класса точности, ширина проводников определяется плотностью тока проходящей по проводнику в 1 см2, максимально допустимое значение плотности тока для меди, при превышении которого происходит перегрев и термическое разрушение проводников Imax=1,1×10-7А/см2. Для этого делается расчет тока, потребляемого нагрузкой, результаты которого представлены в таблице 4.1.

Таблица 4.1 - Потребляемые токи интегральных микросхем

Позиционное обозначение

Тип ИМС

Количество элементов

Потребляемый ток, мА

DD1

PIC16F870

1

25

DD2

КР531КП11

1

99

DА1-DА3

КР142ЕН5А

3

0,1

DА4

КР142ЕН15

1

0,5

DА5- DА6

КР142ЕН19

3

0,005

DA7

К561ЛА7

1

0,005

HG1

BA56-12GWA

1

20

Всего

144,61


Рассчитывается площадь поперечного сечения печатных проводников по формуле 4.1:

= h ∙ L, мм² (4.1)

где h - минимальная ширина печатных проводников;

L - толщина печатных проводников.

Так как класс точности платы - 3, то в узких местах ширина проводников не менее 0,25, а толщина медного покрытия печатных проводников L = 0,035 мм.

Следовательно:= 0,25мм ∙ 0,035мм = 0,00875 мм2.

Определяется плотность тока в печатных проводниках по формуле 4.2:

I = Iобщ /S, А/мм² (4.2)

где Iобщ - общий ток, потребляемый микросхемами;

S - площадь поперечного сечения печатных проводников.= 0,14461/0,00875 ≈ 16,527 А/мм2

Полученные данные оказываются меньше допустимого максимального значения плотности тока для медных проводников, следовательно, размеры печатных проводников выбраны правильно, а именно в узких местах - ширина проводников 0,25 мм, а в широких местах 1 - 1,5 мм. Ширина печатных проводников по питанию составляет 2 - 3 мм. Поэтому невозможен выход из строя печатных проводников из-за перегрева.

Печатная плата «Устройства для тестирования аккумуляторов» изготавливается позитивным комбинированным способом, согласно ОСТ 5.9707-91. Алгоритм изготовления платы представлен на рисунке 4.1.

Рисунок 4.1 - Алгоритм изготовления печатной платы


Рассчитывается вес печатной платы без элементов по формуле 4.3:

Рпп = p ∙ Vкг, (4.3)

где, р - удельная плотность фольгированного стеклотекстолита,

p = 2,471 ∙ 10-3 кг/см3;

V - объём платы, см3 = S ∙ h = 10,6 см ∙ 6,6 см ∙ 0,15см = 10,494 см3

Рпп = 2,471 ∙ 10-3 кг/см3 ∙ 10,494 см3 = 0,026 кг

Так как печатные проводники и контактные площадки покрываются припоем ПОС-61 ГОСТ…, то вес увеличивается на 15%, поэтому общий вес печатной платы:

Рпп = 0,026 кг ∙ 0,15 + 0,026 кг = 0,03 кг

Печатная плата после разработки маркируется белой краской со стороны установки элементов, покрывается защитным лаком. Указываются позиции элементов, ключи и необходимые выводы согласно схеме электрической принципиальной. Разработанная печатная плата «Устройства для тестирования аккумуляторов» готова для выполнения сборки.

4.2 Разработка и изготовление платы в сборе

Согласно заданию дипломного проекта на основании разработанной печатной платы, ДП. 2201. (230101). 021 08-01 и характеристики элементной базы, разработан сборочный чертеж печатной платы «Устройства для тестирования аккумуляторов», ДП. 2201. (230101). 021 08. СБ.

Толщина, площадь и вес печатной платы определяются из веса отдельных компонентов, представленных в таблице 4.2.

Таблица 4.2 - Вес элементов

Позиционное обозначение

Вес одного элемента, *10-3, кг

Количество элементов, шт

Общий вес, *10-3, кг

C1-C10

1,5

10

15

C11, C12

1

2

2

DD1

4

1

4

DD2

3

1

3

DA1-DA3

2,5

3

9

Позиционное обозначение

Вес одного элемента, *10-3, кг

Количество элементов, шт

Общий вес, *10-3, кг

DA4

2,5

1

2

DA5-DA6

0,3

2

0,6

DA7

2

1

2

HA1

7

1

7

HG1

25

1

25

L1

6

2

12

K1-K2

8

2

16

R1-R3, R5-R6, R21

1

6

6

R4, R15, R23

1

3

3

R19-R22, R24

1

3

3

R16

1

1

1

R20

1

1

1

R17

1

1

1

R18

1

1

1

R2

1

1

1

R7-R14

1

8

8

SA1

7

1

7

SB1, SB2, SB3

8

3

24

TV1

45

1

45

VD1

3

1

3

VD2-VD4

0,15

3

0,45

VT7

3

1

3

VT4-VT6, VT8

3

4

12

VT1-VT3

3

3

9

ZQ1

5

1

5

Всего

231,05


Сборочный чертеж состоит из спецификации и чертежа. На печатную плату устройства в монтажные отверстия устанавливаются элементы согласно ОСТ 4.010.030-92. Перед установкой выводы элементов формируются и обслуживаются для лучшей пайки. Пайка элементов осуществляется припоем ПОС-61 и канифолью. При подготовке микросхем DD1, DA1-DA6 к монтажу на печатную плату, их выводы подвергаются растяжению. Механические воздействия прикладываются к микросхемам на операциях комплектации, формовке и обрезке выводов, установки и приклеивании их к плате; температурные воздействия связаны с операциями лужения, пайки и демонтажа; электрические воздействия связаны с настройкой и испытанием, а также появлением зарядов статистического электричества, тогда необходимо принимать специальные меры по уменьшению и отводу статистических зарядов. Для получения качественно паяных соединений производят лужение проводов корпуса микросхем припоями и флюсами тех же марок, что и при пайке. При замене микросхем в процессе настройки и эксплуатации производится пайкой различными паяльниками с предельной температурой припоя 250ºС, предельным временем пайки не более 2 с и минимальным расстоянием от тела корпуса до границы припоя по длине вывода 1,3 мм. При лужении нельзя касаться корпуса припоем. Жало паяльника должно быть заземлено (переходное сопротивление заземления не более 50 Ом). Минимальное время между пайками соседних выводов составляет 3 с. Минимальное расстояние от тела корпуса до границы припоя по длине вывода 1мм.

Минимальное время между пайками одних и тех же выводов 5 мин. Жало паяльника не должно касаться микросхем. Допускается одноразовое исправление дефектных соединений со стороны установки корпуса на плату. После пайки места паяных соединений необходимо очистить от остатков флюса жидкостью, рекомендованной в ТУ, на конкретные типы микросхем.

Все отклонения от рекомендованных режимов лужения и пайки указываются в ТУ на конкретные типы микросхем: из-за малых размеров элементов микросхем и высокой плотности упаковки элементов на поверхности кристалла, они чувствительны к разрядам статистического электричества. Одной из причин их отказа является воздействие разрядов статистического электричества; оно вызывает электрические, тепловые и механические воздействия, приводящие к появлению дефектов в микросхемах и ухудшению их параметров.

Таблица 4.3 - Типы корпусов микросхем

Позиционное обозначение

Тип микросхем

Тип корпуса

DD1

PIC16F870

28SP, 28SO, 28SS

DD2

КР531КП11

DIP16

DA1-DA3

КР142Е5А

DIP8

DA4

КР142ЕН12

DIP8

DA5-DA6

КР142ЕН19

DIP8

DA7

К561ЛА7

DIP14


Предельное время пайки ножки не более 2 секунд. Время между пайками соседних выводов 3 секунды. Допускается одноразовое исправление дефектов пайки.

Микросхемы устанавливаются на многослойной печатной плате с учетом ряда требований, основными из которых являются:

· получение необходимой плотности компоновки;

· надежное механическое крепление микросхемы и электрическое соединение ее выводов с проводниками платы;

· возможность замены микросхемы при изготовлении и настройке узла;

· эффективный отвод тепла за счет конвекции воздуха или с помощью теплоотводящих шин;

· исключение деформации корпусов микросхем, т.к. прогиб платы в несколько десятых миллиметра может привести к растрескиванию герметизирующих слоев корпуса, либо к деформации дна и отрыву от него подложки или кристалла.

Для ориентации микросхем на плате должны быть предусмотрены «ключи», определяющие положение первого вывода микросхемы.

При установке микросхем на плату необходимо избегать усилий, приводящих к деформации корпуса, отклеиванию подложки или кристалла от посадочного места в корпусе, обрыву внутренних соединений микросхем, а также обеспечить защиту микросхем от электрических воздействий.

Сборка печатной платы осуществляется согласно спецификации.

Общий вес печатной платы с элементами будет равен:

Робщ = Рпп + Рэл (4.4)

Робщ = 0,03 кг + 0,23105 кг ≈ 0,23135 кг

Так как при сборке печатной платы используется припой, то вес платы увеличивается на 15%:

Робщ = 0,23135 кг ∙ 0,15 + 0,23135 кг = 0,266 кг

Плата покрывается защитным лаком.

После сборки печатной платы «Устройства для тестирования аккумуляторов» плата настраивается, для этого используется сервисная аппаратура.


5 РАСЧЁТНАЯ ЧАСТЬ

.1 Оценка надёжности устройства

Согласно постановке задачи выполнен расчет на надёжность «Устройства для тестирования аккумуляторов». Расчет ведётся по формулам и графикам [13, с.118].

Любое устройство создается для надежной и безотказной работы. Свойство устройства сохранять во времени в установленных пределах значения всех параметров, которые характеризуют его способность выполнять требуемые функции в заданных режимах и условиях применения, технического обслуживания, ремонта, хранения и транспортировки называется надежностью работы устройства. Устройство может быть исправным или неисправным. Если все параметры соответствуют технической документации, такое состояние называется работоспособным. Если хотя бы один параметр не соответствует - устройство неисправно. Событие, которое состоит в частичной или полной утрате работоспособности устройства и приводит к невыполнению или неправильному выполнению задачи называется отказом. Отказы бывают внезапными и постепенными. С точки зрения надёжности устройство обладает следующими признаками: безотказность; долговечность; ремонтопригодность.

Безотказность - это свойство устройства непрерывно сохранять работоспособность в течении некоторого времени.

Долговечность - свойство устройства сохранять при выполнении технического обслуживания работоспособности до наступления предельного состояния.

Ремонтопригодность - приспосабливаемость устройства к предупреждению причин возникновения отказов и их устранению путём проведения технического обслуживания и ремонта.

Количественная оценка надежности рассчитывается по определению вероятности безотказной работы, среднему времени наработки на отказ и интенсивности отказов элементов.

Исходными данными для расчета оценки надёжности устройства являются:

· перечень элементов схемы электрической принципиальной ДП. 2201. (230101). 021 08 ПЭЗ;

· характеристика элементной базы (пункт 3.3);

· плата печатная, ДП. 2201. (230101). 021 08 (Приложение В);

· сборочный чертеж платы, ДП. 2201. (230101). 021 08 СБ . На основание этих данных составляется таблица перечня элементов, в которой отображается общее количество ножек всех элементов и по отдельности;

· время наработки на отказ - ТЗАД =15000ч;

В данном расчёте принимаются следующие допущения:

· все элементы с точки зрения надежности принимаются соединенными последовательно, т.е. отказ одного элемента ведёт к отказу всего устройства;

· старение и износ элементов, т.е. интенсивность отказов элементов во времени не допускается;

· во время ремонта изделие отключается от сети, и поэтому элементы не могут вызвать отказ.

Для расчёта оценки надёжности «Устройства для тестирования аккумуляторов» составляется таблица 5.1, в которой отражается общее количество выводов элементов, установленных на печатной плате, согласно сборочному чертежу Приложение Г.

Таблица 5.1 - Количество выводов элементов

Название элементов

Количество выводов одного элемента, шт.

Количество элементов, шт.

Общее количество выводов, шт.

Резисторы

2

24

48

Конденсаторы

2

12

24

Микросхемы:




PIC16F870

28

1

28

КР531КП11

16

1

16

КР142ЕН5А

3

3

9

КР142ЕН12

3

1

3

КР142ЕН19

3

2

6

К155ЛА2

14

1

14

Индикатор

12

1

12

Транзисторы

8

3

24

Резонатор

2

1

2

Пьезоизлучатель

2

1

2

Реле

8

1

8

Индуктивность

2

1

2

Диоды

2

4

8

Кнопки

2

3

6

Разъём COM-порта RS232-C

9

1

9

Итого:

221


Показатели надёжности устройства: интенсивность отказов; средняя наработка до первого отказа и вероятность безотказной работы.

Чтобы рассчитать показатели надёжности «Устройства для тестирования аккумуляторов», необходимо найти и рассчитать коэффициент нагрузки. Коэффициент нагрузки равен отношению нагрузки элемента в рабочем режиме к нагрузке в номинальном режиме, согласно характеристике элементной базы по формуле 5.1.

; (5.1)

где: Hраб - рабочий режим элемента;ном - номинальный режим элемента;

Расчёт коэффициента нагрузки для каждого типа элементов:

Для резисторов:


Для конденсаторов:


Для интегральных микросхем коэффициент нагрузки принимается равным 1:


Для пьезоизлучателя:


Для резонатора:


Для индикатора:


Для транзисторов:


Интенсивность отказов - l(t) - это условная плотность вероятности возникновения отказов к моменту времени (t) при условии, что он ранее не возникал (ч-1).

Рассчитав коэффициент нагрузки, Кн для разных типов элементов и зная эксплуатационный температурный режим работы устройства, плюс 400С, по графикам для каждого типа элементов находится относительная интенсивность отказа. Полученные данные заносятся в таблицу 5.2.

Таблица 5.2 - Интенсивность отказов элементов

Название элемента

Относитель-ная интенсив-ность отказов при t 400С, lотн

Интенсив-ность отказов элементов при н.у., lн. у., ч-1

Число элементов, Ni шт.

Произве-дение lотн*lн. у* Ni, ч-1

Интегральные схемы

1,5

1*10-7

6

9*10-7

Конденсаторы

0,3

0,3*10-7

12

1,8*10-7

Резисторы

0,5

0,1*10-7

24

1,2*10-7

Паяные соединения ножек

ИМС

-

0,5*10-9

76

0,38*10-7

Конденсаторов

-

0,5*10-9

24

0,12*10-7

Резисторов

-

0,5*10-9

48

0,24*10-7

Резонатора

-

0,5*10-9

2

0,01*10-7

Индикатора

-

0,5*10-9

12

0,06*10-7

Транзистора

-

0,5*10-9

24

0,12*10-7

Диодов

-

0,5*10-9

8

0,04*10-7

Пьезоизлучателя

-

0,5*10-9

2

0,01*10-7

Индуктивности

-

0,5*10-9

8

0,04*10-7

Выводы для подключения источника питания

-

0,5*10-9

2

0,01*10-7

Плата односторонняя

-

10-7

1

1*10-7

Итого, lобщ:

14,03*10-7


Определяется время средней наработки на отказ, которое зависит от общей интенсивности отказа по формуле 5.2.

 ; (5.2)

 

Согласно данным, наработка на отказ составила ТЗАД =15000ч.

Рассчитывается вероятность безотказной работы, т.е. вероятность того, что не будет отказа в пределах заданной наработки по формуле 5.3.

 (5.3)

В результате расчёта оценки надёжности «Устройства для тестирования аккумуляторов» вероятность безотказной работы устройства составила 0,979 или 97,9%, что говорит о высокой надёжности разрабатываемого устройства, так как при разработке использовались интегральные микросхемы.

6 ЭКСПЛУАТАЦИЯ УСТРОЙСТВА

Согласно заданию дипломного проекта, в данном пункте приводятся правила эксплуатации «Устройства для тестирования аккумуляторов».

Для правильного использования устройства необходимо ознакомиться с его общим видом, изучить назначение кнопок и индикаторов. Так как устройство питается от сети через стабилизирующий источник питания, необходимо соблюдать правила электробезопасности при работе с данным устройством.

Устройство питается напряжением плюс 12В от стабилизированного источника питания, который включается в сеть ~220В, поэтому при эксплуатации необходимо соблюдать правила техники безопасности при работе с электроприборами.

Устройство управляется при помощи кнопок управления, либо при помощи ПЭВМ, где соединение идёт через COM-port.

На передней панели прибора располагается индикатор, отображающий величину измеряемого параметра, гнездо для подключения аккумулятора и кнопки управления. На боковой панели устройства находится COM-port.- кнопка «Пуск», предназначена для начала работы устройства, а так же сброса параметров индикатора.- кнопка «Qзар», предназначена для показа значения ёмкости, полученной при зарядке аккумулятора.- кнопка, предназначенная для начала работы устройства при помощи ПЭВМ через COM-port.port - предназначен для управления устройства с компьютера.

НА1 - пьезоизлучатель, предназначенный для подачи акустического сигнала.- индикатор, предназначенный для вывода ёмкости аккумулятора.

Назначение кнопок.

Кнопки SB1, SB2 и SB3 предназначены для управления режимом работы устройства. Подключив аккумулятор к устройству, следует нажать и отпустить кнопку SB1 «Пуск», после чего произойдёт переход в режим измерения параметров аккумулятора. При нажатии на кнопку SB2 «Qзар» будет индицироваться значение ёмкости, которую аккумулятор получил при зарядке. Для перехода в режим инициализации, нажимают и отпускают кнопку SB1 «Пуск», показания индикатора обнуляются. В любом режиме нажатием на кнопку SB1 «Пуск» длительностью не более 2 секунд можно перевести устройство в режим инициализации, а повторным нажатием запустить новый рабочий цикл.

Для индикации режимов работы и ёмкости аккумулятора в ампер-часах использован трёхразрядный цифровой светодиодный индикатор HG1. Пьезоизлучатель HA1 необходим для подачи акустического сигнала в случае аварийной ситуации и при переходе устройства в другой режим работы. Переход между режимами сопровождается четырьмя короткими сигналами, а завершение цикла пятью длинными акустическими сигналами. Кроме того, при возникновении аварийных и нештатных ситуаций, например, обрыв в цепи подключения аккумулятора, начнут мигать все разряды светодиодного индикатора и зазвучит акустический сигнал «SOS» (кодом Морзе).

Для завершения работы устройства необходимо нажать кнопку «Пуск», показания индикатора обнулятся и отсоединить аккумулятор. Затем отключить устройство от сети, соблюдая при этом правила электробезопасности.

7 РЕМОНТНО-РЕГЛАМЕНТНЫЕ РАБОТЫ

.1 Характерные неисправности и методы их устранения

Согласно постановке задачи, в данном пункте приведены выявленные в процессе проектирования и эксплуатации характерные неисправности «Устройства для тестирования аккумуляторов».

При разработке, настройке и эксплуатации устройства возникают характерные неисправности, которые представлены в таблице 7.1.

Таблица 7.1 Характерные неисправности и методы их устранения

Неисправности

Вероятные причины неисправностей

Методы устранения

1.Устройство не работает.

1.Отсутствует питание. 2.Неисправность кварцевого резонатора ZQ1.

1.Проверить соединение с источником питания и выход напряжения с источником питания. 2.Заменить деталь, ZQ1.

2. Нет индикации измерений.

Выход из строя индикатора HG1

Заменить неисправный индикатор HG1

3. Звучит сигнал тревоги

1. Обрыв в цепи подключения аккумулятора. 2. Неправильная полярность подключения аккумулятора.

1. Отсоединить аккумулятор и подключить снова, разъём ХР2. 2. Отсоединить аккумулятор, проверить правильность полярности при подключении, ХР2.

4. Не производится измерение

Выход из строя микросхемы DD1.

Заменить микросхему DD1.


Для устранения неисправностей и настройки устройства после устранения неисправностей используется сервисная аппаратура:

· мультиметр, для прозвонки схемы на разрыв;

· осциллограф, для проверки работоспособности устройства в контрольных точках и на выходе;

· генератор, для настройки генератора схемы и проверки его работоспособности;

· паяльник электрический, для замены неисправных элементов на рабочие.

Все неисправности устраняются при снятом с устройства напряжении питания. После устранения неисправностей устройство настраивается и проверяется его работоспособность в контрольных точках согласно временным диаграммам, представленным на рисунке 3. 24 [Раздел 3, подраздел 3.6], с помощью сервисной аппаратуры (мультиметр, осциллограф).

7.2 Применение сервисной аппаратуры

Согласно заданию дипломного проекта при настройке и наладке «Устройства для тестирования аккумуляторов» используется сервисная аппаратура. Назначение сервисной аппаратуры приводится в таблице 7.2.

Таблица 7.2 - Назначение сервисной аппаратуры

Тип

Характеристика

Применение

Цифровой мультиметр АМ-1006 [14, с.31]

Обеспечивает широкий набор функций, высокую точность измерений и отвечает всем требованиям к современным мультиметрам. Благодаря своей универсальности, он может заменить сразу несколько измерительных приборов при проверке или наладке каких-либо электронных устройств Предназначен для измерения постоянного и переменного тока и напряжения, сопротивления, емкости, температуры, частоты проверки диодов, звуковой прозвонки цепи, измерения коэффициента усиления транзисторов. Постоянное напряжение 100 мкВ...600 В. Переменное напряжение 100 мкВ...600 В.  Постоянный ток 0,1 мкА...10 А. Переменный ток 0,1 мкА...10 А.  Сопротивление 0,1 Ом...20 Мом. Частота 0,1 Гц...20 кГц. Емкость 1 пФ...20 мкФ. Температура -20...750°С.

Проверка на обрыв дорожек платы, на замыкание двух соседних дорожек с помощью прозвонки. Для точного определения значения измеряемой величины, для проверки на исправность некоторых элементов схемы, для снятия логических уровней напряжения с микросхем.

Цифровой запоминающий осциллограф АСК-2022 [14, с.18]

Предназначен для исследования формы и измерения амплитудных и временных параметров электрических сигналов, для контроля параметров, наладки и ремонта радиоэлектронной аппаратуры в лабораторных и производственных условиях.  2 канала. Полоса пропускания 20 МГц. Максимальная частота дискретизации 20 МГц. Входы: открытый и закрытый. Чувствительность по вертикали 5 мВ/дел...20 В/дел. Вертикальное разрешение 8 бит. Погрешность измерений по вертикали 1,8% от измеряемой величины +1 пиксел. Режимы работы по вертикали: канал 1, канал 2, суммирование каналов, вычитание (канал 1 - канал 2), X-Y. Коэффициент развертки 50 нс/дел...20 с/дел. Режимы развертки: нормальный, режим самописца, режим стробоскопа. Источники синхронизации: каналы 1 и 2, вход внешней синхронизации. Режим предзаписи. Автоматическая установка функций: вертикальная развертка, диапазон, положение, время развертки, вход и уровень синхронизации. Курсорные измерения. Память на 20 экранов.

Проверка формы сигналов в контрольных точках [Раздел 3, п. 3.7, рисунок 3.23]. Измерение частоты следования и длительности сигналов.

Электрический паяльник

Предназначен для пайки и распайки элементов. Питание от сети переменного тока 220В. Мощность 25Вт.

Монтаж и демонтаж плат с радиоэлементами. Устранение неисправностей.


Использование сервисной аппаратуры позволяет выполнять работы:

· прозвонку печатных проводников платы на разрыв;

· монтаж элементов на печатной плате;

· демонтаж элементов с платы или устройства, при выходе их из строя;

· проверку платы устройства по цепи питания;

· проверку работоспособности устройства в контрольных точках и настройку устройства.

8 ОХРАНА ТРУДА

Согласно заданию дипломного проекта, раскрываются вопросы охраны труда: электробезопасность и пожаробезопасность при разработке и эксплуатации «Устройства для тестирования аккумуляторов».

Трудовой кодекс Российской Федерации устанавливает: государственные нормативные требования охраны труда; обязанности работодателя по обеспечению безопасных условий и охраны труда; обязанности работника в области охраны труда; медицинские осмотры некоторых категорий работников; соответствие производственных объектов и продукции государственным нормативным требованиям охраны труда. [15, с. 256]

Согласно постановке задачи при разработке «Устройства для тестирования аккумуляторов», его настройке и эксплуатации, необходимо выполнять правила охраны труда.

Охрана труда - это система сохранения жизни и здоровья работников в процессе трудовой деятельности, включающая в себя правовые, социально-экономические, организационно-технические, санитарно-гигиенические, лечебно - профилактические, реабилитационные и иные мероприятия.

Разрабатываемое устройство питается стабилизированным напряжением питания плюс 12 В. Ток, потребляемый устройством, около 40 мА.

Для обеспечения комфортных условий труда и жизнедеятельности человека, необходимо обеспечивать нормальные метеорологические условия в производственных помещениях, которые оказывают существенное влияние на тепловое состояние человека, и является важной характеристикой гигиенических условий труда.

Оптимальные параметры микроклимата в помещении:

Температура,

 ºС

+22…+24

Относительная влажность,

 %

40…60

Скорость движения воздуха,

 м/с

0,1


При монтаже элементов на печатную плату припоем ПОС-61 ГОСТ … возникают вредные оловянно-свинцовые пары, которые отрицательно действуют на организм человека, поэтому пайку необходимо производить под вытяжным шкафом, т.е. должна присутствовать принудительная вытяжная вентиляция.

Рациональное производственное освещение должно обеспечивать психологический комфорт, предупреждать зрительную и общую утомляемость и профессиональные заболевания глаз. Комбинированная освещенность рабочей поверхности должна быть (300..500) лк, т.к. при разработке печатной платы устройства производится монтаж мелких элементов.

Так как при монтажных работах «Устройства для тестирования аккумуляторов» используется паяльник, питающийся от сети с напряжением 220В с частотой 50Гц, то необходимо соблюдать правила электробезопасности.

Из вышесказанного следует, что:

· перед использованием паяльника необходимо осмотреть его на наличие растрескивания или пережогов изоляции;

· при монтаже элементов должен использоваться паяльник мощностью 25 Вт;

· используемая измерительная аппаратура должна быть исправна и заземлена; заземление выполнено медным проводом сопротивлением не более 4 Ом.

Заземление - преднамеренное соединение с землей нетоковедущих металлических частей электрооборудования через металлические детали, закладываемые в землю, называемые заземлителями, и детали, прокладываемые между заземлителями и корпусами электрооборудования, называемые заземляющими проводниками.

Электрический ток проходя через тело человека, производит термическое, электролитическое и биологическое воздействие. Поэтому при поражение человека электрическим током, необходимо отключить электроустановку или оттянуть пострадавшего за одежду, отделить пострадавшего от токоведущих частей, уложить на спину на сухую подстилку и определить его состояние: проверить дыхание, проверить пульс, при необходимости делать искусственное дыхание и непрямой массаж сердца.

Во всех случаях поражения электрическим током, только врач может правильно оценить состояние здоровья пострадавшего и решить вопрос о помощи, которую нужно оказать ему на месте, а также о дальнейшем его лечении.

Виды электротравм:

· местные электротравмы тканей и органов - ожоги, электрические знаки (припухлость с затвердевшей в виде мозоли кожей при контакте с токоведущими частями);

· электрометаллизация кожи - проникновение металла в кожу вследствие разбрызгивания и испарения его при ожоге электрической дугой;

· электроофтальмия - поражение глаз ультрафиолетовым излучением дуги;

· механические повреждения - ушибы, переломы при падении с высоты из-за сокращений мышц или потери сознания;

· электрический удар - поражает весь организм, вызывая его шок: сокращение мышц, паралич дыхания и сердца при малых токах - несколько сот миллиампер.

При разработке печатной платы «Устройства для тестирования аккумуляторов», используются химические вещества (лак, спирт и т.д.), которые являются легковоспламеняющимися веществами, т.е. температура вспышки которых менее 61ºС. Поэтому в помещении необходимо соблюдать правила пожаробезопасности.

В случае возгорания устройства или легковоспламеняющихся веществ, используемых при его разработке, необходимо использовать порошковый или углекислотный огнетушитель.

Если оборудование под напряжением, то его тушить следует огнетушителем типа ОУ-5. Обесточенное оборудование тушить огнетушителем ОП-2.

Углекислотные огнетушители СО2 предназначены для тушения загораний различных веществ, горение которых не может происходить без доступа воздуха, электроустановок, находящихся под напряжением до 1000 В.

Рисунок 8.1 - Огнетушитель углекислотный

Углекислотный огнетушитель ОУ-2:

· снять огнетушитель и поднести к очагу возгорания;

· сорвать пломбу, выдернуть чеку;

· перевести раструб в горизонтальное положение и нажать на рычаг;

· направить струю заряда на огонь.

Принцип действия углекислотного огнетушителя основан на вытеснение двуокиси углерода избыточным давлением. При открывании запорно-пускового устройства, СО2 по сифонной трубке поступает к раструбу и из сжиженного состояния переходит в твёрдое (снегообразное). Температура резко понижается до -70 градусов. Углекислота, попадая на очаг возгорания изолирует его от кислорода. Продолжительность работы 8 секунд. Длина струи 1,5 метра.

Порошковый огнетушитель ОП-5

· сорвать пломбу, выдернуть чеку;

· поднять рычаг до отказа;

· направить ствол-насадку на очаг пожара и нажать на курок;

· через 5 секунд приступить к тушению пожара.

Принцип действия основан на срабатывании запорно-пускового устройства. После чего прокалывается заглушка баллона с рабочим газом (углекислый газ, азот). Газ по трубке подвода поступает в нижнюю часть корпуса огнетушителя и создаёт избыточное давление. Порошок вытесняется по сифонной трубке в шланге к стволу. Нажимая на курок ствола, можно подавать порошок порциями. Порошок попадая на горящее вещество, изолирует его от кислорода. Продолжительность работы 10 секунд. Длина струи 5 метров.

О пожаре немедленно сообщить руководству.

Требования техники безопасности в аварийных ситуациях:

· в случае поражения электрическим током, пострадавшего требуется любым безопасным способом освободить от действия электрического тока, обесточить оборудование;

· при освобождении пострадавшего от воздействия тока необходимо обеспечить собственную безопасность.

9 ЭКОНОМИЧЕСКАЯ ЧАСТЬ

Для расчета себестоимости проектируемого устройства необходимо составить калькуляцию, включающую все затраты на его производство и реализацию. По способу включения в себестоимость продукции все затраты делятся на:

· прямые - связанные с производством только данного вида продукции и относящиеся только на его себестоимость;

· косвенные - связанные с производством нескольких видов продукции.

К прямым затратам относятся:

· затраты на основные материалы;

· затраты на комплектующие изделия и покупные полуфабрикаты;

· затраты на основную заработную плату производственных рабочих;

· затраты на дополнительную заработную плату производственных рабочих;

Единый социальный налог.

К косвенным затратам относятся общепроизводственные расходы, общехозяйственные расходы, внепроизводственные расходы.

Расчет затрат на основные материалы.

Затраты на основные материалы включают затраты на стеклотекстолит, припой, канифоль, лак, спирт, хлорное железо и т.д.

Затраты на основные материалы определяют по формуле 9.1:

Зом= Нр × Цм, (9.1)

где Нр - норма расхода материала на изделие,

Цм - цена единицы материала (руб).

Расчет затрат оформлен в таблице 9.1.

Таблица 9.1 - Затраты на основные материалы

Наименование материала

Единица измерения

Норма расхода изделие

Цена за единицу, руб.

Сумма затрат, руб.

Стеклотекстолит

см2

76,6

0,2

15,3

Лак

мл

15

0,2

3

мл

100

0,3

30

Припой

мм3

100

0,1

10

Хлорное железо

мл

150

0,4

60

Спирт

мл

50

0,15

7,5

Итого:


125,8


Транспортно-заготовительные расходы составляют 3-5% от общей суммы затрат.

ТЗР = 0,05 × ОМ = 0,05 × 125,8 = 6,3 руб.

Полные затраты на основные материалы являются суммой затрат на транспортно-заготовительные расходы и затрат на основные материалы.

ОМ = 6,3 + 125,8 = 132,1руб.

Расчет затрат на комплектующие изделия и покупные полуфабрикаты.

К ним относятся:

· резисторы, конденсаторы, микросхемы и другие элементы;

· переключатели, разъемы;

· винты, гайки, шайбы для крепления разъемов.

Затраты на комплектующие изделия и покупные полуфабрикаты определяют по формуле 9.2:

ЗПФ = п × ЦПФ, (9.2)

где п - количество применяемое на изделие;

ЦПФ - цена за единицу (руб.)

Таблица 9.2 - Затраты на комплектующие изделия и покупные полуфабрикаты

Наименование комплектующих изделий и покупных полуфабрикатов

Норма расхода на изделие

Цена за единицу, руб.

Сумма затрат, руб.

Конденсаторы




К50-6 - 0,1...500 мкФ ±5%

10

5

50

КМ-6 -22...50 пФ ±5%

2

1

2

Микросхемы




PIC16F870

1

80

80

КР531КП11

1

8

8

КР142ЕН5А

3

5

15

КР142ЕН12

1

12

12

КР142ЕН19

2

5

10

К155ЛА2

1

3

3

Пьезоизлучатель ЗП-10

1

10

10

Индикатор BA56-12GWA

1

24

24

Резисторы




МЛТ - 0,25 - 2 кОм ±10% ГОСТ...

5

1

5

МЛТ - 0,25 - 10 кОм ±10% ГОСТ...

3

1

3

Продолжение таблицы 9.2




Наименование комплектующих изделий и покупных полуфабрикатов

Норма расхода на изделие

Цена за единицу, руб.

Сумма затрат, руб.

МЛТ - 0,25 - 3 кОм ±10% ГОСТ...

3

1

3

МЛТ - 0,5 - 3,9 кОм ±10% ГОСТ...

1

1

1

МЛТ - 0,5 - 8,2 Ом ±10% ГОСТ...

1

1

1

МЛТ - 0,25 - 1,5 кОм ±10% ГОСТ...

1

1

1

МЛТ - 0,25 - 4,3 кОм ±10% ГОСТ...

1

1

1

МЛТ - 0,25 - 22 кОм ±10% ГОСТ...

1

1

1

МЛТ - 0,25 - 100 Ом ±10% ГОСТ...

8

1

8

Кнопки ПГ-2-1-6П1Н

3

6

18

Диоды




КД209А

1

1,5

1,5

КД510А

3

1,5

4,5

Транзисторы




КП501А

1

4

4

КТ3107А

4

3

12

КТ3102А

3

3

9

Разъём COM-порта RS232-C

1

12

12

Реле РЭС52

1

30

60

Дроссель - 25 мГн

1

4

4

Кварцевый резонатор РК92СР

1

30

30

Итого:


393


Транспортно-заготовительные расходы составляют 3-5% от общей суммы затрат.

ТЗР = 0,05 × КИПП = 0,05 × 393 = 19,7 руб.

Полные затраты на основные материалы являются суммой затрат на транспортно-заготовительные расходы и затрат на основные материалы.

ОМ = 19,7 + 393 = 412,7 руб.

Расчет затрат на заработную плату.

Затраты на заработную плату включают: основную заработную плату, дополнительную заработную плату и отчисления на социальные нужды (ЕСН).

В основе расчета основной заработной платы лежит трудоемкость (норма времени) технологических операций и сдельные расценки за операцию.

Трудоемкость операций технологического процесса определяется на основании технологической карты.

Норма времени на операцию называется калькуляционным временем и включает подготовительно-заключительное и штучное время. В состав штучного времени входит основное техническое время, вспомогательное, время обслуживания рабочего времени и время перерывов на отдых и личные надобности.

Расчет сдельной расценки производится по формуле 9.3:

, (9.3)

где Тст - часовая тарифная ставка (руб.);

Нвр - норма времени, мин.

Трудоемкость изготовления проектируемого изделия включает:

· трудоемкость механической обработки;

· трудоемкость электромонтажных работ;

· трудоемкость наладочных работ.

Таблица 9.3 - Расчет затрат на механическую обработку

Наименование операций

Разряд рабочего

Часовая тарифная ставка, руб.

Норма времени на операцию, мин.

Сдельная расценка на операцию, руб.

Входной контроль

4

35

4

3

Нарезка заготовок

4

35

3

2

Подготовка поверхности

3

30

3

2

Получение рисунка схемы

4

35

2

1,5

Промывка

3

30

2

1

Травление меди с пробельных мест

4

35

15

8,5

Сверление базовых отверстий

3

30

35

18

Очистка платы

3

30

5

2,5

Подготовка перед металлизацией

3

30

3

1,5

Обработка по контуру ПП

3

30

5

2,5

Гальваническое осаждение меди

3

30

20

10

Маркировка ПП

4

35

6

3,5

Контроль и наладка

4

35

10

6

Итого:


68,5


Трудоемкость электромонтажных работ определяется умножением монтируемых деталей на среднюю норму трудозатрат на одну деталь, применяемую к аналогичным электронным блокам. Для этого все детали конфигурации, габаритным размерам и технологии обработки. В каждой группе выделяются одна средняя по размерам и сложности деталей - типовая.

Распределение деталей на однородные группы представлено в таблице 9.4.

Таблица 9.4 - Группы однородных деталей

Группы деталей

Наименование деталей

Группа А

Микросхемы

Группа Б

Конденсаторы

Группа В

Резисторы

Группа Г

Транзисторы

Группа Д

Диоды

Группа Е

Кварцевый резонатор


На типовую деталь каждой группы устанавливается трудоемкость ее обработки на всех операциях на уровне практической трудоемкости аналогичной по конструкции и размерам деталей, особенно в производстве.

Таблица 9.5 - Расчет затрат на электромонтажные работы

Наименова-ние операций

Количество деталей в группе

Норма времени на одну деталь, мин.

Норма времени на группу, мин

Часовая тарифная ставка, руб.

Сдельная расценка на опера-цию, руб.

Монтаж группы А

9

5

45

40

30

Монтаж группы Б

12

1

12

30

6

Монтаж группы В

24

1

24

30

12

Монтаж группы Г

8

2

16

30

8

Монтаж группы Д

4

1

4

30

2

Монтаж группы Е

1

3

3

30

1,5

Итого:


59,5


Исходя из сдельных расценок по отдельным видам работ определяются затраты на основную заработную плату производственных рабочих по формуле 9.4:

 (9.4)

где  - сумма сдельных расценок по всем операциям, руб.;

Кпр - коэффициент премий и доплат, принимается в размере 1.4-1.8(40%-80%).

Этот коэффициент учитывает премии и доплаты: за профессиональное мастерство, совмещение профессий, за выслугу лет, стаж работы, за работу во вредных условиях, в ночное время, выходные и праздничные дни.

Дополнительная заработная плата представляет собой оплату труда работников за неотработанное время. Оплата основного, дополнительного или учебных отпусков, оплата времени выполнения государственных обязанностей.

Дополнительная заработная плата берется в размере 10-15% от основной заработной платы и рассчитывается по формуле 9.5:

ЗПдоп = ЗПосн × Кдоп (9.5)

ЗПдоп = 217,6 × 0,12 = 26,1 руб.,

где Кдоп - коэффициент дополнительной заработной платы.

Сумма основной и дополнительной заработной платы представляет собой общий фонд заработной платы и определяется по формуле 9.6:

ЗПобщ = ЗПдоп + ЗПосн (9.6)

ЗПобщ = 217,6 + 26,1 = 243,7 руб.

Единый социальный налог начисляется на общий фонд заработной платы и направляется в следующие внебюджетные фонды:

Пенсионный фонд (20%)

Фонд обязательного медицинского страхования (2.9%)

Фонд социального страхования (3.1%)

Общая сумма отчислений определяется как:

Осс = ЗПобщ × 0,26 = 243,7 × 0,26 = 63,4 руб.,

где ЗПобщ - общий фонд заработной платы производственных рабочих.

Расчет косвенных затрат на изготовление.

Косвенные затраты распределяются между различными видами продукции пропорционально основной заработной плате основных производственных рабочих.

Косвенные затраты на изготовление устройства включают:

общепроизводственные расходы - расходы, связанные с организацией, обслуживанием и управлением цеха.

 руб.

общехозяйственные расходы - это затраты, связанные с управлением и обслуживанием производства за пределами цеха в масштабе всего предприятия.

 руб.

внепроизводственные расходы связаны с реализацией продукции. Они составляют 5% от производственной себестоимости.

ВПР = РП × 0,05 = 1287,1 × 0,05 = 64,4 руб.

Таблица 9.6 - Калькуляция себестоимости

Статьи затрат

Сумма затрат


Руб.

В % к итогу

1. Основные материалы

132,1

9,8

2. Покупные полуфабрикаты и комплектующие изделия

412,7

30,5

3. Основная заработная плата

217,6

16,1

4. Дополнительная заработная плата

26,1

1,9

5. Отчисления на социальное страхование

63,4

4,7

6. Общепроизводственные расходы

239,4

17,7

Цеховая себестоимость

1091,3


7. Общехозяйственные расходы

195,8

14,5

Производственная себестоимость

1287,1


8. Внепроизводственные расходы

64,4

4,8

Полная себестоимость

1351,5

100


Расчет проектной себестоимости.

Проектная цена определяется по формуле 9.7:

Ц = С + П (9.7)

Ц = 1351,5 + 337,9 = 1689,4 руб.,

где С - полная себестоимость, руб.;

П - нормативная прибыль, руб.

Нормативная прибыль берется в размере 20-30% от полной себестоимости.

Предположительный объем продаж данного устройства составит 100 шт.

Таким образом, прибыль от реализации составит:

Пр = В - С

Пр = (1689,4 - 1351,5) × 100 = 33790 руб.,

где В - выручка от реализации, руб.;

С - полная себестоимость, руб.

Согласно заданию дипломного проекта был произведен расчет себестоимости «Устройства для тестирования аккумуляторов», полная себестоимость которого составила 1351,5 рублей, а проектная цена 1689,4 рублей.

ЗАКЛЮЧЕНИЕ

Согласно заданию дипломного проекта, разработано «Устройство для тестирования аккумуляторов». Раскрыто назначение и структура микроконтроллера PIC16F870, используемого в устройстве. Работа выполнена в полном объеме, раскрыты все пункты пояснительной записки. Разработана схема электрическая функциональная и алгоритм работы устройства на основании схемы электрической принципиальной, дано полное описание элементной базы, схемы электрической принципиальной и функциональной, представлен программный продукт работы и временные диаграммы в контрольных точках схемы. Представлены печатная плата и сборочный чертёж устройства, вес печатной платы с элементами составил 0,266 кг. Надежность устройства составляет 0,979. Также была представлена эксплуатация устройства, ремонтно-регламентные работы и основы охраны труда. Была рассчитана полная себестоимость устройства, которая составила 1351,5 руб., проектная цена устройства - 1689,4. Планируемый объём выпуска устройства составит 100 штук в месяц, прибыль от его реализации 33790 руб. в год. Прилагается список использованной литературы и нормативно-технической документации, используемой в описании данного проекта.

Тема проекта является актуальной, т.к. разрабатываемое устройство найдет применение в сфере использования различной портативной радиоэлектронной аппаратуры, питающейся литий-ионовыми аккумуляторами, в качестве тестирующего и зарядного устройства.

ЛИТЕРАТУРА

1. Журнал ил., «Радио» №5, 2007, Москва, 28с.

. Страница в интернете http://www.powerinfo.ru/accumulator-liion.php, http://www.kroger.ru/hakum.php.

. Новиков Ю.В., Калашников О.А., Гуляев С.Э., «Разработка устройств сопряжения для персонального компьютера типа IBM PC» под общей редакцией Ю.В. Новикова. Практическое пособие - Мю: Эком., 2002 - 224 с.: ил.

. Справочник по МК PIC16F87X, компания Microchip Technology Incorporated, USA, перевод ООО «Микрочип», Москва 2002.

. Журнал ил., «Радио» №9, 1999, Москва

. Нефедов А.В., «Интегральные микросхемы и их зарубежные аналоги», том 1, 2, 4, РадиоСофт, М., 1998 - 608с.

. Справочник «Резисторы», под редакцией И. И. Четверикова, изд. Радио и связь, М., - 527с.

. Четвертков И.И., Присняков В.И., Справочник «Конденсаторы», М; «Радио и связь», 1993 - 392с.

. Федюк В.Д., Бессарабов Б.Ф., «Диоды, тиристоры, транзисторы, и микросхемы», В.: Воронеж, 1994 - 720с.

. Голомедов В.И., «Индикаторы»: Справочник. - К.: Радиоаматор, 2002. - 654с.

. Партала О.Н., «Радиокомпоненты и материалы»: Справочник. - К.: Радиоаматор, М.: КУБК-а, 1998. - 720с.: ил.

. Александров К. К., Кузьмина Е. Г, «Электротехнические чертежи и схемы» - электроатомиздат, М. 1990 - 288с.

. Савельев А.Я., Овчинников В.А., «Конструирование ЭВМ и систем», М: «Высшая школа», 1989 - 256с.

. Журнал АКТАКОМ, выпуск 6 - 46 с.

. Трудовой кодекс Российской Федерации. Изд.12-е - Ростов н/Д: Феникс, 2006. -256с.

. М. Г. Паничев, С. В. Мурадян, Организация и технология отрасли - Ростов н/Д; Феникс, 2001 - 448 с.

MPASM 5.03 ZY_LIT.ASM 11-12-2006 19:18:31 PAGE 1OBJECT CODE LINE SOURCE TEXT

VALUE

;==========================================================================

00002 ;программа зарядного устройства для восстановления литиевых аккумуляторов

00003 ;зарядка и разрядка стабильным током 300мА

00004 ;весь цикл состоит из 3-х этапов:

00005 ;- первичная зарядка

00006 ;- разряд с подсчётом ёмкости аккумулятора

00007 ;- окончательный заряд для последующего использования

00008 ;индикация ёмкости на с/д семисегментном индикаторе (3 цифры)

00009 ;==========================================================================

00010

00011 #include<p16f870.inc>

00001 LIST

00002 ; P16F870.INC Standard Header File, Version 1.00 Microchip Technology, Inc.

00290 LIST

00012 errorlevel -302 ; no bank warnings

00013 CBLOCK 0x20 ;размещаем регистры ОЗУ с ячейки 0х20 по порядку

00000020 00014 IND_SEG1 ;1 сегмент на индикаторе

00000021 00015 IND_SEG2 ;2 сегмент на индикаторе

00000022 00016 IND_SEG3 ;3 сегмент на индикаторе

00000023 00017 V_AKK ;ячейка напр канала (на аккумуляторе)

00000024 00018 EMK_R_1K ;единицы ёмкости в А/ч при разряде

00000025 00019 EMK_R_100 ;десятые доли ёмкости в А/ч при разряде

00000026 00020 EMK_R_10 ;сотые доли ёмкости в А/ч при разряде

00000027 00021 EMK_Z_1K ;единицы ёмкости в А/ч при заряде

00000028 00022 EMK_Z_100 ;десятые доли ёмкости в А/ч при заряде

00000029 00023 EMK_Z_10 ;сотые доли ёмкости в А/ч при заряде

0000002A 00024 AKK_Z_R ;состояние ячейки аккумулятора (биты)

0000002B 00025 EMK_R_L ;младший байт ёмкости в мА/ч при разряде

0000002C 00026 EMK_R_H ;старший байт ёмкости в мА/ч при разряде

0000002D 00027 EMK_Z_L ;младший байт ёмкости в мА/ч при последнем заряде

0000002E 00028 EMK_Z_H ;старший байт ёмкости в мА/ч при последнем заряде

0000002F 00029 IND_MIG ;информация о мигании индикатора (биты)

00000030 00030 FSR_2 ;дополнительный переменный регистр для индикатора

00000031 00031 P_C_COPY ;копия порта С

00000032 00032 P_B_COPY ;копия порта B

00000033 00033 P_A_COPY ;копия порта A

00000034 00034 FLAG_ALL ;общие флаги

00000035 00035 BIT_SOS ;биты при воспроизведении сигнала SOS

00000036 00036 TMR_TIM_DEL ;таймер общего времени

00000037 00037 TMR_DIOD ;таймер для мигания

00000038 00038 TMR_DREBEZG ;таймер дребезга

00000039 00039 TMR_CLR_KN ;таймер времени отведённого на срабатывание кнопки

0000003A 00040 TMR_ZAR ;таймер при подсчёте ёмкости

0000003B 00041 TMR_PI ;таймер при пикании

0000003C 00042 TMR_AVAR ;таймер, при пропадании контакта с акк. след. изм.

00043 ;будет через 2с после возобновления контакта (для устранения помех)

0000003D 00044 TMR_NEXT ;счётчик АЦП для чёткого переключения м/у режимами

00045 ;ждёт когда АЦП даст сигнал на переключение режима опреденное кол-во раз подряд

0000003E 00046 COUNT_PI ;счётчик кол-ва пропиканных сигналов (при смене режима)

0000003F 00047 TEMP ;временная переменная

00000040 00048 fCOUNTER ;счётчик для маленьких задержек

00000041 00049 BIT_H ;регистры для программы преобразования BC > BCD

00000042 00050 BIT_L5.03 ZY_LIT.ASM 11-12-2006 19:18:31 PAGE 2OBJECT CODE LINE SOURCE TEXT

00051 SEG_1

00000044 00052 SEG_10

00000045 00053 SEG_100

00000046 00054 SEG_1K

00000047 00055 SEG_10K

00056 ENDC ;заканчиваем размещение регистров

00057

00058 #define T_DREBEZG FLAG_ALL,0 ;блокировка кнопок(1 - разрешены кнопки)

00059 #define ON_KN FLAG_ALL,1 ;сработал таймер чёткого нажатия кнопки

00060 #define OFF_KN FLAG_ALL,2 ;сработал таймер чёткого отпускания кнопки

00061 #define DR_PUSK FLAG_ALL,3 ;бит, что была попытка нажатия кнопки ПУСК

00062 #define SAVE_YES FLAG_ALL,4 ;было сохранение ОЗУ

00063 #define Z_R_PI FLAG_ALL,5 ;сигнал об окончании 1 заряда и разряда (4 пика)

00064 #define END_PI FLAG_ALL,6 ;сигнал об окончании всего цикла (5 длин пика)

00065 #define PAUSE_PI FLAG_ALL,7 ;пищит ли в данный момент пищалка? (1=да)

00066

00067 #define SHORT_PI BIT_SOS,0 ;точка при сигн. SOS

00068 #define SHORT_PS BIT_SOS,1 ;пробел м/у точками и тире при сигн. SOS

00069 #define LONG_PS BIT_SOS,2 ;пробел м/у буквами при сигн. SOS

00070 #define LONG_PI BIT_SOS,3 ;тире при сигн. SOS

00071 #define PAUSE_SL BIT_SOS,4 ;пробел м/у словами при сигн. SOS

00072 #define SIMVOL_S1 BIT_SOS,5 ;первый символ пропикали

00073 #define SIMVOL_O BIT_SOS,6 ;второй символ пропикали

00074 #define SIMVOL_S2 BIT_SOS,7 ;третий символ пропикали

00075

00076 #define NEW_ZAR AKK_Z_R,0 ;новый цикл

00077 #define CTRL_PUSK AKK_Z_R,1 ;надо контролировать аварийные ситуации

00078 #define AKK_ERR AKK_Z_R,2 ;напряжение выше 4,5В или ниже 2,5В

00079 ;мигает все цифры

00080 #define ADC_AVAR AKK_Z_R,3 ;было пропадание контакта, остановить измерение

00081 #define ZAR_1_2 AKK_Z_R,4 ;1 зарядка или последняя (0 = 1 зар.)

00082 #define ZAR_RAZ AKK_Z_R,5 ;канал заряжается =0 или разряжается =1

00083 #define ZAR_END AKK_Z_R,6 ;полное окончание цикла (1=конец)

00084

00085 #define SEG1_MIG IND_MIG,0 ;мигает 1 сегмент (1 этап - зарядка)

00086 #define SEG2_MIG IND_MIG,1 ;мигает 2 сегмент (2 этап - разрядка)

00087 #define SEG3_MIG IND_MIG,2 ;мигает 3 сегмент (3 этап - зарядка)

00088 ;аварийная ситуация - напряжение превысило 4,5В или понизилось ниже 2,5В

00089 #define SEG_MIG IND_MIG,3 ;мигание цифры (горит/не горит)

00090

00091 #define ZARAD P_A_COPY,5 ;вывод включения зарядки

00092 #define RAZRAD P_A_COPY,4 ;вывод включения разрядки

00093 #define V_PIT PORTB,5 ;контроль сети

00094 #define KN_PUSK PORTB,7 ;кнопка пуск

00095 #define KN_Z_R PORTB,6 ;кнопка переключения показаний ёмкости

00096 ;------------------------------------------------------------------

00097 ;Временные константы: конст.= (T / 50,17) + 1, где Т нужное время в "мс"

00000028 00098 O_CLR_KN EQU D'40' ;макс. время на нажатие кнопки 1с

00000002 00099 O_ON_KN EQU D'2' ;мин. время в нажатом состоянии кнопки 0,1с

00000004 00100 O_OFF_KN EQU D'4' ;мин. время после которого кнопка считается отпущен 0,2с

00000031 00101 O_TIM_DEL EQU D'49' ;дополнительный делитель таймера

000000F0 00102 O_EMK EQU D'240' ;увеличение ёмкости на 1мА/ч каждые 12с

00000014 00103 O_AVAR EQU D'20' ;

MPASM 5.03 ZY_LIT.ASM 11-12-2006 19:18:31 PAGE 3OBJECT CODE LINE SOURCE TEXT

VALUE

00104 O_NEXT EQU D'40'

00105

00000007 00106 O_TIM_03S EQU D'7' ;время тире и паузы м/у буквами при сигнале SOS

0000000F 00107 O_TIM_07S EQU D'15' ;для мигания цифр 0,7с и пауза м/у словами

00000002 00108 O_TIM_01S EQU D'2' ;время короткого пика и пробела м/у точками или тире SOS

00000014 00109 O_TIM_1S EQU D'20' ;

00110

00000008 00111 O_PI_4 EQU D'8' ;кол-во пиков и пауз м/у ними в сумме м/у циклами

0000000A 00112 O_PI_5 EQU D'10' ;кол-во пиков и пауз м/у ними в сумме в конце всего цикла

00000003 00113 O_PI_SOS EQU D'3' ;кол-во пиков в любой букве SOS = 3

00114

00115 ;константы для напр. из расчёта что ИОН = 5В и используется 8 бит АЦП

00000080 00116 O_MIN_V EQU D'128' ;минимальное напряжение на канале (2,5В)

000000E6 00117 O_MAX_V EQU D'230' ;максимальное напряжение на канале (4,5В)

0000008A 00118 O_V_RAZRAD EQU D'138' ;минимальное напр. до которого надо разряжать 2,7В

000000DB 00119 O_V_ZARAD EQU D'219' ;максимальное напр. до которого надо заряжать 4,3В

00120

00121 ;==========================================================

00122

00123 BANK0 MACRO

00124 BCF STATUS,RP1

00125 BCF STATUS,RP0

00126 ENDM

00127 ;

00128 BANK1 MACRO

00129 BSF STATUS,RP0

00130 BCF STATUS,RP1

00131 ENDM

00132 ;

00133 BANK2 MACRO

00134 BSF STATUS,RP1

00135 BCF STATUS,RP0

00136 ENDM

00137 ;

00138 BANK3 MACRO

00139 BSF STATUS,RP1

00140 BSF STATUS,RP0

00141 ENDM

00142 ;

00143 ORG 0

0000 283E 00144 GOTO START ;ссылка на основную программу

00145 ;====================================================================

00146 ORG 5

00147 ;==========================================================================

00148 ;====================== ДИНАМИЧЕСКАЯ ИНДИКАЦИЯ ============================

00149 ;==========================================================================

00150 INDIK ;прогр. вывода на индикатор

0AB0 00151 INCF FSR_2,F ;переходим к след выводимому элементу

0830 00152 MOVFW FSR_2

0084 00153 MOVWF FSR

00154

300B 00155 MOVLW B'00001011' ;гасим все аноды

0009 04B1 00156 IORWF P_C_COPY,F5.03 ZY_LIT.ASM 11-12-2006 19:18:31 PAGE 4OBJECT CODE LINE SOURCE TEXT

VALUE

000A 22D5 00157 CALL COPY_C ;выводим всё это

B 1A34 00158 BTFSC SAVE_YES ;если питание пропало, то оставляем всё погасшим

C 2933 00159 GOTO INDIK_OUT ;выходим

D 3020 00160 MOVLW IND_SEG1 ;выбираем на какой индикатор выводить цифру

E 0204 00161 SUBWF FSR,W

F 2026 00162 CALL ALL_AN ;согласно таблицы включаем активный анод

0010 05B1 00163 ANDWF P_C_COPY,F

00164

0800 00165 MOVFW INDF ;читаем какую нужно вывести цифру

202B 00166 CALL IND_TABL ;и в зависимости от цифры выбираем код

00BF 00167 MOVWF TEMP ;и разбиваем индикацию на 2 порта (В и С)

00168

1C31 00169 BTFSS P_C_COPY,0 ;проверяем на каком элементе находимся

2038 00170 CALL DES_POINT ;если на 1, то проверяем надо ли зажечь точку

00171 IND_CAT

301F 00172 MOVLW B'00011111' ;переносим 3 старших бита в порт С

0017 05B1 00173 ANDWF P_C_COPY,F

1ABF 00174 BTFSC TEMP,5

16B1 00175 BSF P_C_COPY,5

A 1B3F 00176 BTFSC TEMP,6

B 1731 00177 BSF P_C_COPY,6

C 1BBF 00178 BTFSC TEMP,7

D 17B1 00179 BSF P_C_COPY,7

00180

E 30E0 00181 MOVLW B'11100000' ;переносим 5 младших бита в порт B

001F 05B2 00182 ANDWF P_B_COPY,F

301F 00183 MOVLW B'00011111'

053F 00184 ANDWF TEMP,W

04B2 00185 IORWF P_B_COPY,F

00186

22D2 00187 CALL COPY_B ;на индикатор

22D5 00188 CALL COPY_C ;на индикатор

2933 00189 GOTO INDIK_OUT ;выходим

00190

00191 ALL_AN ;таблица выбора порядкового номера вывод. цифры

0026 018A 00192 CLRF PCLATH

0782 00193 ADDWF PCL,F

34FE 00194 RETLW B'11111110'

34FD 00195 RETLW B'11111101'

002A 34F7 00196 RETLW B'11110111'

00197

B 00198 IND_TABL ;таблица перевода цифры с семиэлементный код

002B 018A 00199 CLRF PCLATH

C 0782 00200 ADDWF PCL,F

D 3403 00201 retlw B'00000011' ; Цифра 0

E 349F 00202 retlw B'10011111' ; Цифра 1

F 3425 00203 retlw B'00100101' ; Цифра 2

340D 00204 retlw B'00001101' ; Цифра 3

3499 00205 retlw B'10011001' ; Цифра 4

3449 00206 retlw B'01001001' ; Цифра 5

3441 00207 retlw B'01000001' ; Цифра 6

341F 00208 retlw B'00011111' ; Цифра 7

3401 00209 retlw B'00000001' ; Цифра 85.03 ZY_LIT.ASM 11-12-2006 19:18:31 PAGE 5OBJECT CODE LINE SOURCE TEXT

VALUE

3409 00210 retlw B'00001001' ; Цифра 9

34FF 00211 retlw B'11111111' ; Пустое место (код Ah)

00212

00213 DES_POINT ;управление точкой после 1 цифры

103F 00214 BCF TEMP,0 ;вкл. диод

182A 00215 BTFSC NEW_ZAR ;цикл зарядки идёт?

A 0008 00216 RETURN ;да, значит точка не мигает

B 1DAF 00217 BTFSS SEG_MIG ;проверяем бит мигания горит или нет?

003C 143F 00218 BSF TEMP,0 ;потушить

D 0008 00219 RETURN

00220

00221 ;==========================================================

00222 ;==========================================================

E 00223 START ;инициализация всех регистров

00224 BANK1

003E 1683 M BSF STATUS,RP0

F 1303 M BCF STATUS,RP1

0040 3001 00225 MOVLW B'00000001' ;включаем подтягивающие резисторы,

0081 00226 MOVWF OPTION_REG ;делитель таймера0 (1)

0042 300F 00227 MOVLW B'00001111' ;

0085 00228 MOVWF TRISA ;

30E0 00229 MOVLW B'11100000' ;

0086 00230 MOVWF TRISB ;

0187 00231 CLRF TRISC ;

018C 00232 CLRF PIE1 ;запрещаем прерывания от периферии

0048 018D 00233 CLRF PIE2 ;запрещаем прерывания от периферии

3005 00234 MOVLW B'00000101' ;выбор тактового сигнала

A 009F 00235 MOVWF ADCON1

B 018B 00236 CLRF INTCON ;запрещаем все прерывания

C 307D 00237 MOVLW D'125' ;уст. частоту ШИМа 20кГц

004D 0092 00238 MOVWF PR2

00239 BANK3

E 1703 M BSF STATUS,RP1

F 1683 M BSF STATUS,RP0

0050 018C 00240 CLRF EECON1 ;запрет записи в программную память

00241 BANK0

1303 M BCF STATUS,RP1

1283 M BCF STATUS,RP0

0053 3041 00242 MOVLW B'01000001' ;вкл. внешнего ИОНа, выравнивание результата

009F 00243 MOVWF ADCON0 ;выбор 1 канала, вкл. модуля АЦП

0185 00244 CLRF PORTA ;установка в начальное состояние

0186 00245 CLRF PORTB ;портов А, В

0187 00246 CLRF PORTC ;порта С

0058 018C 00247 CLRF PIR1

018D 00248 CLRF PIR2

005A 0190 00249 CLRF T1CON

B 018E 00250 CLRF TMR1L

005C 018F 00251 CLRF TMR1H

D 0195 00252 CLRF CCPR1L

E 0196 00253 CLRF CCPR1H

F 0197 00254 CLRF CCP1CON ;выключение модуля ШИМ

0060 3005 00255 MOVLW B'00000101' ;включение таймера для ШИМа

0061 0092 00256 MOVWF T2CON5.03 ZY_LIT.ASM 11-12-2006 19:18:31 PAGE 6OBJECT CODE LINE SOURCE TEXT

0191 00257 CLRF TMR2

303F 00258 MOVLW D'63'

0064 0095 00259 MOVWF CCPR1L

;очищаем ячейки памяти и порты от мусора

;сначала в нулевом банке

1383 00262 BCF STATUS,IRP ;установить банк 0,1

3020 00263 MOVLW 0X20 ;указать первый регистр в ОЗУ

0084 00264 MOVWF FSR

00265 NEXT

0A84 00267 INCF FSR,F ;увеличить адрес

A 1F84 00268 BTFSS FSR,7 ;всё очистили?

B 2868 00269 GOTO NEXT ;нет, продолжить очистку

00270

00271 ;==========================================================

00272 ;========= ПРЕДВАРИТЕЛЬНАЯ УСТАНОВКА РЕГИСТРОВ

00273 ;==========================================================

C 3020 00274 MOVLW IND_SEG1 ;устанавливаем адрес 1 вывод. на индик. цифры

D 00B0 00275 MOVWF FSR_2

E 03B0 00276 DECF FSR_2,F ;коррекция, чтобы при увел на 1 иметь адрес 1 сегмента

F 1434 00277 BSF T_DREBEZG ;разрешаем кнопки

1435 00278 BSF SHORT_PI

00279 ;==========================================================

00280 ;чтение из еепромки данных до запуска

00281 BANK2

1703 M BSF STATUS,RP1

1283 M BCF STATUS,RP0

0073 018D 00282 CLRF EEADR ;читаем 1 ячейку для определения предыдущего

00283 BANK3 ;состояния - был ли прерван рабочий цикл

0074 1703 M BSF STATUS,RP1

1683 M BSF STATUS,RP0

140C 00284 BSF EECON1,RD

00285 BANK2

1703 M BSF STATUS,RP1

1283 M BCF STATUS,RP0

080C 00286 MOVFW EEDATA

00287 BANK0

A 1303 M BCF STATUS,RP1

007B 1283 M BCF STATUS,RP0

C 00AA 00288 MOVWF AKK_Z_R ;запись считанного значения в выбранный регистр

D 1C2A 00289 BTFSS NEW_ZAR ; при откл питания прервали цикл зарядки?

E 2894 00290 GOTO PUSK ;нет, начинаем сначала

00291

F 302A 00292 MOVLW AKK_Z_R ;да, восстанавливаем остальные регистры

0084 00293 MOVWF FSR

00294 READ_EEPR

1103 00295 CLRZ

302E 00296 MOVLW EMK_Z_H ;проверяем все цифры высветили?

0204 00297 SUBWF FSR,W

1903 00298 SKPNZ

2894 00299 GOTO PUSK

0086 0A84 00300 INCF FSR,F

00301 BANK25.03 ZY_LIT.ASM 11-12-2006 19:18:31 PAGE 7OBJECT CODE LINE SOURCE TEXT

VALUE

1703 M BSF STATUS,RP1

1283 M BCF STATUS,RP0

0089 0A8D 00302 INCF EEADR,F ;переход к след ячейки еепромки

00303 BANK3

A 1703 M BSF STATUS,RP1

B 1683 M BSF STATUS,RP0

C 140C 00304 BSF EECON1,RD

00305 BANK2

D 1703 M BSF STATUS,RP1

E 1283 M BCF STATUS,RP0

F 080C 00306 MOVFW EEDATA

00307 BANK0

1303 M BCF STATUS,RP1

1283 M BCF STATUS,RP0

0080 00308 MOVWF INDF

2881 00309 GOTO READ_EEPR ;нет ещё, продолжаем

00310 ;==========================================================

00311 ;==================== ГЛАВНЫЙ ЦИКЛ ПРОГРАММЫ

00312 ;==========================================================

00313 PUSK

20DE 00314 CALL PRER_KLAVA ;проверка кнопок

2128 00315 CALL TIMERS ;проверка таймеров

1C2A 00316 BTFSS NEW_ZAR ;новый цикл запущен?

2894 00317 GOTO PUSK ;нет, возврат в начало

1E86 00318 BTFSS V_PIT ;проверяем питание есть?

22DE 00319 CALL SAVE_MEM ;пропало, сохраняем текущие параметры

A 2894 00320 GOTO PUSK

00321 ;==========================================================

00322 ;============ КОНТРОЛЬ ЗАРЯДНО-РАЗРЯДНЫХ ПРОЦЕССОВ =================

00323 ;==========================================================

B 00324 CONTR_Z1 ;контроль 1 зарядки

B 142F 00325 BSF SEG1_MIG ;восстановление инфы если пропадало питание

C 16B3 00326 BSF ZARAD ;включение заряда

D 22CF 00327 CALL COPY_A ;если он был прерван аварийной ситуацией

E 1003 00328 CLRC

F 30DB 00329 MOVLW O_V_ZARAD ;проверка окончания заряда

00A0 0223 00330 SUBWF V_AKK,W ;

A1 1C03 00331 SKPC

A2 01BD 00332 CLRF TMR_NEXT

A3 0ABD 00333 INCF TMR_NEXT,F ;

00A4 3028 00334 MOVLW O_NEXT ;проверяем может хватит ?

00A5 023D 00335 SUBWF TMR_NEXT,W

A6 1D03 00336 SKPZ

A7 2963 00337 GOTO COUNT_EMK

00A8 01BD 00338 CLRF TMR_NEXT ;очищаем рабочие ячейки для след. раза

A9 16AA 00339 BSF ZAR_RAZ ;напряжение достигло 4,3В, запускаем разрядку

AA 102F 00340 BCF SEG1_MIG ;выкл. мигание 1 сегмента

AB 14AF 00341 BSF SEG2_MIG ;вкл. мигание 2 сегмента

AC 12B3 00342 BCF ZARAD ;выключаем заряд

00AD 1633 00343 BSF RAZRAD ;включаем разряд

AE 22CF 00344 CALL COPY_A

00AF 16B4 00345 BSF Z_R_PI ;уст. бит что надо 4 раза пикнуть

00B0 2963 00346 GOTO COUNT_EMK5.03 ZY_LIT.ASM 11-12-2006 19:18:31 PAGE 8OBJECT CODE LINE SOURCE TEXT

VALUE

;--------------------------------------

B1 00348 CONTR_RAZ ;контроль разрядки

B1 14AF 00349 BSF SEG2_MIG ;восстановление инфы если пропадало питание

B2 1633 00350 BSF RAZRAD ;включение разрядки

B3 22CF 00351 CALL COPY_A ;если он был прерван аварийной ситуацией

B4 1003 00352 CLRC

B5 308A 00353 MOVLW O_V_RAZRAD ;проверка окончания разрядки

B6 0223 00354 SUBWF V_AKK,W

B7 1803 00355 SKPNC

00B8 01BD 00356 CLRF TMR_NEXT

B9 0ABD 00357 INCF TMR_NEXT,F ;

00BA 3028 00358 MOVLW O_NEXT ;проверяем может хватит ?

00BB 023D 00359 SUBWF TMR_NEXT,W

BC 1D03 00360 SKPZ

BD 2963 00361 GOTO COUNT_EMK

00BE 01BD 00362 CLRF TMR_NEXT ;очищаем рабочие ячейки для след. раза

BF 12AA 00363 BCF ZAR_RAZ ;напряжение упало до 2,7В, запускаем посл. зарядку

C0 162A 00364 BSF ZAR_1_2 ;вкл. последний заряд

C1 10AF 00365 BCF SEG2_MIG ;выкл. мигание 2 сегмента

C2 152F 00366 BSF SEG3_MIG ;вкл. мигание 3 сегмента

C3 16B3 00367 BSF ZARAD ;выключаем разряд

C4 1233 00368 BCF RAZRAD ;включаем заряд

C5 22CF 00369 CALL COPY_A

C6 16B4 00370 BSF Z_R_PI ;уст. бит что надо 4 раза пикнуть

00C7 2963 00371 GOTO COUNT_EMK

00372 ;--------------------------------------

C8 00373 CONTR_Z2 ;контроль 2 зарядки

00C8 152F 00374 BSF SEG3_MIG ;восстановление инфы если пропадало питание

C9 16B3 00375 BSF ZARAD ;включение заряда

CA 22CF 00376 CALL COPY_A ;если он был прерван аварийной ситуацией

CB 1003 00377 CLRC

CC 30DB 00378 MOVLW O_V_ZARAD ;проверка окончания заряда

00CD 0223 00379 SUBWF V_AKK,W ;

CE 1C03 00380 SKPC

CF 01BD 00381 CLRF TMR_NEXT

D0 0ABD 00382 INCF TMR_NEXT,F ;

00D1 3028 00383 MOVLW O_NEXT ;проверяем может хватит ?

00D2 023D 00384 SUBWF TMR_NEXT,W

D3 1D03 00385 SKPZ

D4 2963 00386 GOTO COUNT_EMK

00D5 01BD 00387 CLRF TMR_NEXT ;очищаем рабочие ячейки для след. раза

D6 122A 00388 BCF ZAR_1_2 ;отключаем последний заряд

D7 112F 00389 BCF SEG3_MIG

D8 172A 00390 BSF ZAR_END ;уст. бит окончания всего цикла

D9 12B3 00391 BCF ZARAD ;выключаем зарядку и разрядку

00DA 1233 00392 BCF RAZRAD

DB 22CF 00393 CALL COPY_A

00DC 1734 00394 BSF END_PI ;уст. бит что надо 5 раз пикнуть

00DD 2963 00395 GOTO COUNT_EMK

00396 ;==========================================================

00397 ;======================== ОБРАБОТКА КНОПОК

00398 ;==========================================================

DE 00399 PRER_KLAVA ;проверка - какие кнопки нажали?

MPASM 5.03 ZY_LIT.ASM 11-12-2006 19:18:31 PAGE 9OBJECT CODE LINE SOURCE TEXT

VALUE

DE 0806 00400 MOVFW PORTB

DF 1C34 00401 BTFSS T_DREBEZG

E0 0008 00402 RETURN

00E1 1DB4 00403 BTFSS DR_PUSK

E2 28E8 00404 GOTO CTRL_KN

00E3 18B4 00405 BTFSC ON_KN

E4 0008 00406 RETURN

E5 1934 00407 BTFSC OFF_KN

E6 20EE 00408 CALL NEW_PUSK

E7 0008 00409 RETURN

E8 00410 CTRL_KN

E8 1C0B 00411 BTFSS INTCON,0 ;проверяем было прерывание от клавы?

00E9 0008 00412 RETURN ;нет, возвращаемся

EA 1F86 00413 BTFSS KN_PUSK ;проверяем какая кнопка

00EB 15B4 00414 BSF DR_PUSK ;

EC 1034 00415 BCF T_DREBEZG

ED 0008 00416 RETURN

00417 ;-----------------------

EE 00418 NEW_PUSK ;запуск нового цикла (нажали пуск)

00EE 11B4 00419 BCF DR_PUSK

EF 1134 00420 BCF OFF_KN

00F0 18AA 00421 BTFSC CTRL_PUSK ;а может новый цикл уже запущен?

F1 28FB 00422 GOTO ZAR_STOP ;значит надо остановить цикл

F2 14AA 00423 BSF CTRL_PUSK ;нажали пуск можно контролировать аварии

F3 2110 00424 CALL CONTR_AKK

F4 19AA 00425 BTFSC ADC_AVAR ;а может аккумулятор переполюсован или не вставлен?

F5 0008 00426 RETURN ;да, выход

F6 142A 00427 BSF NEW_ZAR ;запуск нового цикла

F7 16B3 00428 BSF ZARAD ;запускем зарядку

F8 22CF 00429 CALL COPY_A

F9 142F 00430 BSF SEG1_MIG ;включаем мигание 1 сегмента

FA 0008 00431 RETURN

00432 ;--------------------------------------------------------------------

FB 00433 ZAR_STOP ;полный останов цикла с очисткой всех регистров

FB 12B3 00434 BCF ZARAD ;выключаем зарядку и разрядку

00FC 1233 00435 BCF RAZRAD

FD 22CF 00436 CALL COPY_A

00FE 01AB 00437 CLRF EMK_R_L

00FF 01AC 00438 CLRF EMK_R_H

01AD 00439 CLRF EMK_Z_L

01AE 00440 CLRF EMK_Z_H

01AA 00441 CLRF AKK_Z_R

01BA 00442 CLRF TMR_ZAR

01BB 00443 CLRF TMR_PI

01BE 00444 CLRF COUNT_PI

102F 00445 BCF SEG1_MIG

10AF 00446 BCF SEG2_MIG

112F 00447 BCF SEG3_MIG

300F 00448 MOVLW B'00001111'

A 05B4 00449 ANDWF FLAG_ALL,F

B 01B5 00450 CLRF BIT_SOS

C 0197 00451 CLRF CCP1CON

D 1435 00452 BSF SHORT_PI5.03 ZY_LIT.ASM 11-12-2006 19:18:31 PAGE 10OBJECT CODE LINE SOURCE TEXT

VALUE

E 22D8 00453 CALL STOP_EEPR ;записываем в епромку, что при след. вкл. питания

F 0008 00454 RETURN ;восстанавливать никакие данные не надо

00455

00456 ;==========================================================

00457 ;========== КОНТРОЛЬ НАЛИЧИЯ И НАПРЯЖЕНИЯ АККУМУЛЯТОРА =======

00458 ;==========================================================

00459 CONTR_AKK ;измерение напряжения аккумулятора

2121 00460 CALL ADC_V ;собственно измерение напр.

152A 00461 BSF AKK_ERR ;пред. установка перед новой записью

1003 00462 CLRC

3080 00463 MOVLW O_MIN_V ;проверяем корректность напряжений в ячейке

0223 00464 SUBWF V_AKK,W ;т.е. находится ли измеренное напряжение

1C03 00465 SKPC ;в заданном диапазоне - 2,5...4,5В ?

0116 291C 00466 GOTO TIM_ERR

1003 00467 CLRC

30E6 00468 MOVLW O_MAX_V

0119 0223 00469 SUBWF V_AKK,W ;

A 1C03 00470 SKPC

011B 112A 00471 BCF AKK_ERR ;напряжение на аккумуляторе в заданном диапозоне

011C 00472 TIM_ERR

C 1D2A 00473 BTFSS AKK_ERR

011D 0008 00474 RETURN

E 15AA 00475 BSF ADC_AVAR

F 01BD 00476 CLRF TMR_NEXT

0120 0008 00477 RETURN

00478 ;------------------------------

00479 ADC_V ;собственно измерение,

2299 00480 CALL DELAY_10 ;задержка для зарядки C'hold

151F 00481 BSF ADCON0,GO ;старт преобразования

00482 ADC_GO

191F 00483 BTFSC ADCON0,GO ;проверка окончания преобразования

2923 00484 GOTO ADC_GO

081E 00485 MOVFW ADRESH ;заносим только старший байт в память

0126 00A3 00486 MOVWF V_AKK ;

0008 00487 RETURN

00488

00489 ;==========================================================

00490 ;======== КОНТРОЛЬ ВСЕХ ВРЕМЕННЫХ ЦИКЛОВ (ТАЙМЕРОВ) ===============

00491 ;==========================================================

00492 TIMERS ;контроль таймеров

1D0B 00493 BTFSS INTCON,2 ;проверяем таймер_0 сработал?

0008 00494 RETURN ;нет еще, возвр на место

A 110B 00495 BCF INTCON,2 ;сработал, сбрасываем что он сработал

B 3022 00496 MOVLW IND_SEG3 ;проверяем все цифры высветили?

C 0230 00497 SUBWF FSR_2,W

D 1D03 00498 SKPZ

E 2805 00499 GOTO INDIK ;нет ещё, продолжаем

F 3020 00500 MOVLW IND_SEG1 ;все высветили, переходим к 1 цифре

00B0 00501 MOVWF FSR_2

03B0 00502 DECF FSR_2,F

2805 00503 GOTO INDIK ;прога индикации

00504

00505 INDIK_OUT ;СЮДА ВЫХОДИМ ИЗ ИНДИКАЦИИ

MPASM 5.03 ZY_LIT.ASM 11-12-2006 19:18:31 PAGE 11OBJECT CODE LINE SOURCE TEXT

VALUE

0AB6 00506 INCF TMR_TIM_DEL,F ; увел кол-во срабатываний таймера

1103 00507 CLRZ

3031 00508 MOVLW O_TIM_DEL ;проверяем пора перейти к обработке

0236 00509 SUBWF TMR_TIM_DEL,W ;временных данных?

1D03 00510 SKPZ

0008 00511 RETURN ;нет ещё рано (мало срабатываний таймера)

01B6 00512 CLRF TMR_TIM_DEL ;очищаем для след раза

00513

00514 ;------------------ СЮДА ВЫХОДИМ КАЖДЫЕ 50,17мс ------------

A 1CAA 00515 BTFSS CTRL_PUSK ;новый цикл запущен?

B 2940 00516 GOTO CLR_SOS ;нет, значит SOS не надо запускать при аварии

C 1D2A 00517 BTFSS AKK_ERR ;новый цикл запущен - аварийные ситуации есть?

D 2940 00518 GOTO CLR_SOS

E 21F5 00519 CALL SOS ;да, запускаем сигнал SOS

013F 294D 00520 GOTO TIM_50MS

00521 CLR_SOS

01B5 00522 CLRF BIT_SOS

1435 00523 BSF SHORT_PI

0142 1AB4 00524 BTFSC Z_R_PI

294D 00525 GOTO TIM_50MS

0144 1B34 00526 BTFSC END_PI

294D 00527 GOTO TIM_50MS

01BE 00528 CLRF COUNT_PI

01BB 00529 CLRF TMR_PI

0148 13B4 00530 BCF PAUSE_PI

1EB4 00531 BTFSS Z_R_PI ;было окончание 1 заряда или разряда?

A 0197 00532 CLRF CCP1CON ;и выключаем пищалку

B 1F34 00533 BTFSS END_PI ;было окончание всех циклов?

C 0197 00534 CLRF CCP1CON ;и выключаем пищалку

D 00535 TIM_50MS

D 225B 00536 CALL IND_EMK ;подготовка данных к выводу на индикатор

E 2198 00537 CALL TIM_MIG ;проверяем прогу мигания (вкл/выкл цифру)

F 1C34 00538 BTFSS T_DREBEZG ;проверка можно нажим. кнопки?

2168 00539 CALL DREBEZG ;обработка дребезга кнопок

1AB4 00540 BTFSC Z_R_PI ;было окончание 1 заряда или разряда?

21C4 00541 CALL ALARM_4 ;надо издать 4 коротких пика

1B34 00542 BTFSC END_PI ;было окончание всех циклов?

21DC 00543 CALL ALARM_5 ;надо издать 5 длинных пика

19AA 00544 BTFSC ADC_AVAR ;

21BA 00545 CALL TIM_AVAR ;

1C2A 00546 BTFSS NEW_ZAR ;новый цикл запущен?

0008 00547 RETURN

2110 00548 CALL CONTR_AKK ;контроль напряжения на аккумуляторе

A 1B2A 00549 BTFSC ZAR_END ;весь цикл пройден?

B 0008 00550 RETURN

C 19AA 00551 BTFSC ADC_AVAR ;напряжение вышло за допустимые рамки 2,5В и 4,5В ?

D 0008 00552 RETURN

E 1AAA 00553 BTFSC ZAR_RAZ ;зарядка идёт или разрядка?

F 28B1 00554 GOTO CONTR_RAZ ;переод к контролю разрядного цикла

1A2A 00555 BTFSC ZAR_1_2 ;идёт 1 зарядка или последняя?

28C8 00556 GOTO CONTR_Z2 ;переходим к последней зарядке

289B 00557 GOTO CONTR_Z1 ;переходим к 1 зарядке

0163 00558 COUNT_EMK5.03 ZY_LIT.ASM 11-12-2006 19:18:31 PAGE 12OBJECT CODE LINE SOURCE TEXT

VALUE

1AAA 00559 BTFSC ZAR_RAZ ;и подсчёт ёмкостей заряда или разряда

29A4 00560 GOTO IZM_EMK_RAZ ;в зависимости от того что щас идёт - зар/разр.

0165 1A2A 00561 BTFSC ZAR_1_2

29AF 00562 GOTO IZM_EMK_ZAR

0008 00563 RETURN

00564 ;--------------------------------------------------------------------

00565 DREBEZG ;устранение дребезга кнопок

0AB9 00566 INCF TMR_CLR_KN,F ;увел время прошедшее после отпускания кнопки

3028 00567 MOVLW O_CLR_KN ;проверяем может хватит блокировать кнопки?

016A 0239 00568 SUBWF TMR_CLR_KN,W

016B 1D03 00569 SKPZ

C 2974 00570 GOTO T_KN ;нет, рано разблокировать

016D 10B4 00571 BCF ON_KN

E 1134 00572 BCF OFF_KN

F 11B4 00573 BCF DR_PUSK

1434 00574 BSF T_DREBEZG ;хватит блокировать включаем кнопки

0171 01B8 00575 CLRF TMR_DREBEZG ;очищаем рабочие ячейки для след раза

01B9 00576 CLRF TMR_CLR_KN ;очищаем рабочие ячейки для след раза

0173 0008 00577 RETURN

00578 T_KN

18B4 00579 BTFSC ON_KN

2986 00580 GOTO T_KN_OFF

00581 T_KN_ON

1F86 00582 BTFSS KN_PUSK ;если кнопка ещё нажата

297A 00583 GOTO $+3

01B8 00584 CLRF TMR_DREBEZG ;срабатывание кнопки, начать отсчёт заново

0008 00585 RETURN

A 180B 00586 BTFSC INTCON,0

017B 01B8 00587 CLRF TMR_DREBEZG ;срабатывание кнопки, начать отсчёт заново

C 100B 00588 BCF INTCON,0

D 0AB8 00589 INCF TMR_DREBEZG,F ;увел время прошедшее после отпускания кнопки

E 3002 00590 MOVLW O_ON_KN ;проверяем может хватит блокировать кнопки?

F 0238 00591 SUBWF TMR_DREBEZG,W

1D03 00592 SKPZ

14B4 00594 BSF ON_KN

01B8 00595 CLRF TMR_DREBEZG ;очищаем рабочие ячейки для след раза

01B9 00596 CLRF TMR_CLR_KN ;очищаем рабочие ячейки для след раза

0008 00597 RETURN

00598 T_KN_OFF

1B86 00599 BTFSC KN_PUSK ;если кнопка ещё нажата

298A 00600 GOTO $+3

01B8 00601 CLRF TMR_DREBEZG ;срабатывание кнопки, начать отсчёт заново

0189 0008 00602 RETURN

A 180B 00603 BTFSC INTCON,0

018B 01B8 00604 CLRF TMR_DREBEZG ;срабатывание кнопки, начать отсчёт заново

C 100B 00605 BCF INTCON,0

D 0AB8 00606 INCF TMR_DREBEZG,F ;увел время прошедшее после отпускания кнопки

E 3004 00607 MOVLW O_OFF_KN ;проверяем может хватит блокировать кнопки?

F 0238 00608 SUBWF TMR_DREBEZG,W

1D03 00609 SKPZ

0008 00610 RETURN ;нет, рано разблокировать

10B4 00611 BCF ON_KN

MPASM 5.03 ZY_LIT.ASM 11-12-2006 19:18:31 PAGE 13OBJECT CODE LINE SOURCE TEXT

VALUE

1534 00612 BSF OFF_KN

1434 00613 BSF T_DREBEZG ;хватит блокировать включаем кнопки

0195 01B8 00614 CLRF TMR_DREBEZG ;очищаем рабочие ячейки для след раза

01B9 00615 CLRF TMR_CLR_KN ;очищаем рабочие ячейки для след раза

0008 00616 RETURN

00617 ;-------------------------------------------------------------------

00618 TIM_MIG

0AB7 00619 INCF TMR_DIOD,F ;увел время после последнего переключения

3007 00620 MOVLW O_TIM_03S ;проверяем надо сделать переключение

A 0237 00621 SUBWF TMR_DIOD,W ;сегмента индикатора

B 1D03 00622 SKPZ

C 0008 00623 RETURN ;нет, рано

D 01B7 00624 CLRF TMR_DIOD ;очищаем рабочие ячейки для след раза

E 1DAF 00625 BTFSS SEG_MIG ;пора, проверка сегмент горел?

F 29A2 00626 GOTO $+3 ;нет, переходим к его зажиганию

A0 11AF 00627 BCF SEG_MIG ;горел значит гасим его

01A1 29A3 00628 GOTO $+2

A2 15AF 00629 BSF SEG_MIG ;зажигаем сегмент

01A3 0008 00630 RETURN

00631 ;--------------------------------------------------------------------

A4 00632 IZM_EMK_RAZ ;измерение ёмкости при разряде

A4 0ABA 00633 INCF TMR_ZAR,F ;ждём 12сек и прибавляем 1 мА/ч

01A5 1103 00634 CLRZ

A6 30F0 00635 MOVLW O_EMK ;

01A7 023A 00636 SUBWF TMR_ZAR,W

A8 1D03 00637 SKPZ

A9 0008 00638 RETURN

01AA 01BA 00639 CLRF TMR_ZAR ;очищаем рабочие ячейки для след. раза

AB 0FAB 00640 INCFSZ EMK_R_L,F ;увеличение насчитанной ёмкости

01AC 0008 00641 RETURN

AD 0AAC 00642 INCF EMK_R_H,F

AE 0008 00643 RETURN

00644 ;--------------------------------------------------------------------

AF 00645 IZM_EMK_ZAR ;измерение ёмкости при заряде

AF 0ABA 00646 INCF TMR_ZAR,F ;ждём 12сек и прибавляем 1 мА/ч

01B0 1103 00647 CLRZ

B1 30F0 00648 MOVLW O_EMK ;

01B2 023A 00649 SUBWF TMR_ZAR,W

B3 1D03 00650 SKPZ

B4 0008 00651 RETURN

B5 01BA 00652 CLRF TMR_ZAR ;очищаем рабочие ячейки для след. раза

01B6 0FAD 00653 INCFSZ EMK_Z_L,F ;увеличение насчитанной ёмкости

01B7 0008 00654 RETURN

B8 0AAE 00655 INCF EMK_Z_H,F

B9 0008 00656 RETURN

00657 ;--------------------------------------------------------------------

BA 00658 TIM_AVAR ;

BA 192A 00659 BTFSC AKK_ERR

BB 01BC 00660 CLRF TMR_AVAR

BC 0ABC 00661 INCF TMR_AVAR,F ;увел время

01BD 3014 00662 MOVLW O_AVAR ;проверяем может хватит ?

01BE 023C 00663 SUBWF TMR_AVAR,W

BF 1D03 00664 SKPZ5.03 ZY_LIT.ASM 11-12-2006 19:18:31 PAGE 14OBJECT CODE LINE SOURCE TEXT

VALUE

C0 0008 00665 RETURN

C1 11AA 00666 BCF ADC_AVAR ;

01C2 01BC 00667 CLRF TMR_AVAR ;очищаем рабочие ячейки для след. раза

C3 0008 00668 RETURN

00669 ;------------------------------------------------------------------

C4 00670 ALARM_4 ;4 коротких пика после очередного под-цикла

C4 0ABB 00671 INCF TMR_PI,F ;увел время пика или паузы

C5 3007 00672 MOVLW O_TIM_03S ;проверяем может хватит?

01C6 023B 00673 SUBWF TMR_PI,W

C7 1D03 00674 SKPZ

C8 0008 00675 RETURN

C9 01BB 00676 CLRF TMR_PI ;очищаем рабочие ячейки для след. раза

01CA 1FB4 00677 BTFSS PAUSE_PI ;пора переключится, включим пищалку или выключим?

CB 29CF 00678 GOTO $+4 ;

CC 13B4 00679 BCF PAUSE_PI ;выключим

CD 0197 00680 CLRF CCP1CON

CE 29D2 00681 GOTO $+4

CF 17B4 00682 BSF PAUSE_PI ;включим

D0 300C 00683 MOVLW B'00001100'

D1 0097 00684 MOVWF CCP1CON

D2 0ABE 00685 INCF COUNT_PI,F ;считаем сколько было пиков и пауз в сумме

D3 3008 00686 MOVLW O_PI_4 ;должно быть 4 пика + 3 паузы = 7

01D4 023E 00687 SUBWF COUNT_PI,W

D5 1D03 00688 SKPZ

D6 0008 00689 RETURN

D7 12B4 00690 BCF Z_R_PI ;всё пропикали,

01D8 01BE 00691 CLRF COUNT_PI ;сбрасываем задействованные регистры

D9 13B4 00692 BCF PAUSE_PI

DA 0197 00693 CLRF CCP1CON ;и выключаем пищалку

DB 0008 00694 RETURN

00695 ;------------------------------------------------------------------

DC 00696 ALARM_5 ;5 длинных пика после окончания всего цикла

DC 12B4 00697 BCF Z_R_PI

DD 0ABB 00698 INCF TMR_PI,F ;увел время пика или паузы

DE 3014 00699 MOVLW O_TIM_1S ;проверяем может хватит?

01DF 023B 00700 SUBWF TMR_PI,W

E0 1D03 00701 SKPZ

E1 0008 00702 RETURN

E2 01BB 00703 CLRF TMR_PI ;очищаем рабочие ячейки для след. раза

01E3 1FB4 00704 BTFSS PAUSE_PI ;пора переключится, включим пищалку или выключим?

01E4 29E8 00705 GOTO $+4 ;

E5 13B4 00706 BCF PAUSE_PI ;выключим

01E6 0197 00707 CLRF CCP1CON

E7 29EB 00708 GOTO $+4

01E8 17B4 00709 BSF PAUSE_PI ;включим

01E9 300C 00710 MOVLW B'00001100'

EA 0097 00711 MOVWF CCP1CON

01EB 0ABE 00712 INCF COUNT_PI,F ;считаем сколько было пиков и пауз в сумме

EC 300A 00713 MOVLW O_PI_5 ;должно быть 4 пика + 3 паузы = 7

01ED 023E 00714 SUBWF COUNT_PI,W

EE 1D03 00715 SKPZ

EF 0008 00716 RETURN

F0 1334 00717 BCF END_PI ;всё пропикали, 5.03 ZY_LIT.ASM 11-12-2006 19:18:31 PAGE 15OBJECT CODE LINE SOURCE TEXT

VALUE

F1 01BE 00718 CLRF COUNT_PI ;сбрасываем задействованные регистры

F2 13B4 00719 BCF PAUSE_PI

F3 0197 00720 CLRF CCP1CON ;и выключаем пищалку

F4 0008 00721 RETURN

00722 ;-----------------------------------------------------------------

F5 00723 SOS ;подача сигнала SOS

01F5 1835 00724 BTFSC SHORT_PI

F6 2A00 00725 GOTO T_SHORT_PI

F7 18B5 00726 BTFSC SHORT_PS

F8 2A1C 00727 GOTO T_SHORT_PS

F9 19B5 00728 BTFSC LONG_PI

FA 2A2E 00729 GOTO T_LONG_PI

FB 1935 00730 BTFSC LONG_PS

FC 2A41 00731 GOTO T_LONG_PS

FD 1A35 00732 BTFSC PAUSE_SL

FE 2A50 00733 GOTO T_PAUSE_SL

FF 0008 00734 RETURN

00735 ;---------------------------------------

00736 T_SHORT_PI

300C 00737 MOVLW B'00001100'

0097 00738 MOVWF CCP1CON

0ABB 00739 INCF TMR_PI,F ;увел время пика

0203 3002 00740 MOVLW O_TIM_01S ;проверяем может хватит?

0204 023B 00741 SUBWF TMR_PI,W

1D03 00742 SKPZ

0206 0008 00743 RETURN

01BB 00744 CLRF TMR_PI ;очищаем рабочие ячейки для след. раза

0208 0197 00745 CLRF CCP1CON

1035 00746 BCF SHORT_PI

A 14B5 00747 BSF SHORT_PS

020B 0ABE 00748 INCF COUNT_PI,F ;считаем сколько было пиков

020C 3003 00749 MOVLW O_PI_SOS ;

020D 023E 00750 SUBWF COUNT_PI,W

E 1D03 00751 SKPZ

F 0008 00752 RETURN

10B5 00753 BCF SHORT_PS

0211 01BE 00754 CLRF COUNT_PI ;сбрасываем задействованные регистры

0212 16B5 00755 BSF SIMVOL_S1

1F35 00756 BTFSS SIMVOL_O

2A19 00757 GOTO NEXT_O

12B5 00758 BCF SIMVOL_S1

1335 00759 BCF SIMVOL_O

1635 00760 BSF PAUSE_SL

0008 00761 RETURN

00762 NEXT_O

1535 00763 BSF LONG_PS

A 1635 00764 BSF PAUSE_SL

B 0008 00765 RETURN

00766 ;-------------------------------

C 00767 T_SHORT_PS

C 0ABB 00768 INCF TMR_PI,F ;увел время паузы

021D 3002 00769 MOVLW O_TIM_01S ;проверяем может хватит?

E 023B 00770 SUBWF TMR_PI,W

MPASM 5.03 ZY_LIT.ASM 11-12-2006 19:18:31 PAGE 16OBJECT CODE LINE SOURCE TEXT

VALUE

F 1D03 00771 SKPZ

0008 00772 RETURN

01BB 00773 CLRF TMR_PI ;очищаем рабочие ячейки для след. раза

300C 00774 MOVLW B'00001100'

0097 00775 MOVWF CCP1CON

10B5 00776 BCF SHORT_PS

15B5 00777 BSF LONG_PI

1AB5 00778 BTFSC SIMVOL_S1

2A2B 00779 GOTO $+4

1435 00780 BSF SHORT_PI

11B5 00781 BCF LONG_PI

A 0008 00782 RETURN

B 1F35 00783 BTFSS SIMVOL_O

C 0008 00784 RETURN

D 2A28 00785 GOTO $-5

00786 ;--------------------------------

E 00787 T_LONG_PI

E 0ABB 00788 INCF TMR_PI,F ;увел время

022F 3007 00789 MOVLW O_TIM_03S ;проверяем может хватит?

0230 023B 00790 SUBWF TMR_PI,W

1D03 00791 SKPZ

0232 0008 00792 RETURN

01BB 00793 CLRF TMR_PI ;очищаем рабочие ячейки для след. раза

0234 0197 00794 CLRF CCP1CON

11B5 00795 BCF LONG_PI

14B5 00796 BSF SHORT_PS

0ABE 00797 INCF COUNT_PI,F ;считаем сколько было пиков

3003 00798 MOVLW O_PI_SOS ;

023E 00799 SUBWF COUNT_PI,W

A 1D03 00800 SKPZ

B 0008 00801 RETURN

023C 10B5 00802 BCF SHORT_PS

D 01BE 00803 CLRF COUNT_PI ;сбрасываем задействованные регистры

023E 1535 00804 BSF LONG_PS

F 1735 00805 BSF SIMVOL_O

0008 00806 RETURN

00807 ;-------------------------------

00808 T_LONG_PS

0ABB 00809 INCF TMR_PI,F ;увел время паузы

0242 3007 00810 MOVLW O_TIM_03S ;проверяем может хватит?

0243 023B 00811 SUBWF TMR_PI,W

1D03 00812 SKPZ

0245 0008 00813 RETURN

01BB 00814 CLRF TMR_PI ;очищаем рабочие ячейки для след. раза

0247 300C 00815 MOVLW B'00001100'

0097 00816 MOVWF CCP1CON

1135 00817 BCF LONG_PS

A 1435 00818 BSF SHORT_PI

B 1B35 00819 BTFSC SIMVOL_O

C 0008 00820 RETURN

D 1035 00821 BCF SHORT_PI

E 15B5 00822 BSF LONG_PI

F 0008 00823 RETURN5.03 ZY_LIT.ASM 11-12-2006 19:18:31 PAGE 17OBJECT CODE LINE SOURCE TEXT

VALUE

;-------------------------------

00825 T_PAUSE_SL

0ABB 00826 INCF TMR_PI,F ;увел время паузы

0251 300F 00827 MOVLW O_TIM_07S ;проверяем может хватит?

0252 023B 00828 SUBWF TMR_PI,W

1D03 00829 SKPZ

0254 0008 00830 RETURN

01BB 00831 CLRF TMR_PI ;очищаем рабочие ячейки для след. раза

300C 00832 MOVLW B'00001100'

0097 00833 MOVWF CCP1CON

1235 00834 BCF PAUSE_SL

0259 1435 00835 BSF SHORT_PI

A 0008 00836 RETURN

00837

00838 ;==========================================================

00839 ;======== ПОДГОТОВКА К ВЫВОДУ ВЫБРАННОЙ ИНФЫ НА ИНДИКАТОР =========

00840 ;==========================================================

B 00841 IND_EMK

B 082B 00842 MOVFW EMK_R_L ;преобразование ёмкости разряда из

C 00C2 00843 MOVWF BIT_L ;двоичной формы в десятичную для вывода на

D 082C 00844 MOVFW EMK_R_H ;индикатор

025E 00C1 00845 MOVWF BIT_H

F 229E 00846 CALL BC2_BCD

3024 00847 MOVLW EMK_R_1K

0084 00848 MOVWF FSR

0262 2290 00849 CALL VX_BCD

00850 ;-----------------------

082D 00851 MOVFW EMK_Z_L ;преобразование ёмкости заряда из

00C2 00852 MOVWF BIT_L ;двоичной формы в десятичную для вывода на

082E 00853 MOVFW EMK_Z_H ;индикатор

0266 00C1 00854 MOVWF BIT_H

229E 00855 CALL BC2_BCD

3027 00856 MOVLW EMK_Z_1K

0084 00857 MOVWF FSR

A 2290 00858 CALL VX_BCD

00859 ;==========================================================

026B 1F06 00860 BTFSS KN_Z_R ;нажата ли кнопка заряда?

C 2A71 00861 GOTO $+5 ;если да, то показываем ёмкость заряда

D 3024 00862 MOVLW EMK_R_1K ;запоминаем первую выводимую цифру

E 0084 00863 MOVWF FSR

F 2287 00864 CALL V_SEG ;запуск прогу распредел. цифр по сегментам

2A75 00865 GOTO KOD_MIG

3027 00866 MOVLW EMK_Z_1K ;запоминаем первую выводимую цифру

0084 00867 MOVWF FSR

2287 00868 CALL V_SEG ;запуск прогу распредел. цифр по сегментам

2A75 00869 GOTO KOD_MIG

00870

00871 KOD_MIG ;проверка какие сегменты мигают

300A 00872 MOVLW 0XA ;код тушения цифры во время мигания

19AF 00873 BTFSC SEG_MIG ;должны ли щас гореть мигающие сегменты?

0008 00874 RETURN ;да, всё должно гореть

182F 00875 BTFSC SEG1_MIG ;нет, проверяем какой сегмент не должен гореть?

00A0 00876 MOVWF IND_SEG1 ;и гасим его.

MPASM 5.03 ZY_LIT.ASM 11-12-2006 19:18:31 PAGE 18OBJECT CODE LINE SOURCE TEXT

VALUE

A 18AF 00877 BTFSC SEG2_MIG

B 00A1 00878 MOVWF IND_SEG2

C 192F 00879 BTFSC SEG3_MIG

D 00A2 00880 MOVWF IND_SEG3

E 1CAA 00881 BTFSS CTRL_PUSK

F 0008 00882 RETURN

0280 192A 00883 BTFSC AKK_ERR ;проверяем сработала 1 аварийная ситуация?

0281 2A83 00884 GOTO GASHEN_IND

0008 00885 RETURN ;просто выходим

0283 00886 GASHEN_IND ;гашение всех цифр

00A0 00887 MOVWF IND_SEG1 ;и гасим его.

00A1 00888 MOVWF IND_SEG2 ;и гасим его.

00A2 00889 MOVWF IND_SEG3 ;и гасим его.

0008 00890 RETURN

00891 ;--------------------------------------------------------------------------

00892 V_SEG ;перенос выбранной ёмкости в сегменты индикатора

0287 0800 00893 MOVFW INDF

00A0 00894 MOVWF IND_SEG1

0A84 00895 INCF FSR,F

A 0800 00896 MOVFW INDF

B 00A1 00897 MOVWF IND_SEG2

C 0A84 00898 INCF FSR,F

D 0800 00899 MOVFW INDF

E 00A2 00900 MOVWF IND_SEG3

028F 0008 00901 RETURN

00902 ;-------------------------

00903 VX_BCD ;перенос результата преобразования

0846 00904 MOVFW SEG_1K ;из временных ячеек в выбранные

0291 0080 00905 MOVWF INDF

0A84 00906 INCF FSR,F

0845 00907 MOVFW SEG_100

0080 00908 MOVWF INDF

0A84 00909 INCF FSR,F

0844 00910 MOVFW SEG_10

0080 00911 MOVWF INDF

0008 00912 RETURN

00913 ;==========================================================

00914 ;============ СЛУЖЕБНЫЕ ПОДПРОГРАММЫ =========================

00915 ;==========================================================

00916 DELAY_10 ;задержка на 10мкс

0299 3006 00917 MOVLW D'6'

A 00C0 00918 MOVWF fCOUNTER

B 00919 D_LOOP10

B 0BC0 00920 decfsz fCOUNTER,F

C 2A9B 00921 goto D_LOOP10

D 0008 00922 RETURN

00923 ;========================================================================

00924 ;Программа преобразования bc в bcd. 16-разрядные данные

029E 00925 BC2_BCD ; Takes number in BIT_H:BIT_L

00926 ; Returns decimal in

00927 ; SEG_1K0:SEG_1K:SEG_100:SEG_10:SEG_1

00928

E 0E41 00929 swapf BIT_H,w

MPASM 5.03 ZY_LIT.ASM 11-12-2006 19:18:31 PAGE 19OBJECT CODE LINE SOURCE TEXT

F 38F0 00930 IORLW b'11110000'

A0 00C6 00931 movwf SEG_1K

A1 07C6 00932 addwf SEG_1K,f

A2 3EE2 00933 addlw 0xE2

A4 3E32 00935 addlw 0x32

A5 00C3 00936 movwf SEG_1

00937

A6 0841 00938 movf BIT_H,w

A7 390F 00939 andlw 0x0F

A8 07C5 00940 addwf SEG_100,f

A9 07C5 00941 addwf SEG_100,f

AA 07C3 00942 addwf SEG_1,f

AB 3EE9 00943 addlw 0xE9

AC 00C4 00944 movwf SEG_10

AD 07C4 00945 addwf SEG_10,f

AE 07C4 00946 addwf SEG_10,f

00947

AF 0E42 00948 swapf BIT_L,w

02B0 390F 00949 andlw 0x0F

B1 07C4 00950 addwf SEG_10,f

B2 07C3 00951 addwf SEG_1,f

00952

B3 0DC4 00953 rlf SEG_10,f

B4 0DC3 00954 rlf SEG_1,f

B5 09C3 00955 comf SEG_1,f

B6 0DC3 00956 rlf SEG_1,f

00957

B7 0842 00958 movf BIT_L,w

B8 390F 00959 andlw 0x0F

B9 07C3 00960 addwf SEG_1,f

BA 0DC6 00961 rlf SEG_1K,f

00962

BB 3007 00963 movlw 0x07

BC 00C7 00964 movwf SEG_10K

00965

BD 300A 00966 movlw 0x0A ; Ten

BE 00967 Lb1:

BE 07C3 00968 addwf SEG_1,f

BF 03C4 00969 decf SEG_10,f

C0 1C03 00970 btfss 3,0

C1 2ABE 00971 goto Lb1

C2 00972 Lb2:

C2 07C4 00973 addwf SEG_10,f

C3 03C5 00974 decf SEG_100,f

C4 1C03 00975 btfss 3,0

C5 2AC2 00976 goto Lb2

C6 00977 Lb3:

C6 07C5 00978 addwf SEG_100,f

C7 03C6 00979 decf SEG_1K,f

C8 1C03 00980 btfss 3,0

C9 2AC6 00981 goto Lb3

CA 00982 Lb4: 5.03 ZY_LIT.ASM 11-12-2006 19:18:31 PAGE 20OBJECT CODE LINE SOURCE TEXT

VALUE

CA 07C6 00983 addwf SEG_1K,f

02CB 03C7 00984 decf SEG_10K,f

02CC 1C03 00985 btfss 3,0

CD 2ACA 00986 goto Lb4

CE 0008 00987 RETURN

00988 ;----------------------------------------------------------------

CF 00989 COPY_A ;выводим данные на порт_A

02CF 0833 00990 MOVFW P_A_COPY

D0 0085 00991 MOVWF PORTA

02D1 0008 00992 RETURN

00993 ;

D2 00994 COPY_B ;выводим данные на порт_В

02D2 0832 00995 MOVFW P_B_COPY

D3 0086 00996 MOVWF PORTB

02D4 0008 00997 RETURN

00998 ;

D5 00999 COPY_C ;выводим данные на порт_C

02D5 0831 01000 MOVFW P_C_COPY

D6 0087 01001 MOVWF PORTC

02D7 0008 01002 RETURN

01003

01004 ;=================== ЗАПИСЬ В ЕЕПРОМКУ ================

D8 01005 STOP_EEPR ;запись в еепромку, что восстанавливать

01006 BANK2 ;ничего не надо при следующем включении питания

02D8 1703 M BSF STATUS,RP1

D9 1283 M BCF STATUS,RP0

DA 018D 01007 CLRF EEADR

DB 018C 01008 CLRF EEDATA

DC 22FD 01009 CALL WRITE_EE ;собственно запись

02DD 0008 01010 RETURN ;всё ячейки записаны

01011

01012 ;=================== ЗАПИСЬ ТЕКУЩИХ ПАРАМЕТРОВ В ЕЕПРОМКУ ================

DE 01013 SAVE_MEM ;сохранение текущего режима работы

DE 300B 01014 MOVLW B'00001011' ;гасим все аноды

02DF 04B1 01015 IORWF P_C_COPY,F

02E0 22D5 01016 CALL COPY_C ;выводим всё это

E1 1A34 01017 BTFSC SAVE_YES ;и подсчитанной ёмкости в еепромку

E2 0008 01018 RETURN ;а может уже сохраняли?

E3 1634 01019 BSF SAVE_YES

E4 302A 01020 MOVLW AKK_Z_R ;нет, уст. 1 сохраняемый регистр

E5 0084 01021 MOVWF FSR

E6 0384 01022 DECF FSR,F ;коррекция для удобства окончания цикла записи

01023 BANK2

E7 1703 M BSF STATUS,RP1

E8 1283 M BCF STATUS,RP0

E9 018D 01024 CLRF EEADR

EA 01025 WRITE_EEPR

01026 BANK0

EA 1303 M BCF STATUS,RP1

02EB 1283 M BCF STATUS,RP0

EC 0A84 01027 INCF FSR,F ;переход к след. записыв. регистру

02ED 0800 01028 MOVFW INDF

01029 BANK25.03 ZY_LIT.ASM 11-12-2006 19:18:31 PAGE 21OBJECT CODE LINE SOURCE TEXT

EE 1703 M BSF STATUS,RP1

EF 1283 M BCF STATUS,RP0

F0 008C 01030 MOVWF EEDATA

02F1 22FD 01031 CALL WRITE_EE ;собственно запись

01032 BANK2

F2 1703 M BSF STATUS,RP1

F3 1283 M BCF STATUS,RP0

F4 0A8D 01033 INCF EEADR,F

01034 BANK0

F5 1303 M BCF STATUS,RP1

F6 1283 M BCF STATUS,RP0

F7 1103 01035 CLRZ

02F8 302E 01036 MOVLW EMK_Z_H ;проверяем все цифры высветили?

02F9 0204 01037 SUBWF FSR,W

FA 1D03 01038 SKPZ

FB 2AEA 01039 GOTO WRITE_EEPR ;нет ещё, продолжаем

FC 0008 01040 RETURN

01041 ;-----------------------

01042 ;Подпрограмма записи

FD 01043 WRITE_EE

02FD 138B 01044 BCF INTCON,GIE ;запрещаем прерывания

01045 BANK3 ;переходим к 3 банку

FE 1703 M BSF STATUS,RP1

FF 1683 M BSF STATUS,RP0

150C 01046 BSF EECON1,WREN ;разрешаем запись в флэш

3055 01047 MOVLW 0x55 ;обязательная процедура

008D 01048 MOVWF EECON2

30AA 01049 MOVLW 0xAA

008D 01050 MOVWF EECON2 ;перед записью во флэш

148C 01051 BSF EECON1,WR ;включаем запись

01052 EEPR

188C 01053 BTFSC EECON1,WR ;проверка окончания записи

2B06 01054 GOTO EEPR ;нет, ещё не записалось

01055 BANK0

1303 M BCF STATUS,RP1

1283 M BCF STATUS,RP0

A 0008 01056 RETURN

01057 END5.03 ZY_LIT.ASM 11-12-2006 19:18:31 PAGE 22TABLE

LABEL VALUE 0000001F0000009F0000000600000007_AVAR AKK_Z_R,3_GO 00000123_V 0000012100000003

ADFM 000000070000000600000006000000000000001E0000009E_ERR AKK_Z_R,2

AKK_Z_R 0000002A_4 000001C4

ALARM_5 000001DC_AN 00000026

BANK3 _BCD 0000029E_H 00000041

BIT_L 00000042_SOS 000000350000000200000000CON 00000017IE 00000002IF 00000002M0 00000000M1 00000001M2 00000002M3 00000003X 00000005Y 00000004H 00000016L 00000015000000030000000400000005

CLR_SOS 00000140_AKK 00000110_RAZ 000000B1_Z1 0000009B_Z2 000000C8

COPY_A 000002CF_B 000002D2_C 000002D5_EMK 00000163_PI 0000003E5.03 ZY_LIT.ASM 11-12-2006 19:18:31 PAGE 23TABLE

LABEL VALUE 0000000400000007_KN 000000E8_PUSK AKK_Z_R,100000001_10 00000299_POINT 0000003800000168_PUSK FLAG_ALL,3_LOOP10 0000029B

EEADR 0000010D0000010F0000018C0000018D0000010C0000010E00000004000000040000000700000306_R_10 00000026_R_100 00000025_R_1K 00000024_R_H 0000002C_R_L 0000002B_Z_10 00000029

EMK_Z_100 00000028_Z_1K 00000027_Z_H 0000002E_Z_L 0000002D_PI FLAG_ALL,60000000100000002_ALL 0000003400000004_2 00000030_IND 0000028300000007

GO 00000002_DONE 000000020000000000000005_OUT 00000133_CAT 00000016_EMK 0000025B

IND_MIG 0000002F_SEG1 00000020_SEG2 00000021_SEG3 00000022

IND_TABL 0000002B0000000B00000004000000065.03 ZY_LIT.ASM 11-12-2006 19:18:31 PAGE 24TABLE

LABEL VALUE 00000001

IRP 00000007_EMK_RAZ 000001A4_EMK_ZAR 000001AF

KN_PUSK PORTB,7_Z_R PORTB,6_MIG 00000275_PI BIT_SOS,3_PS BIT_SOS,2000002BE000002C2000002C6000002CA_PUSK 000000EE_ZAR AKK_Z_R,000000068_O 00000219_BO 00000000_BOR 00000000_DONE 00000002_PD 00000003_POR 00000001_RBPU 00000007_RC8 00000006_T1SYNC 00000002_TO 00000004_TX8 0000000600000001_KN FLAG_ALL,2_KN FLAG_ALL,1_REG 00000081_AVAR 00000014_CLR_KN 00000028

O_EMK 000000F0_MAX_V 000000E6_MIN_V 00000080_NEXT 00000028

O_OFF_KN 00000004_ON_KN 00000002

O_PI_4 00000008_PI_5 0000000A_PI_SOS 00000003

O_TIM_01S 00000002_TIM_03S 00000007_TIM_07S 0000000F_TIM_1S 00000014

O_TIM_DEL 00000031_V_RAZRAD 0000008A

O_V_ZARAD 000000DB_PI FLAG_ALL,7_SL BIT_SOS,40000000000000001

MPASM 5.03 ZY_LIT.ASM 11-12-2006 19:18:31 PAGE 25TABLE

LABEL VALUE 00000002

PCFG3 00000003000000020000000A0000008E

PEIE 000000060000008C0000008D0000000C

PIR2 0000000D00000005000000060000000700000092_KLAVA 000000DE00000000

PS1 00000001000000020000000300000094_A_COPY 00000033_B_COPY 00000032_C_COPY 00000031P_A_COPY,40000000300000000_9 0000000600000006

RCD8 0000000000000005000000050000001A00000018

RD 00000000_EEPR 00000081000000050000000600000006D 00000000_MEM 000002DE_YES FLAG_ALL,4

SEG1_MIG IND_MIG,0_MIG IND_MIG,1_MIG IND_MIG,2_1 00000043_10 00000044_100 00000045_10K 00000047_1K 00000046_MIG IND_MIG,3

SHORT_PI BIT_SOS,0_PS BIT_SOS,1_O BIT_SOS,65.03 ZY_LIT.ASM 11-12-2006 19:18:31 PAGE 26TABLE

LABEL VALUE _S1 BIT_SOS,5_S2 BIT_SOS,7000001F50000009900000007000000050000003E00000003_EEPR 000002D8

SYNC 00000004CS 00000005IE 00000005IF 00000002SE 00000004CKPS0 00000004CKPS1 00000005CON 00000010INSYNC 00000002OSCEN 00000003SYNC 00000002CKPS0 00000000CKPS1 00000001CON 000000120000003F

TIMERS 00000128_50MS 0000014D_AVAR 000001BA

TIM_ERR 0000011C_MIG 00000198

TMR0 00000001CS 00000001H 0000000FIE 00000000IF 00000000L 0000000EON 0000000000000011IE 00000001IF 00000001ON 00000002_AVAR 0000003C_CLR_KN 00000039_DIOD 00000037_DREBEZG 00000038_NEXT 0000003D_PI 0000003B

TMR_TIM_DEL 00000036_ZAR 0000003A

TOUTPS0 00000003000000040000000500000006000000855.03 ZY_LIT.ASM 11-12-2006 19:18:31 PAGE 27TABLE

LABEL VALUE 000000860000008700000001_9 0000000600000006D 000000000000000000000005000000040000000400000019

TXSTA 00000098_DREBEZG FLAG_ALL,0_KN 00000174_KN_OFF 00000186_KN_ON 00000176_LONG_PI 0000022E_LONG_PS 00000241_PAUSE_SL 00000250_SHORT_PI 00000200

T_SHORT_PS 0000021C_BCD 00000290_AKK 00000023_PIT PORTB,5_SEG 0000028700000000000000010000000200000003_EE 000002FD_EEPR 000002EA

Z 00000002P_A_COPY,5_1_2 AKK_Z_R,4_END AKK_Z_R,6_RAZ AKK_Z_R,5_STOP 000000FB

Z_R_PI FLAG_ALL,5

_BODEN_OFF 00003FBF

_BODEN_ON 00003FFF

_CPD_OFF 00003FFF

_CPD_ON 00003EFF

_CP_ALL 00000FCF

_CP_OFF 00003FFF

_DEBUG_OFF 00003FFF

_DEBUG_ON 000037FF

_HS_OSC 00003FFE

_LP_OSC 00003FFC

_LVP_OFF 00003F7F

_LVP_ON 00003FFF

_PWRTE_OFF 00003FFF

_PWRTE_ON 00003FF7

_RC_OSC 00003FFF5.03 ZY_LIT.ASM 11-12-2006 19:18:31 PAGE 28TABLE

LABEL VALUE

_WDT_OFF 00003FFB

_WDT_ON 00003FFF

_WRT_ENABLE_OFF 00003DFF

_WRT_ENABLE_ON 00003FFF

_XT_OSC 00003FFD

__16F870 0000000100000040USAGE MAP ('X' = Used, '-' = Unused)

: X----XXXXXXXXXXX XXXXXXXXXXXXXXXX XXXXXXXXXXXXXXXX XXXXXXXXXXXXXXXX

: XXXXXXXXXXXXXXXX XXXXXXXXXXXXXXXX XXXXXXXXXXXXXXXX XXXXXXXXXXXXXXXX

: XXXXXXXXXXXXXXXX XXXXXXXXXXXXXXXX XXXXXXXXXXXXXXXX XXXXXXXXXXXXXXXX

C0 : XXXXXXXXXXXXXXXX XXXXXXXXXXXXXXXX XXXXXXXXXXXXXXXX XXXXXXXXXXXXXXXX

: XXXXXXXXXXXXXXXX XXXXXXXXXXXXXXXX XXXXXXXXXXXXXXXX XXXXXXXXXXXXXXXX

: XXXXXXXXXXXXXXXX XXXXXXXXXXXXXXXX XXXXXXXXXXXXXXXX XXXXXXXXXXXXXXXX

: XXXXXXXXXXXXXXXX XXXXXXXXXXXXXXXX XXXXXXXXXXXXXXXX XXXXXXXXXXXXXXXX

C0 : XXXXXXXXXXXXXXXX XXXXXXXXXXXXXXXX XXXXXXXXXXXXXXXX XXXXXXXXXXXXXXXX

: XXXXXXXXXXXXXXXX XXXXXXXXXXXXXXXX XXXXXXXXXXXXXXXX XXXXXXXXXXXXXXXX

: XXXXXXXXXXXXXXXX XXXXXXXXXXXXXXXX XXXXXXXXXXXXXXXX XXXXXXXXXXXXXXXX

: XXXXXXXXXXXXXXXX XXXXXXXXXXXXXXXX XXXXXXXXXXXXXXXX XXXXXXXXXXXXXXXX

C0 : XXXXXXXXXXXXXXXX XXXXXXXXXXXXXXXX XXXXXXXXXXXXXXXX XXXXXXXXXXXXXXXX

: XXXXXXXXXXX----- ---------------- ---------------- ----------------other memory blocks unused.Memory Words Used: 775Memory Words Free: 1273: 0: 0 reported, 0 suppressed: 0 reported, 25 suppressed


Не нашли материал для своей работы?
Поможем написать уникальную работу
Без плагиата!
Без нейросетей!