Системы регистрации речевой информации, используемые в настоящее время в ГА
Содержание
Введение
1. Общая
часть
.1 Системы регистрации речевой информации, используемые в настоящее время в ГА
.2 Самолетный магнитофон МС-61
.2.2 Состав
комплекта магнитофона МС-61
.2.3 Общие
сведения и принцип работы
.3 Бортовое
средство сбора звуковой информации МАРС-БМ
.3.1 Основные
технические данные
.3.2 Состав
комплекта аппаратуры МАРС-БМ
.3.3 Общие
сведения и принцип работы
.4 Магнитофон
П-503Б. Общие сведения
.5 Недостатки
. Специальная
часть
.1 Оцифровка
звука и его хранение на цифровом носителе
.2 Хранение
цифрового звука
.3 Расчет
необходимого объема памяти на 10 часов записи
.3.1 Выбор
устройства хранения
.4 Концепция
разработки
.4.1 Выбор
модуля микроконтроллера
.4.2 Входная
цепь
2.4.3 Блок
питания
.4.4 Схема
контроля
.4.5
Нагревательные элементы
.5 Работа
цифрового регистратора речевой информации
. Техническая
эксплуатация
.
Безопасность жизнедеятельности
.
Экономическая часть
.
Экологичность проекта
Заключение
Список
литературы
Введение
Применению микропроцессорных систем в авиации способствуют их малые
габариты, вес, энергопотребление, высокая надежность и огромные функциональные
возможности. При этом мощный прогресс всех компонентов микропроцессорных систем
делает все более важной их роль на самолете.
Так если до 80-х годов микропроцессорные системы устанавливались в
отдельные приборные, радио и другие комплексы и интеллектуальные системы, то в
разработках конца 80-х годов появляются
централизованные МП системы ЛА (ТУ-204,ИЛ-114). При этом быстрый прогресс МП
систем вызывает постоянное отставание самолетных комплексов от все более
мощной, миниатюрной и быстродействующей компьютерной техники. Ситуация требует
своевременных модификаций и доработок самолетных микропроцессорных систем,
причем эта возможность закладывается при разработке, то есть летательные
аппараты, имеющие в своем оборудовании эти системы, могут быть легко и просто
доработаны. С самолетами, не имеющими МП систем, дела обстоят хуже. У ведущих
КБ и у организаций, эксплуатирующих эти самолеты, не хватает средств на их
модернизацию. Одним из возможных решений этой проблемы является передача этих
задач небольшим научно-техническим коллективам, а после испытаний и
сертификация (под контролем КБ) - установка на воздушное судно. При этом
появляется реальная возможность поддерживать оборудование на современном
уровне.
Целью данной работы является разработка микропроцессорной системы
регистрации речевой информации на твердотельной памяти с использованием
технологии usb Flash, позволяющей сохранять речевую информацию в течении
10 часов полета.
В настоящее время создано много систем регистрации речевой информации с
использованием твердотельной памяти, но в основном все они нуждаются в
применении специальных наземных считывающих устройств или специального
программного обеспечения.
Поэтому мы разработали систему регистрации речевой информации с
использованием технологии USB Flash, и эта
система не нуждается в специальных средствах наземного обслуживания и в
специальном программном обеспечении.
Целью работы являлось:
· повышение надежности, достоверности и сохраняемости
записываемой информации;
· улучшение массогабаритных и надежностных характеристик
системы;
· обеспечение быстрого и простого способа считывания записанной
информации
Разработанная система обеспечивает:
· регистрацию и хранение речевой информации поступающей от
аппаратуры внутренней и внешней самолетной связи
· перезапись зарегистрированной информации на персональный или
портативный компьютер для последующей обработки и анализа;
· встроенный контроль;
· сохранение речевой информации в случае летного происшествия.
1. Общая часть
1.1 Системы регистрации речевой информации, используемые в
настоящее время в ГА
В настоящее время в России эксплуатируются следующие типы воздушных судов:
· самолеты
-Ту-154 (Б/М)
Ил-86
Ил-76
Ан-24
Ан-26
Ан-32
и др.
· вертолеты:
-Ми-8 (Т/МТВ/АМТ)
Ми-26
Ми-2
и др.
Большинство из них было выпущено до середины 90-х годов. Из этого
следует, что оборудование, установленное на этих типах воздушных судов, сильно
устарело. Это относится и к средствам сбора речевой информации.
В основном тут применяются магнитофоны, имеющие лентопротяжные механизмы.
В бортовой аппаратуре записи использован принцип записи речевой информации на
ферромагнитную ленту или проволочный звуковой носитель с высокочастотным
подмагничиванием.
Примером могут служить следующие магнитофоны:
Марс-БМ;
Мс-61;
Мс-61Б;
П-503Б.
1.2 Самолетный магнитофон МС-61
Самолетный магнитофон МС-61 предназначен для записи речи с выходов
радиоприемников или СПУ и автономной записи с ларингофонов типа ЛА-5 или абонентской
гарнитуры типа АГ-2
Самолетный магнитофон МС-61 Б отличается от магнитофона МС-61
конструкцией аппарата записи и схемой его подключения к сети питания, и
предназначен для установки в бронированный кожух.
Запись речи на магнитофон производится на проволочный звуконоситель типа
5.4 ГОСТ 18834-83 диаметром 0,05 мм2.
1.2.1 Тактико-технические данные:
- Разборчивость слов при воспроизведении в тишине на магнитофоне МН-61
речи, записанной на магнитофоне MC-61 с ларингофонов ЛА-5 в условиях акустических
шумов с уровнем 120 дБ, соответствует III классу качества.
Длительность непрерывной записи не менее 5,5 час.
Частотная
характеристика магнитофона по току записи относительно частоты 1000 Гц имеет на
частоте 300 Гц завал не более 2 дБ, а на частоте 3000 Гц - подъем не менее 2
дБ.
Динамический диапазон магнитофона МС-61 не менее 34 дБ, магнитофона
MC-61Б - не менее З0 дБ.
- Магнитофон
автоматически включается на запись при подаче на
вход сигнала частотой 1000 Гц:
а)для входа ЛАР - напряжением 150- 300 мВ:
б)для входа СПУ - напряжением 5-8 В.
Выключение магнитофона происходит через 5-25 с., после снятия сигнала. - Питание магнитофона осуществляется от сети постоянного
тока27±2,7 В.
Линейная скорость движения звуконосителя от 145 до 195 мм/с.
Потребляемая мощность не более 20 Вт.
Магнитофон МС-61 имеет дистанционное управление на расстоянии до 10 м, а
МС-61Б до 60м.
При обрыве или окончании звуконосителя протяжный механизм магнитофона
останавливается, на пульте управления предусмотрена сигнализация обрыва (сигнальная
лампа ЗАПИСЬ не горит).
Обеспечивается автоматическое включение на запись резервного однотипного
аппарата записи (блока 1Ф01) в случае обрыва или окончания звуконосителя, а
также при сгорании предохранителя.
Габариты аппарата записи (блока 1Ф01) - 160х132х160 мм.
Габариты пульта управления - 92x75x78 мм.
Масса магнитофона без соединительных кабелей не более 4 кг.
Все параметры даны при их измерении в нормальных климатических условиях.
Магнитофон МС-61 обеспечивает работоспособность в следующих условиях:
а)при температуре окружающей среды от 213 К до 323 К (от минус 60 до плюс
50°С);
б) при относительной влажности окружающего воздуха 95-98% и температуре
313 К (плюс 40°С);
в)при пониженном атмосферном давлении 18,02 мм
г)при вибрации в диапазоне частот 10-80 Гц с перегрузкой до 8,5 g;
д)при воздействии ударной нагрузки с частотой 30 уд/мин, с ускорением 12
g; е) при изменении питающего напряжения
27 В па ±2,7 В;
ж) при воздействии инея и росы.
Магнитофон сохраняет свои параметры после:
а) испытаний на вибропрочность в диапазоне частот 18-72 Гц с перегрузкой
до 5 g;
б)испытании на ударную прочность (частота ударов - 60уд/мин.;
перегрузка-12 g; количество ударов - 10 тыс.);
в)испытаний на прочность при транспортировании (15 тыс. ударов с
ускорением 15g и частотой 40-60 уд/мин.);
г)испытании на вибропрочность па частоте 25 Гц с ускорением 2 g;
1.2.2 Состав комплекта магнитофона МС-61
В состав основного комплекта магнитофона МС-61 входят:
· аппарат записи (блок 1Ф01)
· пульт управления
· кабель 1Ф10
· кабель 1Ф12
· кабель 1Ф17
· комплект ЗИП
· вилка ОС2РМГП
· розетка ОС2РМТ
1.2.3 Общие сведения и принцип работы
В магнитофоне использован принцип магнитной записи звука с
высокочастотным подмагничиванием. Стирание предыдущей записи осуществляется
автоматически магнитным полем высокой частоты (около 30 кГц), создаваемым в рабочем зазоре стирающей головки.
Сигнал, поступающий на соответствующий вход пульта управления (вход ЛАР или СПУ), подается на блок 1Ф03. Усиленный до
определенного уровня сигнал поступает на головку записи, и на усилитель
прослушивания, для усиления до уровня, необходимого для прослушивания
записываемой информации.
Входящий в состав блока 1Ф03 генератор стирания-подмагничивания служит
для получения напряжения ультразвуковой частоты, которое подается на головки
записи и стирания и используется для высокочастотного подмагничивания и стирания предыдущей записи.
Для увеличения времени работы магнитофона без смены кассет в магнитофоне
предусмотрев режим АВТОПУСК.
Аппарат записи магнитофона МС-61 конструктивно выполнен в виде отдельного
блока, в котором смонтирован протяжный механизм с кассетами, элементы
автоматики и блок магнитных головок, печатная плата усилителя записи, печатная
плата схемы автопуска.
Верхняя быстросъемная крышка плотно закрывает кассеты и блок головок.
Крышка крепится к механическому узлу при помощи опорной скобы и замка. Крышка
аппарата записи магнитофона МС-61 имеет смотровое окно для визуального
определения количества звуконосителя на ведомой кассете и визуального наблюдения
за работой протяжного механизма.
Под крышкой на механическом узле расположены кассеты, блок головок с
контактом обрыва, тумблер ВКЛ-ВЫКЛ. и гайки для регулировки тормозной и
подтормаживающей систем.
На корпусе механического узла смонтирован протяжный механизм,
обеспечивающий равномерное протягивание звуконосителя по рабочим щелям
стирающей и записывающей головок.
Своим основанием аппарат записи вдвигается в амортраму и крепится к ней
при помощи планки и не выпадающего барашка.
Амортрама имеет четыре амортизатора, а также шину заземления, которая
заводится под винт крепления амортизатора к борту самолета.
1.3 Бортовое средство сбора звуковой информации МАРС-БМ
Бортовое средство сбора звуковой информации «Марс-БМ» предназначено для
записи сигналов, воспроизводимых телефонами левого и правого пилотов, речи
членов экипажа, воспринимаемой микрофонами их авиагарнитур, импульсной
информации закодированного времени, вырабатываемой аппаратурой МСРП, а также
общей звуковой обстановки в кабине экипажа.
Бортовое средство сбора звуковой информации обеспечивает непрерывную
запись на ленточный звуконоситель по четырем каналам (дорожкам) с сохранением
записи за последние 30 мин;
С целью сохранения записанной информации конструкция системы обеспечивает
автоматическое выключение аппаратуры после останова двигателей на земле (при
отключении питания переменного тока РУ211с2 на земле, на пробеге и разбеге
самолета).
Система работает от аварийного источника питания (бортовых аккумуляторов)
с сохранением работоспособности при изменении напряжения питания от 18 до 31 В.
Аппаратура снабжена системой контроля, которая выдает пилотам световую и
звуковую сигнализацию при потере ее
работоспособности. Кроме этого, предусмотрена возможность воспроизведения
записанной информации на борту самолета без снятия магнитной ленты с помощью
вспомогательного устройства, подключаемого к специальному контрольному разъему
аппаратуры.
1.3.1 Основные технически данные
- Нормальный уровень записи с
телефонного выхода обеспечивается, если на телефоны поступает напряжение
…......... не менее 0,6 В;
В момент переключения направления движения магнитной ленты время пропуска
записи не превышает …............... 0,15 с;
Бронеконтейнер МЛП-6 обеспечивает сохранение информации на магнитной
ленте:
а) При нахождении:
в морской воде ……………...……… в течение 36 ч;
в топливе и жидкости НГЖ-4 …..……………… до 5 мин;
б) При тепловом ударе (до 1000 °С) …………. в течение 15 мин;
в) При воздействии ударной перегрузки
……………….. до 200g;
г) При воздействии статической нагрузки.
……… до 1000 кгс.
1.3.2 Состав комплекта аппаратуры МАРС-БМ
Бортовое средство сбора звуковой информации МАРС-БМ состоит из:
· лентопротяжный механизм (блок 70А-10М в бронеконтейнере
МЛП-6);
· электронный блок (блок 70А-20М);
· усилитель сигналов от микрофонов в кабине экипажа (УсМ);
· контрольный разъем для наземной проверки;
· микрофоны для оценки звуковой обстановки в кабине
(бортинженера, правого летчика, левого летчика, дополнительного члена экипажа);
· два усилителя сигналов речи с микрофонов авиагарнитур;
· реле ТКЕ21П1ГА, для включения сигнальной лампы НЕ ГОТОВ;
· согласующее устройство УСС-16, для согласования сигналов
времени из МСРП.
1.3.3 Общие сведения и принцип работы
В бортовой аппаратуре записи использован принцип записи речевой
информации на ферромагнитную ленту (каналы I, 2 и 3) с высокочастотным
подмагничиванием. Запись импульсной информации времени на ферромагнитную ленту
(канал 4) ведется без высокочастотного подмагничивания.
Лентопротяжный механизм (блок 70А-10М) предназначен для:
протягивания и изменения направления движения магнитной ленты в крайних
положениях;
поддержания заданной скорости протягивания магнитной ленты независимо от
напряжения питания и нагрузки на валу;
создания высокочастотных токов подмагничивания и стирания в
соответствующих головках;
усиления сигналов, записанных на магнитной ленте, для их воспроизведения.
Для ведения непрерывной записи используется челночный вариант работы
лентопротяжного механизма, запись производится при движении магнитной ленты в
прямом и обратном направлениях. Длина рабочего участка ленты 72+1 м
обеспечивает запись в течение 15 мин в каждом направлении, т. е. в течение
последних 30 мин.
Блок состоит из лентопротяжного механизма (ЛПМ), установленного внутри
защитного (бронированного) контейнера МЛП-6, и блока регулирования оборотов,
укрепленного снаружи защитного контейнера на его нижней части.
Для удобства эксплуатации и сохранности механизма контейнер с
лентопротяжным механизмом выполнен легкосъемным и установлен на
амортизированном основании.
Подсоединение блока к внешним электрическим цепям и электронному блоку
осуществляется двумя штепсельными разъемами типа 2РМД, закрепленными на
приблочных кабелях.
Электронный блок предназначен для:
раздельного усиления сигналов, поступающих на вход каждого канала;
выработки сигналов для подачи команд на включение электродвигателя
лентопротяжного механизма и световой индикации работоспособности аппаратуры
записи;
преобразования и стабилизации напряжения, поступающего из бортовой сети
постоянного тока в напряжение 12,6+0,65 В постоянного тока, используемое для
питания электронных блоков.
Электронный блок конструктивно представляет собой металлическую коробку,
закрытую сверху и снизу крышками.
На лицевой стороне корпуса в нише, закрываемой крышкой, установлены
следующие элементы управления и защиты:
выключатель «СЕТЬ» для отключения питания от электронного блока и
лентопротяжного механизма при техническом обслуживании;
переключатели «ВОСПРОИЗВЕДЕНИЕ 1, 2, 3 и 4» для включения усилителей
воспроизведения при прослушивании записи по соответствующему каналу во время
проверки работоспособности на земле;
кнопка «ПЕРЕМОТКА» для сокращения времени перемотки звуконосителя при
замене записи;
плавкий предохранитель ВП1-1 (2,0 А) в сети питания лентопротяжного
механизма, электронного блока и сигнализации.
Блок подсоединяется к внешним электрическим цепям и к лентопротяжному
механизму с помощью трех штепсельных разъемов типа 2РМД Колодки разъемов
установлены на задней стенке блока.
Электронный блок находится между шпангоутами № 85, 86, рядом с
лентопротяжным механизмом.
Усилитель УсМ с микрофонами МДМ-5:
Микрофонный усилитель УсМ предназначен для усиления сигнала, поступающего
с микрофонов МДМ-5. Напряжение после усиления подается на вход канала 3
электронного блока. К входу усилителя подключены четыре последовательно
соединенных микрофона МДМ-5, воспринимающие сигналы звуковой обстановки в
кабине экипажа.
Конструктивно усилитель УсМ представляет собой металлическую коробку,
закрытую крышкой. На боковой стенке корпуса усилителя установлены два
малогабаритных разъе
Усилитель УсМ находится на вертикальной
перегородке за радиопанелью на рабочем месте дополнительного члена экипажа.
Микрофоны МДМ-5 размещены на специальных кронштейнах с левой и правой
стороны нижней части верхнего электрощитка пилотов, над абонентским аппаратом
СПУ на рабочем месте дополнительного члена экипажа и в левом нижнем углу панели
топливной системы на рабочем месте бортинженера.
Бортовая аппаратура «Марс-БМ» на земле и в начале разбега питается
напряжением 27 В от аварийной шины РУ213 через автомат защиты «МАГ». После
достижения самолетом скорости 70+15 км/ч срабатывает сигнализатор ССА-0,7-2,2И
и аппаратура «Марс-БМ» переключается на питание непосредственно от аккумулятора
через автомат защиты «МАГ» на ЦРУ711.
Включение аппаратуры «Марс-БМ» производится автоматом защиты «МАГ» на РУ213. Контроль включения и исправности аппаратуры
осуществляется по погасанию сигнальной лампы «МАРС»
на пульте системы МСРП в кабине пилотов или по погасанию сигнальных ламп
«МАРС-БМ НЕИСПРАВЕН» и «МАРС-БМ НЕ ВКЛЮЧЕН» на панели каркаса установки
электронного блока. После посадки самолета и останова двигателей автомат защиты
«МАГ» выключается, чтобы исключить работу лентопротяжного механизма на земле.
С целью сохранения информации, записанной в полете, предусмотрено
автоматическое выключение аппаратуры «Марс», если экипаж не выключил питание
вручную автоматом защиты «МАГ». Автоматическое отключение питания аппаратуры
«Марс» происходит одновременно с отключением напряжения от бортовой сети переменного
тока, т. е. после выключения двигателей.
Если автомат защиты «МАГ» включен и сигнальная лампа «МАРС» не горит,
аппаратура «Марс-БМ" работает и производится запись по каналам I, 2 и 3.
Запись сигналов времени по каналам 4 производится только после включения МСРП.
1.4 Магнитофон П-503Б. Общие сведения
Магнитофон П-503Б предназначен для магнитной записи звуковых сигналов,
поступающих на телефоны левого летчика от внутренних и внешних линий связи
радиооборудования вертолета, а также информации, передаваемой летчиком.
Документирование информации, записанной магнитофоном, используется для
объективной оценки действий экипажа и наземных пунктов связи.
В состав магнитофона П-503Б входят:
· устройство записи;
· пульт управления ПУ;
Включение питания магнитофона на земле осуществляется тумблером с пульта
управления магнитофоном. При отрыве вертолета от земли питание магнитофона
включается автоматически от концевых выключателей амортизационных стоек
основных шасси независимо от положения тумблера на пульте управления
магнитофоном.
Канал записи сигналов времени не задействован.
Питание магнитофона осуществляется от аккумуляторной шины через предохранитель МАГНИТОФОН, установленный на щитке
предохранителей.
1.5 Недостатки
Недостатками выше перечисленных систем являются:
- невысокая надежность, из-за наличия механических частей
лентопротяжных механизмов;
большие габариты;
большая масса;
необходимость содержать участки расшифровки записанной речевой
информации со специальным оборудованием.
Разработанная нами микропроцессорная система позволяет устранить
некоторые из этих недостатков.
2. Специальная часть
2.1 Оцифровка звука и его хранение на
цифровом носителе
Акустический звук представляет собой
непрерывный во времени и по амплитуде процесс, то есть давление воздуха
изменяется во времени плавно, а не перепрыгивает от одного значения к другому.
Акустический звук может быть преобразован в электрический сигнал при помощи
микрофона, который в зависимости от изменения давления воздуха изменяет
создаваемое им на выходе электрическое напряжение. После перевода акустического
звука в электрический сигнал непрерывность во времени и по амплитуде
сохраняется: напряжение сигнала изменяется аналогично изменению давления
воздуха, вот почему данный звук называют аналоговым. Мы можем записать
электрический сигнал на магнитную ленту и превратить его вновь в звук при
помощи динамика, который работает как "микрофон наоборот": перемещает
воздух в соответствии с изменениями напряжения. Соответственно, сохраняется и
упомянутая непрерывность сигнала.
Несмотря на то, что аналоговый
электрический сигнал исправно служит человечеству на протяжении десятилетий, со
временем отдельным его (человечества) представителям стало ясно, что аналоговые
сигнал и магнитная запись - не лучшие способы передачи и хранения звуковой
информации, поскольку и при передаче и при хранении происходят неизбежные
потери, то есть ухудшение звука. В то же время, передачу и хранение данных в
компьютерах, оперирующих исключительно цифровыми данными, возможно производить
без каких-либо потерь.
Для решения этой задачи существуют
специальные устройства, известные как аналого-цифровые преобразователи (АЦП).
Эти устройства способны преобразовать непрерывный аналоговый сигнал в
последовательность отдельных чисел, то есть сделать его дискретным (англ.
discrete - раздельный, состоящий из отдельных частей). Преобразование
происходит следующим образом (Рисунок 2.1.1): устройство много раз в секунду
измеряет амплитуду аналогового сигнала и выдает результаты измерений в виде
чисел.


Рисунок 2.1.1 - Дискретизация сигнала
Как видно на рисунке, результат
измерений не является точным аналогом непрерывного электрического сигнала.
Очевидно, что соответствие сигналов будет тем полнее, чем чаще происходят
измерения и чем они точнее. Частота, с которой производятся измерения,
называется частотой дискретизации. А на точность измерений амплитуды указывает
число бит, использующихся для представления результата измерений. Этот параметр
называют разрядностью.
Преобразование аналогового сигнала в
цифровой состоит из двух этапов: дискретизации по времени и квантования по
амплитуде. Дискретизация по времени означает, что сигнал представляется рядом своих
отсчетов, взятых через равные промежутки времени. Например, когда мы говорим,
что частота дискретизации 44,1 кГц, то это значит, что сигнал измеряется 44100
раз в течении.
Основной вопрос на первом этапе
преобразования аналогового сигнала в цифровой (оцифровки) состоит в выборе
частоты дискретизации аналогового сигнала. Как уже было сказано, чем больше
частота - тем точнее соответствует цифровой сигнал аналоговому. Однако,
пропорционально увеличению частоты возрастают:
а) интенсивность потока цифровых данных,
а пропускные возможности интерфейсов не безграничны, особенно если
записывается/воспроизводится одновременно несколько каналов;
б) вычислительная нагрузка на
цифровые процессор, а их вычислительные возможности также ограничены;
в) объем памяти, необходимой для
хранения цифрового сигнала. Очевидно, что необходим компромисс.
От выбора частоты дискретизации
зависит частотный диапазон полученного цифрового звука или максимальная частота
аналогового сигнала, правильно представленная в цифровом. Считается, что
диапазон частот, которые производит человек, составляет от 400 до 2800 Гц.
Согласно известной теореме Котельникова, для того, чтобы аналоговый
(непрерывный по времени) сигнал можно было точно восстановить по его отсчетам,
частота дискретизации должна быть как минимум вдвое больше максимальной
звуковой частоты:
fдискр=2*Fмах (2.1.1)
где Fмах -
верхняя частота в спектре
Звуковая частота, равная половине
частоты дискретизации, называется частотой дискретизации и является
максимальной частотой, которую данная цифровая система может правильно
сохранить и воспроизвести. Таким образом, если реальный аналоговый сигнал,
который мы собираемся преобразовать в цифровую форму, содержит частотные
компоненты от 400 Гц до 2800 Гц, то частота дискретизации такого сигнала должна
быть не меньше, чем 6,5 кГц. Повышенная частота дискретизации поможет
избавиться от помех.
Второй этап - это квантование
амплитуды дискретных отсчетов, полученных на первом этапе. Представим себе, что
отсчет представляет собой некий столбик или полоску, наподобие той, что мы
видим на студийном индикаторе уровня сигнала. Длина этой полоски и есть
амплитуда сигнала в данном отсчете. Процесс квантования амплитуды тогда можно
представить как измерение длины полоски с помощью линейки. Чем чаще идут метки
на линейке, тем точнее мы можем измерить длину полоски (амплитуду) и тем меньше
будут ошибки измерений (Рисунок 2.1.2). Однако, чем чаще расположены метки на
линейке - тем больше цифр (бит) нам потребуется для записи числа,
соответствующего измеренной нами длине полоски (амплитуде сигнала в отсчете).
Например, если на линейке 32 метки, то для представления длины полоски
(амплитуды) в виде числа понадобится максимум 5 бит (32=25). В данном случае 5
бит и будет разрядностью АЦП.
Рисунок 2.1.2 - Квантование сигнала
Таким образом, процесс квантования
амплитуд отсчетов фактически заключается в измерении их величин по отношению к
некоторому опорному источнику напряжения (линейка в предыдущих объяснениях),
обычно имеющемуся внутри корпуса микросхемы АЦП, и выражении этих величин в
виде чисел, состоящих из конечного числа бит. Причем числа могут быть не только
целые, например 16-, 18-, 20-, 24-битные, но и 24- или 32-битные с плавающей
запятой или с другой кодировкой (например, в кодах с исправлением ошибок),
зависящей от конкретной реализации устройства АЦП. Довольно часто используется
все же кодирование результатов измерения амплитуд отсчетов в виде целых чисел.
В обычном АЦП число бит на один
отсчет (разрядность числа) выходного цифрового потока данных непосредственно с
квантователя амплитуд дискретов и на выходе всего АЦП равны, так как числа с
квантователя амплитуд поступают непосредственно на выход устройства. Однако,
квантователь АЦП не обязательно должен иметь высокую разрядность для того,
чтобы выходной поток цифровых данных АЦП имел таковую. Увеличение эффективной
разрядности АЦП может быть достигнуто использованием метода увеличения частоты
дискретизации и цифровой фильтрации.
.2 Хранение цифрового звука
Для хранения цифрового звука
существует много различных способов. Как мы говорили, оцифрованный звук являет
собой набор значений амплитуды сигнала, взятых через определенные промежутки
времени. Таким образом, во-первых, блок оцифрованной аудио информации можно записать
в файл «как есть», то есть последовательностью чисел (значений амплитуды). В
этом случае существуют два способа хранения информации.
Первый (Рисунок 2.2.1) - PCM (Pulse
Code Modulation - импульсно-кодовая модуляция) - способ цифрового кодирования
сигнала при помощи записи абсолютных значений амплитуд (бывают знаковое или
беззнаковое представления). Именно в таком виде записаны данные на всех аудио
CD.
Рисунок 2.2.1 - PCM - импульсно-кодовая модуляция
Второй способ (Рисунок 2.2.2) - ADPCM
(Adaptive Delta PCM - адаптивная относительная импульсно-кодовая модуляция) -
запись значений сигнала не в абсолютных, а в относительных изменениях амплитуд
(приращениях)
Рисунок 2.2.2 - ADPCM - адаптивная относительная кодовая
модуляция
цифровой
регистратор речевой микроконтроллер
Во-вторых, можно сжать или упростить
данные так, чтобы они занимали меньший объем памяти, нежели будучи записанными
«как есть». Тут тоже имеются два пути.
Кодирование данных без потерь
(lossless coding) - это способ кодирования аудио, который позволяет
осуществлять стопроцентное восстановление данных из сжатого потока. К такому
способу уплотнения данных прибегают в тех случаях, когда сохранение
оригинального качества данных критично. Например, после сведения звука в студии
звукозаписи, данные необходимо сохранить в архиве в оригинальном качестве для
возможного последующего использования. Существующие сегодня алгоритмы
кодирования без потерь позволяют сократить занимаемый данными объем на 20-50%,
но при этом обеспечить стопроцентное восстановление оригинальных данных из
полученных после сжатия. Подобные кодеры - это своего рода архиваторы данных
(как ZIP, RAR и другие), только предназначенные для сжатия именно аудио. Этот способ
требует значительных аппаратных затрат, что повысит стоимость и сложность
разрабатываемой системы.
Имеется и второй путь кодирования -
кодирование данных с потерями (lossy coding). Цель такого кодирования - любыми
способами добиться схожести звучания восстановленного сигнала с оригиналом при
как можно меньшем объеме упакованных данных. Это достигается путем
использования различных алгоритмов «упрощающих» оригинальный сигнал (выкидывая
из него «ненужные» слабослышимые детали), что приводит к тому, что
декодированный сигнал фактически перестает быть идентичным оригиналу, а лишь
похоже звучит. Методов сжатия, а также программ, реализующих эти методы,
существует много. Наиболее известными являются MPEG-1 Layer I,II,III (последним
является всем известный MP3), MPEG-2 AAC (advanced audio coding), Ogg Vorbis,
Windows Media Audio (WMA), TwinVQ (VQF), MPEGPlus, TAC, и прочие. В среднем,
коэффициент сжатия, обеспечиваемый такими кодерами, находится в пределах 10-14
(раз). Надо особо подчеркнуть, что в основе всех lossy-кодеров лежит
использование так называемой психоакустической модели, которая как раз и
занимается «упрощением» оригинального сигнала. Говоря точнее, механизм подобных
кодеров выполняет анализ кодируемого сигнала, в процессе которого определяются участки
сигнала, в определенных частотных областях которых имеются неслышные
человеческому уху нюансы (замаскированные или неслышимые частоты), после чего
происходит их удаление из оригинального сигнала. Таким образом, степень сжатия
оригинального сигнала зависит от степени его «упрощения»; сильное сжатие
достигается путем «агрессивного упрощения» (когда кодер «считает» ненужными
множественные нюансы), такое сжатие, естественно, приводит к сильной деградации
качества, поскольку удалению могут подлежать не только незаметные, но и
значимые детали звучания. Нам этот способ так же не подходит из-за не
соответствия декодированного сигнала и оригинального.
Для разрабатываемого устройства
выберем кодирование ADPCM кодеком (адаптивная относительная импульсно-кодовая модуляция).
Этот способе не требует высоких вычислительных ресурсов и легко реализуем.
Адаптивная дифференциальная
импульсно-кодовая модуляция (ADPCM) является частным случаем дифференциального
кодирования. Данный метод предложен в качестве стандарта комитетом CCITT.
Рассмотрим процесс кодирования
методом ADPCM.
Рисунок 2.2.3 - структурная схема
процесса кодирования методом ADPCM
На приведенном выше рисунке (Рисунок
2.2.3) изображена структурная схема процесса кодирования PCM-сигнала методом ADPCM. Во время работы метода адаптивный
предсказатель осуществляет предсказание уровня поступающего равномерно
квантованного сигнала. Входной сигнал имеет 256 уровней квантования и частоту
дискретизации 8 кгц. В сумматоре происходит алгебраическое сложение входного и
предсказанного сигнала. Разностный сигнал поступает в адаптивный квантователь,
где производится квантование. Число уровней квантования, согласно стандарту,
может быть равно 16, 8, 4 или 2. (Соответственно сигнал может быть передан по
каналам с минимальными пропускными способностями 40, 32, 24 или 16 кбит/c.) Другие параметры квантования
частично определяются в стандарте, а частично зависят от характеристик
обрабатываемого сигнала.
С выхода адаптивного квантователя
сигнал одновременно поступает в обратный адаптивный квантователь и в канал
передачи. Обратный адаптивный квантователь предназначен для перевода
квантованного PCM-сигнала в равномерно квантованный
разностный сигнал. Получаемый разностный сигнал может не совпадать с исходным
разностным сигналом. Обратное преобразование необходимо для того, чтобы
обеспечить одинаковое предсказание на этапах кодирования и декодирования.
С выхода обратного адаптивного
квантователя равномерно квантованный разностный сигнал одновременно поступает
на вход адаптивного предсказателя и на вход сумматора. Последний осуществляет
суммирование данного сигнала с предсказанным сигналом. Полученный в результате
суммирования сигнал также поступает на вход адаптивного предсказателя.
Адаптивный предсказатель осуществляет
предсказание на основе шести последних выборок обрабатываемого сигнала. При
этом учитываются особенности данного сигнала. (Учет производится посредствам
адаптивного изменения параметров предсказывающей функции.)
2.3 Расчет необходимого объема памяти
на 10 часов записи
Расчищаем объем Flash памяти, необходимый для хранения 10
часов записи речи.
Речевая информация будет храниться в
закодированном виде, Метод кодирования - ADPCM.
Разрабатываемое устройство будет
записывать диапазон часто от 400 Гц до 2800 Гц. Частота дискретизации такого
сигнала должна быть не меньше, чем 6,5 кГц.
Для квантования сигнала по уровню нам
будет достаточно 16 отсчетов или 4 бит (24=16).
Следовательно, одна секунда записи
будет содержать:
*4=26000 бит информации
Час записи будет содержать:
*3600=93600000=9,36*107
бит
Для хранения десяти часов записи нам
потребует память емкостью не менее:
,36*107*10=9,36*108 бит = 893 Мбайт
.3.1 Выбор устройства хранения
Для хранения записанной информация
используется Flash карта памяти Kingston ёмкостью 1024
Мбайт.
Карты памяти стандарта Secure Digital
(SD) от Kingston объединяют большой объем, быструю скорость передачи данных и
супер безопасность в устройстве не больше, чем почтовая марка. Имея
исключительную оценку по свойствам цена/качество, карты SD от Kingston идеальны
для использования в портативных устройствах: MP3 плеерах, цифровых фотокамерах,
КПК, смартфонах и т.д.
* Объем - 1Гбайт
* Размеры - 24мм x 32мм x 2.1мм
* Температура использования - -40 ºC до 85 ºC
* Температура хранения - -50 ºC до 85 ºC
* Вольтаж - 3.3В
* Безопасность - встроенный
переключатель защиты от записи
* Простота - поддержка plug-and-play
*Экономичность - низкое
энергопотребление
Карты памяти Kingston поддерживает Windows®98/2000/2003/Me/XP/Vista, Mac OS 9+, Linux
2.2 и выше.
Flash карты Kingston обеспечивают до 100000 циклов
перезаписи. Время хранения данных до 25 лет. Flash карты Kingston являются недорогим, надежным,
высокоскоростным портативным устройством для хранения информации.
2.4 Концепция
Устройство представляет собой микропроцессорную систему. На Рисунке 2.4.1
изображена структурная схема разрабатываемого устройства.
Рисунок 2.4.1 - Структурная схема цифрового регистратора речевой
информации.
Регистратор речевой информации состоит из следующих элементов:
· Фильтра;
· Аналогово-цифрового преобразователя (АЦП);
· Микропроцессора;
· Блока питания;
· Пульта управления;
· Flash памяти;
· Схемы контроля.
2.4.1 Выбор модуля микроконтроллера
PIC16F819 однокристальным 8-разрядный FLASH CMOSмикроконтроллер компании
Microchip Technology Incorporated, разработан для построения различных систем
комплексной автоматизации, диагностической и измерительной техники, где
необходим высокий уровень производительности для реализации сложных алгоритмов
работы, а так же требуется обеспечить устойчивую работу в промышленном диапазоне температур -40 +85 ºС.
Большое количество периферии расположенной на кристалле микроконтроллера позволяет
решать широкий спектр технических задач, а именно:
• сбор информации с аналоговых датчиков температуры, тока,
напряжения и других технологических параметров в диапазоне напряжения от 0 до 5
Вольт;
• передача/прием информации с компьютера оператора по стандартному
последовательному интерфейсу RS232 (скорость до 625 Кбит/с);
• управление
внешними устройствами, соединенными через последовательный интерфейс RS232 или
SPI;
• на базе модуля PICcontrol возможна реализация автономного пульта
управления, способного осуществлять настройку систем автоматизации при помощи
матричной клавиатуры (3x4) и ж/к дисплея;
• в области диагностических и измерительных систем на
основеконтроллера возможно построение высоко интеллектуальных датчиковсо
сложными алгоритмами обработки собранной информации и последующей
передачей ее на систему более высокого уровня по последовательному интерфейсу.
Описание контроллера
PIC16F819 имеют много усовершенствований повышающие надежность системы,
снижающие стоимость устройства и число внешних компонентов. Микроконтроллер
PIC16F819 имеет режимы энергосбережения и возможность защиты кода программы.
Основные достоинства:
•Выбор тактового генератора
• Сброс:
- сброс по включению питания ( POR); -
таймер включения питания (PWRT); -
таймер запуска генератора (ОSС);
сброс по снижению напряжения питания (BOR).
Прерывания:
• Сторожевой таймер (WDT);
• Режим энергосбережения (SLEEP);
• Защита кода программы;
• Область памяти для идентификатора;
• Внутрисхемное программирование по последовательному порту
(ICSP);
• Режим низковольтного последовательного программирования;
• Режим внутрисхемной отладки (ICD);
Архитектура микроконтроллера основана на современной архитектуре с
независимым доступом к памяти команд и памяти данных. Для выполнения
возложенных на него задач, процессор имеет следующие характеристики:
Тактовая частота до 20 МГц;
Время выполнения одной команды - 0.5 мкс (за исключения команд условия, в
которых получен истинный результат - 1мкс);
8 Кбайт внутренней FLASH памяти программ;
256 байт ERPROM памяти данных;
368 байт ОЗУ.
Интерфейсы контроллера PICcontrol.
Для обеспечения связи с внешними устройствами контроллеры PICcontrol
имеют следующие интерфейсы:
• последовательный интерфейс SPI;
• последовательный интерфейс I2С;
• последовательный коммуникационный интерфейс RS232.
Характеристика микроконтроллера:
• Высокоскоростная RISC архитектура
• 35 инструкций
• Все команды выполняются за один цикл, кроме инструкций
переходов, выполняемых за два цикла
• Система прерываний (до 14 источников)
• 8-уровневый аппаратный стек
• Прямой, косвенный и относительный режим адресации
• Сброс по включению питания (POR)
• Таймер сброса (PWRT) и таймер ожидания запуска генератора (OST)
после включения питания
• Сторожевой таймер WDT с собственным RC генератором
• Программируемая защита памяти программ
• Режим энергосбережения SLEEP
• Выбор параметров тактового генератора
• Высокоскоростная, энергосберегающая CMOS FLASH/EEPROM технология
• Полностью статическая архитектура
• Программирование в готовом устройстве (используется два вывода
микроконтроллера)
• Низковольтный режим программирования
• Режим внутрисхемной отладки (используется два вывода
микроконтроллера)
• Широкий диапазон напряжений питания от 2.0В до 5.5В
• Повышенная нагрузочная способность портов ввода/вывода (25мА)
• Малое энергопотребление:
• Гарантированый температурный диапазон: -40...+85°С;
• Размеры: 18x18x4,5 мм.
Характеристика периферийных модулей
• Таймер 0:
8- разрядный
таймер/счетчик с 8-разрядным
• программируемым предделителем;
• Таймер 1: 16-разрядный таймер/счетчик с возможностью
• подключения внешнего резонатора;
• Таймер 2: 8- разрядный таймер/счетчик с 8 разрядным
программируемым предделителем и выходным делителем;
программируемым предделителем и выходным делителем
•Два модуля сравнение/захвата/ШИМ (ССР):
-разрядный захват (максимальная разрешающая способность 12.5нс);
-разрядное сравнение (максимальная разрешающая способность 200нс) 10-разрядный
ШИМ;
•Многоканальное 10-разрядное АЦП
Для управления АЦП в микроконтроллере используется 4 регистра:
Регистр результата ADRESH (старший байт);
Регистр результата ADRESL (младший байт);
Регистр управления ADCON0;
Регистр управления ADCON1.
Регистр ADCON0 используется для настройки работы модуля АЦП, а с помощью
регистра ADCON1 устанавливается какие входы микроконтроллера будут
использоваться модулем АЦП и в каком режиме (аналоговый вход или цифровой порт
ввода/вывода).
• Последовательный синхронный порт MSSP ведущий/ведомый режим SPI
ведущий/ведомый режим I2С
• Ведомый 8 разрядный параллельный порт PSP с поддержкой внешних сигналов -RD,-WR,-CS
Детектор пониженного напряжения (BOD) для сброса по снижению напряжения
питания (BOR).
EEPROM намять данных и FLASH память программ
Данные из EEPROM памяти и FLASH памяти программ могут быть
прочитаны/перезаписаны в нормальное режиме работы микроконтроллера во всем
диапазоне напряжений питания Vdd. Операции выполняются с одним байтом для
EEPROM памяти данных и одним слонову для FLASH памяти программ. Запись производится
по принципу "стирание - запись" для каждого байта или слова.
Сформированная кодом программы операция стирания не может выполнена при
включенной защите записи.
Доступ к памяти программ позволяет выполнить вычисление контрольной
суммы. Данные, записанные в памяти программ, могут использоваться в виде:
14-разрядных чисел, калибровочной информации, серийных номеров, упакованных
7-разрядных символов ASCII и т.д. В случае обнаружения недействительной команды
в памяти программ, выполняется пустой цикл NOP.
Число циклов стирания/записи смотрите в разделе электрических
характеристик. Число циклов стирания/записи для FLASH памяти программ
значительно ниже по сравнению с EEPROM памятью данных, поэтому EEPROM память
данных должна использоваться для сохранения часто изменяемых данных. Время
записи данных управляется внутренним таймером, оно зависит от напряжения
питания, температуры и имеет небольшой технологический " разброс”.
При записи байта или слова автоматически стирается соответствующая
ячейка, а затем выполняемся запись. Запись в EEPROM намять программ не
воздействует на выполнение программы, а при записи на FLASH память программ
выполнение программы останавливается на время записи. Нельзя обратиться к
памяти программ во время цикла записи. В течение операции записи тактовый
генератор продолжает работать, периферийные модули включены и генерируют
прерывания, которые "ставятся в очередь" до завершения цикла записи.
После завершения записи выполняется загруженная команда, (из-за конвейерной
обработки) и происходит переход по вектору прерываний, если прерывание
разрешено и условие прерывания возникло во время записи.
Доступ к функциям записи/чтения EEPROM памяти данных и FLASH памяти
программ выполняется через шесть регистров специального назначения:
EEDATA;;;;N1;
EEC0N2.
Операции чтения/записи EEPROM памяти данных не приостанавливают
выполнение программы. В регистре EEADR сохраняется адрес ячейки EEPROM памяти
данных. Данные сохраняются/читаются из регистра EEDATA.
ССР модуль (захват/сравнение/ШИМ)
Режим захвата. При возникновении события захвата 16-разрядноезначение
счетчика TMR1 переписывается в регистры CCPR1LCCPR1H модуля СРР1. Событием
захвата может быть:
• Каждый задний фронт сигнала на входе RC2/CCP1;
• Каждый передний фронт сигнала на входе RC2/CCP1;
• Каждый 4-й передний фронт сигнала на входе RC2/CCP1;
• Каждый 16-й передний фронт сигнала на входе RC2/CCPI.
Тип события захвата устанавливается битами CCP1M3:CCP1M0 в регистре
CCP1C0N. После выполнения захвата устанавливается флаг прерывания ССР1F
(PIR1<2>) в Т, который должен быть сброшен программно. Если происходит
события захвата до того как предыдущие данные были прочитаны, старое значение
будет потеряно.
Режим сравнения. В этом режиме 16-разрядный регистр CCPRI сравнивается со
значением TMR1. Как только значения в регистрах становятся одинаковые, модуль
ССР1 изменяет состояние вывода RC2/CCP1:
• Устанавливает высокий уровень сигнала;
• Устанавливает низкий уровень сигнала;
• На вывод не воздействует.
Режим ШИМ. В ШИМ режиме модуля ССР1 вывод RC2/CCP1используется в качестве
выхода 10-разряднош ШИМ. Т.к. вход ССР1мультиплицирован с цифровым каналом
порта ввода/вывода, бит направления TRISC<2> должен быть сброшен в '0'.
Модуль ведущего синхронного последовательного порта (MSSP)
Модуль ведущего синхронного последовательного порта (MSSP) может
использоваться для связи с периферийными микросхемами или другими
микроконтроллерами. Интерфейсными микросхемами могут быть: память, сдвиговые
регистры, драйверы ЖКИ, АЦП и др. Модуль MSSP может работать в одном из двух режимах:
• Последовательный периферийный интерфейс (SPI);
Inter-Integrated Circuit (I2C).
Режим SPI
В SPI режиме возможен одновременный синхронный прием/передача 8-разрядных данных. Модуль MSSP поддерживает четыре режима
SPI с типовым использованием трех выводов микроконтроллера:
• Вход последовательных данных (SDI);
• Выход последовательных данных (SDO);
• Тактовый сигнал (SCK).
Дополнительно может быть задействован четвертый вывод для работы в режиме
ведомого.
При инициализации SPI необходимо определить параметры работы битами
SSPCON<5:0>, SSPSTAT<7:6>. Управляющие биты определяют следующие
параметры работы:
• Ведущий режим (SCK выход);
• Ведомый режим (SCK вход);
• Полярность тактового сигнала (пассивный уровень SCK);
• Фаза выборки входных данных (в середине или конце передачи
бита);
• Активный фронт тактового сигнала (передний, задний):
• Частота тактового сигнала (только в ведущем режиме);
• Режим выбора ведомого (только в режиме ведомого).
Для включения модуля MSSP необходимо усыновить бит SSPEN(SSPCON<5>)
в ”1”. Для сброса или перенастройки режима SP1 рекомендуется сбросить бит SSPEN
в “0”, выполнить изменение параметров работы, а затем вновь установить бит
SSPEN в “1”. После включения MSSP в режиме SPI выводы SDI, SDO, SCK. SS
используются последовательным портом. Для корректной работы последовательного
порта биты регистров TRJS должны быть настроены следующем образом:
• SDT, автоматически управляется SPI модулем;
• SDO, бит TRISC<5> должен быть сброшен в 'О';
• SCK (ведущий режим), бит TRISC<3> - 0;
• SCK (ведомый режим), бит TRISC<3> = 1;
• -SS, бит TR1SA<5> = 1, в регистре ADCON1 вывод RA5 должен
быть настроен как цифровой порт ввода/вывода.
Любая нежелательная функция последовательного порта может быть выключена,
настраивая соответствующие биты регистров направления данных TRIS.
Режимы генератора
Выбор режима работы тактового генератора позволяет использовать
микроконтроллеры в различных приложениях. Режим тактового генератора RC
позволяет уменьшить стоимость устройства, а режим LP снизить энергопотребление.
Биты конфигурации микроконтроллера используются для указания режима его работы.
Сторожевой таймер
В микроконтроллер PIC16F819 встроен сторожевой таймер WDT, который может
быть выключен только в битах конфигурации микроконтроллера. Встроенный сторожевой
таймер WDT работает от отдельного RC генератора, не требующего внешних
компонентов. Это позволяет работать сторожевому таймеру WDT при выключенном
тактовом генераторе (выводы 0SC1, 0SC2) в SLEEP режиме микроконтроллера. В
нормальном режиме работы при переполнении WDТ происходит сброс
микроконтроллера. Если микроконтроллер находится в SLEEP режиме, переполнение
WDT выводит его из режима SLEEP с продолжением нормальной работы. WDT выключен,
если WDTE = 0 в слове конфигурации.
Время переполнения зависит, от температуры, напряжения питания VDD и
разброса технологических параметров микроконтроллера . Если требу большее время переполнения WDT, необходимо программно подключить предделитель в
регистре OPT1ON_REG с максимальным коэффициентом деления 1:128.
Дополнительных два таймера выполняют задержку старта работы
микроконтроллера. Первый, таймер запуска генератора (OST), удерживает
микроконтроллер в состоянии сброса, пока не стабилизируется частота тактового
генератора. Второй, таймер включения питания (PWRT), срабатывает после
включения питания и удерживает микроконтроллер в состоянии сброса в течение
72мс (типовое значение), пока не стабилизируется напряжение питания. В
большинстве приложений эти функции микроконтроллера позволяют исключить внешние
схемы сброса.
Режим энергосбережения
Режим SLEEP предназначен для обеспечения сверхнизкого энергопотребления.
Микроконтроллер может выйти из режима SLEEP по сигналу внешнего сброса, по
переполнению сторожевого таймера или при возникновении прерываний. Переход в
режим энергосбережения происходит по команде SLEEP. При переходе в режим SLEEP
сторожевой таймер WDT сбрасывается, но продолжает работать. В регистре STATUS
бит -PD сбрасывается в “0”, бит -ТО устанавливается в “1”, тактовый генератор
микроконтроллера выключен. Порты ввода/вывода остаются в том же состоянии, что
и до выполнения команды SLEEP (высокий уровень, низкий уровень, третье
состояние).
Для снижения энергопотребления в SLEEP режиме все каналы ввода/вывода
должны быть подключены к Vdd или Vss при отсутствии токов из внешней схемы
через выводы портов, выходы модуля компараторов и источника опорного напряжения
выключены. Выводы находящиеся в третьем состоянии должны иметь высокий или
низкий уровень сигнала, чтобы избежать токов переключения входных буферов.
Внутрисхемное программирование ICSP
Микроконтроллер PIC16F819 может быть запрограммирован по
последовательному интерфейсу в готовом изделии. Программирование выполняется по
двум линиям последовательно интерфейса (данные, синхронизация) и трем
дополнительным линиям: напряжение питания, общий провод, напряжение
программирования. Это позволяет изготавливать платы с не запрограммированными
микроконтроллерами, а затем загружать в них программу перед поставкой изделия.
Данная функция также позволяет обновлять программное обеспечение
микроконтроллеров.
В режиме программирования ICSP при выполнении операции стирания всей
памяти (включая снятие защиты) напряжение питания должно быть от 4.5В до 5.5В.
Все остальные операции программирования могут быть выполнены во всем диапазоне
напряжений питания.
Режим низковольтного программирования
Бит LVP в слове конфигурации используется для разрешения режима
низковольтного программирования. Этот режим позволяет запрограммировать
микроконтроллер по интерфейсу ICSP при одном источнике питания (не требуется
подавать напряжение Vihh на вывод -MCLR). По умолчанию LVP=1, разрешая
низковольтное программирование. При этом вывод RB3/PGH используется для
низковольтного программирования и перестает быть цифровым портом ввода/вывода.
Микроконтроллер переходит в режим программирования, когда на выводе RB3/PGM
высокий уровень сигнала. Режим стандартного программирования по прежнему
доступен (когда на выводе -MCLR напряжение Vihh).
2.4.2 Входная цепь
Входная цепь устройства представляет собой усилитель-компрессор. Основное
назначение усилителя-компрессора - не допустить превышения амплитуды звукового
сигнала на входе АЦП. Если удвоенная амплитуда превысит опорное напряжение, то
возникнут большие нелинейные искажения, которые нарушат нормальную работу ADPCM
кодека и сделают записанную речь неразборчивой. Кроме того, нелинейные
искажения расширяют спектр обрабатываемого сигнала, а это крайне нежелательно.
Усилитель-компрессор решает обе задачи. Во-первых, при любом уровне сигнала с
микрофона амплитуда выходного сигнала не превысит 1,8 В, во-вторых, этот
усилитель содержит в своем составе ФНЧ, который ограничивает спектр сигнала
частотой примерно 2800 Гц. На входе усилителя-компрессора установлен также ФВЧ
(RC), который перед компрессией
поднимает верхние частоты речевого сигнала, что способствует увеличению
разборчивости речи.
Фильтр высоких частот пропускает сигнал частотой начиная с 400 Гц. ФВЧ
представляет собой T-образный RC фильтр (Рисунок 2.4.2.1).
Рисунок 2.4.2.1 - Фильтр высоких частот.
Для обеспечения частоты среза 400 Гц:
f=1/(2*π*R*C)
R=51кОм
С=3300пФ.
На Рисунке 3.4.2.2 показана характеристика этого фильтра
Рисунок 2.4.2.2 - АЧХ фильтра верхних частот
В качестве фильтра нижних частот будем использовать активный фильтр на
операционном усилителе (Рисунок 2.4.2.3)
Рисунок 2.4.2.3 - Фильтр нижних частот
Характеристика фильтра нижних частот приведена на Рисунке 2.4.2.4
Рисунок 2.4.2.4 - АЧХ фильтра нижних частот
Для обеспечения частоты среза 2800 Гц:
R1=100
Ом;
R2=51кОм;
С1=2200пФ;
C2=220пФ.
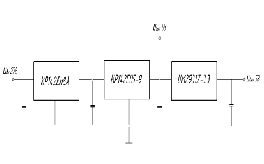
.4.3 Блок питания
Для обеспечения нормального функционирования цифрового регистратора
речевой информации необходимо иметь два вида напряжения:
+5 В(Вольт) для питания PIC
контроллера;
+3.3 В для питания Flash
памяти
В качестве первичного источника питания будем использовать напряжение 27
В от борт сети постоянного тока.
Для получения нужных напряжений будем использовать интегральные
стабилизаторы напряжения Рисунок 3.4.3.1:
· КР142ЕН8А - стабилизатор напряжения на 9В;
· КР142ЕН5-9 - стабилизатор напряжения на 5В;
· UM2931Z-3.3
- стабилизатор напряжения на 3,3В.
Эти микросхемы являются трехвыводными стабилизаторами с фиксированным
выходным напряжением в диапазоне от 5В до 27 В могут найти применение в широком
спектре радиоэлектронных устройств. Диапазон напряжений, перекрываемых данной
серией стабилизаторов, позволяет использовать их в качестве источников питания,
логических систем, измерительной техники, устройств высококачественного
воспроизведения и других радиоэлектронных устройств. Несмотря на то, что
основное назначение этих приборов - источники фиксированного напряжения, они
могут быть использованы и как источники с регулированием напряжения и тока
путем добавления в схемы их применения внешних компонентов. Внешние компоненты
могут быть использованы для успокоения переходных процессов. Входной
конденсатор необходим только в том случае, если регулятор находится далеко от
фильтрующего конденсатора источника питания.
Особенности
· Встроенная защита от перегрева
· Встроенный ограничитель тока КЗ
· Коррекция зоны безопасной работы выходного транзистора
Максимальные значения параметров и режимов
· Диапазон температур хранения -55 ... +150С
· Рабочий диапазон температур кристалла -45 ... +125С
Рисунок 2.4.3.1 - Блок питания
.4.4 Схема контроля
В схему контроля входят следующие элементы:
· Кнопка контроль;
· Светодиод «Контроль»;
· ШИМ модуль микроконтроллера PIC16F819
(нога 9);
· ФНЧ (фильтр нижних частот: транзистор VT1 и R13,C6; R16,C7;
R19, C9; R26, C14);
· Динамик.
При нажатии кнопки «Контроль» предварительно записанный сигнал
считывается с Flash памяти, обрабатывается в ШИМ модуле
микроконтроллера. Затем полученный сигнал проходит через фильтр низких частот
на усилитель низкой частоты, где усиливается и подается на динамик, загорается
светодиод «Контроль».
2.4.5 Нагревательные элементы
В нашей разработке используются компоненты, рассчитанные на работу при
очень низких температурах, поэтому мы отказываемся от какого-либо обогрева, чем
обеспечиваем уменьшение веса и энергопотребления разрабатываемой системы.
2.5 Работа цифрового регистратора речевой информации
Аппаратная часть диктофона содержит микроконтроллер PIC16F819 и
DataFlash. Кроме этого в схеме есть УНЧ МС34119, усилитель-компрессор на ОУ TL074 и стабилизаторы напряжений питания.
Для управления режимами имеются 2 кнопки и для индикации этих режимов - 2
светодиода, плюс регулятор громкости при воспроизведении.
Для стабилизации питания PIC контроллера установлен стабилизатор
КР142ЕН8А(9 Вольт) и КР142ЕН5-9 (5 Вольт),
микросхема Flash памяти запитывается через отдельный
стабилизатор LM2931Z -3,3(3,3в). Наличие 2-х напряжений питания объясняется
тем, что PIC16F819 требует напряжение питания от 4-х до 5-ти В, причем для
большей устойчивости работы при тактовой частоте 20 МГц было выбрано напряжение
5 В. Микросхема флеш-памяти, в свою очередь, имеет максимально допустимое
напряжение питания +3,6 В.
Основное назначение усилителя-компрессора - не допустить превышения
амплитуды звукового сигнала на входе АЦП. Если удвоенная амплитуда превысит
опорное напряжение, то возникнут большие нелинейные искажения, которые нарушат
нормальную работу ADPCM кодека и сделают записанную речь неразборчивой. Кроме
того, нелинейные искажения расширяют спектр обрабатываемого сигнала, а это
крайне нежелательно. Усилитель-компрессор решает обе задачи. Во-первых, при
любом уровне сигнала с микрофона амплитуда выходного сигнала не превысит 1,8 В,
во-вторых, этот усилитель содержит в своем составе
ФНЧ ( на ОУ DA1:4 ), который ограничивает спектр
сигнала частотой примерно 2800 Гц. На входе усилителя-компрессора установлен
также ФВЧ ( на элементах C2, R4, C4, R11), который перед компрессией
поднимает верхние частоты речевого сигнала, что способствует увеличению
разборчивости речи. Для снижения энергопотребления в режиме ожидания питание
усилителя отключается ключом на VT2, VT3. С этой же целью отключается и
напряжение «виртуальной земли» ( С12, плюсовой вывод). Подробнее о принципе
работы микрофонного усилителя-компрессора можно почитать.
Опорное напряжение АЦП задается резистивным делителем R5, R6 и составляет 3,85 В. Это несколько
больше макс. размаха напряжения на выходе микрофонного усилителя , который
равен 2*1,8В. В режиме ожидания опорное напряжение отключается. На выходе
модуля ШИМ ( нога 9 PIC16F819 ) установлен ФНЧ 4-го
порядка ( транзистор VT1 и R13,C6; R16,C7; R19, C9; R26, C14 ), который отфильтровывает полученный звуковой сигнал.
Питание на фильтр подается только при воспроизведении с вывода RA 1
микроконтроллера.
Назначение УНЧ - усилить сигнал звуковой частоты до уровня, необходимого
для работы динамика. В режиме ожидания он также отключается высоким уровнем на
ножке 1 ИС МС34119. Через R 29 на вход УНЧ подаются «цифровые» звуки с
микроконтроллера.
Для снижения энергопотребления самим микроконтроллером используется режим
SLEEP . Из этого режима контроллер периодически ( с периодом срабатывания WDT )
выходит чтобы опросить нажатия кнопок. В программе установлен период срабатывания
WDT ~ 72 мс. Благодаря всем предпринятым мерам по снижению энергопотребления (
включая применение экономичных стабилизаторов напряжения КР142ЕН ) удалось
добиться, что диктофон в режиме ожидания потребляет меньше 1 мА, а в режиме
записи - не более 30мА.
3. Техническая эксплуатация
Техническая эксплуатация авиационной техники представляет собой
производственную деятельность авиапредприятий, организаций, управлений и
работников гражданской авиации по обеспечению полетов.
Техническая эксплуатация включает в себя:
·
техническое
обслуживание авиационной техники;
·
организационное
обеспечение технического обслуживания и других работ на авиационной технике;
·
управление
оборудованием самолетов на земле и в полете с целью установления наивыгоднейших
режимов его работы.
Техническое обслуживание авиационной техники представляет собой комплекс
работ, выполняемых инженерно-техническим и рабочим составом ИАС, на авиационной
технике, в целях своевременной подготовки самолетов к полетам и обеспечения их
безотказной работы на протяжение установленных ресурсов и сроков службы.
Тех. обслуживание включает в себя:
·
организацию и
выполнение работ, определяемых регламентом т.о.соответствующего воздушного
судна;
·
выполнение
дополнительных работ к регламенту по устранению отказов и неисправностей,
выявленных в полете и в процессе обслуживания авиационной техники.
Разработанная в данном дипломном проекте система обслуживается по всем
формам технического обслуживания начиная с А базовой.
Перед каждым вылетом необходимо:
Нажать кнопку запись;
Четко произнося слова записать дату, тип и номер ВС,
наименование аэропорта, фамилию исполнителя;
Нажать кнопку «Контроль», убедиться что идет прослушивание
записанной информации и горит светодиод «Контроль».
Обязательная проверка и подтяжка контровочных гаек при каждом
периодическом обслуживании.
4. Безопасность жизнедеятельности
Накопленная речевая информация после
полета, при необходимости, предается в вычислительный центр для дальнейшей
обработки, эта обработка выполняется на ПЭВМ оператором. Операторы подвергаются
таким опасным и вредным производственным факторам, как, электромагнитное
излучение, электростатические поля, поражение электрическим током, опасность
пожара, повышенная температура внешней среды и др. Следовательно, целью данного
раздела диплома является выявление и наиболее эффективное противодействие
отрицательным воздействиям вычислительной техники на организм человека.
Безопасность производства - это создание таких условий работы коллектива,
при которых сведены к минимуму возможности возникновения ситуаций, ведущих к
физическому и моральному ущербу обслуживания персонала. Значение безопасности
производства велико, так как здесь изучаются опасные и вредные производственные
факторы, степень их воздействия на работающих. Разрабатываются организационные
и технические мероприятия, направленные на профилактику производственного
травматизма и профессиональных заболеваний. Создаются технические средства
защиты, устраняющие или уменьшающие воздействие на работающих этих факторов.
Предупреждаются несчастные случаи путем анализа возможных аварийных ситуаций.
На работоспособность человека влияют также и неблагоприятные факторы
внешней среды - микроклиматические условия. Так как при работе ЭВМ выделяется
большое количество тепла, то наиболее часто изменения микроклимата в помещениях
вычислительного центра (ВЦ) вызываются повышением температуры.
Работоспособность человека зависит, кроме того, от влажности и скорости
движения воздуха, освещенности, состава воздуха в помещениях, атмосферного
давления, окраски оборудования, помещений и др.Гак как, разрабатываемая система
предназначена для пользователя, то есть для людей, которые в течение рабочего
времени должны воспринимать большой объем информации и быстро и точно на нее
реагировать. Для предупреждения утомления и повышения работоспособности этих
лиц в первую очередь необходимо установить наиболее рациональный режим работы и
отдыха.
На Рисунке 4.1 показано расположение рабочего места и необходимого
оборудования, рассчитанного на одного человека.
Рисунок 4.1 Схема расположения оборудования в
вычислительном центре
Защита от воздействия статического электричества.
Для снижения величин возникающих зарядов статического электричества в ВЦ
покрытие технологических полов выполнено из однослойного поливинилхлоридного
антистатического линолеума марки АСН. Другим методом защиты является
нейтрализация заряда статического электричества ионизированным газом.
Микроклимат
Микроклимат - это сочетание температуры, относительной влажности и
скорости движения воздуха (ГОСТ 12.1.005-88). Эти параметры оказывают влияние
не только на самочувствие, здоровье и функциональную деятельность человека, но
и на надежность работы средств вычислительной техники. Температура воздуха -
один из основных параметров, характеризующих тепловые состояния микроклимата,
то есть кинетическую энергию молекулярных движений. Температуру измеряют в
градусах Цельсия или Кельвинах. В рассматриваемой комнате температура воздуха
поддерживается в пределах:
зимой: 22-24 ºС
летом: 23-25 ºС
Скорость движения воздуха - вектор усредненной скорости перемещения
воздушных потоков под действием различных побуждающих сил. Скорость движения
воздуха измеряется в м/с. В нашем помещении скорость движения воздуха составляет
0,1-0,4 м/с. Вентиляция естественная.
Для характеристики содержания влаги в воздухе используют понятия
-абсолютная, максимальная и относительная влажность.
Абсолютная влажность - это упругость (парциальное давление) водяных
паров, находящихся в момент исследования в воздухе.
Максимальная влажность - упругость водяных паров, максимально возможная
при данной температуре воздуха, или плотность водяных паров, способных насытить
единицу объема воздуха при данных условиях. Относительная влажность воздуха -
это процентное отношение абсолютной влажности к максимальной. В нашем помещении
влажность поддерживается на уровне 60-80%, при температуре 22-25 ºС.
Данные микроклиматические параметры влияют как каждый в отдельности так и
в различных сочетаниях. Наиболее важное влияние в помещениях ВЦ, оказывают
источники выделения тепла - комплексы средств вычислительной техники.
К источникам выделения тепла в помещениях ВЦ являются:
· ЭВМ с периферией;
· приборы освещения;
· обслуживающий персонал.
Кроме этого на суммарные тепловыделения помещений ВЦ оказывают влияние
внешние источники поступлений теплоты. К ним относятся:
· теплота, поступающая через окна от солнечной радиации;
· приток теплоты через непрозрачные ограждающие конструкции.
На работу оборудования ВЦ большое влияние оказывает относительная
влажность воздуха. При влажности воздуха до 40% становится хрупкой основа
магнитной ленты, повышается износ магнитных головок, выходит из строя изоляция
проводов, а также возникает статическое электричество придвижении носителей
информации в ЭВМ.
На ВЦ постоянно действует мощная система кондиционирования поэтому
окислителя - кислорода здесь имеется достаточное количество.
Освещенность
Безопасность и производительность труда на рабочих
местах зависит от состояния производственного освещения. Качественные и
количественные характеристики производственного освещения регламентируются
нормами и стандартами.
В соответствии с СНиП П 4-79 выдвигаются следующие требования:
· освещенность должна соответствовать характеру работы;
· необходимо равномерное распределение яркости на рабочей
поверхности;
· должны отсутствовать резкие тени, прямая и отраженная
блеклость;
· величина освещения должна быть постоянной во времени;
· следует выбирать необходимый спектральный состав света;
· элементы осветительных установок должны быть долговечными,
электробезопасными и пожаробезопасными;
· осветительные установки должны быть удобными и простыми в
эксплуатации.
Правильное освещение позволит снизить нагрузку на
зрение, создает благоприятные условия труда и повышает работоспособность. Для
освещения лаборатории выбираем лампы типа ОД (открытого дневного света). Для
этого типа ламп равномерное распределение освещенности достигается в том
случае, если отношение расстояния между центрами светильников L к высоте их подвеса над рабочей
поверхностью h составит 1,4.
Исходя из характера выполняемой работы, нормируемая
освещенность на рабочем месте составляет 200лк. Фон средний. Контраст объекта с
фоном средний.
Рассчитаем производственное освещение, учитывая: соответствие
уровня освещенности рабочего места, характеру выполняемой зрительной работы;
равномерное распределение яркости на рабочую поверхность и в окружающем
пространстве; отсутствие резких теней; постоянство освещенности во времени;
оптимальную направленность излучаемого осветительными приборами светового
потока; долговечность, экономичность, эстетичность, удобство и простоту в
эксплуатации
Согласно СНиП П-4-79 норма освещенности работы
оператора ЭВМ с экраном и документацией составляет Е=400 лк. Высота плоскости
нормирования освещенности от пола равна l = 0.8 м. Помещение имеет размеры:
А - длина = 5 м.
В - ширина = 4 м.
Н - высота = 3 м.
Для освещения используются светильники типа УВЛН -
лампы люминесцентные типа ЛБ-40 (четырехламповые). Коэффициент отражения
светового потока от потолка и стен соответственно равны:
Рп=B/A=80%; Рс=H/B=75%.
Расстояние от светильников до рабочей поверхности
составляет:
h = H - l = 3 - 0.8 = 2.2 м.
У светильников УВЛН наивыгоднейшее отношение g=1.4. Тогда расстояние между рядами
светильников будет равно:
L=g*h=l,4*2,2=3,08 м.
Светильники располагаются вдоль длинной стороны
помещения.
При ширине помещения В=4 м, получаем число рядов m=1. С учетом заданных Рп и Рс, а
также индекса помещения, равного:
i=(A*B)/(h*(A+B))=(5*4)/(2,2*(5+4))=l,01
Определяем по справочнику коэффициент использования
излучаемого светильниками светового потока n=0,55.
Номинальный световой поток 1 лампы из 4-х в ЛБ-40
равен Ф=3120 лм. Следовательно для всей лампы Фc=4*3120=12480 лм. Определим необходимое число светильников в
ряду по формуле:
N=(E*K3*S*z)/(m*Фс*n*y),где
Кз - коэффициент запаса, учитывающий запыление и износ
источников света, Кз=1.5;
S - освещаемая площадь, S=20 м2;
z - коэффициент неравномерности освещения, z=1,1Л;
у - коэффициент затенения, у=0.9.=(400*
1,5*20*1,1)/(1*12480*0,55*0,9)=2
При длине одного светильника 1=1.3 м, общая длина Ni=1,3*2=2,6 м.
Расстояние между светильниками определим по формуле:
R=(A-Ni)/N+1)=(5-2,6)/(2+1)=0,8 м.
Итого:
Для получения нормы освещенности Е=400 лк для помещения площадью 20 м2,
используют 2 светильника типа УВЛН с лампами ЛБ-40 расположенных в 1 ряд;
расстояние от стен и между рядами составляет 1.5 м., между светильниками - 0.8
м.
Пожаробезопасность
Для изготовления строительных конструкций используются негорючие и трудно
сгораемые материалы: кирпич, железобетон, стекло, металл и др.
Для ликвидации пожаров в начальной стадии применяются первичные средства
пожаротушения: огнетушители ручные и передвижные, сухой песок и др.
В зданиях ВЦ пожарными кранами пользоваться запрещено, так как это может
привести к дополнительным потерям оборудования, поражении: электрическим током,
возникновению других очагов пожара вследствие замыкания электропроводки.
Рекомендуется пользоваться углекислотными огнетушителями, таких типов как,
установка газового тушения Т2МА(двухбалонная батарея), ОУ-2 или ОУБ-3. Ручные
огнетушители устанавливаются в помещениях из расчета один огнетушитель на 40-50
м2площади, но не менее двух в помещении. Помимо огнетушителей на ВЦ
должна быть сделана пожарная сигнализация (автоматический пожарный извещатель
ДТЛ, извещатель пожарный тепловой ИП 104-1, извещатель дымовой комбинированный
ДИП-1). По технике пожаробезопасности дверь должна открываться наружу.
Особенностью современных ПЭВМ является очень высокая плотность монтажа
элементов электронных схем. При прохождении электрического тока по проводникам
и деталям выделяется тепло, что может привести к перегреву. Надежная работа
отдельных элементов обеспечивается только в определенных интервалах
температуры, влажности и при заданных электрических параметрах, отклонение от
которых может привести к возникновению пожароопасных ситуаций.
Исходя из вышесказанного вот несколько простых правил пожарной
безопасности для ЭВМ:
·
никогда не мыть
корпус мокрой тряпкой, т.к. вода может попасть внутрь и это может привести к
замыканию;
·
нельзя ставить
рядом рабочие электронагревательные приборы;
·
убирать пыль с
микросхем;
Воздух в помещении не должен быть влажным (температура 18-24°С при
относительной влажности 40-80%) во избежание статического разряда.
Меры по технике безопасности
Для снижения вредного для здоровья человека электромагнитного излучения
(основной источник - дисплей ЭВМ) применяются защитные экраны-фильтры.
В персональной ЭВМ используется опасное для человека напряжение 220 В,
поэтому всю электропроводку и контакты необходимо заизолировать.
Перед испытаниями вновь разрабатываемых устройств, необходимо произвести
визуальный контроль испытываемого устройства па предмет отсутствия замыканий.
Обязательное присутствие при монтажно-наладочных работах не менее двух
человек.
Освещение рабочего места должно соответствовать нормативным данным и
являться оптимальным для данного класса работ.
Оборудование лаборатории не должно загромождать проходы между рабочими
местами и выход из помещения.
5. Экономическая часть
Применению микропроцессорных систем в авиации (и не только в ГА)
способствуют их малые габариты, вес, энергопотребление, высокая надежность и
огромные функциональные возможности. При этом мощный прогресс всех компонентов
микропроцессорных систем делает все более важной их роль в самолете. При этом
быстрый прогресс МП систем вызывает постоянное отставание самолетных комплексов
от все более мощной, миниатюрной и быстродействующей компьютерной техники.
Ситуация требует своевременных модификаций и доработок самолетных
микропроцессорных систем, причем эта возможность закладывается при разработке,
то есть летательные аппараты, имеющие в своем оборудовании эти системы, могут
быть легко и просто доработаны. С самолетами, не имеющими МП систем, дела
обстоят хуже. У ведущих КБ и у организаций, эксплуатирующих эти самолеты, не
хватает средств на их модернизацию. Одним из возможных решений этой проблемы
является передача этих задач небольшим научно-техническим коллективам, а после
испытаний и сертификации (под контролем КБ) - установка на воздушное судно. При
этом появляется реальная возможность поддерживать оборудование на современном
уровне.
Целью данной работы является разработка микропроцессорной системы
регистрации речевой информации на твердотельной памяти, позволяющей сохранять
речевую информацию в течении 10 часов полета.
В решение вопроса о целесообразности внедрения в эксплуатацию
разработанной системы в Таблице 5.1 предлагаем смету сборки такого МП
устройства.
Таблица 5.1
|
Наименование
|
Количество, шт.
|
Цена, руб.
|
|
Шлейфовые кабели
|
1
|
50
|
|
Кабели соединительные
|
3 метра
|
35
|
|
Микросхема PIC16F819
|
1
|
110
|
|
Микросхема КР142ЕН8А
|
1
|
8
|
|
Микросхема КР142ЕН5А
|
1
|
7
|
|
Микросхема LM293z
|
1
|
10
|
|
Микросхема MC34119
|
1
|
80
|
|
Транзистор BC547
|
2
|
8
|
|
Транзистор BC557
|
1
|
4
|
|
Диод 1N5819
|
4
|
10
|
|
Светодиод 0603UGC
|
2
|
6
|
|
Обвязка
|
|
90
|
|
Оплата работы по монтажу
печатной платы и изготовление
|
|
350
|
Итого: 768 рублей.
Основываясь на полученных данных и зная стоимость комплектов магнитофонов
на ферромагнитной ленте или проволочном звуковом носителе с высокочастотным
подмагничиванием, можно сделать вывод: при внедрении разработанной системы,
появится реальный выигрыш в цене. Но главное эта система позволят реально
контролировать и оценивать действия экипажа, что, несомненно, скажете на
качестве работы экипажей и повышении безопасности полетов.
6.
Экологичность проекта
В дипломном проекте разработана микропроцессорная система. Данная МП
система является системой сбора и накопления информации. Система не производит
никаких вредных воздействий ни на атмосферу, ни на гидросферу, так как в
процессе работы устройства не происходит никаких химических реакций с
образованием газов, вода в устройстве не используется, сброс стоков в
канализацию отсутствует.
Электромагнитное излучение очень мало (в документации не приводится) и не
может оказать вредного влияния, так как микропроцессорная система будет
помещена в металлический корпус, который экранирует электромагнитное излучение.
Нагревание системы незначительно (в документации не указывается), так как
система разрабатывалась с запасом по мощности и работает на 40% от
максимальной.
К отходам производства можно отнести только металл, используемый при
изготовлении корпуса, но он может быть использован вторично.
После морального устарения системы, металлические корпуса могут быть
легко утилизированы путем переплавки.
Используемые материалы
Корпуса - металлические.
Платы - текстолитовые.
Один корпус массой 0,5 кг и один каркас массой 0,1кг.
Общая масса плат 0.01 кг.
Корпуса - утилизируемые компоненты.
Платы - не утилизируемые компоненты.
Масса утилизируемых деталей Муд, равна 0,5 кг.
Мприб =Мплат+ Мкорп =0,51 кг.
К=Муд/Мприб=0,98
где Мприб - масса прибора,
Мплат - масса платы,
Мкорп - масса корпуса.
К>0,95.
Прибор относится к категории безотходной технологии. Вывод: прибор
достаточно экологичен, единственная возможность увеличения экологичности -
разработка технологии утилизации текстолита.
Заключение
В данном дипломном проекте разработан цифровой регистратор речевой
информации с твердотельной памятью. Приведенные расчеты показывают, что
разработанная система превосходит по многим параметрам существующие до сих пор
магнитофоны, использующие принцип записи речевой информации на ферромагнитную
ленту или проволочный звуковой носитель с высокочастотным подмагничиванием. При
замене устаревших систем появится выигрыш в цене и в массе, а следовательно и
экономическая выгода, но главное эта система позволит реально оценивать и
контролировать действия экипажей, что несомненно скажется на качестве работы и
повышении безопасности полетов.
Разработанное устройство может быть легко модернизировано аппаратно или
программно для решения более широкого круга задач. Все это возможно благодаря
использованию микропроцессора.
Список литературы
1) Тавернье
К.. PIC-микроконтроллеры. Практика
применения. Пер.с фр. ДМК Пресс, 2008-272с.:ил. (Серия «Справочник»).
) Предко
М.. Руководство по микроконтроллерам. Том I. Москва: Постмаркет, 2001. - 488с.
) Предко
М.. Руководство по микроконтроллерам. Том II. Москва: Постмаркет, 2001. - 429с.
) Уильрих
В.А.. Мироконтроллеры PIC16XXX. Изд. 2-е, перераб. и доп. - СПб:
Наука и Техника, 2002. - 320с.:ил.
) Мусонов
В. М., Чижиков В. А. Радиоэлектроника и схемотехника. Красноярск: ИПЦ СибГАУ,
2006, 118 с.
) Хоровиц
П., Хилл У.. Искусство схемотехники. Том II. Пер. с англ. - Изд.3 -е, стереотип, - М.:Мир, 1986. - 590с.: ил.
) Хоровиц
П., Хилл У.. Искусство схемотехники. Том III. Пер. с англ. - Изд.4 -е перераб и доп., - М.:Мир, 1993. - 367с.: ил.
) Вертолет
Ми-8. Техническое описание. Книга V. Радиооборудование
) Вертолет
Ми-8Амт. Руководство по технической эксплуатации. Книга V. Радиоэлектронное оборудование.
) Самолет
Ту-154Б. Руководство по эксплуатации и техническому обслуживанию. Книга 8.
Радиооборудование.
) Охрана
труда в машиностроении: Учебник для машиностроительных вузов /Е.Я. Юдин, С.В.
Белов, С.К. Баланцев и др.; Под ред. Е.Я. Юдина, С.В. Белова - 2-е изд.,
перераб. и доп. - М.: Машиностроение, 1983
) Пейн
Ан.. Сопряжение ПК с внешними устройствами. Пер. с англ. - М.: ДМК Пресс, 2001.
- 320 с.:ил.
) Предко
М.. Справочник по PIC -
микроконтроллерам. Пер с англ - М ДМК Пресс, 2002. - 512с.:ил.
) Алдошина
И. Основы психоакустики. Подборка статей с сайта http:/www.625-net.ru
) Уилкинсон
Б. Основы проектирования цифровых схем.: Пер. с англ. - М.: Издательский дом
«Вильямс», 2004. - 320с.: ил.
) Уэйкерли,
Дж. Ф. Проектирование цифровых устройств /Дж. Ф. Уэйкерли - М.:- Постмаркет,
2002. - 544 с.
) Сайт
в сети Интернет http://www.dinistor.net.ru/
) Сайт
в сети Интернет http://www.irls.narod.ru
) Сайт
в сети Интернет http://www.gaw.ru/
) Сайт
в сети Интернет http://www.cxem.net/
) Сайт
в сети Интернет http://www.kazus.ru/
) Сайт
в сети Интернет http://www.atmel.ru/
) Сайт
в сети Интернет http://www.hopka.org.ua
) Сайт
в сети Интернет http://www.microchip.ru
) Сайт
в сети Интернет http://www.datasheet.ru