Асинхронный двигатель
Задание 1. Расчет схемы замещения трёхфазного
трансформатора
Дано:
|
Тип
трансформатора
|
Sном., кВА
|
Uвн, кВ
|
Uнн, кВ
|
Ро,
кВт
|
Рк,
кВт
|
uк, %
|
iо, %
|
f , Гц
|
cosφ2
|
|
ТМ
- 160/10
|
160
|
10
|
0,4
|
0,51
|
2,65
|
4,5
|
2,4
|
50
|
0.8
|
Таблица 1.1 - Технические данные трансформатора
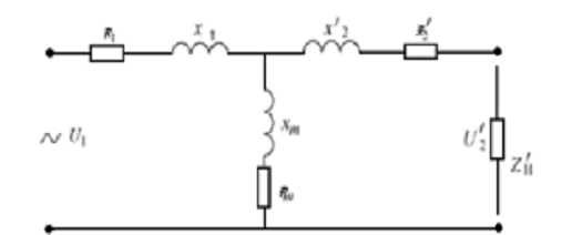
Рисунок 1.1 - Схема замещения трансформатора.
.Находим номинальное напряжение в первичной
обмотке
В
.Находим номинальный ток в первичной
обмотке
А
.Находим коэффициент трансформации
трансформатора
.Находим номинальное напряжение
вторичной обмотки
В
.Находим номинальный ток вторичной
обмотки
А
.Находим ток «холостого хода»
А
.Находим напряжение «короткого
замыкания»
В
.Находим полное, активное и
реактивное сопротивление при КЗ
Ом
Ом
Ом
9.Находим угол КЗ φк
.Находим сопротивление первичной и
приведённой вторичной обмоток
Ом
Ом
Ом
Ом ;
Ом ;
Ом.
.Находим сопротивления вторичной
цепи реального трансформатора
Ом
Ом
.Находим полное сопротивление цепи в
режиме ХХ и его составляющие
Ом
Ом
Ом
.Находим полное сопротивление ветвей
намагничивания и его составляющие
Ом
Ом
Ом
.Находим мощность потерь в
магнитопроводе при
Вт
.Находим мощность потерь в режиме ХХ
первичной обмотки
Вт
.Находим потери в режиме ХХ
Вт
.Находим мощность потерь в первичной
и вторичной обмотках в номинальном режиме
Вт
Вт
.Находим суммарную мощность потерь в
номинальном режиме
Вт
.Находим КПД трансформатора при
номинальном режиме, коэффициент нагрузки
,
.
.Находим оптимальные коэффициент
нагрузки и КПД
.Находим изменение напряжение в
номинальном режиме при активно-индуктивной нагрузке
В
где
,
.
.Находим действующее значение
линейного напряжения во вторичной обмотке
В
23.Находим фазное напряжение во
вторичной обмотке
В
Построим зависимость изменения
вторичного напряжения трансформатора от изменения нагрузочного коэффициента и
характера нагрузки.
Таблица 1.2 - Зависимость изменения
вторичного напряжения трансформатора от изменения нагрузочного коэффициента и
характера нагрузки.
|
β
|
U2, В при cos
φ2
= 1
|
U2, В при cos
φ2
= 0,85
|
U2, В при cos
φ2
= -
0,9
|
|
0
|
230,9401
|
230,9401
|
230,9401
|
|
0,25
|
229,9839
|
228,8548
|
230,7477
|
|
0,5
|
229,0276
|
226,7694
|
230,5554
|
|
0,75
|
228,0714
|
224,6841
|
230,363
|
|
1
|
227,1152
|
222,5987
|
230,1706
|
|
1,25
|
226,1589
|
220,5134
|
229,9783
|
Построим зависимость изменения КПД
трансформатора от коэффициента нагрузки и характера нагрузки
Таблица 1.3 - Зависимость изменения
КПД трансформатора от коэффициента нагрузки и характера нагрузки
|
β
|
ή, при cos
φ2
= 1
|
ή, при cos
φ2
= 0,85
|
ή, при cos
φ2
= -
0,9
|
|
0
|
0
|
0
|
0
|
|
0,25
|
0,98339
|
0,980516
|
1,019126
|
|
0,5
|
0,985555
|
0,98305
|
1,016554
|
|
0,75
|
0,983602
|
0,980763
|
1,018874
|
0,980633
|
0,977292
|
1,022437
|
|
1,25
|
0,977275
|
0,973372
|
1,026522
|
Задание 2 Расчет параметров и построение
механической характеристики асинхронного электродвигателя
Дано:
Таблица 2.1 - Технические данные асинхронного
электродвигателя.
|
Тип
эл.двигателя
|
Р2ном,
кВт
|
n1, об/мин
|
n2, об/мин
|
ή, %
|
cosφном
|
M*max(кр.)
|
M*п
|
I*п
|
|
4А132S6У3
|
5,5
|
1000
|
965
|
85,0
|
0,80
|
2,5
|
2,0
|
6,5
|
Определить:
- число пар полюсов
скольжение при номинальной нагрузке
номинальный вращающий момент
активную мощность электроэнергии,
подведённую к электродвигателю
номинальный ток статора
пусковой ток статора
пусковой момент
максимальный (критический) момент
как изменится пусковой ток, пусковой
и максимальный моменты при снижении напряжения сети на 10%
угловую частоту вращения ротора
соответствующую режиму идеального холостого хода
номинальную угловую частоту вращения
ротора
критическую угловую частоту вращения
ротора
построить механические
характеристики электродвигателя.
Находим число пар полюсов
,
где f - частота
сети (f = 50Гц).
Находим скольжение при номинальной
нагрузке
Находим номинальный вращающий момент
Н·м
Находим активную мощность
электроэнергии, подведённую к электродвигателю
Вт
Находим номинальный ток статора
А
где
В - напряжение сети.
Находим пусковой ток статора
А
Находим пусковой момент
Н·м
Находим максимальный (критический) момент
Н·м
Определим, как изменится пусковой
ток, пусковой и максимальный моменты при снижении напряжения сети на 10%
В
А
Н·м
Н·м
Вывод: при понижении напряжении в
сети понижается пусковой ток и снижаются пусковой и максимальный моменты.
Находим угловую частоту вращения
ротора соответствующую режиму идеального холостого хода
рад/с
Находим номинальную угловую частоту
вращения ротора 
Находим критическую угловую частоту
вращения ротора
об/мин
рад/с
Расчёт и построение механической
характеристики электродвигателя.
Механическую характеристику можно
построить по паспортным данным:
точка 1 соответствует идеальному
холостому ходу эл.двигателя;
точка 2 - номинальному режиму работы
эл.двигателя;
точка 3 - критическим моменту и
частоте вращения;
точка 4 - пусковому моменту
эл.двигателя, при S = 1.
трансформатор
асинхронный электродвигатель ротор
Таблица 2.2 - Зависимость частоты
вращения и электромагнитного момента электродвигателя.
|
№
точки
|
М,
Н·м
|
n2, об/мин
|
|
1
|
0
|
1000
|
|
2
|
54,42604
|
965
|
|
3
|
136,0651
|
832,3049
|
|
4
|
108,8521
|
0
|
Найдём механическую характеристику момента, как
функцию скольжения S
Найдём зависимость частоты вращения
ротора при различных значениях S
Данные расчётов заносим в таблицу
Таблица 2.3 - Зависимость частоты
вращения ротора и электромагнитного момента электродвигателя от скольжения.
|
S
|
М,
Н·м
|
n2, об/мин
|
|
0,001
|
1,62271
|
999
|
|
0,05
|
74,51413
|
950
|
|
0,1
|
119,7086
|
900
|
|
0,15
|
135,2235
|
850
|
|
0,2
|
133,9806
|
800
|
|
0,25
|
125,894
|
750
|
|
0,3
|
115,9014
|
700
|
|
0,35
|
106,042
|
650
|
|
0,4
|
97,03274
|
600
|
|
0,45
|
89,045
|
550
|
|
0,5
|
82,04126
|
500
|
|
0,55
|
450
|
|
0,6
|
70,54731
|
400
|
|
0,65
|
65,82614
|
350
|
|
0,7
|
61,6543
|
300
|
|
0,75
|
57,9494
|
250
|
|
0,8
|
54,64262
|
200
|
|
0,85
|
51,67672
|
150
|
|
0,9
|
49,00411
|
100
|
|
0,95
|
46,58515
|
50
|
|
1
|
44,38667
|
0
|
Строим зависимость
и
Рисунок 2.1 - Зависимость
: а) по
таблице 2.2 и б) по таблице 2.3
Рисунок 2.2 - Зависимость