Барабанная электрическая печь для закалки шариков подшипников качения

  • Вид работы:
    Дипломная (ВКР)
  • Предмет:
    Другое
  • Язык:
    Русский
    ,
    Формат файла:
    MS Word
    1,20 Mb
  • Опубликовано:
    2012-02-03
Вы можете узнать стоимость помощи в написании студенческой работы.
Помощь в написании работы, которую точно примут!

Барабанная электрическая печь для закалки шариков подшипников качения

Курсовая работа на тему

“Барабанная электрическая печь для закалки шариков подшипников качения”

Содержание

1.   Задание на курсовой проект

1.1.          Исходные данные

2.   Тепловой расчет

2.1. Определение температур в тепловых зонах

.2. Расчет полезной мощности

.3. Расчет вспомогательной мощности

.4. Выбор материалов футеровки

.5. Расчет тепловых потерь

.6. Определение установленной мощности тепловых зон

.7. Определение теплового КПД и удельного расхода электроэнергии

. Электрический расчет

.1. Расчет нагревателей зоны нагрева

.2. Расчет нагревателей зоны выдержки

.     Механический расчет

Список используемой литературы

1.   Задание на курсовой проект

Спроектировать барабанную печь для закалки шариков подшипников качения производительностью 90 кг/час.

.1 Исходные данные

1.   Характеристика загрузки.

Объемная масса насыпной загрузки 3600 кг/м3

Удельная теплоемкость 0,52 кДж/(кг

Теплопроводность 20 Вт/(м

.     Температурный режим.

Конечная температура нагрева 800

Время нагрева 1,1 часа

Время выдержки 0,55 часа

.     Питающее напряжение 3х380 В

2.   Тепловой расчет

.1 Выбор размеров рабочего пространства печи

Согласно заданию на курсовой проект производительность печи равна Е=90 кг/ч.

Для барабанных печей погонная загрузка принимается равной 80…120 кг/пм. Выбираем погонную загрузку g=90кг/пм.

Длину участка нагрева определяем по формуле:

 

Длину участка выдержки определяем по формуле:

 

В печи предусмотрена одна зона нагрева длиной и одна зона выдержки длиной

Общая длина рабочего пространства определяется как

 

Длину рабочего пространства печи принимаем равной

 

Для барабанных печей отношение диаметра барабана к расчетной длине рабочего пространства (длине активной части барабана) составляет 0,17…0,25.

Диаметр барабана печи выбираем равным

 

Ширину рабочего пространства печи зададим равной

 

Высоту рабочего пространства печи зададим равной

 

2.1 Определение температур в тепловых зонах

Удельный тепловой поток для печи с одной зоной нагрева определяем по формуле:

 

где  - конечная температура нагрева загрузки, 0С

-начальная температура нагрева загрузки, принимается равной 200С

 - удельная теплоемкость загрузки, Дж/кг0С;

 - радиус барабана;

a - температуропроводность загрузки, м2/с;

λ - теплопроводность загрузки, Вт/м0С;


Согласно табл.5.2  , удельный тепловой поток, определяемый температурой печи и материалом загрузки, не превышает предельного значения для стали q=55800 Вт/м2.

По удельному тепловому потоку рассчитываем температуру печи, 0С:

 

где Спр - приведенный коэффициент лучеиспускания, Вт/(м2 К4), определяемый как

 

где  - степень черноты печи, принимаемая равной 0,9 ;

 - степень черноты барабана, принимаемая равной 0,8 ;

По формуле (8):

 

Температура печи по формуле (7) :

 

Перепад температуры в загрузке в конце зоны нагрева определяем по формуле:

 

 

Так как в барабане печи происходит постоянное перемешивание загрузки, то перепад температуры по сечению барабана считается допустимым.

2.2 Расчет полезной мощности

Полезная мощность, т.е. мощность, расходуемая на нагрев загрузки, Вт, определяется для зоны нагрева как

 

где  - удельная теплоемкость загрузки, Дж/кг0С;

g - погонная загрузка, кг/пм;

 - длина зоны, м;

 - температура загрузки в конце и в начале зоны;

 - время нахождения загрузки в зоне нагрева, ч.

 

2.3 Расчет вспомогательной мощности

Под вспомогательной мощностью понимается мощность, расходуемая на нагрев загружаемых в печь вместе с изделиями металлоконструкций, а для печей с искусственной атмосферой суммируется с мощностью, расходуемой на нагрев газовой атмосферы [4]. Согласно заданию на расчет, вспомогательная мощность печи будет равна нулю.

2.4 Выбор материалов футеровки

Футеровка боковых стенок и пода печи выбирается трехслойной.

В качестве первого огнеупорного слоя применяем шамот легковесный ШЛ-0,9 (шамотные кирпичи нормальных размеров 230х115х75).

Толщина слоя 230 мм.

В качестве второго теплоизоляционного слоя применяем кирпич диатомитовый Д-500 (прямые кирпичи нормальных размеров 230х115х75). Толщина слоя 230 мм.

В качестве третьего теплоизоляционного слоя используем минеральную вату. Толщина слоя 60 мм.

Футеровка свода печи выбирается двухслойной.

В качестве первого огнеупорного слоя применяем шамотно-волокнистую плиту ШВП-550.

Толщина слоя 100 мм.

В качестве второго теплоизоляционного слоя применяем каолиновую вату.

Толщина слоя 200 мм.

Основные характеристики применяемых футеровочных материалов приведены в табл.1.

Таблица 1. Основные характеристики применяемых футеровочных материалов.

Материал

 Огнеупорность

 Плотность кг/м3

Максимальная температура применения,

Коэффициент теплопроводности Вт/м0С

Шамот легковесный ШЛ-0,9

1670-1740

900

1270

λШЛ= 0,116+0,23310-3 tср -0,00910-6 tср2

Кирпич диатомитовый Д-500

-

500

900

λД= 0,116+0,23310-3 tср

Вата минеральная

-

150

600

λМ= 0,0582+0,18610-3 tср

Вата каолиновая

-

300

1100

λК= 0,0523+0,18610-3 tср


2.5 Расчет тепловых потерь

Мощность тепловых потерь, Вт, для каждой зоны определяется как

 

где Pф - потери через футеровку;

Pпр - потери через загрузочный и разгрузочный проемы;

Кн.п - коэффициент неучтенных потерь, принимается для барабанных печей 1,2…1,3.

Расчет тепловых потерь через футеровку.

Потери через футеровку определяются по формулам для расчета тепловых потерь в стационарном режиме через многослойную стенку [1], [2] с граничными условиями 1-го рода на внутренней поверхности (задана температура печи) и граничными условиями 3-го рода на наружной поверхности (заданы температура окружающей среды и коэффициент конвективной теплоотдачи).

Задача расчета тепловых потерь через футеровку является нелинейной, так как теплопроводность футеровочных материалов зависит от температуры, поэтому ее решения используют метод последовательных приближений [4].

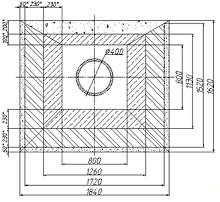
Для расчета тепловых потерь через футеровку печи воспользуемся эскизом, представленным на рис.1.

Рис.1. Эскиз футеровки печи.

Тепловые потери через под печи.

Площадь внутренней поверхности футеровки печи:

 

Площадь внешней поверхности огнеупорного слоя:

 

Площадь внешней поверхности диатомитового слоя:

 

Площадь внешней поверхности футеровки:

 

Расчетная площадь огнеупорного слоя:

 

Расчетная площадь диатомитового слоя:

 

Расчетная площадь слоя из минеральной ваты:

 

 

1-ая итерация:

Зададимся начальными приближениями температуры:

Для этого рассчитаем тепловые сопротивления слоев футеровки при

0  по формуле:

 

где S - толщина слоя;

F - расчетная площадь слоя;

 λ - коэффициент теплопроводности слоя (табл.1);

Тепловое сопротивление огнеупорного слоя:

 

Тепловое сопротивление диатомитового слоя:

 

Тепловое сопротивление слоя из минеральной ваты:

 

Суммарное сопротивление слоев будет равно:

(13)

 

Рассчитаем относительные тепловые сопротивления:

 

 

 

 

Температура печи :

tп=t1=980

Температура наружной поверхности футеровки  :

 

Температура на границе шамотного и диатомитового слоев :

 

 

Температура на границе диатомитового слоя и слоя из минеральной ваты :

 (16)

 

Подставим полученные приближения температуры в зависимости коэффициентов теплопроводности слоев (табл.1):

Коэффициент теплопроводности огнеупорного слоя :

 

 

Коэффициент теплопроводности диатомитового слоя:

 

 

Коэффициент теплопроводности слоя из минеральной ваты  :

 


Рассчитаем тепловые потери через футеровку по формуле:

 

 

Рассчитаем температуры слоев:

Температура на границе шамотного и диатомитового слоев :

 

 

Температура на границе диатомитового слоя и слоя из минеральной ваты :

 

 

Температура наружной поверхности футеровки  :

 

 

Сравним температуры слоев с начальными приближениями температуры: Погрешность расчета температуры :

 

Погрешность расчета температуры :

 

Погрешность расчета температуры t2:

 

Температура на границе шамотного и диатомитового слоя и температура на внешней поверхности футеровки отличается от начальных приближений более чем на 5 %. Необходимо провести еще одну итерацию.

2-ая итерация.

Зададимся новыми приближениями температуры:

 

 

 

Подставляем полученные приближения температуры в зависимости теплопроводностей слоев футеровки. Коэффициент теплопроводности огнеупорного слоя  рассчитаем по формуле (17):

 

Коэффициент теплопроводности диатомитового слоя рассчитаем по формуле (18):

 

Коэффициент теплопроводности слоя из минеральной ваты  рассчитаем по формуле (19):

 

Рассчитаем тепловые потери через футеровку по формуле (20):

 

Рассчитаем температуры слоев:

Температура на границе шамотного и диатомитового слоев рассчитаем по формуле (21):

 

Температура на границе диатомитового слоя и слоя из минеральной ваты рассчитаем по формуле (22):

 

Температура наружной поверхности футеровки  рассчитаем по формуле (23):

 

Сравним температуры слоев с начальными допущениями:

Погрешность расчета температуры t’:

 

Погрешность расчета температуры t’’:

 

Погрешность расчета температуры t2:

 

Итерационный процесс сошелся. Тепловые потери через свод печи.

Площадь внутренней поверхности футеровки печи:

 

Площадь внешней поверхности слоя из ШВП-550:

 

Площадь внешней поверхности футеровки:

 

Расчетная площадь слоя из ШВП-550:

 

Расчетная площадь слоя из каолиновой ваты:

 

 

1-ая итерация:

Зададимся начальными приближениями температуры.

Для этого рассчитаем тепловые сопротивления слоев футеровки при 0  по формуле (12). Тепловое сопротивление слоя из ШВП-550:

 

Тепловое сопротивление слоя из каолиновой ваты:

 

Суммарное сопротивление слоев будет равно:

 

 

Рассчитаем относительные тепловые сопротивления по формуле (14):

 

 

Начальные приближения температуры определим как

Температура печи :

tп=t1=980

Температура наружной поверхности футеровки  :

 

Температура на границе слоя из ШВП и минеральной ваты :

 

 

Подставим полученные приближения температуры в зависимости коэффициентов теплопроводности слоев (табл.1):

Коэффициент теплопроводности слоя из ШВП :

 

 

Коэффициент теплопроводности слоя из каолиновой ваты:

 

 

Рассчитаем тепловые потери через футеровку по формуле (20):

 

Рассчитаем температуры слоев:

Температура на границе слоя из ШВП и слоя из каолиновой ваты :

 

 

Температура наружной поверхности футеровки  :

 

 

Сравним температуры слоев с начальными приближениями температуры:

Погрешность расчета температуры t’:

 

Погрешность расчета температуры t2:

 

Температура внешней поверхности футеровки отличается от начального приближения более чем на 5 %. Необходимо провести еще одну итерацию.

2-ая итерация.

Зададимся новыми приближениями температуры:

 

 

Подставляем полученные приближения температуры в зависимости теплопроводностей слоев футеровки:

Коэффициент теплопроводности слоя из ШВП-550  рассчитаем по формуле ( 26):

 

Коэффициент теплопроводности слоя из каолиновой ваты рассчитаем по формуле (27):

 

Рассчитаем тепловые потери через футеровку по формуле (20):

 

Рассчитаем температуры слоев:

Температура на границе слоя из ШВП и слоя из каолиновой ваты рассчитаем по формуле (28):

 

 

Температура наружной поверхности футеровки  рассчитаем по формуле (29):

 

 

Сравним температуры слоев с начальными приближениями температуры: Погрешность расчета температуры :

 

Погрешность расчета температуры t2:

 

Итерационный процесс сошелся.

Тепловые потери через боковые стенки печи (по длине печи)

Площадь внутренней поверхности футеровки печи:

 

Площадь внешней поверхности огнеупорного слоя:

 

Площадь внешней поверхности диатомитового слоя:

 

Площадь внешней поверхности футеровки:

 

Расчетная площадь огнеупорного слоя:

 

Расчетная площадь диатомитового слоя:

 

Расчетная площадь слоя из минеральной ваты:

 

 

1-ая итерация:

Зададимся начальными приближениями температуры по формуле (12).

Тепловое сопротивление огнеупорного слоя:

 

Тепловое сопротивление диатомитового слоя:

 

Тепловое сопротивление слоя из минеральной ваты:

 

Суммарное сопротивление слоев по формуле (13) будет равно:

 

Рассчитаем относительные тепловые сопротивления по формуле (14):

 

 

 

Начальные приближения температуры определим как

Температура печи :


Температура наружной поверхности футеровки  :

 

Температура на границе шамотного и диатомитового слоев по формуле (15):

 

Температура на границе диатомитового слоя и слоя из минеральной ваты  по формуле (16):

 

Подставим полученные приближения температуры в зависимости коэффициентов теплопроводности слоев (табл.1): Коэффициент теплопроводности огнеупорного слоя  по формуле (17):

 

Коэффициент теплопроводности диатомитового слоя по формуле (18):

 

Коэффициент теплопроводности слоя из минеральной ваты  по формуле (19):

 

Рассчитаем тепловые потери через футеровку по формуле (20):

 

Рассчитаем температуры слоев:

Температура на границе шамотного и диатомитового слоев  по формуле (21):

 

Температура на границе диатомитового слоя и слоя из минеральной ваты  по формуле (22):

 

Температура наружной поверхности футеровки  по формуле (23):

 

Сравним температуры слоев с начальными приближениями температуры:

Погрешность расчета температуры :

 

Погрешность расчета температуры  :

 

Погрешность расчета температуры t2:

 

Температура на границе огнеупорного слоя и слоя из минеральной ваты, и температура на внешней поверхности футеровки отличается от начальных приближений более чем на 5 %. Необходимо провести еще одну итерацию.

2-ая итерация.

Зададимся новыми приближениями температуры:

 

 

 

Подставляем полученные приближения температуры в зависимости теплопроводностей слоев футеровки.

Коэффициент теплопроводности огнеупорного слоя  рассчитаем по формуле (17).

 

Коэффициент теплопроводности диатомитового слоя рассчитаем по формуле (18):

 

Коэффициент теплопроводности слоя из минеральной ваты  рассчитаем по формуле (19):

 

Рассчитаем тепловые потери через футеровку по формуле (20):

 

Рассчитаем температуры слоев: Температура на границе шамотного и диатомитового слоев рассчитаем по формуле (21):

 

Температура на границе диатомитового слоя и слоя из минеральной ваты рассчитаем по формуле (22):

 

Температура наружной поверхности футеровки  рассчитаем по формуле (23):

 

Сравним температуры слоев с начальными допущениями:

Погрешность расчета температуры :

 

Погрешность расчета температуры  :

 

Погрешность расчета температуры t2:

 

Итерационный процесс сошелся. Тепловые потери через боковые стенки печи (по ширине). Площадь внутренней поверхности футеровки печи:

 

Площадь внешней поверхности огнеупорного слоя:

 

Площадь внешней поверхности диатомитового слоя:

 

Площадь внешней поверхности футеровки:

 

Расчетная площадь огнеупорного слоя:

 

Расчетная площадь диатомитового слоя:

 

Расчетная площадь слоя из минеральной ваты:

 

 

1-ая итерация:

Зададимся начальными приближениями температуры по формуле (12):

Тепловое сопротивление огнеупорного слоя :

 

Тепловое сопротивление диатомитового слоя:

 

Тепловое сопротивление слоя из минеральной ваты:

 

Суммарное сопротивление слоев по формуле (13) будет равно:

 

Рассчитаем относительные тепловые сопротивления по формуле (14):

 

 

 

Начальные приближения температуры определим как

Температура печи :

tп=t1=980

Температура наружной поверхности футеровки  :

 

Температура на границе шамотного и диатомитового слоев по формуле (15):

 

Температура на границе диатомитового слоя и слоя из минеральной ваты по формуле (16):

 

Подставим полученные приближения температуры в зависимости коэффициентов теплопроводности слоев (табл.1):

Коэффициент теплопроводности огнеупорного слоя  по формуле (17):

 

Коэффициент теплопроводности диатомитового слоя по формуле (18):

 

Коэффициент теплопроводности слоя из минеральной ваты  по формуле (19):

 

Рассчитаем тепловые потери через футеровку по формуле (20):

 

Рассчитаем температуры слоев:

Температура на границе шамотного и диатомитового слоев  по формуле (21):

 

Температура на границе диатомитового слоя и слоя из минеральной ваты  по формуле (22):

 

Температура наружной поверхности футеровки  по формуле (23):

 

Сравним температуры слоев с начальными приближениями температуры:

Погрешность расчета температуры t’:

 

Погрешность расчета температуры t’’:

 

Погрешность расчета температуры t2:

 

Температура на границе шамотного и диатомитового слоя, и температура на внешней поверхности футеровки отличается от начальных приближений более чем на 5 %. Необходимо провести еще одну итерацию.

2-ая итерация.

Зададимся новыми приближениями температуры:

 

 

 

Подставляем полученные приближения температуры в зависимости теплопроводностей слоев футеровки.

Коэффициент теплопроводности огнеупорного слоя  рассчитаем по формуле (17):

 

Коэффициент теплопроводности диатомитового слоярассчитаем по формуле (18):

 

Коэффициент теплопроводности слоя из минеральной ваты  рассчитаем по формуле (19):

 

Рассчитаем тепловые потери через футеровку по формуле (20):

 

Рассчитаем температуры слоев:

Температура на границе шамотного и диатомитового слоев рассчитаем по формуле (21):

 

Температура на границе диатомитового слоя и слоя из минеральной ваты рассчитаем по формуле (22):

 

Температура наружной поверхности футеровки  рассчитаем по формуле (23):

 

Сравним температуры слоев с начальными приближениями:

Погрешность расчета температуры t’:

 

Погрешность расчета температуры t’’:

 

Погрешность расчета температуры t2:

 

Итерационный процесс сошелся.

Потери через загрузочной и разгрузочный проемы не учитываем.

Суммарные тепловые потери через футеровку:

 

Мощность тепловых потерь рассчитаем по формуле (11):

 

2.6 Определение установленной мощности тепловых зон

Установленная мощность зоны нагрева, Вт, определяется как

(30)

где к - коэффициент запаса, принимается равным 1,1…1,2 для зоны нагрева.

 Вт

Установленная мощность зоны выдержки, Вт, определяется как

 

где к - коэффициент запаса, принимается равным 1,4…1,6 для зоны выдержки.

 

Установленную мощность каждой из зон принято округлять до значения из ряда предпочтительных чисел, кратного 5 кВт:

 

 

2.7 Определение теплового КПД и удельного расхода энергии

Определим суммарную потребляемую мощность печи:

 

 

Найдем тепловые потери печи:

 

 

Определим удельный расход электроэнергии:

 

 

3. Электрический расчет

Температура нагревателей принимается на 30…50 оС выше температуры печи. Температура печи составляет  оС. Принимаем температуру на нагревателях печи  оС.

Материалы для нагревательных элементов выбираются в соответствии с режимом работы печи (непрерывный, прерывистый) и значениями рекомендуемой и максимально допустимой температуры, особенностями рабочей среды, стоимостью материала, особенностями условий работы нагревателя. В качестве материала для нагревателей выбираем никельсодержащий сплав Х20Н80. Основные характеристики сплава приведены в табл.2.

Таблица 2. Основные характеристики сплава Х20Н80

Рабочая температура, оС

1050

Максимально допустимая температура, оС

1150

Удельное электрическое сопротивление  при 1000 оС, 1,12



Никельсодержащие сплавы обладают лучшей пластичностью, жаропрочностью, термостойкостью, устойчивостью к вибрациям по сравнению с безникелевыми. У нагревателей из сплавов на основе никеля больше срок службы и отсутствует крип, но их применение ограничено из-за дороговизны.

Так как установленные мощности зон печи невелики, то можно предположить, что материалоемкость нагревателей печи также невелика. Следовательно, дороговизна не является основным показателем качества при выборе материала нагревателей.

При вращении двигателя, вращающего барабан, на нагреватели через корпус печи передаются вибрации. Так как никельсодержащие сплавы обладают лучшей устойчивостью к вибрациям, то выбор материала нагревателей оправдан.

Для всех зон печи выбираем нагреватели в виде проволочного зигзага. Нагреватели на своде, в поду и на боковых стенках печи.

3.1 Расчет нагревателей зоны нагрева

Нагреватели зоны нагрева соединяем в звезду.

Рассчитаем фазную мощность нагревателей зоны нагрева по формуле:

 

 

Зададимся удельной поверхностной мощностью идеального нагревателя  по рис.5.12 [1]:

По температуре тепловоспринимающей поверхности  оС и принятой температуре нагревателя  оС:

 

Рассчитаем удельную поверхностную мощность реального нагревателя по формуле:

 

где  - поправочные коэффициенты

·    - коэффициент эффективности излучения

По таблице 5-5[1] для проволочного зигзага

·    - коэффициент шага (зависит от относительных витковых расстояний)

По рис.5.28 при  выбираем

·    - коэффициент, учитывающий размеры изделия

Принимаем

·    - коэффициент, учитывающий приведенный коэффициент излучения нагреваемого изделия.

По рис. 5-29[1] при  выбираем =1,1

По формуле (36 ):

 

Определим диаметр проволоки по формуле:

 

 

Выбираем диаметр , площадь поперечного сечения F и массу 1м проволоки по табл. 5-6 [1]:

 

 

 

Рассчитаем длину нагревателя  по формуле:

 

 

Массу нагревателей одной фазы определим по формуле:

 

 

Срок службы нагревателей оценим по формуле:

 

где  - определяется по марке сплава и температуре (рис.5.33[1]):

 

 - диаметр проволоки

 

3.2 Расчет нагревателей зоны выдержки

Нагреватели зоны выдержки соединяем в звезду через понижающий печной трансформатор с вторичным напряжением 130В.

Рассчитаем фазную мощность нагревателей зоны выдержки по формуле (35): барабанный электрический печь температура

 

Зададимся удельной поверхностной мощностью идеального нагревателя  по рис.5.12 [1]:

По температуре тепловоспринимающей поверхности  оС и принятой температуре нагревателя  оС:

 

Зададимся поправочными коэффициентами в формуле (36):

 для проволочного зигзага (по табл. 5-5[1])

 при  (по рис.5.28)

 (для зоны выдержки)

=1 (для зоны выдержки)

Рассчитаем удельную поверхностную мощность реального нагревателя по формуле (36):

 

Определим диаметр проволоки по формуле (37):

 

Выбираем диаметр , площадь поперечного сечения F и массу 1м проволоки по табл. 5-6 [1]:

 

 

 

Рассчитаем длину нагревателя  по формуле (38):

 

Массу нагревателей одной фазы определим по формуле (39):

 

Срок службы нагревателей оценим по формуле (40):

 

 

4. Механический расчет

Барабан печи изготовлен из стали марки 20Х23Н18 толщиной .

Барабан сложной формы:

Длина барабана: 2260 мм при внутреннем диаметре барабана 400 мм

1090 мм при внутреннем диаметре барабана 250 мм

Рассчитаем объем металла барабана (без учета шнека) по формуле:

 

где ,  - длины барабана, м,

 - внутренние диаметры барабана, м,

 - внешние диаметры барабана, м.

 

Массу металла барабана (без учета шнека) рассчитаем по формуле:

 

где  - плотность стали 20Х23Н18 (

 

Предположим, что масса муфеля

Тогда массу металла барабана с учетом муфеля рассчитаем по формуле:

 

Рассчитаем внутренний объем барабана :

 

 

Массу загрузки рассчитаем по формуле:

 

где  - объемная масса насыпной загрузки,

 - коэффициент заполнения барабана (примем равным 0,2)

 

Рассчитаем частоту вращения муфеля:

 

где  - активная длина барабана, м,

 - шаг витков барабана,

 - время нагрева, ч.

 

Рассчитаем нагрузку на опорные ролики по формуле:

 

где  - угол установки опорных роликов.

 

Рассчитаем момент сопротивления вращения муфеля относительно опорных роликов по формуле:

 

где  - коэффициент трения качения барабана относительно опорных роликов (принимаем )

 

Рассчитаем осевую нагрузку по формуле:

 

где  - коэффициент трения скольжения барабана относительно опорных роликов (принимаем )

 

Рассчитаем момент сопротивления барабана при повороте загрузки (вместе с барабаном) на динамический угол естественного откоса :

 

 

Рассчитаем опорную нагрузку в подшипниках опорных роликов:

 

 

где  - расстояние между подшипниками опорного ролика,

 - расстояние от опорного ролика до первого подшипника.

 

 

Рассчитаем момент сопротивления опорных роликов в подшипниках по формуле:

 

 

где  - приведенный коэффициент трения (принимаем )

Рассчитаем радиальную нагрузку в опорном подшипнике по формуле:

 

 

Рассчитаем момент сопротивления вращению муфеля в опорном подшипнике по формуле:

 

где  - диаметр цапфы опорного подшипника.

 

Расчетный момент сопротивления вращению барабана:

 

Где  - коэффициент запаса (выбираем равным 1,8)

 

Расчетная мощность электродвигателя

 

где  - суммарный КПД всех расчетных элементов

 

Необходимое передаточное число редуктора при скорости вращения двигателя 750 об/мин составляет 6308.

Выбираем 3 цилиндрических редуктора - один открытый с передаточным числом 12,8 и 2 закрытых с передаточным числом 22,2.

Кинематическая схема привода приведена на рис. 2.

Рис.2. Кинематическая схема привода.

Список используемой литературы

1. Электротермические установки. Справочник под ред. А.П. Альтгаузена - М.: Энергия, 1978г.

. Свенчанский А.Д. Электрические промышленные печи. Часть1. Электрические печи сопротивления - М.: Энергия, 1970г.

. Электрооборудование и автоматизация электротермических установок. Справочник под ред. А.П.Альтгаузена - М.: Энергия, 1976г.

. Погребисский М.Я., Батов Н.Г., Киренская О.К. Проектирование электропечей сопротивления непрерывного действия - М.: МЭИ, 2007г

. Арендарчук А.В., Катель Н.М. и др. Общепромышленные электропечи непрерывного действия - М.: Энергия, 1977г.

Похожие работы на - Барабанная электрическая печь для закалки шариков подшипников качения

 

Не нашли материал для своей работы?
Поможем написать уникальную работу
Без плагиата!
Без нейросетей!