Исследование динамической нагруженности машинного агрегата легкового автомобиля
Содержание
Задание по
курсовому проектированию
1. Описание работы машины и
исходные данные к проектированию
. Исследование динамики
машинного агрегата
. Динамика машинного агрегата
.1 Постановка задачи
динамического синтеза и анализа машинного агрегата
.2 Структурный анализ
рычажного механизма
.3 Метрический синтез
определение размеров звеньев рычажного механизма
.4. Определение
кинематических характеристик
.4.1 Графический метод
решения задачи
.4.1.1 Построение плана
положений механизма
.4.1.2 Построение плана
аналогов скоростей
.4.1.3 Расчет кинематических
характеристик графическим методом
.4.2 Аналитический метод
решения задачи
.4.2.1. Составление схемы
алгоритма аналитический решения задачи
.4.2.2 Расчёт кинематических
характеристики в одном положении
.5 Выбор динамической модели
.6 Построение индикаторной
диаграммы ДВС и расчёт движущей силы для всех 13 положений механизма
.7 Составление схемы
алгоритма расчета приведенного момента движущих сил и расчет
в одном конкретном положении
.8 Составление схемы
алгоритма расчёта переменной составляющей приведенного момента инерции
и состовляющих. Расчёт и состовляющих и расчёт контрольных
положений
.9 Составление схемы
алгоритма по определению постоянной составляющей приведенного момента инерции
по методу Мерцалова
.10 Определение закона
движения звена приведения
.11 Схема алгоритма программы
.12 Построение кинематических
диаграмм движения ползуна
.13 Построение графиков
кинематических характеристик рычажного механизма
.14 Построение графика
переменной составляющей приведенного момента инерции
.15 Построение графика приведенных
моментов движущих сил и сил сопротивления
.16 Построение графика
изменения работы движущих сил и сил сопротивления
.17 Построение графика
изменения кинетической энергии машины
.18 Построение графика
изменения угловой скорости и углового ускорения кривошипа
.19 Определение массы
маховика и его параметров
Анализ и выводы по разделу
. Динамический анализ
рычажного механизма
.1 Задачи динамического
анализа и методы их решения
.2 Кинематический анализ
рычажного механизма
.2.1 Построение плана
положения механизма
.2.2 Построение плана
скоростей всех точек и звеньев механизма
.2.3 Построения планов
ускорений
.2.4 Расчет ускорений всех
точек и звеньев механизма
.2.5 Составление алгоритма
кинематики рычажного механизма
.2.6 Расчет скоростей и
ускорений всех точек и звеньев механизма в заданном контрольном положении и
сравнение полученных значений с графическим методом
.3 Определение сил,
действующих на звенья механизма
.3.1 Силы тяжести
.3.2 Движущие силы
.3.3 Силы инерции
.4 Силовой расчет рычажного
механизма
.4.1 Построение планов
положения группы Ассура (2,3) с указанием сил, действующих в этой группе
.4.2 Построение плана сил
группы Ассура(2,3)
.4.3 Определение параметров
реакций во всех кинематических парах данной группы
.4.4 Построение планов
положения механизма 1-го класса с указанием сил, действующих на звено
.4.5 Определение
уравновешивающего момента
.4.6 Построение плана сил
входного звена
.4.7 Расчет параметров
реакции в коренном подшипнике
.4.8 Составление схемы
алгоритма силового расчета группы Ассура(2,3) и механизма 1-го класса
.4.9 Расчет параметров
реакции во всех кинематических парах и уравновешивающего момента
.5 Подготовка исходных данных
для расчёта на ЭВМ
.6 Построение годографа
реакции
.7 Построение годографа
реакции
.8 Построение годографа
реакции
.9 Построение графика реакции
.10 Анализ построенных
годографов и графиков
Выводы по разделу
. Динамический синтез
кулачкового механизма
.1. Постановка задачи
динамического синтеза кулачкового механизма
.2 Выбор исходных данных для
проектирования механизма
.3 Составление схемы
алгоритма расчёта кинематических характеристик толкателя
.4 Расчет значений
перемещения толкателя, его аналогов скорости и ускорения для 2-х контрольных
положений
.5 Построение совмещенной
упрощенной диаграммы и определение основных размеров механизма
.6 Составление схемы
алгоритма расчета полярных и декартовых координат центрового профиля кулачка
.7 Подготовка исходных данных
для ЭВМ. Расчет на ЭВМ
.8 Построение кинематической
диаграммы движения толкателя
.9 Построение полной
совмещенной диаграммы и определение уточненных значений основных размеров
механизма
.10 Построение профиля
кулачкового механизма
.10.1 Построение центрового
профиля кулачка
.11 Расчет полярных и
декартовых координат центрового профиля кулачка в двух контрольных положениях
.12 Определения радиуса
ролика толкателя, построение действительного профиля кулачка
.13 Определение угла давления
и построение графика зависимости угла давления от угла поворота кулачка
Вывод по разделу
Заключение
Список используемой
литературы
1. Описание работы машины и исходные данные к проектированию
Легковой переднеприводной автомобиль приводится в
движение двухтактным двигателем внутреннего сгорания 14 с муфтой-маховиком 15
через зубчатый редуктор 16 и коробку передач 17 (рисунок 1.1).
Двухзвенный
рычажный кривошипно-шатунный механизм двигателя внутреннего сгорания (рисунок
1.2) преобразует возвратно-поступательное движение ползуна (поршня) 3 и во
вращательное движение кривошипа 1. Передача движения от поршня к кривошипу
осуществляется через шатун 2. Цикл движения поршней включает такты расширения,
выпуска, впуска и сжатия (рисунок 5). Во время расширения взорвавшаяся в камере
сгорания цилиндра рабочая смесь перемещает поршень из верхней мёртвой точки
(в.м.т.) в нижнюю мёртвую точку (н.м.т.). В конце такта расширения открываются
выпускные клапаны и газы удаляются из цилиндра в выпускную систему. Работой
всех клапанов управляет кулачковый (распределительный) вал, у которого угловая
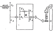
скорость такая же, как у кривошипа. Привод ведущих колёс осуществляется через
коробку передач и редуктор заднего моста (РМ). Коробка передач содержит ступень
внешнего зацепления
и планетарную передачу z-H
(рисунок 1.3). Закон движения толкателя показан (рисунок 1.4). Исходные данные
для проектирования приведены в таблице1.1
Рисунок
1.1 Легковой переднеприводной автомобиль
Рисунок 1.2 Исходная схема проекта
Рисунок 1.3 Схема машинного агрегата
Рисунок 1.4 Закон движения толкателя
Рисунок 1.5 Индикаторная диаграмма
Таблица 1.1
Исходные данные к курсовому проекту
|
Параметр
|
Условные обозначения
|
Единицы измерения
|
Величина
|
|
Рычажный механизм
|
|
Диаметр поршня
|
d
|
м
|
0,066
|
|
Отношение хода поршня к его диаметру
|
-1,82
|
|
|
|
Максимальный угол давления
|
град11
|
|
|
|
Коэффициент неравномерности вращения кривошипа
|
-
|
0,018
|
|
|
Максимальное давление в цилиндре
|
рmax
|
МПа
|
4,8
|
|
Угловая координата расчётного положения
|
φ1
|
град
|
120
|
|
Зубчатая передача
|
|
Частота вращения кривошипа вала
|
n1
|
2300
|
|
|
|
Число зубьев колёс
|
-12,20
|
|
|
|
|
Модуль зубчатых колёс
|
m
|
мм
|
5
|
|
|
Частота вращения вала
|
nK
|
230
|
|
|
|
Кулачковый механизм
|
|
|
Допустимый угол давления
|
град25
|
|
|
|
|
Ход толкателя
|
h
|
м
|
0,013
|
|
|
Фазовые углы
|
-61,11
|
|
|
|
|
Номер закона движения толкателя при удалении и возвращении
|
C равномерно убывающим ускорением Параболический
|
-
|
-
|
|
|
|
|
|
|
|
2.
Исследование динамики машинного агрегата
Задачами исследования являются:
1) оценка динамической нагруженности машины в целом;
2) оценка динамической нагруженности отдельных механизмов, входящих
в состав машины.
Оценка динамической нагруженности машины включает определение уровня
неравномерности вращения главного вала проектируемой машины и приведение его в
соответствие с заданным коэффициентом вращения (динамический синтез машины по
заданному коэффициенту неравномерности движения), а также определение закона
вращения главного вала машины после достижения заданной неравномерности
вращения (динамический анализ ашины). Параметром, характеризующим динамическую
нагруженность машины, является коэффициент динамичности.
Динамическая нагруженность отдельных механизмов машины оценивается
величиной и направлением реактивных сил и моментов сил в кинематических парах
(динамический анализ механизмов). Поскольку при определении реактивных нагрузок
используется кинетостатический метод расчёта, то динамический анализ механизмов
включает последовательное выполнение кинетостатического анализа, а затем
кинетостатического силового расчёта.
В движении такого входного звена исполнительного рычажного механизма
имеют место колебания угловой скорости, основными причинами которых являются:
) несовпадение законов изменения сил сопротивления и движущих сил в
каждый момент времени;
) непостоянство приведенного момента инерции звеньев исполнительного
механизма и некоторых вспомогательных механизмов.
На рисунке 2.2 представлена схема, из которой видно, что исследовании
можно выделить следующие этапы:
. Исследование динамики машины:
.1 Определение кинематических характеристик исполнительного механизма,
которое включает нахождение крайних положений рабочего органа и соответствующих
ему значений обобщённых координат, вычисление функций положений, аналогов
скоростей и ускорений для ряда последовательных положений за цикл движения.
.2 Определение динамических характеристик звена приведения:
а) приведенных моментов сил полезного сопротивления и движущих сил;
б)
приведенного момента инерции (
) и его
производной.
.3
Определение закона вращения звена приведения и оценка динамической
нагруженности по коэффициенту динамичности.
.
Динамический анализ исполнительного механизма:
.1
Кинематический анализ, включающий определение скоростей и ускорений точек и
звеньев с учетом полученного закона звена приведения.
2.2 Силовой расчет, целью которого является определение реакций в
кинематических парах и уравновешивающего момента.
Рисунок 2.1 Блок-схема машинного агрегата
Рисунок 2.2 Схема исследования динамической модели
3.
Динамика машинного агрегата
.1
Постановка задачи динамического синтеза и анализа машинного агрегата
Задачей
динамического синтеза является определение постоянной составляющей приведенного
момента инерции
по заданному коэффициенты неравномерности вращения
машины.
Задача
динамического анализа состоит в определении закона движения звена приведения,
т.е. нахождение
и
с учётом
ранее вычисленной величины
.
.2 Структурный
анализ рычажного механизма
Рисунок 3.1 Схема механизма
Звенья:
- кривошип,
- шатун,
- ползун,
- стойка.
Число
подвижных звеньев
.
Число
звеньев механизма m=4.
Число
низших пар -
.
Определим
класс кинематических пар:
О
(0-1) -вращательная, одноподвижная, 5 класс;
A (1-2) -
вращательная, одноподвижная, 5 класс;
B (2-3) -
вращательная, одноподвижная, 5 класс;
(3-0) -
поступательная, одноподвижная, 5 класс.
Число
высших пар -
;
Так как механизм плоский, то для определения числа степеней свободы
используем формулу Чебышева: W=3n-2p5-p4.
Таким образом, получаем следующее число степеней свободы для механизма:
W=3n-2p5-p4=3∙3-2∙4=1.
W=1,
то положения всех звеньев механизма определяется заданием одной независимой
обобщённой координатой (угол φ1).
Разобьём механизм на группы Ассура и механизм 1 класса:

a) б)
Рисунок 3.2 Структурный анализ механизма
На
рисунке 3.2.(а) изображение является механизмом 1 класса. Механизм на рисунке
3.2(б) группа Ассура 2 класса, 2 вида, 2 порядка. Наивысший класс
присоединённых групп Ассура - второй, поэтому механизм относится ко второму классу.
Форма построения механизма
(0;1)
II (2;3).
.3 Метрический синтез определение размеров звеньев рычажного
механизма
На рисунке 3.3 изображён механизм в крайних точках положения с указанием
хода поршня - H.
Рисунок 3.3 Механизм в крайних положениях
Найдём длину шатуна:
;
По
заданным частоте вращения
определим среднюю угловую скорость кривошипа
рад/с.
Начальная
обобщённая координата
=180о дальнего крайнего левого положения на
рисунке 3.3.
Массово-инерционные
параметры механизма: - массы
;
шатуна
кг,
где
q - масса одного погонного метра длины, кг/м.
массы
кривошипа
кг;
- поршня
кг;
положения
центров масс:
шатуна
м;
кривошипа
;
поршня
;
осевые
моменты инерции:
шатуна
кг·м2;
кривошипа
кг·м2;
Результаты
расчета сводим в табл. 3.1.
Таблица 3.1
Наименование
и обозначение параметров Размеры,
м.Угловая
скорость
|
, рад/с. Масса ,кгОсевые моменты инерции
|
|
|
|
|
|
|
      
|
|
|
|
|
|
|
|
|
|
|
Численное значение
|
0,06
|
0,35
|
0,095
|
240,733
|
180
|
9,849
|
2,592
|
2,704
|
0,039
|
0017
|
.4
Определение кинематических характеристик
.4.1
Графический метод решения задачи
.4.1.1
Построение плана положений механизма
Для построения планов положения механизма воспользуемся размерами
звеньев, полученных ранее в пункте 3.3.
Так как горизонтальный механизм, то геометрическое место точек всех
положений ползуна будет находиться на горизонтальной прямой, проходящей через
ось вращения кривошипа, перпендикулярной плоскости чертежа.
Принимается
масштаб построения
м/мм.
Чертежные
отрезки:
мм;
мм;
мм;
Так
как механизм второго класса, то построение ведется геометрическим методом
засечек, начиная от дальнего крайнего положения, которое обозначается первым
(позиция 1 листа 1). Строятся 12 планов положений, равноотстоящих по углу φ, поворота кривошипа. Строится траектория точки S2 шатуна. Выделяется контурной линией одно расчетное
положение № 3 при
. Для этого положения обозначаются отрезки координат
и рассчитываются графические координаты точек и
звеньев
Графические
координаты для исследуемой схемы:
342·0,001=0,342м;
125·0,001=0,125
м;
37,5·0,001=0,0375м;
90;
м/мм;
3.4.1.2
Построение плана аналогов скоростей
Используя
соотношение
, строим план аналогов скоростей.
Для
построения плана аналогов скоростей выбираем контрольное положение №3, при
котором
= 60°.
Примем
масштабный коэффициент длины
Для
начала построения плана аналога скоростей произвольно выбираем на чертеже точку
р - полюс плана аналогов скоростей. После чего проводим из точки р отрезок рв,
который перпендикулярный АВ и направлен в сторону вращения кривошипа (аналог
скорости совпадает по направлению с вектором скорости).
Аналог
скорости точки В - отрезок рa = OA=60мм.
Для
точки С записываем систему векторных уравнений:
,
где

Так
как
то точка b0 совпадает с полюсом плана аналогов скоростей p.
Из
точки b строим прямую линию, которая перпендикулярна шатуну AB
плана положений механизма. Из точки p строим прямую линию, которая
параллельна оси OX плана положений механизма. И на пересечении этих
линий получаем точку c.
Точку
на плане скоростей строим исходя из теоремы подобия
аналогов скоростей:
где
ab - отрезок на плане аналогов скоростей.
3.4.1.3
Расчет кинематических характеристик графическим методом
Измерив соответствующие отрезки на плане аналогов
скоростей, вычислим реальные значения первых передаточных функций механизма:
По плану аналогов скоростей находим координаты X и Y
аналога скорости центра масс шатуна 2.
Для
определения этих координат необходимо опустить перпендикуляры из точки
на оси X и Y, плана аналогов скоростей, и измерив линейкой
величины
и
умножать
их на масштабный коэффициент
:
м
м
.4.2
Аналитический метод решения задачи
3.4.2.1
Составление схемы алгоритма аналитический решения задачи
На рисунке 3.5 приведена расчётная схема механизма.
Рисунок 3.4 Расчётная схема механизма
Алгоритм вычислений, полученный на основании приведенного вывода, имеет
вид:
Алгоритм вычисления:
φ1i= φ0+ Δφ
(i-1),
где
i - положения механизма, а Δφ=
(град) - шаг изменения обобщенной координаты;
«плюс»
соответствует вращению кривошипа против часовой стрелки, а «минус» - по
часовой; n - число интервалов деления одного оборота кривошипа.
Δφ=360/12= 300
Если
i=2, тогда
φ= φ0+Δφ*i=0+300*2=600
1.
.
.
.
.
.
.
.
.
.
.
.
.
.
.
.
.
. Цикл:

3.4.2.2
Расчёт кинематических характеристики в одном положении
Вычисляем кинематические характеристики механизма в
3-м положении:
1.
.
.
.
.
.
.
.
.
.
.
.
.
.
.
.
.
Сравним результаты расчётов, полученные аналитическим и графическим
методом
Таблица 3.2
|
Переменная
|
Размерность
|
Графический
|
Аналитический
|
|
м0.3420.341
|
|
|
|
|
град.99,24
|
|
|
|
|
м0,1250.123
|
|
|
|
|
м0,0370.037
|
|
|
|
|
--0.096-0.096
|
|
|
|
|
--0.054-0.052
|
|
|
|
|
м-0.05-0.05
|
|
|
|
|
м0.0250.022
|
|
|
|
3.5 Выбор
динамической модели
Для упрощения составления уравнений движения машины используется условная
динамическая модель, которая должна удовлетворять следующим условиям:
1. Число независимых координат модели и механизма машины равны между
собой;
2. Кинетическая энергия динамической модели должна быть равнее
сумме кинетических энергий всех подвижных звеньев машины;
. Работа всех сил в машине должна быть равна работе сил (моментов)
динамической модели возможном перемещении;
Тогда для машины с w=1 динамическая модель будет иметь следующий вид:
Рисунок 3.5 Динамическая модель машинного агрегата
На рисунке 3.5 приведена наиболее простая динамическая модель машинного
агрегата, в которой
.
В
качестве такой модели рассмотрим вращающееся звено - звено приведения, которое
имеет момент инерции
относительно оси вращения (приведенный момент
инерции) и находится под действием приведенного момента сил
.
;где
приведенный
момент движущих сил;
-
приведенный момент сил сопротивления
Кроме
того
;
где
- постоянная составляющая приведенного момента
инерции;
-
переменная составляющая приведенного момента инерции.
-
собственный момент инерции кривошипа;
-
приведенный момент трансмиссии;
- момент
инерции добавочной массы (маховика), причем необходимость установки маховика
определяется на основании заданной степени неравномерности движения звена
приведения (кривошипа).
.6
Построение индикаторной диаграммы ДВС и расчёт движущей силы для всех 13
положений механизма
Индикаторная
диаграмма представляет собой графическую зависимость давления P от перемещения
ползуна
.
На
индикаторной диаграмме отмечаем 13 положения механизма. Также необходимо
указать такт расширения и сжатия.
Для
построения диаграммы необходимо выбрать масштабный коэффициент на индикаторной
диаграмме. Для его нахождения делим максимальное давление на максимальную
ординату давления. В результате чего получаем:
Примем
, тогда
;
Рассчитаем
давление на поршень по формуле:
;
Рассчитаем площадь поперечного сечения поршня:
;
Сила,
действующая на поршень, рассчитывается по формуле:
;
Определим
величину давления и силы, действующих на поршень для всех 13 положений, и
данные занесём в таблицу 3.3
Таблица 3.3
Расчётные значения давления и силы
|
№ п/п
|
1
|
2
|
3
|
4
|
5
|
6
|
7
|
8
|
9
|
10
|
11
|
12
|
13
|
|
9687583415500010274448
|
|
|
|
|
|
|
|
|
|
|
|
|
|
|
480043502900
|
1700
|
750
|
250
|
0
|
0
|
0
|
500
|
1350
|
2200
|
2400
|
|
|
|
|
52800478503190018700825027500005500148502420026400
|
|
|
|
|
|
|
|
|
|
|
|
|
|
Сила
для всех 13 положений отрицательна, т.к. не совпадает
по направлению с осью OX.
3.7
Составление схемы алгоритма расчета приведенного момента движущих сил и расчет
в одном конкретном положении
Приведенный момент сил имеет вид:
;
Определение
выполняется из условия равенства мгновенных
модностей:
;
Тогда:
,
где
и
-
проекции силы
на оси координат,
и
- проекции аналога скорости на оси координат,
-
передаточная функция i-го звена к кривошипу,
= -1, так
как
направлена по часовой стрелке;
На
рисунке 3.7 изображены векторы всех сил, действующих на механизм.
Рисунок
3.7 Направление активных сил
Для
данного механизма сила
отрицательна.
Рассчитываем
приведенный момент движущих сил для положения
№
3 (
, которое является контрольным положением.
,
где
проекция аналога скорости точки s2 на
ось y.
Приведённый
момент сил сопротивления
определяется из условия, что при установившемся режиме
движения изменение кинетической энергии машины за цикл равно нулю, т.е.
откуда
за цикл
Работа
движущих сил вычисляется по формуле
Интегрирование
выполняется численным методом по правилу трапеции:
где
- шаг интегрирования в радианах
-
число интервалов деления одного оборота кривошипа.
С
учётом
При
;
3.8
Составление схемы алгоритма расчёта переменной составляющей приведенного
момента инерции
и состовляющих. Расчёт и составляющих и расчёт
контрольных положений
Переменная
составляющая
определяется из условия равенства кинетических
энергий, т.е. кинетическая энергия звена приведения, имеющая момент инерции
, равна сумме кинетических энергий звеньев,
характеризуемых переменными функциями:
Разделив
это выражение на
, с учётом того что
,
получим:
.
Для
звеньев 2,3 кривошипно-шатунного механизма получим:
;
, где
.
Производная
, необходимая в последующем для определения закона
движения звена приведения, имеет вид:

В
постоянную составляющую приведенного момента инерции входят моменты инерции
кривошипа и всех вращающихся звеньев:
;
;
;
3.9
Составление схемы алгоритма по определению постоянной составляющей приведенного
момента инерции по методу Мерцалова
В
основу расчёта положен метод Н.И. Мерцалова. Для определения изменения кинетической
энергии машины
предварительно определяем работу сил сопротивления
. Для i - ого положения:
,
Где
Тогда
.
Изменение
кинетической энергии
звеньев с постоянным приведенным моментом инерции
равно:
где
- кинетическая энергия звеньев, создающих переменную
составляющую
. По методу Н.И. Мерцалова
определяется приближенно по средней угловой скорости
:
Далее
из полученного цикла значений
(рис.
3.8.) находим максимальную
и при
минимальном
величины, используя которые вычисляем максимальный
перепад кинетической энергии:
.
механизм скорость рычажный кулачковый
Рисунок
3.8 Массив значений
Тогда
необходимая величина
, при которой имеет место вращение звена приведения с
заданным коэффициентом неравномерности
, равна
, где
Момент
инерции маховика определяется по формуле:
где
- приведенный момент инерции всех вращающихся масс
машины (ротора двигателя, зубчатых колес, кривошипа).
Иногда
величина
может оказаться больше полученного значения
. В этом случае не требуется установки маховика. Тогда
реальный коэффициент неравномерности вращения равен:
.10
Определение закона движения звена приведения
С
помощью зависимости
, используемой при определении постоянной составляющей
приведенного момента инерции
по
методу Мерцалова, получаем зависимость угловой скорости звена приведения
Из
рисунка 3.8 видно, что для любого положения кинетическая энергия звеньев,
обладающих постоянным приведенным моментом инерции
, равна:
,
Где
,
.
Так
как
,
значение угловой скорости

.
Угловое
ускорение
определяется из дифференциального уравнения движения
звена приведения:
.
3.11 Схема
алгоритма программы
Таблица 3.1
Исходные данные для ЭВМ
|
№ пп
|
Параметр
|
Условное обозначение
|
Единица измерений
|
Величина
|
|
1
|
Схема кривошипно-ползунного механизма
|
|
|
|
|
2
|
Размеры звеньев
|
l1=lAB
|
м
|
0,06
|
|
|
l3=lBS2
|
м
|
0,095
|
|
|
l2=lBC
|
м
|
0,315
|
|
3
|
Начальная обобщённая координата
|
φ0
|
град
|
0
|
|
4
|
Массы и моменты инерции звеньев
|
m2
|
кг
|
2,6
|
|
|
m3
|
кг
|
2,1
|
|
|
IS1
|
кг*м2
|
0,017
|
|
5
|
Движущая сила
|
F3(1)
|
Н
|
-52800
|
|
|
F3(2)
|
Н
|
-47850
|
|
|
F3(3)
|
Н
|
-31900
|
|
|
F3(4)
|
Н
|
-18700
|
|
|
F3(5)
|
Н
|
-3250
|
|
|
F3(6)
|
Н
|
-2750
|
|
|
F3(7)
|
Н
|
0
|
|
|
F3(8)
|
Н
|
0
|
|
|
F3(9)
|
Н
|
0
|
|
|
F3(10)
|
Н
|
-5500
|
|
|
F3(11)
|
Н
|
-14850
|
|
|
F3(12)
|
Н
|
-24200
|
|
|
F3(13)
|
Н
|
-26400
|
|
6
|
Средняя угловая скорость кривошипа
|
рад/с
|
-240,733
|
|
|
7
|
Коэффициент неравномерности вращения вала кривошипа
|
δ
|
-
|
0,018
|
|
8
|
Приведённый к кривошипу момент инерции всех вращающихся
звеньев
|
кг*м20,102
|
|
|
3.12 Построение кинематических диаграмм движения ползуна
Кинематическими характеристиками рычажного механизма являются
перемещение, первая и вторая передаточные функции ползуна, а также первая
передаточная функция шатуна.
Масштабный коэффициент угла поворота кривошипа равен:
.13
Построение графиков кинематических характеристик рычажного механизма
Кинематическими характеристиками рычажного механизма являются
перемещение, первая и вторая передаточные функции ползуна, а также первая
передаточная функция шатуна. Для построения этих графиков принимаем масштабные
коэффициенты:
Для
каждого положения вычисляем координаты
На основании
вычислений составляем таблицу и строим график.
Таблица 3.4
Координаты для построения графиков кинематических характеристик ползуна
|
№
|
H3P
|
SB
|
H3
|
  
|
|
|
|
|
1
|
-0,071
|
0
|
0
|
0,002
|
-35,5
|
0
|
0
|
|
2
|
-0,058
|
0,0095
|
0,035
|
0,002
|
-29
|
4,75
|
17,5
|
|
3
|
-0,024
|
0,0343
|
0,057
|
0,002
|
-12
|
17,15
|
28,5
|
|
4
|
0,012
|
0,0658
|
0,06
|
0,002
|
6
|
32,9
|
30
|
|
5
|
0,036
|
0,0943
|
0,0469
|
0,002
|
18
|
47,15
|
23,45
|
|
6
|
0,046
|
0,1134
|
0,025
|
0,002
|
23
|
56,7
|
12,5
|
|
7
|
0,049
|
0,12
|
0
|
0,002
|
24,5
|
60
|
0
|
|
8
|
0,046
|
0,1134
|
-0,025
|
0,002
|
23
|
56,7
|
-12,5
|
|
9
|
0,036
|
0,0943
|
-0,0469
|
0,002
|
18
|
47,15
|
-23,45
|
|
10
|
0,012
|
0,0658
|
-0,06
|
0,002
|
6
|
32,9
|
-30
|
|
11
|
-0,024
|
0,0343
|
-0,057
|
0,002
|
-12
|
17,15
|
-28,5
|
|
12
|
-0,058
|
0,0095
|
-0,035
|
0,002
|
-29
|
4,75
|
-17,5
|
|
13
|
-0,071
|
0
|
0
|
0,002
|
-35,5
|
0
|
0
|
3.14
Построение графика переменной составляющей приведенного момента инерции
На графике изображаются три составляющие и четвертая - их суммарная
величина. Для построения графиков выбираем масштабный коэффициент
μI =0,0001 кг*м2/мм. Для каждого положения
вычисляем координаты
Таблица 3.5
Координаты для построения графиков переменной составляющей приведенного
момента инерции
|
№
|
B
|
C
|
IP
|
μI
|
  
|
|
|
|
|
1
|
0,004566
|
0,000617
|
0
|
0,005182
|
0,0001
|
45,66
|
6,17
|
0
|
51,82
|
|
2
|
0,006004
|
0,000467
|
0,002568
|
0,009039
|
0,0001
|
60,04
|
4,67
|
25,68
|
90,39
|
|
3
|
0,008576
|
0,000159
|
0,006818
|
0,015553
|
0,0001
|
85,76
|
1,59
|
68,18
|
155,53
|
|
4
|
0,00936
|
0
|
0,00756
|
0,01692
|
0,0001
|
93,6
|
0
|
75,6
|
169,2
|
|
5
|
0,007758
|
0,000159
|
0,004628
|
0,012545
|
0,0001
|
77,58
|
1,59
|
46,28
|
125,45
|
|
6
|
0,005536
|
0,000467
|
0,001316
|
0,007319
|
0,0001
|
55,36
|
4,67
|
13,16
|
73,19
|
|
7
|
0,004566
|
0,000617
|
0
|
0,005182
|
0,0001
|
45,66
|
6,17
|
0
|
51,82
|
|
8
|
0,005536
|
0,000467
|
0,001316
|
0,007312
|
0,0001
|
55,36
|
4,67
|
13,16
|
73,119
|
|
9
|
0,007758
|
0,000159
|
0,004628
|
0,012545
|
0,0001
|
77,58
|
1,59
|
46,28
|
125,45
|
|
10
|
0,00936
|
0
|
0,00756
|
0,01692
|
0,0001
|
93,6
|
0
|
75,6
|
169,2
|
|
11
|
0,008576
|
0,000159
|
0,006818
|
0,015553
|
0,0001
|
85,76
|
1,59
|
68,18
|
155,53
|
|
12
|
0,006004
|
0,000467
|
0,002568
|
0,009039
|
0,0001
|
60,04
|
4,67
|
25,68
|
90,39
|
|
13
|
0,004566
|
0,000617
|
0
|
0,005182
|
0,0001
|
45,66
|
6,17
|
0
|
51,82
|
3.15 Построение графика приведенных моментов движущих сил и
сил сопротивления
Исходя из данных, принимаем μМ=50 Н*м/мм. Для каждого положения вычисляем координаты
Таблица 3.6
Координаты для построения графиков приведенных моментов
|
№
|
AS
|
 
|
|
|
|
1
|
0
|
50
|
0
|
-15
|
|
2
|
469,2
|
50
|
9,384
|
-15
|
|
3
|
1444,3
|
50
|
28,886
|
-15
|
|
4
|
2238,2
|
50
|
44,764
|
-15
|
|
5
|
2560,4
|
50
|
51,208
|
-15
|
|
6
|
2617,7
|
50
|
52,354
|
-15
|
|
7
|
2629,3
|
50
|
52,586
|
-15
|
|
8
|
2628,8
|
50
|
52,576
|
-15
|
|
9
|
2628,4
|
50
|
52,568
|
-15
|
|
10
|
2546,6
|
50
|
50,932
|
-15
|
|
11
|
2228
|
50
|
44,56
|
-15
|
|
12
|
1752,6
|
50
|
35,052
|
-15
|
|
13
|
1517,1
|
50
|
30,342
|
-15
|
3.16 Построение графика изменения работы движущих сил и сил
сопротивления
Прямая
сил сопротивления определяется графическим методом исходя из равенства работ за
цикл Адц=Асц. Для построения графиков выбираем масштабный коэффициент μА=50
Дж/мм. Для каждого положения вычисляем координаты
Таблица 3.7
Координаты для построения графика изменения работы движущих сил
|
№
|
MPC
|
μА
|
|
|
1
|
1,1
|
50
|
0,055
|
|
2
|
1674,3
|
50
|
83,715
|
|
3
|
1818,2
|
50
|
90,91
|
|
4
|
1122
|
50
|
56,1
|
|
5
|
152
|
50
|
7,6
|
|
6
|
67,9
|
50
|
3,395
|
|
7
|
-1,1
|
50
|
-0,055
|
|
8
|
-0,9
|
50
|
-0,045
|
|
9
|
-0,5
|
50
|
-0,025
|
|
10
|
-330
|
50
|
-16,5
|
|
11
|
-845,6
|
50
|
-42,28
|
|
12
|
-845,4
|
50
|
-42,27
|
|
13
|
1,1
|
50
|
0,055
|
3.17 Построение графика изменения кинетической энергии машины
График состоит из двух кривых, схожих по характеру, ΔТ и ΔТ1
Для построения графиков выбираем масштабный коэффициент μТ=20Дж/мм. Для каждого положения вычисляем координаты
Таблица 3.8
Координаты для построения графиков изменения кинетической энергии машины
|
№
|
DT
|
DT1
|
μТ
|

|
|
|
1
|
0
|
-150,2
|
20
|
0
|
-7,51
|
|
2
|
342,8
|
80,9
|
20
|
17,14
|
4,045
|
|
3
|
1191,5
|
740,8
|
20
|
59,575
|
37,04
|
|
4
|
1859
|
1368,7
|
20
|
92,95
|
68,435
|
|
5
|
2054,7
|
1691,2
|
20
|
102,735
|
84,56
|
|
6
|
1985,6
|
1773,5
|
20
|
99,28
|
88,675
|
|
7
|
1870,8
|
1720,6
|
20
|
93,54
|
86,03
|
|
8
|
1743,8
|
1531,8
|
20
|
87,19
|
76,59
|
|
9
|
1617
|
1253,5
|
20
|
80,85
|
62,675
|
|
10
|
1408,7
|
918,5
|
20
|
70,435
|
45,925
|
|
11
|
963,7
|
513,1
|
20
|
48,185
|
25,655
|
|
12
|
362
|
100
|
20
|
18,1
|
|
13
|
0
|
-150,2
|
20
|
0
|
-7,51
|
.18 Построение графика изменения угловой скорости и углового
ускорения кривошипа
График
изменения угловой скорости представляет собой кривую отклонения угловой
скорости от её среднего значения. Масштабный коэффициент
. График показывает изменение углового ускорения
кривошипа при его движении. Масштабный коэффициент
. Для каждого положения вычисляем координаты
Таблица 3.9
Координаты для построения графиков изменения угловой скорости и углового
ускорения кривошипа
|
№
|
-    
|
|
|
|
|
|
|
1
|
1,809
|
0,05
|
36,18
|
129,176
|
20
|
6,4588
|
|
2
|
1,288
|
0,05
|
25,76
|
-572,064
|
20
|
-28,6032
|
|
3
|
-0,195
|
0,05
|
-3,9
|
-700,654
|
20
|
-35,0327
|
|
4
|
-1,597
|
0,05
|
-31,94
|
-533,21
|
20
|
-26,6605
|
|
5
|
-2,314
|
0,05
|
-46,28
|
-123,422
|
20
|
-6,1711
|
|
6
|
-2,497
|
0,05
|
-49,94
|
-30,547
|
20
|
-1,52735
|
|
7
|
-2,38
|
0,05
|
-47,6
|
130,325
|
20
|
6,51625
|
|
8
|
-1,96
|
0,05
|
-39,2
|
253,254
|
20
|
12,6627
|
|
9
|
-1,341
|
0,05
|
-26,82
|
299,439
|
20
|
14,97195
|
|
10
|
-0,592
|
0,05
|
-11,84
|
367,632
|
20
|
18,3816
|
|
11
|
0,316
|
0,05
|
6,32
|
439,598
|
20
|
21,9799
|
|
12
|
1,245
|
0,05
|
24,9
|
386,438
|
20
|
19,3219
|
|
13
|
1,809
|
0,05
|
36,18
|
129,177
|
20
|
6,45885
|
3.19
Определение массы маховика и его параметров
μТ=20Дж/мм;
ab=97мм
Находим
постоянную составляющую приведенного момента инерции:
Момент
инерции маховика определим по формуле:
Выбор
параметров маховика: материал маховика - сталь
;
форма маховика - диск.
Так
как маховик имеет цилиндрическую форму, то его момент инерции определяется по
формуле:
;
диаметр
маховика принимаем равным
Проверим
окружную скорость данного маховика. Она должна быть меньше допускаемой:
, для стали 80 - 100 м/c;
Окружная
скорость рассчитывается по формуле:
Так
как условие выполняется, то диаметр маховика нас устраивает.
Выразим
массу маховика:
;
Выразим
ширину маховика:
Анализ и
выводы по разделу
Из анализа динамической машины установлено:
1.
Для обеспечения вращения звена приведения кривошипа 1 с заданным коэффициентом
неравномерности вращения
необходимо, чтобы постоянная составляющая
приведенного момента инерции
была
равна
.
.
Так как приведенный момент инерции всех вращающихся звеньев
, то на вал кривошипа необходимо установить маховик,
момент инерции которого
и масса которого m = 32,1 кг.
.
Получена графическая зависимость изменения угловой скорости звена приведения
кривошипа 1
и графическая зависимость углового ускорения
.
4.
Динамический анализ рычажного механизма
.1 Задачи
динамического анализа и методы их решения
Задачей динамического анализа рычажного механизма
является определение динамических реакций в кинематических парах и
уравновешивающего момента, действующего на кривошипный вал со стороны привода.
Указанная задача решается I
методом кинетостатики, который основан на принципе Даламбера. Этот метод
предполагает введение в расчет инерционных нагрузок, поэтому силовому расчету
предшествует кинематический анализ механизма по известному уже закону вращения
кривошипа.
.2
Кинематический анализ рычажного механизма
А. Графическое решение задачи
.2.1
Построение плана положения механизма
Схему
механизма строим для контрольного положения №3, при котором
=60°.
Выбираем
масштабный коэффициент
Определяем
размеры звеньев на чертеже:
[OA] =

[AB] =
=
[AS
] =
=
4.2.2
Построение плана скоростей всех точек и звеньев механизма
В механизме первого класса (0;1) скорость точки
A определяется:
,
где
- угловая скорость кривошипа.
Строим
на чертеже точку р - полюс плана скоростей.
Масштабный
коэффициент
, тогда
.
Переходим к группе Ассура (2,3)
Принимая
во внимание то, что скорость точки A (
A) перпендикулярна OA,
следует отложить отрезок pa, перпенликулярно OA в сторону
вращения кривошипа.
Из
точки a строим прямую линию, которая перпендикулярна шатуну AB
плана положений механизма. Из точки a строим прямую линию,
параллельную оси OХ плана положений механизма. На пересечении этих линий
получаем точку b.
Точку
на плане строим исходя из теоремы подобия аналогов
скоростей:

где
ab отрезок на плане аналогов.
Измеряем:

Определяем
значения абсолютных скоростей точек и относительную скорость шатуна:
Угловая
скорость шатуна:
Направление
определяется следующим способом: помереносим вектор
относительной скорости шатуна
AB в точку B
плана положения механизма и поворачиваем звено 2 относительно точки A по
направлению вектора. Таким образом определяем, что
будет направлена против часовой стрелки.
.2.3
Построения планов ускорений
Ускорение точки A:
,
Где
Задаемся масштабным коэффициентом ускорений
50
.
Находим
отрезки, изображающие
;
Переходим к группе Ассура (2,3).
Ускорение точки B
находим из системы векторных уравнений:
,
,
Строим
точку
- полюс плана ускорений. Для этого на чертеже
произвольно выбираем точку
.
Из
полюса откладываем вектор
n параллельно OA в
сторону точки O, затем из точки
откладываем
вектор na перпендикулярно вектору
n.
.2.4
Расчет ускорений всех точек и звеньев механизма
Вектор
направлен перпендикулярно звену АВ
Ускорение
точки S2 находим
по теореме подобия:
Измеряем:


Расчет
ускорений точек шатуна:
Аналитическое
решение задачи
.2.5
Составление алгоритма кинематики рычажного механизма
1.
2.
3.
4.
5.
6.
.
7.
8.
9.
10.
4.2.6
Расчет скоростей и ускорений всех точек и звеньев механизма в заданном
контрольном положении и сравнение полученных значений с графическим методом
Таблица 4.2.4.1
Результаты расчёта
|
№
|
Параметры
|
Формула
|
Результат
|
Размерность
|
|
1
|
=( =23,24196
|
|
|
|
|
2
|
= =-13,7142
|
|
|
|
|
3
|
= =-12,7518
|
|
|
|
|
4
|
= =-5,0526
|
|
|
|
|
5
|
= =-9541,78
|
|
|
|
|
6
|
= =-1429,26
|
|
|
|
|
7
|
=- =-1658,01
|
|
|
|
|
8
|
= =2069,266
|
|
|
|
|
9
|
= =13,71631
|
|
|
|
|
10
|
= =2651,578
|
|
|
|
Таблица 4.1
|
    
|
|
|
|
|
|
|
Графический
|
23
|
-13,6
|
-9465
|
-1400
|
2600
|
13,6
|
|
Аналитический
|
23,2
|
-13,7
|
-9542
|
-1429
|
2652
|
13,7
|
4.3 Определение сил, действующих на звенья механизма
.3.1 Силы тяжести
Определение сил тяжести:
- для кривошипа:
;
для
шатуна:
для
ползуна:
4.3.2 Движущие силы
Движущая сила:
.3.3
Силы инерции
Силы
инерции:
- для кривошипа
для шатуна
для
ползуна
.4 Силовой расчет рычажного механизма
А. Решение задачи графическим методом
.4.1 Построение планов положения группы Ассура (2,3) с указанием
сил, действующих в этой группе
Силовой
расчёт начинаем с наиболее удалённой группы (2,3), которую изображаем отдельно.
Прикладываем к звеньям все известные силы (
), а
также неизвестные реакции
, которая заменяется действие отброшенных звеньев.
Реакцию
, неизвестную по величине и направлению, представим в
виде двух составляющих:
реакция
направлена перпендикулярно направляющим ползуна.
4.4.2
Построение плана сил группы Ассура (2,3)
Составляющую
находим из уравнения моментов сил, действующих на
звено 2, относительно точки В:
;

Приняв
масштабный коэффициент сил
найдём
длины векторов на плане сил:
Построение плана сил осуществляется следующим образом:
На
чертеже произвольно выбираем точку 1, из которой проводим вектор [1-2]
перпендикулярно АВ и вследствие чего получаем точку 2. Из точки 2 проводим
вектор [2-3] параллельно Fи2. Затем
[3-4] || G2, [4-5]
|| G3, [5-6] -
|| F и3 [6-7]
- || F 3. После
чего из точки 7 проводим прямую, которая параллельна линии действия реакции R3O. Из точки 1 проводим прямую, которая параллельна
линии действия реакции Rn21. В
результате пересечения этих прямых получаем точку 8. Тогда вектор [7-8]
соответствует реакции R30, a
вектор [8-1] соответствует реакции Rn21. Соединив точки 8 и 2 и получаем полную реакцию R21.Соединяем точки 4 и 8, в результате чего получаем на
чертеже вектор реакции
. Измеряем углы:
.4.3 Определение параметров реакций во всех кинематических
парах данной группы
Реакции
и
неизвестны
по величине, но известны по направлению. Измерим векторы неизвестных реакций и
полученные значения умножим на масштабный коэффициент силы.
=[8-1]
=[8-2]
=[7-8]
=[4-8]
.4.4
Построение планов положения механизма 1-го класса с указанием сил, действующих
на звено 1
Выделяем
кривошип из механизма и вычерчиваем его в масштабе
. Рассмотрим начальное звено 1. В точке А приложим
известную реакцию
, а в точке О - неизвестную реакцию
. Противоположно направлению углового ускорения
прикладываем главный момент инерции
и уравновешивающий момент
.
4.4.5 Определение уравновешивающего
момента
Уравновешивающий
момент
находим из уравнения моментов сил относительно точки
В:
.4.6
Построение плана сил входного звена
Найдем длины векторов на плане сил через масштабный
коэффициент силы:
[1-2]=
[2-3]=
Построение
плана сил осуществляем следующим образом:
Из
точки 1 проводим отрезок [1-2] параллельно реакции
противоположно по направлению. Из точки 2 проводим
вектор [2-3] параллельно вектору
. Тогда
вектор [3-1] соответствует реакции
.
.4.7
Расчет параметров реакции в коренном подшипнике
Определяем
значение искомой реакции в коренном подшипнике через масштабный коэффициент
силы:
[3-1]
Измеряем
угол
Б. Аналитическое решение задачи
.4.8 Составление схемы алгоритма силового расчета группы
Ассура (2,3) и механизма 1-го класса
Для расчета группы Ассура (2,3) (рисунок. 4.1) и механизма 1 класса
(рисунок. 4.2) аналитический расчет выглядит следующим образом:
1.
;
2.
;
3.
;
4.
;
5.
;
6.
;
7.
;
8.
;
9.
;
10.
;
11.
;
12.
;
13.
;
14.
;
15.
;
16.
;
17.
;
18.
;
19.
;
20.
;
21.
Рисунок 4.1
Рисунок 4.2
4.4.9 Расчет параметров реакции во
всех кинематических парах и уравновешивающего момента
1. Определяем силы тяжести:
;
;
.
. Определяем моменты сил инерции и силы инерции:
;
;
;
;
.
.
Определяем реакции группы Ассура (2,3):
.
Определяем
проекции реакции R12:

. Определяем проекции реакции R23 во внутренней кинемат. паре В:
6.
Определяем уравновешивающий момент
:
.
Определяем проекцию реакции
:

.
Определяем полную реакцию
:
9.
Определяем полную реакцию
:
10.
Определяем полную реакцию
:

Сравним
значения, в графическом и аналитическом методе расчёта:
Таблица 4.1
Сравнение полученных результатов
|
Метод расчёта
|
   
|
|
|
|
|
|
Графический
|
26100
|
26000
|
29000
|
240
|
3500
|
|
Аналитический
|
26200
|
26100
|
29400
|
243
|
3476
|
4.5 Подготовка исходных данных для расчёта на ЭВМ
Таблица 4.1
Исходные данные для ЭВМ
|
№
|
Параметр
|
Условное обозначение
|
Единица измерений
|
Величина
|
|
1
|
Схема кривошипно-ползунного механизма
|
|
|
|
2 Размеры
звеньев
ем
м
м
м0,03
0,095
0,315
|
0
|
|
|
|
|
3
|
Начальная обобщённаякоордината
|
град0
|
|
|
4 Массы
и моменты Инерции звеньев
кг
кг
кг
42
2,6
2,1
|
0,017
|
|
|
|
|
5
|
Постоянная составляющая приведенного момента инерции
|
 1,86
|
|
|
|
№ Положения кривошипа
|
Угловая скорость Угловое ускорение Движущая сила газа на поршень
|
|
|
|
1
|
-238,579
|
129,176
|
-52800
|
|
2
|
-239,1
|
-572,064
|
-47850
|
|
3
|
-240,583
|
-700,654
|
-31900
|
|
4
|
-241,985
|
-533,21
|
-18700
|
|
5
|
-242,702
|
-123,422
|
-3250
|
|
6
|
-242,885
|
-30,547
|
-2750
|
|
7
|
-242,768
|
130,325
|
0
|
|
8
|
-242,348
|
253,254
|
0
|
|
9
|
-241,729
|
299,439
|
0
|
|
10
|
-240,98
|
367,632
|
-5500
|
|
11
|
-240,072
|
439,598
|
-14850
|
|
12
|
-239,143
|
386,438
|
-24200
|
|
13
|
-238,579
|
129,177
|
-26400
|
|
|
|
|
|
|
|
4.6
Построение годографа реакции
Построение
годографа реакции
в кинематической паре А
(0;1).
Годограф
отображает одновременно величину и направление вектора реакции во вращательной
паре. Масштабный коэффициент
Числовые
данные для построения берём из приложения 2.2.
|
R21
|
 R21
|
|
|
|
34872
|
0
|
200
|
174,36
|
|
33404
|
10,6
|
200
|
167,02
|
|
26088
|
20
|
200
|
130,44
|
|
22410
|
23,7
|
200
|
112,05
|
|
13847
|
25,5
|
200
|
69,235
|
|
16558
|
12,5
|
200
|
82,79
|
|
14677
|
0
|
200
|
73,385
|
|
13727
|
346,1
|
200
|
68,635
|
|
10581
|
329,7
|
200
|
52,905
|
|
9731
|
319
|
200
|
48,655
|
|
9682
|
321,3
|
200
|
48,41
|
|
9979
|
337,4
|
200
|
49,895
|
|
8472
|
0,2
|
200
|
42,36
|
4.7 Построение
годографа реакции
Построение
годографа реакции
в
кинематической паре C (2;3).
Годограф отображает одновременно величину и
направление вектора реакции во вращательной паре. Масштабный коэффициент
|
R23
|
 R23
|
|
|
|
44262
|
180
|
200
|
221,31
|
|
40983
|
184,2
|
200
|
204,915
|
|
29073
|
186,9
|
200
|
145,365
|
|
20233
|
187,4
|
200
|
101,165
|
|
7664
|
182,8
|
200
|
38,32
|
|
8472
|
182,4
|
200
|
42,36
|
|
6011
|
180
|
200
|
30,055
|
|
5678
|
179
|
200
|
28,39
|
|
4355
|
182,1
|
200
|
21,775
|
|
6873
|
179,3
|
200
|
34,365
|
|
11876
|
176,8
|
200
|
59,38
|
|
17249
|
177,4
|
200
|
86,245
|
|
17862
|
180
|
200
|
89,31
|
4.9
Построение годографа реакции
Построение
годографа реакции
в кинематической паре B
(1;2). Годограф отображает одновременно величину и направление вектора реакции
во вращательной паре. Масштабный коэффициент:
|
R10
|
 R10
|
|
|
|
34875
|
0,7
|
200
|
174,375
|
|
33482
|
11,2
|
200
|
167,41
|
|
26232
|
20,9
|
200
|
131,16
|
|
22579
|
24,7
|
200
|
112,895
|
|
14029
|
27
|
200
|
70,145
|
|
16652
|
13,9
|
200
|
83,26
|
|
14683
|
1,6
|
200
|
73,415
|
|
13634
|
347,8
|
200
|
68,17
|
|
10379
|
331,6
|
200
|
51,895
|
|
9465
|
320,9
|
200
|
47,325
|
|
9430
|
323,3
|
200
|
47,15
|
|
9828
|
339,6
|
200
|
49,14
|
|
8483
|
3
|
200
|
42,415
|
4.10
Построение графика реакции
Построение
графика реакции
в кинематической паре
График
отображает зависимость величины реакции в поступательной паре от перемещения
ползуна 3. Масштабные коэффициенты:
|
R30
|
R30
|
|
|
31,21
|
20
|
1,5605
|
|
-3010,52
|
20
|
-150,526
|
|
-3465,12
|
20
|
-173,256
|
|
-2591,69
|
20
|
-129,585
|
|
-352,762
|
20
|
-17,6381
|
|
-331,463
|
20
|
-16,5732
|
|
25,351
|
20
|
1,26755
|
|
118,585
|
20
|
5,92925
|
|
-138,97
|
20
|
-6,9485
|
|
100,871
|
20
|
5,04355
|
|
682,033
|
20
|
34,10165
|
|
802,014
|
20
|
40,1007
|
|
31,21
|
20
|
1,5605
|
4.11
Анализ построенных годографов и графиков
Выполнив расчёты, определили все векторы реакций в
кинематических парах и уравновешивающий момент, построив годографы реакций, можно
выполнить следующий анализ:
-
Реакция
во
вращательной паре (2;1) будет изменяться в некотором диапазоне величин.
Наибольший износ будет в 1,2 и 3 положениях, т.к. в этих положениях возникают
высокие нагрузки.
Реакция
во
вращательной паре (2;3) будет резко изменяться по величине при переходе
механизма из 4 положения в 5. Наибольший износ будет в 1,2 и 3 положениях, т.к.
в этих положениях возникают высокие нагрузки.
Реакция
во
вращательной паре (1;0) будет резко изменяться по величине при переходе
механизма из 2 положения .
Вектор
реакции
в
поступательной паре (3;0) по абсолютной величине имеет скачкообразный характер.
При переходе механизма из 2 положения в 3 реакция будет иметь наибольшее
значение- это возникает в результате возросшей силы инерции и силы воздействия
из-за достаточно великой массы поршня. Вследствие чего возникает силовой удар,
который приводит к повышенному износу поршня и стенок гильзы цилиндра, что
приводит к быстрому выходу двигателя из строя. Решением проблемы является облегчение
массы поршня, упрочнение стенок гильзы, уменьшение силы воздействия.
Выводы по
разделу
1. Определили реакции во всех кинематических парах и построили годографы
реакций.
. Проанализировав годографы реакций, видим, что в верхней мертвой точке,
в начале такта расширения, все детали двигателя испытывают максимальные
нагрузки, благодаря этому можно произвести прочностные расчеты звеньев.
. Максимальные нагрузки, которые испытывает гильза от поршня, проходит на
участке 1-3. В обеих мёртвых точках происходит смена знака нагрузки, а это
значит, что поршень стал действовать на диаметрально противоположную стенку
гильзы, то есть происходит удар поршня о стенки гильзы цилиндра.
4.
Определили уравновешивающий момент инерции
5.
Динамический синтез кулачкового механизма
.1
Постановка задачи динамического синтеза кулачкового механизма
Задачами проектирования кулачкового механизма
являются:
. Определения основных размеров из условия ограничения
угла давления;
. Построение профиля кулачка, обеспечивающего заданный
закон движения толкателя.
Рисунок 5.1 - Схема кулачкового механизма
.2 Выбор
исходных данных для проектирования механизма
Исходные
данные, необходимые для проектирования кулачкового механизма заносим в таблицу
5.1.
Таблица 5.1
Исходные данные
|
Ход толкателя
|
Допустимый угол давления, Законы движения
|
|
|
  При удаленииПри возвращении
|
|
|
|
|
|
|
0.013
|
62
|
11
|
62
|
25
|
с равномерно убывающим ускорением
|
Параболический
|
5.3 Составление схемы алгоритма расчёта кинематических
характеристик толкателя
Переедаем значения фазовых углов в радианную меру:
Рабочий
угол кулачка
Приращение
угла поворота кулачка (шаг) на фазе удаления и возвращения:
Позиционный
коэффициент равен в контрольном положении 3:
Величина
угла
Текущая
обобщенная координата
на фазе удаления в i-том положении
равна
,
а
на фазе возвращения
(5.1)
На
фазе удаления толкатель движется по закону движения с равномерно убывающим
ускорением, а на фазе возвращения - по параболическому закону.
На
фазе удаления перемещение определяется из уравнения:
(5.2)
Аналог
скорости движения толкателя определяется по уравнению:
(5.3)
Аналог ускорения определяется по уравнению:
(5.4)
На
фазе возвращения перемещение определяется по уравнениям:
(5.5)
Аналог
скорости движения толкателя определяется по уравнениям:
(5.6)
Аналог
ускорения определяется по уравнениям:
(5.7)
5.4 Расчет
значений перемещения толкателя, его аналогов скорости и ускорения для 2-х
контрольных положений
Для расчета выбираем положение №3 на фазе удаления и положение №24 на
фазе возвращения.
Для 3-го контрольного положения текущая обобщенная координата:
На фазе убывания перемещение определяется по уравнениям:
(5.2)
Аналог
скорости движения толкателя определяется по уравнению:
(5.3)
(5.3)
Аналог
ускорения определяется по уравнению:
(5.4)
На
фазе возвращения перемещение определяется по уравнениям:
(5.5)
Аналог
скорости движения толкателя определяется по уравнениям:
(5.6)
Аналог
ускорения определяется по уравнениям:
(5.7)
Кинематические
характеристики получены для фазового угла:
5.5
Построение совмещенной упрощенной диаграммы и определение основных размеров
механизма
Для
фазы удаления
равна
при 
,поэтому
Для
фазы возвращения
равна
при
(в середине фазы), поэтому
Определяем
максимальные значения аналогов скорости на фазах удаления возвращения:
Так
как величина эксцентриситета е не задана то, основные размеры механизма
определяются следующим образом:
.6
Составление схемы алгоритма расчета полярных и декартовых координат центрового
профиля кулачка
Составление схемы алгоритма расчета полярных и декартовых координат
центрового профиля кулачка по формулам:
Полярный радиус -
Полярный
угол -
Рисунок
5.2 Схема кулачкового механизма
Производим
расчёт полярных координат для одной точки на удалении и на возвращении:
на
удалении при


Где
5.7
Подготовка исходных данных для ЭВМ. Расчет на ЭВМ
Исходные данные для ЭВМ приведены в таблице 5.1.
Таблица 5.1
Исходные данные для ЭВМ
|
№ пп
|
Параметр
|
Условное обозначение
|
Единица измерений
|
Величина
|
|
1
|
Схема кулачкового механизма
|
-
|
-
|
|
|
2
|
Ход толкателя
|
h
|
м
|
0.013
|
|
3
|
Фазовые углы
|
град62
|
|
|
|
|
град62
|
|
|
|
|
град11
|
|
|
|
4
|
Допустимый угол давления
|
град25
|
|
|
|
5
|
Законы движения
|
-
|
-
|
-
|
|
При удалении
|
с равномерно убывающим ускорением
|
-
|
-
|
|
При возвращении
|
Параболический
|
-
|
|
|
6
|
Вид замыкание
|
силовое
|
-
|
-
|
5.8
Построение кинематической диаграммы движения толкателя
а) Кинематическая диаграмма перемещения толкателя
Масштабный
коэффициент построения принимаем 
Определяем
ординаты графика следующим образом:
|
  
|
|
|
|
|
1
|
0
|
|
0
|
|
2
|
0,0003
|
|
1,5
|
|
3
|
0,001
|
|
5
|
|
4
|
0,002
|
|
10
|
|
5
|
0,0035
|
|
17,5
|
|
6
|
0,0049
|
|
24,5
|
|
7
|
0,0065
|
|
32,5
|
|
8
|
0,0081
|
|
40,5
|
|
9
|
0,0096
|
|
48
|
|
10
|
0,011
|
|
55
|
|
11
|
0,012
|
|
60
|
|
12
|
0,0127
|
|
63,5
|
|
13
|
0,013
|
|
65
|
|
14
|
0,013
|
0,0002
|
65
|
|
15
|
0,0127
|
|
63,5
|
|
16
|
0,012
|
|
60
|
|
17
|
0,011
|
|
55
|
|
18
|
0,0096
|
|
48
|
|
19
|
0,0081
|
|
40,5
|
|
20
|
0,0065
|
|
32,5
|
|
21
|
0,0049
|
|
24,5
|
|
22
|
0,0035
|
|
17,5
|
|
23
|
0,002
|
|
10
|
|
24
|
0,001
|
|
5
|
|
25
|
0,0003
|
|
1,5
|
|
26
|
0
|
|
0
|
б) Кинематическая диаграмма аналога скорости
толкателя:
Масштабный
коэффициент построения принимаем
Определяем
ординаты графика следующим образом:
|
  
|
|
|
|
|
1
|
0
|
|
0
|
|
2
|
0,0055
|
|
27,5
|
|
3
|
0,01
|
|
50
|
|
4
|
0,0135
|
|
67,5
|
|
5
|
0,016
|
|
80
|
|
6
|
0,0175
|
|
87,5
|
|
7
|
0,018
|
|
90
|
|
8
|
0,0175
|
|
87,5
|
|
9
|
0,016
|
|
80
|
|
10
|
0,0135
|
|
67,5
|
|
11
|
0,01
|
|
50
|
|
12
|
0,0055
|
|
27,5
|
|
13
|
0
|
|
0
|
|
14
|
0
|
0,0002
|
0
|
|
15
|
-0,004
|
|
-20
|
|
16
|
-0,008
|
|
-40
|
|
17
|
-0,012
|
|
-60
|
|
18
|
-0,016
|
|
-80
|
|
19
|
-0,02
|
|
-100
|
|
20
|
-0,024
|
|
-120
|
|
21
|
-0,02
|
|
-100
|
|
22
|
-0,016
|
|
-80
|
|
23
|
-0,012
|
|
-60
|
|
24
|
-0,008
|
|
-40
|
|
25
|
-0,004
|
|
-20
|
|
26
|
0
|
|
0
|
в) Кинематическая диаграмма аналога ускорения
толкателя
Масштабный
коэффициент построения принимаем
,
определяем ординаты графика следующим образом:
|
  
|
|
|
|
|
1
|
0,0666
|
|
66,6
|
|
2
|
0,0555
|
|
55,5
|
|
3
|
0,0444
|
|
44,4
|
|
4
|
0,0333
|
|
33,3
|
|
5
|
0,0222
|
|
22,2
|
|
6
|
0,0111
|
|
11,1
|
|
7
|
0
|
|
0
|
|
8
|
-0,0111
|
|
-11,1
|
|
9
|
-0,0222
|
|
-22,2
|
|
10
|
-0,0333
|
|
-33,3
|
|
11
|
-0,0444
|
|
-44,4
|
|
12
|
-0,0444
|
|
-44,4
|
|
13
|
-0,0444
|
|
-44,4
|
|
14
|
-0,0444
|
0,001
|
-44,4
|
|
15
|
-0,0444
|
|
-44,4
|
|
16
|
-0,0444
|
|
-44,4
|
|
17
|
-0,0444
|
|
-44,4
|
|
18
|
-0,0444
|
|
19
|
-0,0444
|
|
-44,4
|
|
20
|
-0,0444
|
|
-44,4
|
|
21
|
0,0444
|
|
44,4
|
|
22
|
0,0444
|
|
44,4
|
|
23
|
0,0444
|
|
44,4
|
|
24
|
0,0444
|
|
44,4
|
|
25
|
0,0444
|
|
44,4
|
|
26
|
0,0444
|
|
44,4
|
5.9
Построение полной совмещенной диаграммы и определение уточненных значений
основных размеров механизма
Построение
полной совмещенной диаграммы выполняем в масштабном коэффициенте
. Из точки М проводим дугу радиусом равным длине
коромысла. Используя зависимость
,
разбиваем дугу на отрезки и проводим лучи, изображающие толкателя в различных
положениях. На лучах, используя зависимость
,
откладываем отрезки S для фазы удаления в направлении к точке М, для фазы
возвращения противоположно. Отложив все значения S, соединяем их
плавной кривой. В третьем и двадцать четвертом положениях проводим
перпендикуляры к отрезкам, от которых под углом
проводим
лучи до получения заштрихованной области. Тогда точка Е является центром
вращения кулачка минимальных размеров. По построенной полной совмещенной
диаграмме находим основные размеры механизма:
5.10
Построение профиля кулачкового механизма
.10.1
Построение центрового профиля кулачка
Построение
осуществляем методом обращенного движения, используя график
и полученные выше основные размеры механизма. Выбираем
масштабный коэффициент построения
.
Указываем
центр вращения кулачка Е, из которого проводим окружность радиуса Ro.
Затем из точки Mi - центра вращения коромысла радиусом 1к
проводим дугу до пересечения с окружностью радиусом R. Точка пересечения их Gi определяет
положение центра ролика толкателя, соответствующее началу фазы удаления. Из
центра Е проводим концентрические дуги через точки G, G3...G26,
отложенные согласно графику
. От
линии центров ЕМ, в сторону, противоположную вращению кулачка, откладываем
фазовые углы фу, фдс, фв. Согласно графику
делим дуги максимального радиуса, стягивающие углы
. Полученные точки Мь М2...М26
определяют положение центра вращения коромысла в обращенном движении. Для
определения положения второй точки толкател G в обращенном
движении из точек М1, М2… М26 радиусом, равным
длине коромысла
, делаем засечки по соответствующим концентрическим
дугам. Соединив плавной кривой полученные точки получим центровой профиль
кулачка на фазах удаления и возвращения. На фазе дальнего стояния профиль
кулачка очерчиваем дугой максимального радиуса, на фазе ближнего стояния -
дугой минимального радиуса Ro.
Производим расчёт полярных координат для одной точки на удалении и на
возвращении:
-
на удалении при
на
возвращении при
Графический
строим центровой профиль кулачка в позиции 5 листа 3 методом обращённого
движения, откладывая углы
противоположно вращению
.
Определяем
графически полярные координаты для контрольных точек:
- на удалении для
на
возвращении при
5.11
Определения радиуса ролика толкателя, построение действительного профиля
кулачка
Главным этапом синтеза кулачкового механизма является построение профиля
кулачка, в основу которого положен метод обращенного движения. Суть этого метода
заключается в том, что всем звеньям механизма условно сообщается дополнительное
вращение с угловой скоростью, равной угловой скорости кулачка, направленной в
обратную сторону. Тогда кулачок остановится, а стойка вместе с толкателя придет
во вращательное движение вокруг центра кулачка О с угловой скоростью - wк. Кроме того, толкатель будет совершать ещё движение
относительно стойки по закону, который определяется профилем кулачка.
Из центра О проводим окружности радиусами rmin и lАВ. Определяем положение центра ролика коромысла, для чего из
точки А радиусом, равным длине толкателя, проводим дугу до пересечения с
окружностью радиуса rmin.
Точка пересечения В0 и есть положение центра ролика коромысла,
соответствующее началу удаления. На траекторию точки В толкателя наносим
разметку её согласно диаграмме S(j). Получаем точки В1, В2,
В3…В6.
Для определения действительного профиля кулачка необходимо определить
радиус ролика. Радиус ролика должен быть меньше максимального радиуса кривизны rmin центрового (теоретического) профиля
кулачка:
Из конструктивных соображений радиус ролика не рекомендуется принимать
больше половины минимального радиуса:rp £ (0,4 ¸0,5)rmin
Принимаем
радиус ролика равным
=0.0067м.
Для
построения действительного профиля из точек 1-26 проводим внутрь кулачка дуги
равные радиусу ролика. Плавной линией соединяем вершины данных дуг и получим
искомый профиль.
.13
Определение угла давления и построение графика зависимости угла давления от
угла поворота кулачка
Определение
угла давления и построение графика зависимости угла давления от угла поворота
кулачка
Масштабный
коэффициент построения принимаем
|
  
|
|
|
|
|
1
|
-25
|
|
-25
|
|
2
|
-6,9
|
|
-6,9
|
|
3
|
8,4
|
|
8,4
|
|
4
|
18,4
|
|
18,4
|
|
5
|
23,7
|
|
23,7
|
|
6
|
25,6
|
|
25,6
|
|
7
|
25
|
|
25
|
|
8
|
22,5
|
|
22,5
|
|
9
|
18,3
|
|
18,3
|
|
10
|
12,6
|
|
12,6
|
|
11
|
5,1
|
|
5,1
|
|
12
|
-3,9
|
|
-3,9
|
|
13
|
-14,5
|
|
-14,5
|
|
14
|
-14,5
|
1
|
-14,5
|
|
15
|
-21,7
|
|
-21,7
|
|
16
|
-28,7
|
|
-28,7
|
|
17
|
-35,4
|
|
-35,4
|
|
18
|
-41,9
|
|
-41,9
|
|
19
|
-48,3
|
|
-48,3
|
|
20
|
-54,4
|
|
-54,4
|
|
21
|
-53,2
|
|
-53,2
|
|
22
|
-51,1
|
|
-51,1
|
|
23
|
-47,8
|
|
-47,8
|
|
24
|
-42,7
|
|
-42,7
|
|
25
|
-35,3
|
|
-35,3
|
|
26
|
-25
|
|
-25
|
Угол давления в механизма определяем
,
где
k=1 (вращение кулачка против часовой стрелки), сещение
е берётся с «+», т.к. толкатель расположен справа от центра врщения кулачка.
График
зависимости угла давления
от
позволяет
определить наличие замыкания в механизме. Условие отсутствия замыкания следующее:
. В нашем случае данное условие не выполняется, т.е.
замыкание присутствует.
Выводы по разделу
В ходе проделанной работы, которую выполнили по заданному движению
выходного звена можно сделать следующие выводы:
1. Из
условия предельно допустимого угла давления
основные
размеры звеньев механизма:
,
е=0.0075м.
. Рассчитаны
аналитически полярные координаты
центрового
профиля кулачка для 26 точек. Центровой профиль построен графически методом
обращённого движения.
3. Координаты центрового и действительного профилей кулачка. Построили
профиль кулачка, который обеспечивает движение по заданному закону движения
толкателя.
4. График
зависимости угла давления
от
позволяет
определить наличие замыкания в механизме. Условие отсутствия замыкания
следующее:
.В нашем случае данное условие не выполняется, т.е.
замыкание присутствует по фазе, реверсивный режим работы невозможен.
5. Проверили механизм на отсутствие замыкания.
Заключение
В
разделе «Динамический синтез и анализ машинного агрегата» определили постоянную
составляющую приведенного момента инерции машинного агрегата 11п
=0.102кг-м, при заданном коэффициенте неравномерности движения
=0.018.
При
полученном значении I п определили законы движения звена приведения
. В связи с тем, что момент инерции маховых масс
составил
=1.754 кгм, необходима установка маховика с массой m=42
кг.
В
разделе «Динамический анализ рычажного механизма» определили скорости,
ускорения точек и звеньев механизма с учетом неравномерности вращения
механизма, динамических сил, действующих на звенья механизма. Определили
динамические реакций во всех кинематических парах механизма и уравновешивающий
момент Му =-241,59Нм, действующий на кривошип со стороны
привода. Данная задача решалась методом кинетостатики с использованием принципа
Даламбера. Осуществили расчет инерционных нагрузок - главного вектора R и главного момента Mи сил инерции.
В
разделе «Синтез кулачкового механизма» по заданному закону движения толкателя
определили минимальный радиус кулачка построили графики перемещения, аналога
скорости, аналога ускорения, проанализировали их. Определили координаты
центрового и действительного профилей кулачка.
Построили
профиль кулачка, обеспечивающий движение по заданному закону движения
толкателя. Построили полную совмещенную диаграмму. Задачи решали графическим и
аналитическим методами.
Список используемой литературы
1. Анципорович ILIL, Акулич В.К. «Динамика машин и механизмов в
установившемся режиме движения». Учебно-методическое пособие по курсовому
проектированию по дисциплине «Теория механизмов, машин и манипуляторов», Мн.,
БНТУ, 2008 - 40 с.
2. Анципорович ILIL, Акулич В.К., Дворянчикова А.Б., Жуков Д.В. Программа
«Синтез кулачковых механизмов». Методические указания по курсу «Теория
механизмов и машин для студентов инженерно-технических специальностей».
«Курсовое
проектирование по теории механизмов и машин», Мн., Высшая школа, 1986 - 285 с.