Поляризация в ферромагнитных гетероструктурах

  • Вид работы:
    Контрольная работа
  • Предмет:
    Физика
  • Язык:
    Русский
    ,
    Формат файла:
    MS Word
    517,66 kb
  • Опубликовано:
    2011-06-05
Вы можете узнать стоимость помощи в написании студенческой работы.
Помощь в написании работы, которую точно примут!

Поляризация в ферромагнитных гетероструктурах

Содержание

Введение

Образцы и экспериментальная установка

Методика эксперимента

Результаты и обсуждения

Заключение

Список литературы

Введение

С момента открытия ферромагнетизма в АIIIBIV в 1996 [1] году эти материалы и гетероструктуры на их основе оказались привлекательными для исследований в связи с возможностью внедрения магнитных явлений в полупроводниковую электронику. Одним из самых перспективных материалов является GaAs легированный Mn ( (Ga,Mn)As ). Основной задачей исследований данных материалов является увеличение температуры Кюри, которая пока ограничивается 170° К в (Ga,Mn)As [2]. Считается, что это ограничение обусловлено сегрегацией Mn, которая наступает при концентрациях Mn более 7-8%. Ожидалось, что применение д (тонких) слоёв Mn, т.е. по сути, применение гетероструктуры Mn/GaAs должно было привести к увеличению температуры Кюри из-за локального увеличения концентрации Mn [3,4,5]. Кроме того в теоретической работе [6] было показано, что в структурах с д - слоями Mn следует ожидать увеличения обменного взаимодействия по сравнению с объемным GaMnAs с однородным распределением Mn в GaAs. Изменения толщины, разделяющего д слои Mn, слоёв GaAs должно было позволить изменять ферромагнитные свойства (температура Кюри и коэрцитивная сила), а так же управлять спиновой поляризацией носителей в слоях GaAs. В недавних работах [7,8] исследовалось влияние толщины д слоёв и расстояния между ними на температуру Кюри, величину намагниченности, и влияние её на транспорт носителей заряда. Однако, использованные в этих работах методики позволяли измерять только намагниченность или проводимость, а важная для применений в приборах спинтроники величина спиновой поляризации носителей заряда оставалась неизвестной. Поэтому наше исследование было нацелено на исследование спиновой поляризации носителей заряда и её зависимости от параметров гетероструктур. Как и в более ранних работах [3-5,7-8] эффект увеличения температуры Кюри нами не был обнаружен. Однако, была обнаружена сильная зависимость спиновой поляризации дырок и электронов от толщины слоёв GaAs разделяющих д слои Mn, а так же её зависимость от состояния остаточного Mn в слоях GaAs.

Как отмечалось выше, особый интерес для применения ферромагнитных АIIIBIV в спинтронных устройствах представляет эффект спиновой поляризации и спиновой релаксации носителей в ферромагнитных слоях. В нашей работе [9] поляризация носителей в ферромагнитных гетероструктурах Mn/GaAs измерялась методом горячей фотолюминесценции электронов (ГФЛ). Было показано что, увеличение толщины слоёв GaAs уменьшает как магнитные свойства ферромагнитных слоёв, так и поляризацию носителей заряда. Уменьшение поляризации носителей вызвано наведёнными механическими напряжениями в д слоях Mn слоями GaAs.

Образцы и экспериментальная установка

Гетероструктура Mn/GaAs была выращена на подложке GaAs(001) легированной кремнием методом молекулярно пучковой эпитаксии. После, был выращен буферный слой GaAs толщиной 450нм при высоких температурах (580-600°С), для меньшего влияния дефектов из подложки. Затем подложку охладили до температуры 250°С и вырастили 5нм буферного слоя низкотемпературного GaAs. Далее, была выращена сама гетероструктура Mn/GaAs, поочерёдно открывая и закрывая заслонки Mn и Ga в непрерывном потоке As4. В завершении был нанесён защитный слой низкотемпературного GaAs. В процессе роста была измерена интенсивность отражённого пучка быстрых электронов, как функция от времени. Для того, чтобы свойства быстрых электронов в большей степени зависели от реальной структуры образцов, измерения были произведены методом просвечивающей электронной микроскопии. Концентрация марганца экспериментально была получена методом эталонов вторичной ионной масс спектрометрией (ВИМС) с помощью образцов с известной концентрацией Mn. Обозначение образцов следующее: (А/Б), где А - толщина д-слоёв Mn, а Б - толщина разделяющих слоёв GaAs. Толщина д-слоёв Mn составляет 0,11нм т.к. это максимальная толщина слоя при котором сохраняется конструктивная целостность решётки GaAs. Толщина разделяющих слоёв GaAs изменялась от 2,5нм до 14,4нм, число периодов было постоянным (40) (См. Табл. 1). Свойства сверхрешёток (СР) удобно сравнивать с ферромагнитными образцами GaAs легированными Mn (в виде эпитаксиальных плёнок толщиной 1000 нм). Мы используем два таких образца: с концентрацией Mn ≈ 1017 см-3, обозначенный на рисунках как DLT, и с процентным содержанием Mn 4.3%, обозначенный на рисунках как FM1. Для сравнения также были исследованы образцы с более низкой концентрацией марганца, при которой не наблюдалось ферромагнитных свойств. Это объёмные образцы с концентрацией марганца 1018 см-3 (R1) (выращен методом Чохральского) и процентным содержанием 1% (PM).

Таблица 1. Исследованные образцы

Обозначение гетероструктуры

A, нм

B, нм

(0.11/2.5)

0.11

2.5

(0.11/3.6)

0.11

3.6

(0.11/5)

0.11

5

(0.11/7.2)

0.11

7.2

(0.11/14.4)

0.11

14.4


Идеальный профиль гетероструктуры представлен на Рис.1 (а), из-за диффузии часть марганца попадает в области арсенида галлия, поэтому реальный профиль распределения марганца (Рис. 1 (б, в)) отличается от идеального. В области д-слоя локализуется 80% всего марганца, остальные 20% диффундируют в соседние области левый и правый монослои. На рисунке 1 (б, в) схематично показаны профили распределения марганца при разных толщинах слоёв арсенида галлия. Примеси марганца в арсениде галлия при малой концентрации проявляют себя и как двойные доноры и как акцепторы, при дальнейшем увеличении концентрации акцепторная составляющая начинает преобладать над донорной.

Рис. 1 Профиль распределения марганца в гетероструктуре; а - идеальный профиль; б - реальный профиль с относительно большой толщиной слоя арсенида галлия; в - реальный профиль с относительно небольшой толщиной арсенида галлия.

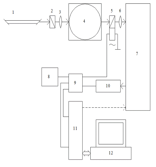
На рисунке 2 изображена схема экспериментальной установки. Тонкими стрелками обозначен путь который проходит оптическое излучение. Тонкой штриховой стрелкой обозначается передача управляющего сигнала от блока управления спектрометром (11) к спектрометру (7). Толстой двухсторонней стрелкой обозначен обмен данными между компьютером (12) и блоком (11). Остальные, связывающие блоки линии передают электрические сигналы между блоками.

Рис. 2 Схема экспериментальной установки. 1 - лазер; 2 - четверть волновая поляризационная пластинка; 3, 6 - собирающие линзы; 4 - гелиевый криостат; 5 - кварцевый фотоупругий модулятор (ФУМ); 7 - спектрометр высокого разрешения; 8 - источник высокого напряжения; 9 -компаратор; 10 - фотоэлектронный умножитель; 11 - блок управления спектрометром; 12 - управляющий компьютер.

Излучение лазера 1, проходя через систему зеркал, не показанную на Рис. 2 для простоты, попадает на четвертьволновую пластинку 2, на выходе которой излучение имеет циркулярную поляризацию. Затем собирающая линза 3 фокусирует свет в точку на образце диаметром ≈ 100-150мкм. Образец расположен внутри камеры криостата 4 на держателе с печкой, что позволяет управлять его температурой. Высокая стабильность температуры печки поддерживается с помощью контроллера температуры. Есть два режима установки температуры: ручной и автоматический. Расположенный внутри криостата сверхпроводящий магнит позволяет создавать магнитные поля до 5 Т. Управление магнитным полем осуществляется через генератор пилообразного напряжения, который управляет током от источника тока. Полезный сигнал из образца попадает на анализатор поляризации, в качестве которого выступает кварцевый фотоупругий модулятор (ФУМ) 5. На него подаётся переменное напряжение от компаратора 9. В зависимости от знака переменного напряжения плоскость пропускания ФУМ изменяет фазу световой волны на ±р/2 относительно поляризатора 2, что приводит к пропусканию света с поляризацией у+ или у- в разных полупериодах ФУМ. Собирающая линза 6 фокусирует свет от образца на щель спектрометра 7. Далее спектрометр выделяет нужную длину волны, после чего выделенный сигнал усиливается в ФЭУ 10, который работает в режиме счёта фотонов. Усиленный сигнал поступает в компаратор 9, где он разделяется на два канала поляризации света в зависимости от напряжения на ФУМ. Также компаратор преобразует постоянное высокое напряжение с источника 8 в переменное. Данные с двух каналов регистрации поляризации поступают в блок управления спектрометром 11. Блок управления спектрометром сохраняет данные об интенсивности сигнала в двух каналах поляризации, получает управляющие сигналы о нужной длине волны излучения и времени накопления сигнала от компьютера 12, управляет спектрометром в соответствии с нужной длинной волны и передаёт данные об интенсивности в компьютер. На компьютере установлена программа, позволяющая снимать спектры и выводить на экран монитора данные об интенсивности двух каналов поляризации и величину поляризации. Поляризация определяется по стандартной формуле

                                                (1)

где I+ и I- интенсивности у+ и у- компонент поляризации соответственно. Изменяя температуру и величину магнитного поля можно снимать два вида зависимостей: 1) Температурную зависимость поляризации в постоянном магнитном поле и 2) Зависимость поляризации от магнитного поля при постоянной температуре.

Методика эксперимента

В основе эксперимента лежит метод поляризации горячей фотолюминесценции (ГФЛ) во внешнем магнитном поле. При поглощении фотона с энергией превышающей ширину запрещённой зоны в полупроводнике рождается электронно-дырочная пара (см. схему переходов на рис. 3), при этом энергия поглощённого фотона распределяется примерно поровну между парой электрон-лёгкая дырка, а при рождении пары электрон-тяжёлая дырка большая часть энергии передаётся электрону, для простоты в дальнейшем мы будем рассматривать только этот канал возбуждения. Возбуждённый электрон быстро релаксирует из точки рождения (‘0’ на рис.3) на дно зоны проводимости. В нелегированном полупроводнике это время определяется временем испускания оптического фонона и составляет ф≈10-13с. В легированном полупроводнике это время может быть короче из-за дополнительного рассеяния на нейтральных примесях с их ионизацией и возбуждением. Со дна зоны проводимости электрон может рекомбинировать с дыркой в валентной зоне или с дыркой связанной на акцепторе с испусканием фотона, время жизни электрона на дне соответствует ф≈10-9с. Линия в спектре, соответствующая этому процессу, называется краевой люминесценцией, переход С-Mn Рис.3. В данной работе исследуются образцы выращенные при низких температурах порядка 250°С. Вследствие чего в образцах имеется большое число дефектов, в частности двойные доноры марганца, что накладывает определённые трудности на исследование краевой люминесценции. Возбуждённый электрон имеет высокую вероятность безызлучательно рекомбинировать на дефекте (переходы «0-D» Рис.3), сравнимую с вероятностью релаксации на дно зоны. В результате после каждого акта релаксации к дну зоны проводимости часть электронов будет безызлучательно рекомбинировать. Очевидно, что чем выше энергия возбуждения тем меньше электронов будет доходить до дна зоны и тем меньше будет сигнал краевой люминесценции. Поскольку время безызлучательной рекомбинации электронов в GaMnAs ~10-13c, то краевая люминесценция существенно подавлена (в 106 раз) по сравнению с обычным p-GaAs. С другой стороны, часть возбуждённых электронов в точке рождения «0» Рис.3 будет рекомбинировать на акцепторный уровень марганца с испусканием фотона, переход «0-Mn» Рис.3.

Малая величина этого сигнала объясняется также спадом волновой функции акцептора (в импульсном представлении) для больших волновых векторов рекомбинирующих электронов. Учёт этого фактора приводит к уменьшению сигнала по сравнению с краевой люминесценцией на два порядка. Действительно, поскольку примесная зона расположена вблизи валентной зоны то в рамках kp - теории возмущений можно разложить волновую функцию примесного состояния по волновым функциям валентной зоны. Такое разложение даст нам вид волновой функции примесного состояния. Для водородоподобных примесей квадрат волновой функции, описывающий распределение дырок по энергиям в акцепторе, имеет следующий вид:

                                          (2)

где  - радиус Бора; ; me и mA - эффективные массы электрона в зоне проводимости и дырки на акцепторе соответственно; еe и еА - энергии электрона в зоне проводимости и дырки на акцепторе соответственно.

Этим можно объяснить увеличение интенсивности хвоста с высокочастотной стороны от стрелки «0», т.к. из формулы:

                     (3)

где А - коэффициент пропорциональности слабо зависящий от энергии; f(е) - распределение электронов по энергиям; g(е) - распределение плотности состояний по энергиям, видно что интенсивность пропорциональна квадрату волновой функции, которая увеличивается при приближении к точке «Г».

При наличие процессов безызлучательной рекомбинации форма спектра ГФЛ будет зависеть от соотношения времён энергетической релаксации электронов в зоне проводимости и их безызлучательного захвата на уровни дефектов Очевидно, что число электронов в точке рождения будет уменьшаться в связи с безызлучательной рекомбинацией в соответствии с соотношением

                                              (4)

где фр - время определяющее процессы релаксации по зоне, а фби - время определяющее процессы безызлучательной рекомбинации. Именно поэтому целесообразней измерять люминесценцию в точке рождения и вблизи неё.

Спектр ГФЛ и её поляризационные характеристики были подробно исследованы в работе [10,11]. В частности тот факт, что время жизни электронов в точке рождения очень мало был использован для измерения поляризации дырок, связанных на магнитном акцепторе Mn. Действительно электроны в точке рождения не успевают за время жизни распределиться по зеемановским подуровням в соответствии с температурой образца, поэтому поляризация ГФЛ в магнитном поле определяется исключительно равновесной поляризацией дырок на акцепторе. Это даёт уникальную возможность исследовать структуру основного состояния акцептора.

Таким образом, ГФЛ позволяет измерять непосредственно поляризацию носителей заряда, что важно, поскольку в нашем случае интерес представляет не намагниченность образца в целом, а именно поляризация носителей.

Рис.3 Схема, поясняющая процессы фотолюминесценции и безызлучательных переходов. Валентная зона для простоты показана в виде одной параболы тяжёлых дырок (вместо трёх); стрелка показывающая переход из валентной зоны в зону проводимости обозначает возбуждение электронно-дырочных пар лазерным излучением; символом «0» обозначена точка рождения электрона; стрелка, обозначенная как «0-Mn» обозначает излучательный переход из точки рождения электрона на уровень акцептора; стрелка, обозначенная как «C-Mn» обозначает излучательный переход со дна зоны проводимости на уровень акцептора; D - уровни дефектов; косые стрелки на уровни дефектов обозначают безызлучательное рассеяние на дефектах; кривая на акцепторном уровне обозначает квадрат волновой функции марганца; закруглённые стрелки вдоль зоны проводимости обозначают релаксацию электронов к дну зоны проводимости.

Результаты и обсуждения

На рисунке 5 показаны спектры ГФЛ, полученные от двух гетероструктур (0.11/14.4), (0.11/2.5) и образцов DLT и FM1. Анализ этих спектров показывает, что спектр образца с наименьшей толщиной GaAs (0.11/2.5) похож на спектр объёмного ферромагнитного образца FM1 с концентрацией Mn x~4.5%. С другой стороны, спектр образца с наибольшей толщиной слоёв GaAs (0.11/14.4), больше похож на спектр легированного GaAs:Mn с концентрацией Mn всего 3·1017см-3. Особенностью спектра образца с наибольшей толщиной GaAs (0.11/14.4) является также то, что в нем, как и в легированном образце, но в отличие от образца (0.11/2.5) наблюдается дополнительная полоса Eg+∆. Обсудим сначала природу спектра, представляющего собой ступеньку с резким спадом на высоко энергетичном краю, который отмечен на рисунке значком '0'. Ранее в работе [12] было показано, что такой спектр ГФЛ в образцах, легированных Mn обусловлен рекомбинацией горячих, фотовозбуждённных электронов с дырками, связанными на нейтральном акцепторе Mn. Как уже отмечалось выше, начальная точка спектра ГФЛ, обозначенная как '0' соответствует рекомбинации электронов из точки рождения на уровень одиночного акцептора, а спектр, наблюдаемый ниже по энергии, соответствует рекомбинации электронов, испытавших энергетическую релаксацию (см. рис. 3). Очевидно, что начало спектра ГФЛ (точка '0') отстоит от лазерной линии на величину энергии дЕ, где дЕ определяется простым соотношением:

                                          (5)

где EA - энергия ионизации акцептора; а  - кинетическая энергия фотовозбуждённой дырки в подзоне тяжёлых дырок. В сильно легированных образцах взаимодействие соседних акцепторов приводит к формированию примесной зоны. Как известно, такое взаимодействие наступает, когда расстояние между соседними акцепторами становится сравнимым с их Боровским радиусом. Боровский радиус акцептора Mn а ~ 1nm, поэтому формирование примесной зоны происходит в соответствии с условием (6)

                                         (6)

Рис. 5 Спектры ГФЛ, полученные от образцов (а) объёмный низкотемпературный GaAs:Mn (DLT) и гетероструктура (0.11/14.4); (b) магниторазбавленный полупроводник (FM1) и гетероструктура (0.11/2.5); энергия возбуждения 1.96 эВ; зависимость снята при температуре 5 К. Стрелка обозначенная как «laser» показывает энергию возбуждения. Стрелка обозначенная «0» показывает энергию рекомбинации электронов из точки рождения. Фотолюминесценция, обусловленная рекомбинацией с уровней двойного донора марганца на уровень дырок в спин-орбитально отщеплённой подзоне, обозначена стрелкой «Eg+Д»

при концентрации n ~ 1021 см-3, что соответствует процентному содержанию марганца 1 - 2%. Соотношение (5) с учётом расщепления уровня в примесную зону записывается следующим образом:

                                    (7)

где Д - ширина примесной зоны. Именно, формирование примесной зоны и объясняет сдвиг в высокочастотную область начала спектра ГФЛ (точка '0') в образце с наименьшей шириной слоёв GaAs.

Сравнивая спектры сверхрешётки с наименьшим расстоянием между д - слоями (2.5нм) и объёмного образца FM1 (рис. 5(б)) видно, что они имеют схожую структуру. В то время как спектр СР с самой большой толщиной слоя GaAs (14.4нм) похож на спектр, полученный от образца DLT (рис. 5(а)).

Основываясь на том, что число д - слоёв во всех сверхрешётках одинаково (40) и фоновый уровень марганца в областях GaAs не будет зависеть от толщины разделяющего слоя, естественно предположить, что структура спектров сверхрешёток с разными толщинами слоёв GaAs будет одинакова. Однако, в силу того что реальное распределение марганца отличается от идеального (см. рис.1(а)), т.е. 80% марганца в первом монослое и 20% в соседних монослоях это предположение не подтвердилось, что видно из рисунка 5.

Высоко энергетичный хвост люминесценции во всех образцах объясняется излучательной рекомбинацией горячих электронов из точки рождения на уровни одиночных Mn или в примесную зону образованную Mn, что пояснено схемой переходов на рисунке 6(а). Обсудим особенности спектров ГФЛ в наших гетероструктурах и их зависимость от расстояния между д - слоями. Прежде всего обращает на себя внимание тот факт, что интенсивность спектра ГФЛ уменьшается при уменьшении энергии рекомбинирующих электронов. Этот спад интенсивности можно объяснить важной ролью безызлучательной рекомбинации в формировании спектра ГФЛ. Наличие дефектов обуславливает безызлучательные переходы электронов на уровни дефектов при их релаксации к дну зоны, в результате чего число, рекомбинирующих на уровни акцепторов, носителей, дающих вклад в люминесценцию, уменьшается согласно выражению (4) (см. переходы «0-D» на рис.3).

Рис. 6 Схема, поясняющая переходы в GaAs:Mn. (а) возбуждение горячих электронов, их релаксация к дну зоны и рекомбинация на уровни донора марганца А0(MnА). (б) возбуждение дырок в спин-орбитально отщеплённую подзону, их релаксация к потолку подзоны и излучательная рекомбинация с электронами на уровне донора или электронами безызлучательно релаксировавшими на его уровень. hh - подзона тяжёлых дырок; lh - подзона лёгких дырок; sh - спин-орбитально отщеплённая подзона; двойная стрелка обозначенная «дЕ» показывает энергию равную сумме (4); А0(MnА) - уровень или примесная зона нейтральных акцепторов марганца; D0(Mni) - уровень двойных доноров марганца; с - зона проводимости; «0» - точка рождения горячих электронов; стрелка в форме дуги помеченная «1LO» показывает релаксацию электронов к дну зоны с испусканием одного LO фонона; волнистой стрелкой на рисунке (б) показана безызлучательная релаксация электронов на уровень доноров; стрелками вверх на рисунках (а) и (б) показана фотогенерация электронов и дырок; стрелками вниз на рисунках (а) и (б) показана излучательная рекомбинация носителей; заполненные кружки на рисунке (а) показывают уровни в примесной зоне на которых сидят дырки, а пустые кружки показывают уровни с электронами.

Обсудим теперь причины приводящие к красному сдвигу ступеньки ГФЛ 0 при увеличении расстояния между слоями.

Мы полагаем, что это красное смещение хвоста ГФЛ объясняется влиянием слоёв GaAs на д - слои. Поскольку в областях GaAs имеется большое число доноров, то электроны этих доноров могут заметно влиять на свойства д - слоёв. Пришедшие из разделяющих слоёв GaAs электроны начинают компенсировать дырки в примесной зоне, тем самым смещая уровень Ферми в глубину запрещенной зоны. Таким образом, увеличение толщины слоёв GaAs приводит к увеличению числа электронов приходящих в д - слои, которые в свою очередь начинают заполнять примесную зону, изменяя уровень Ферми, что приводит к смещению хвоста в красную область спектра. Увеличение толщины слоёв GaAs приводит к уменьшению интенсивности переходов отвечающих за наличие хвоста. Это подтверждается тем фактом, что спектр, полученный от образца (0.11/2.5) (рис. 5(б)), имеет интенсивность на порядок выше, чем спектр образца (0.11/14.4).

Широкая полоса «Eg+Д» в образце DLT и СР (0.11/14.4) можно объяснить излучательной рекомбинацией дырок, возбуждённых в спин-орбитально отщеплённой подзоне и релаксировавших к потолку подзоны, со свободными электронами или связанными на донорах. В качестве доноров чаще всего выступают атомы марганца в междоузлиях решётки GaAs, которые являются двойными донорами. Так же донорами могут являться вакансии мышьяка в решётке GaAs, которые тоже являются двойными донорами. Дырки, возбуждённые в спин-орбитально отщеплённой подзоне, могут релаксировать в соседние подзоны лёгких и тяжёлых дырок с испусканием LO - фонона. Это приводит к уменьшению числа дырок в спин-орбитально отщеплённой подзоне и ослаблению линии «Eg+Д».

В силу того, что в слоях GaAs марганец играет роль двойных доноров, можно предположить, что именно разделяющие слои GaAs участвуют в формировании пика «Eg+Д». В то время как д - слои напротив, участвуют в формировании хвоста потому, что в них концентрация Mn намного выше, а при высокой концентрации марганца его атомы чаще выступают в роли акцепторов. Это даёт уникальную возможность анализировать поляризацию разделяющих слоёв (т.е. спиновую поляризацию электронов в них) по хвосту, а по линии «Eg+Д» поляризацию д - слоёв (т.е. спиновую поляризацию дырок в них). Причём поляризация хвоста неизменна по всей его длине, что показано на рисунке 7 это позволяет встать в спектральную точку с максимальной интенсивностью излучения. Максимальная интенсивность хвоста наблюдается при энергии ≈ 1,8 эВ.

Рис. 7 Сплошной линией показан спектр ГФЛ высокочастотного хвоста для образца (0.11/2.5) во внешнем магнитном поле 0,5Т. Заштрихованными точками показана циркулярная пляризация для образца (0.11/2.5) в поле 0,5Т.

В работе была исследована спиновая поляризация дырок в зависимости от расстояния между д - слоями, т.е. от магнитных свойств гетероструктур. С этой целью были выполнены измерения степени циркулярной поляризации ГФЛ во внешнем магнитном поле при неполяризованной накачке. Как известно, поляризация ФЛ во внешнем магнитном поле определяется спиновой поляризацией дырок и электронов, т.е. заселённостью носителями заряда Зеемановских подуровней дырками в валентной зоне и электронами в зоне проводимости. Особенностью ГФЛ в наших образцах является то, что время энергетической релаксации очень мало (существенно меньше, чем время спиновой релаксации) из-за большого числа дефектов, поэтому электроны за время жизни в точке рождения не успевают равновесно заселить Зеемановские подуровни. Следовательно, в данном случае поляризация ГФЛ определяется исключительно поляризацией равновесных дырок на акцепторе.

На рисунке 10 (б) представлена зависимость циркулярной поляризации от величины внешнего магнитного поля для всех исследованных в данной работе СР. Для сравнения на рисунке 10 (а) приведены зависимости циркулярной поляризации от величины внешнего магнитного поля для ферромагнитного (FM1), парамагнитного, выращенного при низких температурах, (PM) и парамагнитного, выращенного методом Чохральского, (R1) образцов. Сравнив рисунки 10 (а) и 10 (б) видно, что поляризационные кривые всех СР похожи на поляризационные кривые ферромагнитного образца (FM1). Это говорит о том, что исследованные СР обладают ферромагнитными свойствами.

Все поляризационные кривые, полученные от СР, имеют два участка. Первый, участок резкого роста поляризации в полях до 1Т, характерен для всех ферромагнитных образцов. Второй, участок насыщения в полях более 1Т. Увеличение толщины разделяющих слоёв проявляет себя в двух аспектах. Первое, при увеличении толщины слоёв GaAs уменьшается наклон кривой поляризации на первом участоке. Второе, с увеличением толщины разделяющих слоёв уменьшается величина циркулярной поляризации в насыщающих внешних магнитных полях. Максимальное значение поляризации наблюдается для гетероструктур с минимальной толщиной слоёв GaAs и составляет ≈ 0,25. Это значение поляризации совпадает с ранее измеренным значением поляризации в объёмных ферромагнитных образцах, которая была исследована в [13]. Обращает на себя внимание тот факт, что предельная поляризация во всех DMS образцах существенно меньше ожидаемой 100% и меньше той, что наблюдается в легированных образцах ~50%. Уменьшение поляризации до 50% в легированных образцах было дано в работе [12]. В этой работе было показано, что уменьшение предельной поляризации от 100% (характерной для немагнитного акцептора) до 50% (в GaAs:Mn) обусловлено в основном обменным взаимодействием

Обсудим причины, приводящие к уменьшению спиновой поляризации дырок в FM1 по сравнению с поляризацией дырок в R1 (в котором циркулярная поляризация достигает 50% в насыщающем магнитном поле B~8-10T). Для этого нужно учитывать то, что полный момент валентных ( 3d ) электронов на акцепторе марганца определяется только спиновой составляющей и составляет JS=5/2, а полный момент дырки на этом акцепторе определяется спиновой и орбитальной составляющей и равен Jh=3/2. Тогда систему дырка + акцептор можно описать квантовым числом F, которое определяется суммой (JS + Jh) и может изменяться в пределах от |JS - Jh| до | JS + Jh |, т.е. принимает значения 1,2,3,4 в зависимости от взаимной ориентации моментов дырки и акцептора. При F=4 (JS и Jh направлены в одну сторону) реализуется ферромагнитное взаимодействие между акцептором и дыркой, а при F=1 (JS и Jh направлены в разные стороны) антиферромагнитное. Ранее в [13, 12] было показано, что поляризация ГФЛ в легированных образах хорошо объясняет модель, предполагающая антиферромагнитное взаимодействие в комплексе ион Mn - валентная дырка, и наличие случайных слабых электрических полей или деформаций. Отметим, что основной причиной уменьшения поляризации ГФЛ при переходах на Mn по сравнению с другими не магнитными акцепторами является сильное обменное взаимодействие между валентной дыркой и атомом марганца. Это обменное взаимодействие описывается гамильтонианом вида:

                                      (8)

Где  константа обменного p-d взаимодействия (=2.2 мэВ [14]) Было показано, что обменное взаимодействие в этом комплексе носит антиферромагнитный характер [12], т.е. основным состоянием является состояние с полным моментом F=1 [13], соответственно возбужденные состояния имеют энергии :

F=2, ДЕ= -Дdh;

F=3, ДЕ= - Дdh;

F=4, ДЕ= - Дdh;

Поскольку эксперимент проходил при низких температурах (2є К), вкладами в ФЛ возбуждённых состояний можно пренебречь. Основное состояние F=1 под действием электрических и деформационных полей расщепляется на подуровни F=0 и F=±1, отстоящие друг от друга на величину д, что показано на рисунке 8. Далее во внешнем магнитном поле подуровень F=±1 расщепляется на подуровни F=+1 и F=-1, отстоящие друг от друга на расстоянии gм0B. В зависимости от соотношения величин расщепления д и gм0B могут реализоваться следующие три случая. Первый, когда д < gм0B, kT , при этом подуровни заполняются таким образом, что теоретические расчёты поляризации ГФЛ выполненные в работе [13] дают 50.4%. Это теоретическое значение хорошо согласуется с измеренным в [12] (представлен кривой «д<gAмBB» на рис 9). Схема уровней для этого случая представлена на рисунке 8 (в). Второй, случай реализуется при больших деформациях т.е. kT > д > gм0B,. В этом случае расчёт предсказывает поляризацию 0.267. Схема уровней для этого случая представлена на рисунке 8 (а). Теоретический расчёт даёт зависимость представленную на рисунке 9 (кривая обозначенная «д>>gAмBB»). Третий, промежуточный случай, когда деформационное расщепление сравнимо с расщеплением в магнитном поле также показано на рисунке 9 (кривая обозначенная «д≈gAмBB»). Этому случаю соответствует схема на рисунке 8 (б).

Рис. 8 Схема уровней системы акцептор марганца + валентная дырка в случае больших деформационных полей. а) случай слабых магнитных полей; б) случай средних магнитных полей; в) случай сильных магнитных полей. д величина расщепления уровней в электрических и деформационных полях; gм0B - величина расщепления уровней во внешнем магнитном поле; F=0 - неполяризованное состояние системы; F=±1 - поляризованное состояние системы не расщеплённое во внешнем магнитном поле; F=+1 и F=-1 расщеплённые в магнитном поле уровни.

Рис. 9 Зависимость циркулярной поляризации спектров ГФЛ от величины магнитного поля в различных деформационных полях; д < gAмBB - случай малых деформационных полей; д ≈ gAмBB - случай деформаций сопоставимых с величиной расщепления в магнитном поле; д >> gAмBB - случай больших деформационных полей.

Заметное уменьшение поляризации в DMS (по сравнению с 50%) можно объяснить тем, что все исследованные СР были выращены при относительно низких температурах а это в свою очередь предполагает большое количество дефектов и следовательно величина случайных деформационных и электрических полей может быть велика по сравнению с кТ и gµB. Это соответствует второму случаю (kT > д > gм0B) и описывается теоретической зависимостью:

                                     (9)

где  (B-внешнее магнитное поле, g1=2.76 , м0 - магнетон Бора ); б - параметр описывающий распределение электронов по импульсам (для возбуждения hh-c б=-1).

В случае ферромагнитного образца магнитное поле B в (9) следует заменить на B+гM(B). Наличие гM(B) приводит к быстрому росту поляризации в малых магнитных полях, что также является признаком ферромагнетизма.

По-видимому такая ситуация наблюдается в гетероструктуре с наименьшим расстоянием между д слоями. При увеличении расстояния между ними в д - слои приходит всё больше электронов с уровней доноров. Электроны начинают компенсировать дырки связанные на акцепторе, что проявляется в уменьшении циркулярной поляризации в полях насыщения и уменьшении наклона кривой поляризации при малых магнитных полях, что говорит об ослаблении ферромагнитных свойств и уменьшении члена гM(B). К тому же увеличение толщины слоёв GaAs, имеющего меньшую постоянную решетки, чем Ga,MnAs, приводит к изменению величины и знака деформационных полей в д - слоях, что в свою очередь приводит к тому, что вместо уровней F=+1 и F=-1 основное состояние занимает уровень F=0 (рис. 8). Вследствие чего заселённость неполяризованного подуровня F=0 увеличивается, а заселённость поляризованных подуровней F=+1 и F=-1 уменьшается. Это приводит к уменьшению поляризации с увеличением толщины слоёв GaAs.

Рис. 10 Зависимости циркулярной поляризации от магнитного поля в спектральной точке 1,8 эВ. (а) FM1 - ферромагнитный образец; PM - парамагнитный образец; R1 - не магнитный образец. (б) зависимости для СР с различными толщинами слоёв GaAs.

Рис. 11 Зависимости циркулярной поляризации от магнитного поля измеренные при Т=5К для СР (0.11/5) в спектральной точке «0» (заштрихованные кружки) и в спектральной точке «Eg+Д» (заштрихованные треугольники). Сплошной линией показана отмасштабированная зависимость для спектральной точки «0».

гетероструктура поляризация спектральный магнитный

На рисунке 11 представлены зависимости циркулярной поляризации от величины внешнего магнитного поля в спектральной точке «0» (заштрихованные кружки) и в спектральной точке «Eg+Д» (заштрихованные треугольники). Обе поляризационные кривые показывают схожее поведение, действительно отмасштабированная кривая поляризации в точке «0» (сплошная линия на рис. 11) хорошо совпадает с поляризационной кривой в точке «Eg+Д». Поляризация «Eg+Д» линии не зависит от поляризации дырок возбуждённых в спин-орбитально отщеплённой подзоне. Действительно, дырки, из спин-орбитально отщеплённой подзоны, быстро релаксируют в подзоны лёгких и тяжёлых дырок, что обуславливает малое время жизни дырок, это время жизни оказывается меньше чем время спиновой релаксации, поэтому дырки спин-орбитально отщеплённой подзоны не ориентированы по внешнему магнитному полю. Из этого следует, что поляризация «Eg+Д» линии зависит только от поляризации электронов на уровнях доноров марганца в слоях GaAs. Это даёт возможность изучить поляризацию уровней доноров марганца в GaAs. Однако, схожее поведение поляризационных кривых в «0» и точке «Eg+Д» позволяет предположить, что внутренние магнитные поля от ферромагнитных слоёв марганца влияют как на дырки в области д - слоёв так и на электроны в слоях GaAs. Причём влияние на электроны и дырки пропорционально намагниченности д - слоёв.

На рисунке 12 представлена зависимость циркулярной поляризации от температуры образца (0.11/5). В интервале температур 4-30є К циркулярная поляризация практически не зависит от температуры, однако при превышении Т~30є K поляризация начинает резко уменьшаться. Это значение критической температуры (начало спада поляризации) достаточно хорошо совпадает со значением температуры Кюри (Тс), измеренной с помощью SQUID (обозначена стрелкой на рисунке 12). При превышении Тс происходит фазовый переход второго рода и образец переходит из ферромагнитной фазы в парамагнитную. Из рисунка 8 видно, что при температурах ниже температуры Кюри поляризация остаётся постоянной на уровне 0.9, а при температурах выше температуры Кюри с увеличением температуры начинается спад циркулярной поляризации. Причина этого явления в настоящее время не понята до конца. Однако, в качестве одной из моделей может быть предложено следующее объяснение. Измерения циркулярной поляризации были выполнены в нулевом магнитном поле после экспозиции образа в магнитном поле B=5T в геометрии Фарадея. Очевидно, что после выключения внешнего магнитного поля в образце сохраняется остаточная намагниченность, которая совпадает с направлением возбуждающего света. Эта остаточная намагниченность стабилизирует ориентацию спин-отщеплённых дырок. При повышении температуры выше TC остаточная намагниченность образца исчезает, тем самым исчезает стабилизирующая роль намагниченности на ориентацию спина дырки. Флуктуирующие обменные поля в d слоях при T>TC приводят к увеличению спиновой релаксации спин-отщеплённых дырок в слоях GaAs, что объясняет уменьшение поляризации ФЛ при повышении температуры.

Рис. 12 Температурная зависимость циркулярной поляризации для гетероструктуры (0.11/5). Стрелкой обозначенной как Tc показана температура Кюри. Зависимость измерена в спектральной точке «Eg+Д»

Заключение

Поляризация в ферромагнитных гетероструктурах была исследована методом горячей фотолюминесценции. Было обнаружено, что увеличение расстояния между д - слоями Mn приводит к ослаблению ферромагнитных свойств гетероструктур и уменьшению спиновой поляризации носителей. Этот эффект обусловлен компенсацией дырок в д - слоях электронами из разделяющих слоёв GaAs. Другой важный фактор это механические напряжения в д - слоях вызванные соседними слоями GaAs, которые увеличиваются при увеличении толщин слоёв GaAs. Это приводит к тому, что основным состоянием становится неполяризованное состояние F=0. Ещё один важный результат заключается в том, что дырки д - слоёв и электроны разделяющих слоёв GaAs испытывают влияние одного и того же обменного поля д - слоёв. По этой причине поляризация электронов в слоях GaAs и дырок в д - слоях пропорциональна намагниченности последних. Это даёт возможность управлять спиновыми состояниями электронов в слоях GaAs изменяя магнитное состояние ферромагнитных д - слоёв. Это позволяет предположить, что данные гетероструктуры можно использовать для инжекции спин поляризованных носителей в полупроводники. Преимущество данных гетероструктур по сравнению другими заключается в том, что инжекция происходит из полупроводниковых слоёв, а не из металлических, что не приводит к образованию барьера Шотки (при прохождении которого происходит релаксация спиновой поляризации носителей).

Ещё один возможный способ управления поляризацией гетероструктур это приложение к образцу статической деформации. Этот способ ещё не был достатосно исследован, но планируется в будущем.

Список литературы

[1] H. Ohno, A. Shen,F.Matsukura,A.Oiwa,A.Endo,S.Katsumoto, Y.Iey,Appl. Phys.Lett.69, 363 (1996).

[2] K.W.Edmonds, P.Boguslawski, K.Y.Wang, R.P.Campion, S.N.Novikov, N.R.S.Farley, B.L.Gallagher, C.T.Foxon, M.Sawicki, T.Dietl, M.Buongiorno Nardelli, and J. Bernholc, Phys.Rev.Lett.92,037201 (2004).

[3] Y.L. Soo, S. Wang, S. Kim, M. Cheon, X. Chen, H. Luo, Y.H. Kao, Y. Sasaki, X. Liu, J.K. Furdyna, Appl. Phys. Lett. 83 2354 (2003).

[4] T.C. Kreutz, G. Zanelatto, E.G. Gwinn, A.C. Gossard, Appl. Phys. Lett. 81 4766 (2002).

[5] X.X. Guo_, C. Herrmann, X. Kong, D. Kolovos-Vellianitis, L. DaЁ weritz, K.H. Ploog Journal of Crystal Growth 278 655-660 (2005).

[6] Stefano Sanvito and Nicola A. Hill Phys. Rev. Lett, 87, 267202 (2001).

[7] X. Kong, A. Trampert, X. X. Guo, L. Daweritz, and K. H. Ploog JOURNAL OF APPLIED PHYSICS 97, 036105 (2005).

[8] X. Kong, A. Trampert, X. X. Guo, D. Kolovos-Vellianitis, L. Daweritz, and K. H. Ploog JOURNAL OF APPLIED PHYSICS 97, 094913 (2005).

[9] V.F.Sapega, D.Kolovos-Vellianitis, A.M. Petrov, A.Trampert1 and K.H. Ploog Material Science Forum (2008).

[10] V. F. Sapega, M. Moreno, M. Ramsteiner, L. Dдweritz, and K. Ploog, Phys. Rev. Lett. 94, 137401 (2005).

[11] V. F. Sapega, M. Ramsteiner, O. Brandt, L. Daweritz, and K. H. Ploog PHYSICAL REVIEW B 73, 235208 (2006).

[12] И.Я.Карлик, И.А.Меркулов, Д.Н.Мирлин, Л.П.Никитин, В.И.Перель, В.Ф.Сапега Физика Твёрдого Тела том 24, № 12 (1982).

[13] Н.С.Аверкиев, А.А.Гуткин, Е.Б.Осипов, М.А.Рещиков Физика Твёрдого Тела том 30, № 3 (1988).

[14] V. F. Sapega, T. Ruf, and M. Cardona phys. stat. sol. (b) 226, No.2, 339-356

Похожие работы на - Поляризация в ферромагнитных гетероструктурах

 

Не нашли материал для своей работы?
Поможем написать уникальную работу
Без плагиата!
Без нейросетей!