Монтаж промышленных зданий
КУРСОВАЯ РАБОТА
по дисциплине:
Техника и технология строительного
производства
на тему:
Монтаж промышленных зданий
Содержание
Пояснительная
записка
Введение
1. Исходные
данные
2. Спецификация
строительных конструкций
. Ведомость
объемов и трудоемкостей работ
. Выбор
технологических маршрутов монтажных кранов
. Определение
количества монтажных кранов
. Расчет
производительности и продолжительности работы монтажных кранов
. Экономическое
сравнение вариантов монтажных кранов
. Календарный
план
. Выбор
транспортных средств
10. Техника
безопасности при производстве работ
11. Монтаж
элементов
. Технологическая
карта
. Перечень
машин и механизмов
. Технико-экономические
показатели по проекту
Список
литературы
Графическая
часть
Введение
В настоящее время научно технического прогресса должно обеспечиваться
развитие народного хозяйства страны, направленное на преимущественное развитие
производств и средств производства, которые обеспечивают техническое
перевооружение и развитие всех других отраслей промышленности. Промышленным
предприятием называют совокупность орудий и средств производства, зданий,
сооружений и других материальных фондов, используемых для производства
какой-либо продукции. Производственные здания принадлежат к основным фондам
соответствующей промышленности. И предназначены для размещения в них
производств с обеспечением требуемых условий, для производственного процесса, а
также среды для нормальной трудовой деятельности человека. Промышленным
строительством называют область строительства, занимающуюся созданием основных
фондов промышленности, включая выполнение комплекса строительных и монтажных
работ, связанных с введением новых, расширением и модернизацией существующих
промышленных предприятий.
Промышленные объекты возводятся в основном в городах. Поэтому наряду с
индустриализацией производства и его усовершенствованием остро стоит вопрос
экологии и природопользования. Большое внимание должно уделяться широкому
применению новых эффективных строительных материалов, сборных строительных элементов,
легких и экономичных крупноразмерных конструкций и изделий улучшенного
качества, с высокой степенью заводской готовности, обеспечивающих повышение
уровня индустриальности, снижение материалоемкости и стоимости строительства. А
также долговечность, комфортабельность и архитектурную выразительность
производственных зданий.
1. Исходные данные
Схема плана
L lLl
|
Вариант
|
Пролеты
|
Ширина l, м
|
Длина L, м
|
Высота Н, м
|
Грузоподъемность крана Qk, т
|
|
8
|
1
|
24
|
216
|
13,2
|
16
|
|
2
|
24
|
216
|
10,8
|
16
|
|
3
|
18
|
180
|
9,6
|
-
|
|
4
|
18
|
180
|
9,6
|
-
|
Сборные Железобетонные конструкции
|
Колонны: К 1 К 2 К 3
|

|
|
Стропильная ферма
|
|
|
Подстропильная ферма
|
|
|
Плита покрытия
|
|
2. Спецификация строительных конструкций
|
№ п/п
|
Наименование конструктивных элементов
|
Марка
|
Характеристика
|
|
|
|
Одного элемента
|
Всех элементов
|
|
|
|
Длина, м
|
Ширина, м
|
Высота, м
|
Масса, т
|
Объём, м3
|
Кол-во, шт.
|
Масса, т
|
Объём, м3
|
|
1
|
2
|
3
|
4
|
5
|
6
|
7
|
8
|
9
|
10
|
11
|
|
А. СБОРНЫЕ ЖЕЛЕЗОБЕТОННЫЕ КОНСТРУКЦИИ
|
|
1
|
Колонна
|
К 1
|
0,4
|
0,8
|
14,25
|
9,9
|
3,9
|
76
|
752,4
|
296,4
|
|
2
|
|
К 2
|
0,4
|
0,6
|
10,5
|
7,8
|
3,1
|
82
|
639,6
|
254,2
|
|
3
|
|
К 3
|
0,4
|
0,7
|
11,85
|
7,2
|
2,9
|
76
|
547,2
|
220,4
|
|
Итого:
|
234
|
1939,2
|
771
|
|
4
|
Стропильная ферма
|
Ф 1
|
23,940
|
0,28
|
3,3
|
14,2
|
5,8
|
76
|
1079,2
|
440,8
|
|
5
|
|
Ф 2
|
17,940
|
0,25
|
2,735
|
7,8
|
2,3
|
64
|
499,2
|
147,2
|
|
Итого:
|
140
|
1578,4
|
588
|
|
6
|
Подстропильная ферма
|
ПСФ 1
|
11,960
|
0,55
|
2,225
|
11,3
|
4,50
|
14
|
158,2
|
63
|
|
Итого:
|
14
|
158,2
|
63
|
|
7
|
Колонна фахверка
|
КФ 1
|
0,4
|
0,4
|
16,35
|
6,52
|
2,61
|
10
|
65,2
|
26,1
|
|
8
|
|
КФ 2
|
0,3
|
0,4
|
15,15
|
4,65
|
1,86
|
10
|
46,5
|
18,6
|
|
Итого:
|
20
|
111,7
|
44,7
|
|
9
|
Плита покрытия
|
ПП 1
|
5,97
|
2,98
|
0,3
|
2,7
|
1,07
|
936
|
2527,2
|
1001,52
|
|
Итого:
|
936
|
2527,2
|
1001,52
|
|
10
|
Стеновая панель
|
CП 1
|
5,98
|
0,3
|
1,785
|
4,83
|
2,73
|
1008
|
4868,6
|
2751,84
|
|
|
СП 2
|
5,98
|
0,3
|
1,185
|
3,21
|
1,878
|
88
|
282,48
|
165,26
|
|
Итого:
|
1096
|
5151,1
|
2917,1
|
|
Итого:
|
2440
|
11465,8
|
5385,32
|
|
Б. МЕТАЛЛИЧЕСКИЕ КОНСТРУКЦИИ
|
|
11
|
Подкрановые балки
|
ПБ 1
|
6
|
0,4
|
0,7
|
0,59
|
-
|
144
|
85
|
-
|
|
Итого:
|
144
|
85
|
-
|
|
12
|
Стойка фахверка
|
СТФ 1
|
0,3
|
0,25
|
9
|
0,22
|
-
|
4
|
0,88
|
-
|
|
Итого:
|
4
|
0,88
|
-
|
|
13
|
Крановые рельсы
|
КР-70
|
6
|
0,04
|
0,07
|
0,31
|
-
|
144
|
44,64
|
-
|
|
Итого:
|
144
|
44,64
|
-
|
|
14
|
Ворота
|
В 1
|
3
|
0,2
|
3
|
2,01
|
-
|
12
|
24,12
|
-
|
|
Итого:
|
12
|
24,12
|
-
|
|
15
|
Окна
|
ОК 1
|
6
|
0,2
|
1,8
|
0,13
|
-
|
240
|
31,2
|
-
|
|
Итого:
|
240
|
31,2
|
-
|
|
16
|
Связь
|
СВ 1
|
6
|
0,2
|
12
|
0,671
|
-
|
8
|
5,37
|
-
|
|
17
|
|
СВ 2
|
6
|
0,2
|
10,8
|
0,601
|
-
|
4
|
2,4
|
-
|
|
18
|
|
СВ 3
|
12
|
0,2
|
10,8
|
1,553
|
-
|
2
|
3,1
|
-
|
|
Итого:
|
14
|
10,87
|
-
|
|
Итого:
|
558
|
-
|
. Ведомость объемов и трудоемкостей работ
|
№ п/п
|
Наименование процессов и операций
|
Масса элемента, т
|
Объём работ
|
§ ЕНиР
|
Состав звена
|
Трудо-ёмкость
|
Машино-ёмкость
|
|
|
|
Единица измерения
|
количество
|
|
|
Итого
|
Итого
|
|
|
|
|
|
|
|
Нвр Чел.-ч.
|
Чел.-дн.
|
Нвр Маш.-ч.
|
Маш.-см.
|
|
|
|
|
|
|
|
|
|
|
|
|
1
|
2
|
3
|
4
|
5
|
6
|
7
|
8
|
9
|
10
|
11
|
|
1
|
Разгрузка ж/б колонн стреловым краном грузоподъёмностью до
10т.
|
9,9 7,8 7,2
|
100 т 100 т 100 т
|
7,52 6,4 5,47
|
1-5 т-1; т-2
|
Машинист 5р.-1 Такелажник на монтаже 2р.-2
|
3,2 3,4 3,4
|
3 2,72 2,32
|
1,6 1,7 1,7
|
1,5 1,36 1,16
|
|
2
|
Установка колонн в стаканы фундаментов без помощи
кондукторов массой до 10 т.
|
9,9 7,8
7,2
|
1 шт.
|
76 82 76
|
4-1-4 т-1; т-2
|
Монтажник 5р.-1 4р.-1 3р.-2 2р.-1 Машинист крана 6р.-1
|
7 6 6
|
66,5 61,5 57
|
1,4 1,2 1,2
|
13,3 12,3 11,4
|
|
3
|
Заделка колонн в стаканы фундаментов, объём бетона в
стакане более 0,1 м3
|
|
1 стык
|
234
|
4-1-25 т-1
|
Монтажник 4р.-1 3р.-1
|
0,81
|
23,69
|
-
|
|
|
4
|
Разгрузка металлических подкрановых балок стреловым краном
грузоподъёмностью более 10 т.
|
0,59
|
100 т
|
0,85
|
1-5 т-1; т-2
|
Машинист 4р.-1 Такелажник на монтаже 2р.-2
|
12
|
1,28
|
6,1
|
0,65
|
|
5
|
Монтаж подкрановых балок по ж/б конструкциям
|
0,59
|
1 шт.
|
144
|
5-1-9
|
Монтажник 6 р.- 1 4 р.- 2 3 р.- 1 Машинист крана 6 р.-1
|
2,4
|
43,2
|
0,48
|
8,64
|
|
6
|
Электродуговая сварка подкрановых балок с колоннами
|
|
10 м
|
4,68
|
22-1-5
|
Электросварщики ручной сварки 5 р.-1
|
5
|
2,93
|
-
|
-
|
|
7
|
Разгрузка металлических связей
|
0,671 0,601 1,553
|
100 т 100 т 100 т
|
0,05 0,02 0,03
|
1-5 т-1; т-2
|
Машинист 4р.-1 Такелажник на монтаже 2р.-2
|
12 12 8,8
|
0,08 0,03 0,03
|
6,1 6,1 4,4
|
0,04 0,02 0,02
|
|
8
|
Монтаж металлических связей в виде ферм
|
0,671 0,601 1,553
|
1 блок 1 блок 1 блок
|
8 4 2
|
5-1-6 т-1; т-2
|
Монтажники конструкций 5р.-1 4р.-1 3р.-1 Машинист крана
6р.-1
|
2,05 1,88 4,3
|
2,05 0,94 1,08
|
0,69 0,63 1,43
|
0,69 0,32 0,36
|
|
9
|
Электродуговая сварка нахлёсточных и угловых соединений
связей с колоннами, положение горизонтальное
|
|
10 м
|
0,14
|
22-1-5
|
Электросварщики ручной сварки 5 р.-1
|
8,8
|
0,15
|
-
|
-
|
|
10
|
Тоже положение вертикальное
|
|
10 м
|
0,14
|
22-1-5
|
Электросварщики ручной сварки 5 р.-1
|
8,8
|
0,15
|
-
|
-
|
|
11
|
Разгрузка подстропильных ферм
|
11,3
|
100 т
|
0,158
|
1-5 т-1; т-2
|
Машинист 6р.-1 Такелажник на монтаже 2р.-2
|
3
|
0,06
|
1,5
|
0,03
|
|
12
|
Монтаж подстропильных ферм
|
11,3
|
1 шт.
|
14
|
4-1-6
|
Монтажники конструкций 6р.-1 5р.-1 4р.-1 3р.-1 2р.-1
Машинист крана 6р.-1
|
4,5
|
7,88
|
0,9
|
1,58
|
|
13
|
Сварка подстропильных ферм с колоннами
|
|
10 м
|
0,28
|
22-1-1
|
Электросварщики ручной сварки 5 р.-1
|
5
|
0,18
|
-
|
-
|
|
14
|
Разгрузка стропильных ферм
|
14,2 7,8
|
100 т 100 т
|
10,794,99
|
1-5 т-1; т-2
|
Машинист 6р.-1 Такелажник на монтаже 2р.-2
|
2,8 1,7
|
3,78 1,06
|
1,4 3,4
|
1,89 0,53
|
|
15
|
Монтаж стропильных ферм пролетом До 24 м До 18 м
|
14,2 7,8
|
1 шт. 1 шт.
|
76 64
|
4-1-6
|
Монтажники конструкций 6р.-1 5р.-1 4р.-1 3р.-1 2р.-1
Машинист крана 6р.-1
|
9,5 8
|
90,25 64
|
1,9 1,6
|
18,05 12,8
|
|
16
|
Сварка стыков стропильных ферм
|
|
10 м
|
2,8
|
22-1-5
|
Электросварщики ручной сварки 5 р.-1
|
5
|
1,75
|
-
|
-
|
|
17
|
Антикоррозийное покрытие сварных соединений
|
|
10 ст
|
56
|
4-1-22
|
Монтажники конструкций 4 р.-1 2 р.-1
|
1,1
|
7,7
|
-
|
-
|
|
18
|
Разгрузка колонн фахверка весом до 10 т. 5 т.
|
6,52 4,65
|
100 т 100 т
|
0,65 0,47
|
1-5 т-1; т-2
|
Машинист 5р.-1 Такелажник на монтаже 2р.-2
|
4,6 4,2
|
0,37 0,25
|
2,3 2,1
|
0,19 0,12
|
|
19
|
Монтаж колонн фахверка
|
6,52 4,65
|
1 шт. 1 шт.
|
10 10
|
5-1-9
|
Монтажник 6 р. - 1 4 р.- 2 3 р.- 1 Машинист крана6 р. - 1
|
8,4 7
|
10,5 8,75
|
1,68 1,4
|
2,63 2,19
|
|
20
|
Разгрузка ж/б плит покрытия
|
2,7
|
100 т
|
25,27
|
1-5 т-1; т-2
|
Машинист 4р.-1 Такелажник на монтаже 2р.-2
|
5,4
|
17,1
|
2,7
|
8,5
|
|
21
|
Монтаж плит покрытия
|
2,7
|
1 шт.
|
936
|
4-1-7
|
Монтажник конструкций 4р.-1 3р.-2 2р.-1 машинист крана
6р.-1
|
1,2
|
140,4
|
0,3
|
35,1
|
|
22
|
Электродуговая сварка плит покрытия с фермами
|
|
10 м
|
14,04
|
22-1-5
|
Электросварщики ручной сварки 5 р.-1
|
5
|
8,78
|
-
|
-
|
|
23
|
Заливка швов плит покрытия вручную
|
|
10 м шва
|
355,7
|
4-1-26
|
Монтажник конструкций 4р.-1 3р.-1
|
6,4
|
284,56
|
-
|
-
|
|
24
|
Разгрузка оконных переплетов
|
0,13
|
100 т
|
0,31
|
1-5 т-1; т-2
|
Машинист 4р.-1 Такелажник на монтаже 2р.-2
|
22
|
0,85
|
11
|
0,43
|
|
25
|
Укрупнительная сборка оконных переплетов в картины из 2
переплетов
|
0,13
|
1 шт.
|
240
|
5-1-15
|
Монтажники конструкций 5 р.-1 4р.-1 3р.-1 Машинист крана
6р.-1
|
0,56
|
16,8
|
0,19
|
5,6
|
|
26
|
Разгрузка стеновых панелей
|
4,83 3,21
|
100 т 100 т
|
48,68 2,82
|
1-5 т-1; т-2
|
Машинист 5р.-1 Такелажник на монтаже 2р.-2
|
4,2 4,6
|
25,56 1,6
|
2,1 2,3
|
12,78 0,8
|
|
27
|
Монтаж стеновых панелей
|
4,83 3,21
|
1 шт. 1 шт.
|
1008 88
|
4-1-8
|
Монтажники конструкций 5р.-1 4р.-1 3р.-1 2р.-1 Машинист
крана 6р.-1
|
4 3
|
504 33
|
1 0,75
|
126 8,25
|
|
28
|
Сварка стеновых панелей с колоннами
|
|
10 м
|
21,92
|
22-1-5
|
Электросварщики ручной сварки 5 р.-1
|
5
|
13,7
|
-
|
-
|
|
29
|
Монтаж оконных переплетов
|
|
1 карт
|
120
|
5-1-15
|
Монтажники конструкций 5р.-1 4р.-1 3р.-2 Машинист крана
6р.-1
|
0,62
|
9,3
|
0,16
|
2,33
|
|
30
|
Сварка оконных переплетов и стеновых панелей
|
|
10 м
|
3,6
|
5-1-15
|
Электросварщик 4р.-1
|
5
|
2,25
|
-
|
-
|
|
31
|
Разгрузка ворот
|
2,01
|
100 т
|
1-5т-1;т-2
|
Машинист 4р.-1 Такелажник на монтаже 2р.-2
|
5,4
|
0,16
|
2,7
|
0,08
|
|
32
|
Монтаж ворот
|
2,01
|
1 блок
|
12
|
5-1-6т 2
|
Монтажники конструкций 5р.-1 4р.-1 3р.-1 Машинист крана
6р.-1
|
2,31
|
1,95
|
0,77
|
0,65
|
|
33
|
Сварка ворот
|
|
10 м
|
0,24
|
22-1-5
|
Электросварщики ручной сварки 5 р.-1
|
5
|
0,15
|
-
|
-
|
|
34
|
Изоляция и герметизация наружных швов стеновых панелей. Шов
вертикальный
|
|
10 м шва
|
192
|
4-1-27
|
Монтажник конструкций 4р.-1 3р.-1
|
0,56
|
13,44
|
-
|
-
|
|
35
|
Изоляция и герметизация наружных швов стеновых панелей. Шов
горизонтальный
|
|
10 м шва
|
657,6
|
4-1-27
|
Монтажник конструкций 4р.-1 3р.-1
|
0,19
|
15,62
|
-
|
-
|
|
36
|
Конопатка, зачеканка и расшивка швов стеновых панелей
|
|
10 м шва
|
1152
|
4-1-28
|
Монтажник конструкций 4р.-1
|
1,4
|
201,6
|
-
|
-
|
|
37
|
Разгрузка крановых рельс
|
0,31
|
100 т
|
0,45
|
1-5т-1;т-2
|
Машинист 4р.-1 Такелажник на монтаже 2р.-2
|
22
|
1,24
|
11
|
0,62
|
|
38
|
Монтаж крановых рельс
|
0,31
|
1 м
|
864
|
5-1-13пр 2
|
Монтажники конструкций 6р.-1 4р.-2 3р.-1 Машинист
электролебедки 3р.-1
|
0,94
|
101,52
|
0,24
|
25,38
|
|
39
|
Разгрузка стоек фахверка
|
0,22
|
100 т
|
0,01
|
1-5т-1;т-2
|
Машинист 4р.-1 Такелажник на монтаже 2р.-2
|
22
|
0,03
|
11
|
0,01
|
|
40
|
Монтаж стоек фахверка
|
0,22
|
1 шт.
|
4
|
5-1-9
|
Монтажник 6 р. - 1 4 р.- 2 3 р.- 1 Машинист крана6 р. - 1
|
3,67
|
1,84
|
0,92
|
0,46
|
|
41
|
Сварка стоек фахверка и колонн
|
|
10 м
|
0,4
|
22-1-5
|
Электросварщики ручной сварки 5 р.-1
|
5
|
0,25
|
-
|
-
|
. Выбор технологических маршрутов монтажных кранов
Монтаж здания выполняется комбинированным методом в четыре потока:
поток - монтаж колонн и монтаж подкрановых балок;
поток - монтаж шатра;
поток - монтаж стеновых панелей.
По направлению развития монтажных работ монтаж здания выполняется
продольным методом. Здание делится на захватки:
Технологические
маршруты монтажных кранов
.
Определение количества монтажных кранов
монтаж здание кран механизм
Количество
кранов, необходимых для возведения здания в нормативный монтажный период
определяется по формуле:
где
Qi - суммарная трудоемкость монтажных кранов, маш-см.;
TЭ - нормативный срок монтажа здания, дни (сутки);
n - планируемая
сменность в сутках;
kn -
планируемый коэффициент перевыполнения норм;
kc - коэффициент
совмещения.
N = 318,11 *
1,25 /180*2*1 = 2 крана
Выбор крана для возведения несущих и ограждающих конструкций
Расчет требуемых параметров для монтажа:
Исходные параметры определяются для каждого монтируемого элемента по
формулам:
1) Требуемая грузоподъемность Qтр:
Qтр = Рэ + Рс + Ро,
где
Рэ - масса отдельного элемента, т;
Рс - масса строповочного устройства данного элемента;
Ро - масса оснастки данного элемента, т.
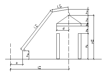
2) Требуемая высота подъема крюка Нкртр:
Нкртр = hc + hэ + hз + Н0 , где
hc - высота строповки элемента, м;
hэ - высота элемента в монтажном
положении перед установкой в проектное положение, м;
hз - запас по высоте по ТБ между
элементом перед установкой в проектное положение и верхом опоры, м;
Н0 - превышение опоры монтируемого элемента над уровнем
стоянки крана, м.
Рис.
1. Расчетная схема монтажа элемента
3) Требуемый вылет крюка lкртр:
,
где
с
- расстояние по горизонтали от стрелы до ближайшей к стреле точки на элементе в
монтажном положении;
d - расстояние
между вертикалью от центра тяжести элемента проходящей через центр крюка до точки
на элементе, ближайшей к стреле крана, м;
hп - высота полиспаста в стянутом состоянии;
а
- расстояние от шарнира пяты стрелы до оси вращения крана;
4) Требуемая длина стрелы Lстр:
Lстр =
(Нкртр
+ hп - hш)2 +(lкртр - а)2
5) Требуемая длина гуська для кранов с гуськом Lгустр:
Lгустр =
(hс - 0,44)2
+ (d + 0,47)2
Рис.
2. Схема для определения параметров передвижных стреловых кранов, оборудованных
гуськом
6. Расчет производительности и продолжительности работы монтажных кранов
Среднесменная эксплуатационная производительность монтажного крана
определяется по формуле:
Пэ.ср.= 429 ∙ Рср ∙ k1 ∙ k2 / tц.ср. , где
tц.ср - средневзвешенная продолжительность
цикла крана, мин.;
-количество минут в смене;
Рср - средневзвешенная масса конструкции;
k1 - коэффициент, учитывающий сменные
перерывы в работе (0,8 - 0,9);
k2 - переходный коэффициент от
производительных норм к сменным (0,75)
Средневзвешенная масса конструкций находится:
Рср= (P1N1+P2N2+ … +PnNn)/( N1+N2+ … +Nn), где
P1, P2 … Pn - масса конструкций различного названия;
N1, N2 … Nn - количество этих конструкций.
Средневзвешенная продолжительность цикла крана находится:
tц.ср = (tЦ1N1+ tЦ2N2+ … + tЦnNn)/( N1+N2+ … +Nn), где
tЦ1, tЦ2 … tЦn - продолжительность циклов крана при
монтаже разных типов конструкции.
Продолжительность рабочего цикла крана при монтаже i-го элемента:
tЦ i = tM i + tP
i , где
tM i - время, затрачиваемое на машинные операции цикла;
tP i - время, затрачиваемое на ручные операции.
Расчет времени, затрачиваемое на машинные операции:
, где
Hn, Ho - высоты подъема и опускания при монтаже i-й конструкции;
l - высота
опускания конструкции с малой посадочной скоростью, м;
V1, V2 -
скорости подъема и опускания крюка крана, м/мин;
Vпос - посадочная скорость, м/мин;
α - угол поворота стрелы крана, град;
nоб - число оборотов стрелы крана в минуту.
Время,
затрачиваемое на ручные операции:
tP i= 60 Нвр i / (n ∙ kn), где
Нвр
- норма времени на монтаж i-го элемента по ЕНиР, чел-ч;
n - состав
монтажников в звене, чел;
kn -
коэффициент перевыполнения норм выработки (1,1-1,15).
Определение
среднесменной эксплуатационной производительности и количества машино-смен
кранов
|
Вар.
|
Наименование элементов
|
Кол-во эл-ов
|
Время одного цикла
|
Производит-ть в смену
|
Кол-во маш-см
|
|
|
|
tM
|
tP
|
tЦ
|
|
|
|
I. МКГ-40
|
Колонны Стропильные фермы Подстропильные фермы
|
234 140 14
|
4,17 9,46 6,58
|
84 33 24
|
88,17 42,46 30,58
|
k1=0,85 k2=0,75
|
25,75 72,59 101,06
|
8,26 1,75 0,14
|
|
II. КС-8362А
|
Колонны Стропильные фермы Подстропильные фермы
|
234 140 14
|
3,33 11,8 8,48
|
84 33 24
|
87,33 44,8 32,48
|
k1=0,85 k2=0,75
|
26 68,8 95,15
|
9 2,03 1,15
|
|
I. РДК-250
|
Колонны фахверка Плиты покрытия Стеновые панели
|
20 936 1096
|
0,96 4,89 4,45
|
114,5 15 40
|
115,46 19,89 44,45
|
k1=0,85 k2=0,75
|
13,23 37,13 28,92
|
1,5 22,92 37,9
|
|
II. МКП-25
|
Колонны фахверка Плиты покрытия Стеновые панели
|
20 936 1096
|
0,99 5,46 5,21
|
114,5 15 40
|
115,49 20,46 45,21
|
k1=0,85 k2=0,75
|
13,24 36,1 28,43
|
1,5 25,93 38,55
|
|
I. МКГ-16
|
Стойки фахверка Подкрановые балки Крановые рельсы Ворота
Окна Связи
|
4 144 144 12 240 14
|
0,79 2,36 2,5 0,77 1,34 0,77
|
50 28 12,88 42 41,8 37,27
|
50,79 30,36 15,38 42,77 43,14 38,04
|
k1=0,85 k2=0,75
|
1,18 5,31 5,51 12,85 0,82 5,59
|
3,39 27,12 26,13 0,93 292,68 2,5
|
|
II. КС-4362
|
Стойки фахверка Подкрановые балки Крановые рельсы Ворота
Окна Связи
|
4 144 144 12 240 14
|
0,78 1,92 2,01 0,76 1,19 0,76
|
50 28 12,88 42 41,8 37,27
|
50,78 29,92 14,89 42,76 42,99 38,03
|
k1=0,85 k2=0,75
|
1,18 5,39 5,69 12,86 0,83 5,59
|
3,39 26,72 25,31 0,93 289,16 2,5
|
После определения сменной эксплуатационной производительности определяют
продолжительность работы монтажных кранов:
Ti = ∑Pi /kn ∙ Пэкс i) + ti , где
∑Pi - объем работ, выполняемый i-м краном;
ti - продолжительность вспомогательных работ
. Экономическое сравнение вариантов монтажных кранов
Выбор вариантов монтажных кранов производится по минимуму приведенных
затрат:
Пi = Ci + Eн ∙ Куд , где
Ci - себестоимость работ по i-му
варианту, руб.;
Ен - 0,12 - нормативный коэффициент эффективности
капиталовложений;
Куд - удельные капитальные вложения на приобретение кранов и
оснастки, руб.
Куд = (Фi ∙
Tсм)/ Тгод , где
Фi - инвентарно-расчетная стоимость
крана, руб;
Tсм - количество смен работы крана на
объекте;
Тгод - нормативное количество времени работы крана в году, ч.
Ci = (Е + См.см ∙ Тсм) Кн , где
Е - единовременные затраты;
См.см - стоимость машино-смены крана;
Кн - коэффициент накладных расходов.
См.см = Е/ Тсм + Гсм + Эсм ,
где
Гсм - годовые затраты амортизационных отчислений на
восстановление и ремонт крана;
Эсм - число часов в смене.
Гсм = (А ∙ Тсм/ Тгод) ∙ Фi , где
А - норма амортизационных отчислений.
|
Варианты кранов
|
Гсм
|
См.см
|
Ci
|
Куд
|
Пi
|
|
I. МКГ-40
|
9,16
|
25,81
|
377,76
|
147,58
|
395,47
|
|
II. КС-8362А
|
13,84
|
29,89
|
498,97
|
307,7
|
535,89
|
|
I. РДК-250
|
46,88
|
55,99
|
3842,77
|
625,1
|
3917,77
|
|
II. МКП-25
|
52,81
|
61,48
|
4428,26
|
704,17
|
4512,76
|
|
I. МКГ-16
|
185,27
|
193,47
|
73 779,11
|
2470,3
|
74 075,6
|
|
II. КС-4362
|
259,48
|
267,6
|
100 614,65
|
3459,75
|
101 029,8
|
Для монтажа здания необходимо применить краны МКГ-40, РДК-250 и МКГ-16,
т.к. они экономически выгоднее их приведенные затраты равны соответственно
395,47, 3917,77 и 74 075,6 руб.
. Календарный план производства работ по объекту
. Выбор транспортных средств
|
Наименование конструкции
|
Масса ед., т
|
Кол-во, шт.
|
Хар-ка ТС
|
Длитель-ность перевозки, дни
|
Кол. эл-ов перев-ых за 1 рейс, шт.
|
Требуется рейсов
|
Кол. рейсов за смену
|
Необх. ТС в смену, шт.
|
|
|
|
Наимен. марка
|
Грузоп., т
|
|
|
|
|
|
|
1
|
2
|
3
|
4
|
5
|
6
|
7
|
8
|
9
|
10
|
|
Колонна К 1
|
9,9
|
76
|
Краз-260
|
40
|
4
|
4
|
6
|
4
|
|
К 2
|
7,8
|
82
|
Краз-260
|
40
|
4
|
5
|
17
|
10
|
2
|
|
К 3
|
7,2
|
76
|
Маз-537Г
|
52
|
3
|
7
|
11
|
3
|
4
|
|
Стропильная ферма Ф 1
|
14,2
|
76
|
Краз-258
|
19,3
|
5
|
1
|
76
|
7
|
11
|
|
Ф 2
|
7,8
|
64
|
Маз-6422
|
23,7
|
4
|
3
|
22
|
5
|
5
|
|
Подстропильная ферма ПСФ
1
|
11,3
|
14
|
Маз-6422
|
23,7
|
1
|
2
|
7
|
6
|
2
|
|
Колонна фахверка КФ 1
|
6,52
|
10
|
Краз-655
|
40
|
2
|
6
|
2
|
2
|
1
|
|
КФ 2
|
4,65
|
10
|
Краз-655
|
40
|
2
|
8
|
2
|
2
|
1
|
|
Плита покрытия ПП 1
|
2,7
|
936
|
Краз-25861
|
22
|
9
|
8
|
117
|
3
|
39
|
|
Стеновая панель CП 1
|
4,83
|
1008
|
Краз-258
|
20
|
13
|
5
|
202
|
10
|
21
|
|
СП 2
|
3,21
|
88
|
Краз-258
|
20
|
1
|
6
|
15
|
4
|
4
|
|
Подкрановые балки ПБ 1
|
0,59
|
144
|
Краз-25861
|
25
|
5
|
42
|
4
|
1
|
4
|
|
Стойка фахверка СТФ 1
|
0,22
|
4
|
Зил-13081
|
9
|
1
|
4
|
1
|
1
|
1
|
|
Крановые рельсы КР-70
|
0,31
|
144
|
Маз-537Г
|
60
|
5
|
144
|
1
|
1
|
1
|
|
Ворота В 1
|
2,01
|
12
|
Краз-25861
|
25
|
1
|
12
|
1
|
1
|
1
|
|
Окна
ОК 1
|
0,13
|
240
|
Краз-260
|
40
|
2
|
240
|
1
|
1
|
1
|
|
Связь
СВ 1
|
0,671
|
8
|
Зил-13081
|
9
|
1
|
8
|
1
|
1
|
1
|
|
СВ 2
|
0,601
|
4
|
Зил-13081
|
9
|
1
|
4
|
1
|
1
|
1
|
|
СВ 3
|
1,553
|
2
|
Зил-13081
|
9
|
1
|
2
|
1
|
1
|
1
|
10. Техника безопасности
при производстве работ
При устройстве рабочих мест монтажников с внутренней стороны здания
следует обеспечить возможность подъема рабочих на всю требуемую высоту;
использовать лестницы в качестве рабочих мест для этой цели не допускается.
Применяя подвешиваемые на стальных канатах люльки или подмости в качестве
рабочих мест для монтажников, необходимо проверять состояние стальных канатов и
надежность их крепления.
При ветре силой 5 баллов (скорость 7,5-9,8 м/с), гололедице, сильном
снегопаде, дожде и грозе монтаж нельзя производить.
Геодезический контроль и обеспечение точности монтажа наружных стен:
При установке наружных стен зданий особенное значение имеет точность
монтажа в связи с выполнением панелями стен ограждающих функций и с эстетической
точки зрения.
При геодезической проверке точности выполнения работ по монтажу
проверяется:
) совмещение нижней грани панели с рисками, вынесенными от разбивочных
осей на фундаментную балку или на опорные столики для первого ряда панелей и
для панелей над проемами. Положение осей панелей относительно разбивочных осей
проверяют в двух местах.
2) Совмещение грани устанавливаемо панели с гранями нижележащей
панели. Для последующих рядов - с помощью теодолитов, при этом рейку поочередно
приставляют к верхней грани нижележащей панели и к нижней грани устанавливаемой
в двух местах по длине панели.
) Вертикальность устанавливаемой панели определяется по двум
граням при помощи отвеса-рейки или методом бокового нивелирования.
) Положение панели по высоте проверяется путем замера разности
отметок верхних граней установленных панелей методом геометрического
нивелирования, а также положение опорных столиков (маяков) и подкладок на
фундаментных балках.
Погрешность контрольных измерений при определении точности изготовления
панелей стен не должна превышать 10%, точность монтажа-20%.
Допустимые отклонения при монтаже стен:
1) смешение осей или граней стеновых панелей в нижнем сечении
относительно разбивочных осей или установленных ниже конструкций=5 мм.
2) Отклонение плоскостей панелей в верхнем сечении от вертикали (по
высоте этажа или яруса) =10 мм.
) Разность отметок верха панелей каждого яруса в пределах
выверяемых участков:
- при контактном участке=12+2n, где n-порядок N ряда;
при установке по маякам = 10мм.
Бетонные и железобетонные работы
При приготовлении бетонной смеси с использованием химических
добавок необходимо принять меры к предупреждению ожогов кожи и повреждения глаз
работающих.
Бункера (бадьи) для бетонной смеси должны удовлетворять ГОСТ 21807.
Перемещение загруженного или порожнего бункера разрешается только при закрытом
затворе.
Монтаж, демонтаж и ремонт бетоноводов, а также удаление из них
задержавшегося бетона (пробок) допускается только после снижения давления до
атмосферного.
Во время прочистки (испытания, продувки) бетоноводов сжатым воздухом
рабочие, не занятые непосредственно выполнением этих операций, должны быть
удалены от бетоновода на расстояние не менее 10 м.
Ежедневно перед началом укладки бетона в опалубку необходимо проверять
состояние тары, опалубки и средств подмащивания. Обнаруженные неисправности
следует незамедлительно устранять.
Перед началом укладки бетонной смеси виброхоботом необходимо проверять
исправность и надежность закрепления всех звеньев виброхобота между собой и к
страховочному канату.
При укладке бетона из бадей или бункера расстояние между нижней кромкой
бадьи или бункера и ранее уложенным бетоном или поверхностью, на которую
укладывается бетон, должно быть не более 1 м, если иные расстояния не
предусмотрены проектом производства работ.
При уплотнении бетонной смеси электровибраторами перемещать вибратор за
токоведущие шланга не допускается, а при перерывах в работе и при переходе с
одного места на другое электровибраторы необходимо выключать.
Рабочие, укладывающие бетонную смесь на поверхности, имеющей уклон более
20°, должны пользоваться предохранительными поясами.
Эстакады для подачи бетонной смеси автосамосвалами должны быть
оборудованы отбойными брусьями. Между отбойным брусом и ограждением должны быть
предусмотрены проходы шириной не менее 0,6 м. На тупиковых эстакадах должны
быть установлены поперечные отбойные брусья.
При электропрогреве бетона зона электропрогрева должна иметь защитное
ограждение, удовлетворяющее ГОСТ 23407-78, световую сигнализацию и знаки
безопасности. Сигнальные лампы должны подключаться так, чтобы при их
перегорании отключалась подача напряжения.
Зона электропрогрева бетона должна находиться под круглосуточным
наблюдением электромонтеров, выполняющих монтаж электросети.
Пребывание людей и выполнение каких-либо работ на этих участках не
разрешается, за исключением работ, выполняемых персоналом, имеющим
квалификационную группу по технике безопасности не ниже II и применяющим
соответствующие средства защиты.
Открытая (незабетонированная) арматура железобетонных конструкций,
связанная с участком, находящимся под электропрогревом, подлежит заземлению
(занулению). После каждого перемещения электрооборудования, применяемого при
прогреве бетона, на новое место следует визуально проверять состояние изоляции
проводов, средств защиты ограждений и заземления.
Монтажные работы
На участке (захватке), где ведутся монтажные работы, не допускается
выполнение других работ и нахождение посторонних лиц. При возведении зданий и
сооружений запрещается выполнять работы, связанные с нахождением людей в одной
секции (захватке, участке) на этажах (ярусах), над которыми производятся
перемещение, установка и временное закрепление элементов сборных
конструкций или оборудования.
Способы строповки элементов конструкций и оборудования должны
обеспечивать их подачу к месту установки в положении, близком к проектному.
Запрещается подъем сборных железобетонных конструкций, не имеющих
монтажных петель или меток, обеспечивающих их правильную строповку и монтаж.
Очистку подлежащих монтажу элементов конструкций от грязи и наледи
следует производить до их подъема.
Элементы монтируемых конструкций или оборудования во время перемещения
должны удерживаться от раскачивания и вращения гибкими оттяжками. Не
допускается пребывание людей на элементах конструкций и оборудования во время
их подъема или перемещения. Во время перерывов в работе не допускается
оставлять поднятые элементы конструкций и оборудования на весу. Расчалки для
временного закрепления монтируемых конструкций должны быть прикреплены к надежным
опорам (фундаментам, якорям и т.п.). Количество расчалок, их материалы и
сечение, способы натяжения и места закрепления устанавливаются проектом
производства работ. Расчалки должны быть расположены за пределами габаритов
движения транспорта и строительных машин. Расчалки не должны касаться острых
углов других конструкций. Перегибание расчалок в местах соприкосновения их с
элементами других конструкций допускается лишь после проверки прочности и
устойчивости этих элементов под воздействием усилий от расчалок.
Для перехода монтажников с одной конструкции на другую следует применять
инвентарные лестницы, переходные мостики и трапы, имеющие ограждение.
Расстроповку элементов конструкций и оборудования, установленных в
проектное положение, следует производить после постоянного или временного
надежного их закрепления. Перемещать установленные элементы конструкций или
оборудования после их расстроповки, за исключением случаев, обоснованных ППР,
не допускается.
Не допускается выполнять монтажные работы на высоте в открытых местах при
скорости ветра 15 м/с и более при гололедице, грозе или тумане, исключающем
видимость в пределах фронта работ. Работы по перемещению и установке
вертикальных панелей и подобных им конструкций с большой парусностью следует
прекращать при скорости ветра 10 м/с и более.
Не допускается нахождение людей под монтируемыми элементами конструкций и
оборудования до установки их в проектное положение и закрепления.
Навесные монтажные площадки, лестницы и другие приспособления,
необходимые для работы монтажников на высоте, следует устанавливать и
закреплять на монтируемых конструкциях до их подъема.
При производстве монтажных (демонтажных) работ в условиях действующего
предприятия эксплуатируемые электросети и другие действующие инженерные системы
в зоне работ должны быть, как правило, отключены, закорочены, а оборудование и
трубопроводы освобождены от взрывоопасных, горючих и вредных веществ.
Окраску и антикоррозионную защиту конструкций и оборудования в случаях,
когда они выполняются на строительной площадке, следует производить, как
правило, до их подъема на проектную отметку. После подъема производить окраску
или антикоррозионную защиту следует только в местах стыков или соединений
конструкций.
Распаковка и расконсервация подлежащего монтажу оборудования должны
производиться в зоне, отведенной в соответствии с проектом производства работ,
и осуществляться на специальных стеллажах или подкладках высотой не менее 100
мм.
11. Монтаж
элементов
Монтаж колонн
Монтаж данных конструкций производится с использованием стреловых кранов
на пневмоколесном или гусеничном ходу. К монтажу колонн приступают только после
монтажа фундаментов, который включает проверку правильности отметок дна
котлована относительно нулевой точки (нивелиром), внутренних размеров стакана,
в который будет устанавливаться колонна, нанесения осевых рисок на верхних
гранях. После того, как установили фундамент, при помощи теодолита проверяют
совпадение осевых рисок с осями продольных рядов колонн и расстояние между
фундаментами. После подготовки дна стакана и инструментальной проверки
соответствия стаканов проекту в плане вершинам, приступают непосредственно к
монтажу колонн. В случае, если длина колонны меньше, необходимо произвести
подливку дна стакана.
Колонны монтируют отдельным потоком, поскольку к монтажу последующих
элементов (подкрановые балки) можно приступать после того, как бетон в стыках
достигнет 70% проектной прочности. После достижения данного значения прочности,
можно снимать крепления колонн.
Каждую колонну, установленную в стакан фундамента, центрируют в
направлении двух взаимно пересекающихся осей, проверяют по вертикали и на
высоте. После центрирования колонны временно закрепляют в стаканах фундаментов,
используя кондуктор. Колонны раскрепляют расчалками ПИ Промстальконструкция
2008-09 (4 шт). Для крепления расчалок применяется якорь наземный. В пролетах,
оборудованных мостовыми кранами (первый и третий), после установки подкрановых
балок роль распорок играют тросовые расчалки.
Заделку колонн в стакане производят после установки их в проектное
положение.
Установку колонн производят монтажники конструкций.
Порядок операций по замоноличиванию стыков колонн и фундаментов:
1) прием бетонной смеси в поворотные бадьи
2) раскладка и соединение материального шланга в соответствии со
схемой организации рабочего места
) подача и разгрузка бадьи в бункер растворонасоса
) подача бадьи под загрузку
) замоноличивание стыков колонн с фундаментами
) заглаживание поверхности бетона
) выбивка из стыков клиньев и заделка отверстий.
Для обеспечения работы монтажников на высоте колонны оборудуются
навесными площадками с подвесными лестницами ПИ Главстальконструкция, 229.
Монтаж подкрановых балок
Перед монтажом подкрановые балки раскладываются на деревянных подкладках
у основания колонн в зоне действия крана. Установку балок в проектное положение
производят по осевым рискам на консолях колонн и балках. Балки временно
раскрепляют при помощи анкерных болтов. Положение подкрановых балок обязательно
вымеряют нивелиром и теодолитом, после чего замоноличивают сопряжение.
Расстроповка балки допускается только после временного закрепления. Для монтажа
подкрановых балок применяется траверса 185 (ПК Главстальконструкция).
Приставная секционная лестница - для организации работы на высоте.
До укладки балок необходимо доставить подкрановые балки на строительную
площадку и разложить в зоне действия крана, очистить закладные детали от грязи
и ржавчины. Далее проверяется соответствие отметок консолей колонн проектным и
в случае несоответствия определяется необходимая толщина подкладок под каждую
балку. Работы по монтажу балок выполняются монтажниками конструкций.
Монтаж ферм и плит покрытия
Железобетонные фермы устанавливают на выверенные и замоноличенные в
фундаментах колонны. Смещение осей ферм относительно разбивочных осей не должно
превышать 5мм, отклонение высотных отметок опорных узлов ферм от проектных -
20мм, изменение расстояний между осями ферм по верхнему поясу-25мм
Фермы устанавливают в проектное положение без освобождения от крюка крана
и после совмещения осевых рисок на их концах с осевыми рисками колонн
закрепляют сваркой закладных деталей. Связи и распорки устанавливаются
одновременно с монтажом ферм.
Для монтажа подстропильной фермы ПСФ1 применяется траверса 7016-17 КБ
Главмостстроя. Первую ферму временно закрепляют расчалками, последующие крепят
временными распорками к установленным ранее фермам.
Перед монтажом ферму очищают, отбивают от наплыва бетона с закладных
деталей и проверяют геометрические размеры.
При монтаже плит покрытия используется траверса 15946Р-13 Пи
Промстальконструкция. Плиты покрытия укладывают после окончательной выверки и
закрепления с установкой всех связей.
Плиты приваривают к закладным деталям в фермах и освобождают от строп
после приварки на менее чем в трех углах. Не допускается заводить плиты между
двумя ранее установленными, так как в противном случае будет невозможно
приварить плиты во всех четырех углах. Стыки плит заделывают жестким раствором
на быстротвердеющем цементе.
Монтаж стеновых панелей
Монтируются стреловыми кранами путем захватывания за монтажные петли при
помощи стропов и траверсов. Швы между панелями заделывают раствором и
специальными герметиками в виде паст и шнуров.
. Технологическая карта
Установка стеновых панелей
Разработка
технологической карты
Цель разработки технологических карт - определение технологического
регламента конкретного вида работ, способствующего повышению производительности
труда, повышению качества строительной продукции, внедрению передовых методов и
обеспечению безопасности ведения работ. Технологическая карта является
важнейшим документом проекта производства работ.
. Область и эффективность применения карты
.1 Карта предназначена для организации труда монтажников при установке
наружных стеновых панелей длиной 6 м и массой 3,21 т.
.2 Показатели производительности труда
По ЕНиР
Выработка на 1 чел.-день 3
Затраты труда на одну стеновую панель, чел.-час 2-28
.3 Снижение затрат труда и повышение выработки рабочих достигается за
счет применении усовершенствованных приспособлений и оснастки для установки и
временного крепления стеновых панелей. Монтаж по прогрессивной технологии
ведется с применением крана со специализированным башенно-стреловым
оборудованием.
. Условия и подготовка выполнения процесса
.1 Стеновые панели устанавливают на постель из готового раствора с
одновременной раскладкой маяков при необходимости и временным креплением
подкосами или струбцинами.
.2 Кассета расположена между монтажным краном и монтируемой стрелой. В
кассете достаточно панелей для устройства стены на всю высоту.
.3 Работы следует выполнять, строго соблюдая правила техники безопасности
и охраны труда рабочих согласно СНиП III-4-80.
. Исполнители, предметы и орудия труда
.1 Исполнители:
монтажник конструкций 5р. (М1) -1
монтажник конструкций 4р. (М2) -1
монтажник конструкций 3р. (М3) -1
монтажник конструкций 2р. (М4) -1
.2 Инструмент, приспособления и инвентарь
|
Наименование, назначение и основные параметры
|
ГОСТ
|
Количество, шт.
|
|
Строп двухветвевой грузоподъемностью 5 т установка панелей
стен
|
19144-73
|
1
|
|
Площадка для монтажников
|
|
1
|
|
Рулетка
|
7502-69
|
1
|
|
Молоток-кирочка
|
11042-72
|
5
|
|
Лом монтажный
|
1405-72
|
5
|
. Затраты труда при монтаже панелей стен
|
№
|
Наименование работ
|
Состав звена
|
Ед. измерения
|
Кол-во
|
Затраты труда, чел-ч. Время работы машин, маш-ч.
|
|
|
|
|
|
Размером 6*1,2
|
Размером 6*1,8
|
|
1
|
Выгрузка панелей и установка в кассеты
|
Такелажники 2р.-2 Машинист 5р.-1
|
шт.
|
1
|
4,2 2,1
|
4,6 2,3
|
|
2
|
Установка панелей стен
|
Монтажники 5р-1 4р-1 3р-1 2р-1 Машинист 5р.-1
|
шт.
|
1
|
4 1
|
3 0,75
|
|
3
|
Электросварка монтажных стыков
|
Электросварщик 5р-1
|
Длина шва, м
|
1
|
0,5
|
0,5
|
|
4
|
Заливка вертикальных и горизонтальных швов
|
Монтажники 4р-1 3р-1
|
м
|
7,2 7,8
|
1,33 -
|
- 1,44
|
|
5
|
Расшивка швов
|
Монтажники 4р-1
|
м
|
7,2 7,8
|
1,04 -
|
- 1,13
|
|
6
|
Оборудование рабочих мест при установке панелей и заделке
стыков с применением монтажных подъемников
|
Машинисты 5р-2
|
шт.
|
2
|
7,1
|
7,98
|
. Техника безопасности при производстве работ
Особое внимание при монтаже наружных стен нужно обращать на следующее:
при устройстве рабочих мест монтажников с внутренней стороны здания
следует обеспечить возможность подъема рабочих на всю требуемую высоту;
использовать лестницы в качестве рабочих мест для этой цели не допускается;
применяя подвешиваемые на стальных канатах люльки или подмости в качестве
рабочих мест для монтажников, необходимо проверять состояние стальных канатов и
надежность их крепления;
при ветре силой 5 баллов (скоростью 7,5 - 9,8 м/с), гололедице, сильном
снегопаде, дожде и грозе монтаж производить запрещено.
. Перечень машин и механизмов
|
Наименование
|
Кол-во
|
|
1. Кран гусеничный
|
МКГ-40
|
4
|
|
2. Кран гусеничный
|
РДК-250
|
7
|
|
3. Кран гусеничный
|
МКГ-16
|
4
|
|
4. Тяжеловоз
|
Краз-260
|
9
|
|
5. Тяжеловоз
|
Краз-25861
|
43
|
|
6. Тяжеловоз
|
Маз-537Г
|
5
|
|
7. Тяжеловоз
|
Краз-258
|
36
|
|
8. Полуприцеп-фермовоз
|
Маз-6422
|
7
|
|
9. Тяжеловоз
|
Краз-655
|
2
|
|
10. Полуприцеп-панелевоз
|
Зил-13081
|
4
|
. Технико-экономические показатели по проекту
|
1. Объем здания
|
186624 м3
|
|
2. Площадь здания
|
16848 м2
|
|
3. Объем монтируемых конструкций железобетон
|
5385,32 м3
|
|
металл
|
196,71 т
|
|
4. Общая трудоемкость работ
|
1860,88 чел-дни
|
|
5. Удельная трудоемкость
|
0,346 чел-дни / м3
|
Список
литературы
1) Методические
указания для выполнения курсового проекта по дисциплине «Техника и технология
строительного производства»
2) И.А.
Шерешевский «Конструирование промышленных зданий и сооружений»
) Н.Ф.
Палеев «Техника и технология строительного производства»