Технологии объемного изображения

  • Вид работы:
    Реферат
  • Предмет:
    Информационное обеспечение, программирование
  • Язык:
    Русский
    ,
    Формат файла:
    MS Word
    721,77 kb
  • Опубликовано:
    2011-09-29
Вы можете узнать стоимость помощи в написании студенческой работы.
Помощь в написании работы, которую точно примут!

Технологии объемного изображения

Министерство образования и науки Российской Федерации

Южно-Уральский государственный университет

Факультет «Механико-технологический»

Кафедра «Безопасности жизнедеятельности»








Технологии объемного изображения

РЕФЕРАТ

по дисциплине «Информатика»

Проверил, (доцент)

Волосников А. С./

Автор работы

студент группы МТ-164

Тропин С. А./

Реферат защищен

с оценкой (прописью, цифрой)

АННОТАЦИЯ

Тропин С. А. Технологии объемного изображения. - Челябинск: ЮУрГУ, МТ-164, 25 с., 4 ил., 0 табл., библиогр. список - 0 наим., 0 прил.

Цель реферата - дать объяснение понятию объемного изображения, выяснить способы получения таких изображений.

Задачи реферата - изучить, обобщить, проанализировать имеющиеся технологии получения объемного изображения, увидеть перспективы развития данных технологий.

Оглавление

Введение

.        Обзор поисковых систем

.1       Google

.2       Яндекс

.        Предыстория создания технологии

.        Описание технологии

.1       Стереоочки

.2       Эффект Пульфриха

.3       Безочковые методы

.4       Объемный дисплей

.        Перспективы развития технологии

.        Заключение

Введение

Зрительная информация воспринимается человеком лучше всего, и поэтому очень важную роль в современном компьютеризированном мире играет качество изображения. Ученые всего мира уже не первый десяток лет стараются сделать изображение, выводимое на мониторы компьютеров и экраны телевизоров более реалистичным. Большим прорывом в данной области стало создание технологий объемного или стереоизображения. Данные технологии позволяют зрителю сильнее погрузиться в мир просматриваемого фильма или мультимедийного приложения.

1. Обзор поисковых систем


Для создания реферата мною использовались такие поисковые системы, как: Google, Яндекс.

1.1     Google


История создания

Поисковая система Google была создана в качестве учебного проекта студентов Стэнфордского университета Ларри Пейджа и Сергея Брина. Они в 1996 году работали над поисковой системой BackRub, а в 1998 году на её основе создали поисковую систему Google.

Хотя корпорация была основана 4 сентября 1998 года, а домен Google.com зарегистрирован 15 сентября 1997 года, поисковик (с 2000 года) иногда отмечает свой день рождения и в другой день: как 7, так и 27 сентября.

Название Google произошло от неправильного написания слова Гугол (Googol) Сергеем Брином, которое означает десять в сотой степени - 10100.крупнейшая поисковая система, принадлежащая корпорации Google Inc.

Первая по популярности (79.65 %), обрабатывает 41 млрд. 345 млн. запросов в месяц (доля рынка 62,4 %), индексирует более 25 миллиардов веб-страниц, может находить информацию на 191 языке (c 15 октября 2009).

Поддерживает поиск в документах форматов PDF, RTF, PostScript, Microsoft Word, Microsoft Excel, Microsoft PowerPoint и других.

Синтаксис запросов

Интерфейс Google содержит довольно сложный язык запросов, позволяющий ограничить область поиска отдельными доменами, языками, типами файлов и т. д. Например, поиск «intitle:Google site:wikipedia.org» выведет все статьи Википедии на всех языках, в заголовке которых встречается слово Google. Мощный язык запросов в руках хакеров может быть использован для исследования веб-сайтов на уязвимости.

Для некоторых результатов поиска Google ранее предоставлял повторное поле для поиска, которое позволяет пользователю найти то, что он ищет внутри конкретного веб-сайта. Эта идея возникла из того, как пользователи использовали поиск. По словам инженера-программиста Бена Ли (Ben Lee) и менеджера продукта Джека Менцеля (Jack Menzel) «телепортирование» в сети - это как раз то, что помогает пользователям Google завершить свой поиск. Google развил эту концепцию на шаг вперёд, и вместо просто «телепортирования», что значит для поиска нужного сайта пользователю достаточно ввести часть имени веб-сайта в Google (необязательно помнить весь адрес), пользователи могут вводить ключевые слова для поиска внутри выбранного сайта. Оказалось, что пользователям часто нелегко найти то, что они ищут внутри корпоративного сайта. С 2011 года эта опция недоступна, что весьма отрицательно сказалось на удобстве, популярности, и востребованности Google.

Википоиск

Поисковая технология, позволяющая пользователю настраивать результаты выдачи по поисковым запросам. Пользователь может удалять результаты из списка и поднимать вверх списка. Технология была запущена компанией Google весной 2009 года и проработала до осени. В настоящий момент (4 мая 2010 года), в настройках поиска осталась настройка для включения «Википоиска», но в выдаче соответствующие элементы управления отсутствуют. Другие поисковые системы подобной функциональности пока не предоставляли.

Голосовой поиск

сентября 2010 года компания запустила голосовой поиск в России. Чтобы осуществить поиск, необходимо нажать в телефоне кнопку рядом со строкой поиска и произнести свой запрос, телефон отправит ваш голос на сервер, и браузер выдаст строку с распознанным вашим запросом и результатами поиска по нему.

1.2     Яндекс


Поисковая система «Яндекс» является седьмой среди крупнейших поисковых сайтов мира по количеству обработанных поисковых запросов (2,413 млрд, статистика за ноябрь 2010 года).

Поисковая система Yandex.ru была официально анонсирована 23 сентября 1997 года, и первое время развивалась в рамках компании CompTek International. Как отдельная компания «Яндекс» образовался в 2000 году.

История

В 1988 году предприниматель и программист Аркадий Волож основал фирму CompTek, продававшую персональные компьютеры и занимавшуюся автоматизацией рабочих мест. Также Волож интересовался алгоритмами обработки данных, и его заинтересовала возможность написания приложения, которое могло бы осуществлять поиск информации в больших объёмах текста, учитывая морфологию языка. Совместно со специалистом по компьютерной лингвистике Аркадием Борковским он основал в 1989 году компанию «Аркадия». После 1990 года сотрудники «Аркадии» написали информационно-поисковые системы «Международная классификация изобретений» и «Классификатор товаров и услуг». В последующие три года они продавались НИИ и патентным организациям.

В 1993 году «Аркадию» присоединили к CompTek, в которую ранее пришёл школьный друг Воложа программист Илья Сегалович. В том же году была создана программа для поиска на жестком диске компьютера. Программу назвали «Yandex». Сотрудничая с Институтом проблем передачи информации, CompTek создала словарь с поиском, который учитывал морфологию русского языка. В 1994 году был создан «Библейский компьютерный справочник».

В 1995 году было принято решение об использовании поискового приложения для сети Интернет. Сначала оно работало с ограниченным числом ресурсов, а позже со всем русскоязычным сегментом Интернета.

2. Предыстория создания технологии


Сегодня можно наблюдать возрастающий интерес к стереоизображениям (3d- картинки, фотографии, фильмы). Особенно интерес возрос после выхода на экраны фильма «Аватар». Сегодня люди воспринимают стерео как диковинку, как технический прорыв в фото и киносъемках и воспроизведении. Однако стерео было известно еще за долго до создания обычного фотоаппарата.

Стереоизображение - это объемное изображение, сделанное из двух картинок. Эффект стерео сегодня проще всего увидеть в 3d-фильмах или в детских книжках.

Отцом стерео можно считать Евклида, который в 280 году до н. э. заметил, что восприятие глубины пространства и рельефность, достигается из-за того, что каждый глаз видит немного разные картинки одного и того же изображенного объекта. Затем подтвердил этот эффект в 1584 году Леонардо да Винчи, который посвятил особенностям зрительного восприятия несколько своих сочинений. Немецкий оптик Иоганн Кеплер в XVII веке - научно изложил основы стереоскопического восприятия человека в своих трудах.

Как только человечество изобрело фотоаппарат, практически сразу появилась и стереофотография, но популярной она тогда не стала. Популярность к стереофотографии пришла спустя почти сто лет после ее изобретения и стала довольно - таки популярным развлечением. Особенно пользовались популярностью аттракционы, которые использовали стереоэффект. Они представляли собой ящички, в которых показывали разнообразные картинки - от зарисовок путешественников, до эротических снимков.

В 1833 году Чарльз Уитстон представил миру зеркальный стереоскоп. Он позволял увидеть картинку в объеме при использовании картинок с небольшим смещением. Через 5 лет, 1838 году Чарльз показывает свое изобретение Королевскому научному обществу, используя в качестве картинок свои рисунки. В 1851 году Уинстон показывает миру через стереоскоп фотографии - это происходит на Всемирной выставке, проходившей в Лондоне.

Создание фотоаппарата и стереоскопа, а так же популярность стереоскопических аттракционов дали толчок развитию инженерной мысли: в 1849 году шотландским ученым Давидом Брюстером был создан первый фотоаппарат с двумя объективами, а уже в 1855 году Бернард во Франции создает для обычных однообъективных фотокамер зеркальную насадку для съемок стереопар. Примерно в это же время и фотографы и фоторепортеры начали интересоваться возможностями стерео: в 60-е годы XIX века английский репортер Роджер Фентон, путешествуя по России и делая фоторепортажи о Российско - Турецкой войне, сделал ряд снимков в стерео. Примерно в то же время известный французский фотограф Антуан Клод также заинтересовался трехмерной фотографией. По словам Клода, стереоскоп позволяет дешево представить все что есть во всех уголках света. Он же в 1853 году патентует метод получения стереофотографий. Лев Толстой так же увлекся стереофотографией и, благодаря ему, мы сегодня можем увидеть стереофотографии Ясной Поляны рубежа 19-20-ого веков, знаменитостей и самого Толстого. Благодаря русскому эмигранту Алексееву, который изобрел метод игольчатого экрана к 3d, приобщился и Сальвадор Дали, который использовал его для своих объемных картин.

Всеобщий интерес к стереоскопии привел к тому, что уже в 1858 году француз Жозеф д’Альмейда открыл анаглифический метод создания объемных изображений. Этот метод использовал два цвета и требовал очков с красно - синими линзами. В России получили распространения объемные анаглифические открытки: около 60-ти лет назад началась массовая печать всевозможной полиграфии от открыток и детских книг, до карт и атласов. Сегодня этот метод активно используется при презентации новых продуктов, атласов и карт.

Возрождение интереса к объемным изображением, началось с создания цветной пленки и доступных фотоаппаратов для массового пользования. Процесс создания объемного изображения упрощался до предела: нужно было сфотографировать, проявить и вставить в стереоскоп, которые стоили относительно не дорого.

Сегодня стерео применяется во многих областях: реклама, презентации, фильмы и компьютерные игры, детская и познавательная литература и тд. Анаглифические изображения сразу нашли свое место: в отличие от стереоскопа, который предназначался для одного, анаглифические картинки и кино могли смотреть сразу несколько человек, к тому же их можно просматривать практически на любом мониторе или даже на стене (если использовать проектор). К тому же само создание стереофотографий не такое сложное, как может показаться на первый взгляд: для начала нужно иметь цифровой фотоаппарат, компьютер и стандартные программы (Photoshop или Adobe illustrator). Сегодня стереопары получают:

Одномоментной съемкой двумя фотокамерами;

Последовательная съемка фотоаппаратом с двух ракурсов;

Преобразование двухмерного изображения в трехмерное, с помощью программного обеспечения;

Создание стереоизображения из двух видеокадров;

Применение стерео в фотографиях, изображениях и кинематографе дает больше простора воображению, нежели двухмерная графика.

Совсем недавно в СМИ прошла информация о вреде стерео, поэтому будет полезно упомянуть и об этом. При просматривании стереоизображений, глазные мышцы тренируются и как всякая тренировка мышц - дает полезный результат. Офтальмологические клиники давно применяют стереокартинки для предупреждения детского косоглазия, выравнивания у детей цвето - и световосприятия, а так же с помощью стереокартинок лечат глазные патологии у взрослых и детей. Однако не стоит злоупотреблять просмотром 3d-фильмов или стереоизображений - в каждой тренировке нужно знать меру и это касается не только глаз.

Сегодня мы наблюдаем возрождение 3d - открывается множество 3d-кинотеатров, снимается все больше 3d-фильмов, Появляются новые производители 3d продукции. Уже разработали модели 3d-телевизоров, 3d проекторов, 3d фотокамер, 3d видеокамер и 3d ноутбуков - будущее за 3d, но даже в век высоких технологий анаглифические изображения и стереоскопы будут популярны из-за своей дешевизны и доступности.

3. Описание технологии


В настоящее время широкое применение получили четыре типа подобного воспроизведения: активный, пассивный, автостереоскопический и анаглиф. Особое значение в развитии данной области имеет именно автостереоскопическая технология, так как позволяет видеть 3D - изображение на экране электронного устройства без применения специальных очков. Это способствует развитию 3D - телевидения, причем новые дисплеи таких телевизоров весьма высокого качества. На фоне прежних, появляются новые технические характеристики устройств воспроизведения: глубина 3D - эффекта, стабильность, четкость 3D - изображения, уровень комфортности и прочее. Яростная конкуренция между мировыми производителями электроники способствует быстрому развитию отрасли 3D - телевидения. Это, по мнению многих экспертов, приведет к массовому переходу на 3D - технологии уже в ближайшее время. Ведь уже сейчас имеется масса всевозможного видеопродукта, изготовленного в 3D - формате. Такие проекты получают весомую поддержку со стороны государства. Монитор 3D - телевизора позволяет пользователю увидеть воспроизводимое изображение в объемном формате, это увеличивает реалистичность картинки и делает просмотр более приятным.

Именно из этих соображений 3D - технологии широко применяют в области рекламы, развлечений, средств для тренировок и инсталляции. Само же 3D - телевидение сейчас находится на начальном этапе развития. Но все это вопрос времени, инженерная мысль и научно-технический прогресс обязательно выведут эту область в разряд лидеров. И произойдет это в ближайшее время.

3.1 Стереоочки


Анаглиф - очки (Рисунок 1) - разноцветные очки, вместо линз у которых вставлены светофильтры цветов CMY. Дешёвый, но достаточно эффективный метод, физически он не обеспечивает правильную передачу цветного стереоизображения, однако нервная система довольно хорошо интерпретирует его. Время адаптации около 30 секунд, после длительного использования на пропорциональный период нарушается цветовосприятие.

Рисунок 1-Анаглифные очки

Затворные стереоочки (Рисунок 2). На экран проецируется то картинка для левого глаза, то для правого. Соответственно, очки открывают обзор то левому глазу, то правому. Применяются в 3D-кино формата XpanD. Изредка используются в компьютерных играх, так как позволяют задействовать обычный ЭЛТ-монитор (но с мощной видеоплатой - нагрузка на неё повышается вдвое). ЖК-монитор годится не каждый - истинная частота обновления у большинства из них не превышает 30..75 Гц (имеется в виду фактическое время перестроения ЖК-цепочек, а не частота развёртки). Примером такой технологии является nVIDIA 3D Vision. Для использования 3D Vision нужен ЖК, плазменный или OLED-монитор с частотой развёртки 100 Hz или выше, видеокарта от nVIDIA с 3D Vision и специальные очки. Начиная с 2009-2010 годов в мире началось массовое производство телевизоров, работающих по этому принципу. В апреле 2010 года в России началось конвейерное производство 3D-телевизоров Samsung в Калужской области. Зритель надевает ЖК-очки, которые поочерёдно (с частотой 60 Гц) затемняют левый и правый глаза человека, телевизор при этом показывает 120 изображений в секунду.

Рисунок 2-Затворные стереоочки

Поляризованные стереоочки (Рисунок 3). Сами очки несколько дороже анаглифных и требуют прецизионного спецоборудования, вдобавок киноэкран должен быть алюминированным, чтобы не было деполяризации света. Однако (кроме понижения яркости и дороговизны) выраженных недостатков не имеют. Обычно применяются в стереокинотеатрах. Имея два схожих проектора, экран и некоторое количество поляризационной плёнки от неисправного ЖК-монитора, можно самостоятельно воспроизвести в большей или меньшей степени такой стереоэффект.

Рисунок 3-Стереоочки с поляризационными фильтрами

Основанные на линейной поляризации (дешевле, но при наклонах головы стереоэффект теряется). Применяется в 3D-кино формата IMAX 3D.

Основанные на круговой поляризации (дороже). Применяется в 3D-кино формата RealD Cinema.

Благодаря последним технологическим достижениям поляризационные технологии стремительно набирают популярность.

Стереоочки с многополосными фильтрами - обеспечивают стереоэффект за счёт того, что линзы пропускают лишь узкие полосы красного, зелёного и синего. Проекционное оборудование относительно дёшево, но сами стереоочки дороги. Применяется в 3D-кино формата Dolby 3D.

Технология Dolby 3D формирует для каждого глаза изображения с разными длинами волн красного, зелёного и синего цветов. Специальные очки отфильтровывают определённые длины волн, так что зритель видит стереоизображение. В сравнении с поляризационным данный метод позволяет сэкономить на стоимости экрана (не требуется посеребрённый или алюминированный экран), но стоимость самих фильтр-очков оказывается намного выше.

3.2 Эффект Пульфриха


Использование эффекта Пульфриха нельзя отнести к стереоскопическим методам, поскольку при этом не формируются разные картинки для правого и левого глаз. Эффект Пульфриха заключается в том, что при запаздывании нервного сигнала от одного глаза, движение объекта справа налево (или слева направо, но не вверх или вниз) кажется изменяющим глубину, к наблюдателю или от наблюдателя. Такое запаздывание может быть вызвано размещением нейтрального (серого) затемняющего фильтра перед одним глазом.

Поскольку эффект Пульфриха зависит от движения в определенном направлении, его применимость сильно ограничена.

Преимуществом метода является возможность просмотра «обычным» способом, без специальных очков, при этом изображение не двоится, в отличие от стереоскопических методов, а только пропадает иллюзия глубины.

3.3 Безочковые методы


Включают несколько технологий, не требующие от зрителя ношения специализированных очков для создания иллюзии стереоизображения. Используются в экспериментальных видеопанелях. В основном, представлены растровыми системами. (Кроме растрового, из безочковых методов известен также игольчатый, но сведений о его применении в кинематографе нет).

В растровых методах используется пространственное разделение стереопары. Изображение на экране состоит из узких вертикальных полосок, с чередованием изображений стереопары. Перед экраном размещается растр с таким же шагом, элементы которого позволяют каждому глазу видеть только «свои» полоски изображения. При достаточном удалении зрителя от экрана полоски сливаются в единое полутоновое изображение.

Существует два типа растра - оптический (также называемый щелевым или барьерным) и линзовый (лентикулярный).

Оптический растр состоит из вертикальных непрозрачных полос, с щелями между ними. Полосы затеняют для каждого глаза «несоответствующие» части изображения.

Линзовый растр (более применимый в настоящее время) состоит из вертикально расположенных цилиндрических плоско-выпуклых линз. Линза одновременно выполняет функции щели и затеняющей полосы. Этот метод также применяется при изготовлении стереооткрыток.

Недостатки растровых методов:

Качественное изображение наблюдается только при некоторых ракурсах, что, помимо необходимости расположения зрителей в фиксированных секторах обзора, накладывает ограничения на размер экрана

Эффективное разрешение изображения по горизонтали уменьшается в два раза.

В кинематографе растровые экраны использовались в ранних узкоформатных стереосистемах.

3.4 Объемный дисплей


Объемный дисплей относится к средствам визуализации и может быть использовано для воспроизведения трехмерного изображения объектов.

Сущность изобретения заключается в том, что с помощью термоэлектрических элементов, размещенных в насыщенном растворе жидкого кристалла в изотропной жидкости, регистра памяти, содержащего информацию о координатах элементов трехмерного изображения, генератора импульсов тока и коммутаторов последовательно охлаждают капли жидкого кристалла в насыщенном растворе, находящиеся в окрестности определенных термоэлектрических элементов, координаты которых соответствуют координатам трехмерного изображения. Элементы трехмерного изображения формируются в виде облака капель жидкого кристалла в нематической фазе, видимого в рассеянном свете. Цветовые оттенки устанавливаются подбором глубины импульсного охлаждения. Технический результат: повышение точности воспроизведения трехмерного изображения.

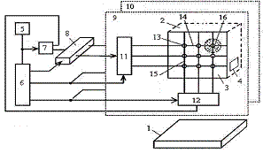
Объемный дисплей работает следующим образом (Рисунок 4): в исходном состоянии (в отсутствие отображаемых элементов изображения) емкость 2, микронеоднородный материал - насыщенный раствор жидкого кристалла 3 и размещенные в емкости 2 термоэлектрические элементы 13 с проводниками 14, 15 незначительно рассеивают проходящее через емкость световое излучение от источника 1.

Рисунок 4-Принцип работы объемного дисплея

Величина рассеяния света в исходном состоянии может быть минимизирована выбором интервала между соседними термоэлектрическими элементами 13 значительно больше, чем собственные размеры термоэлементов и выбором изотропной жидкости и жидкого кристалла (в изотропной фазе) с близкими коэффициентами преломления для светового излучения от источника 1. В исходном состоянии насыщенный раствор жидкого кристалла в изотропной жидкости содержит взвесь мельчайших капель жидкого кристалла, размеры которых зависят от температуры. С помощью блока 4 регулирования температуры в емкости 2 устанавливают и поддерживают температуру, при которой капли жидкого кристалла находятся в изотропном состоянии, а их размеры много меньше длины волны оптического излучения. Элемент объемного изображения формируется при прохождении импульса тока через заданный термоэлектрический элемент в виде облачка, состоящего из капель жидкого кристалла. Импульс тока приводит к кратковременному охлаждению одной из поверхностей термоэлектрического элемента. Вблизи охлажденной поверхности капли жидкого кристалла охлаждаются, переходят в нематическую фазу и увеличиваются в размерах. При достижении капелями размеров, соизмеримых с длиной волны, падающего на них света элемент объемного изображения становится видимым в рассеянных лучах при наблюдении через боковые поверхности емкости 2. По завершении импульса тока через определенное время происходит обратный процесс нагревания и уменьшения размеров капель жидкого кристалла в окрестности рассматриваемого термоэлектрического элемента и переход капель в исходное изотропное состояние с малым рассеянием света. Выделение тепла на противоположной поверхности термоэлектрического элемента компенсируется блоком 4 регулирования температуры в емкости 2. Изменение цвета рассеянного от элемента объемного изображения излучения от голубого до красного оттенка достигается за счет выбора длительности охлаждения, например путем подачи одного, двух и т.д. импульсов тока на определенный термоэлектрический элемент. С ростом капель, при их охлаждении, в рассеянном излучении формируются цветовые оттенки от голубого до красного. Более подробно, в соответствие с рисунком, по сигналам генератора 5 импульсов запускается источник 7 тока и трехканальный регистр 6 памяти устанавливает в двоичном коде: на первом выходе адрес одного из блоков сканирования (соответствующего координате Z), на втором и третьем выходах - адреса проводников 14 и 15, соответствующих координатам X и Y.. Через термоэлектрический элемент 13, установленный в точке пересечения проводников 14 и 15 проходит импульс тока. Температура на одной из его поверхностей уменьшается, что приводит к формированию вблизи указанной поверхности элемента трехмерного изображения виде облачка капель жидкого кристалла в нематической фазе, видимого в рассеянном свете. Повторением описанной процедуры заданное в регистре 6 памяти число раз достигается рост капель жидкого кристалла до размеров, обеспечивающих требуемый цветовой оттенок элемента трехмерного изображения. Аналогично последовательно формируются другие элементы трехмерного изображения.

Использование изобретения обеспечивает преимущества, заключающиеся в повышении точности воспроизведения трехмерного изображения. Положительный эффект достигается за счет жесткой привязки координат формируемых элементов изображения к известным координатам термоэлектрических элементов в предлагаемом устройстве.

4. Перспективы развития технологии

поисковый система стереоизображение объемный

Данная технология без сомнения имеет огромные перспективы своего развития. С недавнего времени начался выпуск специальных видеокарт и мониторов для персональных компьютеров, позволяющих выводить объемное изображение на экран. Также начат выпуск 3D-телевизоров, а фильмами с модной приставкой 3D уже давно никого не удивить. Не трудно догадаться, что в ближайшем будущем степень внедрения технологий объемного изображения в повседневную жизнь будет только увеличиваться.

5. Заключение


Таким образом, стереоизображение, будучи далеко не новым, а «хорошо забытым» старым вновь набирает обороты и завоевывает признание миллионов зрителей и пользователей персональных компьютеров. Хоть технологии получения таких изображений и не лишены недостатков, темпы, с которыми проходят исследования в этой области позволяют надеяться, что в будущем эти недостатки будут устранены и каждый из нас сможет без труда окунуться в волшебный мир объемного изображения не выходя из собственной квартиры.

Библиографический список:

<http://ru.wikipedia.org/wiki/Google>

<http://ru.wikipedia.org/wiki/Яндекс>

<http://omskpress.ru/news/25482/texnologii_obemnogo_izobrajeniya/>

<http://ru.wikipedia.org/wiki/Стереоизображение>

<http://broadcasting.ru/articles2/Oborandteh/objemn_izobr_vchera_i_segodn>

<http://www.mgupi.ru/innovate/proj/technology-three-dimensional-images/>

Похожие работы на - Технологии объемного изображения

 

Не нашли материал для своей работы?
Поможем написать уникальную работу
Без плагиата!
Без нейросетей!