Разработка сети кампуса с возможностью выхода во внешнюю среду
Введение
В рамках текущего проекта, фактически,
требовалось разработать сеть кампуса, которая, однако, имеет выход во внешнюю
среду. Сети кампуса объединяют множество сетей различных отделов одного
предприятия в пределах одного здания или в пределах одной территории. Сеть
разрабатывалась на основе структурированной кабельной системы - набора
коммутационных элементов, а также методики их совместного использования,
которая позволяет создавать регулярные, легко расширяемые структуры связей в
вычислительных сетях. Разработанная сеть является логически структурированной.
Задание
Число зданий - 2;
Расстояние между зданиями (км) - 0,2;
Количество этажей у здания (3м высота этажа) -
8;
Длина здания - 150 м;
Ширина здания - 11 м;
Число отделов - 32;
Число групп в отделе - 12;
Число компьютеров в группе - 12;
Необходимость выхода во внешнюю среду - 50/50;
Компьютеры отделов поддерживают технологию - Fast
Ethernet;
Имеется коммуникационное оборудование на уровне
отдела - Концентратор/16;
Имеется и проведены по коридору кабели категории
- нет.
Топология
Описание
Примем, что информационное пространство
организации должно удовлетворять повышенным требованиям безопасности.
В данном проекте в условии задания кабели по
коридорам протянуты не были. Поэтому, так как компьютеры должны поддерживать
технологию Fast
Ethernet, то наиболее
разумно протянуть кабели UTP5,
т.к. они разработаны для поддержки высокоскоростных протоколов на небольших
расстояниях, сеть получается более дешевой и удобной в эксплуатации (в отличие,
например от волоконно-оптического кабеля). А это значит, что для построения
сети появляется выбор между спецификациями 100Base-TX,
100Base-T4
и 100Base-FX.
В соответствии с этим логично выбрать следующую
кабельную систему внутри рабочих групп как: UTP5
стандарт 100Base - TX.
По заданию, компьютеры поддерживают технологию Fast
Ethernet,а это значит, что
для построения сети появляется выбор между физическими интерфейсами 100Base-TX
и 100Base-T4,
100Base-FX.
Интерфейс 100Base-FX
мы в учёт не берём, так как среда передачи при таком интерфейсе оптическое
волокно. Остаётся 100Base-TX и 100Base-T4, но интерфейс 100Base-T4 имеет один
существенный недостаток - принципиальную невозможность поддержки дуплексного
режима передачи. И если при строительстве небольших сетей Fast Ethernet с
использованием повторителей, 100Base-TX не имеет преимуществ перед 100Base-T4
(существует домен коллизий, полоса пропускания которого не больше 100 Мбит/с),
то при строительстве сетей с использованием коммутаторов недостаток интерфейса
100Base-T4 становится очевидным и очень серьезным. Поэтому данный интерфейс не
получил столь большого распространения, как 100Base-TX и 100Base-FX.
Значит, тип физического интерфейса мы выбираем 100Base-TX.
Типом интерфейса мы определили тип
концентраторов на уровне группы
16 портовые (4 порта на случай расширения
рабочих групп);
с фиксированным числом портов:
неинтеллектуальные - здание в 8 этажей, прямое
подключение к коммутатору (получается: одна рабочая группа - один домен
коллизий), а так же простая логическая структура сети, позволяют своевременно
обнаруживать и вручную исправлять неисправности в работе сетей рабочих групп.
На уровне отдела имеются 16 портовые
коммутаторы, отдел включает в себя 12 групп следовательно, было бы разумно
каждую группу подключить к коммутатору установленному на уровне отдела кроме
этого коммутаторы должны удовлетворять следующим требованиям:
) работа в полнодуплексном режиме;
) поддерживать стандарт IEEE
802.3u (дополнение к
существующему стандарту 802.3) - этот стандарт определяет процедуру управления
потоком;
) работать по алгоритму прозрачного моста -
такие мосты незаметны для сетевых адаптеров конечных узлов, так как они строят
самостоятельно специальную адресную таблицу, на основании которой можно решить,
нужно передавать пришедший кадр в какой-либо другой сегмент или нет. Данный
алгоритм позволяет использовать более дешевые коммутаторы, чем при
маршрутизации от источника, упрощает управление потоками информации на уровне
отдела ( облегчит поддержание повышенного уровня безопасности), а так же
позволяет кроме передачи кадров в рамках одной технологии транслировать
протоколы локальных сетей;
) должны быть фактически маршрутизирующими
коммутаторами - это необходимо для разделения IP
( пространства на уровне групп) и управление виртуальной сетью ( на уровне
отдела);
) поддержание технологии VLAN
(для изоляции рабочих групп) - позволит администратору объединить группы,
работающие совместно (совместное пространство подсетей будет выглядеть как пространство
одной сети), а так же применять политику безопасности не к каждой отдельной
группе, а к виртуальной сети вцелом;
) обеспечивать переход от 100Base
- TX к 100Base
- FX - выбор
оптоволокна основан на более долгом сроке службы его, по сравнению с UTP.
MMF выбран из-за более
низкой цены по сравнению с SMF,
как самого кабеля, так и трансиверов.
) поддержка маршрутизации с использованием масок
- маршрутизация с использованием масок необходима в данной сети для разделения
единого пула IP адресов
класса B на подсети. Данное
требование нужно для выделения трафика как на уровне отдела, так и на уровне
групп.
Маршрутизатор должен удовлетворять следующим
требованиям:
) одношаговая маршрутизация по адаптивному
алгоритму - при этом данная маршрутизация проводится с использованием масок;
) иметь фиксированное число портов - так как
используются более дешевые маршрутизаторы, и рост сети организации исключается;
) поддержка сетевого протокола IP
- так как организация имеет выход во внешнюю среду, то необходимо, чтобы
маршрутизация была основана на протоколе IP;
) поддержка технологии Fast
Ethernet - позволяет не
осуществлять коммутаторам переход между технологиями, что понижает их затраты;
) защита от широковещательных штормов;
) поддержка маршрутизации с использованием
масок;
На уровне маршрутизатора администратор
осуществляет контроль и управление обменом информации между отделами.
DNS и DHCP-сервером
может являться персональный компьютер, с установленным специальным программным
обеспечением, например OS
Microsoft
Windows 2000 Server.
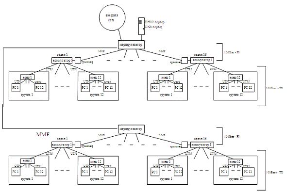
Каждый ПК (всего 12) подключаем к концентратору,
который в свою очередь подключается к коммутатору, установленному на уровне
отдела. Таким образом "связываем" все компьютеры в группе между
собой, а затем объединяем группы. К расположенному на первом этаже
маршрутизатору подключаем каждый отдел + сервер расположенный все на том же
первом этаже. Так как по своей структуре каждый из восьми этажей здания
соответствует другим, будем считать, что таким же образом мы подключаем к
маршрутизатору отделы на всех этажах, а структура сети на каждом этаже
одинакова (исключение составляет лишь первый этаж, на котором располагается
сервер). Предположим, что соседнее здание идентично первому, тогда и вся схема
построения сети в нем будет такой же. Маршрутизатора поставим два (по одному на
здание) и соединим их между собой оптоволокном.
Список оборудования и линий связи:
Имеется:
31200 м кабеля UTP5,
протянутого по коридору для соединения концентраторов с коммутаторами (975 м на
отдел, следовательно: 975 x
32 = 31200);
32 коммутатора (по одному на отдел);
4608 компьютера (12 x
12 x 32 = 4608).
Необходимо:
33792 м кабеля UTP5
для соединения компьютеров с концентраторами в группах (88 м на одну рабочую
группу, следовательно: 88 x
12 x 32 ≈ 33792);
362 м кабеля MMF,
протянутого между этажами и от кроссового шкафа первого этажа до
маршрутизатора, для соединения коммутаторов с маршрутизатором (с первого этажа
на второй, с первого на третий, …, с первого на восьмой, а т.к. у нас по два
маршрутизатора на этаж, умножаем на два);
- 4608 сетевых
адаптера
Fast Ethernet 100Base - TX 100 Мбит/с;
- 2 маршрутизатора;
1 ПК под DNS
и DHCP-сервер;
32 трансивера для перехода коммутаторов на MMF;
210 м MMF
для соединения между зданиями - магистраль.
Схемы расположения оборудования и линий связей
Первое здание
Этажи (со 2 по 8) аналогичны.
Второе здание
Этажи (со 2 по 8) аналогичны.
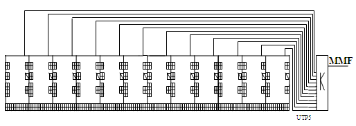
План соединений отдела:

План соединения между этажами:
Для данного здания 2 отдела на этаже полностью
покрывают его площадь. Отделы размещены по разные стороны коридора на этаже.
Линии связи от групп проложены по коридору и соединяют напрямую каждую группу и
коммутатор. Коммутаторы расположены в кроссовом шкафу, который находится в
середине коридора, т.к. длина линии связи от самой "дальней" группы
примерно 150 м, а максимальная длина кабеля UTP5
- 100м. Коммутаторы в кроссовом шкафу не соединены между собой, т.к. контроль
между отделами осуществляется на уровне маршрутизатора. На первом этаже
находится единый информационный центр, где расположены маршрутизатор и сервер. Каждый
коммутатор индивидуальной линией связи (оптоволокно) присоединен к
маршрутизатору.
Расчет требований к PDV
для подсетей отделов
коммутатор маршрутизатор сеть кампус
Так как компьютеры в отделах поддерживают
технологию Fast
Ethernet, то нет необходимости
рассчитывать время двойного оборота сигнала, разделяя при этом сегменты сети на
левый, правый и промежуточный, а нужно рассчитать только данные об удвоенных
задержках, вносимых кабелем и повторителем.
Так как компьютеры в отделах поддерживают
технологию Fast
Ethernet, то нет
необходимости рассчитывать время двойного оборота сигнала, разделяя при этом
сегменты сети на левый, правый и промежуточный, а нужно рассчитать только
данные об удвоенных задержках, вносимых кабелем и повторителем.
Сеть группы симметрична, поэтому требуется
произвести только один расчет. У нас имеется один повторитель I
класса и 12 сегментов кабеля UTP5.
сегмент (16 м) вносит задержку : 16 x
1,112 = 17,792 bt
сегмент (15 м) : 15 х 1,112 = 16,68 bt
сегмент (14 м) : 14 х 1,112 = 15,568 bt
сегмент (10 м) : 10 х 1,112 = 11,12 bt
сегмент (8 м) : 8 х 1,112 = 8,896 bt
сегмент (7 м) : 7 х 1,112 = 7, 784 bt
сегмент (5 м) : 5 х 1,112 = 5,56 bt
сегмент (4м) : 4 х 1,112 = 4,448 bt
сегмент (2 м) : 2 х 1,112 = 2,224 bt
сегмент (1 м) : 1 х 1,112 - 1,112 bt
сегмент (3 м) : 3 х 1,112 = 3,336 bt
сегмент (4 м) : 4 х 1,112 = 4,448 bt
Сам повторитель вносит задержку 140 bt.
РVV
= 17,792 + 16,68 + 11,12 + 8,896 + 7, 784 + 5,56 + 4,448 + 2,224 + 1,112 +
3,336 + 4,448 + 140 = 238, 968 bt
.
В результате данное значение удвоенных задержек
составило меньше максимального значения в данной технологии (512 bt).
Значит, сеть является корректной по критерию распознавания коллизий и
удовлетворяет требованиям Fast
Ethernet.
IP - адреса,
маска.
Всего мы имеем 4608 ПК; 32 отдела; 384 группы.
Основываясь на этом, выбрано адресное пространство, маски.
Для организации нормальной безопасной работы
предприятия требуется изолировать рабочие группы, как при работе с внешней
сетью, так и в рамках одного отдела (для гибкого разделения/объединения
информационного пространства групп отдела коммутаторы поддерживают VLAN).
IP-адрес имеет
длину 4 байта, 2 первых байта - номер сети, последние два - номер узла. Данная
сеть средних размеров и попадает в диапазон класса В. Распределим IP-адреса.
Имеется 4608 ПК на 32 отдела, в каждом отделе по 144 ПК. Соответственно, номер
сети будет 130.130.0.0 Основываясь на требовании разделения трафика групп при
работе с внешней средой выбран класс IP
адресов. Это 21 адреса класса В например:
.130.130.0;
.130.131.0;
.......................
.130.151.0.
Соответственно маска на маршрутизаторе для
разделения отделов и выхода во внешнюю среду будет такова:
.255.255.0 / 11111111 11111111 11111111 00000000
.
Номера сетей являются адресами портов
маршрутизатора.
Маска -
это число, которое используется в паре с IP-адресом;
двоичная запись маски содержит единицы в тех разрядах, которые должны в IP-адресе
интерпретироваться как номер сети. С помощью маски можно более гибко
устанавливать границу между номером сети и номером узла. Поскольку номер сети
является цельной частью адреса, единицы в маске также должны представлять
непрерывную последовательность.
Для стандартных классов сетей
маски имеют следующие значения:
·
класс
А - 11111111. 00000000. 00000000. 00000000 (255.0.0.0);
·
класс
В- 11111111.11111111.00000000.00000000(255.255.0.0);
·
классС-
11111111.11111111.11111111. 00000000 (255.255.255.0).
На маршрутизирующих коммутаторах применяется
маска:
255.255.255.224 / 11111111 11111111 11111111
11111000 .
DNS-имена:
Исходя из IP-адресного
пространства, выбирается система DNS-имен:
Домен: dom.com
- адреса при наложении маски: 255.255.255.0,
Дающие:
.130.130.0,
.130.131.0,
.......................
.130.151.0.
Поддомен: 1otdel.corp.com
- адреса, при наложении маски: 255.255.255.192,
Дающие:
.130.130.64
.130.130.128
Поддомен: 1gruppa.1otdel.dom.com
- адреса, при наложении маски: 255.255.255.224,
Дающие:
.130.130.136
.130.130.224
Компьютер: pc1.
1otdel.dom.com
-адрес, при наложении маски: 255.255.255.255,
Дающий: 130.130.130.237
Заключение
Концентраторы вместе с сетевыми адаптерами, а
также кабельной системой представляют тот минимум оборудования, с помощью
которого можно создать локальную сеть. Такая сеть будет представлять собой
общую разделяемую среду. Понятно, что сеть не может быть слишком большой, так
как при большом количестве узлов общая среда передачи данных быстро становится
узким местом, снижающим производительность сети. Поэтому концентраторы и сетевые
адаптеры позволяют строить небольшие базовые фрагменты сетей, которые затем
должны объединяться друг с другом с помощью мостов, коммутаторов и
маршрутизаторов.
В процессе выполнения проекта была разработана
сеть, полностью удовлетворяющая стандарту технологии Fast
Ethernet. Сеть логически
структурирована, что значительно упрощает её администрирование. Сеть
соответствует требованиям повышенной информационной безопасности. Предложено
соответствующее объему, требованиям повышенной безопасности, дефициту IP-адресов
и логической структуризации пространство IP
адресов. Предложена, основанная на нем схема маршрутизации с использованием
масок. Исходя из адресного пространства и логической структуризации сети,
предложена система DNS-имен.
Список используемой литературы
1. Компьютерные
сети. Принципы, технологии, протоколы / В. Г. Олифер, Н. А. Олифер - СПб.:
Питер, 2001.