Подъемник стабилизатора самолета ТУ-154
Реферат
Ключевые слова:
механизм, винт, гайка, диаметр, КПД, механизм,
подшипник, проушина, прочность, резьба, расчет, подъемник, зубчатая передача,
сила, момент.
Количество страниц - ___
Количество рисунков - 10
Количество таблиц - 1
Содержание
1.Задание
2. Введение
3. Расчет и конструирование механизмов управления самолетами
Материалы винтовой пары
Расчет необходимых параметров
Расчет передачи винт-гайка скольжения
Выбор подшипников
Проверка винта на прочность
КПД резьбы скольжения
Расчет проушины
Определение толщины гайки
4. Проектировочный расчет зубчатой передачи
5. Проверочный расчет зубчатой передачи
6. Расчет валов редуктора механизма подъемника
7. Расчет шлицевых соединений
8. Расчет штифтов
Вывод
Список использованной литературы
1.Задание
Рассчитать и сконструировать подъемник стабилизатора самолета
ТУ-154. (Рис.1)
Рис.1
Исходные данные:=40000 H,=250 мм,=25 с.
Схема механизма приведена на Рис.2
Рис.2
2.
Введение
В создании современных летательных аппаратов решающая роль
принадлежит инженерам конструкторам, которым необходимо произвести расчеты и
рационально сконструировать детали и механизмы.
Нужно придерживаться специфики расчетов и конструирования
деталей и механизмов общего назначения, которые используются в летательных
аппаратах, а именно механические передачи, валы, подшипники, муфты, соединения
и др. Особое внимание необходимо уделять специальным требованиям к деталям
летательных аппаратов - минимальной массе и габаритным размерам, высокой
надежности, долговечности, удельной прочности, работоспособности - в разных, в
том числе в экстремальных условиях.
В данной работе необходимо сконструировать и произвести
расчет подъемника стабилизатора самолета ТУ-154. Подъемник стабилизатора
предназначен для изменения угла атаки стабилизатора при различных центровках
самолета.
3.
Расчет и конструирование механизмов управления самолетами
Материалы
винтовой пары
Материалы винта и гайки должны составлять антифрикционную
пару и иметь хорошую обрабатываемость.
Винт передачи скольжения изготовим из стали 30Х2Н2ВА, которая
обладает высокой прочностью и износостойкостью. Для уменьшения потерь на трение
гайку выполним из антифрикционной оловянистой бронзы БрОЦС6-6-3, которая
способна воспринимать большие удельные нагрузки.
Расчет
необходимых параметров
Определяем среднюю скорость поступательного движения винта
(гайки):
,
(м/с).
Определяем эффективную мощность на винте (гайке):
,
(кВт).
Принимаем приближенное значение КПД передачи винт-гайка:
(для резьбы скольжения при Z=2).
Принимаем приближенное значение КПД зубчатого редуктора:
-для одной ступени,
,
.
Определяем общий КПД механизма:
,
.
Определяем потребную мощность на входе в механизм:
,
(кВт).
Расчет
передачи винт-гайка скольжения
Назначение передач винт-гайка - преобразование вращательного
движения в поступательное. Передачи обеспечивают большой выигрыш в силе,
возможность получения медленного движения, большую несущую способность при
малых габаритах, возможность достижения высокой точности перемещений, простоту
конструкции и изготовления.
К недостаткам передач скольжения следует отнести большие
потери на трение и низкий КПД, а поэтому невозможность применения при больших
скоростях перемещений.
Наиболее характерные области применения передач винт-гайка:
поднятие грузов (в домкратах), нагружение в испытательных машинах,
осуществление процесса механической обработки (в винтовых прессах, станках),
управление оперением самолетов, точные делительные перемещения (в измерительных
машинах, станках), установочные перемещения для настройки и регулирования
машин, перемещение рабочих органов роботов.
Основными критериями работоспособности передач винт-гайка
скольжения являются износостойкость рабочих поверхностей резьбы, прочность и
устойчивость винта. При значительных перегрузках витки резьбы проверяют на срез
и изгиб.
В проектировочном расчете диаметр винта определяют из трех
условий:
. Из условия износостойкости средний диаметр резьбы
,
где
-коэффициент высоты гайки,
выбираем
.
При трении закаленной стали по бронзе рекомендуют выбирать
МПа.
Итак, получим
(мм).
. Из условия прочности винта на сжатие (растяжение) внутренний
диаметр резьбы определяют по формуле:
,
где
- допускаемое напряжение,
МПа.
- предел текучести,
=980 МПа,=5 - коэффициент запаса прочности.
(мм).
. Из условия устойчивости стержня винта внутренний диаметр резьбы
находят по зависимости:
,
где
- допускаемый коэффициент запаса
устойчивости,
=4
- коэффициент приведения длины, зависящий от условий закрепления
винта,
=1,Е=
МПа.- длина сжатого участка винта.
(мм).
Из трех полученных выше значений диаметров винта принимаем большее
d=38.827 мм. Уточняем его по таблицам стандартов выбранной резьбы, а затем
выбираем размены всех параметров резьбы: резьба трапецеидальная Р=8.0,
мм,
мм,
мм,
мм,
мм,
, Н=1.866Р=14.928 мм,
мм,
мм, z-число заходов резьбы, z=2.
Угол подъема резьбы определяют по формуле:
,
.
Если резьба должна удовлетворять условию самоторможения, находят угол
трения и сравнивают его с углом подъема
средней винтовой линии. При этом должно быть выполнено условие
, где
,
где
- угол наклона рабочей грани резьбы, для
трапецеидальной резьбы
=15,f - коэффициент трения, f=0.06. Тогда
.
Определение числа витков резьбы гайки
При относительном движении винта и гайки в резьбе под нагрузкой
происходит износ и приработка рабочих поверхностей витков и первоначальная
неравномерность нагрузки по ним выравнивается. Поэтому для расчета резьбы гаек
принимают, что осевое усилие распределяется по виткам равномерно, а угол
подъема витков настолько мал, что их можно рассматривать в виде плоских
круговых колец.
Число витков резьбы гайки
определяют из трех условий:
1. Из условия обеспечения износостойкости, которое
выражается в ограничении среднего удельного давления:
,
где
- рабочая высота профиля резьбы,
- допускаемое удельное давление в резьбе.
.
. Из условия прочности на изгиб витка как консольной балки. При
этом расчет ведут по виткам гайки, выполненной из более слабого материала.
,
где
- допускаемое напряжение на изгиб.
- предел прочности материала гайки,
=200 МПа.
Тогда
.
. Из условия прочности витков на срез:
,
где
- допускаемое напряжение среза. Тогда
.
Из трех значений числа витков выбираем большее,
7.
Выбор
подшипников
Подшипники служат опорами для валов и вращающихся осей. Они
воспринимают радиальные и осевые нагрузки и передают их на корпус машины.
Подбор подшипников осуществляется по динамической грузоподъемности.
С - динамическая грузоподъемность. Это постоянная нагрузка,
которую может выдержать подшипник без признаков усталостного разрушения в
течение
оборотов, Н. Число миллионов оборотов
определяют по формуле:
,
где n - частота вращения, 1/мин,
- ресурс подшипника, час.,
Р - эквивалентная нагрузка на подшипник,- частота вращения винта
(гайки).
, 1/мин.
Тогда
подъемник стабилизатор самолет винтовой
(1/мин).
Принимаем
=500 часов, тогда:
.
Динамическая грузоподъемность:
,
где
- коэффициент, учитывающий надежность
подшипника;
=1,
- коэффициент, учитывающий качество материала подшипника;
=1,р=3.
Тогда получим:
.
Таким образом была определена потребная динамическая
грузоподъемность
. По справочнику подбираем подшипник
исходя из условия:
, где
- располагаемая динамическая грузоподъемность. Был выбран
подшипник 8113:
=42800, d=65,
=104000,D=90,m=0.34 кг,H=18,
при смазке: r=1.5,пластичной - 2500
=65.2,жидкой - 3150,Шарики z=23,
=9.53,
=80,
=90.5,
=75,
=4.
Проверка
винта на прочность
В случае нагружения винта с числом циклов
его стержень проверяют на прочность по
приведенным напряжениям:
,
Где
- напряжения сжатия или растяжения от
осевой силы,
(МПа),
- напряжение в винте от кручения,
где
- вращающий момент, который прикладывают к винту для преодоления
осевой нагрузки,
- момент винтовой пары:
,
Подставив числовые значения, получим:
(Нмм).
- момент трения в опоре (пяте) винта.
,
где
- внутренний диаметр подшипника,
=65 мм,``=0.006 - приведенный коэффициент трения.
Тогда
(Нмм),
(Нмм).
Теперь определим напряжение в винте от кручения:
(МПа).
Проверяем стержень на прочность:
(МПа).
Допускаемое напряжение находим по формуле:
=980/4=245 (МПа).
Необходимое условие выполняется.
КПД
резьбы скольжения
Если происходит преобразование вращательного движения в
поступательное (прямой ход), то движущей нагрузкой является момент, равный
моменту винтовой пары
. В этом случае КПД резьбы скольжения:
,
Подставим числовые значения:
.
С учетом потерь в упорном подшипнике (пяте) винта КПД винтового механизма
при прямом ходе находим из соотношения:
,
Тогда получим:
.
Расчет
проушины
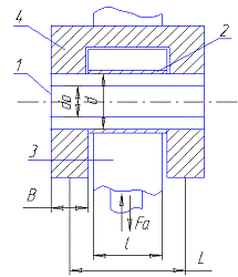
Рассмотрим схематическое изображение проушины (рис.3)
Рис.3
Где 1 - ось проушины,
- подшипник скольжения,
- ухо,
- проушина.
Определяем диаметр оси из условия ее работы на срез:
,
площадь определим по формуле
,
где
.
.
Поскольку проушина выполнена из стали 30ХГСА, а
МПа, то запишем:
МПа.
Так как проушина в данном случае симметрична относительно оси
вала, то расчет проведем для ее половинки, а следовательно и силу
во всех последующих расчетах принимаем
равной
.
Сделав соответственные преобразования получим формулу для расчета
диаметра:
, тогда
(мм).
Определяем длину подшипника скольжения из условия его допустимого
удельного давления в паре ось-подшипник.
Подшипник выполнен из бронзы.
,
где
МПа. Тогда
,
подставив числовые значения, получим:
(мм).
Определяем размер В из условия ее работы на смятие:
, тогда
,
где
МПа.
Получаем
(мм).
Конструктивно увеличиваем В до В=5 мм.
Определяем прочность оси из условия ее работы на изгиб как балки
на двух опорах. Общая схема приведена на Рис.4.
Рис.4
, где
.
Определим изгибающий момент:
,
где
-опорная реакция, L/2 - плечо.
Для расчета величины L схематически изобразим часть проушины
Рис.5.
Рис.5
рассчитываем как L=l+B+4=25+5+4=34 (мм).
Тогда
(Нмм).
Определяем действующие напряжения:
,
(МПа).
Допустимые напряжения:
(МПа).
Так как при расчете на изгиб действующие напряжения в оси
превышают допускаемые напряжения изгиба, то диаметр оси необходимо
переопределить из условия изгиба и также пересчитать длину подшипника l.
Запишем:
, откуда
.
(мм).
Итак, d=17,06 мм.
Определяем длину l:
,
(мм).
Посчитаем геометрический параметр
:
, откуда
.
(МПа).
Подставив числовые значения в выше приведенную формулу, получим:
(мм).
Определение
толщины гайки
Схематически изобразим гайку на Рис.6.
Рис.6
Определим наружный диаметр гайки
из условия:
, где
(МПа).
Площадь определим по формуле:
,
подставив числовые значения, получим:
(
).
Также можно записать:
,
где D=44 мм - наружный диаметр резьбы.
Тогда выражение для нахождения
запишем в виде:
.
(мм).
Итак, минимальная толщина гайки составляет 5.5 мм.
4.
Проектировочный расчет зубчатой передачи
В данном редукторе есть 2 ступени. Шестерне I ступени
присвоим индекс 1, а зубчатому колесу - индекс 2. Аналогично назовем элементы
II ступени 3 и 4 соответственно (см. рис.2). В дальнейшем все формулы и
выкладки будем записывать для I ступени (для 1 шестерни и 2 колеса), а
вычисления будем производить для обеих ступеней. Зададимся материалом зубчатой
передачи и выпишем некоторые его свойства:
Материал - Сталь 20Х2НЧА;
Термообработка - Цементация;
Предел прочности - sв=1400 МПа;
Предел текучести - sт=1200 МПа;
Твердость поверхности - HRC65 или HB614 или HV820;
Передаточное отношение между 1 и 2 колесами U12=2;
передаточное отношение между 3 и 4 колесами U34=3.
Число зубьев шестерней 1 и 3 - Z1=25; Z3=24.
Найдем число зубьев зубчатых колес:
=50;
=72.
Назначим коэффициенты смещения для колес: Х1=Х2=Х3=Х4=0.3.
Так как частота вращения гайки известна (nг=37.5 мин-1),
то: n4=nг=37.5 (мин-1); n3=n2=n4×U34=37.5×3=112.5 (мин-1); n1=n2×U12=112.5×2=225 (мин-1).
Зная потребную мощность на входе в механизм
=1.338 кВт и значения КПД в ступенях
передачи, определим вращающие моменты:
=56.79 (Нм);
=111.31 (Нм);
=327.25 (Нм).
Найдем в первом приближении коэффициент торцевого перекрытия:
;
где b - делительный
угол наклона, так как передача прямозубая, то b=0. Должно выполняться условие
.
=1.688;
=1.702.
Условие выполняется для 2 ступеней.
Найдем приближенное значение допускаемого контактного напряжения:
;
где
=23HRC=23×65=1495 (МПа) - предел контактной выносливости поверхности
зубьев для данного материала, в зависимости от твердости поверхности зубьев; SH=1,2
- коэффициент запаса контактной прочности (зависит от материала и от назначения
детали); ZR=0,96 - коэффициент, учитывающий влияние исходной
шероховатости сопряженных поверхностей зубьев. ZN - коэффициент
долговечности при расчете на контактную выносливость зубьев, зависит от
отношения
, где
=30×HB2,4=147477357
- базовое число циклов напряжений, примем
=12×107;
NK - расчетное число циклов напряжений, определяется отдельно для
шестерни и для зубчатого колеса:
K1=60С1×n1×Lh;
;
где С1=С2=1 - число нагружений зуба шестерни
и колеса за один оборот; n1 - частота вращения шестерни; Lh=500
час. - ресурс передачи; U12 - передаточное число.
K1=60×1×225×500=6750000;
=3375000;K3=60×1×112,5×500=3375000;
=1125000.
Так как все значения NК меньше
, примем следующую расчетную формулу:
.
Найдем все значения ZN:
=1,62;
=1,81;
=1,81;
=2,18.
Так как значения ZN ограничиваются максимальным числом
(ZN max=1,8), то окончательно:
;
;
;
.
Определим все значения
:
=1738.95 (МПа);
=1937.52 (МПа);
=1937.52 (МПа);
=1937.52 (МПа).
Найдем приближенное значение допускаемого напряжения изгиба:
;
где
=900 (МПа) - предел изгибной выносливости
поверхности зубьев для данного материала; SF=1,55 - коэффициент
запаса прочности при изгибе для данного материала; ZR=1,05 -
коэффициент шероховатости, в зависимости от окончательной механической
обработки и термического упрочнения зубьев. YN - коэффициент
долговечности при расчете на изгибную выносливость зубьев, зависит от отношения
, где
- базовое число циклов напряжений,
=4×106:
,
где qF=6 - показатель степени кривой изгибной
усталости.
=0,92;
=1,03;
=1,03;
=1,24.
Так как значения YN ограничиваются минимальным числом
(YN min=1), то окончательно:
;
;
;
.
Определим все значения
:
=548,71 (МПа);
=564,47 (МПа);
=564,47 (МПа);
=677,89 (МПа).
По графикам из пособия [4] определим коэффициенты KHb и KFb в зависимости от отношения диаметра
зубчатого колеса к его толщине (ybd=0,5):ступень:
KHb=1,12; KFb=1,2;ступень: KHb=1,07; KFb=1,12.
Определим коэффициенты формы зубьев
;
где
- числа зубьев эквивалентных колес, но
так как b=0, то
.
Определим все значения
:
=3,67;
=3,58;
=3,68;
=3,54.
Определим диметры начальных окружностей шестерней 1 и 3 из двух
условий:
а) контактной выносливости
; где для b=0 - Кd=770.
=30.66 (мм);
=33.80 (мм);
б) изгибной выносливости
; где для b=0 - Кm=14.
=39.7 (мм);
=42.77 (мм);
Условие изгибной выносливости более строго для 2 ступеней,
определим диаметры начальных окружностей исходя из него: dW1=39.7
мм; dW3=42.77 мм.
Найдем углы:
– делительные углы профиля в торцевом сечении
,
где a=25° - угол профиля исходного контура. Так как
b=0, то at=a=25°;
– углы зацепления в торцевом сечении

=0,03744;
=26°48'50''=26,817°;

=0,03580;
=26°26'20''=26,433°;
– угол зацепления в нормальном сечении
,
Так как b=0, то anw12=atw12=26,817°; anw34=atw34=26,433°;
– основной угол наклона зуба
,
Так как b=0, то bb=0.
Определим модули зацепления:
=1.56 (мм);
=1.95 (мм).
Из СЭВ 310-76 выберем стандартное значение модулей:12=1,5
мм; m34=2 мм.
Найдем межосевые расстояния и коэффициенты:
– делительные межосевые расстояния
=56,25 (мм);
=96 (мм);
– межосевые расстояния (начальные)
=57,12 (мм);
=97,16 (мм);
– коэффициенты воспринимаемого смещения
12= (aw12-а12)
/m12= (57,12-56,25) /1,5=0,581;34= (aw34-а34)
/m34= (97,16-96) /2=0,584;
– коэффициенты уравнительного смещения
Dy12= (Х2+Х1) - у12=
(0,3+0,3) - 0,581=0,018;
Dy34= (Х4+Х3) - у34=
(0,3+0,3) - 0,584=0,018.
Определим размеры зубчатых колес:
– делительные диаметры шестерней (d1, d3)
и колес (d2, d4)
1=Z1m=25×1,5=37,5 (мм); 2=Z2m=50×1,5=75 (мм);3=Z3m=24×2=48 (мм); d4=Z4m=72×2=144 (мм);
– основные
диаметры
b1=d1×cosat=37,5×cos25°=33,99 (мм); db2=d2×cosat=66×cos25°=67,97 (мм);b3=d3×cosat=48×cos25°=43,5 (мм); db4=d4×cosat=144×cos25°=130,51 (мм);
– начальные
диаметры
dW1=db1/cosatw12=33,99/cos26,817°=38,08 (мм); W2=db2/cosatw12=67,97/cos26,817°=76,16 (мм);W3=db3/cosatw34=43,5/cos26,433°=48,58 (мм); W4=db4/cosatw34=144/cos26,433°=145,75 (мм);
– диаметры
вершин зубьев:
a1=d1+2× (ha*+X1-Dy12) m12;
где ha*=1
- коэффициент высоты головки;
– диаметры
впадин зубьев:
f1=d1-2× (ha*+С*-X1)
m12;
где С*=0,
20328 - коэффициент радиального зазора;
f1=37,5-2× (1+0, 20328-0,3) ×1,5=34,79
(мм); f2=75-2× (1+0,
20328-0,3) ×1,5=72,29 (мм);f3=48-2× (1+0, 20328-0,3) ×2=44,39 (мм); f4=144-2× (1+0, 20328-0,3) ×2=140,39 (мм);
– ширину
зубчатого венца шестерней и колес соответствующих ступеней
W12=ybdd1=0,5×37,5»18 (мм);W34=ybdd3=0,5×48=24 (мм).
Найдем угол
профиля в точке на окружности вершин:
aа1=arccos (db1/da1)
=arccos (33,99/41,35) =34,72°;
aа2=arccos (db2/da2)
=arccos (67,97/78,85) =30,45°;
aа3=arccos (db3/da3)
=arccos (43,5/53,13) =35,03°;
aа4=arccos (db4/da4)
=arccos (130,51/149,13) =28,94°.
Определяем
коэффициенты перекрытия:
– коэффициент
торцевого перекрытия
;
=1,4;
=1,42;
– коэффициент осевого перекрытия равен нулю: т.к. b=0, то eb=0;
– суммарный коэффициент перекрытия
=1,4;
=1,42.
Определим окружную скорость:
=0,4486 (м/с);
=0,2862 (м/с).
5.
Проверочный расчет зубчатой передачи
Формулы для определения коэффициентов нагрузки на
контактную и изгибную выносливость имеют вид:
H=KHVKHbKHa;F=KFVKFbKFa,
где KHV и KFV - коэффициенты,
учитывающие внутреннюю динамическую нагрузку; КНb, KFb - коэффициенты,
учитывающие неравномерность распределения нагрузки по длине контактных линий; KHa, KFa - коэффициенты,
учитывающие распределение нагрузок между зубьями.
Найдем резонансную частоту вращения шестернией, мин-1:
=30695,3 мин-1;
=23698,3 мин-1
=0,007;
=0,005;
зона работы всей передачи - дорезонансная. Тогда:
;
,
где WHV и WFV - удельные окружные
динамические силы; FtH и FtF - окружные силы на
делительном цилиндре.
;
;
.
Здесь dH=0,1 и dF=0,11 -
коэффициенты, учитывающие влияние вида зубьев и модификации их профиля; q0=3,8
- коэффициент, учитывающий влияние разности шагов зацепления зубьев шестерни и
колеса.
Определим KHV и KFV:ступень:
=3028.84 (Н);
=0,911 (Н/мм);
=1,002 (Н/мм);
=1,005;
=1,006;
ступень
=4637.9 (Н);
=0,619 (Н/мм);
=0,681 (Н/мм);
=1,003;
=1,004.
Коэффициент КНb определяют по формуле:
КНb=1+
(
-1) КHW,
где
- коэффициент, учитывающий
неравномерность распределения нагрузки по длине контактной линии в начальный
период работы передачи, КHW - коэффициент, учитывающий приработку
зубьев.
.
Здесь аb=0,5 - коэффициент, учитывающий статистическое распределение
погрешностей и критерии допустимого повреждения активных поверхностей зубьев; Fb=9 - допуск на погрешность направления
зуба; С' - удельная нормальная жесткость пары зубьев, ищется по формуле:
С'12=16,444 (Н/мм×мкм);
С'34=16,9 (Н/мм×мкм); Ze=
- коэффициент, учитывающий суммарную
длину контактных линий:
e12=
=0,9309;e34=
=0,93.
=1.183;
=1.165.
Коэффициент приработки зубьев определяют по формуле:
,
где HV820 - значение твердости в единицах Виккерса, V - окружная
скорость.
=0,868;
=0.867;
КНb12=1+
(1,183-1) 0,868=1.159;
КНb34=1+
(1,165-1) 0,867=1.143.
Коэффициент КFb определяют по формуле
КFb=
, где
.
ступень
=1.165;
=0,8825;
КFb12=1,1650,8825=1.16.
ступень
=1.165;
=0,884;
КFb=1.1650,884=1,145.H12=1,005×1,159×1=1.165;F12=1,006×1,16×1=1.167;H34=1,003×1,143×1=1.147;F34=1,004×1,145×1=1.149.
Найдем коэффициенты ZV, ZX, Yd, YX:V12=0,925V120,05
- коэффициент, учитывающий окружную скорость;X1=ZX2=ZX3=ZX4=1
- коэффициент, учитывающий размер зубчатого колеса (для d<700 мм равен 1);d12=1,082-0,172×lgm12; - коэффициент чувствительности к концентрации
напряжений;X1=YX2=YX3=YX4=1 -
коэффициент, учитывающий размер зубчатого колеса (для d<400 мм равен
1).ступень
V12=0,925×0,44860,05=0,889;X1=ZX2=1;d12=1,082-0,172×lg1,5=1,052;X1=YX2=1;
ступень
V34=0,925×0,28620,05=0,869;
ZX3=ZX4=1;d34=1,082-0,172×lg2=1,03;X3=YX4=1.
Определим допускаемые напряжения sHP и sFP:
=1717.04 (МПа);
=1913.11 (МПа);
=1870.59 (МПа);
=1870.59 (МПа).
Из двух значений sHP1
и sHP2 примем минимальное - sHP12=1717.04
МПа.
Из двух значений sHP3
и sHP4 примем минимальное - sHP34=1870.59
МПа.
=641,2 (МПа);
=659,6 (МПа);
=646,1 (МПа);
=776 (МПа).
Для проверки зубьев на контактную выносливость необходимо, чтобы выполнялось условие: sH<sHP. Найдем sH -
контактное напряжение в полюсе зацепления:
,
где ZE=190 - коэффициент, учитывающий механические
свойства материалов сопряженных зубчатых колес;
=2, 195;
=2,213; -
коэффициенты, учитывающие форму сопряженных поверхностей зубьев в
полюсе зацепления.
=1078.9 (МПа) <
-
условие выполняется;
=961.8 (МПа) <
-
условие выполняется.
Для проверки зубьев на выносливость при изгибе необходимо, чтобы выполнялось условие:
0,9<sF/sFP<1,05.
Найдем для каждого колеса соотношения
:ступень
;
;
ступень
;
.
Расчет будем производить для тех колес, у которых это соотношение
меньше.
,
где Ye=Yb=1 - коэффициент, учитывающие влияние
перекрытия и наклона зубьев соответственно.
Должно выполняться условие 0,9<
<1,05
=588.6 (МПа);
- условие выполняется.
=408.42 (МПа);
=0.632 - условие не выполняется.
Так как условия не выполняется то, определим новое значение
коэффициента Кm для определения dw3:
Кm=10×
=10×
=12.614.
Пересчитаем заново все геометрические параметры II ступени,
результаты занесем в таблицу 2.
|
a   y34Dy34
|
|
|
|
|
|
|
|
|
42.78
|
25
|
26°26'20''
|
1.5
|
72
|
72.88
|
0.5842
|
0.0158
|
|
d3
|
d4
|
db3
|
db4
|
dW3
|
dW4
|
da3
|
da4
|
|
36
|
108
|
32.63
|
97.88
|
36.44
|
109.31
|
39.85
|
111.85
|
|
df3
|
df4
|
bW34
|
aа3
|
aа4
|
 
|
|
|
|
33.29
|
105.29
|
18
|
35.046°
|
28.944°
|
1.42
|
0.2146
|
736.9
|
Для проверки зубьев на контактную и изгибную
прочность при действии максимальной нагрузки необходимо, чтобы выполнялись условия:
;
,
где Т1max=2×T1=2×56.79=113.58
(Н×м) [Т3max=2×T3=2×111.31=222.62 (Н×м)] - максимальная нагрузка в цикле;
(
) =44×HRC=44×65=2860 (МПа) - допускаемое контактное
напряжение. Допускаемое напряжение при изгибе ищется по формуле:
,
где sFst=s°Fst×Ygst×Ydst - предельное напряжение
при изгибе зубьев максимальной нагрузкой.
s°Fst=2000
МПа - базовое значение напряжения зубьев при изгибе максимальной нагрузкой;gst=1,05
- коэффициент, учитывающий влияние шлифования переходной поверхности зуба;dst=1
- коэффициент, учитывающий влияние деформационного упрочнения переходной
поверхности зуба.
Найдем sFst:
sFst=2000×1,05×1=2100 (МПа).
=YZ×SY
- коэффициент запаса прочности.Z=0,8 - коэффициент, учитывающий
способ получения заготовки колеса;Y=1,75 - коэффициент, учитывающий
вероятность неразрушения.
Найдем
:
=0,8×1,75=1,4.X=1
- коэффициент, учитывающий размеры детали.
Определим
:
=1500 (МПа).
Проверим условия прочности:
=
- условие выполняется;
=
- условие выполняется;
- условие выполняется;
- условие выполняется.
6.
Расчет валов редуктора механизма подъемника
Определим окружные силы, действующие в зацеплениях:
=2982.7 (H);
=2923.1 (H);
=6109.2 (H).
Найдем радиальные силы, действующие в зацеплениях:
=1507.8 (H);
=1477.7 (H);
=3037 (H).
Проектировочный расчет вала 1:
Рассмотрим вал, на котором находится шестерня 1 (рис.7). У него
кольцевое сечение с внутренним и наружным диаметрами - dв и dн.
Отношение диаметров имеет вид: b=dв/dн=0,7.
Расстояние между опорами (радиальными подшипниками) L»30 мм. Так как радиальная сила Fr1
приложена в центре вала, то реакции в опорах равны между собой и определяются
из выражения:
=Fr1/2=1955,7/2=977,85 (H).
Определим диаметр вала при расчете только на кручение при
пониженных допустимых напряжениях:
,
где
=70 МПа - условное допустимое напряжение
при кручении;
=18 (мм). Примем диаметр d=20 мм.
Рис.7
Проверочный расчет вала 1:
Так как радиальная сила Fr1 приложена в центре вала, то
реакции в опорах равны между собой и определяются из выражения:
=Fr1/2=1507.8/2=753.9 (H).
Определим максимальный момент при изгибе:
Ми=R×L/2=753.9×30×10-3/2=11.31 (Нм).
Реакции от действия Ft1 определяют аналогично:
=Ft1/2=2982.7/2=1491.35 (H).
Максимальный момент при кручении:
Мкр=R×L/2=1491.35×30×10-3/2=22.37 (Нм);
Рис.8
Определим суммарный изгибающий момент:
МиS=
=
=25.07 (Нм);
Из условия прочности при изгибе:
,
где
=
- допустимое напряжение при изгибе (
=1200 МПа - предел текучести для стали
20Х2НЧА);
- момент сопротивления относительно
нейтральной оси.
=5,97×10-7
(м3).
=
=800 МПа;
- условие выполняется.
Найдем внутренний диаметр: dв=bdн=0,7×20=14 (мм).
Подберем опорные подшипники. Для этого определим число миллионов
оборотов подшипника L:
;
h=500
час. - ресурс подшипника; n1 - частота вращения гайки.
=6,75.
Определим динамическую грузоподъемность подшипника:
;
р - коэффициент зависящий от вида подшипников, для
шарикоподшипников р=3.
=1424.8 Н;
Радиальный шариковый подшипник № 1000904:
Внутренний диаметр - dп=20 мм;
Внешний диаметр - Dп=37 мм;
Ширина - Вп=9 мм;
Диаметр шариков - DW=5 мм;
Количество шариков - Z=10;
Масса подшипника - М=0,035 кг.
Проектировочный расчет вала 2:
Рассмотрим вал, на котором находятся колесо 2 и шестерня 1. У него
круговое сечение с диаметром d. Расстояние между опорами L=50 мм. Расстояние
между радиальными подшипниками на которые насажены колесо и шестерня l=25
мм (подшипники расположены симметрично относительно середины вала) (рис.9).
Рис.9
Подберем опорные подшипники. Для этого определим число миллионов
оборотов подшипника L:
;
h=500
час. - ресурс подшипника; n2 - частота вращения колеса 2 и шестерни
3.
=3,375.
Определим динамическую грузоподъемность шарикового подшипника под
колесом 2:
;
р - коэффициент зависящий от вида подшипников, для
шарикоподшипников р=3.
= 2659,86 Н;
Радиальный шариковый подшипник № 202:
Внутренний диаметр - dп=15 мм;
Внешний диаметр - Dп=35 мм;
Ширина - Вп=11 мм;
Диаметр шариков - DW=5,95 мм;
Количество шариков - Z=8;
Масса подшипника - М=0,045 кг.
Определим динамическую грузоподъемность шарикового подшипника под
шестерней 3:
;
= 5466,6 Н;
´ радиальных шариковых подшипника № 1000802:
Внутренний диаметр - dп=15 мм;
Внешний диаметр - Dп=24 мм;
Ширина - Вп=5 мм;
Диаметр шариков - DW=2.38 мм;
Количество шариков - Z=12;
Масса подшипника - М=0,008 кг.
Проверочный расчет вала 2:
Определим реакции в опорах: от действия радиальных сил
SМ (В) =0;r2×12,5-Fr3×37,5+RA×50=0;A=
(-Fr2×12,5+Fr3×37,5) /50= (-1477.7×12,5+3037×37,5) /50=1908.325 (Н);
SМ (А) =0;r3×12,5-Fr2×37,5+RВ×50=0;
Рис.10
RВ= (-Fr3×12,5+Fr2×37,5) /50= (-3037×12,5+1477,7×37,5) /50= =349.025 (Н);
Из условия прочности при изгибе:
,
где
=
- допустимое напряжение при изгибе (
=765 МПа - предел текучести для стали
30ХГСА);
=4,23×10-7 (м3) - момент сопротивления
относительно нейтральной оси. Найдем максимальный момент:
МиI=-RВ×12,5×103=-349.025×12,5×10-3=-4.36
(Нм);
МиIII=RА×12,5×103=1908.325×12,5×10-3=23.85
(Нм);
Ми max=МиIII=23.85 Нм.
Реакции от действия Ft2 и Ft3 определяют
аналогично:
SМ (В) =0;t2×12,5+Ft3×37,5-RA×50=0;A=
(Ft2×12,5+Ft3×37,5) /50= (2923.1×12,5+6109.2×37,5) /50=5312.675 (Н);
SМ (А) =0;t3×12,5+Ft2×37,5-RВ×50=0;В=
(Ft3×12,5+Ft2×37,5) /50= (6109.2×12,5+2923.1×37,5) /50=3719.625 (Н);
Определим максимальный момент при кручении:
МкрI=RВ×12,5×103=3719.625×12,5×10-3=46.5
(Нм);
МкрIII=RА×12,5×103=5312.675×12,5×10-3=66.4
(Нм);
Ми max=МиIII=66.4 Нм.
определим момент сопротивления:
Из условия прочности
=
=510 МПа;
МиS=
=
=70.55 (Нм);
- условие выполняется.
7.
Расчет шлицевых соединений
В данном
механизме имеется два шлицевых соединения: вал-шестерня 1 (I ступень)
соединяется с валом электродвигателя; зубчатое колесо 4 (II ступень)
соединяется с гайкой. Примем Наружные диаметры первого соединения - DI=13
мм, второго соединения - DII=75 мм. Размеры зубьев эвольвентных
шлицевых соединений выберем из таблиц [1]:соединениеI=13 мм -
наружный диаметр;I=1 мм - модуль;I=12 - число зубьев;mI=mIZI=1×12=12 мм - диаметр делительной окружности;
lI=32 мм - суммарная ширина зубчатого венца;I=1 мм -
высота поверхности контакта зубьев.соединениеII=75 мм - наружный
диаметр;II=2 мм - модуль;II=36 - число зубьев;mII=mIIZII=2×36=72 мм - диаметр делительной окружности;
lII=20 мм - суммарная ширина зубчатого венца;II=2
мм - высота поверхности контакта зубьев.
При расчете
шлицевых соединений на смятие должно выполняться условие:
,
где Асм=h×l - площадь
смятия;
- окружная сила на один зуб.
Из условия ограничения износа зубьев должно выполнятся
неравенство: sсм £ [sизн] ×Кр,
где sсм - действительные напряжения на смятие на
рабочих поверхностях зубьев; [sизн] - средние условные допустимые напряжения
износа; Кр= (108/N) 1/3 - коэффициент,
учитывающий число циклов нагружений зубьев соединения, то есть суммарное число
оборотов соединения N за срок эксплуатации.
Допустимые напряжения определяются по формуле:
,
где
- допустимое напряжение на смятие; [S]
=1,25 - коэффициент запаса прочности; sт - предел
текучести для данного материала.
Рассчитаем I соединение:
АсмI=hI×lI=1×32=32 (мм2);
=1023,1 (Н);
для данного материала (Сталь 30ХГСА) sт=765 МПа;
=612 (МПа);
-
условие смятия для I зацепления выполнено;
NI=60Lhn1=60×500×225=6750000;
КрI=
(108/NI) 1/3= (108/6750000) 1/3=2,456;
[sизн] =60 МПа; sсм £ 60×2,456=147,36
-
условие износа для I зацепления выполнено.
Рассчитаем II соединение:
АсмII=hII×lII=2×20=40 (мм2);
= 252,5 (Н);
для данного материала (Бронза БрОЦС6-6-3) sт=200 МПа;
=160 (МПа);
-
условие смятия для II зацепления выполнено;
II=60Lhnг=60×500×37,5=1125000;
КрII= (108/NII) 1/3=
(108/1125000) 1/3=4,46;
[sизн] =50 МПа;
sсм £ 50×4,46=233 -
условие износа для II зацепления выполнено.
8.
Расчет штифтов
В данном механизме присутствует группа штифтов служащих для
соединения гайки механизма с гильзой. Всего штифтов 8 длиной L=10 мм и
диаметром d=2 мм, толщина детали d=L/2=10/2=5 мм, материал
- сталь 30ХГСА. Будем считать, что нагрузка распределена равномерно, и, так как
конструкция спроектирована таким образом, что всю нагрузку воспринимает корпус
механизма, то пусть на все штифты действует 10% от расчетной нагрузки, тогда на
каждый штифт действует сила F=5000/8=625 H.
Проверим тело штифта на смятие:
,
где [sсм] =0,8×sт=0,8×765=612 (МПа) - допустимое напряжение на
смятие для материала сталь 30ХГСА.
- условие смятия выполняется.
Проверим штифт на срез:
;
где Sср - площадь среза; tср
- касательные напряжения в плоскости среза; [tср]
- допустимые касательные напряжения в плоскости среза.
[tср] =0,4sт; для
стали 30ХГСА sт=765 МПа; [tср]
=0,5×765=306 (МПа); Sср=pd2/4=p×22/4=3,14 (мм2);
- условие среза выполняется
Вывод
В результате выполнения курсового проекта был произведен
расчет подъемника стабилизатора самолета ТУ-154.
В процессе работы была более детально рассмотрена передача
винт-гайка с резьбой скольжения, общий вид которой изображен на рис.1, где
1-корпус подъемника; 2-карданный узел; 3-упор выпущенного положения;
4-шестерня; 5-колесо; 6-гайка подъемника; 7-винт подъемника; 8 - стержень;
9-вилка; 10-упор убранного положения; 11-винт, 12 - масленка.
Был установлен принцип действия механизма управления
самолетом: Винтовой подъемник стабилизатора преобразует вращательное движение
вала, электромеханизма управления стабилизатором и возвратно-поступательное
движение винта. Подъемник включает в себя основные узлы - зубчатый редуктор,
винтовую пару и узлы крепления. Двухступенчатый зубчатый редуктор смонтирован в
корпус 1 подъемника. Приводной вал редуктора одним концом связан с
электромеханизмом, а другим - с механизмом концевых выключателей,
предназначенных для автоматического выключения элетромеханизма в крайних
рабочих положениях стабилизатора. Колесо 5 соединено с гайкой подъемника 6.
Винтовая пара с самотормозящейся трапецеидальной резьбой
состоит из гайки 6, винта 7, внутри которого расположен стержень 8. Ход винта
ограничен упорами 3 и 10. Подъемник с помощью карданных узлов 2 присоединяют к
узлам крепления на киле и стабилизаторе. Выходной вал электромеханизма через
редуктор вращает гайку, базирующуюся на радиальных и упорных шарикоподшипниках.
При этом винт, соединенный с кронштейном стабилизатора, перемещается влево и
отклоняет стабилизатор. Последний фиксируется самотормозящейся винтовой парой и
тормозными муфтами электромеханизма. Для повышения надежности системы винт
подъемника внутри дублирован стержнем, а электромеханизм имеет два
электродвигателя, связанных между собой через суммирующий дифференциал и
имеющих питание от различных электрических цепей.
В результате работы было приобретено много новых навыков по
расчету и конструированию данных механизмов управления.
Список
использованной литературы
1. Полетучий
А.И. Инженерные расчеты и основы конструирования деталей и механизмов летательных
аппаратов. - Харьков. ХАИ." Антиква". 2002.
2. Полетучий
А.И. Конструирование передач винт-гайка авиационных и робототехнических
механизмов: Учебное пособие. - Харьков ХАИ. 1993.
. Решетов
Д.Н. Детали машин. - Москва. "Машиностроение". 1989.
. Анурьев
В.И. Справочник конструктора - машиностроителя. Т-2. - Москва
"Машиностроение". 1980.