Микропроцессорная система управления скоростью вращения двигателя постоянного тока

  • Вид работы:
    Дипломная (ВКР)
  • Предмет:
    Информатика, ВТ, телекоммуникации
  • Язык:
    Русский
    ,
    Формат файла:
    MS Word
    162,26 kb
  • Опубликовано:
    2011-09-23
Вы можете узнать стоимость помощи в написании студенческой работы.
Помощь в написании работы, которую точно примут!

Микропроцессорная система управления скоростью вращения двигателя постоянного тока

Введение


Одной из характерных особенностей нынешнего этапа научно-технического прогресса является все большее применение микроэлектроники. Особое внимание в настоящее время уделяется внедрению микропроцессоров, обеспечивающих решение задач автоматизации контроля и управления. Адаптация микропроцессоров к особенностям конкретной задачи осуществляется в основном путем разработки соответствующего программного обеспечения, заносимого потом во внешнюю или внутреннюю память микроконтроллера.

На базе микропроцессоров, микропроцессорных комплектов и микро ЭВМ созданы различные информационно-измерительные системы, диагностические системы, системы контроля и автоматики, автоматизированные системы управления машинами, аппаратами, процессами и так далее. Практика разработки и эксплуатации этих систем показала их высокую эффективность, проявляющуюся в повышении производительности оборудования и аппаратов, в повышении надежности технологических объектов, в снижении потребления энергии и материальных средств.

Использование в системах управления и контроля микропроцессоров и микроЭВМ дает возможность выйти на качественно новый этап, так как позволяет автоматизировать широкий класс процессов и объектов, ранее не пригодных для автоматизации.

1. Описание объекта проектирования

В данном курсовом проекте необходимо спроектировать микропроцессорную систему управления (МПУ) скоростью вращения двигателя постоянного тока (ДПТ). Система МПУ ДПТ должна выполнять следующие функции:

поддержание заданной скорости вращения двигателя;

индикацию текущей скорости двигателя.

Двигатель имеет следующие технические характеристики:

PНОМ, кВт

UНОМ, В

nНОМ, об/мин

NMAX, об/мин

ηНОМ, %

Сопротивление обмотки при 15°С, Ом

Индуктивность цепи якоря, мГн






якоря

Доб Полюсов

Возб.


1

200

3000

4000

71,5

0,6

0,35

365

12



2. Разработка структурной функциональной схемы устройства


Для осуществления МПУ ДПТ потребуются следующие устройства:

однокристальная микроЭВМ;

датчик скорости (на эффекте Холла);

жидкокристаллический индикатор (ЖКИ);

клавиатура;

драйвер управления IGBT транзистором.

МикроЭВМ (микроконтроллер) обеспечивает управление всей схемой и соответственно позволяет выполнять все заданные функции, т.о. микроконтроллер является основой всего устройства. Датчик скорости служит для определения скорости вращения вала двигателя путём измерения времени между двумя цифровыми сигналами, поступившими с него. ЖКИ и клавиатура позволяют выводить и задавать скорость вращения двигателя, а драйвер управления IGBT транзистором и сам IGBT транзистор делают возможным регулирование скорости ДПТ путём широтно - импульсной модуляции (ШИМ).

В основу структурной функциональной схемы МПУ (рисунок 2.1) был положен аппаратно-программный метод реализации алгоритма, предполагающий разработку как программных, так и аппаратных средств. Сюда относятся построения устройств управления с программной логикой на основе микропроцессора. Этот вариант охватывает широкие возможности для применения больших интегральных микросхем (БИС) в аппаратуре устройств защиты и позволяет в наибольшей степени согласовать разрабатываемые аппаратно-программные устройства с особенностями решаемых задач.

Рисунок 2.1 Структурная функциональная схема устройства

МК - микроконтроллер

ДС - датчик скорости

ДПТ - двигатель постоянного тока

ЖКИ - жидкокристаллический индикатор

3. Разработка аппаратного обеспечения

 

.1 Выбор микроконтролера


В качестве центрального узла могут быть применены различные микропроцессоры и микроконтроллеры, например, микропроцессоры I8086, PIC - контроллеры, семейство MCS - 51. В случае использования микропроцессора потребуется подключение большого числа БИС обрамления. Поэтому рациональнее применить микроконтроллер, имеющий интеграцию всех необходимых для работы центрального микропроцессора узлов в одном кристалле.

В данном устройстве в качестве управляющего органа будет использована однокристальная микроЭВМ 80С552 фирмы Philips®. Этот кристалл содержит ядро и систему известного микроконтроллера 8051 фирмы INTEL®, но значительно превосходит его набором встроенных аппаратных средств и гибкостью их применения. Из аппаратных средств можно отметить наличие встроенных аналого-цифрового преобразователя (АЦП) и аналогового коммутатора. Следует также отметить, что данный микроконтроллер требует наличие внешнего ПЗУ. Кристалл 80C552 имеет следующие возможности:

.        систему команд и архитектуру 8051. При использовании внешнего быстродействующего ПЗУ позволяет применять кварцы до 30 МГц. Нижний порог частоты возбуждения 1,2 МГц;

.        внутреннее ОЗУ - 256 байт, не считая управляющих SFR регистров;

.        адресует по шине до 64 кбайт внешнего ПЗУ и столько же дополнительной внешней памяти данных;

.        два 16 битных таймера Т0 и Т1 стандартной архитектуры от 8051;

.        дополнительный (плюс к двум стандартным) 16 - битный таймер Т2, сопряженный с 4 встроенными схемами чтения на «лету» и с 3 регистрами сравнения «на лету». Узел защелкивания позволяет аппаратно измерять интервалы на 4 диаграммах дискретных сигналов одновременно. Узел сравнения позволяет аппаратно генерировать одновременно до 8 диаграмм дискретных сигналов;

.        10-битный АЦП с 8-ми канальным мультиплексором и схемой выборки-хранения при входе. Время преобразования 37,5 мкс при частоте кварца 16 Мгц. Опорное напряжение задается внешним источником. Аналоговые схемы имеют изолированные от цифровых цепей входы питания плюс Avdd и аналоговый общий Avss. Это позволяет значительно уменьшить шумы. Общий Avss должен подсоединяться внешними цепями к цифровому общему Vss в оптимальной для конкретной схеме точке (уменьшение импульсных шумов из-за бросков тока). Положительное питание Avdd не должно превышать уровень питания цифровых цепей кристалла более чем на 0,7 В. Его следует фильтровать от импульсных помех. На рис. 3.1.1 приведена схема подключения некоторого источника сигнала Vin к одному из 8-ми входов аналогового мультиплексора ADCx.

микроконтроллер память программа стабилизатор

Рисунок 3.1.1. Схема питания встроенного АЦП

Здесь реализована простая RC-фильтрация питания аналоговых цепей кристалла и опорных напряжений. Предусмотрена защита с помощью диодов входа 80С552 от электрического пробоя при случайном выбросе напряжения на входе Vin. Наилучший динамический диапазон АЦП дают значения опорных напряжений дают значения опорных напряжений равные + AVref = AVdd и - AVref = AVss. При этом опорные напряжения не должны выходить за указанные пределы более чем на 0,2 В.

.        два независимых 8 - битовых ШИМ генератора с программно регулируемым периодом следования (могут использоваться как выходы ЦАП);

.        пять стандартных портов ввода-вывода. Из них два использованы как микропроцессорная шина, а остальные имеют альтернативные функции;

.        сторожевой таймер T3.

Условное обозначение 80С552 показано на рисунке 3.1.2.

Рисунок 3.1.2 Условное обозначение 80С552

В таблице 3.1. приведены обозначения и назначение выводов кристалла 80С552.

Таблица 3.1. Назначение и номера выводов 80С552

Обозначение

Ножка

Назначение выводов и альтернативные функции

VDD

2

Питание +5 В цифровых схем кристалла

STADC

3

Внешний пуск АЦП. Пуск может быть и по программе. Не оставлять этот вывод висящим в воздухе.

/PWM0

4

Инверсный Выход ШИМ генератора 0

/PWM1

5

Инверсный Выход ШИМ генератора 1

/EW

6

Инверсный Вход разрешения встроенному сторожевому таймеру Т3. Не оставлять этот вывод висящим в воздухе.

P0.0 - P0.7

57…50

Порт0. Двунаправленная мультиплексированная шина данных и младших адресов А0 - А7.

Р1.0 - Р1.7

16…23

Порт1. Двунаправленный порт. Имеет следующие альтернативные функции:

CT0I - CT3I

16…19

Входы для четырех схем захвата таймера Т2.

T2

20

Вход внешних импульсов для таймера Т2 (могут быть внутренние)

RT2

21

Вход внешнего сброса для таймера Т2

SCL

22

Линия синхронизации последовательной шины I2C SCL

SDA

23

Линия данных последовательной шины I2C SDA

Р2.0 - Р2.7

39…46

Порт2. Выход старшей половины адреса А8 - А15

Р3.0 - Р3.7

24…31

Порт3. Двунаправленный порт. Имеет следующие альтернативные функции:

RxD

24

Вход UART

TxD

25

Выход UART

/INT0

26

Инверсный вход внешнего сигнала прерывания 0

/INT1

27

Инверсный вход внешнего сигнала прерывания 1

T0

28

Вход внешних импульсов для таймера_0 (могут быть внутренние)

T1

29

Вход внешних импульсов для таймера_1 (могут быть внутренние)

/WR

30

Инверсный Выход строба записи во внешнюю память данных

/RD

31

Инверсный Выход строба чтения из внешней памяти данных

Р4.0 - Р4.7

7…14

Порт4. Двунаправленный порт. Имеет следующие альтернативные функции:

CMRS0 - CMRS5

7…12

Выходы с установкой или сбросом при достижении таймером Т2 заданного значения

CMТ0 - CMТ5

13, 14

Выходы с изменением на противоположный логического уровня при достижении таймером Т2 заданного значения

Р5.0 - Р5.7

68… 62, 1

Порт5. Двунаправленный порт. Имеет альтернативные функции в виде аналоговых каналов мультиплексора ADC0 - ADC7 АЦП

RST

15

Вход для сигнала сброса процессора. Когда срабатывает сторожевой таймер Т3, то RST генерится на этой ножке изнутри

XTAL1

35

Подключение кварца. Также вход от внешнего источника возбуждения кристалла

XTAL2

34

Подключение кварца. Когда используется внешнее возбуждение через ввод XTAL1, оставить этот вывод висящим в воздухе.

VSS

36,37

Две ножки общего вывода. Использовать обе.

/PSEN

47

Инверсный выход строба чтения из внешней памяти программ

ALE

48

Выход строба для защелкивания младшей половины адреса

/EA

49

Инверсный Вход для указания, что процессор должен использовать внешнюю память программ. Не оставлять висящим в воздухе.

-AVref

58

Подвод нижнего уровня опорного напряжения, но не ниже АVSS. Соответствует результату АЦП = 0.

+Avref

59

Подвод верхнего уровня опорного напряжения. но не выше АVDD. Соответствует результату АЦП = 3FFН

AVSS

60

Общий вывод аналоговых цепей кристалла

AVDD

61

Плюс питания аналоговых цепей кристалла

 

.2 Выбор внешней памяти программ


Микроконтроллер 80С552 не имеет внутренней памяти программ, поэтому для реализации микропроцессорной системы необходимо использовать внешнюю память программ.

Для хранения программы будем использовать ПЗУ типа 27C64. Это перепрограммируемое ПЗУ. Информация стирается с помощью ультрафиолетового облучения кристалла. Основные параметры 27C64 приведены в таблице 3.2.

Таблица 3.2.1. Основные параметры К573РФ5

Ёмкость, байт

Организация

1024´8

Время выборки, нс

0.45

Удельная мощность потребления мВт/бит

0.1

Время хранения информации, час

15000


Рисунок 3.2. Расположение и назначение выводов ПЗУ

Таблица 3.2.2. Назначение выводов ПЗУ

Вывод

Назначение

A0-A12

Address Inputs

CE

Chip Enable

OE

Output Enable

PGM

Program Enable

VPP

Programming Voltage

O0 - O7

Data Output

VCC

+5V Power Supply

VSS

Ground

NC

No Connection; No Internal Connections

NU

Not Used; No External Connection Is


3.3 Выбор устройства индикации


Принимаем в качестве устройства индикации двухстрочный ЖКИ HDD44780.

В таблице 3.3.1 приведены команды ЖКИ.

Таблица 3.3.1. Команды ЖКИ

Команда

Код

Время выполнения


RS

R/W

DB7

DB6

DB5

DB4

DB3

DB2

DB1

DB0


Очистка дисплея

0

0

0

0

0

0

0

0

0

1

1,64 мкс

Курсор домой

0

0

0

0

0

0

0

0

1

*

1,64 мкс

Включение изображения

0

0

0

0

0

0

1

D

C

B

40 мс

Сдвиг

0

0

0

0

0

1

S/C

R/L

*

*

40 мс

Запись данных

1

0

WRITE DATA

40 мс


/D=1-инкремент адреса при вводе символа (0-декремент)

S=1-сдвиг всего изображения при вводе символа

S/C=1/0-изображение сдвигается/нет      R/L=1/0-сдвиг вправо / влево

D=1-включение дисплея                           C=1-включение курсора

B=1-мерцание символа, под которым курсор

Рисунок 3.3 двухстрочный ЖКИ HDD44780.

DB0-DB7 - входы данных;

R/W - чтение / запись;

V0 - яркость;

E - разрешение;

RS - данные / команды.

3.4 Выбор датчика скорости


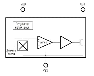
В качестве датчика для измерения скорости вращения вала ДВС выбираем датчик на основе эффекта Холла GT101DC фирмы Honeywell. Внешний вид GT101DC изображен на рисунке 3.4.1, а функциональная схема изображена на рисунке 3.4.2

Рисунок 3.4.1. Внешний вид GT101DC

Рисунок 3.4.2. Функциональная схема GT101DC

Назначение внешних выводов GT101DC представлено в таблице 3.4.1.

Таблица 3.4.1. Назначение внешних выводов GT101DC

Вывод

Обозначение

Назначение вывода

1

VDD

Напряжение питания (+5В)

3

OUT

Выходной сигнал

2

VSS

Общий вывод

101DC имеет следующие технические характеристики:

Тип выходного сигнала:

пороговый

Тип чувствительного элемента:

элемент Холла

Наличие встроенного магнита:

есть

Тип чувствительности к полю:

встроенный магнит

Индукция включения при 25оС, Гаусс:

-

Индукция выключения при 25оС, Гаусс:

-

Максимальная чувствительность, мВ / Гаусс:

-

Макс рабочая частота, кГц:

100

Время нарастания сигнала, мкс:

15

Мин напряжение питания, В:

4.5

Макс напряжение питания, В:

24

Макс выходной ток, мА:

20

Температурный диапазон, гр. С:

-40…150

Корпус:

1GT1

Производитель:

Honeywell Inc.


Принцип действия датчика заключается в наведении разности потенциалов на границах полупроводниковой пластины с током, во внешнем магнитном поле. Усиленная датчиком разность потенциалов прямо пропорциональна напряжённости магнитного поля в области его установки. Таким образом, при размещении датчика вблизи вращающейся детали на выходе будет генерироваться цифровой сигнал.

 


3.5 Выбор IGBT транзистора и драйвера IGBT


Для обеспечения ШИМ выбираем IGBT транзистор SKM75GB063D фирмы Semicon. Данный IGBT имеет следующие отличительные особенности:

N-канальная гомогенная кремниевая структура (NPT IGBT, непробиваемый биполярный транзистор с изолированным затвором)

Малый хвостовой ток с малой температурной зависимостью

Высокая стойкость к короткому замыканию, самоограничение при закорачивании затвора с эмиттером

Положительный температурный коэффициент VCEsat (напряжение коллектор-эмиттер в насыщении)

Очень малые емкости Cies, Coes, Cres

Быстродействующие диоды, выполненные по запатентованной технологии CAL (управляемый осевой ресурс), с плавным восстановлением

Изолированная медная базовая пластина, выполненная с использованием технологии DBC (непосредственное медное соединение) без жесткой формовки

Большой зазор (10 мм) и путь утечки (20 мм)

В таблице 3.5.1 указаны рабочие характеристики IGBT транзистора

Таблица 3.5.1. Рабочие характеристики SKM75GB063D

Обозначение

Наименование

Условия снятия характеристики

мин.

ном.

макс.

Единица измерения

IGBT-транзистор

VGE(th)

пороговое напряжение затвор-эмиттер

VGE = VCE, IC = 1 мА

4,5

5,5

6,5

В

ICES

коллекторно-эмиттерный ток отсечки при соединении затвора с эмиттером

VGE = 0, VCE = VCES, Tj = 25 (125) °C


0,1

0,3

мА

VCE(TO)

постоянное пороговое напряжение коллектор-эмиттер

Tj = 25 (125) °C


1,05 (1)


В

 

rCE

дифференциальное сопротивление открытого канала

VGE = 15 V, Tj = 25 (125) °C


14 (18,7)


мОм

 

VCE(sat)

напряжение коллектор-эмиттер насыщения

ICnom = 75 A, VGE = 15В, на уровне кристалла


2,1 (2,4)

2,5 (2,8)

В

 

Cies

входная емкость

при следующих условиях: VGE = 0, VCE = 25 В, f = 1 МГц


4,2


нФ

 

Coes

выходная емкость



0,5


нФ

 

Cres

обратная переходная емкость



0,3


нФ

 

LCE

паразитная индуктивность коллектора-эмиттера



30


нГн

 

RCC'+EE'

суммарное переходное сопротивление выводов коллектора и эмиттера

температура выводов полупроводника Tc = 25 (125) °C


0,75 (1)


мОм

 

td(on)

длительность задержки включения

VCC = 300 В, ICnom = 75 A


60


нс

 

tr

время нарастания

RGon = RGoff = 15 Ом, Tj = 125 °C


50


нс

 

td(off)

длительность задержки выключения

VGE = ± 15В


350


нс

 

tf

время спада



35


нс

 

Eon (Eoff)

рассеиваемая энергия в процессе включения (выключения)



3 (2,5)


мДж


Для управления SKM75GB063D с помощью микроконтроллера выбираем драйвер фирмы International Rectifier IR2118, которая выпускает широкую гамму микросхем драйверов для управления затворами IGBT и полевых транзисторов. Все драйверы выпускаются в DIP и SMD исполнении с возможностью управления затворами приборов, работающих под напряжением до1200 В при макс. выходном напряжении на затворе до 20 В. Выпускаемые драйверы предназначены для управления затворами верхних, нижних, полумостовых, верхних и нижних, раздельных трехфазных мостовых и трехфазных схем включения.

Рисунок 3.5 Схема подключения драйвера IGBT IR2118

Данный драйвер имеет следующие технические характеристики:

Функциональность:

Верхн и нижн плеча прям

Напряжение высоковольтной части:

600

Напряжение логической части:

10…25

Макс. вытекающий ток в/в части:

130

Макс. втекающий ток в/в части:

270

Макс. выходное напряжение:

20

Диапазон рабочих температур:

-40…125

Корпус:

PDIP8

Входная логика:

TTL/CMOS

Дополнительные особенности:

Задержка 50 нс

Производитель:

International Rectifier

 


3.6 Выбор стабилизатора напряжения


Для питания микроконтроллера и остальных элементов схемы используем стабилизатор фиксированного положительного напряжения 5 вольт типа КР142ЕН5А. Выполнен в корпусе ТО - 220. Внешний вид и типовое включение КР142ЕН5А изображены на рисунке 3.5.

 

а)                                   б)

Внешний вид (а) и типовое включение (б) КР142ЕН5А

На рисунке 3.5. обозначены:

- вход;

- общий;

- выход.

Несмотря на то, что основное назначение этого прибора - источник фиксированного напряжения, он может быть использован и как источник с регулированием напряжения и тока путем добавления в схемы его применения внешних компонентов. Внешние компоненты могут быть использованы для успокоения переходных процессов. Входной конденсатор необходим только в том случае, если регулятор находится далеко от фильтрующего конденсатора источника питания.

Основные параметры стабилизатора фиксированного напряжения 5 вольт типа КР142ЕН5А приведены ниже:

-   выходное номинальное напряжение - 5В;

-        выходное минимальное напряжение - 4,9В;

-        выходное максимальное напряжение - 5,1В;

-        входное максимальное напряжение - 15В;

-   коэффициент нестабильности напряжения, максимальный - 0,05%/B;

-   коэффициент нестабильности тока, максимальный - 1,33%/A;

-        выходное сопротивление - 17мОм;

-        ток КЗ - 750мА;

-        максимальный выходной ток - 1,5А;

-        рабочий диапазон температур кристалла -45… +125 °С.

4. Разработка программного обеспечения

 

.1 Алгоритм работы устройства

 

Для реализации функции построенной принципиальной схемы необходим алгоритм, с помощью которого будут реализованы эти функции. На основе этого алгоритма будет написана программа для микроконтроллера. Первоначально вводим с клавиатуры заданную скорость вращения двигателя (от 2000 до 3000 об/мин), далее нажимаем кнопку пуск и начинается процесс запуска двигателя (задаётся предварительная скважность импульсов для разгона). Сигнал с датчика скорости поступает на вход внешнего прерывания INT1 микропроцессора. С помощью встроенного таймера-счетчика происходит определение скорости вращения вала ДПТ. Это значение сравнивается с заданным и если оно больше, то скважность импульсов увеличивается и наоборот если меньше. Далее данное значение выводится на вторую строку ЖКИ. Определение и вывод скорости вращения происходит каждый раз по приходу сигнала с датчика скорости, т.е. на каждом обороте.

 

 


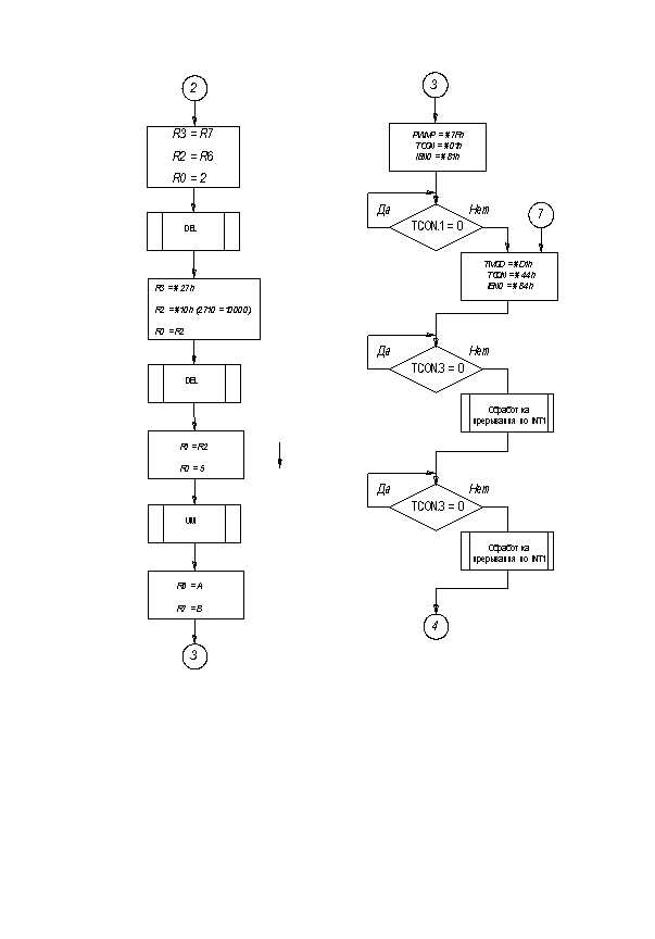
4.2 Блок-схема алгоритма программы



Подпрограмма DEL


Подпрограмма UM



Подпрограмма SUM


Подпрограмма VICH


Подпрограмма обработки прерывания по INT1

 


4.3 Текст программы на языке ASSEMBLER


$nolist

$include (org.prc)

$include (pic_io.mac)

$include (lcd_io.mac)

$include (kbrd_io.mac)

$include (552asm.inc)

$listSTART; переход на основную программу8003h; подпрограмма обработки прерывания по INT0; выход из подпрограммы обработки прерывания по INT08013h; подпрограмма обработки прерывания по INT1A, TL1PSW.0, M11; переход если поступило прерывание останавливающее таймерTCON.4M12:   CLR TCON.4; остановка таймераIEN0,#00h; блокировка прерыванийTL1,#00h; обнуление счётчика импульсов:         RETI; выход из подпрограммы обработки прерывания по INT1:         CALL I2cinit; проверка связи с сопроцессором

%PicGet (PIC_flg)PROG:       %SEND_STR_LCD(ERR1)START: CLR CY; обнулить бит переносаLCDinit; инициализировать ЖКИACC, (Scan_8_lines+INTenable+AutoRepeat_en+Beep_enable); (8 линий + прерывание по INT0)initKBRD; инициализировать клавиатуру:         %SEND_CMD_LCD(01h); очистить экран

CALL D; подпрограмма временной задержки

%PICGET (PIC_flg); проверка состояния сопроцессораACC.KBRDRQU, NEW; переход если клавиша не нажата

%PICGET (KBRD_STS); чтение кода нажатой клавиши

%KBRD_COD; преобразование в коды ЖКИLCDD; вывод на экран заданного числа тысяч об/минA, R0; преобразование кода нажатой клавиши в число об/мин

SUBB A,#30hR0, A

MOV R1,#64hUMR6, A; запись числа оборотов в регистры R6 и R7R7, B; в регистре R7 - старшие разряды, а в R6 - младшие

M1:    %PICGET (PIC_flg)ACC.KBRDRQU, M1

%PICGET (KBRD_STS)

%KBRD_CODLCDD; вывод на экран заданного числа сотен об/минA, R0; преобразование кода нажатой клавиши в число об/мин

SUBB A,#30hR0, AR1,#0AhUMR0, A

MOV R1, R6SUM; операция сложения тысяч и сотен об/мин в регистах R6 и R7

M2:    %PICGET (PIC_flg)ACC.KBRDRQU, M2

%PICGET (KBRD_STS)

%KBRD_CODLCDD; вывод на экран заданного числа десятков об/мин

MOV A, R0A,#30h

ADD A, R6; получение окончательногоR6, A; числа об/мин в регистрах R6 и R7R0,#00hLCDD; добавка нуля к полученному результату:         MOV R3, R7; определение времени которое должно быть получено на счётчикеR2, R6; между двумя импульсами от датчика скоростиR0,#02hDEL; деление скорости на 2 (N/2)

MOV R0, R2R3,#27hR2,#10hDEL; 10000/(N/2)R1, R2R0,#05hUM; 10000*5/(N/2)

MOV R6, A; занесение в регистры R6 и R7 времениR7, B; скоторым будет сравниваться время полученное на счётчикеPWMP, 7Fh; задание начальной частоты повторения ШИМTCON,#01h; установка прерывания INT0 по уровню (переход из 1 в 0)IEN0,#81h; снятие блокировки прерываний и разрешение прерывания по INT0: JNB TCON.1, M3; ожидание прерывания по INT0 (включение двигателя)TMOD,#D1h; Разрешение управлять счётчиком 1 от INT1 и выбор 1 - ого режима счётчика 1 и таймера 0TCON,#44h; запуск счётчика 1 и установка прерывания INT1 по уровню (переход из 1 в 0)IEN0,#84h; снятие блокировки прерываний и разрешение прерывания по INT1: JNB TCON.3, M4; ожидание прерывания по INT1 (с датчика скорости запускающего таймер):         JNB TCON.3, M5; ожидание прерывания по INT1 (с датчика скорости останавливающего таймер):  MOV A, TH0; операция сравнения заданного времени и времени с счётчика

MOV B, TL0CYA, R7UVELA, BA, R6

JC UVEL

JMP UMEN

UVEL:        MOV A, PWMP; операция увеличения скважности импульсов

CJNE A,#01h, M6PWMP M6

UMEN:       MOV A, PWMP; операция уменьшения скважности импульсов

CJNE A,#FFh, M6PWMP:      MOV R0,#02hR3, TH0R2, TL0DELR0, R2R3,#27hR2,#10hDEL R0, R2; преобразование времени счётчика в текущую скорость

MOV R1,#05h; двигателя и отображение её на ЖКИ

LCALL UMR4, AR5, BR0,#64h       MOV R3, R5R2, R4DELA, R2A,#30hR0,#C0h

LCALL LCDC; установка курсора в начало второй строки ЖКИR0, ALCDD; вывод количества тысяч об/мин

MOV R1, R2R0,#64hUMR3, R5R2, R4VICHB,#0AhA, R2ABR0, AA,#30h

MOV R0, ALCDD; вывод числа сотен об/мин

MOV A, BA,#30hR0, A

LCALL LCDD; вывод числа десятков об/минR0,#30hLCDD; добавка нуля к полученному результату

LJMP

:         MOV A, R0; операция умножения

MOV B, R1AB

SUM: MOV A, R0; операция сложения

ADD A, R1R0, AA, R2A, R2R1, AR7, R1R6, R0

RET: MOV A, R3; операция деления

MOV B, R0ABR3, AA, BB, R0R1,#08h:    CLR CA, R2AA, R2Adwb4R4,#FFhA, R4ABA, R2R2, AA, R4A, BB, R0:        CJNE A, B, dwb1:          JC dwb2A, BR2:   DJNZ R1, dwb3

RET: CLR C; операция вычитания

MOV A, R2A, R0R2, AA, R3A, R1R3, A

RET: %DELAY; временная задержка

Заключение

В данном курсовом проекте было разработано микропроцессорное устройство задания и поддержания, измерения и инициализации скорости вращения вала двигателя постоянного тока(ДПТ). Оно позволяет измерять и наблюдать за скоростью двигателя в реальном времени.

Применение микропроцессора позволяет добиться высокой надёжности и точности устройства.

Список использованной литературы

1.   Фрунзе А.В. Микроконтроллеры? Это же просто! Т.1. - М.: ООО «ИД СКИМЕН», 2009 - 336 с., ил.

2.       П. Хоровиц, У. Хилл. Искусство схемотехники. - 5-е издание, переработанное. - М.: «Мир», 1998.

.        Степаненко И.П. Основы микроэлектроники: Учеб. пособие для вузов. - 2-е издание, переработанное и дополненное. - М.: Лаборатория Базовых Знаний, 2008. - 488 с., ил.

.        У. Титце, К. Шенк. Полупроводниковая схемотехника. Пер. с нем. - М.: «Мир», 2008 - 512 с., ил.

.        Баюков А.Б. Полупроводниковые приборы: Справочник. - М.: Энергоатомиздат, 1987 г. - 744 с.

.        Каспер Эрни Программирование на языке ассемблера для микроконтроллеров семейства i8051: Москва 2004.

.        Интернет ресурсы www.analog.com

8.       Kohonen T. 1984. Self-organization and associative memory. Series in Information Sciences, vol. 8. Berlin: Springer Verlag

.        Hebb D. 1961. Organization of behavior. New York: Science Edition.

.        Rumelhart D.E., Hinton G.E., Williams R.J. 1986. Learning internal reprentations by error propagation. In Parallel distributed processing, vol. 1, pp. 318-62. Cambridge, MA: MIT Press.

.        Werbos P.J. 1974. Beyond regression: New tools for prediction and analysis in the behavioral sciences. Masters thesis, Harward University.

.        Wasserman P.D. 1988a. Combined backpropagation/Cauchy machine. Proceedings of the International Newral Network Society. New York: Pergamon Press

.        Rumelhart D.E., Hinton G.E., Williams R.J. 1986. Learning internal reprentations by error propagation. In Parallel distributed processing, vol. 1, pp. 318-62. Cambridge, MA: MIT Press.

.        Wasserman P.D. 1988b. Experiments in translating Chinese characters using backpropagation. Proceedings of the Thirty-Third IEEE Computer Society International Conference. Washington, D.C.: Computer Society Press of the IEEE.

.        Parker D.B. 1987. Second order back propagation: Implementing an optimal 0 (n) approximation to Newton's method as an artificial newral network. Manuscript submitted for publication.

.        Stornetta W.S., Huberman B.A. 1987. An improwed three-layer, backpropagation algorithm. In Proceedings of the IEEE First International Conference on Newral Networks, eds. M. Caudill and C. Butler. San Diego, CA: SOS Printing.

.        Pineda F.J. 1988. Generalization of backpropagation to recurrent and higher order networks. In Newral information processing systems, ed. Dana Z. Anderson, pp. 602-11. New York: American Institute of Phisycs.

.        Sejnowski T.J., Rosenberg C.R. 1987. Parallel networks that learn to pronounce English text. Complex Systems 1:145-68.

19.     Burr D.J. 1987. Experiments with a connecnionlist text reader. In Proceedings of the IEEE First International Conferense on Neural Networks, eds. M. Caudill and C. Butler, vol. 4, pp. 717-24. San Diego, CA: SOS Printing.

.        Cottrell G.W., Munro P., Zipser D. 1987. Image compression by backpropagation: An example of extensional programming. ICS Report 8702, University of California, San Diego.


Не нашли материал для своей работы?
Поможем написать уникальную работу
Без плагиата!
Без нейросетей!