Проект внедрения волоконно-оптической линии связи между УТС 'Югорскгазтелеком' и 5 городскими АТС
ВВЕДЕНИЕ
Последние десятилетия двадцатого века характеризовались бурным ростом
спроса на услуги связи и передачи информации. Согласно статистике объем
передаваемой в мире информации и оказываемых услуг связи увеличился, при этом
реальный спрос постоянно превышал прогнозируемый. Судя по всему, такая же
тенденция сохранится и на ближайшие годы. Очевидно, что сложившаяся ситуация
эффективно стимулировала и стимулирует исследования и разработки по
совершенствованию систем связи и телекоммуникаций, приводя к появлению новых,
более совершенных технологий. Одной из таких технологий, рожденных в конце
последнего столетия, явилась передача оптических сигналов по волокну или
волоконно-оптической связи.
В настоящее время волоконно-оптическая связь занимает значительную долю
рынка телекоммуникаций. При этом существует большой нереализованный потенциал в
части повышения скорости передачи информации по оптическим волокнам и снижения
стоимости услуг в расчете на бит передаваемой информации. На реализацию этого
потенциала направлены последние разработки сверхскоростных волоконно-оптических
линий связи и систем обмена информацией на их основе.
Практическая реализация сверхскоростных ВОЛС и систем на их основе
связана с решением целого ряда научных и инженерно-технических проблем.
Основным препятствием на пути реализации таких скоростных ВОЛС, помимо создания
волоконно-оптического кабеля (ВОК) с малым затуханием и разработки
быстродействующей оконечной аппаратуры, является дисперсия света в волокне -
зависимость скорости распространения света от длины волны. Вследствие этой
зависимости, а также конечной ширины линии регенерации источника излучения,
различные спектральные составляющие сигнала распространяются с различными
скоростями, что приводит к уширению световых импульсов на выходе; большая
дисперсия может вызвать перекрытие импульсов и, как следствие, ошибки в
передаче информации.
С ростом количества ВОЛС, увеличением скорости передачи информации по
ВОЛС и их протяженности на одно из первых мест выходит проблема надежности ВОЛС.
Решение этой проблемы напрямую связано с развитием существующих и разработкой
новых методов и устройств для измерения и контроля характеристик ВОЛС: полного
затухания в трактах с определением мест повышенных потерь; дисперсии; рабочего
состояния усилителей света и регенераторов сигналов; мультиплексоров и
демультиплексоров. Но несмотря на трудности, с которыми сталкиваются
разработчики передовых направлений в этой области, темпы совершенствования
волоконно-оптических средств связи все более наращиваются.
Россия, наряду с иностранными партнерами, старается не отставать от них в
развитии связи. Примером тому может служить компания «Ростелеком», которая
сдала в эксплуатацию последний участок магистральной ВОЛС «Москва - Хабаровск».
Тем самым она завершила создание цифровой транспортной телекоммуникационной
линии, связывающей регионы России и имеющей выход на крупнейших операторов
Европы и Азии. Магистраль общей протяженностью более 9400 километров проходит
по территориям 21 субъекта Российской Федерации.
Учитывая вышесказанное, становится очевидным тот факт, что
волоконно-оптические линии связи являются одним из наиболее перспективных
направлений в развитии электрической связи. На основании этого мною разработан
проект внедрения волоконно-оптической линии связи между УТС «Югорскгазтелеком»
и 5 городскими АТС.
1 ОБОСНОВАНИЕ НЕОБХОДИМОСТИ ВЫПОЛНЕНИЯ ПРОЕКТА
1.1 Характеристика существующей сети связи
УТС «Югорскгазтелеком» - структурное подразделение ОАО
«Газпромтрансгаз-Югорск». Его основная задача состоит в обеспечении услугами
технологической связи аппарата управления ОАО «Газпромтрансгаз-Югорск» и его
филиалов, расположенных на территориях Ямало-Ненецкого, Ханты-Мансийского
автономных округов и Свердловской области.
Изначально корпоративная телекоммуникационная сеть
«Газпромтрансгаз-Югорска» создавалась для обеспечения связью служб, занятых
транспортировкой голубого топлива. Надежная связь высочайшего качества не
только неотъемлемая составляющая технологических процессов, но и мощная
производительная сила: информатизация способствует скорейшему внедрению
новейших технологий в различные отрасли экономики. Кроме того, современные
телекоммуникационные услуги способны преобразить жизнь в поселке, городе,
районе, целом регионе страны.
Сегодня корпоративная сеть связи «Газпромтрансгаз-Югорска» превратилась в
сеть государственного масштаба. Ее избыточный ресурс реализуется в интересах
государственных органов, коммерческих структур, самыми современными видами
связи пользуются жители городов и поселков, расположенных на всем протяжении
газопроводов. Характерно, что во многих населенных пунктах Ямало-Ненецкого
округа «Газпромтрансгаз-Югорск» выступает в качестве единственного оператора
телекоммуникационных услуг.
Корпоративная сеть связи ООО «Газпромтрансгаз-Югорск» включает в себя
первичную и вторичную сети. Первичную сеть составляют цифровые радиорелейные
линии связи типа Alcatel, Quadralink, Globestar, Комплекс 5М-1 (общей
протяженностью около 4,5 тыс. км) и 85 обслуживаемых узлов связи. Протяженность
каналов связи на этих линиях превышает 2,2 млн. кан./км. Вторичная сеть состоит
из телефонной и сети транкинговой УКВ радиосвязи протокола МРТ 1327. Телефонная
сеть компании насчитывает 79 цифровых АТС «Harris 20-20» общей задействованной
емкостью более 32 тыс. портов.
В качестве магистральных линий связи Газпромтрансгаз-Югорск использует
радиорелейные и спутниковые каналы системы «Ямал-100» ОАО «Газком», что
обусловлено непростыми природно-климатическими и грунтовыми условиями, а также
сложным рельефом местности.
«Югорскгазтелеком» - крупнейшее в Югорском регионе управление связи. По
цифровым линиям связи люди с трассовых посёлков могут общаться. Они не
чувствуют себя оторванными от «большой земли», хотя добраться до них можно
порой только на вертолётах. Предоставляются каналы для передачи данных и услуги
сети Интернет.
Система Harris 20-20 (рисунок 1.1) представляет собой сетевую
учрежденческую телефонную станцию с исходящей и входящей связью, которая
обеспечивает различные функции при организации учрежденческой и транзитной сети
связи.
Наличие некоторых свойств системы зависит от конкретной версии
программного обеспечения, а также выбора приобретаемых факультативных
программных средств.
Рисунок 1.1 - АТС Harris
20-20 LH
Передача внешнего вызова на другой номер
Данная функция является частью свойства функциональной прозрачности, но
может также использоваться и в тех случаях, когда Harris 20-20 работает не в прозрачной сетевой системе. Когда
данная функция приводится в действие для станции или телеустановки, поступающие
на эту станцию/телеустановку вызовы будут переадресовываться на альтернативный
внешний пункт назначения до тех пор, пока данная функция не будет отменена.
Пользователь станции/телеустановки указывает пункт назначения для переадресации
новых вызовов каждый раз, когда функция передачи вызова приводится в действие
для данной станции или телеустановки. Как для внутренних, так и для внешних
вызывающих абонентов предусматриваются следующие варианты передачи вызова:
передавать все вызовы;
передавать вызовы, когда номер занят;
передавать вызовы, когда номер занят или не отвечает;
передавать вызовы, когда номер не отвечает.
Свойство прозрачности.
Прозрачная сетевая система Harris обеспечивает «прозрачную» связь
коммутационных платформ Harris 20-20 между собой и позволяет нескольким
установленным в одном месте или рассредоточенным устройствам Harris 20-20
функционировать в качестве единой и унифицированной коммутационной системы.
Программные средства прозрачной сетевой системы позволяют предоставлять в
прозрачном режиме целый комплекс различных услуг, в том числе каталог оператора
сети, индикацию на дисплее имени и номера вызывающего абонента, единообразную
схему присвоения номеров абонентам, а также такие функции учрежденческой телефонной
станции как задержка вызовов, передача внешних вызовов на другой номер и
обратный вызов по добавочному номеру.
Помощь в применении прозрачной сетевой системы или в организации
прозрачных систем можно получить у вашего местного торгового представителя.
Система целевой конференц-связи (MCS).
Система целевой конференц-связи обеспечивает выполнение функций, которые
позволяют участникам использовать широкий выбор вариантов организации
конференций.
Конференция-встреча позволяет многим абонентам, которые произвели
соответствующий вызов, активно участвовать в ней или только слышать что на ней
говорится. Система позволяет вести до 99 таких конференций. Пользователи
функции конференции-встречи могут подключиться к такой конференции, если
категория их обслуживания предусматривает доступ к ней и если схема набора
номера позволяет это сделать. При этом число добавочных аппаратов (пультов для
конференций, аналоговых абонентских станций и телеустановок Optic) или
магистралей, по которым можно слушать что происходит на конференции, не
ограничено. Активно участвовать в конференции могут, в зависимости от типа
телефонных аппаратов и трактов связи, до 150 абонентов одновременно.
Многоканальная конференц-связь позволяет одному абоненту одновременно
прослушивать (контролировать) несколько разговоров по своему усмотрению.
Абонент может прослушивать ход семи конференций или прослушивать шесть и
активно участвовать в седьмой. При этом активное соединение может быть
реализовано в виде двустороннего разговора, поступательной, встречной или
запланированной конференции. Все контролируемые вводы в многоканальную
конференцию должны проходить по каналам конференции-встречи. Многоканальные
конференции могут копироваться на телеустановки Optic или на пульты для
проведения конференций, что позволяет абонентам таких аппаратов контролировать
конференцию и/или активно участвовать в ней. На аналоговую абонентскую станцию
или магистраль копирование может производиться только при соединении для
активного участия или только для прослушивания.
Конференция в сети обеспечивает проведение многоканальных конференций в
режиме использования многих узлов сети.
Пульт для проведения конференций имеет жидкокристаллический дисплей на 40
алфавитно-цифровых символов, устройство передачи сообщений, микрофон, возможности
многоканальной линии или шлейфа и 19 функциональных клавиш. Интегрированная
клавиатура для конференц-связи представляет собой панель с 20 клавишами,
позволяющую осуществлять доступ к заранее заданным конференциям-встречам
нажатием одной клавиши. Одновременная передача речи и данных обеспечивается при
помощи встроенного гнезда интерфейса RS232.
Устройство для записи конференций позволяет непрерывно в течение 24 часов
записывать до 20 конференций-встреч одновременно.
Задающий интерфейс.
Задающий интерфейс (PRI) - это многоцелевой, высокоскоростной
коммутируемый цифровой интерфейс, основанный на спецификациях задающего
интерфейса.
Задающий интерфейс служит основой для реализации передовых возможностей
связи и позволяет вам использовать многочисленные прикладные программы,
разработанные в рамках стандартов на цифровые сети с комплексными услугами
(ISDN - Integrated Service Digital Network). Задающий интерфейс предоставляет
также много практических преимуществ по сравнению с системами T1 или аналоговых
магистралей, например:
ускоренная обработка вызова (более быстрое и надежное установление и
разъединение соединений и т.д.);
уолная ширина полосы пропускания 64 Кбит/с (против 56 Кбит/с для Т1);
программно управляемая сеть избегает методов обмена сигналами постоянного
тока и поэтому свободна от присущих таким сигналам недостатков;
цифровая система автоматического определения номера (АОН) (ANI -
Automatic Number Identification);
индивидуальный вызов услуг, предоставляемых компанией AT&T.
Устройства аварийной сигнализации.
Система аварийной сигнализации Harris 20-20 выдает сообщения двух видов:
данные программной диагностики и аварийные сигналы. Пользователь может включать
и отключать оба режима по своему усмотрению.
Данные программной диагностики представляют собой сообщения, в которых
указывается состояние программного обеспечения и которые предназначены для
того, чтобы способствовать осуществлению технической поддержки путем
диагностического выявления потенциальных проблем. По умолчанию режим
программной диагностики находится в выключенном состоянии.
Аварийные сигналы подразделяются на четыре категории: информационные
сигналы, сигналы о незначительных, серьезных и критических осложнениях.
Пользователь может включать и отключать каждую категорию по своему усмотрению.
По умолчанию режимы всех категорий находятся во включенном состоянии:
информационные сигналы. Информационные сигналы указывают на программные
события, имевшие место в ходе обработки вызова. При этом не подразумевается
какого-либо ухудшения качества функционирования системы Harris 20-20;
сигналы о незначительных осложнениях. Такие сигналы указывают на
проблемы, затрагивающие не более чем одно устройство телефонии (такое как
неподсоединение платы) или предупреждают о какой-либо потенциальной проблеме
(такой как заполнение жесткого системного диска на 80%);
сигналы о серьезных осложнениях. Такие сигналы указывают на наличие
проблем, вызывающих значительное ухудшение качества функционирования системы
Harris 20-20, или предупреждают о какой-либо серьезной потенциальной проблеме
(такой как заполнение жесткого системного диска на 100%);
сигналы о критических осложнениях. Такие сигналы указывают на отказ
системы, который уже имеет место или неизбежно произойдет. Сигналы о
критических осложнениях выдает автономная аппаратная схема.
Обмен сигналами по аналоговой линии.
Обмен сигналами по аналоговой линии позволяет генерировать цифровые
импульсы двухтональных многочастотных (DTMF) цифр по каналам блока аналоговой
линии. Следовательно, каналы блока аналоговой линии можно определить на этапе
конфигурации таким образом, что они будут функционировать в качестве
магистральных каналов связи с реальным дистанционным контролем ответа.
Каналы блока аналоговой линии могут принимать следующие протоколы обмена
сигналами:
сигнал начала входящего тонального сигнала готовности (при установлении
соединения либо в режиме DTMF либо в режиме импульсного набора номера);
сигнал начала исходящего ответа (при установлении соединения в режиме
DTMF).
Кроме того, конфигурацию каналов аналоговой линии можно задать таким
образом, чтобы обеспечить одностороннее разъединение линии - временную потерю
тока шлейфа (т.е. сигнал разъединения), когда участвующий в разговоре абонент
на дальнем конце линии кладет трубку. Данное свойство может быть особенно полезно
при таких практических применениях, когда линии используются для подсоединения
системы речевой почты.
Объединение линий в магистральную группу способствует повышению качества
передачи сигналов по аналоговым линиям. Это позволяет эксплуатировать аналоговые
линии в качестве магистральных каналов в магистральной группе. Магистральная
группа может использоваться, например, в групповом поиске, в статистической
отчетности, а также для подсоединения системы речевой почты к коммутатору
Harris 20-20.
.2 Обоснование необходимости строительства
В г. Югорске на участках между УТС «Югорскгазтелеком», пятью городскими
АТС и «Уралсвязьинформом» в эксплуатации используется медный кабель. В связи с
расширением сети связи ОАО «Газпромтрансгаз-Югорск» организация цифровых
потоков по существующему кабелю не устраивает УТС «Югорскгазтелеком».
Дополнительный медный кабель приведет к большим финансовым затратам:
необходимо будет установить по 15 модемов дополнительно на каждой АТС,
где цена одного модема 700$ ;
увеличение штата и обучение;
монтажные работы по прокладке кабеля.
А в настоящее время на городских телефонных сетях все чаще используются
волоконно-оптические линии. Традиционные технологии, основанные на применении
медного кабеля, имеют недостатки и существенно уступают по характеристикам
волоконной оптике. Например, медные кабели характеризуются ограниченной
скоростью передачи информации и подвержены влиянию внешних полей.
Возможности волоконно-оптических линий связи превосходят по своим
характеристикам аналоги, основанные на медном кабеле.
Полоса пропускания. Сегодня у оптоволоконных кабелей огромная полоса
пропускания со скоростями передачи до 40 Гбит/с. Факторами, ограничивающими
рост скоростей передачи, в настоящее время являются: во-первых, большое по
сравнению с периодами импульсов время ответа источников и детекторов для
высоких скоростей передачи данных; во-вторых, близость длины волны света к
периоду импульса, вызывающая проблемы дифференцирования в детекторах. Методы
мультиплексирования нескольких длин волн в одном волокне (называемые
спектральным уплотнением (WDM, wave division multiplexing) увеличивают общую
скорость передачи по одному волокну до нескольких Тбит/с. Следующее сравнение
позволит почувствовать, что это означает в терминах передачи информации: при
оптоволоконной связи на скорости примерно 1 Гбит/с можно одновременно
передавать" свыше 30000 сжатых телефонных разговоров. При связи на
скорости 30 Гбит/с можно одновременно передавать до 1 миллиона телефонных
разговоров по единственному стеклянному волокну!
Помехи. На оптоволоконные кабели совершенно не воздействуют
электромагнитные помехи (EMI), радиочастотные помехи (RFI), молнии и скачки
высокого напряжения. Они не страдают от проблем емкостных или индуктивных
сопряжений. При правильном проектировании на оптоволоконные кабели не должны
воздействовать электромагнитные импульсы от ядерных взрывов и фоновой радиации.
В дополнение к этому факту оптоволоконные кабели не создают никаких
электромагнитных или радиочастотных помех. Это свойство очень ценно для
производства вычислений, обработки видео и аудиоинформации, где все более
важным для возросшего качества воспроизведения и записи становится окружение с
низким шумом.
Электроизоляция. Оптоволоконные кабели обеспечивают полную гальваническую
развязку между обоими концами кабеля. Непроводимость волокон делает кабели
нечувствительными к скачкам напряжения. Это устраняет электромагнитные и
эфирные помехи, которые могут быть вызваны контурами заземления, синфазными
напряжениями, а также смещениями и короткими замыканиями потенциала земли.
Оптоволоконный кабель действует как длинный изолятор. Поскольку оптические
волокна не излучают волны и не подвержены помехам, еще одним их преимуществом
является отсутствие взаимного влияния кабелей (то есть воздействия излучения
одного кабеля связи на другой, проложенный рядом с ним).
Использование в огнеопасных газовых средах. Безопасность применения
оптического кабеля в зонах с горючими и легковоспламеняющимися средами из-за
отсутствия короткого замыкания и искрообразования.
Информационная безопасность. К оптоволоконному кабелю невозможно
подключиться и «подслушать» передачу данных. Чтобы получить данные, волокна
должны быть физически надрезаны, что приведет к уменьшению уровня сигнала и
увеличению количества ошибок; и то и другое можно легко обнаружить. При
доступных в настоящее время технологиях оптоволоконные системы считаются
высоко-безопасными системами.
При массовом производстве - невысокая стоимость вследствие значительной
экономии дорогостоящих и дефицитных цветных металлов.
Размер и вес. Малые габаритные размеры и масса оптического кабеля (в 10
раз меньше электрических кабелей) позволяют эффективнее использовать
дорогостоящую телефонную канализацию и значительно снизить затраты при
транспортировке и прокладке кабеля.
Волоконная оптика обещает стать неотъемлемой частью информационной
революции, равно как и частью всемирной кабельной сети.
2 ВЫБОР ТРАССЫ, ТЕХНОЛОГИИ И ОБОРУДОВАНИЯ
.1 Географическая карта города с расположением трассы ВОЛП
Рисунок 2.1 - Географическая карта города Югорска
Трасса ВОЛП (волоконно-оптической линии передач) проходит почти полностью
по существующей кабельной канализации и 1800 метров в грунте. Кабельная
канализация располагается вдоль дорог для более удобного доступа к кабелям
связи.
Характерной особенностью района является почти полное отсутствие крупных
озер. По поймам водотоков и обширных болот развита сеть мелких озер, большая
часть которых мелководна, находится в стадии заторфовывания и, частично, пересыхает
в сухое время года.
Рельеф поверхности планируемого района преимущественно равнинный,
полого-холмистый, местами, осложненный большими понижениями.
В пределах района, прилегающего к городу, широко развиты леса и болота, в
большинстве случаев приуроченные к долинам рек, а также к древним бессточным
котлованам.
Климат г. Югорска континентальный, характеризуется суровой и длинной
зимой и коротким, теплым летом.
В соответствии с климатическим районированием территории РФ для
строительства г. Югорск относится к 1 климатическому району, подрайону IД, который характеризуется суровой и
длительной зимой, коротким световым годом, большой продолжительностью
отопительного периода.
Краткая климатическая характеристика года приводится по материалам
многолетних наблюдений ближайшей метеостанции Хонкурт,
Среднегодовая температура воздуха составляет минус 2.4о.
Самым холодным месяцем является декабрь месяц с абсолютным минимумом
минус 53о. Самым теплым месяцем является июль с абсолютным максимумом 35о.
Расчетная температура (средняя наиболее холодной пятидневки) составляет минус
38о, Средняя температура Продолжительность отопительного периода составляет 225
дней.
Продолжительность вегетационного периода составляет 132 дня.
Продолжительность безморозного периода 79 дней. Продолжительность устойчивых
морозов 155 дней.
Весна короткая с резким подъемом температуры отличается малым количеством
осадков и низкой влажностью. Для весеннего периода характерно формирование
погоды с переходом температуры воздуха через 0о, повторяемость которой
составляет более 50%. Повторяемость безморозной погоды еще невелика.
Лето короткое, средняя температура июля 16.8о. Преобладающей является
погода солнечная, умеренно влажная (III класса) и днем облачная погода (IV класса). Жаркая и сухая погода отмечается редко.
Осень короткая с возвратами тепла в начале сезона и частичными
заморозками в сентябре. Осенью преобладает морозная погода.
Устойчивый снежный покров устанавливается 24 октября, сходит 22 апреля,
число дней со снежным покровом составляет 190. Средняя декадная высота снежного
покрова (открытое место) составляет 55 см.
Плотность снегового покрова (средняя при наибольшей декадной высоте)
составляет 0.20 г/см3. Снеговая нагрузка равна 150 кг/м2.
Глубина промерзания грунтов принимается для суглинистых и глинистых
грунтов 2.40 м, для супесей и мелкозернистых пылеватых песков 2.88 м.
.2 Выбор технологии
Так как
Югорск - молодой развивающийся город с населением не более 50 тысяч человек, то
применение методов плотного и сверхплотного уплотнения не требуется. В данном
проекте будет использована технология CWDM (Грубое спектральное мультиплексирование), так как она оптимально
подходит для поставленной цели как в денежном эквиваленте так и в качестве
передачи информации.
Технология
CWDM (рисунок 2.2). Весьма эффективным является метод уплотнения оптических
несущих - WDM (Wavelength Division Multiplexing). Суть данного метода
заключается в том, что ряд информационных потоков, переносимых каждый на своей
оптической несущей, с помощью специальных устройств - оптических
мультиплексоров - объединяется в один оптический сигнал, который вводится в
оптическое волокно. На приемной стороне производится обратная операция
демультиплексирования.
Преимущества технологии CWDM:
передача 16-ти независимых сервисов по двум парам ОВ;
низкая стоимость по сравнению с DWDM;
гибкость в реализации различных топологий;
передача данных на большие расстояния;
единая система управления всеми узлами CWDM сети.
Рисунок 2.2 - Пример системы CWDM
Что такое
CWDM? Грубое спектральное мультиплексирование - CWDM (Coarse Wavelength
Division Multiplexing) - является технологией передачи данных, позволяющей
одновременную передачу различных протоколов по одной паре оптических волокон.
CWDM базируется на использовании оптических каналов, отстоящих друг от друга на
расстоянии 20 нм. Эти оптические каналы, лежащие в диапазоне от 1310 до 1610
нм, специфицированы рекомендацией G-694.2 Международного телекоммуникационного
союза (ITU). При расширении диапазона вниз до 1270 нм число возможных каналов
передачи увеличивается до 18. Однако в этом случае возникают две проблемы.
Во-первых, на более коротких длинах волн потери на излучение почти вдвое
больше, а потому максимально допустимое расстояние передачи заметно сокращается;
во-вторых, приходится использовать специальные волокна.
Поэтому на практике число возможных каналов передачи не превосходит 16.
Почему CWDM?
Технология CWDM продлевает время «жизни» существующих волоконно-оптических
сетей путем использования сетки частот, не используемых традиционными
приемопередатчиками. Технология инвариантна к протоколам передачи информации,
что позволяет организовать различные телекоммуникационные услуги в одной
транспортной среде. Увеличение частотного расстояния между каналами приводит к
заметному снижению стоимости активных и пассивных компонентов по сравнению с
технологией DWDM - Dense Wavelength Division Multiplexing (плотное спектральное
мультиплексирование с расстоянием между каналами 0,8 нм). Кроме того, грубое
спектральное мультиплексирование обеспечивает гибкость системы передачи
информации и возможность реализации различных топологий.
Топология
“Кольцо” - активная топология. Все компьютеры в сети связаны по замкнутому
кругу. Прокладка кабелей между рабочими станциями может оказаться довольно
сложной и дорогостоящей если они расположены не по кольцу, а, например, в
линию.
В качестве носителя в сети используется витая пара или оптоволокно.
Сообщения циркулируют по кругу.
Рабочая станция может передавать информацию другой рабочей станции только
после того, как получит право на передачу (маркер), поэтому коллизии исключены.
Информация передается по кольцу от одной рабочей станции к другой, поэтому при
выходе из строя одного компьютера, если не принимать специальных мер выйдет из
строя вся сеть.
Время передачи сообщений возрастает пропорционально увеличению числа
узлов в сети. Ограничений на диаметр кольца не существует, т.к. он определяется
только расстоянием между узлами в сети.
Кроме приведенных выше топологий сетей широко применяются т. н. гибридные
топологии: “звезда-шина”, “звезда-кольцо”, “звезда-звезда”.
Рисунок 2.3 - Топология “Кольцо”
.3 Выбор ВОК
Для организации ВОСП используется одномодовые оптические волокна следующего
типа:
SMF -
одномодовое ступенчатое волокно с несмещенной дисперсией (стандартное) по
рекомендации МСЭ-Т G.652.
NZDSF
- одномодовое волокно с ненулевой смещенной дисперсией по рекомендации МСЭ-Т G.655.
В таблице 2.1 приведены характеричтики оптических волокон:
Таблица 2.1 - Характеристики оптических волокон
|
Основные характеристики
|
Вид оптического волокна
|
|
Е
|
С
|
Н
|
|
Рабочая длинна волны, нм
|
1310,1550
|
1550
|
1530..1620
|
|
Коэффициент затухания
,дБ/км
|
1310 нм
|
0,36
|
|
|
|
1550 нм
|
0,22
|
0,22
|
|
|
Коэффициент затухания
(плотнобуфферное покрытие в кабеле) ,дБ/км
|
1310 нм
|
0,5
|
|
|
|
1550 нм
|
0,4
|
0,4
|
|
|
Диаметр модового поля, мкм
|
1310 нм
|
9,3±0,5
|
|
|
|
1550 нм
|
10,5±1,0
|
8,1±0,6
|
8,4±0,6
|
|
Неконцентричность модового
поля, мкм
|
0,8
|
0,8
|
0,8
|
|
Длина волны отсечки, нм
|
1260
|
1250
|
1260
|
|
Длина волны ненулевой
дисперсии, нм
|
1310±10
|
1555±15
|
|
|
Коэффициент хроматической
дисперсии, пс/нм*км
|
1310 нм
|
3,5
|
|
|
|
1550 нм
|
18
|
3,5
|
6
|
В графе «Вид оптоволоконного кабеля» приводятся буквенные обозначения
названий:
Е - стандартное одномодовое;
С - одномодовое со смещенной дисперсией;
Н - одномодовое с ненулевой смещенной дисперсией;
В проекте будем использовать кабель со стандартным одномодовым
ступенчатым волокном со смещенной дисперсией, потому что данный тип волокна
обладает наименьшей хроматической дисперсией, что улучшает качество передачи
сигналов.
Для прокладки кабеля по телефонной канализации используется кабель ДПО, а
для прокладки в грунт ОКБ.
Кабель ДПО (Оптический
кабель в полиэтиленовой оболочке с диэлектрическим центральным силовым элементом).
- Центральный силовой элемент выполненный в виде
стеклопластикового стерженя.
- Пластиковая оболочка, заполненная гидрофобным заполнителем.
- Кордель, состоящий из 2,4 или 8 медных жил.
- Свободное пространство между оптическими модулями, корделью и стержнем
заполненое гидрофобным заполнителем.
- Скрепляющая обмотка и пластмассовых лент.
- Наружная полимерная оболочка, содержащая маркировку кабеля.
Рисунок 2.4 - Структура кабеля ДПО
Назначение
Кабель ДПО предназначен для прокладки в кабельной канализации, в трубах и
коллекторах, ручным или механизированным способами.
Таблица 2.2 - Характеристики кабеля ДПО
|
Механические
характеристики:
|
|
Стойкость к статическим
растягивающим усилиям
|
1,5 - 3 кН
|
|
Стойкость к динамическим
растягивающим усилиям
|
Более 15%
|
|
Стойкость к раздавливающим
усилиям
|
0,5 кН/см
|
|
Минимальный радиус изгиба
|
20 внешних диаметров кабеля
|
|
Массогабаритные
характеристики:
|
|
Внешний диаметр кабеля
|
10,5 мм
|
|
Расчетная масса километра
кабеля, не более
|
110 кг
|
|
Климатические
характеристики:
|
|
Рабочая температура
|
-60 °С : +50 °С
|
|
Температура монтажа
|
-10 °С : +50 °С
|
|
Температура транспортировки
и хранения
|
-50 °С : +50 °С
|
Кабель ОКБ
Рисунок 2.5 - Структура кабеля ОКБ
Конструкция
Кабель ОКБ содержит центральный силовой элемент, вокруг которого
расположены полимерные трубки в которых находятся оптические волокна. Свободное
пространство заполняется гидрофобным заполнителем. Поверх наложена скрепляющая
лента и полиэтиленовая оболочка. Внешнею оболочку отделяют стальные проволоки с
гидрофобным заполнителем. Стальные проволоки обеспечивают прочность кабеля и
защищает от разрыва. Внешняя оболочка из полиэтилена.
Назначение
Кабель ОКБ предназначен для прокладки в грунтах всех категорий, кроме
подверженных мерзлотным деформациям, в кабельной канализации, трубах,
коллекторах, на мостах и шахтах, через неглубокие болота и несудоходные реки.
Рассчитан на прокладку ручным или механизированным способом.
2.4 Выбор оборудования
В проекте будет использоваться мультиплексор Metropolis AMS компании
Lucent Technologies (Рисунок 2.6) предназначенный для оптических сетей доступа.
Он поможет расширить границы сети, обеспечить рентабельный мультисервисный
доступ и предоставить выгодные услуги предприятиям. Конвергированный транспорт
голоса и данных по существующей инфраструктуре SDH позволит обойтись без
наложенной сети. Выбор данного мультиплексора обосновывается указаниями
руководящего состава УТС «ЮгорскГазТелекома» и его полным соответствием с
поставленной задачей при проектировании.
Устройство имеет небольшие габаритные размеры и энергопотребление. Может
работать как терминальный мультиплексор или мультиплексор вставки/выделения.
Области применения: экономичный доступ для голоса и данных в сетях доступа,
межофисных и мобильных сетях, соединение локальных сетей 10/100 Base-T в
многоточечном режиме или режиме «точка-точка». Преимущества: поддержка пакетных
и коммутируемых служб, высокая надежность за счет сетевого резервирования,
небольшие затраты на эксплуатацию при широких возможностях управления.
Рисунок 2.6 - Мультиплексор Metropolis AMS
Основное применение
недорогой доступ к услугам передачи голоса и данных для распределенных
офисов и мобильных сетей;
связь локальных сетей 10/100 Base-T «точка-точка» и «точка-многоточка»;
организация каналов E1 по медным проводам (SHDSL).
- мультиплексор ввода-вывод
- терминальный мультиплексор
Наличие функций защиты обеспечивает непрерывность оказания услуг.
Мультиплексор может применяться в кольцевых и линейных конфигурациях. Малые
габариты допускают установку в уличных шкафах и в помещении клиента.Управление
мультиплексором Metropolis AMS осуществляется настраиваемой системой Lucent
Navis® Optical Management Solution. Поддерживается консольный интерфейс на базе
ПК для локального и удаленного управления STM-1.
Таблица 2.4 - Характеристики мультиплексора Metropolis AMS
|
Габаритные размеры
|
Один блок 447,6 x 70 x
204,3 мм
|
|
Питание
|
Постоянного и переменного
тока с автонастройкой напряжения (100-240 VAC, от -24 до -48/-60 VDC).
|
|
Материнская плата
|
Два посадочных места для
приемо-передатчиков SFP и 16 портов 2 Мбит/с G.703 (E1). Посадочное место для
одного добавочного интерфейсного модуля
|
|
Типы SFP для комплектации
мультиплексора терминирования или вставки/выделения
|
Оптический STM-1, 1310 нм,
короткое расстояние, G.957 S-1.1 Оптический STM-1, 1310 нм, дальнее
расстояние, G.957 L-1.1 Оптический STM-1, 1550 нм, дальнее расстояние, G.957
L-1.2
|
|
Добавочные интерфейсные
модули
|
16 x 2 Мбит/с G.703 (E1) 2
x 34 Мбит/с (E3) 4 x 2 Мбит/с X.21 12 x SHDSL (доступна версия SHDSL Lucent
NTU) 4 x 10/100 Base-T
Ethernet 8 x 10/100 Base-T Ethernet (для выделенных линий Ethernet - Ethernet Private Line)
|
|
Службы Ethernet
|
Fast Ethernet
(10/100 Base-T) ITU-T G.7041 с упаковкой GFP-F Конкатенция виртуальных контейнеров Коммутация IEEE
802.1D«Точка-точка» Ethernet Private Line«Точка-много точек» Ethernet Private
LAN Services (TLS)«Точка-много точек» для служб виртуальных локальных сетей
VLAN в пакетном кольце при разделении полосы пропускания и статическом
мультиплексировании Алгоритм быстрого покрывающего дерева RSTP по IEEE 802.1w
Маркировка/транкинг VLAN по IEEE 802.1Q и стеки меток VLAN GVRP IEEE
802.1p/DiffServ QoS Управление уровнем CIR/PIR
|
|
Резервирование
|
1+1 многосекционное
резервирование MSP VC-12 и VC-3SNPRSTP по IEEE 802.1w
|
|
Сетевое управление
|
Система управления
элементами Wavestar ITM-SC Система сетевого управления оптическими сетями
Navis Локальный терминал ITM-CIT с функциями удаленного доступа и поллинга в
режиме реального времени.
|
3 РАСЧЕТ ПАРАМЕТРОВ СЕТИ
.1 Расчет и распределение нагрузки между пунктами сети
Для расчета нагрузки воспользуемся методом, требующим минимального объема
исходных данных. При расчете используется емкость одной АТС. На основе исходных
данных определим количество пользователей:
Таблица 3.1 - Количество пользователей на всех АТС
|
АТС
|
УС
|
АТС-1
|
АТС-2
|
АТС-3
|
АТС-4
|
АТС-5
|
|
Количество телефонов
|
5100
|
1000
|
1500
|
500
|
500
|
1500
|
|
Число пользователей Internet
|
1530
|
300
|
450
|
150
|
150
|
450
|
|
Число пользователей ПД
|
255
|
50
|
75
|
25
|
25
|
75
|
Расчет телефонной нагрузки производится по формуле (1):
Pтф = Vтф∙Nтф∙Этф∙kтф, [бит/с] (1)
где:
Vтф = 64 кбит/с - скорость передачи для телефонии;
Nтф - количество
пользователей телефонии;
Этф
= 0,03 Эрл - удельная телефонная нагрузка в ЧНН;
kтф = 1,2 -
коэффициент увеличения телефонов, за счет мобильной
связи.
Pтф(УС) = 64000∙5100∙0,03∙1,2=
11,8 [Мбит/c]
Pтф(АТС-1) =
64000∙1000∙0,03∙1,2= 2,3 [Мбит/c]
Pтф(АТС-2) =
64000∙1500∙0,03∙1,2= 3,5 [Мбит/c]
Pтф(АТС-3) =
64000∙500∙0,03∙1,2= 1,2[Мбит/c]
Pтф(АТС-4) =
64000∙500∙0,03∙1,2= 1,2[Мбит/c]
Pтф(АТС-5)
= 64000∙1500∙0,03∙1,2= 3,5 [Мбит/c]Расчет нагрузки создаваемой модемами пользователей Internet производится по формуле (2):
Pint = Vint∙Nint∙Эint, [бит/с] (2)
где: Vint = 1,55 Мбит/с - скорость передачи
для «обычных»
пользователей Internet;
Nint -
количество «обычных» пользователей Internet;
Эint = 0,3 Эрл - удельная нагрузка в ЧНН
для пользователей Internet.
Pint(УС) =
1550000∙1530∙0,3[бит/с] = 0,71 [Гбит/c]
Pint(АТС-1) =
1550000∙1000∙0,3[бит/с] = 0,46 [Гбит/c]
Pint(АТС-2) =
1550000∙1500∙0,3[бит/с] = 0,69 [Гбит/c]
Pint(АТС-3) =
1550000∙500∙0,3[бит/с] = 0,23 [Гбит/c]
Pint(АТС-4) =
1550000∙500∙0,3[бит/с] = 0,23 [Гбит/c]
Pint(АТС-5) =
1550000∙1500∙0,3[бит/с] = 0,69 [Гбит/c]
Расчет
Нагрузки создаваемой службами ПД производится по формуле (3):
Pпд = kпд∙Pтф,
[бит/с] (3)
где: kпд = 0,05 - коэффициент учитывающий
долю нагрузки ПД.
Pпд(УС)
= 0,05∙11800000 = 0,6 [Мбит/с]
Pпд(АТС-1)
= 0,05∙2300000 = 0,115 [Мбит/с]
Pпд(АТС-2) =
0,05∙3500000 = 0,175 [Мбит/с]
Pпд(АТС-3) =
0,05∙1200000 = 0,06 [Мбит/с]
Pпд(АТС-4) =
0,05∙1200000 = 0,06 [Мбит/с]
Pпд(АТС-5) =
0,05∙3500000 = 0,175 [Мбит/с]
Общую
Нагрузку найдем суммированием по формуле (4):
P = kр∙(Pт+Pint+Pпд),
[бит/с] (4)
где: kр = 1,5 - коэффициент развития сети
во времени.
P(УС) = 1,5∙(11,8+710+0,6)
= 1083 [Мбит/с]
P(АТС-1) = 1,5∙(2,3+460+0,115)
= 694 [Мбит/с]
P(АТС-2) = 1,5∙(3,5+690+0,175)
= 1040 [Мбит/с]
P(АТС-3) = 1,5∙(1,2+230+0,06)
= 347 [Мбит/с]
P(АТС-4) = 1,5∙(1,2+230+0,06)
= 347 [Мбит/с]
P(АТС-5) = 1,5∙(3,5+690+0,175)
= 1040 [Мбит/с]
Общая нагрузка распределяется по направлениям УС - АТС-1,
АТС-1 - АТС-2, АТС-2 - АТС-3, АТС-3 - АТС-4, АТС-4 - АТС-5 и
АТС-5 - УС.
Вся информация по транспортной сети передается по средствам цифровых
потоков следующих типов:
телефония и передача данных (потоки Е1);
пользователи Internet (потоки
Е3).
Исходя из этого расcчитаем
число потоков для каждого направления:
УС - АТС-1: E1 = Pтф+Рпд/2048 = 12400/2048 =6
E3 = Pint/34368 = 710000/34368 = 21
АТС-1 - АТС-2: E1 = Pтф+Рпд /2048 = 2415/2048 = 2
E3 = Pint /34368 =460000/34368 = 14
АТС-2 - АТС-3: E1 = Pтф+Рпд /2048 = 3675/2048 = 2
E3 = Pint /34368 = 690000/34368 = 20
АТС-3 - АТС-4: E1 = Pтф+Рпд /2048 = 1260/2048 = 1
E3 = Pint /34368 = 230000/34368 = 7
АТС-4 - АТС-5: E1 = Pтф+Рпд /2048 = 1260/2048 = 1
E3 = Pint /34368 = 230000/34368 = 7
АТС-5 - УС: E1 = Pтф+Рпд /2048 = 3675/2048 = 2
E3 = Pint /34368 = 690000/34368 = 20
Пропускная способность системы определяется по формуле (5):
B0 = Σ Pi (5)
B0 = 4,551
[Гбит/с]
Число длин волн определяется по формуле (6):
Nл = B0 / Bi
(6)
где:
Bi - скорость интерфейсного потока, выбираем STM-1
= 155,52 Мбит/c.
Nл = 4551 /
155,52 = 29,26 = 30
3.2 Расчет
среднего времени занятия
Исходные данные:
УС, емкость - 5100 номеров.
АТС-2, емкость - 1500 номеров.
АТС-3, емкость - 500 номеров.
АТС-4, емкость - 500 номеров.
АТС-5, емкость - 1500 номеров.
Структурный состав абонентов на проектируемой АТС принимается следующим:
телефонные аппараты квартирного сектора - 85% от емкости АТС;
телефонные аппараты народнохозяйственного сектора - 0,9% от емкости АТС;
таксофоны - 0,5% от емкости АТС.
Исходные данные для расчета интенсивности телефонной нагрузки определим
по нормам, и сведем в таблицу 3.1:
Таблица 3.1 - Количество телефонных аппаратов и таксофонов
|
УС
|
АТС-1
|
АТС-2
|
АТС-3
|
АТС-4
|
АТС-5
|
|
Телефонные аппараты
квартирного сектора
|
4335
|
850
|
1275
|
425
|
425
|
1275
|
|
Телефонные аппараты
народнохозяйственного сектора
|
46
|
9
|
14
|
5
|
5
|
14
|
|
Таксофоны
|
26
|
5
|
8
|
3
|
3
|
8
|
Кроме того, определим среднее время занятия линии одним соединением по
формуле (7):
ti = Pp(Ti+2)+21+j; (7)
где j=0; 1,5; 3 - коэффициент, зависящий
от значности абонентского номера, соответственно n=5; 6; 7 знаков.
Подставим числовые значения в формулу:
ti =
0,5(140+2)+21 = 92 [сек];
ti =
0,5(90+2)+21 = 67 [сек];
ti =
0,5(110+2)+21 = 77 [сек];
Данные расчетов сводим в последнюю графу таблицы 3.2
Таблица 3.2 - Данные расчетов среднего времени занятия линий
|
Вид линий
|
Доля состоявшихся
разговоров (Pp)
|
Среднее время одного
разговора (Ti), сек
|
Среднее количество вызовов
в ЧНН (Ci)
|
Среднее время занятия линии
(ti), сек
|
|
Линии ТА квартирного
сектора
|
0,5
|
140
|
1,2
|
92
|
|
Линии ТА н/х сектора
|
0,5
|
90
|
2,7
|
67
|
|
Линии таксофонов
|
0,5
|
110
|
10
|
77
|
3.3 Расчет станционной нагрузки
Удельную нагрузку на проектируемых АТС определим по формуле (8):
aуд = A:N, [Эрл] (8)
где N = NАТС + NТАК =
5100 + 26 = 5126 [Эрл];
A =
257,25 [Эрл];
Aуд =
257,25:5126 = 0,05 [Эрл];
Возникающую нагрузку на каждой из АТС определим по формуле (9):
AАТСj = aуд ∙ Nj,
[Эрл] (9)
где Nj-суммарная емкость ТА и таксофонов
(принимается 3% от емкости АТС) на каждой АТС сети.
AУС =
0,05 ∙ (4381+26) = 220,35 [Эрл]
AАТС1
= 0,05 ∙ (859+5) = 43,2 [Эрл]
AАТС2
= 0,05 ∙ (1289+8) = 64,85 [Эрл]
AАТС3
= 0,05 ∙ (430+3) = 21,65 [Эрл]
AАТС4
= 0,05 ∙ (430+3) = 21,65 [Эрл]
AАТС5
= 0,05 ∙ (1289+8) = 64,85 [Эрл]
Вычтем из возникающих нагрузок каждой АТС нагрузку, поступающую на УСС и
АМТС, т.к. она не перераспределяется на ГТС, учитывая, что на УСС поступает
нагрузка 3% от возникающей нагрузки, а на АМТС - 0,005 Эрл от одного ТА:
A0,ATCj = AATCj - (Ayccj
+ AAMTCj), [Эрл]; (10)
A0,УС = 220,35 - (220,35 ∙
0,03 + 4381 ∙ 0,005) = 191,85 [Эрл];,ATC1 = 43,2 - (43,2 ∙ 0,03 + 859 ∙ 0,005) =
37,6 [Эрл];,ATC2 = 64,85 - (64,85 ∙
0,03 + 1289 ∙ 0,005) = 56,46 [Эрл];,ATC3 = 21,65 - (21,65 ∙ 0,03 + 430 ∙ 0,005) =
17,85 [Эрл];,ATC4 = 21,65 - (21,65 ∙
0,03 + 430 ∙ 0,005) = 17,85 [Эрл];,ATC5 = 64,85 - (64,85 ∙ 0,03 + 1289 ∙ 0,005) =
56,46 [Эрл];
Суммарная возникающая нагрузка МСЛ (11):
AМСЛ =
Σ A0,ATCj, [Эрл] (11)
AМСЛ =
191,58 + 37,6 + 56,46 + 17,85 + 17,85 + 56,46 = 377,8 [Эрл]
Определим долю нагрузки в процентах для каждой из АТС относительно
нагрузки МСЛ из выражений:
АМСЛ = 100 %; A0,ATCj = х %;
Хус
=
;
ХАТС1
=
;
ХАТС2
=
;
ХАТС3
=
;
ХАТС4
=
;
ХАТС5
=
;
.4
Расчет энергетического бюджета линии
Для определения числа оптических усилителей в линейном тракте необходимо
выполнить расчет энергетического бюджета линии.
Определим потери OMUX
(мультиплексора) и ODMUX (демультиплексора)
по формуле (12):
αomux,odmux
= 1,5 log2 Z [дБ] (12)
где: Z - число портов или каналов OMUX и ODMUX.
αomux,odmux
= 1,5 log2 30 = 2,2 [дБ]
Из
уравнения энергетического баланса определим длину усилительного участка (13):
Lуу = Э - αор∙nор - αнс - αomux - αodmux - αф - σ
/ αов + (αнс/lстр) [км] (13)
где: Э = Pпер - Pпр = 3-(-15)=18 - энергетический
потенциал системы;
αор = 0,5 дБ - потеря в оптических
разъемах;
nор =
6 - число оптических разъемов;
αнс = 0,05 дБ - потери в неразъемных
соединениях;
αф = 1,5 дБ - потери вносимые
фильтром;
σ = 4 дБ - системный запас по мощности
в бюджете;
αов = 0,22 - киллометрическое затухание ОВ (
);
lстр = 2 -
строительная длинна кабеля.
Lуу = 18 - 0,5∙6
- 0,05 - 2,2 - 2,2 - 1,5 - 4/ 0,22 + (0,05/2) = 21[км]
При
размещении пролетов секции необходимо компенсировать потери и дисперсию в
каждом пролете. Для всех типов ОВ рекомендуемая величина киллометрического
затухания пролета, с учетом потерь на сростки, составляет 0,28 дБ/км. Затухание
пролета определяется по формуле (14):
αni = α ∙ Lni [дБ/км] (14)
где:
Lni - длинна пролетов.
αус-АТС1 = 0,28 ∙ 1,4= 0,392[дБ/км]
αАТС1-АТС2 = 0,28 ∙ 2,1= 0,588[дБ/км]
αАТС2-АТС3 = 0,28 ∙ 1,4= 0,392[дБ/км]
αАТС3-АТС4 = 0,28 ∙ 5,3= 1,484[дБ/км]
αАТС4-АТС5 = 0,28 ∙ 2,23= 0,624[дБ/км]
αАТС5-УС = 0,28 ∙ 1,14= 0,319[дБ/км]
Длинна
всей линии составляет 13,5 километров, а длинна регенерационного участка 21
километр, из этого следует что аппаратура и кабель связи соответствуют
требованиям данного проекта.
Затухание
на всех участках сети очень мало, что означает что нет необходимости в
установке НРП.
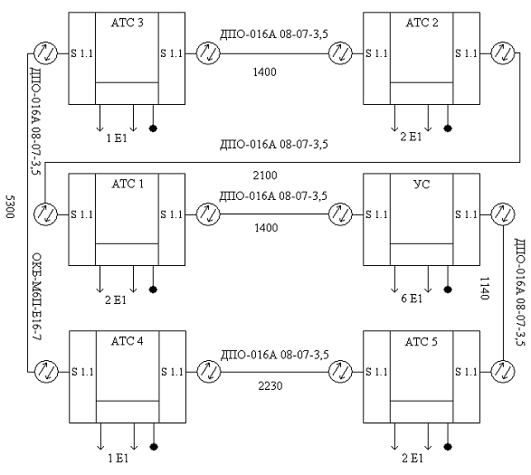
4 СХЕМА ОРГАНИЗАЦИИ СВЯЗИ
Исходя из выбора трассы, кабеля, технологии, оборудования и расчетов
параметров проектируемого участка сети составляем схему организации связи
(Рисунок 4.1) на которой отображаем длины пролетов, марку используемого кабеля,
используемый интерфейс и количество потоков Е1 выделяемых на каждой АТС.
Рисунок 4.1 - Схема организации связи
5 СИНХРОНИЗАЦИЯ ЦИФРОВЫХ СИСТЕМ СВЯЗИ
5.1 Что такое синхронизация цифровых систем связи?
Качественная синхронизация цифровых систем - основа их нормальной работы.
При объединении различных цифровых систем передачи и коммутации в единую
систему передачи информации возникает необходимость в обеспечении точного
соответствия фазы хронирующего сигнала, управляющего всеми элементами цифровой
телекоммуникационной сети. Для этого предназначена система ТСС. Основной ее
задачей является обеспечение синхронной работы генераторного оборудования
цифровой сети операторов связи.
Создание и развитие системы ТСС имеет важнейшее значение при организации
и совершенствовании цифровых сетей общего пользования, особенно в период
создания телекоммуникационных сетей следующего поколения (NGN).
Синхронизацией называется процесс подстройки значащих моментов цифрового
сигнала для установления и поддержания требуемых временных соотношений. За счёт
синхронизации поддерживается непрерывность передаваемой информации и
обеспечивается её целостность, т.е. определяется положение пепредаваемых
кодовых слов и их последовательность.
Тактовая синхронизация - это процесс установления точного временного
соответствия между принимаемым сигналом и последовательностью тактовых
импульсов. Здесь под тактовыми импульсами понимают периодически повторяющиеся
импульсы, с частотой, равной частоте повторения символов (битов) в
информационном сигнале.
Синхросигналы (СС) в системах передачи искажаются под воздействием помех,
т.е. меняется их временное положение. При частоте изменения более 10 Гц
происходит так называемое дрожание, а при частоте менее 10 Гц, - блуждание. В
системах передачи применяется синхронизация по символам, тактам и циклам, а в
системах коммутации - по битам и циклам.
Подавляющее большинство проблем синхронизации относится именно к
частотной синхронизации, поэтому далее будем рассматривать только ее. В
цифровых системах с импульсно-кодовой модуляцией (ИКМ), использующих
плезиохронную и синхронную цифровую иерархию(ПЦИ/PDH, СЦИ/SDH), основной вид
синхронизации - тактовая, она определяет остальные (по фреймам и мультифреймам)
виды синхронизации. Проблемы синхронизации возникают, когда несколько простых
локальных сетей (узлы имеют топологию "звезды" и настолько близки друг
к другу, что временем распространения сигналов между ними можно пренебречь),
причем каждая со своим источником тактовой сетевой синхронизации (ТСС),
объединяются в сложную сеть передачи.
Если на передающем и принимающем узлах частоты источников тактовой
синхронизации (хронирующих источников, или таймеров) не совпадают, за
определенное время накапливается ошибка временного интервала (ОВИ/TIE), равная
разности момента прихода (tп) n-го импульса цифровой последовательности и
момента генерации (tг) n-го импульса источником тактовой синхронизации
принимающего узла. Частота местного источника ТСС может быть выше или ниже
частоты принимаемой последовательности. В зависимости от этого, когда ОВИ
становится соизмеримой с длиной тактового интервала, происходит либо пропадание
одного импульса, либо формирование лишнего - что приводит к срыву
синхронизации. Данное явление называют проскальзыванием или слипом (slip). При
передаче аудиосигнала слипы воспринимаются как щелчки - до определенного уровня
это терпимо. Однако при передаче данных они приводят к нарушению связи.
Качество синхронизации можно оценить периодом времени, за который
накопленная ОВИ приводит к срыву тактовой синхронизации, или частотой
проскальзываний в единицу времени. Учитывая, что отдельные участки сложной сети
могут синхронизироваться от источников различной точности, важно определить
предельно допустимые значения частоты слипов. В соответствии с руководящими
техническими материалами Министерства связи (РТМ МС) РФ все системы ТСС
классифицируются по четырем типам:
. синхронный - слипов фактически нет;
. псевдосинхронный - допускается 1 слип/70 дней;
. плезиохронный - 1 слип/17 часов и
. асинхронный - 1 слип/7 с.
.2 Основные
схемы распределения синхросигнала
Общие вопросы синхронизации и основные определения описаны в рекомендации
ITU_T G.810, они актуальны для сетей как с PDH, так и с SDH. Цель тактовой
синхронизации - передать с требуемой точностью информацию о длине единичного
тактового интервала ?0(или о тактовой частоте f0) всем устройствам/узлам одной
сети или всем взаимодействующим сетям. Компактную региональную сеть можно
синхронизировать одним высокоточным таймером (первичным) в центральном узле
сети, транслируя его такты на другие узлы сети (как в службе времени большого
города). Для этого необходим не только первичный таймер, но и надежная система
распределения сигнала синхронизации (СРСС) на все узлы сети. Если сеть
глобальная, то для синхронизации ее можно разделить на несколько региональных
сетей, каждая - со своим первичным таймером и СРСС. Существуют два основных
метода тактовой синхронизации: иерархический метод принудительной синхронизации
с парами таймеров ведущий-ведомый, и неиерархический метод взаимной
синхронизации. На практике распространен только первый метод.
В качестве единственного он принят и на взаимоувязанной сети связи (ВСС)
РФ СРСС строится по трем альтернативным схемам:
Рисунок 5.1 - Основные схемы распределения синхросигнала
А - одноуровневая звезда - все узлы сети питаются от одного первичного
эталонного генератора тактовых импульсов (ПЭГ), расположенного в центре звезды
(концентраторе);
Б - распределенная одноуровневая схема: каждый (или каждый второй) узел
сети снабжается ПЭГ или его эквивалентом - приемником сигналов единого
первичного эталонного генератора;
В - иерархическая многоуровневая схема. Ее суть в том, что сигналы ПЭГ
(первый уровень иерархии) распределяются по синхронизируемым элементам дерева
сети синхронизации до второго уровня иерархии, где они управляют вторичными
источниками - вторичными задающими генераторами (ВЗГ), которые через цепочки СЭ
управляют локальными источниками синхронизации третьего уровня иерархии. Эта
схема управления часто называется схемой типа ведущий-ведомый (или
master-slave). В документах о ВСС РФ принята именно эта схема управления
синхронизацией.
ПЭГ строится на основе хронирующих атомных источников тактовых импульсов
(водородный или цезиевый эталон) c точностью поддержания частоты не хуже
10-13-10-12. Калибруется вручную или автоматически по сигналам UTC. Сигналы ПЭГ
(а также генераторов нижних уровней иерархии) распространяются аппаратурой распределения
сигнала синхронизации (SDU/АРСС), обеспечивающей на практике от 16 до 520
интерфейсных выходов сигналов ТСС, которые по наземным линиям связи передаются
для управления ВЗГ. Стандарты предусматривают четыре режима работы хронирующих
источников: - режим ПЭГ (мастер-узел); режим принудительной синхронизации
(ведомый ВЗГ, транзитный и/или местный узлы); режим удержания (holdover) с
точностью удержания 5·10_10 для транзитного узла и 10_8 для местного узла и с
суточным дрейфом 10_9 и 2·10_8; свободный режим (free run) для транзитного и
местного узлов с точностью удержания 10_8 и 10_6, соответственно.
5.3 Типы
хронирующих источников
Эталонные источники разных уровней формируют следующие эталонные
синхросигналы:
2048 кГц - синхронный частотный сигнал в соответствии с ITU_T G.703/13 -
для синхронизации АТС, УАК (узлов автоматической коммутации), систем ПЦИ/PDH и
СЦИ/SDH;
2048 Кбит/с - потоковый синхронный сигнал псевдослучайной
последовательности в соответствии с ITU_T G.703/9, или сигнал, получаемый из входного
сигнала Е1 (от АТС или УАК) с использованием функции ретайминга (retiming,
ресинхронизация). Применяется для синхронизации систем PDH, SDH и
мультиплексорного оборудования;
синхронный 64_кГц сигнал для синхронизации основных цифровых каналов
(ОЦК) PDH;
дополнительные синхронные сигналы 8 кГц; 1; 5 и 10 МГц - для
синхронизации цифрового оборудования.
При этом эталонные источники обладают определенной нестабильностью,
отдельные параметры которой нормируются соответствующими стандартами для
каждого класса оборудования.
Основные из них:
дрожание фазы/джиттер (jitter) - кратковременные, с частотой выше 10 Гц,
смещения фронтов сигнала тактовой синхронизации относительно их идеальных
положений во времени. Для всех типов генераторов джиттер не должен превышать 5%
от длительности единичного интервала в выходном сигнале 2048 кГц или 2048
Кбит/с;
дрейф фазы/вандер (wander) - медленные, с частотой не выше10 Гц, смещения
фронтов сигнала тактовой синхронизации относительно их идеальных положений во
времени. Для всех типов генераторов вандер не должен превышать 12,5% от
длительности единичного интервала в выходном сигнале 2048 кГц или 2048 Кбит/с;
полоса захвата (hold-in range) - максимальное расхождение между тактовыми
частотами ведущего и ведомого генераторов,
в пределах которого ведомый генератор обеспечивает автоподстройку
частоты;
ошибка временного интервала ОВИ/TIE - разность между измеренными
значениями временного интервала Т, необходимого тестируемому генератору для
генерации n импульсов длительностью c0 (T = n·c0), и аналогичного временного
интервала Tref для эталонного генератора (Tref = n·cref): TIE(t, n) = T(t, n) -
Tref(t, n);
максимальная ошибка временного интервала МОВИ/MTIE - максимальное
значение разброса временных отклонений сигналов тестируемого генератора от
эталонного за некоторый период измерения Т;
девиация временного интервала ДВИ/TDEV - измеренное максимальное
отклонение параметров временного интервала от их среднего значения;
относительное отклонение частоты Df/fн = (fд - fн) / fн, где fд - действительная
частота сигнала, fн - заданная номинальная частота сигнала.
В данном проекте будет использоваться схемы распределения синхросигнала в
виде одноуровневой звезды. Все АТС сети будут питаться от одного первичного
эталонного генератора тактовых импульсов (ПЭГ) установленного в УС;
Эталонный источники будет формировать следующий эталонный синхросигнал:
2048 кГц - синхронный частотный сигнал в соответствии с G.703/13 - для
синхронизации АТС, УАК (узлов автоматической коммутации).
Рисунок 5.2 - Схема синхронизации участка сети
6 СИСТЕМА МОНИТОРИНГА ЦЕЛОСТНОСТИ ВОЛС
6.1 Система дистанционного контроля ОК цифровой сети связи
Проблема надежности ВОЛС охватывает широкий круг вопросов и по своей сути
является комплексной. Ее решение требует применения соответствующих методик
оценки, расчета и контроля различных параметров оптических кабелей и
показателей надежности ВОЛС. Надежность ВОЛС зависит от различных
конструктивно-производственных и эксплуатационных факторов. К первым относят
факторы, связанные с разработкой, проектированием и изготовлением ОК и других
вспомогательных изделий и устройств, входящих в состав ВОЛС. Ко вторым - все
факторы, влияющие на надежность ОК в процессе его прокладки, монтажа и
последующей эксплуатации.
Одним из основных эксплуатационных факторов, позволяющих прогнозировать
ухудшение характеристик оптических волокон и обеспечивать требуемый уровень
надежности ВОЛС, является непрерывный мониторинг ОК ВОЛС. При этом системы
мониторинга ОК ВОЛС должны предусматриваться уже на этапе планирования и
проектирования современных цифровых сетей связи. Это особенно важно и актуально
для ВОЛС на воздушных линиях электропередачи (ВОЛС-ВЛ), применяемых при
создании больших корпоративных сетей связи крупными энергокомпаниями . Такие
ВОЛС-ВЛ имеют очень высокую надежность, но при этом в случае аварии требуют
значительных затрат времени и материально-технических ресурсов на проведение
аварийно-восстановительных работ.
В настоящее время ОК с одномодовыми оптическими волокнами различного типа
являются наиболее совершенной средой для передачи информации. По полосе
пропускания (скорость передачи свыше 10 Гбит/с), линейным потерям (затухание
0,2-0,25 дБ/км) и дальности передачи (свыше 150 км) ОК не имеют себе равных. Одна
из важнейших задач - поддержание характеристик волокна на надлежащем уровне.
Именно поэтому системы непрерывного мониторинга оптических волокон в ОК ВОЛС
приобретают особую значимость при построении современных цифровых
мультисервисных сетей.
Такие системы - системы дистанционного тестирования волокон RFTS (Remote
Fiber Test System) - в настоящее время выпускаются рядом зарубежных компаний.
Однако для практического применения подобных систем при построении больших
протяженных сетей связи требуется серьезный сравнительный анализ возможностей
различных систем RFTS и изучение проблемы их интеграции с системами
информационной поддержки и управления такими сетями.
Широкое распространение современных цифровых сетей на основе ВОЛС привело
к пересмотру самих принципов их обслуживания и эксплуатации. Из-за больших
объемов передаваемой информации в сети, высокой стоимости потери трафика
вследствие повреждения ОК и большой протяженности ВОЛС требуется оперативное и
квалифицированное обслуживание и своевременная диагностика ОК ВОЛС. Решение
этих задач при построении крупных волоконно-оптических сетей возможно на основе
применения автоматизированной системы непрерывного мониторинга ОК сети и
перехода к принципу профилактического обслуживания ВОЛС.
6.2
Оборудование мониторинга целостности ВОЛС с использованием пары«источник
излучения - приемник» (Transmission Monitoring или сокращенно TM)
Система мониторинга, построенная на оборудовании MLS (Monitoring Line
System) (рисунок 6.1) отвечает всем современным требованиям, обладая
возможностями удаленного управления и контроля через сеть Ethernet, организации
нескольких рабочих мест для удаленного доступа на рабочую станцию, системой
оповещения световой и звуковой сигнализации, удаленного оповещения через
рассылку почтовых сообщений и отправки SMS на сотовые телефоны ответственного
персонала.
Рисунок 6.1 - Приемно-передающий модуль системы MLS
В системе TM мониторинг осуществляется с помощью пары «источник излучения
- приемник», когда с одной стороны ВОЛС к волокну подключается модуль
передатчика, с другой - модуль приемника. Основой системы является модуль MLS
30х, который может включать в свой состав стабилизированный источник лазерного
излучения, оптический приемник, комбинацию передатчика и приемника и т.д..
Модуль также может быть оснащен встроенным жидкокристаллическим 4-х строчным
дисплеем, для осуществления мониторинга и контроля с передней панели
оборудования.
На рисунке 6.2 приведена типичная схема организации системы мониторинга целостности
ВОЛС с использованием оборудования MLS в следующей конфигурации:
- MLS 30T (Передатчик с управлением по интерфейсу RS485)
MLS 30R (Передатчик с управлением по интерфейсу RS485)
MLS 30R (MLS PC контроллер)
Рисунок 6.2 - Типичная схема построения системы мониторинга TM «темных»
волокон для небольшого узла.
Управление данной конфигурацией построено на основе внешней шины с
использованием протокола обмена RS 485. Данный протокол поддерживает
одновременную работу до 32 модулей (таких как MLS 30R, MLS 30T, MLS 30A),
подключенных к шине. Обычно обмен в шине происходит между управляемыми модулями
и «Мастер-модулем». Для сохранения результатов измерений может использоваться
внешний накопитель. Соединение с ПК происходит через интерфейс RS 232.
В случае, когда волокно не возвращается на узел, применяется схема
контроля с применением связи с удаленным узлом посредством протокола TCP/IP.
Данная схема работает на более сложном коммуникационном уровне, в связи с чем
требует применения модуля с Ethernet интерфейсом MLS 50, выступающего в
качестве конвертора интерфейса из RS 485 в TCP/IP для связи с внешним MLS PC
сервером, собирающим статистику работы удаленных приемников и передатчиков,
анализирующем поступающую информацию и на ее основе выдающем сигнализацию о
нормальном состоянии линии или об аварии.
Выше рассматривалась работа системы мониторинга по «темным» волокнам, но
зачастую приходится сталкиваться с ситуациями, когда нет возможности
использовать «темное» волокно для организации мониторинга ВОЛС. Обычно для
таких измерений используются источники излучения, работающие на длине волны,
отличной от рабочей длины волны сигнала в линии. Оба сигнала (полезный и
аналоговый измерительный сигнал) вводятся в волокно посредством WDM-мультиплексоров
и разделяются на другом конце волокна с помощью таких же устройств (рисунок
6.3). На приведенной ниже схеме предполагается, что каналообразующее
оборудование работает на длинах волн 1310 нм и/или 1550 нм, а передатчики MLS -
на 1625 нм.
Рисунок 6.3 - Типичная схема организации системы мониторинга TM
«активных» волокон. В качестве примера показан один из вариантов организации
одновременного мониторинга нескольких волокон.
7 СИСТЕМА УПРАВЛЕНИЯ СЕТЬЮ СВЯЗИ
Начиная с середины 80-х годов в развитых странах наблюдается неуклонный
рост интереса к вопросам управления сетями связи. Эта тема активно обсуждается
на всех международных конференциях по связи, ей был посвящен целый ряд
специальных тематических номеров ведущих журналов. Столь значительный интерес к
системам управления (СУ) сетями связи обусловлен целым комплексом причин:
.1. Усложняются сами сети связи. На них внедряются новые технические
средства, основанные на передовых технологиях. В то же время продолжает
использоваться и более старое оборудование, поэтому на сетях сосуществуют
аналоговые и цифровые системы передачи, электронные и координатные
коммутационные станции и т.п. Большое распространение получают локальные (LAN)
и городские (MAN) сети, сети связи с подвижными объектами. Им необходимо
связываться между собой и выходить на региональные и глобальные сети связи.
Таким образом сети связи становятся все более неоднородными, как по структуре,
так и по используемым техническим средствам.
.2. С конца 80-х годов во многих странах началась либерализация и
демонополизация рынка услуг электросвязи. Стали появляться частные компании,
предоставляющие различные услуги связи. С одной стороны, это увеличило число
покупателей СУ сетями связи, а с другой, резко усилило конкуренцию на рынке.
Поэтому компании, предоставляющие услуги связи, вынуждены уделять все больше
внимания обеспечению качества своих услуг и снижению их стоимости. Важную роль
в этом играют СУ.
.3. Современные телеинформационные системы, основанные на совместном
использовании средств связи и вычислительной техники, стали жизненно
необходимыми для функционирования многих сфер деятельности (государственное
управление, финансы, промышленность, транспорт, медицина). Это обуславливает
необходимость обеспечения высокой надежности систем связи. По оценкам ряда
специалистов убытки от отказов могут достигать нескольких миллионов долларов в
час. Одним из немаловажных факторов в обеспечении надежности сетей связи служит
эффективное управление их ресурсами.
.4. Многие организации стали создавать для своих нужд собственные
корпоративные сети связи. Широкое распространение получили гибридные сети,
которые организации создают на базе арендуемых средств связи. Это также
увеличивает число покупателей СУ, а в случае гибридных сетей требует
координации деятельности пользователей и поставщиков услуг связи.
7.1 Основные направления стандартизации
Многообразие типов информационных сетей, оборудования и СУ для них,
производимых различными изготовителями, и желание пользователей одних сетей
взаимодействовать с пользователями других вызывают потребность в организации
совместной работы этих сетей и соответствующих СУ. Такое сильное рыночное
требование является движущей силой процесса стандартизации СУ, котоpая стала
настоятельной необходимостью. Разработка стандартов СУ сетями связи,
производимая такими организациями как Международная организация стандартов
(ИСО), Сектор стандартизации электросвязи Международного союза электросвязи
(МСЭ-Т, ранее МККТТ) и Координационный совет сети Internet (Internet Activities
Board - IAB), опиралась на разработки в этой области ведущих фирм. Среди них
можно назвать такие продукты, как NetView компании IBM, OpenView -
Hewlett-Packard, EMA (Enterprise Management Architecture) - DEC, UNMA (Unified
Network Management Architecture) - AT&T. При этом каждая фирма стремится
навязать международным организациям свои стандарты. Модель СУ, предложенная
ИСО, использует модель взаимосвязи открытых систем и построена на концепции
распределенных процессов управления, взаимодействующих друг с другом.
Управление осуществляется управляющими процессами над управляемыми объектами.
Управляемый объект трактуется как ресурс, которым надо управлять. Каждый
управляемый объект имеет свои атрибуты. Частью определения управляемого объекта
является набор операций управления, которые могут быть выполнены над этим
объектом с определенным влиянием как на сам объект, так и на его свойства. Для
управления в сети выделены пять функциональных областей: неисправности,
качество, конфигурация, безопасность и финансовый учет. В рамках модели
разработаны два стандарта: CMIP (Common Management Information Protocol) и CMIS
(Common Management Information Service), которые определяют общий набор
протоколов и услуг, обеспечивающих обмен управляющей информацией при
взаимодействии между управляющим процессом и управляемым ресурсом с
использованием общего набора сообщений. Информационная модель СУ опирается на
объектно-ориентированный подход, развитый в языках программирования. Другим
стандартом является простой протокол сетевого управления SNMP (Simple Network
Management Protocol), разработанный IAB. В рекомендации МККТТ М.30, принятой в
1988 г., и в развивающих ее дальнейших выпусках рекомендаций серии М.3000,
принятых в 1992 г., предложена концепция организации СУ сетями электросвязи,
опирающая на модель ИСО. Изложение сути этих рекомендации дано ниже.
7.2 Общие принципы TMN
В Рекомендации МСЭ-Т М.3010 излагаются общие принципы планирования,
функционирования и технического обслуживания системы управления электросвязью
(TMN - Telecommunications Management Network). Целью TMN является оказание
помощи компаниям-операторам в управлении своими сетями электросвязи. Основным
принципом TMN является обеспечение организационной структуры для получения
возможности взаимосвязи различных типов операционных систем*) и аппаратуры
электросвязи с использованием стандартных протоколов и интерфейсов. На рис. 1
представлена взаимосвязь между TMN и сетью электросвязи. Операционные системы
осуществляют обработку всей информации, необходимой для выполнения функций по
управлению. Рабочие станции обеспечивают пользовательский интерфейс,
посредством которого обслуживающий персонал взаимодействует с сетью управления.
Сеть передачи данных предназначена для связи между сетевыми элементами,
операционными системами и другими компонентами TMN. TMN может изменяться от
весьма простого соединения между операционной системой и отдельным устройством
электросвязи до огромной сети, соединяющей большое количество операционных
систем и аппаратуры электросвязи различных типов. Необходимо отметить, что TMN
принципиально является самостоятельной системой, которая обеспечивает
интерфейсы с сетью электросвязи в нескольких разных точках для получения
информации и управления работой. Однако часто TMN использует часть сети
электросвязи для обеспечения своих соединений. Ниже приводятся примеры сетей и
основных типов аппаратуры, для управления которыми может применяться TMN:
сети общего и частного пользования, в том числе узкополостные и широкополостные
сети с интеграцией служб (ISDN), сети подвижной связи, интеллектуальные сети;
сама сеть TMN;
оконечная аппаратура систем передачи (мультиплексоры, аппаратура
кроссовой коммутации, преобразовательная аппаратура и т.д.);
цифровые и аналоговые системы передачи (кабельные, волоконно-оптические,
радио, спутниковые и т.д.);
системы восстановления;
цифровые и аналоговые коммутационные станции;
системы сигнализации;
УАТС и оконечное абонентское оборудование;
терминалы пользователей сетей с интеграцией служб;
программные средства, обеспечивающие услуги связи (программные средства
коммутации, каталоги, базы данных и т.д.);
Рисунок 7.1 - Взаимосвязь между системой управления и сетью связи
Согласно модели ИСО система управления сетью строится иерархически и
имеет следующие уровни (снизу вверх) (рисунок 7.2):
сетевых элементов;
управления элементами;
управления сетью;
управление обслуживанием;
административного управления.
Рисунок 7.2 - Уровни управления сетью связи
Самый нижний уровень представляет собой саму сеть связи, т.е. объект
управления. В качестве сетевых элементов могут рассматриваться коммутационные
станции, системы передачи, мультиплексоры, комплекты тестового оборудования и
т.д. Каждый следующий уровень имеет более высокую степень обобщения, чем
предыдущий. Информация о состоянии уровня поступает наверх, а сверху вниз идут
управляющие воздействия. Степень автоматизации управления может быть различной,
и обычно имеет место сочетание автоматизированных и ручных процедур. Как
правило, чем выше уровень иерархии управления, тем ниже его степень
автоматизации. Уровень управления элементами охватывает контроль, отображение
параметров работы, техническое обслуживание, тестирование, конфигурирование
применительно к отдельным элементам или некоторым их подмножествам. Уровень
сетевого управления позволяет охватить единым взглядом всю сеть, контролируя
подмножества сетевых элементов в их взаимосвязи между собой и управляя всеми
сетевыми ресурсами. Уровень управления обслуживанием, в отличие от всех
нижележащих уровней, которые непосредственно связаны с сетью, т.е. с
техническими средствами, "обращен лицом" к пользователю. Здесь принимаются
решения по предоставлению и прекращению услуг, осуществляется ведение
соответствующего планирования и учета и т.п. Ключевым фактором здесь является
обеспечение качества обслуживания. Уровень административного управления
обеспечивает функционирование компании-оператора сети связи. Здесь решаются
организационные и финансовые вопросы, осуществляется взаимодействие с
компаниями-операторами других сетей связи. На сегодняшний день разработанные и
предлагаемые ведущими фирмами СУ сетями связи реализуют функции уровней не
выше, чем управления элементами или управления сетью, в отдельных случаях -
управления обслуживанием. Все функции, связанные с управлением, можно разбить
на две части: общие и прикладные. Общие функции обеспечивают поддержку
прикладных и включают, например, перемещение информации между элементами сети
связи и системы управления, хранение информации, ее отображение, сортировку,
поиск и т.п. Прикладные функции в соответствии с классификацией ИСО разделяются
на пять категорий (рисунок 7.3):
управление конфигурацией;
управление качеством работы;
управление устранением неисправностей;
управление расчетами;
управление безопасностью.
Рисунок 7.3 - Классификация функций сетевого управления
Рассмотрим их более подробно.
Управление конфигурацией обеспечивает инвентаризацию сетевых элементов
(их типы, местонахождение, идентификаторы и т.п.); включение элементов в
работу, их конфигурирование и вывод из работы; установление и изменение
физических соединений между элементами. Управление качеством работы имеет целью
контроль и поддержание на требуемом уровне основных характеристик сети. Оно
включает сбор, обработку, регистрацию, хранение и отображение статистических
данных о работе сети и ее элементов; выявление тенденций в их поведении и
предупреждение о возможных нарушениях в работе. Управление устранением
неисправностей обеспечивает возможности обнаружения, определения местоположения
неисправностей в сети, их регистрацию; доведение соответствующей информации до
обслуживающего персонала; выдачу рекомендаций по устранению неисправностей.
Управление расчетами осуществляет контроль за степенью использования сетевых
ресурсов и поддерживает функции по начислению оплаты за это использование.
Управление безопасностью необходимо для защиты сети от несанкционированного
доступа. Оно может включать ограничение доступа посредством паролей, выдачу
сигналов тревоги при попытках несанкционированного доступа, отключение
нежелательных пользователей, или даже криптографическую защиту информации. Архитектура
TMN должна обладать высокой степенью гибкости, чтобы удовлетворять различным
требованиям, определяющимися топологией самой сети электросвязи и организацией
управления. Примерами требований, определяющихся топологией сети, могут служить
физическое размещение элементов сети и их число. Пример организационных
требований - степень централизации обслуживающего персонала.
8 СТРОИТЕЛЬСТВО И ЭКСПЛУАТАЦИЯ
.1 Общие положения
Строительство волоконно-оптических линий связи (ВОЛС) это комплекс
организационных и технических мероприятий, включающих: подготовку к
строительству, прокладку (подвеску) оптического кабеля(ОК), монтаж и измерения
ВОЛС и сдачу ее в эксплуатацию.
Организация и технология проведения работ по строительству ВОЛС в
значительной мере аналогичны работам по строительству электрических кабельных
линий связи, однако имеется ряд отличий, обусловленных характеристиками и
параметрами волоконно-оптических кабелей(ВОК). Прежде всего, это отсутствие
параметров, характеризующих состояние элементов кабельного сердечника и его
защитных покровов (сопротивления и электрической прочности изоляции,
герметичности оболочки), а также критичность к растягивающим усилиям, малые
размеры и масса, большие строительные длины, трудности организации служебной
связи в процессе строительства ВОЛС с ОК без металлических элементов и поиска
неисправностей, значительная стоимость оборудования и приборов для
монтажа и измерений ВОЛС.
В процессе организации и осуществления строительства ВОЛС, как правило,
выполняются следующие мероприятия:
организация и проведение подготовительных работ;
прокладка и подвеска ОК;
монтаж ВОЛС;
проведение приемосдаточных измерений и сдача ВОЛС в эксплуатацию.
Основные различия в строительстве ВОЛС обусловлены в основном способами
прокладки ОК. При строительстве ВОЛС применяются различные способы прокладки
ВОК:
Прокладка ОК в грунт:
- ручным способом в заранее отрытую траншею;
бестраншейным способом с помощью ножевых кабелеукладчиков;
в защитных полиэтиленовых трубах(ЗПТ), проложенных в грунт одним из
указанных выше способов.
Прокладка ОК в кабельной канализации:
непосредственно в каналах кабельной канализации;
в ЗПТ, проложенных в кабельной канализации;
прокладка ОК внутри зданий и сооружений.
8.2 Подготовка к строительству (организационные мероприятия)
Подготовка к строительству должна обеспечить технологическое
развертывание строительно-монтажных работ и взаимоувязанные действия всех
партнеров, участвующих в строительстве.
В процессе подготовки к строительству ВОЛС должны быть выполнены
следующие мероприятия:
- проведение
входного контроля всех барабанов с ВОК на кабельной площадке, в том числе и по
оптическим параметрам. Вывоз барабанов с кабелем на трассу, осуществление
прокладки кабеля без проведения входного контроля не разрешается. Результаты входного
контроля оформляются протоколами, которые представляются заказчику в разделе
рабочая документация исполнительной документации;
группирование строительных длин кабеля. При подборе кабеля исходят из
того, что на одном регенерационном участке должен быть кабель, изготовленный
одним заводом, одной конструкции (кроме случаев стыковки ОК для подводных или
воздушных переходов), с одним типом оптического волокна и его защитным
покрытием. При группировании строительных длин кабеля, прокладываемого в грунте,
необходимо стремиться к тому, чтобы различные пересечения трассы приходились
как можно ближе к концу строительной длины, а места размещения соединительных
муфт были доступны для подъезда монтажно-измерительной автомашины.
По результатам группирования регенерационного участка составляется
укладочная ведомость. Все паспорта, приложенные заводом изготовителем к каждому
кабельному барабану, должны быть собраны вместе с укладочной ведомостью.
На основании изучения Проектной документации, ознакомления с трассой ВОЛС
непосредственно на местности, согласования с заказчиком порядка выполнения
строительно-монтажных работ генподрядной организацией разрабатывается Проект
производства работ (ППР) по методике и с оформлением расчетов и документов,
приведенных в СНиП3.01.0185.
.3 Прокладка ВОК в кабельной канализации
Прокладку оптических кабелей связи в кабельной канализации проводят как
ручным, таки механизированным способами с использованием типовых механизмов и
приспособлений. При этом всегда необходимо строго соблюдать следующее
требование: усилие тяжения и радиус изгиба должны соответствовать требованиям
технических условий на прокладываемый кабель.
Перед прокладкой ОК в кабельной канализации производится проверка на
проходимость ее каналов и, если требуется, ремонт канализации, а также ремонт и
дооснащение кабельных колодцев. Для более эффективного использования каналов
кабельной канализации и возможности прокладки ОК в одном канале с медными
кабелями в них прокладываются ЗПТ.
Прокладка ОК в кабельной канализации выполняется преимущественно методом
затягивания вручную или с помощью лебедок. При прокладке ОК в ЗПТ возможно
применение метода проталкивания.
Для прокладки ОК в кабельной канализации применяются:
концевые лебедки с ручным, бензиновым или электрическим приводами и
регулируемым ограничением усилия натяжения;
устройство для размотки кабеля с барабана (рисунок 8.1);
Рисунок
8.1 - Гофрированные трубы
гофрированные
трубы с продольным разрезом для ввода кабеля через люк колодца в канал
кабельной канализации ;
люкоогибающие
ролики для прохождения кабеля через люк колодца (рисунок 8.2);
Рисунок
8.2 - Люкоогибающие ролики
-
горизонтальные распорки и кабельные блоки для плавных поворотов кабеля в
угловых колодцах (рисунок 8.3);
Рисунок
8.3 - Горизонтальные распорки и кабельные блоки
разрезные
направляющие воронки, устанавливаемые на каналах кабельной канализации или ЗПТ
для обеспечения требуемого радиуса изгиба и защиты оболочки кабеля от
повреждений на входе и выходе канала (рисунок 8.4);
Рисунок
8.4 - Разрезные направляющие воронки
-
кабельный наконечник с чулком для натяжения кабеля (рисунок 8.5);
Рисунок
8.5 - Кабельный наконечник с чулком
Прокладка кабеля на коротких участках осуществляется от первого колодца
трассы, на сложных участках и на участках длиной больше 1 км, как правило, от
середины участка или участка с наибольшим количеством поворотов. Прокладка
строительных длин ОК длиной 2000 м и более должна производиться только в
полиэтиленовой трубе.
Схема прокладки ОК в кабельной канализации и в грунт (рисунок 8.6);
Рисунок 8.6 - Схема прокладки ОК в кабельной канализации и в грунт
Барабан с кабелем устанавливается в 1,5...2 м от люка колодца. На люк
колодца устанавливается рама с гофрированной трубой для ввода кабеля в канал
канализации. С противоположной стороны трассы на люк колодца устанавливаются
люкоогибающие ролики, а в 2...3 м от люка - концевая лебедка.
В транзитных колодцах на входе и выходе каналов канализации
устанавливаются предохранительные воронки. При использовании ЗПТ на них
дополнительно устанавливаются противоугоны. Во всех угловых колодцах
устанавливаются горизонтальные распорки и кабельные блоки.
Для прокладки ОК должны использоваться специально выделенные каналы,
расположенные в середине блока кабельной канализации по вертикали и у края
канализации - по горизонтали. Перед прокладкой кабеля в выделенные и
проверенные каналы кабельной канализации вводится тяговый фал, который через
компенсатор кручения (вертлюг) и кабельный наконечник с тяговым чулком
соединяется с ОК.
Протягивание ОК ведется лебедкой, установленной у последнего колодца,
равномерно без рывков. Барабан с кабелем при протяжке равномерно вращают
приводом или вручную.
Не допускается вращение барабана тягой прокладываемого ОК. При
необходимости в транзитных колодцах осуществляют вспомогательную подтяжку ОК
промежуточными лебедками или вручную.
На сложных участках трассы и при наличии больших строительных длин
кабеля, его прокладку производят в два направления с одного из транзитных
колодцев (желательно углового), расположенного примерно на трети длины трассы.
Вначале целесообразно проложить большую длину ОК, затем размотать оставшийся на
барабане ОК, уложить его восьмеркой возле колодца и далее проложить в другую
сторону. При появлении кабеля в последнем приемном колодце лебедку перемещают
на 20...25 м от колодца и продолжают вытяжку кабеля, обеспечивая запас кабеля
на выкладку и монтаж.
Проложенный ОК подтягивают и укладывают по форме колодцев на консоли
вручную, начиная с середины пролета в обе стороны. Запас ОК, необходимый для
монтажа муфт, должен быть не менее 8 метров от канала канализации. Запас
кабелей, оставляемый при прокладке в местах монтажа муфт, должен превышать
указанное значение на 5 метров с каждой стороны.
После выкладки ОК проводятся контрольные измерения затухания оптических
волокон на проложенных строительных длинах, и оценивается их соответствие
установленным нормам. Запас кабеля, оставляемый в колодце для монтажа муфты,
сворачивается кольцами диаметром не менее 1200 мм и прикрепляется к
кронштейнам. После монтажа на кабель около смонтированных муфт, а также в
транзитных колодцах устанавливают нумерационное кольцо или бирку. Строительные
длины ОК соединяются с помощью проходных или тупиковых оптических муфт
различных конструкций. Конкретный тип муфт опр. исходя из условий размещения в
колодце, и указывается в проектной документации. Варианты размещения опт. муфт
в колодцах кабельной канализации показаны на рисунок 8.7 и рисунок 8.8.
Рисунок
8.7 -