Исследование переходных процессов токов и напряжений всех ветвей электрической цепи
Содержание
1.
Классический метод расчёта
2.
Операторный метод расчёта
3.
Воздействие гармонической ЭДС
4.
Метод переменных состояния
.
Определение комплексной частотной характеристики
.
Определение временных характеристик цепи
Заключение
Литература
Аннотация
Задача анализа переходных процессов заключается в общем
случае в определении мгновенных значений токов и напряжений всех или части
ветвей электрической цепи в произвольный момент времени после коммутации.
В данном курсовом проекте необходимо выполнить следующие
расчёты: определить зависимости тока через индуктивность от времени при
воздействии постоянной ЭДС классическим и операторным методами, найти
зависимость тока через индуктивность от времени при воздействии гармонической
ЭДС, получить график зависимости тока через индуктивность от времени численным
методом, определить комплексную частотную характеристику и временные
характеристики цепи.
1.
Классический
метод расчёта
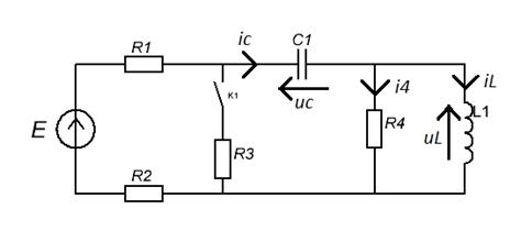
Рисунок 1.
1. Анализ цепи до коммутации. Определяется значение тока через
индуктивность
и напряжение на емкости
до коммутации
(ключ замкнут). В режиме постоянного тока
сопротивление индуктивности равно нулю, а емкости -
бесконечности. Тогда
Здесь для нахождения
мы составили уравнение закона напряжений Кирхгоффа.
.Определение независимых начальных условий. Независимыми начальными
условиями являются ток в индуктивности и напряжение на емкости в момент времени
, которые определяются по первому и
второму законам коммутации:
После подстановки получаем:
. Анализ установившегося процесса в цепи после коммутации. После
коммутации в цепи вновь установится режим постоянного тока. При этом ключ уже
разомкнут. В этом случае ток в цепи не течет и
;
. Определение свободной составляющей реакции цепи. Составляется
характеристическое уравнение цепи после коммутации. Для этого записывается
выражение входного сопротивления цепи относительно источника, причем в цепи
емкость заменяется на эквивалентное сопротивление
, а индуктивность заменяется на
эквивалентное сопротивление
. Затем это выражение приравнивается к нулю. Уравнение
является характеристическим. В нашем
случае характеристическое уравнение может быть определено как
Таким образом, характеристическое уравнение имеет вид:
Подставляя исходные данные и решая характеристическое
уравнение, получаем корни:
Следовательно, свободная составляющая тока при двух
комплексно-сопряженных корнях имеет вид
,
где
. Нахождение общего вида реакции цепи. Общий вид реакции цепи
находится путем суммирования свободной и принужденной составляющих реакции
цепи:
. Определение постоянных интегрирования. Для определения
постоянных интегрирования
и
записываются уравнения для свободной составляющей тока и ее
первой производной при
:
С учетом того, что
найдем
Для определения
записываются уравнения Кирхгоффа для цепи в момент после
коммутации
, причем в цепи емкость заменяется
источником напряжения
, а индуктивность - источником тока
. Напряжение на индуктивности равно
:
(1)
(2)
(3)
Решая эту систему, получаем
Подставив найденные величины в систему уравнений для определения
постоянных интегрирования, получим:
Эта система имеет решение
. Окончательная запись реакции цепи.
График зависимости тока
представлен на рисунке 2:
Рисунок 2. График зависимости тока
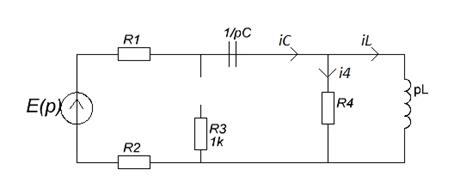
2. Операторный метод расчета
. Анализ цепи до коммутации и определение независимых
начальных условий. Независимые начальные условия определяются аналогичным
образом, как и в классическом методе:
2. Составление операторной схемы замещения цепи
после коммутации. Поскольку цепь имеет ненулевые начальные условия, то с учетом
внутренних источников ЭДС операторная схема замещения цепи после коммутации
будет иметь вид представленный на рисунке 3.
Рисунок 3 - Операторная схема замещения
Составление уравнений электрического равновесия цепи в
операторной форме. Для цепи рис.3 можно составить систему уравнений Кирхгофа:
4. Решение уравнений Кирхгофа относительно изображений искомых
токов и напряжений. Полученная система уравнений решается простой подстановкой,
и решение имеет вид:
Операторное изображение напряжения
может быть представлено в виде
. Определение оригинала изображения искомого тока. Для этого
найдем полюсы функции изображения
Полюсы комплексно-сопряженные, поэтому общий вид функции во
временной области

- вычет в том полюсе, у которого мнимая часть имеет положительный
знак. Вычеты определяются по общей формуле
.
В нашем случае
поэтому
Полученное выражение совпадает с результатом, полученным при
решении классическим методом.
График зависимости тока 
представлен на рисунке 4:

Рисунок 4. График зависимости тока
3. Воздействие гармонической ЭДС
1. Анализ цепи до коммутации. Определяется значение тока через
индуктивность
и напряжение на емкости
до коммутации
(ключ замкнут). Так как в цепи действует
источник гармонического напряжения, то для анализа следует воспользоваться
методом комплексных амплитуд.
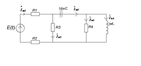
Для исходной схемы составляется комплексная схема замещения цепи
(рисунок 5) и определяются ее параметры следующим образом:
Рисунок 5. Комплексная схема замещения
,
Подставляя численные значения, получаем:
Ом
Для активных сопротивлений комплексная и действующая формы
совпадают.
Определяем ток
:
Далее запишем закон напряжений Кирхгофа для первого контура:
, откуда с учетом
получаем
Зная значение тока
, определяется комплексное амплитудное значение напряжения на
емкости:
Значение напряжения на емкости к моменту коммутации
будет соответственно равно
Далее записываем уравнения Кирхгофа для второго контура
Отсюда
Комплексное амплитудное значение тока через индуктивность до
коммутации определяется как:
Значение тока к моменту коммутации:
Таким образом, определены значения тока в индуктивности и
напряжения на емкости непосредственно перед коммутацией. Они составляют:
и
. Определение независимых начальных условий. Независимыми
начальными условиями являются ток в индуктивности и напряжение на емкости в
момент времени
, которые определяются согласно первому и
второму законам коммутации:
Следовательно,
. Составление операторной схемы замещения цепи после коммутации.
Поскольку цепь имеет ненулевые начальные условия, то с учетом внутренних
источников ЭДС операторная схема замещения цепи после коммутации будет иметь
вид представленный на рисунке 6.
Рисунок 6 - Операторная схема замещения
3. Составление уравнений электрического
равновесия цепи в операторной форме. Для цепи рис.6 можно составить систему
уравнений Кирхгофа:
В данном случае E(p) - изображение по Лапласу гармонического
воздействия:
. Решение уравнений Кирхгофа относительно изображений искомых
токов и напряжений. Полученная система уравнений имеет решение
. Определение оригинала изображения искомого тока проводим по
методу, изложенному в п.2. Искомый ток
Можно сделать вывод, что вид свободной части реакции цепи
совпадает с найденным ранее. Это связано с тем, что свободная составляющая не
зависит от внешних воздействий и определяется только параметрами цепи.
График зависимости тока
представлен на рисунке 7:
Рисунок 7. График зависимости тока
4. Метод переменных состояния
Рисунок 8.
1) Составление системы дифференциальных уравнений цепи. Для
составления системы дифференциальных уравнений записывается система уравнений
цепи по Кирхгофу:
Учтем, что
и
:
2) Эта система просто разрешается
относительно производных:
) Запишем полученную систему уравнений для переменных
состояния в матричной форме:
Т.е 
,
Таким образом,
На данном этапе можно проконтролировать правильность действий. Для
этого найдем собственные числа матрицы А:
Видно, что найденные собственные числа совпадают с корнями
характеристического уравнения цепи.
) Численный метод решения
Решим численно матричное уравнение
.
Начальные условия
и
найдены в пункте 1. Итак,
Зададим начальные значения в виде вектора
Формализованная матричная запись уравнений состояния:
Задаём конечное значение интервала интегрирования:
Задаём число точек интегрирования:
Обращаемся к программе интегрирования:
Матрица y имеет три
столбца, пронумерованные от нуля до двух. Первый из них содержит значения
времени, второй -
, третий -
.
7. Строим график переменных состояния, который представлен
на рисунке 9, 10.
индуктивность ток коммутация
Рисунок 9
Рисунок 10
) Аналитическое решение
Для аналитического решения уравнений состояния нам понадобятся
найденные выше собственные числа матрицы коэффициентов A. Это комплексно-сопряженные числа, и по ним мы можем определить
общий вид свободной составляющей переменных состояния:
,
где
.
Общий вид решения
Принужденная составляющая может быть найдена непосредственным
решением уравнения
, если принять во внимание, что при постоянных
воздействиях вынужденная составляющая реакции тоже постоянна, и поэтому
производные в левой части системы уравнений состояния будут равны нулю:
.
Отсюда
. Решая это уравнение, получаем
, что соответствует результатам, найденным в пункте 1.
Независимые начальные условия были найдены также в пункте 1:
.
Теперь необходимо найти начальные значения производных переменных
состояния. Их можно определить непосредственно по уравнениям состояния при t=0+:
С другой стороны,
. Решая систему уравнений относительно постоянных интегрирования A и φ
, получаем
.
Итак, искомые переменные состояния:
Графики этих величин можно увидеть на рисунках 9 и 10
. Определение комплексной частотной характеристики
Для нахождения операторной функции передачи цепи составим
операторную схему замещения цепи при нулевых начальных условиях (рисунок 11).
Рисунок 11. Операторная схема замещения цепи
По определению:
Подставив в полученное выражение значения R,L,C
окончательно получаем:
Отсюда находят комплексную передаточную проводимость:
Представив полученную комплексную передаточную проводимость в
показательной форме находят:
отсюда: АЧХ цепи -
ФЧХ цепи -
.
Графики АЧХ и ФЧХ приведены на рисунке 12 и рисунке 13.
Рисунок 12 - График зависимости АЧХ комплексного входного
сопротивления
Рисунок 13 - График зависимости ФЧХ комплексного входного
сопротивления
В предыдущем примере была найдена передаточная проводимость
цепи:
используя которую находят переходную характеристику цепи:
где
.
Оригинал функции
уже был найден нами в пункте 2.
Поэтому сразу запишем вид g(t):
График переходной характеристики приведен на рисунке 14
Рисунок 14. График переходной характеристики цепи
Импульсная характеристика цепи может быть определена, как
.
Полюса знаменателя функции Y(p) находились нами
неоднократно:
Общий вид решения, отвечающий комплексно-сопряженным корням
Определим k1 - вычет в точке p1:
Отсюда
График импульсной характеристики приведен на рис. 15.
Рисунок 15 - Импульсная характеристика цепи
Заключение
В соответствии с заданием были выполнены следующие расчёты:
определение зависимости тока через индуктивность от времени при воздействии
постоянной ЭДС классическим и операторным методами, была найдена зависимость
тока через индуктивность от времени при воздействии гармонической ЭДС, получены
зависимости тока через индуктивность от времени путем решения уравнений
состояния системы как численным методом с использованием алгоритма Рунге-Кутта,
так и аналитически; были определены комплексная частотная характеристика и
временные характеристики цепи.
При воздействии постоянной ЭДС (классический метод):
При воздействии постоянной ЭДС (операторный метод):
При воздействии гармонической ЭДС:
АЧХ цепи:
ФЧХ цепи:
.
Переходная характеристика:
Импульсная характеристика цепи:
Литература
1.
Попов В.П. Основы теории цепей: Учеб. для вузов.- 3-е изд., испр.
М.:
Высш. шк., 2000. - 575 с.
.
Меренков М.Б. Основы теории цепей. Методические указания к курсовому
проектированию: Учебное пособие/ Под ред. В.И. Неволина - Челябинск: Изд-во
ЮУрГУ, 2004.- 71 с.
.
Калугин Ю.Е., Меренков М.Б. Основы теории цепей: Учебное пособие.
Челябинск:
Изд-во ЮУрГУ, 2001. - 166с.
4.
Стандарт предприятия. Курсовые и дипломные проекты. Общие требования к
оформлению.