Автоматизация линии приготовления и раздачи корма на свинокомплексе
МИНИСТЕРСТВО
СЕЛЬСКОГО ХОЗЯЙСТВА И ПРОДОВОЛЬСТВИЯ РЕСПУБЛИКИ БЕЛАРУСЬ
УЧРЕЖДЕНИЕ
ОБРАЗОВАНИЯ
«БЕЛОРУССКИЙ
ГОСУДАРСТВЕННЫЙ АГРАРНЫЙ ТЕХНИЧЕСКИЙ УНИВЕРСИТЕТ»
Агроэнергетический
факультет
Кафедра
АСУП
Курсовой
проект
Тема:
«Автоматизация линии приготовления и раздачи корма на свинокомплексе»
Минск
10
Реферат
Курсовой проект выполнен в объеме:
расчетно-пояснительной запиской на 37 страницах машинописного текста, таблиц -
6, рисунков - 6;
графическая часть на 12 листах, в том числе
формата А2 - 1, А3 - 4, формата A4 - 7 листов.
Ключевые слова: автоматизация, корм, питатель,
дозатор, насос, клапан.
В данном проекте произведен анализ вариантов и
схем реализации управления линии приготовления и раздачи корма на
свинокомплексе, разработано техническое задание и определен объем
автоматизации. По результат анализа был составлен алгоритм и разработана
структура управления технологической линией. Так же была разработана полная
принципиальная схема, щит автоматики и программа для организации управления по
средствам контроллера.
Курсовой проект оформлен в соответствии с СТБ
БАТУ 01.12-06, на текстовом редакторе MS
Word 2003, для
выполнения графической части применялась система автоматизированного
проектирования AutoCAD 2008.
Содержание
Задание на курсовой
проект
Введение
. Описание работы
технологической линии
. Анализ вариантов
управления и существующего объема автоматизации технологической линии
. Техническое
задание (требования к схеме управления)
. Разработка
алгоритма управления оборудованием технологической линии
. Разработка
структуры управления в автоматическом режиме работы оборудования
. Разработка и
описание работы полной ПЭС
. Выбор средств
автоматизации
.1 Расчет
параметров потребителей
.2 Выбор
автоматических выключателей
.3 Выбор магнитных
пускателей
.4 Выбор тепловых
реле
.5 Выбор
промежуточного реле
.6 Выбор сигнальной
арматуры
.7 Выбор кнопок
управления
.8 Выбор
контроллера
.9 Выбор датчиков
. Описание работы
полной принципиальной электрической схемой
. Разработка щита
автоматики
Выводы
Литература
Введение
Автоматизация технологических процессов является
одним из решающих факторов повышения производительности и улучшения условий
труда. Все существующие и строящиеся промышленные объекты в той или иной
степени оснащаются средствами автоматизации.
Проектами наиболее сложных производств,
предусматривается комплексная автоматизация ряда технологических процессов.
Практически все институты, занимающиеся
проектированием, ведут разработки проектов автоматизации, а также занимаются
подготовкой высококвалифицированных специалистов в этой области.
Широкое внедрения средств автоматизации стало
возможным только после осуществления комплексной механизации и электрификации
сельскохозяйственного производства. В сельском хозяйстве развернута большая
организационная и научно - исследовательская работа по созданию систем
автоматизации, приборов специфического назначения, которые в ближайшие годы
дадут колоссальный экономический эффект.
Автоматизация сельскохозяйственного производства
повышает надежность и продлевает срок службы оборудования, облегчает и
оздоровляет условия труда, повышает безопасность труда и делает его более
приспособленным, сокращается использование рабочей силы и экономические
затраты, увеличивается количество и качество продукции, уменьшается процесс
стирания различии между трудом.
Автоматизация в сельском хозяйстве имеет и свои
особенности. Основные технологические процессы производства
сельскохозяйственной продукции непрерывно связаны с биологическими процессами.
Нарушения биологического режима приводит не только к недовыполнению плана, но и
к порче жилых обетов (животных, птицы, растений). Увеличения выхода продукции
можно добиться за счет улучшения условий содержания животных и лучшего
воздействия на растений.
1. Описание работы технологической
линии
Схема линии приготовления и раздачи корма на
свинокомплексе представлена на рисунке 1.1.
Линия работает в двух режимах: кормораздачи и
промывки. В режиме кормораздачи (для которого ведется разработка система
автоматического управления) линия должна работать следующим образом. Сперва в
смесителе идет приготовление смеси корма по сигналу от суточного реле времени.
Для этого в смеситель заливается определенная доза питательной жидкости, после
чего при включенной мешалке засыпается доза комбикорма и мешалка перемешивает
смесь еще дополнительное время. После окончания смешивания корма включается
движение раздаточной тележки, которая перемещается из исходного положения к
первому перекидному клапану первой кормушки, где открывает клапан и останавливается.
При этом срабатывает насос и выгружает дозу корма в первую кормушку (доза
измеряется расходомером). После выгрузки дозы насос отключается, и раздаточная
тележка движется далее. Процесс загрузки кормушек повторяется. Когда обеспечена
загрузка последней кормушки, следует обеспечить движение тележки в исходное
положение и включение звуковой сигнализации завершения работы линии в режиме
кормораздачи.
Рисунок 1.1 - Схема линии приготовления и
раздачи корма на свинокомплексе
2. Анализ вариантов управления
и существующего объема автоматизации технологической линии
Технологическая схема может иметь различные
варианты реализации и автоматизации управления. Приготовление и раздачу корма
на свинокомплексе реализуют по средствам передвижных (мобильных) и стационарных
кормораздатчиков. Выбор типа зависит от способа кормления, зональных
особенностей, условий содержания свиней, организации работ на ферме и других.
Так же возможны два основных типа дозирования: объемный и весовой.
Схему управления можно реализовать как на
основании релейно-контактной схемы, так и на базе контроллера. В курсовой
работе схему реализуем на базе контроллера, что обусловлено следующими
факторами:
надежность (исключение из схемы большого
количества релейно-контактных элементов и регуляторов, что повышает надежность
и позволяет проще устранять неполадки (сокращает возможные места их
появления));
простота исполнения (удобный и доступный
интерфейс контроллера позволяет реализовывать на нем требуемые задачи при
минимуме затрачиваемых усилий);
возможность мониторинга (контроллер позволяет
выполнять контроль и мониторинг, выполняемого процесса в реальном времени);
функциональность (в случае изменения
технологического процесса (времени срабатывания, задержек, очередности
выполняемых процессов, уставок), можно обойтись без внедрения новых элементов
схемы, путем перепрограммирования контроллера);
экономическая целесообразность (стоимость
контроллера при значительных реализуемых схемах, ниже стоимости аппаратуры,
используемой без применения контроллера. Во многих случаях, применение
контроллеров, не требует наличия постоянного обслуживающего персонала).
Таким образом, целесообразность применения
контроллера при реализации алгоритма управления обоснована.
В целях автоматизации технологического процесса
линии уборки помета из птичников, рассмотрим агрегаты, входящие в состав линии:
Привод мешалки приводящаяся в движение
электродвигателем АИР160S4 мощностью 15 кВт и синхронной частотой вращения 1500
мин1, кормовой насос с двигателем АИР80В4 мощностью 2,2 кВт и синхронной
частотой 3000 мин-1, раздаточная тележка с двигателем АИР132S4
мощностью 7,5 кВт и синхронной частотой вращения 1500 мин-1.
3. Техническое задание
(требования к схеме управления)
Схема управления должна обеспечить работу
системы в автоматическом и ручном режимах и технологическую сигнализацию о
работе оборудования и обеспечивать защиту от повторного включения приводов
после пропадания напряжения в сети.
При работе системы необходимо предусмотреть:
1) включение линии по суточному реле
времени;
2) включение линии при наличии комбикорма в
дозаторе;
4. Разработка алгоритма
управления оборудованием технологической линии
На основании выше описанного процесса,
составляем алгоритм управления, при этом примем следующие обозначения:
X1 - привод клапан
подачи питательной жидкости;
X2 - привод мешалки;
X4 - привод
раздаточной тележки (раздача);
Х5 - привод кормового насоса;
X6 - привод
раздаточной тележки (возврат);
X7 - звуковая
сигнализация ;
Z'с - контакт
суточного реле времени;
Z2 - катушка реле
времени (смешивание);
z’2 - контакт реле
времени;
Z3 - катушка реле
времени (звонок);’3 - контакт реле времени;- датчик нижнего уровня смесителя;-
датчик верхнего уровня смесителя;- датчик нижнего уровня дозатора;- концевик
(крайнее правое положение раздаточной тележки);- концевик (5 перекидной
клапан);- концевик (4 перекидной клапан);- концевик (3 перекидной клапан);-
концевик (2 перекидной клапан);- концевик (1 перекидной клапан);
с1 - расходомер (начать отсчет);
с'1 - расходомер (доза отсчитана).
Линия включается при срабатывании суточного реле
времени Z'с. При этом линия
запускается если в дозаторе есть необходимое количество комбикорма (срабатывает
датчик b3). После этого
начинается подача питательной жидкости (открывается клапан Х1), включается
мешалка Х2 и дозатор комбикорма Х3. При достижении верхнего уровня смесителя
срабатывает датчик b2 и отключается привод дозатора Х3 и закрывается клапан Х1.
После завершения процесса смешивания (по времени z’2)
отключается мешалка Х2 и включается привод раздаточной тележки Х4.
Когда раздаточная тележка доедет до 1
перекидного клапан сработает концевик b9,
тележка остановится и запустится насос Х5. После раздачи дозы корма сработает
расходомер с’1, отключиться насос Х5 и включиться Х4. Далее тележка поедет ко 2
перекидному клапану и процесс повториться.
По достижении 5 перекидного клапан и раздачи
дозы корма включиться Х6, движение тележки в обратном направлении, который
отключиться по концевику b4. После этого включиться звуковая сигнализация Х7,
которая отключиться по реле времени z’3.
На основании всего вышеизложенного составляем
схему алгоритма управления технологическим процессом.
Рисунок 4.1 - Схема алгоритма управления
Вывод: Алгоритм реализуем, так как суммарное
весовое состояние равно нулю.
5. Разработка структуры
управления в автоматическом режиме работы оборудования
Разработку начинаем с таблицы частных включений
исполнительных механизмов. В нее входят: само исполнительное устройство,
контакты командного аппарата, включающего исполнительный механизм, и контакты
аппаратов, срабатывающих и обеспечивающих выполнение всех условий,
предъявляемых к данной технологической линии.
Разработку структуры управления будем вести по
режимам работы.
Структурная схема исполнительного
элемента Х1
Таблиц 5.1 - Таблица частных включений ИЭ Х1
|
Э
|
Вес
Э
|
Такты
|
|
|
1
|
2
|
3
|
4
|
5
|
6
|
7
|
8
|
|
x1
|
1
|
-
|
-
|
+
|
+
|
+
|
+
|
-
|
-
|
|
zc
|
2
|
-
|
+
|
+
|
+
|
-
|
-
|
-
|
-
|
|
b3
|
4
|
+
|
+
|
+
|
-
|
-
|
-
|
-
|
-
|
|
b2
|
8
|
-
|
-
|
-
|
-
|
-
|
+
|
-
|
|
Весовое
состояние
|
4
|
6
|
7
|
3
|
1
|
9
|
8
|
0
|
Из анализа весового состояния видно, что схему
можно реализовать без дополнительных элементов.
Из структурной теории релейных устройств
известна следующая структурная формула для определения первоначальной структуры
элемента Х:
,
где fср(х) −
логическое произведение контактов элементов в такте отпускания, обеспечивающих
замкнутую цепь элемента, для которого определяется структурная формула(контакт
элемента в fср не
входит).
fотп(х) −
логическое произведение контактов элементов в такте отпускания, обеспечивающих
замкнутую цепь элемента, для которого определяется структурная формула (контакт
элемента в fотп не
входит).
.
Используя закон де Моргана преобразуем
полученное выражение.
.
Для упрощения первоначальных
структурных формул элемента можно воспользоваться таблицей покрытий. Она
позволяет исключить из первоначальной структурной формулы лишние слагаемые,
которые либо не реализуют какие-либо такты или реализуют их с помощью
дополнительных слагаемых структурной формулы.
Таблица 5.2 - Таблица покрытий ИЭ Х1
|
№
|
Цепь
|
Такты
|
|
|
2
|
3
|
4
|
5
|
|
1
|
XX--
|
|
|
|
|
|
2
|
-XX-
|
|
|
|
|
|
3
|
-X--
|
|
|
|
|
|
4
|
-XXX
|
|
|
|
|
.
Рисунок 5.1 - Структурная схема управления ИЭ Х1
Проводим аналогичные операции и расчеты для
остальных элементов. Структурные формулы и схемы включения для этих элементов
сведем в таблицу 5.3.
Таблица 5.3 - Структурные формулы и схемы
включения
|
Э
|
Структурная
формула
|
Схема
включения
|
|
X2
|

|
|
|
X3
|

|
|
|
X4
|

|
|
|
X5
|

|
|
|
X6
|

|
|
|
Х7
|

|
|
|
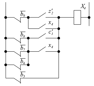
Z2
|

|
|
|
Z3
|

|
|
|
С1
|

|
|
На основании полученных частных структурных схем
всех элементов составим полную структурную схему управления технологическим
процессом. При ее составлении произведем минимизацию схемы управления.
Рисунок 5.2 - Полная структурная схема
управления технологическим процессом
Рисунок 5.3 - Структурная схема САУ
разработанная на базе α-2 контроллера
Приведем пример представления принципиальной
схемы ИЭ, выраженной во включении X1, X2
и X3.
Составим таблицу входов выходов для программы
управления элементами X1, X2
и X3:
Таблица 5.4 - Таблица входов выходов для
программы управления элементом Х1
сигнал
|
выход
|
сигнал
|
|
I 07
|
Датчик
уровня SL1
|
O 01
|
К1(управление
мешалкой)
|
|
I 08
|
Датчик
уровня SL2
|
O 06
|
Y1(управление
дозатором комбикорма)
|
|
|
O 07
|
Y2(управление
подачей питательной жидкости)
|
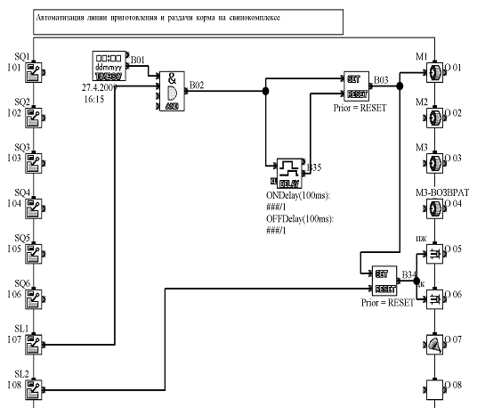
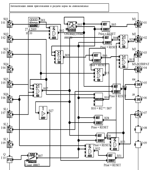
Рисунок 5.4 - Пример программы реализуемой на
контроллере
Описание структурных блоков программы:
По сигналу от элемента TIMESW
и при наличии комбикорма в дозаторе на выходе элемента AND формируется
логическая единица, которая поступает на вход элемента SET/RESET
(B03) и SET/RESET
(В34). На выходах О 01, О06 и О 07 формируется логическая единица. При полоном
заполении смесителя срабатывает датчик уровня SL2
и подается логическая единица на вход RESET
элемента В34, в следствие чего, на выходах О 06 и О 07 формируется логический
ноль. По сигналу от элемента DELAY
(задержка на смешивание) логическая единица поступает на вход RESET
элемента В03. НА выходе О 01 формируется логический ноль.
6. Разработка и описание работы
полной ПЭС
Принципиальная электрическая схема управления
должна обеспечить:
безопасность людей;
надежную работу технологической линии;
удобство в эксплуатации;
быть экономически целесообразной.
При проектировании электрической принципиальной
схемы руководствуемся действующим стандартом на условные обозначения элементов
на принципиальных электрических схемах, правилами устройства электроустановок.
Принимаем следующие буквенно-цифровые обозначения аппаратов:
X1 - привод клапан
подачи питательной жидкости (Y2);
X2 - привод мешалки
(KM1);
Х3 - привод дозатора комбикорма (Y1);
X4 - привод
раздаточной тележки (раздача) (KM3);
Х5 - привод кормового насоса (KM2);
X6 - привод
раздаточной тележки (возврат) (KM4);
X7 - звуковая
сигнализация (HA1);- датчик
нижнего уровня смесителя (SL3);-
датчик верхнего уровня смесителя (Sl2);-
датчик нижнего уровня дозатора (SL1);-
концевик (крайнее правое положение раздаточной тележки) (SQ1);-
концевик (5 перекидной клапан) (SQ6);-
концевик (4 перекидной клапан) (SQ5);-
концевик (3 перекидной клапан) (SQ4);-
концевик (2 перекидной клапан) (SQ3);-
концевик (1 перекидной клапан) (SQ2);
с1 - расходомер (B1);
Для проведения пуско-наладочных работ
предусматриваем в схеме возможность независимого включения электродвигателей,
для этой цели устанавливаем пакетный переключатель SA1, а для включения
электродвигателей (магнитных пускателей) устанавливаем кнопки управления SB1
- SB8.
Также в схеме предусмотрена защита от перегрузки
тепловыми реле КК1 - КК3, и световая сигнализация, посредствам сигнальных ламп
HL1 -HL5.
В полном объеме электрическую принципиальную
схему вычерчиваем на листе 2 графической части.
7. Выбор средств автоматизации
.1 Расчет параметров потребителей
Для выбора средств автоматизации необходимо
рассчитать рабочие параметры потребителей, в частности в нашем случае
электродвигателей.
Номинальный ток электродвигателя:
(7.1)
где Рн - Номинальная мощность
электродвигателя, кВт;
cosφ -
коэффициент мощности ЭД, о.е.;
Uн -
номинальное напряжение, кВ.
Для привода мешалки:
Технические данные потребителей
сводим в таблицу 7.1.
Таблица 7.1 ─ Технические данные
электродвигателей [5, приложение 10]
|
Обозначение
|
Наименование
рабочей машины
|
Тип
|
Рн
|
Iн
|
η
|
nн
|
cos φ
|
Ki
|
|
|
|
кВт
|
А
|
%
|
мин-1
|
о.е.
|
о.е
|
|
М1
|
Мешалка
|
АИР160S4
|
15
|
28,5
|
90
|
1500
|
0,89
|
|
М2
|
Насос
|
АИР80В4
|
2,2
|
4,6
|
83
|
3000
|
0,87
|
7
|
|
M3
|
Раздаточная
тележка
|
АИР132S4
|
7,5
|
15,1
|
87,5
|
1500
|
0,86
|
7,5
|
.2 Выбор автоматических выключателей
Автоматические выключатели выбираем для защиты
цепи и электродвигателей от перегрузки и токов короткого замыкания.
Выбираем автоматический выключатель по следующим
условиям:
номинальному напряжению автомата
н.а ≥Uн.с., (7.2)
где Uн.а. - номинальное напряжение автоматического
выключателя, В;н.с. - номинальное напряжение сети, В.
номинальному току автомата
н.а. ≥Iдл., (7.3)
где Iн.а. - номинальный ток автоматического
выключателя, А;дл. - рабочий ток цепи, защищаемой автоматом, А.
Для группы токоприемников:
(7.4)
(7.5)
(7.6)
(7.7)
(7.8)
где
- полная расчетная мощность линии,
ВА;н - номинальное напряжение линии, В;з - коэффициент загрузки
электроприемника;
cosφн - номинальный коэффициент
мощности;- коэффициент, зависящий от значения cosφн [8,
рисунок П2.1].
номинальному току теплового
расцепителя
н.р.≥ kн.т Iдл., (7.9)
где Iн.р - номинальный ток теплового
расцепителя автомата, А; н.m - коэффициент надежности,
учитывающий разброс по току срабатывания теплового расцепителя, принимается в
пределах от 1,1 до 1,3.
току отсечки электромагнитного
расцепителя
н.э-м.≥kн.э
Iкр., (7.10)
где Iн.э-м. - ток отсечки
электромагнитного расцепителя, А; н.э - коэффициент надежности, учитывающий
разброс по току электромагнитного расцепителя и пускового тока электродвигателя
(для автоматов АП-50, АЕ-2000 и А3700 kн.э=1,25, для А3100 kн.э=1,5),кр. -
максимальный ток короткого замыкания в месте установки автомата, А.
Для группы электроприемников:
(7.11)
где
- пусковой ток электродвигателя или
группы одновременно запускаемых электродвигателей, при пуске которых
кратковременный ток линии достигает наибольшего значения, А;
- сумма номинальных токов электродвигателей
без учета тока пускаемого электродвигателя, А.
предельному отключаемому току:
пред.откл≥Iкр. (7.12)
где Iпред.откл - предельный
отключаемый автоматом ток, А.
Выбираем автоматический выключатель
QF1. Автоматический выключатель защищает группу электродвигателей.
Принимаем коэффициенты загрузки
электродвигателей
кВА.
Определим силу тока в защищаемой цепи.
А.
Определяем максимальный ток
короткого замыкания в месте установки автомата.
А.
Ток срабатывания теплового
расцепителя:
А.
Ток срабатывания электромагнитного
расцепителя:
А.
На основании приведенных расчетов
для защиты цепи выбираем автоматический выключатель АЕ2043М-20Н-40У3.
Аналогично выбираем автоматические
выключатели для защиты остальных двигателей.
.3 Выбор магнитных пускателей
Электромагнитные пускатели выполняют функции
аппаратов дистанционного управления и отключения токоприемников при понижении
напряжения, блокировку и реверсирование.
Выбираем магнитный пускатель по рабочему
напряжению, по степени защиты от условий окружающей среды, по комплектности.
Выбираем магнитный пускатель серии ПМЛ открытого исполнения (IP54) без кнопок и
сигнальной арматуры.
Магнитный пускатель выбираем по условиям:
н.п. ≥Uн.л. (7.12)
, (7.13)
380В=380В
40А>28,5А
Для двигателя М1 выбираем магнитный пускатель
ПМЛ-310004А с Iн.п.=40А. [3, приложение 1].
Аналогично производим выбор магнитных пускателей
для остальных электродвигателей. Результаты сводим в спецификацию перечня
элементов принципиальной электрической схемы
7.4 Выбор тепловых реле
Тепловые реле применяют для защиты
электродвигателей от перегрузки. Условия выбора следующие:
н.р. ≥Uн.л. (7.14)
, (7.15)
Для электродвигателя М1 выбираем тепловое реле
типа РТЛ-205304 с пределами регулирования тока уставки реле (23-32)А.
В=380В
80А>28,5А
Аналогично производим выбор тепловых реле для
остальных электродвигателей. Результаты сводим в спецификацию перечня элементов
принципиальной электрической схемы.
.5 Выбор промежуточного реле
Реле применяют для коммутации цепей управления.
Реле выбираем по роду тока (переменный или постоянный), по числу и виду
контактов (замыкающих и размыкающих), по мощности в цепи контактов реле.
Надежность срабатывания реле определяется коэффициентом возврата (Кв=0,15 -
0,99) - для электромагнитных реле и коэффициентом запаса Кз=1,5 - 3,0.
Для данной схемы выбираем электромагнитное реле
постоянного тока типа РЭП, предназначенное для коммутации электрических цепей
переменного тока в схемах автоматизации.
Технические данные реле:
номинальное напряжение реле 24В,
потребляемая мощность 3,5 - 6,5 ВА,
количество замыкающих контактов - 2 пары,
количество переключающих контактов - 2 пары.
.6 Выбор сигнальной арматуры
Сигнальная арматура выбирается по рабочему
напряжению, по конструктивному исполнению, по виду источника света, по цвету
свечения.
Для данной схемы выбираем сигнальную арматуру
типа АЕ323221У имеющую зеленый колпачок и типа АЕ324221У с красным колпачком.
.7 Выбор кнопок управления
Выключатели кнопочные предназначены для
коммутации электрических цепей управления. Выбор производим по напряжению,
значению коммутируемого тока, количеству контактов, наличию устройств
сигнализации.
автоматизация сельскохозяйственный
корм раздача
7.8 Выбор контроллера
Из анализа технологического процесса и алгоритма
управления видно, что контроллер должен обладать следующими параметрами:
9 дискретных входа;
7 дискретных выходов;
обладать достаточно высокими быстродействием;
достаточным количеством функций;
эффективность и максимальная надежность в
работе;
легкость программирования и
перепрограммирования;
относительно малая стоимость.
Из всего многообразия микропроцессорных средств
для управления технологическими процессами выбираем микроконтроллер ALPHA
AL2 - 24MR
- D фирмы Mitsubishi,
характеристики которого представлены в таблице 7.4.
Таблица 7.3
- Основные
параметры контроллера[4]
|
Электропитание
|
24В
DС
|
|
Каналы
ввода
|
15
|
|
Каналы
вывода
|
9
|
|
Каналы
дискретного ввода
|
15
|
|
Каналы
дискретного ввода, конфигурируемые как аналоговые (0 - 10В)
|
15
|
|
Каналы
релейного вывода
|
9
|
|
Функциональные
блоки
|
до 200
|
|
Встроенные
функции
|
38
|
|
Габаритные
размеры (мм)
|
124,6
x 90 x 52
|
Характерные особенности системы серии Альфа-2
[4]:
) Сообщения, выводимые на дисплей, и данные
функционального блока. В контроллере серии "Альфа-2" имеется
возможность отображать на жидкокристаллическом дисплее рабочее состояние и
состояние аварийного сигнала в виде сообщения. Обеспечивается отображение
следующего содержания, с использованием функционального блока отображения.
Значения, установленные для отображаемых таймеров и счетчиков может быть
изменено в режиме РАБОТА (RUN).
Общее количество символов на
жидкокристаллическом дисплее: 12 символов х 4 строки
Выводимые на дисплей виды информации: Сообщение,
значение (текущее или установленное) для таймера и счетчика, аналоговые
величины и т. д.
) Программирование в режиме работы с
персональным компьютером выполняется быстро и легко. Программное обеспечение
AL-PCS/WIN-E для Windows способно создавать и сохранять программы.
Программирование может осуществляться с использованием наглядного метода, при
котором используются линии, соединяющие функциональные блоки в окне
программирования. Также имеется возможность выполнять непосредственное
программирование с использованием клавишей, расположенных на передней панели
контроллера "Альфа-2".
) Изображение на жидкокристаллическом экране
пересылается по GSM модему. Контроллеры серии "Альфа-2" способны
пересылать изображение, выводимое на жидкокристаллический дисплей, в виде
сообщения, передаваемого по электронной почте с использованием GSM модема.
Пользователь может следить за состоянием выполнения прикладной задачи при
помощи доступа к диагностическим сообщениям, посылаемым по электронной почте
через GSM модем.
) Связь с компьютером поддерживается при помощи
специализированного протокола. Контроллер серии "Альфа-2"
поддерживает связь с компьютером (с помощью специализированного протокола).
Специализированное по задачам пользователя прикладное программное обеспечение,
при использовании линии связи с компьютером, дает возможность u1080 изменять
плановые данные, параметры внутри функциональных блоков, и обеспечивает
контроль состояния при выполнении прикладной задачи.
) Усовершенствованная функция часов.
Еженедельный таймер и функции календарного таймера имеют множество переключателей,
которые могут быть установлены на разные моменты срабатывания, и обеспечивают
широкие возможности управления с временной зависимостью.
) Аналоговый вход, 0 - 10В/0 - 500, -50 o C -
200 o C (датчик РТ 100), -50 o C - 450 o C (термопара К- типа):
Вход пост. тока контроллера серии
"Альфа-2" может воспринимать сигналы 0 - 10 В при разрешающей
способности 0 - 500.
) Аналоговый выход, 0 - 4000/0 - 10, 0 - 200 / 4
- 16 мА:
Контроллер серии "Альфа-2" может
генерировать выходные сигналы в виде напряжения и тока.
) Высокоскоростной счетчик, максимум 1 кГц
Контроллер серии "Альфа-2" имеет
высокоскоростные счетчики (максимум две позиции) при использовании блоков
AL2-4EX (EI1, EI2).
) Высокие возможности по величине выходного
тока.
В установке следующие датчики:
концевые выключатели:
Конечные выключатели выбираем по конструктивному
исполнению, по количеству контактов, по токовой нагрузке на контактах.
Выбираем конечные выключатели серии
ВП19М21Б421водозащитного исполнения. Это выключатели контактные прямого
действия, для срабатывания в электрических цепях под воздействием упоров
(кулачков) в определенных точках пути контролируемого объекта. Время
переключения контактов не зависит от скорости переключения приводного
механизма.
Номинальный ток продолжительного режима работы
выключателя 6А. Предельная выключающая и отключающая способность при напряжении
220В переменного тока: ток включения при коэффициенте мощности (0,6 - 0,7) -
30А, ток отключения при коэффициенте мощности (0,3 - 0,4) - 12А.
датчики уровня:
Датчики уровня выбираем по конструктивному
исполнению, по количеству контактов, по токовой нагрузке на контактах.
Выбираем датчик уровня мембранный БСУ-2 У2.
реле расхода:
Из условий технологического процесса,
экономических соображений и по способу обработки сигнала выбираем датчик - реле
расхода корреляционный ДРК-3 с импульсным выходом.
8. Описание работы полной
принципиальной электрической схемой
Принципиальная электрическая схема
предусматривает автоматический и ручной режим работы.
В автоматическом режиме работы переключатель SA1
устанавливают в положение I.
Получает питание микроконтроллер ALPHA.
Система работает циклически, в соответствии с
работой суточного реле микроконтроллера.
При срабатывании суточного реле микроконтроллера
и наличии комбикорма в дозаторе (сработал датчик SL1)
контроллер подает питание на катушки К1, Y1 и Y2. Начинается подача питательной
жидкости и комбикорма в смеситель, с одновременным перешиванием. После
наполнения смесителя срабатывает датчик верхнего уровня SL2
и контролер обесточивает катушки Y1 и Y2. Процесс смешивания длиться
определенное время, по истечении которого контроллер обесточивает катушку К1 и
подает питание на катушку К3. Раздаточная тележка начинает движение. По
достижении тележкой первого перекидного клапана срабатывает концевой
выключатель SQ1 и
контроллер обесточивает катушку К3 и подает питание на катушку К2. Начинается
подача корма к кормушке. Расход корма считается расходомером В1, который
формирует импульсный сигнал, подаваемый на вход котроллера. Один импульс
соответствует определенному количеству корма. Контроллер подсчитывает
количество импульсов, и по достижении определенной дозы корма обесточивает
катушку К2 и поддет питание на К4. Тележка начинает движение к следующему
перекидному клапану, где процесс раздачи повторяется. По достижении последнего
перекидного клапан и выдачи дозы корма, контроллер подает питание на катушку К4
и тележка начинает движение в исходное положение, по достижении которого
срабатывает концевой выключатель SQ1
и контроллер обесточивает катушку К4 и кратковременно подает питание на звонок HA1.
В ручном режиме работы переключатель SA1
устанавливают в положение II.
В этом случае работой двигателей управляют по средствам кнопок SB1 - SB8.
9. Разработка щита автоматики
Щиты систем автоматизации предназначены для
размещения в них средств контроля и управления технологическими процессами,
контрольно-измерительных приборов, аппаратуры управления, защиты, сигнализации
и других.
Щиты устанавливаются в производственных или отдельных
(щитовых) помещениях.
Основанием для разработки щита управления
является полная принципиальная схема управления, контроля и сигнализации,
представленная на листе 2 графической части проекта.
Предварительно выписываем размеры аппаратов и их
монтажных зон, способ крепления аппаратов на монтажных рейках. Производим
компоновку аппаратов, устанавливаемых на задней стенке шкафа управления, на
двери с учетом рекомендаций по их размещению. Приборы и аппараты,
устанавливаемые внутри шкафа, рекомендуется размещать на следующих расстояниях:
от основания шкафа 200мм (при установке блоков зажимов 250мм); от верхней и
боковых стенок 50мм (при установке блоков зажимов 100мм).
Подвижные токоведущие части аппаратов в
отключенном состоянии не должны быть под напряжением. Их следует размещать так,
чтобы они под действием силы тяжести не могли самопроизвольно замкнуть свои
контакты. Расстояния между оголенными частями различных фаз по воздуху должно
быть не менее 20мм. Аппараты с тепловыми элементами рекомендуется размещать в
нижней зоне, на двери рекомендуется устанавливать сигнальные аппараты,
командные органы (кнопки управления, тумблеры, переключатели и т. п.).
В качестве пульта управления используем ящик
навесной малогабаритный типа ЩШМ-Х-1-1000х600х350-4Р IP30
ОСТ 36.13-90.
На передней панели щита (двери) в верхней зоне
размещаем 5 сигнальных ламп. В следующем ряду располагаем пакетный
переключатель. В третьем и четвертом рядах размешаем кнопки управления.
На задней стенке пульта располагаем
автоматические выключатели, магнитные пускатели и промежуточное реле по рядам
сверху вниз. В нижней части пульта устанавливаем блоки зажимов.
Производим окончательную компоновку приборов
внутри пульта управления. При компоновке аппаратов определяем расстояния между
осями приборов. Аппараты располагаем с учетом их монтажных зон и варианта
крепления аппаратов на монтажных рейках. Монтажные рейки крепятся на монтажных
угольниках.
На двери пульта управления под аппаратами
располагаем поясняющие надписи.
Вид на развернутые плоскости пульта управления
приводим на листе и графической части проекта. Размеры монтажных зон берем из
приложения 11[3].
Выводы
В данном проекте произвели разработку
автоматизации линии приготовления и раздачи корма на свинокомплексе.
Разработали: алгоритм управления оборудованием технологической линии, структуру
управления работы оборудования в автоматическом и ручномом режимах, полную
принципиальную электрическую схему и щит автоматики. Произвели выбор средств
автоматизации.
В графической части изобразили: полную
принципиальную схему управления линией риготовления и раздачи корма на
свинокомплексе, схему соединения внешних проводок и разработанный щит
автоматики.
Данная схема по сравнению с аналогичными
типовыми схемами управления линии приготовления и раздачи корма на
свинокомплексе проста и не требует большого количества средств автоматизации,
что и является преимуществом при её разработке и быстрому внедрению в
производственный процесс.
Литература
1.
Фурсенко, С.Н. Автоматизация технологических процессов : учеб. пособие / С.Н.
Фурсенко, Е.С. Якубовская, Е.С. Волкова. - Минск: БГАТУ, 2007. - 592 с.
.
Методическое руководство к курсовому и дипломному проектированию для
специальности С.03.02.02. “Автоматизация технологических процессов и
установок”. - Минск: ротапринт БАТУ, 1988.
.
Якубовская, Е.С. Автоматизация технологических процессов сельскохозяйственного
производства: практикум/ Е.С. Якубовская, Е.С. Волкова. - Минск: БГАТУ, 2008. -
319 с.
.
Автоматика - сервис [Электронный ресурс] / Поставщик современных систем и
средств автоматизации для всех отраслей промышленности. Режим доступа:
http://www.avtomatika.info/ALPHA/5.pdf. - Дата доступа: 15.09.2008.
.
Электропривод. Часть 1. Проектирование нерегулируемого электропривода рабочей
машины [Текст]: учебно - методическое пособие по курсовому и дипломному
проектированию / БГАТУ; сост. В.В. Гурин, Е.В. Бабаева. - Минск, 2006. - 316 с.
.
Якубовская, Е.С. Проектирование и САПР систем автоматизации: практикум / Е.С.
Якубовская - Минск : БГАТУ, 2008. - 204 с.