Выбор деталей для коробки скоростей
Содержание
Введение
1. Задание
2. Выбор деталей
3. Расчет размерной цепи
. Обоснование точности,
шероховатости и требований по анализируемым деталям
. Расчет предельного калибра
Список используемой литературы
Введение
Коробка скоростей - механизм, для передачи
вращения от двигателя, через ременную передачу и связанных с ней устройств
(шестерни на валу) к рабочей машине.
Шкив закреплен консольно на конце вала концевой
шайбой и болтом. Вращение на вал передается через ременную передачу с помощью
шкива через шпоночное соединение. Вал опирается на шариковые подшипники
качения, размещенные в гнездах корпуса. Зазоры в соединениях регулируются
набором прокладок.
Сквозная крышка имеет уплотнение (сальник)
против возможного вытекания масла.
1. Задание
. Вариант задания
Размеры прямобочного шлицевого
соединения d8x46x50
=
; 0,07с<р≤0,15С.
Индивидуальное задание - чертеж 2 детали (вал).
. Краткая характеристика
особенностей функционирования деталей. В качестве сборочного чертежа дана
ременная передача, на валу которой установлен шкив. Вал монтируется на двух
опорах, расположенных в специальных приливах корпуса. Перемещение вала вдоль оси
предотвращается подшипниками, зажатыми в корпусе крышками. Вращение на вал
передается зубчатой передачей - шестерней.
2. Выбор деталей
подшипник вал втулка
деталь
1.
Подшипники
Подшипники качения работают
преимущественно при трении качения и состоят из двух колец, тел качения и
сепаратора, отделяющего тела качения друг от друга, удерживающего на равном
расстоянии и направляющего их движение. Подшипники разных типов отличаются
величиной и направлением воспринимаемой нагрузки, а так же формой.
Подшипники делятся на:
подшипники с витыми роликами;
игольчатые роликовые подшипники;
радиально - упорные подшипники;
двухрядные радиально - упорные
подшипники;
радиально - упорные конические
роликоподшипники;
шариковые двухрядные сферические
подшипники;
упорные шарикоподшипники;
шариковые двухрядные сферические
подшипники;
упорные шарикоподшипники.
Для нашей коробки передач мы
выбираем шариковые радиально - упорные однорядные подшипники лёгкой серии
№36205К6 по ГОСТ 831-75, т.к. вал испытывает радиальные и осевые нагрузки.
Диаметр шлицов
, уменьшим
этот диаметр до ближайшего стандартного диаметра под подшипники.
,
,
,
,
.
Внутренним кольцом подшипник
установлен на валу, это кольцо вращается вместе с валом относительно
действующей радиальной нагрузки и имеет, следовательно, циркуляционное
нагружение, так как по условию 0,07с<р≤0,15С, то выбираем поле допуска
отверстия k6 -
. Наружное
кольцо подшипника неподвижно относительно радиальной нагрузки и подвергается
местному нагружению, поэтому выбираем поле допуска отверстия Н7 -
.
Расчет посадок подшипника на
вал:
Отклонения отверстия: ES = 0 EI = - 0.012
Отклонения вала: es = 0.018 ei = 0.002
Наибольший натяг: Nmax= es - EI = 0,018 -
(- 0,012) = 0,03
Наименьший натяг: Nmin = ei - Es = 0.002 - 0
=0.002
Допуск отверстия: TD = ES - EI = 0 - (-
0.012) = 0.012
Допуск вала: Td = es - ei = 0.018 -
0.002 = 0.016
Допуск посадки: TN = TD + Td = 0.012 +
0.016 = 0.028
Рассчитаем среднее квадратическое
отклонение натяга (зазора):
Пределы интегрирования:
Вероятность натяга и зазора
определяется по формулам:
Схема полей допусков:
Расчет посадок подшипника в корпус:
Отклонения отверстия: ES
= 0.035 EI = 0
Отклонения вала: es
= 0 ei = - 0.015
Наибольший зазор: Smax
= ES - ei
= 0.035+ 0.015 = 0.05
Наименьший зазор: Smin
= EI - es
= 0
Допуск отверстия: TD
= ES - EI
= 0.035 - 0 = 0.035
Допуск вала: Td
= es - ei
= 0 + 0.015 = 0.015
Допуск посадки: TS
= TD + Td
= 0.035 + 0.015 = 0.05
Схема полей допусков:
. Упорная втулка
Размеры упорной втулки, выберем
эмпирическим путём, опираясь на диаметр вала
.
Втулка А 45/60 x 10 ГОСТ
11371-78
.
Уплотнительная втулка
Размеры уплотнительной втулки
определим относительно диаметра вала
.
Втулка А 45/55 x 30 ГОСТ
24833-81.
,
,
,
.
Поля допусков отверстия
уплотнительной втулки и упорной втулки заданы в связи с установкой соседних
деталей (подшипников). Эти детали базируются по торцам смежных деталей.
При установке упорной втулки на всей
длине посадочного участка вала сохраняем поле допуска k6, как это
требуется для установки подшипника. Это упрощает шлифование поверхности вала и
не увеличивает номенклатуру режущего и измерительного инструмента, тогда поле
допуска отверстия назначают по D11.
Посадка втулок Ø45D11 (
)/ k6(
).
Отклонение отверстия: ЕS
= 0,240 мм, EI = 0,080 мм
Отклонение вала: es
= 0,018 мм, ei = 0,002 мм
Наибольший зазор: S
max=
ЕS - ei
= 0,240 - 0,002 = 0,238 мм
Наименьший зазор: S
min=
EI - es=
0,080 - 0,018 = 0,062 мм
Допуск отверстия: TD
= ES - EI
= 0,240 - 0,080 = 0,160 мм
Допуск вала: Td
= es - ei
= 0,018 - 0,002 = 0,016 мм
Допуск посадки: TS
= TD+Td
= 0,160 + 0,016 = 0,176 мм
Схема полей допусков:
4. Крышки подшипников
Торцевые крышки предназначены для герметизации
подшипников качения, осевой фиксации подшипников и восприятия осевых нагрузок.
Крышки изготовляются из чугуна марки СЧ21 или стали Ст. 3. Различают крышки
привертные и закладные.
Привертные крышки бывают глухие и с отверстием
для выходного конца вала.
Форма крышек зависит от конструкции опоры вала.
Чаще всего торец вала выступает за пределы подшипников, поэтому наружная
поверхность крышки плоская или выступает.
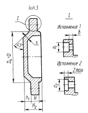
Глухую крышку
выбираем по внешнему диаметру подшипника.
D=85 мм, D1=100
мм, D2=120
мм, D3=72
мм, Н2=26 мм, Н=12 мм, d1=15
мм, d2=20мм,
s=6 мм, b=4
мм, h1
= 8 мм.
Крышка 32-72 ГОСТ 18511-73.
Крышку торцовую с канавкой для
уплотнительного кольца выбираем по внешнему диаметру
уплотнительной втулки d=55
мм. D=85 мм, D1=100
мм, D2=120
мм, D3=72
мм, D4=56
мм, H=18 мм, В=11 мм. Крышка
1-55 ГОСТ 11641-73.
Поле допуска крышек -
:
Отклонения отверстия: ES = 0.03 EI = 0
Отклонения вала: es = 0 ei = - 0.046
Наибольший зазор: Smax = ES - ei =0.03+0.046
= 0.076
Наименьший зазор: Smin = EI - es = 0 - 0 = 0
Допуск отверстия: TD = ES - EI = 0.03 - 0
= 0.03
Допуск вала: Td = es -ei =0 + 0.046
= 0.046
Допуск посадки: TS = TD + Td =
0.03+0.046 = 0.076
Среднее квадратическое отклонение
для посадки :
Пределы интегрирования:
Вероятность натяга и зазора
определяется по формулам:
Схема полей допусков:
5. Шкив
В соответствии с заданием выбираем шкив типа 3
монолитный с односторонней выточкой.
Расчет размеров шкива:
Сечение ремня Z,
следовательно, расчетный диаметр меньшего шкива - 63 мм. Ширину шкива вычисляют
по формуле:
M = (n
- 1)e + 2f,
где n
- число ремней в передаче (n=3),
e = 12, f
= 8.0
M = (3 - 1)12 + 2∙8
= 40 мм
dp
= 180 мм
Наружный диаметр шкива вычисляют по формуле:
de = dp + 2b,
где b =
2,5e = 180 +2.5∙2 = 185 мм
h = 7.0
α
= 40о
Для
посадки шкива на вал используется призматическая шпонка N9/h9. de=185 мм, dp=180 мм, M=40 мм.
Шкив
3 Z 3.180.22 СЧ
20 ГОСТ 20889-88
6. Шпонка
Движение
на зубчатое колесо от вала передается призматической шпонкой, соединяющей вал
со шкивом, передающим крутящий момент.
Шпоночные
соединения бывают призматические, сегментные и клиновые. Все шпоночные
соединения подразделяются на два типа: ненапряженные с призматическими и
сегментными шпонками и напряженные с клиновыми шпонками.
Чаще
всего применяется группа ненапряженных призматических и сегментных шпоночных
соединений (зубчатые колеса, эксцентрики и подобные детали на валах).
Использование призматических шпонок дает возможность более точно центрировать
элементы и получать как неподвижные (в случае применения обыкновенных
призматических шпонок), так и скользящие соединения (при использовании
направляющих шпонок с креплением на валу). Соединение с сегментной шпонкой
применяют для образования только неподвижных соединений. Соединения с клиновыми
шпонками применяются реже, так как они недопустимы при высоких требованиях к
соосности соединяемых деталей, смещая их геометрические оси на размер
посадочного зазора. Применяются эти соединения в тех случаях, когда подобные
смещения осей не имеют существенного значения.
Сегментные
- ГОСТ 24071-97.
Для
призматических шпонок предусмотрены три соединения:
свободное
соединение Н9/d10;
номинальное
соединение N9/h9;
плотное
соединение P9/p9.
Выбираем размеры шпонки в
соответствии с диаметром вала d = 42 мм,
, l = 28 мм.
Шпонка
ГОСТ 23360 -
78.
Выбираем номинальное соединение с
полем допуска ширины паза на валу -
, полем допуска ширины шпонки -
Расчет посадок:
Отклонения отверстия: ES = 0 EI = - 0.043
Отклонения вала: es = 0 ei = - 0.043
Наибольший зазор: Smax = ES - ei = 0 + 0.043
= 0.043
Наибольший натяг: Nmax = es - EI = 0 + 0.043
= 0.043
Допуск отверстия: TD = ES - EI = 0.043
Допуск вала: Td = es - ei = 0.043
Допуск посадки: TN = TD + Td = 0.043 +
0.043 = 0.086
Рассчитаем среднее квадратическое
отклонение натяга (зазора):
Пределы интегрирования:
Вероятность натяга и зазора
определяется по формулам:
Схема полей допусков:
7. Резьбовые соединения
Для крепления крышек выбираем болты с
шестигранной головкой исп. 1 ГОСТ 7805-70 d
= 16 мм, l = 35 мм. Болт
М16-6g
x
35.58 (S24)
ГОСТ7805-70 и увеличенные шайбы ГОСТ 6958-78 d
= 16 мм, d1
= 17 мм, d2
= 50 мм, s = 3 мм. Шайба
А16 ГОСТ 6958-78.
Болт Шайба
С левой стороны к валу крепится шкив посредством
навинчивания на резьбу, выточенную на валу, шестигранной гайки класса точности
В исп. 1 ГОСТ 5915-70 d
= 16 мм, e = 26,2 мм, m
= 13 мм, s=24 мм. Гайка
М16 - 6Н.5 (S19)
ГОСТ 5915-70.
Посадка гайки -
, посадка
болта -
Расчет посадок:
Отклонения отверстия: ES = 0.011 EI = 0
Отклонения вала: es = - 0.006 ei = - 0.017
Наибольший зазор: Smax= ES - ei = 0.011 +
0.017 = 0.028
Наименьший зазор: Smin = EI - es = 0 + 0.006
= 0.006
Допуск отверстия: TD = ES - EI = 0.011
Допуск вала: Td = es - ei = - 0.006 +
0.017 = 0.011
Допуск посадки: TS = TD + Td = 0.011 +
0.011 = 0.022
Схема полей допусков:
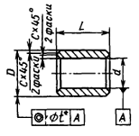
8. Шлицевое соединение
Длина шлицевой части определим как
По условию задано центрирование по
внутреннему диаметру d=46 мм. Такое центрирование
используют, когда шлицевой вал имеет большую длину и после термообработки
возможно искривление. Шлицевая втулка подвергается термообработке до твердости
свыше 40HRC.
Центрирование по внутреннему диаметру используют в подвижных шлицевых
соединениях.
При указанных полях допусков
нецентрирующих диаметров создаются значительные зазоры, обеспечивающие
сопряжения только по посадочным поверхностям и облегчающие сборку шлицевого
соединения. Определим параметры посадок для шлицевого соединения:
|
Размер
детали и поле допуска, мм
|
Предельные
отклонения, мм
|
Допуск,
мм
|
Предельные
размеры, мм
|
|
Верхнее
ES(es)
|
Нижнее
EI(ei)
|
|
max
|
min
|
|
Шлицевая
втулка (зубчатое колесо)
|
|
d=46Н7
|
+0,025
|
0
|
0,025
|
46,025
|
46
|
|
D=50Н12
|
+0,25
|
0
|
0,250
|
50,25
|
50
|
+0,076
|
+0,040
|
0,036
|
9,076
|
9,040
|
|
Шлицевой
вал
|
|
d=46f7
|
-0,025
|
-0,050
|
0,025
|
45,975
|
45,950
|
|
D=50а11
|
-0,320
|
-0,480
|
0,16
|
49,680
|
49,520
|
|
b=9h9
|
0
|
-0,036
|
0,036
|
9
|
8,964
|
Наибольший зазор:
по d=Ø36(Н7/f7)
S d
max=
d Вт max-
d В min
= 46,025 - 45,950 = 0,075 мм
по D=Ø40(Н12/а11)
S D
max=
D Вт max-
D В min
=
50,250 - 49,520 = 0,73 мм
по b=Ø8(D9/h9)
S b
max=
b Вт max-
b В min=
9,076 - 8,964 = 0,112 мм
Наименьший зазор:
- по d=Ø36(Н7/f7)
S d
min
= d Вт min
- d В max
= 46 - 45,975 = 0,025 мм
по D=Ø40(Н12/а11)
S D
min=
D Вт min-
D В max
= 50 - 49,680 = 0,32 мм
по b=Ø8(D9/h9)
S b
min=
b Вт min-
b В max
= 9,04 - 9 = 0,04 мм
Схема полей допусков:
. Расчет размерной цепи
Чтобы обеспечить полную взаимозаменяемость,
размерные цепи рассчитывают методом максимума-минимума, при
котором допуск замыкающего размера определяют арифметическим сложением допусков
составляющих размеров. Метод расчета на максимум-минимум, учитывающий только
предельные отклонения звеньев размерной цепи и самые неблагоприятные их
сочетания, обеспечивает заданную точность сборки без подгонки (подбора)
деталей.
Способ допусков одного квалитета
применяют, если все составляющие цепь размеры могут быть выполнены с допуском
одного квалитета и допуски составляющих размеров зависят от их номинального
значения.
Требуемый квалитет определяют следующим образом:
допуск составляющего размера ТАi
=
ai
ii,
где i - единица допуска
(мкм), a - число
единиц допуска, содержащееся в допуске данного размера.
По значению
выбирают
ближайший квалитет. Число единиц допуска в общем случае не равно какому-либо
значению a,
определяющему квалитет, поэтому выбирают ближайший квалитет. Найдя по ГОСТ
25346-92 или по ГОСТ25347-82* допуски составляющих размеров,
корректируют их значения, учитывая конструктивно-эксплуатационные требования и
возможность применения процесса изготовления, экономическая точность которого
близка к требуемой точности размеров.
Найдя допуски, определяют значения и
знаки верхних и нижних отклонений составляющих размеров.

ТА∆ = 960 - 200 =
760 мкм
|
Обозначение
|
Название
|
Значение,
мм
|
Единица
допуска
|
|
А1
|
расстояние
между крышками
|
271
|
3,23
|
|
А2
|
заходная
часть крышки
|
7
|
0,9
|
|
А3
|
ширина
подшипника
|
19
|
1,31
|
|
А4
|
ширина
упорной втулки
|
10
|
0,9
|
|
А5
|
размер
шлицевой части
|
2,9
|
|
А6
|
ширина
упорной втулки
|
10
|
0,9
|
|
А7
|
ширина
подшипника
|
19
|
1,31
|
|
А8
|
заходная
часть крышки
|
6
|
0,73
|
Номинальный размер А1 был
найден из зависимости:
Средняя точность размеров будет
равна:
Найденное число единиц допуска лежит
в пределах 40 (9 квалитет) и 64 (10 квалитет). Назначим 10 квалитет точности.
Предельные отклонения на
составляющие звенья рекомендуется назначать на размеры, относящиеся к валам -
по h,
относящиеся к отверстиям - по Н, на остальные -
.
На подшипники назначены свои
предельные отклонения по
.
Результаты поэтапных расчетов
сведены в таблицу:
|
Обозначение
звена
|
Номинальный
размер, мм
|
Основное
отклонение
|
Квалитет
|
Допуск
|
Верхнее
отклонение
|
Нижнее
отклон.
|
Середина
поля допуска
|
|
|
|
|
мкм
|
|
А∆
|
0
|
|
|
760
|
960
|
200
|
580
|
|
А1
|
271
|
h
|
10
|
210
|
0
|
-210
|
-105
|
|
А2
|
7
|
105829-290
|
|
|
|
|
|
|
А3
|
19
|
h
|
10
|
120
|
0
|
-120
|
-60
|
|
А4
|
10
|
h
|
10
|
58
|
0
|
-58
|
-29
|
|
А5
|
200
|
h
|
10
|
185
|
0
|
-185
|
|
А6
|
10
|
h
|
10
|
58
|
0
|
-58
|
-29
|
|
А7
|
19
|
h
|
10
|
120
|
0
|
-120
|
-60
|
|
А8
|
6
|
h
|
10
|
-49
|
-439
|
-390
|
-414,5
|
Возьмем за компенсирующее звено - звено А8.
Определим допуск звена А8:
Определим предельные отклонения
звена А8:
Проверка:
Это говорит о правильности
проведения исчислений.
4. Обоснование точности,
шероховатости и требований по анализируемым деталям
Вал
Вал - деталь машины, предназначенная для
передачи крутящего момента и поддержания вращающихся вместе с ним других
деталей. Некоторые валы не поддерживают вращающиеся детали (например,
карданные, гибкие, торсионные). Простейшие валы имеют форму тел вращения.
По конструкции различают валы прямые,
коленчатые, гибкие и др.; по назначению - валы передач, несущие зубчатые
колеса, шкивы, звездочки, и коренные валы машин, которые, кроме деталей
передач, несут рабочие органы машин (колёса турбин, кривошипы и т.п.). Вал
отбора мощности - механизм силовой передачи, при помощи которого часть мощности
двигателя трактора, самоходного шасси и других машин передаётся для приведения
в действие рабочих органов прицепных, навесных или стационарных орудий.
На чертежах валов задают сопряженные (длины
шпоночных пазов), габаритные, цепочные и свободные размеры. Также на чертежах
валов выноской в масштабе увеличения приводят форму и размеры канавок для
выхода шлифовального круга, проточек для выхода резьбонарезного инструмента. На
чертежах валов задают также глубину шпоночного паза - размер t1.
Предельные отклонения:
На сопряженные размеры задают поля допусков в
соответствии с посадками, показанными на чертеже коробки передач. На цепочные
размеры задают поля допусков или предельные отклонения по рекомендациям. На
свободные размеры задают предельные отклонения чаще всего среднего класса
точности.
На ширину шпоночного паза приводят поля допуска N9.
На чертежах валов, имеющих элементы шлицевых
соединений, по ГОСТ 2.409-74 указывают длину l1
зубьев полного профиля до сбега. Для обозначения шероховатости на боковых
поверхностях показывают профиль одного зуба.
Допуски формы и расположения:
Вал в работающем узле вращается в подшипниках
качения. Так как подшипники качения изготавливают с относительно высокой
точностью, то погрешностями изготовления их деталей обычно пренебрегают.
Поэтому рабочей осью вала является общая ось. Общая ось - прямая, проходящая
через точки пересечения каждой из осей двух посадочных поверхностей для подшипников
качения со средними поперечными сечениями этих поверхностей.
Вследствие неизбежных погрешностей общая ось не
совпадает с осью вращения вала при его изготовлении.
· допуск цилиндричности посадочных поверхностей
для подшипников качения задают, чтобы ограничить отклонения геометрической
формы этих поверхностей и тем самым ограничить отклонения геометрической формы
дорожек качения колец подшипников,
;
· допуск соосности посадочных поверхностей для
подшипников качения относительно их общей оси задают, чтобы ограничить перекос
колец подшипников качения; подшипник радиально-упорный шариковый однорядный
длиной В1=19
мм, допуск определяется как
;
· допуск соосности посадочной поверхности для
зубчатого колеса задают, чтобы обеспечить нормы кинематической точности и нормы
контакта зубчатых передач; при степени 8 кинематической точности передачи для
зубчатого колеса - степень точности допуска соосности 7, при
допуск
равен Т=30 мкм
· допуск соосности посадочной поверхности для
шкива назначают, чтобы снизить дисбаланс вала и шкива,
;
· допуск перпендикулярности базового торца вала
задают, чтобы обеспечить выполнение норм контакта зубьев в передаче, Т=16 мкм;
· допуски симметричности и параллельности
шпоночного паза задают для обеспечения возможности сборки вала с
устанавливаемой на нем деталью и равномерного контакта поверхностей шпонки и
вала, tшп=43 мкм для
9 квалитета точности, тогда
, допуск симметричности
.
Шероховатость:
Ra
0.8 - поверхность валов для соединения с натягом под
подшипник, а также под шкив, боковая поверхность зуба на шлице;
Ra
1.6 - торцы заплечиков валов для базирования зубчатого
колеса;
Ra
3.2 - поверхность шпоночного паза на вале;
5. Расчет предельного калибра
Для контроля гладких цилиндрических изделий типа
валов и втулок, особенно в крупносерийном и массовом производстве, широко применяют
предельные гладкие калибры (ГОСТ 2216-84). Калибры для валов называются
скобами, а для отверстий - пробками. Комплект калибров состоит из проходного и
непроходного.
Годность деталей с допуском от IT6
до IT7, особенно при
массовом и крупносерийном производствах, наиболее часто проверяют предельными
калибрами. Комплект рабочих предельных калибров для контроля размеров гладких
цилиндрических деталей состоит из проходного калибра ПР (им контролируют
предельный размер, соответствующий максимуму материала проверяемого объекта) и
непроходного калибра НЕ (им контролируют предельный размер, соответствующий
минимуму материала проверяемого объекта).
Деталь считают годной, если проходной калибр
(проходная сторона калибра) под действием собственного веса или усилия,
примерно равного ему, проходит, а непроходной калибр (непроходная сторона) не
проходит по контролируемой поверхности детали. В этом случае действительный
размер детали находится между заданными предельными размерами.
Так как наименьший квалитет имеет вал, в месте
посадки подшипника, необходимо спроектировать калибр - скобу для проверки
посадочного размера под подшипник.
Расчет исполнительных размеров
калибра-скобы для вала Ø45
. Рассчитаем
проходную сторону, границу износа и непроходную сторону:
ПР = d + es -
Z1 = 45 + 0,018 - 0,0035 = 45,0145
ГИ = d + es -
Y1 = 45 + 0,018 - 0,003 = 45,015
HE = d + ei = 45 +
0,002 = 45,002,
где d -
номинальный диаметр вала, es - верхнее отклонение вала, ei - нижнее
отклонение вала, Z1 -
отклонение середины поля допуска на изготовление проходного калибра для вала
относительно наибольшего предельного изделия, Y1 -
допустимый выход размера изношенного проходного калибра для вала за границу
поля допуска изделия.
Принимаем значения по 6 квалитету
точности: Z1=3,5 мкм, Y1 = 3 мкм, Н1=Hp=4 мкм.
Исполнительные размеры
калибра-скобы:
проходная сторона 45,018 + 0,004
непроходная сторона 45,002 + 0,004

Список используемой литературы
1.
Анурьев В.И. Справочник конструктора машиностроителя. - М., Машиностроение,
1979. - т. I.
.
Анурьев В.И. Справочник конструктора машиностроителя. - М., Машиностроение,
1979. - т. II.
.
Анурьев В.И. Справочник конструктора машиностроителя. - М., Машиностроение,
1979. - т. III.
.
Дунаев П.Ф., Леликов О.П. Конструирование узлов и деталей машин. - М., Высшая
школа, 1985.
.
Мягков В.Д. и другие. Допуски и посадки. Справочник. - Л. Машиностроение. 1982.
- т. I.
.
Мягков В.Д. и другие. Допуски и посадки. Справочник. - Л. Машиностроение. 1982.
- т. II.