Дизельный двигатель ЗМЗ-617 жидкостного охлаждения с разработкой системы топливоподачи

  • Вид работы:
    Дипломная (ВКР)
  • Предмет:
    Транспорт, грузоперевозки
  • Язык:
    Русский
    ,
    Формат файла:
    MS Word
    709,86 kb
  • Опубликовано:
    2011-08-11
Вы можете узнать стоимость помощи в написании студенческой работы.
Помощь в написании работы, которую точно примут!

Дизельный двигатель ЗМЗ-617 жидкостного охлаждения с разработкой системы топливоподачи

Федеральное агентство по образованию

Государственное образовательное учреждение высшего профессионального образования

Владимирский государственный университет

Факультет: Автотранспортный

Специальность: «Двигатели внутреннего сгорания»


ДИПЛОМНЫЙ ПРОЕКТ

Тема:

Автомобильный дизельный двигатель жидкостного охлаждения номинальной мощностью 95 кВт при частоте вращения коленчатого вала 4200 мин-1 с разработкой системы топливоподачи



Студента: Демиденко С.А.

Руководитель проекта:

Драгомиров С.Г.

АННОТАЦИЯ


В дипломном проекте в соответствии с техническим заданием разработан дизель, с улучшенной системой подачи топлива и турбонаддувом.

Проведен тепловой, динамический и прочностной расчеты.

В исследовательском разделе была применена улучшенная система топливоподачи, с применением насос-форсунок.

Рассмотрены методы борьбы с шумом в дизеле при сгорании.

Выполнен расчет экономической эффективности и доказана конкурентоспособность проектируемого двигателя.

Стр. - 128, рис. - 22, таб - 7, прил. - 4.

Im Diplomprojekt entsprechend der technischen Aufgabe ist der Dieselmotor, mit dem verbesserten System die Abgaben des Brennstoffes und die Turboaufladung entwickelt.

Ist thermisch, dynamisch und прочностной die Rechnungen geleitet.

In der Forschungsabteilung war das verbesserte System die Abgaben des Brennstoffes, mit der Anwendung der Pumpen - Düsen verwendet.

Es sind die Methoden des Kampfes mit dem Lärm im Dieselmotor bei der Verbrennung untersucht.

Es ist die Rechnung der ökonomischen Effektivität erfüllt und es ist die Konkurrenzfähigkeit des entworfenen Motors bewiesen.

ОГЛАВЛЕНИЕ

АННОТАЦИЯ

ВВЕДЕНИЕ

. ТЕХНИЧЕСКОЕ ЗАДАНИЕ НА ПРОЕКТИРОВАНИЕ

.1 Цель разработки и область применения

.2 Технические требования

. КОНСТРУКЦИЯ ПРОЕКТИРУЕМОГО ДВИГАТЕЛЯ

. ТЕПЛОВОЙ РАСЧЕТ РАБОЧЕГО ЦИКЛА

.1 Выбор и обоснование исходных данных

.2 Анализ результатов расчета

. ДИНАМИЧЕСКИЙ РАСЧЕТ

.1 Выбор и обоснования исходных данных

.2 Силы и моменты, действующие в КШМ

.3 Алгоритм динамического расчета ДВС

.4 Анализ результатов динамического расчета

.5 Уравновешивание двигателя

.6 Силы, действующие на шатунную шейку

.7 Силы, действующие на колено вала

.8 Силы, действующие на коренную шейку

. РАСЧЕТ ОСНОВНЫХ ДЕТАЛЕЙ ДВИГАТЕЛЯ

.1 Поршневая группа

.2 Шатунная группа

.3 Расчет коленчатого вала

. РАСЧЕТ СИСТЕМ ДВИГАТЕЛЯ

.1 Расчет системы смазки

.2 Расчет системы охлаждения

7. ИССЛЕДОВАТЕЛЬСКИЙ РАЗДЕЛ

.1 Обзор систем впрыска

7.2 Оценка топливной аппаратуры различных типов с точки зрения организации управления процессом топливоподачи

7.3 Принцип действия и конструкция системы насос - форсунок

.4 Схема системы насос - форсунок для легковых автомобилей

8. ОЦЕНКА ТЕХНИЧЕСКОГО УРОВНЯ ПРОЕКТИРУЕМОГО ДВИГАТЕЛЯ

8.1 Обзор и выбор критериев оценки

.2 Обработка выбранного массива двигателей аналогов

. ТЕХНОЛОГИЧЕСКИЙ РАЗДЕЛ

.1 Способ обработки распределительного вала

.2 Общая часть

.3 Технология обработки

.4 Расчет режимов резания

.5 Расчет норм времени для обработки детали

. БЕЗОПАСНОСТЬ ЖИЗНЕДЕЯТЕЛЬНОСТИ И ЭКОЛОГИЯ

.1 Безопасность жизнедеятельности

.2 Экология

. ОРГАНИЗАЦИОННО-ЭКОНОМИЧЕСКИЙ РАЗДЕЛ

.1 Понятие конкурентоспособности продукции в маркетинге

11.2 Определения конкурентоспособности продукции методом расчета единичных и групповых показателей

ЗАКЛЮЧЕНИЕ

СПИСОК ИСПОЛЬЗУЕМОЙ ЛИТЕРАТУРЫ

ПРИЛОЖЕНИЯ

ВВЕДЕНИЕ

 

Одним из основных показателей уровня развития государства является наличие собственной автомобильной промышленности. На сегодняшний день двигатели внутреннего сгорания (ДВС) являются основными источниками энергии для наземного транспорта. Идея преобразования теплоты от сгорания топлива в цилиндрах в механическую работу возникла еще в начале 19 века и своей актуальности не потеряла в наши дни благодаря сравнительно простому способу ее воплощения и наличия больших запасов нефти.

С момента своего создания двигатели внутреннего сгорания шли по пути увеличения литровой мощности, эффективного к.п.д., снижения удельного эффективного расхода топлива и металлоемкости. Развитие двигателестроения во многом зависит от развития смежных отраслей и благодаря открытиям в области химии, металлургии, автоматики, электроники и фундаментальных наук показатели ДВС улучшились во много раз.

По мере развития цивилизации к наземным транспортным средствам, и конечно же к их силовым агрегатам предъявлялись и дополнительные требования, связанные прежде всего с их эксплуатационными качествами (надежность, простота обслуживания и снижение материальных затрат при эксплуатации, улучшение динамики и т.д.).

В конце 20-го столетия ДВС получили столь широкое распространение, что вступили в прямое противоречие с экологическими и социальными условиями существования человека. Ухудшение экологической обстановки заставило человека вплотную заняться снижением токсичных выбросов двигателей внутреннего сгорания. В высоко развитых странах были введены соответствующие нормы и правила, что послужило толчком к развитию принципиально новых систем двигателей (системы питания с впрыском топлива, системы нейтрализации отработавших газов, системы, совершенствующие рабочий процесс ДВС в целом).

Двигатель внутреннего сгорания стал своеобразным объектом компромиссов. К сохраняющимся мощностным, тягово-динамическим требованиям добавились требования к экономичности, безопасности и экологичности.

При разработке новых ДВС перечисленные требования должны быть выполнены и от того насколько успешно это будет сделано, зависит будущее человечества, материальное благополучие производителя. Именно поэтому крупнейшие фирмы идут по пути все большего использования электроники в управлении рабочим процессом двигателя.

Использование принципов бионики и искусственного интеллекта дает возможность практического решения сложных многомерных задач управления силовой установкой автомобиля. Развитие электроники продолжается все нарастающими темпами. Появившиеся в 1971г. микропроцессоры содержали 2300 транзисторов, а современные - более 500000 активных элементов при быстродействии до долей наносекунды.

Двигатель внутреннего сгорания далек от идеального силового агрегата для наземных транспортных средств по многим параметрам и в настоящее время ведутся поиски альтернативы ему, однако пока достойная замена не будет найдена, необходимо повышать уровень отечественного двигателестроения, для удовлетворения имеющихся на сегодняшний день потребностей и успешного конкурирования с иностранными производителями. В конечном итоге это обусловит благосостояние и престиж страны.

 

1.Техническое задание на проектирование


Дизель размерностью D/S = 87/94, мощностью не менее 95 кВт с номинальной частотой вращения коленчатого вала 4200 мин -1.

.1 Цель разработки и область применения

.1.1 Дизель предназначен для установки на легковые автомобили.

.1.2 Двигатель должен обеспечивать эксплуатацию при температурах окружающего воздуха от - 40оС до + 40оС в соответствии с ГОСТ 15150 - 69 в условиях умеренного климата.

1.2 Технические требования

.2.1 Основные параметры:

тип двигателя - дизель с непосредственным впрыскиванием топлива;

число тактов - 4;

число цилиндров - 4;

расположение цилиндров - вертикально;

направление вращения коленчатого вала - правое (смотреть со стороны привода топливного насоса);

- степень сжатия - 19,5;

- номинальная мощность - не менее 95 кВт;

частота вращения соответствующая номинальной мощности - 4200 мин -1;

минимальная частота вращения холостого хода - 1000 мин -1;

удельный эффективный расход топлива, минимальный по внешней скоростной характеристике, не более 221 г/(кВт . ч);

расход масла не более 0,25 % от расхода топлива без учета смены;

пусковые качества дизеля должны соответствовать ОСТ 37.001.052 - 75;

выделение вредных веществ дизелем должно быть не более норм, установленных ОСТ 37.001.234 - 81 «Охрана природы. Атмосфера. Выбросы вредных веществ с отработавшими газами. Нормы и методы измерений» и ГОСТ 17.2.2.01 - 84 «Дымность отработавших газов»;

.2.2 Надежность:

ресурс двигателя при установке его на МТС, используемое в условиях эксплуатации при соблюдении всех правил эксплуатации и ухода, указанных в руководстве по эксплуатации МТС, должен быть не менее 4000 моточасов;

периодичность технического обслуживания двигателя должна соответствовать срокам проведения технического обслуживания мототранспортного средства;

конструкция проектируемого двигателя должна обеспечивать свободный доступ ко всем частям, требующим регулировки, периодической замены, подтяжки креплений и замены эксплуатационных материалов.

.2.3Уровень унификации и стандартизации:

максимально возможное количество деталей разрабатываемого двигателя должно быть унифицировано с двигателем - прототипом ЗМЗ - 514;

.2.4 Патентная чистота и конкурентоспособность:

на двигатель должен быть оформлен патентный формуляр с указанием наличия патентной чистоты по США, Японии, Германии, Франции, Великобритании и Италии.

показатели двигателя по развиваемой мощности, топливной экономичности, уровню шума, токсичности и дымности отработавших газов и внешнему виду должны быть у на уровне зарубежных аналогов, что позволит обеспечить конкурентоспособность на мировом рынке.

.2.5 Составные части двигателя, материалы:

картер состоит из одной части, материал - серый чугун;

цилиндр материал - серый чугун, уплотнение газового стыка - медная прокладка;

головка цилиндра съемная, материал - алюминиевый сплав, в теле головки предусмотрены каналы для охлаждающей жидкости;

поршень из алюминиевого сплава, в головке поршня расположена камера сгорания;

поршневые кольца: первое компрессионное кольцо из легированного чугуна с покрытием пористым хромом, второе компрессионное кольцо из легированного чугуна без покрытия, маслосъемное кольцо скребкового типа с тангенциальным расширителем, материал - легированный чугун;

палец поршневой плавающего типа, стальной, полый;

шатун стальной, кованый, с разъемной кривошипной головкой и стержнем двутаврового поперечного сечения;

подшипник поршневой головки шатуна - бронзовая втулка;

подшипник кривошипной головки шатуна - тонкостенные биметаллические вкладыши со стальной основой и антифрикционным слоем из высокооловянистого сплава;

коленчатый вал стальной, литой, с противовесами, изготовленными как одно целое с продолжениями щек вала;

подшипники коренные - толстостенные неразъемные бронзовые втулки;

маховик - чугунный, литой, с напрессованным стальным зубчатым венцом;

привод клапанов - от распределительного вала;

клапаны верхнего расположения, четыре на цилиндр, материал - жаропрочная сталь;

седла клапанов из специального легированного чугуна;

направляющие втулки клапанов металлокерамические;

газопроводы впускной и выпускной - стальные тонкостенные трубы с фланцами для крепления;

система питания двигателя - система насос-форсунок с впрыскиванием топлива непосредственно в цилиндр и электронным управлением клапана регулировки давления в форсунке;

топливоподкачивающий насос поршневого типа;

очистка топлива - фильтр грубой и тонкой очистки, со сменным фильтрующим элементом;

воздухоочиститель со сменным картонным фильтрующим элементом;

система смазки комбинированная, под давлением смазываются коренные и шатунный подшипники коленчатого вала;

насос масляный шестеренчатый, односекционный

фильтр масляный полнопоточный, сменный;

вентиляция картера закрытая, принудительная;

система охлаждения жидкостная;

система пуска - электростартер;

топливо дизельное летнее для эксплуатации при температурах окружающей среды больше 0оС, зимнее при температурах от - 20оС до 0оС и арктическое при температурах ниже - 20оС в соответствии с ГОСТ 305 - 82.

моторные масла: допускается применение моторных масел отечественного и зарубежного производства класса вязкости SAE 40 - летом, SAE 15W - зимой и SAE - 15W/40 - круглогодично. Категория эксплуатационных свойств масел по классификации API должна быть не ниже CD.

.2.6 Транспортирование, хранение и консервация:

двигатель должен быть упакован в тару, обеспечивающую его транспортирование и хранение высокопроизводительными методами (в том числе по железной дороге и автомобильным транспортом) в течение трех лет со дня консервации на заводе - изготовителе

2. КОНСТРУКЦИЯ ПРОЕКТИРУЕМОГО ДВИГАТЕЛЯ

Дизель предназначен для установки на транспортные средства малой грузоподъемности, минитракторы, малогабаритную технику коммунального хозяйства, дорожные и строительные машины, а также могут использоваться для привода мобильных электростанций, генераторных установок, насосных агрегатов. Возможно их применение в качестве двигателей малотоннажных судов.

 

Таблица 2.1

Технические параметры дизеля

Диаметр цилиндра D, мм

87

Ход поршня S, мм

94

Рабочий объём Vh, л

2,24

Степень сжатия e

19,5

Мощность номинальная по ГОСТ 18509-86 Nе, кВт

95

Частота вращения коленчатого вала при номинальной мощности n, мин -1

4200

Минимальный расход топлива ge, г/кВт×ч

221

Минимальная частота вращения коленчатого вала в режиме холостого хода nХХ, мин-1

900

Максимальная частота вращения коленчатого вала в режиме холостого хода nmax, мин -1

5100


Рис. 2.1 Поперечный и продольный разрезы двигателя

Двигатель (Рис. 2.1) состоит из следующих деталей, узлов и систем: картер, цилиндр, головка цилиндра, кривошипно-шатунный механизм, механизм газораспределения, всережимный регулятор частоты вращения, топливная система, система охлаждения, система смазки, система пуска, электрооборудование.

Цилиндр дизеля выполнен из специального износостойкого чугунного сплава.

Головка цилиндров отлита из алюминиевого сплава, имеет запрессованные чугунные седла и направляющие втулки клапанов. В головке выполнены гнездо для установки форсунки. Между головкой цилиндра и крышкой головки устанавливается прокладка.

Основными деталями кривошипно-шатунного механизма (КШМ) являются коленчатый вал, поршень, шатун, поршневые кольца, поршневой палец, шатунный подшипник (вкладыши) и коренные втулки.

Коленчатый вал полноопорный, чугунный, со сверлениями для подачи смазки к коренным и шатунным подшипникам. На носке вала устанавливается шестерня ременного привода вала насоса высокого давления.

Поршень выполнен из алюминиевого сплава с высоким содержанием кремния. В головке поршня расположена камера сгорания. В головке поршня имеются три канавки для установки колец: двух компрессионных и маслосъемного. В канавке маслосъемного кольца сделаны отверстия для отвода масла.

Поршни по наружному диаметру юбки сортируются на три группы - 0, 1, 2, которые при сборке должны совпадать с группой цилиндра. Разбивка на группы осуществляется по диаметру на расстоянии 25 мм от нижней кромки в направлении, перпендикулярном оси пальца. Это связано с тем, что для обеспечения температурного расширения, недопущения в процессе работы прорыва газов в картер и уменьшения стуков на перекладке юбки поршня имеет бочкообразный профиль в вертикальном направлении и сложный эллипсообразный профиль в горизонтальном.

Кроме того, поршни делятся по диаметру отверстия под палец на четыре группы, маркирующиеся различным цветом.

Поршневой палец изготовлен из специальной стали, обладающей большим запасом усталостной прочности. Поршневой палец запрессован в поршне. Поршневые пальцы по внешнему диаметру сортируются на четыре группы, которые при сборке должны соответствовать группам отверстия поршня.

Шатун - стальной, штампованный. Нижняя головка шатуна - разъемная и имеет расточку для вкладышей. Вкладыши шатунного подшипника изготовлены из сталеалюминиевой ленты. В верхнюю головку шатуна запрессована бронзовая втулка. Для смазки поршневого пальца в нижней головке шатуна имеется специальное отверстие.

Поршневые кольца изготовлены из специального чугуна. Верхнее компрессионное кольцо и нижнее маслосъемное кольцо - хромированы по наружной цилиндрической поверхности. Нижнее компрессионное кольцо, скребкового типа, устанавливается в канавку острой кромкой вниз с целью обеспечения съема масла со стенки цилиндра.

Механизм газораспределения - с одним распределительным валом приводимый во вращение от коленчатого вала. Клапаны совершают поступательное движение в направляющих втулках, запрессованных в головку цилиндра, и возвращаются в исходное положение под действием пружины.

Дизель имеет комбинированную систему смазки. Под давлением смазываются коренные и шатунные подшипники коленчатого вала; разбрызгиванием - стенки цилиндров, поршни с поршневыми кольцами, поршневые пальцы, втулка верхней головки шатуна.

Смазка осуществляется следующим образом: масляный насос через сетчатый фильтр маслозаборника подает масло из картера по трубопроводу для очистки в масляный фильтр, на выходе из которого установлен датчик давления, после очистки масло через каналы в картере поступает к коренному подшипнику правой половины картера. После чего через каналы, выполненные в коленчатом валу, масло подается к шатунному подшипнику, далее - к коренному подшипнику левой половины и стекает в полость картера.

Для поддержания постоянного давления в системе смазки имеется редукционный клапан, расположенный в корпусе масляного насоса и отрегулированный на давление срабатывания 0, 6 МПа на холодном двигателе и 0,2…0,35 МПа - на горячем.

Контроль за давлением масла осуществляется с помощью датчика давления, который при снижении давления ниже 0,08 МПа срабатывает и дает сигнал для аварийной остановки двигателя.

Имеется также датчик предельно допустимой температуры масла, которая не должна превышать 110-115°С.

Масло в картер заливается через горловину, расположенную со стороны стартера и закрываемую крышкой. Для проверки уровня масла имеется щуп, расположенный со стороны подкачивающегося насоса. Уровень масла должен быть не ниже и не выше верхней риски щупа, что соответствует 3,5л.

Для смазки дизеля применяются следующие моторные масла:

летом - класса вязкости SAE 40

зимой - SAE 15W

круглогодично - SAE - 15W/40

Допускается использование масел иностранного производства, указанных в табл. 2.2, при этом следует убедиться, что они удовлетворяют требованиям государственных или фирменных спецификаций на смазочные масла, предназначенные для указанных дизелей.

Система впуска служит для подвода свежего воздуха и организации его вихревого движения в цилиндре требуемой интенсивности с целью обеспечения необходимых условий образования рабочей смеси при впрыскивании и распыливание топлива в камере сгорания. Состоит из воздухоочистителя и впускного патрубка.

Система выпуска предназначена для отвода из цилиндра отработавших газов. Состоит из выпускного патрубка и глушителя шума выпуска.

Воздухоочиститель - с двумя бумажными фильтрующими элементами и резонаторной камерой, снижающей уровень шума впуска.

 

Таблица 2.2

Фирма

Масло


летом

зимой

British Petroleum

Energol Diesel S. 1 SAE 30

Energol Diesel S. 2 SAE 20W

Caltex Companies

RPM DELO Supercharged 1 SAE 30

RPM DELO Supercharged 1 SAE 20W

E 330 lube Petroleum Co. Ltd/

E 330 lube HDX 30 TSD 385

E 330 lube HDX 10

Shell

Rotella «Т2» 30

Rotella «Т»20/20W

Vacuum Co. Ltd.

Delvac Oil S. 130

Delvac Oil S. 110


Глушитель шума выпуска коробчатого типа имеет двойной корпус с внутренними перегородками, проходя вдоль которых выпускные газы теряют свою энергию, что обеспечивает снижение шума выпуска.

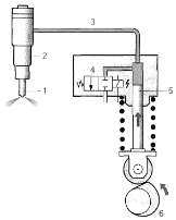
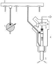
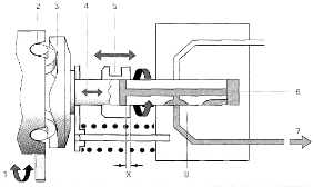
Система подачи топлива состоит из следующих узлов: топливного бака, топливного фильтра, подкачивающего насоса, трубопроводов низкого давления, системы насос-форсунок.

Фильтр тонкой очистки топлива имеет специальный фильтрующий элемент, проходя через который топлива очищается от механических примесей. С целью предотвращения загустевания топливо при эксплуатации двигателя в условиях отрицательных температур в фильтре предусмотрен встроенный электрический подогреватель.

Топливоподкачивающий насос - мембранного типа, крепится к картеру через пластмассовую проставку. У топливоподкачивающего насоса имеется система ручной подкачки для подачи топлива к насос-форсункам перед запуском дизеля. Смазка подкачивающего насоса осуществляется из картера за счет возвратно - поступательного движения штока.

Форсунка служит для создания высокого давления и впрыскивания топлива под высоким давлением в камеру сгорания.

Топливопровод низкого давления - резиновый, армированный кордом шланг, выполненный из маслобензостойкой резины.

Система пуска дизеля включает в себя следующие узлы: электростартер, зубчатый венец, закрепленный на маховике, аккумуляторную батарею, электропроводку.

На дизеле устанавливается генератор переменного тока на постоянных магнитах, встроенных в маховик, мощностью 1500 -2000 Вт. Дизель комплектуется выпрямителем - стабилизатором, который обеспечивает стабильное постоянное напряжение 12 В в бортовой сети машины.

3. ТЕПЛОВОЙ РАСЧЁТ РАБОЧЕГО ЦИКЛА

.1 Выбор и обоснование исходных данных

Цель теплового расчета: определение основных параметров двигателя S и D при заданной мощности. При выборе конструктивных параметров дизеля руководствуемся следующим. Двигатель должен по технико - экономическим параметрам находиться на уровне лучших, что обусловливает необходимость применения передовых конструктивных решений, выявленных в результате анализа более 20 двигателей указанного класса ведущих мировых производителей (приложение.1). Кроме этого при проектировании необходимо обеспечить максимально возможную унификацию дизеля с двигателем - прототипом - дизелем ЗМЗ-5148. Исходя из вышесказанного, выбираем следующие параметры дизеля.

Номинальная частота вращения дизеля  мин-1. Частота вращения коленчатого вала характеризует тип двигателя и его динамические качества.

Отношение хода поршня S к диаметру цилиндра D (S/D) - один из основных конструктивных параметров ДВС. Величину S/D определяем по заданной размерности двигателя: S = 87 мм, D = 94 мм. Значение хода поршня и диаметра цилиндра такие же, как и у прототипа. Таким образом .

Отношение радиуса кривошипа r к длине шатуна l  также принадлежит к основным конструктивным параметрам ДВС. Двигатели с большими значениями l имеют меньшие габариты и массу, но увеличение значения l ведет к возрастанию боковой силы, прижимающей поршень к зеркалу цилиндра, что обусловливает снижение механического КПД и увеличение износа цилиндро-поршневой группы (ЦПГ) двигателя. Кроме этого, при увеличении l также возрастают силы инерции второго порядка в кривошипно-шатунном механизме (КШМ) ДВС, что тоже нежелательно. Современные материалы и технология изготовления деталей ДВС позволяют достичь приемлемого соотношения габаритов и массы двигателя с его механическим КПД при относительно высоких значениях . Исходя из этого, принимаем:

тепень сжатия

 -

называют отношение полного объёма цилиндра к объёму камеры сгорания,

где Vа - объем надпоршневого пространства при положении поршня в НМТ, С - тот же объем при положении поршня в ВМТ.

e - параметр, характеризующий особенности конструкции и рабочего процесса двигателя.

Величина e определяет термический КПД термодинамического цикла ДВС, а следовательно и его эффективные показатели: среднее давление ре, мощность Ne и экономичность. Увеличение e до определенного предела сопровождается улучшением эффективных показателей, а также и пусковых свойств дизеля. При дальнейшем повышении они начинают ухудшаться. Целесообразность увеличения e в дизелях ограничивается началом существенного снижения механического КПД и ростом теплонапряженности деталей двигателя. Для обеспечения надежного самовоспламенения топливовоздушной смеси необходимо завышать степень сжатия на 1 - 2 единицы, так как относительно большие утечки рабочего тела через кольцевые уплотнения и более высокие относительные потери тепла в систему охлаждения приводят к снижению температуры заряда в конце сжатия. Учитывая вышесказанное, выбираем степень сжатия e = 19,5.

Коэффициент избытка воздуха

,

где GВ, кг - количество воздуха, действительно находящегося в цилиндре, ВО, кг - теоретически необходимое для полного сгорания цикловой подачи топлива, количество воздуха.

Так для дизельного топлива, состоящего по массе из 87% углерода, 12.5% водорода и 4% кислорода, величина GВО = 14.5 кг воздуха/кг топлива. Теоретически наибольшую литровую мощность при хорошей экономичности двигателя можно получить при a = 1. На практике не удается организовать полное сгорание топлива в цилиндре дизеля при a = 1 из-за невысокого качества смесеобразования, не позволяющего получать однородную гомогенную топливовоздушную смесь. Это приводит к тому, что сгорает смесь, обогащенная топливом, тогда как среднее значение a по объему цилиндра значительно больше единицы, то есть большая часть воздуха (30 - 60%) в сгорании не участвует. Это обусловливает сравнительно низкую литровую мощность дизелей. Современные достижения в области совершенствования РП дизелей с НВТ позволяют осуществлять качественное сгорание при

a= 1,4 ¸1,7. Для номинального режима выбираем a=1,4.

Механический КПД, характеризующий долю (Ne) индикаторной мощности (Ni), развиваемой газами в цилиндре, отдаваемую двигателем потребителю:

 ,

где NМ - потери индикаторной мощности в ДВС.

Доля NМ индикаторной мощности в дизеле расходуется на:

- газообмен: очистку цилиндра от отработавших газов (ОГ) и наполнение его свежим зарядом (мощность насосных ходов);

-        на трение в парах «поршень - цилиндр», «поршневые кольца - цилиндр», в шатунных и коренных подшипниках (мощность трения);

- на привод агрегатов (мощность агрегатов): механизма газораспределения, топливного насоса высокого давления (ТНВД), топливоподкачивающего насоса, масляного насоса системы смазки, генератора.

Оценить величины вышеуказанных потерь на стадии проектирования можно лишь ориентировочно, опираясь на статистические данные по двигателям такого класса. Для расчета принимаем значение hм=0.86 на режиме номинальной мощности. Высокое значение hм при значительной средней скорости поршня

Сm = S×n/30 = 0,094 . 4200/30 = 13,16 м/с

обусловливается относительно невысокими потерями на привод агрегатов (отсутствие распределительного вала).

Максимальное давление цикла рz принимаем равным 11 МПа на основании того, что дизель будет оборудован системой управления периодом задержки воспламенения, способствующей снижению жесткости рабочего процесса (скорости нарастания давления в цилиндре).

Нижеперечисленные параметры дизеля также трудно поддаются оценке на стадии проектирования, поэтому их величинами задаемся ориентировочно на основе статистических данных.

Для быстроходного четырехтактного выбираем следующие значения параметров:

- температура остаточных газов

Тr = 850 К;

- приращение температуры свежего заряда при наполнении

DТ = 15К;

- коэффициент сопротивления впускной системы, включающей в себя винтовой впускной канал, обеспечивающий вращение воздушного заряда в цилиндре,

xВП = раК = 0,90;

- коэффициент сопротивления выпускной системы

xВЫП = рГТ = 1,05;

- коэффициент дозарядки на номинальном режиме jДОЗ = 1,12, так как фазы газораспределения изменяемы таким образом, чтобы обеспечивать максимальное наполнение цилиндра на всех режимах;

  коэффициент использования тепла в точке «z» xZ = 0,85 - характеризует долю тепла от его количества, выделяющегося в результате сгорания цикловой подачи топлива, которая подводится к рабочему телу на участке быстрого сгорания (от момента отклонения кривой давления при сгорании от кривой давления при сжатии до момента достижения рZ) и расходуется на увеличение его внутренней энергии и совершение работы;

  коэффициент использования тепла в точке «b» xВ = 0,90. Физический смысл xв аналогичен xZ, но xB характеризует участок рабочего процесса от начала сгорания до момента открытия выпускного клапана;

  коэффициент полноты индикаторной диаграммы принимаем равным 0,97. Он учитывает уменьшение площади теоретической индикаторной диаграммы при скруглении ее в точках «с», «z» и «b» целью приближения к действительной зависимости давления в цилиндре от объема цилиндра или угла поворота коленчатого вала (ПКВ) дизеля.

Алгоритм теплового расчета четырехтактного дизеля численно реализован группой авторов кафедры ДВС ВлГУ на языке программирования Фортран 77 для ПЭВМ IBM PC и совместимых с ними. Пакет программ для теплового расчета включает в себя 3 файла:

- dizdn.dat - файл содержащий исходные данные для теплового расчета;

  dizdn.exe - исполняемый файл в котором реализован алгоритм теплового расчета дизеля;

  dizdn.rez - файл, в который помещаются исходные данные и результаты теплового расчета после выполнения командной строки операционной системы MS DOS:

:\DVS\>dizdn.exe <dizdn.dat >dizdn.rez .

Алгоритм теплового расчета позволяет проводить как проектный (задаются мощность и частота вращения, а вычисляется размерность SxD),так и проверочный (задаются частота вращения, S и D, а мощность вычисляется) расчеты.

3.2 Анализ результатов расчета

Коэффициент остаточных газов

 -

это отношение количества остаточных газов МГ к количеству свежего заряда М1, поступающего в цилиндр двигателя в процессе впуска. Значение gГ = 0,021 свидетельствует о высоком качестве очистки цилиндра от ОГ.

Коэффициент наполнения

;

это отношение действительного количества свежего заряда, поступившего в цилиндр, к тому количеству свежего заряда, которое могло бы заполнить рабочий объём цилиндра при условиях на впуске. Значение hV = 0,897 - характерная величина для дизеля с винтовым впускным каналом на номинальном режиме. Рассчитанное значение hV позволяет предполагать удовлетворительное протекание процессов газообмена у реального ДВС.

Давление и температура в конце сжатия рС = 8,28МПа, ТС = 1100 К обеспечивают надежное самовоспламенение топливовоздушной смеси. Определяются из уравнения политропы с постоянным показателем n1, , .Значения рС и ТС у реального двигателя могут превышать расчетные, так как использованный алгоритм расчета не учитывает способ охлаждения двигателя.

Средний показатель политропы сжатия n1 зависит от частоты вращения, степени сжатия, размеров цилиндра, материалов ЦПГ, системы охлаждения и других факторов. По данным [1] для дизелей без наддува с неохлаждаемыми поршнями n1 = 1,35...1,42. Рассчитанное значение n1 = 1,36.

Максимальная температура цикла (температура сгорания) характеризует тепловую напряженность двигателя. Значение ТZ = 2354К, что приемлемо для дизеля с НВТ. Преимущество поршневого ДВС перед другими тепловыми двигателями состоит в том, что цикличность его работы позволяет реализовать большой мгновенный перепад температур при относительно низкой средней температуре цикла.

Давление и температура в конце расширения Рb и Tb определяются по формулам политропного процесса:

,

Полученные значения Pb = 0,555 МПа, Tb = 953 К.

Средний показатель политропы расширения как и показатель политропы сжатия, характеризует степень теплообмена. Значение n2 = 1,212 указывает на то, что в процессе расширения тепловой поток направлен от рабочего тела к стенкам, что объясняется высоким перепадом температур газов и омываемых ими поверхностей, площадь которых во время расширения постоянно увеличивается.

Среднее индикаторное давление рi = 1,42 МПа, полученное с учетом скругления индикаторной диаграммы в точках «c», «z» и «b» позволяет отнести дизель к высокофорсированным по рi ДВС.

Удельный индикаторный расход топлива gi - это расход топлива, приходящийся на единицу развиваемой двигателем индикаторной мощности. Значения gi = 182 г/(кВт . ч) и индикаторный КПД hi = 0,464 являются показателями качественного протекания рабочего процесса. Среднестатистические значения для четырехтактных дизелей находятся в пределах gi = 170...220 г/(кВт.ч) и hi = 0.39...0.49 [1].

Среднее эффективное давление  - отношение полезной работы, получаемой на валу двигателя к единице рабочего объёма цилиндра. Значение ре =1,23 МПа также как и рi характеризует уровень форсирования по среднему давлению цикла как высокий.

Удельный эффективный расход топлива

 

- отношение часового расхода топлива к эффективной мощности. Значения gе = 183 г/(кВт.ч) и эффективный КПД hе = 0,40 для дизеля являются хорошими показателями экономичности.

Эффективный КПД

-

отношение количества теплоты Le, эквивалентной полезной работе на валу двигателя, к общему количеству теплоты, внесенному в двигатель с топливом.

Крутящий момент МКР - одна из важнейших характеристик двигателя, от которой зависят динамические и тяговые качества автомобиля. По результатам расчета МКР =218 Н×м.

Часовой расход топлива

 

количество топлива, потребляемое двигателем на заданном режиме за 1 час. Расчетное значение GT = 20,37 кг/ч.

Рабочий объём двигателя

По результатам расчета для заданных S и D Vh = 2,24 дм3.

4. ДИНАМИЧЕСКИЙ РАСЧЕТ

.1 Выбор и обоснование исходных данных

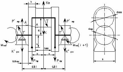
Основная цель динамического расчета - построение зависимости индикаторного крутящего момента двигателя от угла поворота коленчатого вала и определение его средней величины. Кроме этого необходимо рассчитать зависимости сил, действующих в КШМ, которые требуются для прочностных расчетов деталей двигателя, и найти максимальное и среднее удельные давления на шатунную шейку коленчатого вала, которые определяют применимость конкретного материала шатунных вкладышей и их работоспособность. Расчет проводится на режиме максимальной мощности.

Исходные данные для динамического расчета:

mШ = 0,9 кг - масса шатуна;

lШ = 26 мм - длина рабочей части шатунного подшипника;Ш = 56 мм - диаметр шатунной шейки коленчатого вала;= 43,5 мм - радиус противовеса для удобства вычислений выбираем равным радиусу кривошипа;

- число противовесов на одном кривошипе.

Для приближенного определения масс можно использовать конструктивные массы:

Масса поршневого комплекта и части шатуна отнесенная к оси поршневого пальца:

 кг,

где mПК = 0,6 кг -масса поршневого комплекта; mШ.П = 0,2 кг - масса части шатуна, отнесенной к оси поршневого пальца;ШК = 0,70 кг - масса части шатуна, отнесенной к оси шатунной шейки коленчатого вала;К = 1,5 кг - масса неуравновешенной части кривошипа приведенная к его радиусу определяется приближенно по чертежу коленчатого вала.

Масса шатуна:

.

Для упрощения расчетов кривошипно-шатунный механизм двигателя заменяют его двухмассовой моделью и определяют силы инерции возвратно - поступательно движущихся масс по приближенным формулам, что несущественно снижает точность расчетов, но значительно уменьшает их объем. Двухмассовая модель и схема действия сил в КШМ приведены на листе графической части ДП.

Массы совершающие вращательные движения:

.

Массы совершающие вращательно-поступательное движение:

.

Рис. 4.1 Схема действия сил в кривошипно-шатунном механизме

4.2 Силы и моменты, действующие в КШМ

Сила давления расширяющегося рабочего тела на поверхность поршня для упрощения динамического расчета, заменяют равнодействующей, направленной вдоль оси цилиндра и приложенной к оси поршневого пальца. Ее значение вычисляется как

,

где рГ - давление газов в цилиндре для данного угла п.к.в.; р0 - давление газов в картере двигателя принятое равным атмосферному давлению.

Силы инерции, действующие в КШМ, в соответствии с характером движения приведенных масс подразделяются на силы инерции поступательно движущихся масс Pj и центробежные силы вращающихся масс Кr.

Силы инерции поступательно движущихся масс вычисляют в зависимости от угла п.к.в. по формуле:

.

Силу Рj принято представлять как сумму сил инерции 1-го и 2-го порядков:

,

где  c-1 - угловая скорость кривошипа; n,мин-1 - частота вращения коленчатого вала, jо - угол поворота кривошипа.

Центробежная сила инерции вращающихся масс:

.

Суммарная сила:

.

Нормальная сила, действующая на стенки цилиндра:

,

где  - угол отклонения шатуна;

Сила, действующая вдоль оси шатуна:

.

Сила, направленная по радиусу кривошипа:

.

Тангенциальная сила, направленная по касательной к окружности радиуса кривошипа:


По величине Т определяют крутящий момент цилиндра:

МР ОПР) - реактивный момент, стремиться опрокинуть двигатель, равен по величине крутящему моменту и противоположен ему по направлению МР = -МКР.

Сила, нагружающая шатунный подшипник:

.

Радиальная сила:


Суммарная радиальная сила, действующая вдоль радиуса кривошипа:


Результирующая сила, нагружающая коренные опоры коленчатого вала:

.

Горизонтальная составляющая силы, передающейся на опоры двигателя:

.

Вертикальная составляющая силы, передающейся на опоры двигателя:

.

Момент, передающийся на опоры двигателя:


Формулы сил и момента на опорах дизеля выведены без учета механизма уравновешивания.

4.3 Алгоритм динамического расчета ДВС

Алгоритм динамического расчета как таковой не сложен, но требует наличия данных о давлении газов в цилиндре при каждом угле поворота коленчатого вала, поэтому целесообразно совместить тепловой и динамический расчеты двигателя. Алгоритм такого расчета реализован группой авторов кафедры ДВС ВлГУ на языке программирования Фортран 77 для ПЭВМ IBM PC и совместимых с ними. Пакет программ для теплового и динамического расчета четырехтактного дизеля включает в себя 3 файла: dindis.dat, dindis.exe и dindis.rez . Организация и способ проведения расчета у этого пакета программ аналогичны описанному в п. 4.1. пакету для теплового расчета.

Динамический расчет дизеля целесообразно осуществить для двух режимов работы: номинального и режима максимального крутящего момента. Для номинального режима динамический расчет проводим по исходным данным п.п. 4.1 и 5.1. Распечатка результатов динамического расчета приведена в прил.2.

Для того, чтобы определить мощность двигателя NM и частоту вращения nM на режиме максимального крутящего момента воспользуемся математической моделью внешней скоростной характеристики двигателя, которая позволяет построить характеристику проектируемого двигателя по значениям его номинальной мощности и частоты вращения на основе характеристики прототипа. Номинальная мощность дизеля полученная в результате теплового расчета составляет 95 кВт при частоте вращения 4200 мин-1. По расчетным данным режим максимального крутящего момента проектируемого двигателя характеризуется следующими величинами: nM = 2400 мин-1, NM = 59 кВт, Мmax = 235,3 Н.м. По скорректированным данным п.п.3.1 и 4.1 проводим динамический расчет дизеля на режиме максимального крутящего момента. Распечатка результатов расчета приведена в прил.2.

4.4 Анализ результатов динамического расчета

По результатам расчета (прил.2) строим следующие графические зависимости: Рг(j), Рj(j), РСУМ(j), N(j), S(j), T(j), K(j) и M(j), а также полярную диаграмму нагрузок и диаграмму предполагаемого износа шатунной шейки (см. лист графической части ДП). Расчет полярной диаграммы нагрузок и диаграммы предполагаемого износа производим при помощи пакета программ разработанного преподавателями кафедры ДВС. Указанный пакет программ, реализованный на языке программирования Fortran 77, включает в себя файл rr1.c, предназначенный для исходных данных, и файл Din286.exe, предназначенный для расчета и построения полярной диаграммы нагрузок. На диаграмме предполагаемого износа выделяем наиболее нагруженный участок шейки - Б и наименее нагруженный - А для того, чтобы определить наиболее выгодное положение оси масляного отверстия с точки зрения работы шатунного подшипника скольжения. Ось масляного отверстия ОМ является биссектрисой угла между лучами, ограничивающими наименее нагруженный участок А поверхности шатунной шейки. Угол jм, определяющий расположение выхода масляного отверстия на поверхность шейки равен 70о. Учитывая то, что технологически существенно проще сверлить отверстие для подвода масла к шатунному подшипнику под углом 90о к плоскости кривошипа, чем под углом 70о, ось масляного отверстия оставляем перпендикулярной плоскости кривошипа, но смещаем ее вдоль радиуса кривошипа таким образом, чтобы выход масляного отверстия располагался в пределах наименее нагруженного участка А поверхности шатунной шейки. Величина угла jМ при этом остается допустимой.

.5 Уравновешивание двигателя

У данного двигателя кривошипы расположены под углом 180, промежутки между вспышками равны 180. Порядок работы цилиндров двигателя: 1-3-4-2.

Центробежные силы инерции проектируемого двигателя Рис. 4.2. Схема сил действующих на КВ и их моменты полностью уравновешены с помощью противовесов, расположенных на продолжениях всех щек коленчатого вала:

, .

Силы инерции первого порядка и их моменты также уравновешены:

, .

Силы инерции второго порядка для всех цилиндров направлены в одну сторону (рис. 5.5.1):

.

Уравновешивание этих сил в проектируемом двигателе нецелесообразно, т.к. применение двухвальной системы с противовесами значительно усложнит конструкцию двигателя. Моменты от этих сил в связи с симметричностью вала полностью уравновешены.

Рис. 4.3 Силы, действующие на шатунную шейку

.6 Силы, действующие на шатунную шейку

Результирующая сила, действующая на шатунную шейку (рис. 4.4.):

.

Сила, действующая на шатунную шейку по кривошипу, Н:

.

Направление результирующей силы RШШ для различных положений коленчатого вала определяется углом y, заключенным между вектором RШШ и осью кривошипа. Угол находится из соотношения . Графическое построение силы RШШ в зависимости от угла поворота кривошипа осуществляется в виде полярной диаграммы.


Рис. 4.4 Силы, действующие на колено вала

.7 Силы, действующие на колено вала

Результирующая сила, действующая на колено вала (рис. 4.5):

.

Сила, действующая на колено вала по кривошипу, Н:

.

Центробежная сила инерции вращающихся масс кривошипа:

.

4.8 Силы, действующие на коренные шейки

Результирующая сила RШШ, действующая на коренную шейку (рис. 4.6.), определяется геометрическими сложениями сил, равных на противоположных по направлению силами, передающимися от двух смежных колен:

,

где

 и  

соответственно усилия, передаваемые от i - го и (i+1) - го колен на коренную шейку, заключенную между ними;

l1 и l2 - расстояния по оси вала между центрами коренной и шатунной шеек;

L - расстояние между центрами соседних коренных шеек.

При проведении динамических расчетов двигателей целесообразно пользоваться не полными, а удельными силами, отнесенными к единице площади поршня.

Таблица 4.1

Значения RШШ для лучей, МПа

j°, п.к.в.

Услов. обозн.

1

2

3

4

5

6

7

8

9

10

11

12

0

0

1,24

1,24

1,24

-

-

-

-

-

-

-

1,24

1,24

30

1

1

1

1

1

-

-

-

-

-

-

-

-

60

2

0,58

0,58

0,58

0,58

-

-

-

-

-

-

-

0,58

90

3

0,32

0,32

-

-

-

-

-

-

-

0,32

0,32

0,32

120

4

0,66

-

-

-

-

-

-

-

0,66

0,66

0,66

0,66

150

5

0,8

0,8

-

-

-

-

-

-

-

0,8

0,8

0,8

180

6

0,8

0,8

-

-

-

-

-

-

-

-

0,8

0,8

210

7

0,8

0,8

0,8

-

-

-

-

-

-

-

0,8

0,8

240

8

0,74

0,74

0,74

0,74

-

-

-

-

-

-

-

0,74

270

9

0,52

0,52

0,52

0,52

-

-

-

-

-

-

-

0,52

300

10

0,32

0,32

-

-

-

-

-

-

-

0,32

0,32

0,32

330

11

0,2

0,2

0,2

0,2

-

-

-

-

-

-

-

0,2

360

12

-

-

-

-

2,74

2,74

2,74

2,74

-

-

-

-

390

13

-

-

-

-

-

1,8

1,8

1,8

1,8

1,8

-

-

420

14

-

-

-

-

-

-

-

0,64

0,64

0,64

0,64

0,64

450

15

0,84

-

-

-

-

-

-

-

0,84

0,84

0,84

0,84

480

16

1

-

-

-

-

-

-

-

1

1

1

1

510

17

0,96

0,96

-

-

-

-

-

-

-

0,96

0,96

0,96

540

18

0,88

0,88

-

-

-

-

-

-

-

-

0,88

0,88

570

19

0,82

0,82

0,82

-

-

-

-

-

-

-

0,82

0,82

600

20

0,76

0,76

0,76

0,76

-

-

-

-

-

-

0,76

630

21

0,26

0,26

0,26

-

-

-

-

-

-

-

0,26

0,26

660

22

0,5

-

-

-

-

-

-

-

0,5

0,5

0,5

0,5

690

23

1

-

-

-

-

-

-

-

1

1

1

1

SRШШ

15

11

6,92

3,8

2,74

4,54

4,54

5,18

6,44

8,34

11,84

14,64


Таблица 4.2

Значения RКШ для лучей, коренной шейки, МПа

j°, п.к.в.

Услов. обозн.

1

2

3

4

5

6

7

8

9

10

11

12

0

0

0,49

0,49

-

-

-

-

-

-

-

-

0,49

0,49

30

1

0,4

0,4

0,4

0,4

-

-

-

-

-

-

-

0,4

60

2

0,21

0,21

0,21

0,21

0,21

-

-

-

-

-

-

-

90

3

-

-

-

-

-

-

-

0,07

0,07

0,07

0,07

0,07

120

4

0,25

-

-

-

-

-

-

-

0,25

0,25

0,25

0,25

150

5

0,27

0,27

-

-

-

-

-

-

-

0,27

0,27

0,27

180

6

0,26

0,26

-

-

-

-

-

-

-

-

0,26

0,26

210

7

0,27

0,27

0,27

-

-

-

-

-

-

-

0,27

0,27

240

8

0,28

0,28

0,28

0,28

-

-

-

-

-

-

-

0,28

270

9

0,19

0,19

0,19

0,19

0,19

-

-

-

-

-

-

-

300

10

-

-

-

-

-

-

-

-

0,06

0,06

0,06

0,06

330

11

-

-

0,07

0,07

0,07

0,07

0,07

-

-

-

-

-

360

12

-

-

-

-

1,51

1,51

1,51

1,51

-

-

-

-

390

13

-

-

-

-

-

0,97

0,97

0,97

0,97

0,97

-

-

420

14

-

-

-

-

-

-

0,32

0,32

0,32

0,32

0,32

-

450

15

-

-

-

-

-

-

-

0,37

0,37

0,37

0,37

0,37

480

16

0,41

-

-

-

-

-

-

-

0,41

0,41

0,41

0,41

510

17

0,36

0,36

-

-

-

-

-

-

-

0,36

0,36

0,36

540

18

0,3

0,3

-

-

-

-

-

-

-

-

0,3

0,3

570

19

0,29

0,29

0,29

-

-

-

-

-

-

-

0,29

600

20

0,27

0,27

0,27

0,27

-

-

-

-

-

-

-

0,27

630

21

0,05

0,05

0,05

-

-

-

-

-

-

-

0,05

0,05

660

22

0,18

0,18

-

-

-

-

-

-

-

0,18

0,18

0,18

690

23

0,4

-

-

-

-

-

-

-

0,4

0,4

0,4

0,4

SRКШ

4,88

3,82

2,03

1,42

1,98

2,55

2,87

3,24

2,85

4,26

4,06

4,98


5. РАСЧЁТ ОСНОВНЫХ ДЕТАЛЕЙ ДВИГАТЕЛЯ

.1 Поршневая группа

Рис. 5.1 Схема поршня

.1.1 Поршень

Наиболее напряженным элементом поршневой группы является поршень, имеющий ударный характер приложения нагрузки, контакт с горячими газами

z = 2500…2800 C°), коррозионный и механический износ.

Поэтому к материалу поршня при его изготовлении предъявляются повышенные требования.

Поршни дизелей имеют более теплонапряженный режим работы из - за: высокой турбулизации и плотности газовой среды; интенсивного теплового излучения из - за горения жидких углеводородов непосредственно в камере сгорания; высокая неравномерность температурных полей (объёмное сгорание + впрыск топлива непосредственно в пламя). Схема поршня представлена на рис. 5.1.

Материал поршня - алюминиевый сплав АК - 25М2 ГОСТ 2685).

Исходные данные для расчета:

D = 87 мм - диаметр поршня;

mпк = 0,5 кг - масса поршневого комплекта;

R = 47 мм - радиус кривошипа;

nxx = 5100 об/мин - максимальная частота вращения холостого хода;

nном = 4200 об/мин - номинальная частота вращения;

l =0,318 - отношение радиуса кривошипа к длине шатуна;

Pz =11 МПа - максимальное давление цикла;

Максимальная сила давления газов на поршень:


Расчет верхней кольцевой перемычки.

hП = 5,0 мм - толщина верхней кольцевой перемычки.

Напряжение среза:

;

Напряжение изгиба:

;

Эквивалентное напряжение:

;

Опасное сечение по канавке маслосъёмного кольца.

dK = 77 мм - внутренний диаметр кольца;

d1 = 30 мм - внутренний диаметр поршня;

nM = 6 - число дренажных отверстий;

d0 = 2,0 мм - диаметр дренажных отверстий.


Разрывающая сила инерции в опасном сечении Х - Х:


Сила инерции в опасном сечении при расчете на номинальном режиме работы:


Площадь опасного сечения Х - Х:

Напряжения в опасном сечении:

;

;

Удельная нагрузка на бобышки.

lБ = 18,0 мм - длина опорной поверхности бобышек;

dП = 30 мм - диаметр поршневого пальца.


Удельная нагрузка на юбку поршня от нормальной силы.

hЮ = 56 мм - высота юбки поршня;

Nmax = 3437 Н - максимальная нормальная сила, действующая на поршень.


Динамические зазоры в горячем состоянии.

Зазоры в холодном состоянии:

DГ = 0,2 мм - зазор между головкой поршня и цилиндром в холодном состоянии;

DЮ = 0,1 мм - зазор между юбкой поршня и цилиндром в холодном состоянии;

aЦ = 11×10-6 1/С - коэффициент линейного расширения материала цилиндра (чугун);

aП = 22×10-6 1/С - коэффициент линейного расширения материала поршня (алюминий).

Зазор между головкой поршня и цилиндра в горячем состоянии:

tП = 330 С° - температура поршня;


tЦ = 170 С° - температура цилиндра.

Зазор между юбкой поршня и цилиндром в горячем состоянии:

tП = 190 С° - температура юбки;


tЦ = 170 С° - температура цилиндра.

5.1.2 Расчет поршневых колец

Поршневые кольца работают в условиях высоких температур и значительных переменных нагрузок (контакт с горячими газами (t = 2500…2800 С°), затруднена подача смазки (полусухое трение)). Изготовляют их из серого или легированного чугуна.

Назначение колец: уплотнять, надпоршневое пространство, отводить теплоту (от поршня через кольца отводиться 60…70% теплоты), регулирование толщины несущего масляного слоя (от 6 до 12 мкм).

В зависимости от номера кольца к нему предъявляются разные требования. Различают кольца по сечению и по виду рабочей поверхности.

Расчет первого компрессионного кольца

t = 4,0 мм - радиальная толщина кольца;

Е = 1,2×105 МПа - модуль упругости материала кольца;

m = 1,57 - коэффициент зависящий от способа надевания кольца на поршень (ручной способ);

tК = 310 С° - температура кольца;

tЦ = 170 С° - температура цилиндра;

aК = 11×10-6 1/С°- коэффициент линейного расширения материала кольца;

aЦ = 11×10-6 1/С°- коэффициент линейного расширения материала цилиндра;

DСВ = 13 мм - зазор в свободном состоянии;

DСМ = 0,6 мм - зазор в смонтированном состоянии;

D = 0,07 мм - минимально допустимый зазор в замке кольца во время работы двигателя (0,06…0,08 мм).

D = 1,5 мм - максимально допустимый зазор в замке кольца во время работы

.

Отношение разности между величинами зазоров замка кольца в свободном и рабочем состояниях к толщине кольца: (должно быть 3,0…4,0) .

Среднее радиальное давление прижатия кольца:

.

Допустимое значение для компрессионного кольца находятся в пределах 0,18…0,20 МПа.

Максимальное напряжение, возникающее в кольце при его работе:

 , ;

Напряжения при надевании кольца на поршень:

,

.

Монтажный зазор в замке поршневого кольца (должен лежать а пределах 0,35…0,52):

;

Тангенциальная сила прижатия кольца за счёт упругости:

       

Рис. 5.2 Эпюра давлений компрессионных колец:

а) первое компрессионное кольцо; б) второе компрессионное кольцо

.

Таблица 5.1

Значения радиальных давлений поршневого кольца на стенку цилиндра

j°

0

30

60

90

120

150

180

1,05

1,05

1,14

0,90

0,45

0,67

2,85


P, МПа

0,234

0,234

0,254

0,201

0,100

0,149

0,636


Рассчитанные выше параметры напряженно - деформированного состояния поршневых колец дизеля свидетельствуют о том, что они работоспособны.

.1.3 Расчет поршневого пальца

Поршневой палец характеризуется ударным характером приложения нагрузки, затрудненным подводом смазки, нагреванием днища поршня. Во время работы двигателя поршневой палец подвергается воздействию переменных нагрузок, приводящих к возникновению напряжений изгиба, сдвига, смятия и овализации. Поэтому при выборе материала пальца необходимо решить компромиссную задачу - материал должен быть не хрупким (пластичным), а также износостойким, т. е. к материалу предъявляются требования высокой прочности и вязкости. Этим требованиям удовлетворяют цементированные малоуглеродистые и легированные стали. Для изготовления поршневого пальца применяем сталь 12ХН3А с цементацией на глубину 0,8…1,2 мм и закалкой до твердости HRC 58…65.

Расчёт поршневого пальца включает определение удельных давлений пальца на верхнею головку шатуна и на бобышки, а также напряжений от изгиба и среза.

L = 78 мм - длина поршневого пальца;

dП = 30 мм - диаметр поршневого пальца;

d0 = 14 мм - диаметр отверстия в поршневом пальце;

а = 28 мм - ширина верхней головки шатуна;

b = 41 мм - расстояние между бобышками поршня;

ЕП = 2,1×105 МПа - модуль упругости материала пальца (сталь 12ХН3А ГОСТ 4543 - 71).


Сила инерции в опасном сечении при расчете на номинальном режиме работы:

Расчетная сила, действующая на палец:

;

Отношение внутреннего диаметра пальца к наружному:

.

Удельное давление пальца на втулку поршневой головки шатуна:

, .

Удельное давление пальца на бобышки:

.

Напряжения изгиба в среднем сечении пальца:

Касательные напряжения среза в сечениях между бобышками и головкой шатуна:

Расчет поршневого пальца на усталость:

;

.

Амплитуда цикла нагружения:

.

Среднее напряжение цикла нагружения:

.

s-1 = 600 МПа - предел выносливости материала поршневого пальца при симметричном цикле нагружения при изгибе;

 

предел выносливости материала поршневого пальца при пульсирующем цикле нагружения при изгибе.

Коэффициент, учитывающий влияние постоянной составляющей цикла на сопротивление усталости при изгибе:

.

b = 0,85 - коэффициент поверхностной чувствительности;

es = 0,85 - масштабный коэффициент, учитывающий влияние абсолютных размеров детали на предел выносливости при изгибе;

Кs = 1 - эффективный коэффициент концентрации напряжений.

Запас прочности при изгибе:

[ns] = 3,3…4,3, но >2,0

5.2 Шатунная группа

Шатун является частью кривошипно - шатунного механизма и служит для передачи усилий от поршня к коленчатому валу и, наоборот от коленчатого вала к поршню ( в зависимости от соотношения действующих сил).

Основными элементами шатуна (рис. 5.4.) являются:

-   поршневая головка, соединяемая пальцем с поршнем;

    кривошипная головка, соединяющая с шатунной шейкой коленчатого вала;

    стержень шатуна.

Рис.5.4 Расчетная схема шатунной группы

В зависимости от конструкции в комплект шатуна входят также втулки, вкладыши, болты (или шпильки) с гайками, элементы крепления вкладышей и элементы шплинтовки гаек.

При работе двигателя шатун подвергается воздействию знакопеременных газовых и инерционных сил, а в отдельных случаях эти силы создают ударные нагрузки. В связи с этим к шатуну предъявляют следующие требования:

.   Прочность и жесткость; эти требования обуславливают необходимость правильного выбора материала и разработки наивыгоднейшей формы шатуна. Ввиду знакопеременного характера нагрузок, действующих на шатун, материал его должен обладать высоким сопротивлением усталости. Такими материалами являются высококачественные углеродистые, а также легированные стали;

2. Легкость; легкость необходима для уменьшения сил инерции шатуна.

Материал шатуна - сталь 12ХН3А ГОСТ 4543 - 71.

.2.1 Расчет поршневой головки шатуна

DГ = 44,0 мм - наружный диаметр поршневой головки;

d = 33,0 мм - наружный диаметр втулки.

Средний радиус поршневой головки:


Толщина тела головки:

.

jЗ = 122 - угол заделки поршневой головки;

mШ = 0,9 кг - масса шатуна.

В поршневую головку шатуна запрессована бронзовая втулка. Натяг запрессовки DЗ = 0,04 мм. Втулка работает вместе с головкой и также воспринимает напряжения (“усиливает поршневую головку”). Кроме натяга запрессовки существует и температурный натяг за счёт разности коэффициентов линейного расширения.

aВ = 1,8 × 10-5 1/С - коэффициент линейного расширения втулки (бронза);

aШ = 1,0 × 10-5 1/С - коэффициент линейного расширения шатуна (сталь);

tВ = 120 С° - рабочая температура втулки.

.

Суммарный натяг:

.

Сила инерции, действующая на поршневую головку шатуна: .

Сжимающая сила:


Удельная нагрузка на поршневую головку:


mШ = 0,3 - коэффициент Пуассона для шатуна (сталь);

mп = 0,3 - коэффициент Пуассона для втулки (бронза);

ЕШ = 2,1×105 МПа - модуль упругости для шатуна (сталь);


Еп = 1,15×105 МПа - модуль упругости для втулки (бронза).

Радиальное давление на поршневую головку от суммарного натяга:

Напряжение от суммарного натяга на внешней поверхности головки:

.

Напряжение от суммарного натяга на внутренней поверхности головки:

.

Соотношение податливостей тела шатуна и втулки:

lГ = 27 мм

 

площадь сечения поршневой головки;


площадь сечения втулки;

(1 - К) = 15% - доля напряжений, воспринимаемых втулкой.

Расчет поршневой головки на растяжение

Нормальная сила и изгибающий момент в сечении О - О:

;


Нормальная сила и изгибающий момент в расчетном сечении от растягивающей силы:

;

;

;


Рис. 5.5. Распределение нагрузок на поршневую головку шатуна:

а) напряжения от растягивающей силы; б) напряжения от сил сжатия.

Напряжения от растягивающей силы на наружной поверхности поршневой головки:

;


Напряжения от растягивающей силы на внутренней поверхности поршневой головки:

;

.

Расчет поршневой головки на сжатие

Значения нормальной силы и изгибающего момента в сечении 0 - 0 определяются по номограммам в зависимости от угла заделки jЗ и силы сжатия РСЖ:

;

.

Нормальная сила и изгибающий момент в расчетном сечении:

;

;

;

;

Напряжения от сжимающей силы на наружной поверхности поршневой головки:

;

.

Напряжения от сжимающей силы на внутренней поверхности поршневой головки:

;


Расчет поршневой головки шатуна на усталость:

;

.

Амплитуда цикла нагружения:

;

Среднее напряжение цикла нагружения:

Запас прочности при изгибе:

s-1 = 420 МПа - предел выносливости материала симметричном цикле нагружения при изгибе;

ys = 0,15 -коэффициент, учитывающий влияние постоянной составляющей цикла на сопротивление усталости при изгибе;

b = 1,0 - коэффициент поверхностной чувствительности;

es = 0,75 - масштабный коэффициент, учитывающий влияние абсолютных размеров детали на предел выносливости при изгибе;

Кs = 1 - эффективный коэффициент концентрации напряжений.


5.2.2 Расчет стержня шатуна

LШ = 166 мм - длина шатуна;

L1 = 103 мм - длина стержня шатуна;

hШ = 30 мм; bШ = 20 мм; аШ = 8 мм; tШ = 6 мм.

Площадь и моменты инерции расчетного сечения В - В:

;

;

.

Сила инерции, действующая на расчетное сечение стержня шатуна:

;

.

Сила, сжимающая стержень шатуна:

.

Нормальное напряжение в сечении плоскости качания:

sВ = 160 МПа.

;

,

;

,

[sY] = 160…250 МПа.

Расчет стержня шатуна на усталость.

Минимальное напряжение цикла для обоих рассматриваемых плоскостей Х - Х и Y - Y:


Напряжения в плоскости качания относительно оси Х - Х:

 

амплитуда цикла нагружения;


среднее напряжение цикла нагружения.

Запас прочности при изгибе:

s-1 = 420 МПа - предел выносливости материала при симметричном цикле нагружения при изгибе;

ys = 0,15 - коэффициент, учитывающий влияние постоянной составляющей цикла на сопротивление усталости при изгибе;

b = 1,0 - коэффициент поверхностной чувствительности;

es = 0,75 - масштабный коэффициент, учитывающий влияние абсолютных размеров детали на предел выносливости при изгибе;

Кs = 1 - эффективный коэффициент концентрации напряжений (т.к. стержень подвергают дробеструйной обработке (остаточные напряжения сжатия)).

, [ns] = 2,2…5,0.

Напряжения в плоскости, перпендикулярной плоскости качания шатуна:

 

- амплитуда цикла нагружения;


среднее напряжение цикла нагружения.

Запас прочности при изгибе:

s-1 = 420 МПа - предел выносливости материала при симметричном цикле нагружения при изгибе;

ys = 0,15 - коэффициент, учитывающий влияние постоянной составляющей цикла на сопротивление усталости при изгибе;

b = 1,0 - коэффициент поверхностной чувствительности;

es = 0,65 - масштабный коэффициент, учитывающий влияние абсолютных размеров детали на предел выносливости при изгибе;

Кs = 1 - эффективный коэффициент концентрации напряжений.

, [ns] = 2,2…5,0.

5.2.3 Расчет кривошипной головки шатуна

Кривошипная головка шатуна часто рассчитывается не столько на прочность, сколько на допускаемые напряжения для обеспечения необходимой жесткости при работе шатунных вкладышей.

dШ.Ш. = 56 мм - диаметр шатунной шейки;

tВ = 2,1 мм - толщина стенки вкладыша;

С = 76 мм - расстояние между шатунными болтами;

LК = 30 мм - ширина кривошипной головки.

Масса крышки шатуна:


Максимальная сила инерции:

;

Внутренний радиус кривошипной головки шатуна:

.

Момент сопротивления расчетного сечения:

.

Моменты инерции вкладыша и крышки шатуна:

;

.

Площадь крышки и вкладыша в расчетном сечении:

;

.

Напряжения изгиба в расчетном сечении:

;


Зазор между шатунной шейкой и вкладышем:

.

Поперечная деформация головки:

.

5.2.4 Расчет шатунных болтов

В четырехтактных двигателях болты, стягивающие половинки кривошипной головки шатуна, подвергаются растяжению от действия сил инерции поступательно движущихся масс поршня и шатуна и вращающихся масс, расположенных над плоскостью разъёма кривошипной головки. Кроме того, болты испытывают растяжение от предварительной затяжки.

Шатунные болты (рис.5.6) должны обладать высокой механической прочностью и надежностью. Материал для изготовления шатунных болтов - сталь 40ХН.

Для легированной стали 40ХН механические характеристики:

sВ = 1000 МПа - предел прочности;

sТ = 800 МПа - предел текучести.

d = 12 мм - номинальный диаметр болта;

iБ = 2 мм - количество шатунных болтов;

dУТ = 8 мм - диаметр утонения;

c = 0,2 - коэффициент основной нагрузки резьбового соединения;

y = 2,5…3,5 - коэффициент запаса надежности стыка;

t = 0,75 мм - шаг резьбы;

Рис. 5.6 Шатунный болт

 

внутренний диаметр резьбы;

 

средний диаметр резьбы;

 

угол подъема винтовой линии;

tanr = 0,2 - численно равен коэффициенту трения в резьбе.

Сила предварительной затяжки шатунных болтов:


Суммарная сила, разрывающая шатунный болт:

.

Минимальное сечение болта:

.

Напряжения возникающие в болте при растяжении:

;

.

Момент, скручивающий шатунный болт при затяжке:

.

Момент сопротивления шатунного болта кручению:

.

Напряжение, возникающее в шатунном болте при затяжке:


Запас статической прочности:


 

амплитуда цикла нагружения;


среднее напряжение цикла нагружения.

Запас усталостной прочности:

ys = 0,15 - коэффициент, учитывающий влияние постоянной составляющей цикла на сопротивление усталости при изгибе;

b = 0,9 - коэффициент поверхностной чувствительности;

es = 0,65 - масштабный коэффициент, учитывающий влияние абсолютных размеров детали на предел выносливости при изгибе;

Кs = 3,3 - эффективный коэффициент концентрации напряжений.

.

Момент на ключе:

S = 17 - размер под ключ;

d0 = d =12 мм - диаметр отверстия под болт.

;

.

.3 Расчет коленчатого вала

 

Коленчатый вал является одной из наиболее ответственных, напряженных и дорогостоящих деталей двигателя. Вал воспринимает периодические нагрузки от сил инерции поступательно движущихся масс, а также от сил инерции вращательно движущихся масс. Силы, действующие на вал, вызывают трение и изнашивание его шеек и подшипников, усталостные разрушения в местах переходов шеек в щеки, а также крутильные, изгибные, поперечные и осевые колебания.


Рис. 5.7 Расчетная схема коленчатого вала

Основные требования, предъявляемые к конструкции вала:

-   достаточные прочность, жесткость и износостойкость при относительно небольшой массе;

    надежность работы при различных эксплутационных условиях;

-        высокая точность изготовления шатунных и коренных шеек;

-   достаточные твердость и степень чистоты обработки поверхности шеек;

    динамическая уравновешенность и отсутствие вибраций;

-        разгруженность коренных подшипников от центробежных сил.

Таким образом, из - за исключительно сложных и тяжелых условий работы коленчатого вала предъявляются высокие и разнообразные требования к механическим свойствам материалов, применяемых для изготовления коленчатых валов. Материал коленчатого вала должен обладать высокой прочностью и вязкостью, большой сопротивляемостью износу и усталостным напряжениям, сопротивлением действию ударных нагрузок и твердостью.

Изготовление литых чугунных валов проще и экономичнее, при этом расходуется меньше металла и меньше времени затрачивается на обработку, чем при изготовлении стальных штампованных или кованных валов. Причем экономия металла увеличивается по мере усложнения конструкции вала, износостойкость шеек вследствие наличия в чугуне графита возрастает, надежность работы вала благодаря большой циклической вязкости чугуна повышается. Расчетная схема коленчатого вала приведена на рис. 5.7.

sВ = 1000 МПа - предел выносливости;

sТ = 800 МПа - предел текучести;

s-1 = 460 МПа - предел выносливости материала коленчатого вала при симметричном цикле нагружения при изгибе;

t-1 = 230 МПа - предел выносливости при кручении;

dКШ =62 мм - диаметр коренной шейки;

dШШ = 56 мм - диаметр шатунной шейки;

lШШ = 30 мм - длина шатунной шейки;

R = 47 мм - радиус кривошипа.

.3.1 Расчет коренных шеек

Мmax_КШ =888 Н×м - максимальный момент, действующий на эту шейку;

Мmin_КШ = - 305 Н×м - минимальный момент, действующий на эту шейку.

Определение запаса прочности коренной шейки по касательным напряжениям.

Момент сопротивления кручению:

.

Максимальное и минимальное значения напряжения цикла:

;

.

Среднее напряжение и амплитуда цикла:

;

.

Запас прочности по касательным напряжениям:

yt = 0,1 - коэффициент, учитывающий влияние постоянной составляющей цикла на сопротивление усталости при кручении;

b = 0,9 - коэффициент поверхностной чувствительности;

Кt/et = 2,5.

, [nt] = 2,5…3.

.3.2 Расчет шатунной шейки

Максимальный и минимальный крутящие моменты двигателя:

Мmax_ШШ = 1355,5 Н×м - максимальный момент, действующий на эту шейку;

Мmin_ШШ = - 464 Н×м - минимальный момент, действующий на эту шейку.

Определение запаса прочности шатунной шейки по касательным напряжениям.

Момент сопротивления кручению:

.

Максимальное и минимальное значения напряжения цикла:

;

.

Среднее напряжение и амплитуда цикла:

;

.

Запас прочности по касательным напряжениям:

yt = 0,1 - коэффициент, учитывающий влияние постоянной составляющей цикла на сопротивление усталости при кручении;

b = 0,9 - коэффициент поверхностной чувствительности;

Кt/et = 2,5.

.

Определение запаса прочности по нормальным напряжениям.

Изгибающий момент, действующий в плоскости оси масляного отверстия:

-

момент действующий в плоскости, перпендикулярной плоскости кривошипа.

Максимальное и минимальное значения изгибающего момента:

;

,

где

;

.

Момент сопротивления изгибу:

.

Максимальное и минимальное напряжения цикла:

;

.

Среднее напряжение и амплитуда цикла:

;

.

Запас прочности при изгибе:

s-1 = 460 МПа - предел выносливости при симметричном цикле нагружения при изгибе;

ys = 0,15 - коэффициент, учитывающий влияние постоянной составляющей цикла на сопротивление усталости при изгибе;

es = 0,8 - масштабный коэффициент, учитывающий влияние абсолютных размеров детали на предел выносливости при изгибе;

Кs = 2,5 - эффективный коэффициент концентрации напряжений.

.

Общий запас прочности равен:

.

5.3.3 Расчет щеки коленчатого вала

В современных автомобильных и тракторных двигателях коленчатые валы изготовляются с положительным перекрытием. Расчетную схему кривошипа (рис. 6.7) в этом случае представить как рамную конструкцию затруднительно, так как каждая щека не может быть представлена в виде стойки хотя и небольшой длины, что было возможно при e > 0.

Сталь 40ХН имеет механические характеристики:

sВ = 1000 МПа - предел прочности при растяжении;

s-1 = 460 МПа - предел выносливости при изгибе;

t-1 = 230 МПа - предел выносливости при кручении.

Исходные данные:

rПЕР = 2 мм - радиус галтели при переходе от шейки к щеке;

lкш = 34 мм - длина шатунной шейки вала;

bЩ = 70 мм - ширина щеки;

hЩ = 21 мм - толщина щеки.

Максимальный и минимальный изгибающие моменты в щеке равны:

;

;

,

где ;

.

Принимаем КR = 0, считая, что центробежная сила неуравновешенных масс кривошипа полностью уравновешивается инерцией противовесов.

Определяем размер перекрытия:

.

Найдем высоту h1 и осевой момент сопротивления WИ расчетного сечения:

;

.

Максимальное и минимальное нормальные напряжения знакопеременного цикла в расчетном сечении щеки равны:

; .

Среднее напряжение и амплитуда цикла:

;

.

Запас прочности при изгибе:

s-1 = 460 МПа - предел выносливости при симметричном цикле нагружения при изгибе;

ys = 0,15 - коэффициент, учитывающий влияние постоянной составляющей цикла на сопротивление усталости при изгибе;

es = 0,8 - коэффициент влияния абсолютных размеров сечения для чугунных валов при изгибе;

Кs = 2,5 - эффективный коэффициент концентрации напряжений;

b = 1,1 - коэффициент поверхностной чувствительности.

.

Момент сопротивления кручению шатунной шейки равен:

.

Максимальные и минимальные касательные напряжения знакопеременного цикла:

;

.

Среднее напряжение и амплитуда напряжений:

; .

Запас прочности щеки при кручении:

yt = 0,1 - коэффициент, учитывающий влияние постоянной составляющей цикла на сопротивление усталости при кручении;

b = 0,9 - коэффициент поверхностной чувствительности;

Кt/et = 2,7.

.

Общий запас прочности равен:

.

6. РАСЧЕТ СИСТЕМ ДВИГАТЕЛЯ

6.1 Расчет системы смазки

.1.1 Масляный насос

Количество тепла, выделяемого при сгорании топлива в течение одной секунды.

240,14 кДж/c,

где = 42440 кДж/кг,

=20,37 кг/ч-часовой расход топлива (см. прил. 1).

= 7,2 кДж/с.

.1.2 Циркуляционный расход масла.

,

где -плотность масла ;

-средняя теплоемкость масла ;

-температура нагрева масла в двигателе.

Для стабилизации давления масла в системе двигателя циркуляционный расход масла обычно увеличивают в два раза.

.

С учетом = 0,6 - объемного КПД насоса, циркуляционный расход будет равен:

.

.1.3 Частота вращения шестерен насоса

.

6.2 Расчет системы охлаждения

Охлаждение двигателя применяется в целях принудительного отвода тепла от нагретых деталей, для обеспечения оптимальной температуры двигателя и нормальной работы его деталей. Большая часть тепла отводится через систему охлаждения. В проектируемом двигателе применена система жидкостного охлаждения.

.2.1 Расчет водяного насоса

Водяной насос служит для обеспечения непрерывной циркуляции воды в системе охлаждения. Наибольшее распространение получили центробежные с односторонним подводом жидкости.

Количество тепла, отводимое от двигателя водой:

-по данным теплового баланса двигателя;

-средняя теплоемкость воды;

-средняя плотность воды;

-частота вращения насоса.

Циркуляционный расход воды в системе.

,

где  = 6…12 К - температурный напор воды в радиаторе.

Принимаем:  = 10 К.

Расчетная производительность насоса.

,

где  = 0,8…0,9 - коэффициент подачи насоса.

Скорость воды на входе в насос С1 = 1…2 м/с. Принимаем С1 = 2 м/с.

Радиус ступицы крыльчатки r = 13 мм.

Радиус входного отверстия

r = 18 мм , радиус крыльчатки на входе r = 34 мм.

Окружная скорость схода воды

14,73 м/c,

где  и  -углы между направлениями скоростей.

Принимаем:


гидравлический КПД насоса. Принимаем: .

Окружная скорость потока воды.

 7,8 м/c.

Угол между скоростями  и  принимаем , при этом

.

Число лопаток на крыльчатке насоса Z =6 ;

Толщина лопаток на входе и на выходе  .

Ширина лопатки на входе.


Радиальная скорость потока на выходе из колеса.

 2,21 м/c;


Мощность, потребляемая водяным насосом.

,

где =0,7…0,9 - механический КПД насоса.

Принимаем =0,85

.2.2 Расчет водяного радиатора

Радиатор представляет собой теплообменный аппарат для передачи тепла от воды, поступающей от нагретых деталей двигателя, в окружающий воздух.

Расход воздуха через радиатор.

 3,9 кг/c,

где  = 20...30 К - температурный перепад воздуха в решетке радиатора.

Принимаем:  25 К.

Массовый расход воды, проходящей через радиатор.

 1,4 кг/c.

Средняя температура охлаждающего воздуха, проходящего через радиатор.

 300,5 К,

где  = 313 К - расчетная температура воздуха перед радиатором.

Средняя температура воды в радиаторе.

 = 358 К,

где  = 353…368 К - температура воды перед радиатором.

Поверхность охлаждения радиатора.

,

где К=140…180  - коэффициент теплопередачи для радиаторов легковых автомобилей.

.2.3 Расчет вентилятора

Вентилятор предназначен для создания направленного воздушного потока, обеспечивающего принудительный отвод тепла от радиатора.

Напор, создаваемый вентилятором,  для автомобильных двигателей обычно изменяется в пределах:

 600…1000 Па. Принимаем:  = 800 Па.

Плотность воздуха в радиаторе.


Производительность вентилятора.

,

Фронтовая поверхность радиатора.

,

где 16…24 м/c - скорость воздуха перед фронтом радиатора без учета скорости движения автомобиля. Для расчета  принято равным 20м/c.

Диаметр вентилятора.

.

Окружная скорость вентилятора.

68,3 м/c,

где - безразмерный коэффициент , для криволинейных лопастей равен: 2,2…2,9. Принимаем: =2,6.

Частота вращения вентилятора.

.

Принимаем: .

Мощность , затрачиваемая на привод вентилятора.

4,1 кВт ,

где - КПД вентилятора (для литых вентиляторов =0,55…0,65).

Для расчета принимаем: = 0,65.

дизель топливо форсунка турбонаддув

7. ИССЛЕДОВАТЕЛЬСКИЙ РАЗДЕЛ

.1 Обзор систем впрыска

Дизельные двигатели отличаются высокой экономичностью. Начиная с момента создания первого серийного ТНВД фирмы Воsсh в 1927 г., системы впрыска постоянно совершенствуются.

Дизели выпускаются в различных модификациях, в числе которых:

• силовые агрегаты для мобильных дизель-генераторов (до 10 кВт/цилиндр);

• быстроходные дизели для легковых и легких грузовых автомобилей (до 50 кВт/цилиндр);

• дизели для строительных, сельскохозяйственных и лесотехнических машин (до 50 кВт/цилиндр);

• дизели для тяжелых грузовых автомобилей, автобусов и тягачей (до 80 кВт /цилиндр);

• дизели для тепловозов и судов (до 1000 кВт/цилиндр).

Требования

Большие ограничения по уровню эмиссии ОГ и уровню шума работы, наряду с обеспечением более низкого расхода топлива, постоянно формируют новые требования к системе впрыска дизельных двигателей.

Принципиально система впрыска должна обеспечивать хорошее смесеобразование в соответствии с заданным процессом сгорания топлива (непосредственный впрыск или разделенные камеры сгорания) и работу с высоким давлением (в настоящее время - от 350 до 2050 бар) в камере сгорания дизеля, а также дозировать при этом подачу топлива с максимальной точностью. Регулирование нагрузки и частоты вращения коленчатого вала дизеля производится изменением величины цикловой подачи топлива без дросселирования подаваемого воздуха.

Механические регуляторы частоты вращения коленчатого вала в системах впрыска для дизелей все более вытесняются электронными системами регулирования. Новые дизели легковых и грузовых автомобилей комплектуются исключительно такими системами.

Типы конструкций

Задача системы впрыска для дизелей состоит в том, чтобы подавать топливо под высоким давлением в камеру сгорания цилиндра в нужном количестве и в нужный момент.

Форсунки в зависимости от используемого процесса впрыскивания устанавливаются в основную или дополнительную камеру сгорания. Если форсунки механические, то они открываются при определенной величине давления топлива, единой для всей системы впрыска. Закрытие форсунок происходит при падении давления топлива. Основное различие между системами впрыска состоит в механизме создания высокого давления. Из-за последнего все компоненты системы должны быть прецизионно изготовлены из высокопрочных материалов и точно подогнаны друг к другу.

.1.1 Рядные ТНВД

а) Стандартные рядные ТНВД типа РЕ

Рис. 7.1 принцип работы рядного ТНВД

Рядные ТНВД 9 (Рис 7.1) комплектуются плунжерными парами, состоящими из плунжера 4 и гильзы 1, по числу цилиндров двигателя. Плунжер смещается в направлении подачи встроенным в ТНВД кулачковым валом 7, приводимым от двигателя. Возвратная пружина 5 отжимает плунжер назад. Отдельные секции таких ТНВД располагаются, как правило, в ряд (поэтому насос и носит название «рядный»).

Когда верхний торец плунжера при движении вверх перекрывает впускное окно 2, давление начинает повышаться. Этот момент называется началом нагнетания. Плунжер продолжает двигаться вверх, создавая избыточное давление, под действием которого подвижная игла в форсунке открывает отверстие распылителя и топливо впрыскивается в камеру сгорания.

Когда регулирующая кромка 3 спиральной канавки плунжера открывает впускное окно, куда топливо через канавку может перетекать обратно, давление сбрасывается. Игла распылителя форсунки перекрывает отверстие, и впрыскивание заканчивается.

Ход плунжера между закрытием и открытием впускного окна называется активным ходом. Положение регулирующей кромки плунжера относительно впускного окна меняется поворотом плунжера вокруг своей оси рейкой ТНВД. Таким образом, изменяется величина активного хода, что позволяет регулировать величину цикловой подачи. Рейка управляется механическим центробежным регулятором или электрическим приводом.

б) Рядные ТНВД с дополнительной втулкой

Эти топливные насосы отличаются от обычных дополнительной втулкой 8 (рис.7.2) подвижно размещенной на плунжере. Изменяя ее расположение (и соответственно меняя положение впускного окна) с помощью исполнительного механизма, можно обеспечить «предход» - изменять ход 9 плунжера до закрытия впускного окна. Этим достигается возможность регулирования момента начала впрыскивания независимо от частоты вращения коленчатого вала.

Рис. 7.2 Принцип работы рядного ТНВД с дополнительной втулкой

.1.2 Распределительные ТНВД

Распределительные ТНВД оснащаются единым нагнетающим элементом высокого давления для всех цилиндров. Шиберный топливоподкачивающий насос нагнетает топливо в камеру 6 высокого давления, которое создается с помощью аксиального плунжера 4 (рис. 7.3.) или нескольких радиальных плунжеров 4 (рис.7.4.). Вращающийся центральный плунжер-распределитель открывает и закрывает распределительные отверстия, направляя топливо через распределительный паз 8 к отдельным форсункам двигателя. Продолжительность впрыскивания может изменяться перемещением регулирующей втулки 5 (рис. 7.3) или с помощью электромагнитного клапана 5 высокого давления (рис.7.4.).

а) Распределительные ТНВД с аксиальным движением плунжера

Кулачковая шайба 3 (рис. 7.3.), жестко соединенная с плунжером-распределителем, приводится во вращение от двигателя. Число кулачков, выполненных в виде выступов на рабочей поверхности шайбы, соответствует числу цилиндров двигателя. Шайба обкатывается по роликам 2, при наезде на которые кулачки приводят вращающийся плунжер-распределитель в дополнительное возвратно-поступательное движение. По мере вращения приводного вала плунжер-распределитель совершает столько ходов, сколько требуется по числу цилиндров двигателя.

В аксиальных ТНВД с механическим центробежным регулятором или исполнительным механизмом, управляемым электроникой, величины активного хода плунжера и цикловой подачи определяет положение регулирующей втулки 5 (рис.7.3.). Установка момента начала впрыскивания происходит поворотом роликового кольца на необходимый угол 1 (рис.7.3).

Рис 7.3 Принцип действия распределительного ТНВД с аксиальным движением плунжера

б) Распределительные ТНВД с радиальным движением плунжеров

Также снабжен кулачковой шайбой 3, только, в отличие от аксиальных ТНВД, не торцевой, а кольцевой (рис.7.4.). Кроме того, имеется от двух до четырех радиальных плунжеров 4, создающих высокое давление топлива. С помощью таких ТНВД могут достигаться более высокие значения давления впрыскивания, чем у аксиальных ТНВД. Они отличаются к тому же более высокой механической прочностью.

Рис. 7.4. Принцип действия распределительного ТНВД с радиальным движением плунжера и распределением топлива с помощью электромагнитного клапана

Регулировка момента впрыскивания может осуществляться сдвигом кулачковой шайбы. Момент начала впрыскивания и продолжительность впрыскивания у этих ТНВД регулируется исключительно электромагнитным клапаном.

в) Распределительные ТНВД, регулируемые электромагнитным клапаном. В таких ТНВД дозирование цикловой подачи, равно как и изменение момента начала впрыскивания, происходит с помощью электромагнитного клапана высокого давления, оснащенного системой электронного регулирования. Один или два электронных блока этой системы (для ТНВД и двигателя) в нужный момент выдают управляющие и распределительные сигналы. Если электромагнитный клапан закрыт, давление в камере 6 высокого давления нарастает. Если он открыт, давление не увеличивается и топливо не попадает в магистрали, ведущие к форсункам.

.1.3 Система индивидуальных ТНВД

Индивидуальные ТНВД, каждый из которых рассчитан на работу с одной форсункой, изначально применялись для двигателей судов, тепловозов, строительных машин, а также малых моторов. Они используются, кроме того, при эксплуатации дизелей на вязких видах дизельного топлива.

Рабочий процесс аналогичен происходящему в рядных ТНВД типа РЕ. Индивидуальные насосы - как все одноцилиндровые системы - не имеют собственного кулачкового вала. Их приводные кулачки расположены на распределительном валу механизма газораспределения дизеля.

У больших двигателей гидромеханический или электронный регулятор частоты вращения коленчатого вала расположен непосредственно на картере.

Величина цикловой подачи, определяемая регулятором частоты вращения, устанавливается с помощью рейки, единой для нескольких ТНВД.

Из-за прямой связи плунжера с кулачковым валом установка момента начала впрыскивания простым поворотом вала невозможна. Здесь перестановка угла в пределах нескольких градусов поворота достигается установкой промежуточного элемента. Возможно также управление при помощи электромагнитного клапана.

Рис. 7.5 Принцип действия насос-форсунок

Рис. 7.6 Принцип действия индивидуального ТНВД с электромагнитным клапаном

а) Насос-форсунки (система UIS)

В насос-форсунке системы UIS (UIS - Unit Injector Sistem) ТНВД и форсунка объединены в единый агрегат (рис. 7.5). Насос-форсунка устанавливается на каждый цилиндр двигателя. Она приводится в действие от кулачка распределительного вала двигателя непосредственно толкателем или через коромысло.

Так как здесь отсутствуют магистрали высокого давления, то в форсункемогут быть достигнуты существенно более высокие (до 2050 бар) величины давления впрыскивания, чем в рядных или распределительных ТНВД. Протекание впрыскивания регулируется электромагнитным клапаном 3 высокого давления.

б) Система индивидуальных ТНВД с электромагнитным клапаном

Система индивидуальных ТНВД с электромагнитным клапаном UPS (UPS - Unit Рumр Sistem) в принципе работает так же, как и предыдущая (рис. 7.5). Отличие заключается в том, что форсунка и насос не являются единым агрегатом их соединяет короткая магистраль 3 высокого давления. Это разделение элементов упрощает конструкцию и ее монтаж на двигателе. На каждый цилиндр приходится по форсунке, трубопроводу и насосной секции. Каждый плунжер приводится от кулачка 6 распределительного вала двигателя.

Как и у насос-форсунок, начало и продолжительность впрыскивания регулируются электроникой через быстродействующий электромагнитный клапан 4 высокого давления.

.1.4 Система Соmmon Rail

В аккумуляторной системе впрыска Соmmоn Rail (иногда обозначается как СR) функции создания высокого давления и впрыскивания разделены (рис. 6). Давление впрыскивания создается и регулируется автономным ТНВД 1 независимо от частоты вращения коленчатого вала и величины цикловой подачи. Оно поддерживается в топливном аккумуляторе 2 давления для последующего впрыскивания.

Эта система предоставляет гораздо большие возможности для варьирования параметров впрыскивания топлива, чем предыдущие.

В каждый цилиндр двигателя устанавливается форсунка. Впрыскивание топлива осуществляется открытием и закрытием электромагнитного клапана 3 высокого давления. Момент впрыскивания и цикловая подача регулируются электронным блоком управления.

Рис. 7.7 Принцип действия аккомуляторной системы Common Rail

7.2 Оценка топливной аппаратуры различных типов с точки зрения организации управления процессом топливоподачи

Сравнение систем топливоподачи должно проводиться с учетом их технических характеристик. Результаты проведённого анализа систем топливоподачи представлены на плакате №5 графической части проекта. В настоящее время в качестве основного параметра топливной аппаратуры рассматривается максимальное давление впрыскивания. Обеспечение современных жестких требований к токсичности ОГ дизелей возможно только при повышении давлений впрыскивания. Проведенный анализ также показал, что переход от показателей токсичности ОГ, соответствующих требованиям норм EURO - 1, к показателям уровня требований норм EURO - 2 должен сопровождаться повышением максимальных давлений впрыскивания с 70-80 до 90-100 МПа. Дальнейшее улучшение экологических показателей дизелей до уровня требований норм EURO - 3 возможно при повышении максимальных давлений впрыскивания до 110-130 МПа. Такая же закономерность повышения давлений впрыскивания подтверждена исследованиями фирмы ВКМ (США). По данным этой фирмы, при увеличении давления впрыскивания с 50 до 100 МПа эффективность рабочего процесса быстроходного дизеля повышается на 30%, а при дальнейшем повышении этого давления до 150 МПа эффективность рабочего процесса возрастает только на 2%, а затем начинает ухудшаться. При этом значительно возрастают затраты энергии на привод аппаратуры и растут утечки топлива, что ограничивает целесообразное повышение давления впрыскивания уровнем 100-150 МПа.

Из этого следует, что упомянутые давления впрыскивания обеспечиваются и топливной аппаратурой с традиционными ТНВД, и системами топливоподачи аккумуляторного типа. Еще более высокие давления впрыскивания характерны для систем топливоподачи с насос-форсунками, которые фирмой R. Bosch выпускаются в ограниченном количестве. Применение таких неразделенных систем топливоподачи может быть рекомендовано в дизелях с увеличенным рабочим объемом, в которых целесообразный уровень максимальных давлений впрыскивания достигает 150-160 МПа и более.

Как отмечено выше, увеличение давления впрыскивания топлива оказывает противоположное влияние на эмиссию наиболее значимых токсичных компонентов ОГ - твердых частиц (ТЧ) и оксидов азота N0. В Рейнско-Вестфальском ВТУЗ (г. Ахен) исследовался дизель размерности S/D=13,8/12,7, с неразделенной КС и объемным смесеобразованием. Дизель был поочередно оборудован рядным ТНВД типа РР39 фирмы R.Bosch с подвижной отсечной втулкой, регулирующей УОВТ, и насос-форсункой фирмы Lucas. ТНВД обеспечивал максимальные давления впрыскивания до 140 МПа, а насос-форсунка - до 200 МПа. Приведенные характеристики получены путем изменения угла опережения впрыскивания. Исследования показали, что повышение давления впрыскивания и соответствующее уменьшение его продолжительности приводят к уменьшению выбросов ТЧ, но и к одновременному увеличению выбросов NOХ. При переходе с рядного ТНВД на насос-форсунку продолжительность впрыскивания уменьшилась с 36 до 32° п.к.в., выбросы ТЧ снизилась в 3-6 раз, а выбросы NOХ возросли 2-3 раза. Поэтому при выборе типа аппаратуры необходимо учитывать возможность компромисса между эмиссиями этих двух токсичных компонентов ОГ. Преимущества и недостатки различных типов ТПА исследовались фирмой Nissan Disel Со. (Япония) на четырехцилиндровом V-образном дизеле размерности 15/15 (рабочий объем Vh= 2,64 дм3, степень сжатия - 17,3, тороидальная КС). Исследуемый дизель поочередно был оборудован рядным ТНВД, насос-форсунками и аккумуляторной системой типа Common Rail. Рядный ТНВД и система Common Rail исследовались с распылителями, имеющими семь распыливающих отверстий диаметром с dр=0,21 мм, а насос-форсунки - с семиструйным распылителем с dр=0,19 мм. Зависимость давлений впрыскивания от скоростного режима работы дизеля, представленная на плакате, свидетельствует о возможности обеспечения постоянства максимального давления впрыскивания на уровне рф тах=120 МПа при использовании системы Common Rail. Системы топливоподачи с рядным ТНВД и с насос-форсунками имеют характеристики давлений впрыскивания с рф тах=160 МПа на номинальном режиме (при п=2200 мин'1) и с Pф mах=75-90 МПа на режиме с n=1000 мин'1. Таким образом, все три исследуемые системы топливоподачи обеспечивают упомянутый выше требуемый уровень максимальных давлений впрыскивания (100-150 МПа). Возможность обеспечения постоянства рф тах при использовании системы Common Rail является в большей степени теоретической, поскольку на практике давление в аккумуляторе этой системы изменяется в широких пределах: от 50 МПа на режимах с малыми частотой вращения и нагрузкой до 135-140 МПа на номинальном режиме.

Представленные экспериментальные данные по исследуемому дизелю также не позволяют выявить значительных преимуществ той или иной системы топливоподачи. Так, эмиссии оксидов азота при использовании трех рассматриваемых систем топливоподачи являются сопоставимыми. Дымность ОГ Кх в зоне наибольших выбросов сажи для систем с рядным ТНВД и системой Common Rail примерно одинакова. Снижение дымности ОГ и улучшение экономичности дизеля, оснащенного насос-форсунками, сравнительно невелико и, по-видимому, достигнуто за счет уменьшения диаметра сопловых каналов распылителя (с dр =0,21 мм до dр =0,19 мм). При использовании рядного ТНВД и системы Common Rail разница удельных эффективных расходов топлива не превышает 4 г/(кВт-ч).

Еще одним требованием, предъявляемым к системам топливоподачи дизелей, является возможность оптимизации характеристик топливоподачи на различных режимах работы. Поэтому большинство современных систем топливоподачи оборудуются электронными регуляторами топливоподачи. Несмотря на очевидные преимущества электронных систем управления топливоподачей, продолжается выпуск и эксплуатация механических и гидромеханических регуляторов, а также электромеханических САУ, включающих электронный и дублирующий его механический регуляторы. Как отмечено выше, применение таких регуляторов обусловлено их высокой надежностью, простотой обслуживания в эксплуатации и, как правило, их меньшей стоимостью.

Анализ преимуществ и недостатков различной ТПА с точки зрения возможностей управления процессом топливоподачи проведен фирмой Caterpillar (США). Системы топливоподачи различных типов оценивались по следующим критериям: по возможности независимого от режима работы дизеля и других факторов управления законом подачи топлива, началом впрыскивания, его давлением, а также по возможности управления минимальной ЦПТ. При этом использовалась трехбальная шкала оценки (максимальная оценка - 3 балла, минимальная -0 баллов). Затем определялась сумма баллов. Можно отметить, что гибкое управление законом подачи топлива (в том числе обеспечение двухстадийного впрыскивания) осуществляется в системе Common Rail и в системах топливоподачи с форсунками и насос-форсунками с электронным управлением. Но при этом следует отметить, что оценка фирмой Caterpillar систем топливоподачи с ТНВД по этому критерию не совсем корректна (выставлены нули), поскольку применение в них двухпружинных форсунок также позволяет получить двух-стадийное впрыскивание.

Возможность независимого управления началом топливоподачи (УОВТ) имеется во всех рассматриваемых системах при их оснащении электронными регуляторами.

Повышение давления впрыскивания обычно достигается путем увеличения диаметра плунжера ТНВД или насос-форсунки. Это часто приводит к сложностям подачи малых доз топлива на режимах холостого хода. Поэтому важным критерием оценки ТПА является обеспечение подачи минимальной управляемой дозы топлива.

Наибольшими преимуществами в соответствии с представленной методикой оценки ТПА обладают система Common Rail и система топливоподачи с насос-форсунками с электрогидравлическим управлением. Нисколько не уступает им система с насос-форсунками с электронным управлением. Близкие показатели имеет топливная аппаратура с ТНВД и электронным управлением. Наименее перспективны системы с ТНВД и с насос-форсунками с механическим управлением процессом топливоподачи. Несмотря на некоторый субъективизм приведенного анализа, он позволяет выявить тенденции дальнейшего совершенствования топливной аппаратуры транспортных и автотракторных дизелей.

ТПА с насос-форсунками выпускается фирмой R. Bosch в ограниченном количестве, но она нашла достаточно широкое применение, особенно в дизелях грузовых автомобилей. Преимуществом этой аппаратуры, имеющей меньшие объемы полостей по сравнению с разделенными системами, является возможность получения высоких давлений впрыскивания (до 200 МПа и выше). Устанавливается ТПА с насос-форсунками и на ряде легковых автомобилях фирм Volkswagen, Land Rover и др.

По мнению руководства фирмы Caterpillar, в ближайшее время системы топливоподачи типа МЕUI и НEUI с насос-форсунками найдут преимущественное применение. Вероятность использования систем МЕUI и НЕUI в дизелях большегрузных автомобилей в 2008-2010 гг. составит 50-67%, а системы типа Common Rail - 33-50%.

Устанавливается ТПА с насос-форсунками и на некоторых легковых автомобилях. Так, на автомобилях Lupo фирмы Volkswagen применены насос-форсунки фирмы Lucas с механическим приводом плунжеров, обеспечивающие давления впрыскивания до 200 МПа. На автомобиле Discovery фирмы Land Rover использованы насос-форсунки фирмы Lucas Varity с механическим приводом плунжеров, электронным управлением и максимальным давлением впрыскивания до 150 МПа.

Обобщая изложенное, можно отметить, что проведенный анализ не позволил выявить однозначных преимуществ той или иной топливной аппаратуры. Для силовой установки конкретного транспортного средства ТПА подбирается с учетом всего комплекса ее положительных и отрицательных качеств. Например, в быстроходных дизелях небольшой мощности для легковых автомобилей преимущественное распространение имеет ТПА с распределительными ТНВД, системой насос-форсунок и системой типа Common Rail. Такое разнообразие ТПА транспортных и автотракторных дизелей сохранится и в обозримом будущем.

Из вышесказанного следует что более перспективной в области улучшения системы топливоподачи является система насос-форсунок, т.к. она обеспечивает наибольшие давления впрыскивания, что способствует лучшему смесеобразованию. Так же одной из основных определяющих, выбора этой системы, является возможность регулирования и обеспечения многостадийного впрыска топлива.

7.3 Принцип действия и конструкция системы насос-форсунок

.3.1 Конструкция

Насос-форсунка впрыскивает в камеру сгорания топливо в момент, определяемый блоком управления, в нужном объеме и под требуемым давлением, на всех режимах работы дизеля. Благодаря компактности и универсальности конструкции агрегата применение магистрали высокого давления не требуется, что улучшает протекание процесса впрыскивания.

Рис 7.8 Конструкция насос-форсунки для двигателя легкового автомобиля

-

Похожие работы на - Дизельный двигатель ЗМЗ-617 жидкостного охлаждения с разработкой системы топливоподачи

 

Не нашли материал для своей работы?
Поможем написать уникальную работу
Без плагиата!
Без нейросетей!