Расчет привода к люлечному цепному элеватору
1. Кинематический и силовой расчет привода
Исходные данные:
, где
- мощность на приводном валу элеватора, кВт;
, где
- число зубьев приводной звездочки;
, где
- шаг цепи, мм;
, где
- скорость тяговой цепи, м/c;
Цепь
тяговая пластичная ГОСТ 588-81.
.1
Определение мощности электродвигателя
, (1.1)
где
- мощность двигателя, кВт;
-
мощность на приводном валу, кВт;
- общий
КПД привода;
[1, с.
7, табл. 1.1] (1.2)
где
- КПД муфты,
;
- КПД
подшипников качения,
;
- КПД
зубчатой передачи,
;
- КПД
конвейера,
;
;
;
Выбираем
двигатель AИР132М8 ТУ 16-525.564-84 [1,с 459,табл 24.9]
принимаем:
;
,
где
- номинальная частота вращения вала двигателя,
.
1.2 Определение общего передаточного отношения
, (1.3)
где
- частота вращения привода,
;
, (1.4)
где
Vц - скорость тяговой цепи, м/c; VЦ =
0,35 м/с;
Dзв - диаметр
приводной звездочки, мм;
[1, с.
6,](1.5)
где
Pц - шаг цепи, мм; Pц = 125 мм;
Zзв - число
зубьев приводной звездочки; Zзв = 12;
;
;
.
привод люлечный цепной
элеватор
1.2.1 Определение передаточного отношения открытой зубчатой передачи.
, (1.6)
где
Uоп - передаточное отношение открытой зубчатой
передачи;

,
-
передаточные отношения закрытых цилиндрических передач;
Uб = 4, Uт =
3, [1, с. 7, табл. 1.2]
.
1.3 Определение частот вращения валов привода
.3.1 первого вала:
;
;
1.3.2 второго вала:
;
; (1.7)
1.3.3 третьего вала:
;
;(1.8)
1.3.4
четвертого вала
;
; (1.9)
1.3.5 пятого вала
;
.
1.4 Определение мощностей на валах
1.4.1 на первом валу
; (1.10)
;
1.4.2 на втором валу:
; (1.11)
;
1.4.3 на третьем валу
; (1.12)
;
1.4.4
на четвёртом валу
; (1.13)
;
1.4.5 на пятом валу:
; (1.14)
.
1.5 Определение вращающих моментов на валах.
; (1.15)
1.5.1 на первом валу:
;
;
1.5.2 на втором валу:
;
;
1.5.3 на третьем валу:
;
;
1.5.4
на четвёртом валу:
;
1.5.5 на пятом валу:
;
.6 Определение диаметров валов.
;(1.16)
где:

-вращающий
момент на i-том валу, 
;
-
допустимое напряжение на i-том валу, мПа.
1.6.1 первого вала:

;
Где

-величина
справочная [1,с456],
;
1.6.2 второго вала:
;
1.6.3 третьего вала:
;
;
1.6.4
четвёртого вала:
;
;
1.6.5 пятого вала:
;
;
принимаем диаметры валов ГОСТ 6636-69 [1, с452, табл. 24.1]:
;
;
;
;
.
AИР132М8 ТУ
16-525.564-84
,
;
Исполнение
IM1081
Рис. 1.2
Размеры:


Рис. 1.1. Кинематическая схема привода
.
Расчёт клиноремённой передачи
Исходные данные:
2.1 Определяем сечение клинового ремня
Размеры сечения по ГОСТ 1284.1-89 сведены в таблицу [2,с. 288, табл.
12.2]
Табл. 2.1
|
h, мм
|
b0, мм
|
bР, мм
|
lР, мм
|
(dp)min,
мм
|
А, м2
|
q, кг/м
|
|
|
|
min
|
max
|
|
|
|
|
11
|
17
|
14
|
630
|
6300
|
125
|
0,18
|
|
где lР - расчётная длина по нейтральному
слою, мм
А - площадь сечения, м2
q -
масса 1 м длины, кг/м
.2 Определяем диаметр малого шкива d1
По графику [2,c. 290, рис.12.26],
учитывая условия задания по габаритам и
рекомендации
по количеству ремней
(вследствие неизбежных погрешности ремней и канавок
шкивов, приводящих к тому, что ремни натягиваются различно, появляются
дополнительные скольжение, износ и потеря мощности) принимаем диаметр малого
шкива
мм и находим номинальную мощность передаваемую одним
ремнём
кВт.
2.3 Определяем диаметр ведомого шкива d2.
мм, (2.1)
округляем до стандартного диаметра из ряда [2,c. 289] и
принимаем
мм.
2.4 Уточняем передаточное число ременной передачи.
, (2.2)
где
- коэффициент скольжения;
;
.
2.5 Определяем ориентировочное межосевое расстояние.
; (2.3)
;
примем a = 500 мм.
2.6 Определяем предварительно длину ремня.
; (2.4)
;
По
стандартному ряду длин выбираем L = 2240 мм [2,с. 288].
2.7 Уточняем межосевое расстояние.
; (2.5)
.8 Определяем угол захвата малого шкива.
(2.6)
2.9 Определяем расчетную мощность, передаваемую одним ремнём.
(2.7)
где:

-
номинальная мощность, передаваемая одним ремнём;
;

-
коэффициент угла обхвата;
= 0,92 по
таблице [2, с. 289];

-
коэффициент длины ремня;
= 1 по графику [2, с. 291, рис.12.27];

-
коэффициент передаточного отношения;
= 1,14
[2, с. 291, рис.12.28];

-
коэффициент режима нагрузки;
= 1,2 [2,
с. 289];
.
2.10 Определяем число ремней.
(2.8)
где

-
коэффициент числа ремней,
= 0,95 по таблице [2, с. 290]
Получаем
3 ремня
2.11 Определяем силу предварительного натяжения одного ремня.
(2.9)
где
v - скорость движения ремня, м/с

-
центробежная сила, Н
; (2.10)
м/с ;
, (2.11)
где
- плотность ремня, ρ = 1250 Н/м3;
A - площадь
сечения, A = 138
м2;
;
.
2.12 Определим силу, действующую на вал.
; (2.12)
где
- угол между ветвями ремня;
; (2.13)
;
В
статическом состоянии передачи
; (2.14)
;
При
n = 712 мин-1
; (2.15)
.
2.13 Определим ресурс наработки
; (2.16)
где

- срок
эксплуатации при среднем режиме нагрузок, по ГОСТ 1284.2-89; 
[2,с291];

-
коэффициент режима нагрузки, для умеренных колебаний 
[2,с289];

- коэффициент
климатических условий, для центральных зон 
[2,с291];

2.14
Определим число пробегов в секунду
; (2.17)
Рис. 2.3 М1:1. Шкив ведущий
табл. 2.2
|
M, мм
|
b0, мм
|
bp, мм
|
b*, мм
|
h, мм
|
, ммr1, ммe, ммf, ммC, мм
|
|
|
|
|
|
71
|
17
|
14
|
4,2
|
10,8
|
13
|
1
|
19
|
12,5
|
14
|
|
d1, мм
|
dст, мм
|
dp, мм
|
de, мм
|
lст, мм
|
, градd0,
мм
|
|
|
38
|
63
|
160
|
168,4
|
56
|
34
|
16
|
Рис. 2.4 М 1:2,5. Шкив
ведомый.
Табл. 2.3
|
M, мм
|
b0, мм
|
bp, мм
|
b*, мм
|
h, мм
|
, ммr1, ммe, ммf, мм
|
|
|
|
|
71
|
17
|
14
|
4,2
|
10,8
|
13
|
1
|
19
|
12,5
|
|
d2, мм
|
dст, мм
|
dp, мм
|
de, мм
|
lст, мм
|
, град
|
|
38
|
63
|
500
|
508,4
|
56
|
34
|
.
Расчет прямозубой цилиндрической передачи редуктора (тихоходная ступень)
Рис. 3.1. Кинематическая схема редуктора
Исходные данные:
3.1 Выбор материала шестерни колеса
Для шестерни и колеса принимаем одну и ту же марку стали, учитывая, что
материал шестерни должен быть тверже материала колеса не менее чем на 15…70 единиц
твердости по Бринеллю, т.е.
,(3.1)
где
H1 - твердость материала по Бринеллю для колеса;
H2 - твердость
материала по Бринеллю для шестерни;
Выбираем
материал шестерни и колеса из таблицы [2, c. 170, табл.
8.7]:
Сталь
40Х ГОСТ 4543-71
шестерня:колесо:


где
- пределы прочности колеса и шестерни, МПа;
-
пределы текучести колеса и шестерни, МПа;
HB1, HB2 -
твердости по Бринеллю шестерни и колеса;
Улучшение:
Закалка при t = 830…850 ˚C; отпуск при t =
540…580 ˚C.
3.2
Определяем допускаемые контактные напряжения для шестерни и колеса
,(3.2)
где
- допускаемые контактные напряжения шестерни и
колеса, МПа;
-
пределы выносливости материалов шестерни и колеса, МПа;
-
коэффициенты долговечности шестерни и колеса, учитывающие влияние срока службы
и режима нагрузки;
Т.к.
передача работает длительный срок, предел выносливости не изменяется.
;
Выберем
из таблицы
и
[2, с.
176, табл. 8.8]:
;(3.3)
;
;
.
3.3
Определяем допускаемые напряжения изгиба для шестерни и колеса
,(3.4)
где
- допустимые напряжения изгиба для материалов
шестерни и колеса, МПа;
-
пределы выносливости зубьев по напряжениям изгиба, МПа;
-
коэффициенты безопасности;
-
коэффициенты, учитывающие влияние двухстороннего приложения нагрузки;
Т.к.
нагрузка односторонняя, то
;
-
коэффициенты долговечности;
При
длительно работающей передаче
Выберем
из таблицы
и
[2, с.
176, табл. 8.8]:
;(3.5)
;
;
;
;
Определяем
допускаемые контактные напряжения при кратковременной перегрузке.
;
;
;
.
3.4 Определяем допускаемые напряжения изгиба при кратковременной
перегрузке.
,(3.6)
где
- предельные допускаемые напряжения изгиб, МПа;
-
коэффициенты запаса прочности;
;
-
предельная (максимальная) величина коэффициента долговечности;
;
-
коэффициент учета частоты приложения нагрузки при Tmax;
=1,3;
;
.
3.5 Определяем геометрические параметры цилиндрической прямозубой
передачи
3.5.1 Определяем межосевое расстояние из расчета на контактную прочность
,(3.7)
где
- межосевое расстояние, мм;
-
передаточное число тихоходной ступени;
- момент
вращения на выходном валу редуктора, Н·м;
-
коэффициент распределения нагрузки между зубьями в зависимости от степени
точности изготовления колес;
;
-
коэффициент концентрации нагрузки, зависящий от коэффициента ширины
относительно диаметра делительной окружности
;
;(3.8)
-
допускаемые контактные напряжения для колеса, МПа;
-
приведенный модуль упругости для сталей, МПа;
;
,85
- опытный коэффициент;
Определим
[2, с. 143, табл. 8.4]:
;
;
Зная
, определим
, [2,с.
136, рис.8.15]:
;
;
Для
нестандартного редуктора принимаем [2, с. 143]:
.
3.6 Определяем ширину венцов шестерни и колеса.
, (3.9)
, (3.10)
где
- ширина венца шестерни, мм;
;
;
Принимаем
до стандартного ряда чисел по ГОСТ 6636-69 [1, с.452]:
;
.
3.7 Определяем величину модуля передачи
, (3.11)
где
- нормальный модуль зацепления, мм;
- ширина
венца колеса, мм;
-
коэффициент ширины колеса по модулю, [2, с. 144];
=30;
;
Округляем
по ГОСТ 9563-60, [2, с.122, табл. 8.1]:
.
3.8 Определяем числа зубьев шестерни и колеса
3.8.1 Определяем суммарное число зубьев
, (3.12)
-
суммарное число зубьев;
;
,
где
- числа зубьев шестерни и колеса;
;
;
3.9 Определяем диаметры окружностей шестерни и колеса


, (3.13)
где
d1 и d2 - диаметры делительной окружности шестерни и колеса,
мм;
da1 и da2 -
диаметры окружностей вершин шестерни и колеса, мм;
df1 и df2 -
диаметры окружностей впадин шестерни и колеса, мм;
;
;
;
.
Рис.
3.2
3.10
Уточняем межосевое расстояние
;
3.11 Проверочный расчет на усталостную прочность по контактным
напряжениям
, (3.14)
где
- коэффициент расчетной нагрузки;
-
вращающий момент на третьем (промежуточном) валу редуктора, Н·м;
- угол
зацепления;
;
- ширина
венца шестерни, мм;
-
допускаемое контактное напряжение колеса, МПа;
,(3.15)
где
- коэффициент концентрации нагрузки;
;
-
коэффициент динамической нагрузки, зависящий от степени прочности, твердости
поверхности зубьев и окружной скорости - V, м/с;
, (3.16)
где
- диаметр делительной окружности шестерни тихоходной
ступени, мм;
-
частота вращения 3-го вала редуктора;
;
По
таблице [2, с. 125, табл. 8.2] выбираем степень точности: 9-я степень точности;
Зная
V и степень точности, выбираем по таблице [2, с. 138,
табл. 8.3]
:
;
;
;
Конструктивно,
можно принять:
,
;
.
3.12 Проверочный расчет на сопротивление усталости по напряжениям
изгиба.
, (3.17)
где
- расчетное напряжение изгиба, МПа;
-
окружное усилие, Н;
-
коэффициент формы зуба шестерни и колеса, выбираем в зависимости от числа
зубьев шестерни и колеса
, принимая передачу без смещения
,
где
X - коэффициент смещения инструмента при нарезании
зубьев;
Расчет
ведем по тому из колес, у которого отношение допускаемого напряжения изгиба к
коэффициенту формы зуба YF меньше, т.е.
;
Выбираем
YFS по числу зубьев[2, с. 147, рис. 8.20]:
YFS1 = 3,74, YFS2
= 3,75;
;
;
,
следовательно расчет ведем по 2-му колесу.
, (3.18)
где
- коэффициент расчетной нагрузки по напряжениям
изгиба;
-
выбирается по графику [2, с.136] в зависимости от
;
-
выбирается по табл. 8.3 [2, с.138] для степени точности 9 и твердости
поверхности зубьев.
;
;
;
;
;
3.12.1 Определяем окружное усилие
(3.19)
;
.
3.13 Определяем силы, действующие в зацеплении.
;
;
;
,
где
Fr1,2 - радиальные силы в зацеплении тихоходной ступени.
,
где
Fn1,2 - нормальные силы в зацеплении тихоходной ступени.


4.
Расчет косозубой цилиндрической передачи редуктора (быстроходная ступень)
Исходные данные:
4.1 Выбор материала шестерни колеса.
Для шестерни и колеса принимаем одну и ту же марку стали, учитывая, что
материал шестерни должен быть тверже материала колеса не менее чем на 15…70
единиц твердости по Бринеллю, т.е.
,(4.1)
где
H1 - твердость материала по Бринеллю для колеса;
H2 - твердость
материала по Бринеллю для шестерни;
Выбираем
материал шестерни и колеса из таблицы [2, c. 170, табл.
8.7]:
Сталь
40ХН ГОСТ 4543-71
шестерня:колесо:


где
- пределы прочности колеса и шестерни, МПа;
-
пределы текучести колеса и шестерни, МПа;
HB1, HB2 -
твердости по Бринеллю шестерни и колеса;
Улучшение:
Закалка при t = 820…840 ˚C в масле;
отпуск при t = 560…600 ˚C.
4.2 Определяем допускаемые контактные напряжения для шестерни и колеса
,(4.2)
где
- допускаемые контактные напряжения шестерни и
колеса, МПа;
-
пределы выносливости материалов шестерни и колеса, МПа;
-
коэффициенты долговечности шестерни и колеса, учитывающие влияние срока службы
и режима нагрузки;
Т.к.
передача работает длительный срок, предел выносливости не изменяется.
;
Выберем
из таблицы
и
[2, с.
176, табл. 8.8]:
;(3.3)
;
;
.
4.3
Определяем допускаемые напряжения изгиба для шестерни и колеса
,(4.4)
где
- допустимые напряжения изгиба для материалов
шестерни и колеса, МПа;
-
пределы выносливости зубьев по напряжениям изгиба, МПа;
-
коэффициенты безопасности;
-
коэффициенты, учитывающие влияние двухстороннего приложения нагрузки;
Т.к.
нагрузка односторонняя, то
;
-
коэффициенты долговечности;
При
длительно работающей передаче
Выберем
из таблицы
и
[2, с.
176, табл. 8.8]:
;(4.5)
;
;
;
;
.
4.4 Определяем геометрические параметры цилиндрической косозубой
передачи
4.4.1 Определяем межосевое расстояние из расчета на контактную прочность
, (4.7)
где
- межосевое расстояние, мм;
-
передаточное число быстроходной ступени;
- момент
вращения на третьем валу привода, Н·м;
-
коэффициент распределения нагрузки между зубьями в зависимости от степени
точности изготовления колес;
;
-
коэффициент концентрации нагрузки, зависящий от коэффициента ширины
относительно диаметра делительной окружности
;
;(4.8)
-
допускаемые контактные напряжения для колеса, МПа;
-
приведенный модуль упругости для сталей, МПа;
;
,75
- опытный коэффициент;
Определим
[2, с. 143, табл. 8.4]:
;
;
Зная
, определим
, [2,с.
136, рис.8.15]:
;
;
Для
нестандартного редуктора принимаем [2, с. 143]:
.
4.5 Определяем ширину венцов шестерни и колеса
, (4.9)
где
- ширина венца колеса, мм;
, (4.10)
где
- ширина венца шестерни, мм;
;
;
Принимаем
до стандартного ряда чисел по ГОСТ 6636-69 [1, с.452]:
;
4.6 Определяем величину нормального модуля передачи.
, (4.11)
где
- нормальный модуль зацепления, мм;
- ширина
венца колеса, мм;
-
коэффициент ширины колеса по модулю, [2, с. 144];
=30;
;
Округляем
по ГОСТ 9563-60, [2, с.122, табл. 8.1]:
.
4.7 Определяем угол наклона зубьев.
,(4.12)
где
- угол наклона зубьев, град;
-
коэффициент осевого перекрытия [2, с. 153];
;
Для
косозубых передач
;
;
.
4.8 Определяем торцовый модуль
,(4.13)
где
- торцовый модуль, мм;
.
4.9
Определяем числа зубьев шестерни и колеса
4.9.1 Определяем суммарное число зубьев
, (4.14)
-
суммарное число зубьев;
;
,
где
- числа зубьев шестерни и колеса;
;
.
4.10 Уточняем угол наклона зубьев.
;
;
.
4.11 Уточняем торцовый модуль.
4.12
Определяем диаметры окружностей шестерни и колеса.


, (4.15)
где
d1 и d2 - диаметры делительной окружности шестерни и колеса,
мм;
da1 и da2 -
диаметры окружностей вершин шестерни и колеса, мм;
df1 и df2 -
диаметры окружностей впадин шестерни и колеса, мм;
;
;
;
.
.13
Уточняем межосевое расстояние
;
.
4.14 Проверочный расчет на усталостную прочность по контактным
напряжениям
, (4.16)
где
- коэффициент расчетной нагрузки;
-
коэффициент повышения прочности косозубых передач по контактным напряжениям [2,
с. 156];
,
где
- коэффициент торцового перекрытия;
для
косозубого колеса
[1, с. 154]
-
вращающий момент на втором (входном) валу редуктора, Н·м;
- угол
зацепления;
;
- ширина
венца шестерни, мм;
-
допускаемое контактное напряжение колеса, МПа;
,(4.17)
где
- коэффициент концентрации нагрузки;
;
-
коэффициент динамической нагрузки, зависящий от степени прочности, твердости
поверхности зубьев и окружной скорости - V, м/с;
, (4.18)
где
- диаметр делительной окружности шестерни
быстроходной ступени, мм;
-
частота вращения 2-го вала редуктора;
;
По
таблице [2, с. 125, табл. 8.2] выбираем степень точности: 9-я степень точности;
Зная
V и степень точности, выбираем по таблице [2, с. 138,
табл. 8.3]
:
;
;
;
Но так
как
не более чем на 5% (
),
оставляем это значение.
4.15 Проверочный расчет на сопротивление усталости по напряжениям изгиба
, (4.19)
где
- расчетное напряжение изгиба, МПа;
-
коэффициент повышения прочности косозубых передач;
,
где
- коэффициент, учитывающий повышение изгибной
прочности вследствие наклона контактной линии и неравномерного распределения
нагрузки;
[2,
с. 157];
;
-
окружное усилие, Н;
-
коэффициент формы зуба шестерни и колеса;
Для
косозубых колес выбираем в зависимости от эквивалентного числа зубьев шестерни
и колеса
, принимая передачу без смещения
,
где
X - коэффициент смещения инструмента при нарезании
зубьев;
;
;
(4.20)
Расчет
ведем по тому из колес, у которого отношение допускаемого напряжения изгиба к
коэффициенту формы зуба YF меньше, т.е.
;
Выбираем
YFS по эквивалентному числу зубьев[2, с. 147, рис.8.20]:
YFS1 = 3,77, YFS2
= 3,75;
;
;
,
следовательно расчет ведем по 2-му колесу.
, (4.21)
где
- коэффициент расчетной нагрузки по напряжениям
изгиба;
-
выбирается по графику [2, с.136] в зависимости от
;
-
выбирается по табл. 8.3 [2, с.138] для степени точности 9 и твердости
поверхности зубьев.
;
;
;
;
;
4.15.1 Определяем окружное усилие
(4.22)
;
.
4.16 Определяем силы, действующие в зацеплении.
;
;
,(4.23)
где
Fr1,2 - радиальные силы в зацеплении быстроходной ступени;
,(4.24)
где
Fa1,2 - осевая сила шестерни и колеса, Н;
, (4.25)
где
Fn1,2 - нормальные силы в зацеплении быстроходной
ступени.
;
;
.
Рис. 4.1. Силы в зацеплении косозубой передачи
.
Эскизная компоновка редуктора
Исходные
данные:
;
.1
Расчет элементов корпуса редуктора.
5.1.1 Определяем толщину стенки корпуса и крышки редуктора.
,[3,
с.241](5.1)
где
- толщина стенки корпуса редуктора, мм;
- межосевое
расстояние тихоходной ступени, мм;
,[3,
с.241](5.2)
где
- толщина стенки крышки редуктора, мм;
мм;
мм;
Принимаем
по ГОСТ 6636-69
.
5.1.2 Определяем толщину верхнего пояса (фланца) корпуса.
,[3,
с.241](5.3)
где
- толщина верхнего пояса (фланца) корпуса, мм;
.
5.1.3
Определяем толщину нижнего пояса (фланца) корпуса.
,[3,
с.241](5.4)
где
- толщина нижнего пояса (фланца) корпуса, мм;
.
5.1.4 Определяем толщину лапки.
, [3,
с.241](5.5)
где
- толщина лапки, мм;
;
Принимаем
по ГОСТ 6636-69
.
5.1.5 Определяем толщину ребер основания корпуса.
,[3,
с.241](5.6)
где
- толщина ребер основания корпуса, мм;
.
5.1.6 Определяем толщину ребер крышки.
, [3,
с.241](5.7)
где
- толщина ребер крышки, мм;
.
5.1.7
Определяем диаметры фундаментных болтов.
,[3,
с.241](5.8)
где
- диаметр фундаментальных болтов, мм;
;
Принимаем
Болт М20-6g x ГОСТ 7796-70.
5.1.8 Определяем диаметры болтов у подшипников.
, [3,
с.241](5.9)
где
- диаметр болтов у подшипников, мм;
;
Принимаем
Болт М12-6g x 90 ГОСТ 7796-70.
5.1.9 Определяем диаметры болтов, соединяющих основание корпуса с
крышкой.
, [3,
с.241](5.10)
где
- диаметр болтов, соединяющих основание корпуса с
крышкой, мм;
;
Принимаем
Болт М10-6g x 45 ГОСТ 7796-70 Табл. 5.1
|
Параметры
|
Болты
|
|
М10
|
М12
|
М20
|
|
283341
|
|
|
|
|
161820
|
|
|
|
Табл. 5.2
|
Болты
|
Гайки
|
|
Болт М10-6g x 45 ГОСТ 7796-70
|
Гайка М10-6H.5 ГОСТ
15521-70
|
Шайба 10 65Г ГОСТ 6402-70
|
|
Болт М12-6g x 90 ГОСТ 7796-70
|
Гайка М12-6H.5 ГОСТ
15521-70
|
Шайба 12 65Г ГОСТ 6402-70
|
|
Болт М20-6g x 40 ГОСТ 7796-70
|
Гайка М20-6H.5 ГОСТ
15521-70
|
Шайба 20 65Г ГОСТ 6402-70
|
.1.10 Определяем размеры гнезда под подшипник
5.1.10.1 Винты крепления крышки подшипника d4.
Принимаем d4 = М10.
5.1.10.2 Определяем длину гнезда.
,[3,
с.242](5.11)
где
- длина гнезда, мм;
;[3,
с.242](5.12)
;
.
5.1.11 Определяем размеры штифта.
Диаметр штифта.
Выбираем по таблице [3, с.243, табл. 10.5] dш = d3 =
10 мм
Длина штифта.
,[3,
с.242](5.13)
где
- длина штифта, мм;
.
Принимаем
Штифт 2.10x35 ГОСТ 3128-70.
5.1.12 Определяем наименьший зазор между наружной поверхностью
колеса и стенкой корпуса.
, [3,
с.242](5.14)
где
- наименьший зазор между наружной поверхностью колеса
и стенкой корпуса по диаметру, мм;
.
Рис.5.1
М1:1. Лапа
Табл.5.3
|
δ,мм
|
h,мм
|
d1,мм
|
D,мм
|
C1,мм
|
K1,мм
|
r, мм
|
|
10
|
4
|
22
|
30
|
20
|
41
|
6
|
Рис. 5.2 М1:1. Бобышка
Табл. 5.4
|
δ,мм
|
C2,мм
|
К2,мм
|
Rб,мм
|
|
10
|
18
|
33
|
15
|
Рис. 5.3 М1:1. Фланец
Табл. 5.5
|
C3,мм
|
К3,мм
|
δ,мм
|
d3,мм
|
|
16
|
28
|
10
|
10
|
Рис.
5.4 М1:1. Сливная пробка
Табл.
5.6
|
d, мм
|
b, мм
|
m, мм
|
a, мм
|
L, мм
|
D, мм
|
S, мм
|
l, мм
|
|
M16x1,5
|
12
|
8
|
3
|
23
|
26
|
17
|
19,6
|
.
Конструирование валов редуктора и зубчатых колес
6.1 Конструирование промежуточного вала
Исходные данные:
;
На
промежуточном валу устанавливаются колесо быстроходной ступени и шестерня
тихоходной ступени. Расстояние между торцами колес принимаем
.
6.1.1 Определяем диаметр буртика колеса и шестерни.
,(6.1)[1,
с. 46]
где
- величина заплечика, мм;[1, с. 46]
;
.
6.1.2 Определяем диаметр вала под подшипник
;(6.2)
;
Диаметр
вала под подшипник должен быть кратен 5.
.
6.1.3
Определяем диаметр буртика подшипника
;(6.3)
;
;
Подшипники
устанавливаются в гнезде корпуса на глубину
.
6.1.4 Выбор подшипников
;
Принимаем
шариковый радиальный однорядный подшипник 309 ГОСТ 8338 - 75.
рис. 6.4 М1:1. Шариковый радиальный однорядный подшипник 309 ГОСТ 8338 -
75
Табл. 6.1
|
d, мм
|
D, мм
|
Dω, мм
|
B, мм
|
S, мм
|
r, мм
|
|
45
|
100
|
17,462
|
25
|
8,25
|
2,5
|
.2 Конструирование входного вала редуктора
Исходные данные:
6.2.1 Определяем диаметр вала под уплотнение.
За уплотнение принимаем манжету резиновую армированную ГОСТ 3752-79 [1, c.473]
; t =
3,5мм;(6.4)
;
Принимаем:
Манжета 1.1 - 45x65 - 2 ГОСТ 8752 - 79.
6.2.2 Определяем диаметр вала под подшипник.
(6.5)
;
Принимаем
шариковый радиальный однорядный подшипник 309 ГОСТ 8338 - 75.
6.2.3 Определяем диаметр буртика подшипника.
; t = 3,5
мм;(6.6)
.
6.3
Конструирование выходного вала редуктора
Исходные данные:
6.3.1 Определяем диаметр вала под уплотнение
За уплотнение принимаем манжету резиновую армированную ГОСТ 3752-79 [1, c.473]
; t =
3,5мм;(6.6)
;
Принимаем:
Манжета 1.1 - 60x80 - 2 ГОСТ 8752 - 79.
6.3.2 Определяем диаметр вала под подшипник
(6.7)
;
Принимаем
шариковый радиальный однорядный подшипник 312 ГОСТ 8338 - 75:
Рис.
6.5 М1:1
Табл.
6.2
|
d, мм
|
D, мм
|
Dω, мм
|
B, мм
|
S, мм
|
r, мм
|
|
60
|
130
|
22,225
|
31
|
10,5
|
3,5
|
.3.3 Определяем диаметр вала под колесо тихоходной ступени.
; (6.8)
.
6.3.4
Определяем диаметр буртика колеса
; t = 3,5
мм;(6.9)
.
6.3.5 Определяем диаметр буртика подшипника.
;(6.10)
.
6.4 Конструирование зубчатых колес
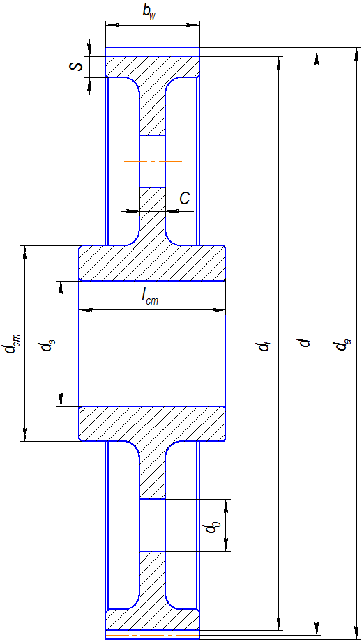
6.4.1 Определение конструктивных элементов зубчатых колес
Промежуточный вал:
;
Диаметр
ступицы:
;[1, с.
66](6.11)
;
Принимаем
по ГОСТ6636-69
.
Длина
ступицы:
; [1, с.
66](6.12)
;
Принимаем
по ГОСТ6636-69
и
.
Толщина
обода колеса:
, где[1,
с. 66](6.13)
- ширина
венца колеса, мм;
- модуль
зацепления, мм;
;
;
Принимаем
по ГОСТ6636-69
и
.
Толщина
диска:
;[1, с.
66](6.14)
;
;
Принимаем
по ГОСТ6636-69
и
.
Выходной
вал:
;
Диаметр
ступицы:
;[1, с.
66](6.15)
;
Принимаем
по ГОСТ6636-69
.
Длина
ступицы:
; [1, с.
66](6.16)
;
Принимаем
по ГОСТ6636-69
.
Толщина
обода колеса:
, где[1,
с. 66](6.17)
- ширина
венца колеса, мм;
- модуль
зацепления, мм;
;
Принимаем
по ГОСТ6636-69
.
Толщина
диска:
;[1, с.
66](6.18)
;
Принимаем
по ГОСТ6636-69
.
Рис.
6.6 М1:1. Зубчатое колесо
Табл.
6.1
|
dв,мм
|
dст,мм
|
d,мм
|
dа,мм
|
df,мм
|
R,мм
|
C,мм
|
S,мм
|
bw,мм
|
lст,мм
|
d0, мм
|
|
60
|
85
|
376
|
380
|
371
|
6
|
17
|
8
|
63
|
63
|
20
|
Табл. 6.2
|
dв,мм
|
dст,мм
|
d,мм
|
dа,мм
|
df,мм
|
R,мм
|
C,мм
|
S,мм
|
bw,мм
|
lст,мм
|
d0, мм
|
|
48
|
75
|
124
|
128
|
119
|
6
|
17
|
8
|
67
|
67
|
-
|
Табл. 6.3
|
dв,мм
|
dст,мм
|
d,мм
|
dа,мм
|
df,мм
|
R,мм
|
C,мм
|
S,мм
|
bw,мм
|
lст,мм
|
d0, мм
|
|
48
|
75
|
223,44
|
226,48
|
219,64
|
6
|
10
|
8
|
36
|
56
|
40
|
.5 Шпонки призматические
Промежуточный вал:
Шпонка
14x9x45 ГОСТ 232360-78;
Шпонка
14x9x56 ГОСТ 232360-78.
Выходной
вал:
Шпонка
18x11x50 ГОСТ 232360-78;
Шпонка
16x10x63 ГОСТ 232360-78.
Входной
вал:
Шпонка
10x8x50 ГОСТ 232360-78.
рис. 6.7. Шпоночное соединение
Табл. 6.4
|
d,мм
|
l,мм
|
b,мм
|
h,мм
|
lp,мм
|
t1,мм
|
t2,мм
|
|
48
|
45
|
14
|
9
|
31
|
5,5
|
3,8
|
Табл. 6.5
|
d,мм
|
l,мм
|
b,мм
|
h,мм
|
lp,мм
|
t1,мм
|
t2,мм
|
|
48
|
56
|
14
|
9
|
42
|
5,5
|
3,8
|
Табл. 6.6
|
d,мм
|
l,мм
|
b,мм
|
h,мм
|
lp,мм
|
t1,мм
|
t2,мм
|
|
60
|
50
|
16
|
10
|
32
|
4,3
|
Табл. 6.7
|
d,мм
|
l,мм
|
b,мм
|
h,мм
|
lp,мм
|
t1,мм
|
t2,мм
|
|
60
|
63
|
18
|
11
|
47
|
7
|
4,4
|
Табл. 6.7
|
d,мм
|
l,мм
|
b,мм
|
h,мм
|
lp,мм
|
t1,мм
|
t2,мм
|
|
60
|
63
|
18
|
11
|
47
|
7
|
4,4
|
Табл. 6.8
|
d,мм
|
l,мм
|
b,мм
|
h,мм
|
lp,мм
|
t1,мм
|
t2,мм
|
|
38
|
50
|
10
|
8
|
40
|
5
|
3,3
|
.6 Конструирование крышек подшипников
.6.1 Конструирование крышек подшипников входного вала
Исходные данные:
D=100
мм.
Размеры крышки выбираются в зависимости от диаметра отверстия в корпусе
под подшипник.
Размеры крышки подшипника: [1,с.167]
=8 мм -
толщина стенки крышки;
d =10 мм -
диаметр винтов крепления крышки корпусу;
z = 6 - число
винтов крепления крышки корпусу;
; (6.19)
[1,c.167]
где
1- толщина ножки крышки, мм;
; (6.21)
[1,c.167]
где d- диаметр винтов крепления крышки
корпусу, мм;
D -
диаметр отверстия в корпусе под подшипник, мм;
; (6.22)
[1,c.167]
где d - диаметр винтов крепления крышки
корпусу, мм;
c =
10мм;

(6.23)
[1,c.167]
где
- длина гнезда под подшипник в корпусе редуктора , мм;

;
В - ширина подшипника, мм;
В=25 мм;

;
6.6.2 Конструирование крышек подшипников промежуточного вала
Исходные данные:
D=100
мм.
Размеры крышки выбираются в зависимости от диаметра отверстия в корпусе
под подшипник.
Размеры крышки подшипника: [1,с.167]
=7 мм -
толщина стенки крышки;
d =10 мм -
диаметр винтов крепления крышки корпусу;
z = 6 - число
винтов крепления крышки корпусу;
; (6.24)
[1,c.167]
где
- толщина стенки крышки, мм;

;
; (6.25)
[1,c.167]
где
- толщина стенки крышки, мм;

;
; (6.26)
[1,c.167]
где d- диаметр винтов крепления крышки корпусу, мм;
D - диаметр отверстия в корпусе под
подшипник, мм;

;
; (6.27) [1,c.167]
где d - диаметр винтов крепления крышки корпусу, мм;
c = 10мм;

(6.28)
[1,c.167]
где
- длина гнезда под подшипник в корпусе редуктора , мм;

;
В - ширина подшипника, мм;
В=25 мм;

;
6.6.3 Конструирование крышек
подшипников выходного вала
Исходные данные:
D=130 мм.
Размеры крышки выбираются в
зависимости от диаметра отверстия в корпусе под подшипник.
Размеры крышки подшипника:[1,с.167]
=7 мм -
толщина стенки крышки;
d =10 мм -
диаметр винтов крепления крышки корпусу;
z = 6 - число
винтов крепления крышки корпусу;
(6.29)
[1,c.167]
где
- толщина стенки крышки, мм;
(6.30)
[1,c.167]
где
- толщина стенки крышки, мм;
(6.31)
[1,c.167]
где d- диаметр винтов крепления крышки корпусу, мм;
D - диаметр отверстия в корпусе под
подшипник, мм;
(6.32)
[1,c.167]
где d- диаметр винтов крепления крышки корпусу, мм;

(6.33)
[1,c.167]
где
- длина гнезда под подшипник в корпусе редуктора , мм;
В - ширина подшипника, мм:
В=30 мм.

;
Крышка подшипника сквозная с манжетой
Рис.6.8
М1:1
Манжета
1.1. - 45 x 60 - 2 ГОСТ 8752 - 79.
Табл.
6.9
|
d, мм
|
D, мм
|
δ, мм
|
Dф, мм
|
lh, мм
|
dотв, мм
|
DМ, мм
|
|
45
|
100
|
7
|
140
|
17
|
10
|
60
|
Манжета 1.1. - 60 x 80 -
2 ГОСТ 8752 - 79.
Табл. 6.10
|
d, мм
|
D, мм
|
δ, мм
|
Dф, мм
|
lh, мм
|
dотв, мм
|
DМ, мм
|
|
45
|
130
|
8
|
170
|
17
|
10
|
80
|
Крышка подшипника глухая
Рис.
6.9 М1:1
Табл.
6.11
|
D, мм
|
δ, мм
|
Dф, мм
|
lh, мм
|
dотв, мм
|
|
100
|
7
|
140
|
17
|
10
|
Табл. 6.12
|
D, ммδ, ммDф, ммlh, ммdотв, мм
|
|
|
|
|
|
130
|
8
|
170
|
17
|
10
|
7. Расчет шпонки выходного вала
рис.7.1 М1:1
Исходные
данные:
b=18мм
h=11мм
l=50мм
lр=32мм
T4=809
Н*м
d=60мм
Шпонка 18x11x50 ГОСТ 23360-78
материал - Сталь 45 ГОСТ 1050 - 88.
Расчет
шпонки на смятие
(7.1)
где:
Т - крутящий момент на валу, Н*м
-
допускаемое напряжение на смятие материала шпонки, МПа
- высота
шпонки, мм
lр- расчётная
длина шпонки, мм
d - диаметр
вала, мм
Расчет
шпонки на срез
(7.2)
где:
Т - крутящий момент на валу, Нм
-
допускаемое напряжение на срез материала шпонки, МПа
- ширина
шпонки, мм
lр- расчётная
длина шпонки, мм
d - диаметр
вала, мм
8.
Расчет входного вала на статическую прочность
Дано: Fм=1057,89 H;
Ft=2547,12
H;
Fr=940,51 H;=435,22 H;=8,27 H*м;=71,625
H*м;
a=0,1305
м;
в=0.0535 м;
c=0.0745м.
Материал вала - сталь 40Х
σв = 850МПа, στ=550 МПа
.1 Расчёт реакций опор
Рассчитаем реакции в опорах А и В (в плоскости X) :
Рассчитаем реакции в опорах А и В (в плоскости Y):
.2
Рассчитаем суммарные изгибающие моменты
, где
- суммарный изгибающий момент, Н*м;(8.1)
;
;
;
;
;
;
;
;
Рассчитаем
эквивалентные моменты
, где
Мэкв. - эквивалентный момент, Н*м; (8.2)
a = 0,75, т.к.
передача нереверсивная;
ТК
- крутящий момент, Н*м;

.3
Проверка статической прочности вала быстроходного вала.
(8.3)
где
- эквивалентное напряжение, МПа
-
напряжение изгиба при перегрузках, МПа
-
напряжение кручения при перегрузках, МПа
-
предельное допускаемое напряжение, МПа
;
(8.4)
;
(8.5)
;
(8.6)
где
d - диаметр вала в опасном сечении;
- предел
текучести материала, сталь 40Х;
;
При перегрузках напряжения удваиваются
8.4 Расчет вала на сопротивление усталости быстроходного вала
Самое опасное сечение II-II, внутреннее кольцо подшипника
установлено на валу с натягом, поэтому концентратор напряжений - посадка с
натягом.
Рассчитаем запас сопротивления усталости в опасном сечении II-II
,
(8.7)
где
S - общий запас сопротивления усталости;
- запас
сопротивления усталости по изгибу ;
- запас
сопротивления усталости по кручению ;
-
допускаемый запас сопротивления усталости;
;
, (8.8)
где
- пределы выносливости, МПа ;

;(8.9)

; (8.10)


;
-
коэффициенты корректирующие влияние постоянной составляющей цикла напряжений на
сопротивление усталости

;(8.11)

; (8.12)

;

;
σ m - среднее напряжение цикла
нормальных напряжений σ
m =
-
амплитуды переменных составляющих циклов напряжений, МПа;
(8.13)
;
,
-коэффициенты концентрации напряжений в опасном
сечении при изгибе и кручении;
-
эффективные коэффициенты концентрации напряжения при изгибе и кручении;

,
-
коэффициенты, учитывающие размеры вала (масштабный фактор);
- фактор
шероховатости, 

=0,935
[1,стр.189, табл. 10.8];

-
коэффициент, учитывающий наличие поверхностного упрочнения; 
;
По таблице 10.13 [1,стр.190] находим:

;

;

;

;
;
Т.к. S > 2.5..3, то специальный расчет
на жесткость не производится.
9. Проверочный расчет подшипников качения на долговечность быстроходного
вала
Исходные данные:
Предварительно выбираем шариковый радиальный однорядный подшипник 309
ГОСТ 8338 - 75;
,
где
- динамическая грузоподъемность подшипника;
,
где
- статическая грузоподъемность подшипника;
;
;
;
;
;
,
где
- коэффициент радиальной нагрузки, [4, стр. 141];
,
где
- коэффициент вращения, [4, стр. 142];
,
где
- коэффициент безопасности, [4, стр. 145, табл. 9.4];
,
где
- температурный коэффициент, [4, стр. 147, табл.
9.4];
,
где
- коэффициент надежности;
,
где
- коэффициент, учитывающий влияние качества
подшипника и качества его эксплуатации; при обычных условиях работы
;
,
где
- требуемая долговечность подшипника;
Подшипники
установлены по схеме в распор.
Схема
нагружения подшипников:
Рис.9.1
;
;
Определяем
отношение
,
где
;
;
Определяем
отношение
:
;
По
таблице 9.2 [4, с. 143] находим e и Y,
где
e - коэффициент влияния осевого нагружения;
Y - коэффициент
осевой нагрузки;
e = 0,19;
Y = 2,30;
Т.к.
, то
,(9.1)
где
- эквивалентная динамическая нагрузка наиболее
нагруженного подшипника;
;
,(9.2)
где
- динамическая грузоподъемность;
;
Подшипник
пригоден.
Определяем
долговечность подшипника:
,(9.3)
.
10. Смазывание узлов привода
.1 Определение количества масла, заливаемого в редуктор
Залив масла в редуктор производится через смотровой люк.
Рекомендуется на 1кВт мощности двигателя заливать 0,35-0,8 литров масла:
(10.1)
(10.2)
(10.3) где
- площадь
днища редуктора,
;
(10.4)
где
а - ширина днища, дм;
а=1,53
дм;
b- длина днища,
мм;
b=6,55 дм;
Колеса
быстроходной ступени редуктора смазываются с помощью смазочной шестерни из
текстолита.
.2
Смазывание подшипников качения
Смазывание подшипников всех валов затруднено, т.к они расположены на
значительной высоте от поверхности масла и смазывание разбрызгиванием
невозможно. Используется пластичный смазочный материал ЦИАТИМ-201 ГОСТ 6267 -
74. Смазочный материал должен занимать 1/2 - 1/3 свободного объема полости
корпуса. Периодичность смазки 1 раз в 5 месяцев.
В этом случае подшипники закрыты с внутренней стороны уплотнительными
шайбами.
.3 Выбор масла
Для
смазываний зубчатых передач с контактными напряжениями σНср.
,
средней
окружной скоростью
, рабочей температурой 500 используем масло марки
И-40А, с кинематической вязкостью 35 мм2/с.
Слив масла производится через сливное отверстие с пробкой.
.4 Смазывание открытой цилиндрической передачи.
На поверхность открытой зубчатой передачи наносим смазку
ЛИТОЛ 24 ГОСТ 21120-87. Периодичность смазки: 1 раз в неделю.
11. Расчет открытой прямозубой цилиндрической передачи
Исходные данные:
.1
Выбор материала шестерни колеса
Для
шестерни и колеса принимаем одну и ту же марку стали, учитывая, что материал
шестерни должен быть тверже материала колеса не менее чем на 15…70 единиц
твердости по Бринеллю, т.е.
,(11.1)
где
H1 - твердость материала по Бринеллю для колеса;
H2 - твердость
материала по Бринеллю для шестерни;
Выбираем
материал шестерни и колеса из таблицы [2, c. 170, табл.
8.7]:
Сталь
45 ГОСТ 1050-88
шестерня:
колесо:


где
- пределы прочности колеса и шестерни, МПа;
-
пределы текучести колеса и шестерни, МПа;
HB1, HB2 -
твердости по Бринеллю шестерни и колеса;
Улучшение:
Закалка при t = 820…840 ˚C; отпуск при t =
560…600 ˚C.
.2
Определяем допускаемые напряжения изгиба для шестерни и колеса
,(11.4)
где
- допустимые напряжения изгиба для материалов
шестерни и колеса, МПа;
-
пределы выносливости зубьев по напряжениям изгиба, МПа;
-
коэффициенты безопасности;
-
коэффициенты, учитывающие влияние двухстороннего приложения нагрузки;
Т.к.
нагрузка односторонняя, то
;
-
коэффициенты долговечности;
При
длительно работающей передаче
Выберем
из таблицы
и
[2, с.
176, табл. 8.8]:
;(11.5)
;
;
;
;
.
11.3
Определяем числа зубьев шестерни и колеса
Числом
зубьев шестерни задаемся:
, (11.12)
;
;
.4
Определяем коэффициент формы зуба
-
коэффициент формы зуба шестерни и колеса, выбираем в зависимости от числа
зубьев шестерни и колеса
, принимая передачу без смещения
,
где
X - коэффициент смещения инструмента при нарезании
зубьев;
Выбираем YFS по числу
зубьев[2, с. 147, рис. 8.20]:
YFS1 =
4,12, YFS2 = 3,73.
11.5
Определяем отношения
.
;
;
,
следовательно расчет ведем по 2-му колесу.
11.6
Определяем нормальный модуль зацепления из расчета на изгиб
, [2, с.
133] (11.12)
где
m - нормальный модуль, мм;
T5 - момент
вращения на 5-м валу;
YFS2 -
коэффициент формы зуба;
YFS2 = 3,73; [2,
с. 147]
Z2 - число
зубьев колеса;
Z2 = 86;
Ψm - коэффициент
изменения ширины колеса по модулю; [2, с. 147]
Ψm = 30;
-
коэффициент распределения нагрузки при изгибе;
,(11.13)
где
nст - степень точности; [2, с. 144]
nст = 9;
;
-
коэффициент концентрации нагрузки по напряжениям изгиба;
[2,
с. 136]
=1,25;
;
По
ГОСТ 9563-60: m = 5мм.
11.7
Определяем диаметры окружностей шестерни и колеса


, (11.13)
где
d1 и d2 - диаметры делительной окружности шестерни и колеса,
мм;
da1 и da2 -
диаметры окружностей вершин шестерни и колеса, мм;
df1 и df2 -
диаметры окружностей впадин шестерни и колеса, мм;
;
;
11.8
Определяем межосевое расстояние
;
.
.9
Уточняем передаточное число открытой передачи.
;(11.16)
11.10
Определяем ширину венцов шестерни и колеса.
, (11.9)
где
- ширина венца шестерни, мм;
-
коэффициент ширины колеса относительно межосевого расстояния;
[2,
с. 143]
;
, (11.10)
где
- ширина венца колеса, мм;
;
;
Принимаем
до стандартного ряда чисел по ГОСТ 6636-69 [1, с.452]:
;
.
.11
Определяем конструктивные элементы колес.
,(11.20)
где
- диаметр ступицы шестерни и колеса, мм;
;
;
,(11.21)
где
- длина ступицы шестерни и колеса, мм;
;
;
,(11.22)
где
- ширина торцов зубчатого венца, мм;
;
,(11.23)
где
- толщина диска, мм;
;
Эскизы
колес
Рис.
11.1 М1:1
Табл. 11.1
|
d4,мм
|
dст1,мм
|
d1,мм
|
dа1,мм
|
df1,мм
|
C,мм
|
S,мм
|
bw1,мм
|
lст1,мм
|
|
53
|
60
|
100
|
110
|
87.5
|
16
|
14
|
53
|
56
|
Рис. 11.2 М1:2
Табл. 11.2
|
d5,мм
|
dст2,мм
|
d2,мм
|
dа2,мм
|
df2,мм
|
C,мм
|
S,мм
|
bw2,мм
|
lст2,мм
|
d0, мм
|
|
71
|
106
|
430
|
440
|
417.5
|
16
|
14
|
48
|
48
|
40
|
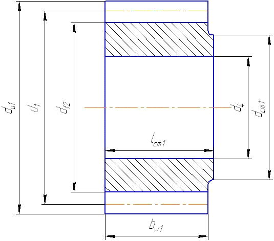
11.12 Определяем силы, действующие в зацеплении
,
где
Ft1, Ft2 - окружные силы в зацеплении;
;
;
,
где
Fr1,2 - радиальные силы в зацеплении.
,
где
Fn1,2 - нормальные силы в зацеплении.


Т.к.
долговечность данного подшипник меньше требуемой долговечности
, следовательно, выбираем подшипник однорядный
радиальный с короткими цилиндрическими роликами: подшипник 2712 ГОСТ 8328-75
Исполнение 2000.
Рис.
8.2 М 1:1
Табл.
8.1
|
d, мм
|
D, мм
|
B, мм
|
Dw, мм
|
S, мм
|
S1, мм
|
l, мм
|
|
60
|
140
|
51
|
22
|
12.8
|
8
|
34
|