Пластинчатый насос двукратного действия
Содержание
Задание на
курсовую работу
Введение
.
Профилирование статорного кольца
2.
Расчет геометрии пластин
2.1
Расчет длины пластин
.2
Расчет угла наклона пластин
2.3 Расчет угла скоса верхней
кромки пластины
. Расчет проходных сечений
распределителя
.1 Расчет размеров основных
всасывающих окон
.2 Расчет проходного сечения
вспомогательных всасывающих окон
.3 Расчет геометрии
перегородок распределителя
.4 Расчет дросселирующих
отверстий основных окон
.4.1 Размеры дросселирующей
прорези нагнетающих окон
.4.2 Размеры дросселирующей
прорези всасывающих окон
.5 Расчет дросселирующих
отверстий вспомогательных окон
.5.1 Размеры дросселирующей
прорези нагнетающих окон
.5.2 Размеры дросселирующей
прорези всасывающих окон
.5.3 Определение положения
вспомогательный всасывающих окон
. Проектировочный расчет вала
.1Определение диаметров
участков вала
.2 Проверка прочности
шлицевого соединения
.3 Проверка прочности
шпоночного соединения
. Расчет сил прижима
распределительного диска к статору
. Проверочный расчет вала
.1 Расчет вала на статическую
прочность
.2 Расчет на усталостную
прочность
.3 Расчет опор вала
. Расчет болтового соединения
крышки и корпуса
Заключение
Список использованной
литературы
Приложение
Задание на курсовую работу
Провести расчет пластинчатого насоса двукратного действия.
Исходные данные:
рабочий объём,
;
рабочее
давление,
;
частота
вращения
.
Введение
В современном машиностроении широко применяются пластинчатые насосы и
гидромоторы, которые отличаются простотой и надежностью конструкции, а также
компактностью и малым весом.
Пластинчатые насосы принадлежат к числу наиболее совершенных и дешевых
видов насосов, применяемых для автоматизации рабочих процессов в
промышленности. В сравнении с шестеренными пластинчатые насосы обеспечивают
более равномерную подачу, а в сравнении с поршневыми - проще по конструкции,
дешевле, меньше по габаритам и менее требовательны к фильтрации рабочей
жидкости.
В станкостроении пластинчатые насосы применяются главным образом в
гидроприводах подачи агрегатных, сверлильно-расточных, токарных и фрезерных
станков, а также в гидроприводах стола и других механизмов шлифовальных
станков, в гидроприводах для транспортировки, индексации, зажима и загрузки
деталей, обрабатываемых на автоматических станочных линиях. Пластинчатые насосы
применяются также в гидропрессах, автопогрузчиках, экскаваторах, бульдозерах и
других строительно-дорожных машинах, в прокатном оборудовании (блюминги,
прокатные станы), в автомобилях (усилители приводов руля, механизмы
опрокидывания самосвалов), в химическом машиностроении (приводы для вращении
различных мешалок), в корабельных механизмах (приводы лебедок для подъема
грузов, устройства для изменения шага винта), лесозаготовительных машинах, для
литья под давлением, пищевом машиностроении и т.п.
Пластинчатые насосы и гидромоторы разделяются на машины однократного и
многократного действия. В машинах однократного действия за один оборот вала
происходит один цикл работы, включающий в себя процесс всасывания и нагнетания.
В машинах двух- трех- и более кратного действия за один оборот вала происходят
соответственно два, три и более цикла работы.
Насосы однократного действия выполняются как в регулируемом, так и в
нерегулируемом исполнении, а насосы многократного - в нерегулируемом
исполнении. Преимуществом насосов многократного действия является
уравновешенность радиальных сил давления жидкости на пластинчатый ротор,
благодаря чему они пригодны для работы на более высоком, чем насосы
однократного действия, давлении жидкости (140 кГ/см2 и выше).
По герметичности пластинчатые машины несколько уступают аксиальным роторно-поршневым
насосам и гидромоторам - объемный к.п.д. пластинчатых насосов при расходе от 6
до 200 л/.мин и давлении 140 кГ/см2 (13,7 МПа) находится в диапазоне
0,64-0,93 (большее значение относится к насосам с большей подачей).
Соответственно эффективный к.п.д. обычно составляет 0,41-0,82 (при работе на
минеральном масле вязкостью 21 сст).
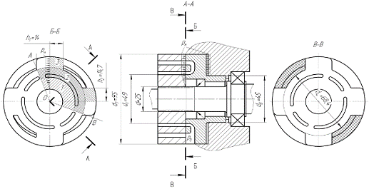
Принцип работы насоса
На валу 1 насоса закреплен ротор 7, в пазах которого свободно
перемещается 10 пластин 9. При пуске насоса пластины выбрасываются центробежной
силой и в дальнейшем при работе контакт пластин с кривой статора 8
осуществляется под действием центробежной силы и давления нагнетаемой жидкости,
которая для этой цели подводится под пластины. Процессы всасывания и нагнетания
осуществляют камеры насоса, каждая из которых образуется двумя соседними
пластинами, внутренней поверхностью статора, наружной цилиндрической
поверхностью ротора, торцевой поверхностью крышки корпуса 4 и торцевой
поверхностью распределительного диска 2. При вращении ротора объём камеры всасывания
увеличивается, образуется разрежение, в результате чего камера заполняется
всасываемой рабочей жидкостью.
В то же время объём камеры нагнетания уменьшается, рабочая жидкость
вытесняется в напорную магистраль.
За один оборот ротора каждая камера 2 раза производит всасывание и
нагнетание рабочей жидкости. Таким образом, рассматриваемый насос имеет две
полости всасывания и две полости нагнетания, которые соединяются в одну
всасывающую и одну напорную магистрали обводными каналами в корпусе 3, распределительном
диске 2 и крышке корпуса насоса 4. Такое выполнение насоса позволяет
уравновесить давление рабочей жидкости на ротор насоса, действующие в двух
полостях нагнетания, расположенных диаметрально противоположно и разгрузить
подшипники.
Особенностью данного насоса является наличие в каждом пазу ротора двух
пластин 9, имеющих скошенные кромки на гранях, примыкающих к боковому диску 2,
крышке корпуса 4 и к статору 8, так что уплотнение между полостями всасывании и
нагнетания осуществляется двумя кромками.
При прохождении пластинами полости всасывания пространство под пластинами
соединяется с всасывающей магистралью, а при прохождении пластинами полости
нагнетания пространство под пластинами соединяется с напорной магистралью,
вследствие чего они разгружены в радиальном направлении от давления рабочей
жидкости. Пластины производят всасывание и нагнетание рабочей жидкости, подобно
поршням в роторно-поршневых насосах, причем эта подача прибавляется к основному
потоку, нагнетаемому из камер между пластинами.
Распределительный диск 2 выполнен плавающим и при работе насоса
автоматически прижимается к статору давлением рабочей жидкости.
Порядок сборки-разборки насоса
Сборка насоса осуществляется в следующем порядке:
.На валу 1 поочередно устанавливаются распределительный диск 2 с
уплотняющими кольцами 14, ротор 7 с пластинами 9, статор 8. При этом
распределительный диск и статор устанавливаются относительно друг друга штифтом
20.
. Крышка корпуса 4 с уплотнительным кольцом 12 и с запрессованным
подшипником 18 устанавливается на вал 1. При этом необходимо обеспечить вход
штифта 20 на крышке в соответствующее отверстие в статоре.
. Вал 1 устанавливается в корпус 3, снабженный уплотнительным кольцом 13.
. Крышка корпуса 4 приворачивается болтами 11 к корпусу 3.
. На другой конец вала устанавливается подшипник 17, стопорное кольцо 15
и манжета 16. Подшипниковый узел закрывается крышкой 5 через прокладку 6.
Крышка крепится к корпусу насоса винтами 12. На выходном конце вала
устанавливается шпонка 19.
. Для транспортировки насоса предусмотрены пробки 10, которые перед
установкой обязательно смазываются маслом И-40А ГОСТ 20799-88.
Разборка насоса осуществляется в обратном порядке.
1. Профилирование статорного кольца
Выбираем в качестве профиля статора кривую, обеспечивающую линейное
изменение относительной скорости и постоянное ускорение пластины относительно
ротора.
Рабочий объём насоса выполненного по схеме, когда в подаче участвуют
пластины, определяется, как [1, стр.29]:
(1)
где
V0- рабочий
объём насоса, см3/об;
- больший
радиус профиля, см;
- меньший
радиус профиля статора, см;
- ширина
ротора, см;
Для
устранения возможности отрыва пластин от статора и исходя из опыта использования
насосов данного типа, задаёмся следующими соотношениями [1, стр. 29], [2, стр.
98,99]:
(2)
Подставляя
выбранные конструктивные параметры и соотношения в формулу (1), решаем полученное
уравнение относительно
.

Ширину
ротора, определяем согласно формуле (1), по уже известным
и
:
Проверка:
получившегося
рабочего объёма насоса:
,
что
отличается от заданного не более чем на 5% (0,006%);
выполнения
условий (2):
Угол
, внутри которого расположена кривая профиля статора,
определяется как, [2, стр.97]:
,
где
- угол, соответствующий уплотняющим перемычкам, внутри
которого профиль образуется радиусами
и
;
- угол,
на котором расположены пластины;
-
количество пластин, согласно рекомендациям, принимаем
, [2, стр.48];
(
на величину
для
обеспечения герметичности насоса).
.
.
Уравнение
кривой статора
имеет вид:
при
,
;
при
,
.
Строим
эскиз профиля статора. рис.1., расчетные данные сводим в табл.1.
Таблица
1. Профилирование статорного кольца.
|
φ,
град
|
0
|
4
|
8
|
12
|
16
|
20
|
24
|
28
|
32
|
36
|
40
|
|
φ/α
|
0
|
0,083
|
0,167
|
0,250
|
0,333
|
0,417
|
0,500
|
0,583
|
0,667
|
0,750
|
0,833
|
|
(φ/α)2
|
0
|
0,007
|
0,028
|
0,063
|
0,111
|
0,174
|
0,250
|
0,340
|
0,444
|
0,563
|
0,694
|
|
0,5(φ/α)2
|
0
|
0,003
|
0,014
|
0,031
|
0,056
|
0,087
|
0,125
|
0,170
|
0,222
|
0,347
|
|
ρ,
мм
|
39
|
39,028
|
39,111
|
39,25
|
39,444
|
39,694
|
40,00
|
40,306
|
40,556
|
40,751
|
40,889
|
Рис.1. Эскиз статорного кольца.
2. Расчет геометрии пластин
2.1 Расчет длины пластин
Прижатие пластин только за счет центробежной силы возможно при условии
[1, стр.29]:
,(3)
где,
- коэффициент, учитывающий силу трения пластин в пазу,
определяемый экспериментально (
);
- больший
радиус профиля, мм;
- меньший
радиус профиля статора, мм;
- длина
пластины, мм.
Согласно
(3), находим:
Принимая
зазор между поверхностью статора, описанной малым радиусом
и поверхностью ротора, описанной радиусом
, равным 1 мм (согласно рекомендациям [2, стр.99]),
получаем, что радиус ротора равен
.
Тогда,
наибольшая длинна выступающей из ротора части пластины,
, равна
Т.к.
для нормальной работы насоса необходимо обеспечить
[1, стр.164], где
-
наименьшая длинна части пластины, находящейся в пазу ротора, то:
Окончательно
принимаем
,
, тогда
.
2.2 Расчет угла наклона пластин
Максимальный допустимый угол наклона пластин по отношению к радиусу R [1, стр. 166]:
,(4)
где
- больший радиус профиля, мм;
- меньший
радиус профиля статора, мм.
.
При
этом угол
наклона пластин относительно радиуса ротора связан с
, как
(5)
Принимаем
,
:
Надёжность
работы пластин в смысле предотвращения заклинивания тогда определяется как,
.(6)
2.3 Расчет угла скоса верхней кромки пластины
Угол скоса верхней кромки пластины:
,(7)
где
- запас по углу,
должно
быть не менее 100,
- толщина
пластины, мм, согласно рекомендациям, принимаем
, [3,
стр. 151];
- больший
радиус профиля, мм;
- меньший
радиус профиля статора, мм.
Принимаем
.
3.
Расчет проходных сечений распределителя
3.1 Расчет размеров основных всасывающих окон
Существенное
значение для работы насоса имеет наибольшая скорость всасывания рабочей
жидкости, которая имеет место при угле поворота ротора
и вычисляется, как, [1, стр.58]:
,(8)
где
- угловая скорость вращения ротора;
- частота
вращения вала насоса;
- больший
радиус профиля, м;
- меньший
радиус профиля статора, м;
.
Значение
скорости всасывания может быть снижено без значительного ущерба для
эксплуатационных характеристик насоса за счет выполнения на роторе фасок
, при этом площадь выреза в распределительном диске,
через который рабочая жидкость поступает в камеры насоса [1, стр.59]:
,(9)
где
- радиус ротора с учетом фаски.
.
3.2 Расчет проходного сечения вспомогательных всасывающих
окон
Согласно
выбранному профилю статора максимальная скорость движения пластин в пазах
ротора имеет место при
и с учетом наклона пластин равна, [1, стр.21]:
(10)
Тогда
максимальный расход жидкости в под пластинами:
(11)
где
- толщина одной пластины, м.
Поперечное
сечение каналов под пластинами должно иметь площадь s (подвод
жидкости идёт с двух сторон)
где
- максимальная скорость жидкости при заполнении
каналов под пластинами;
dвс- диаметр выполняемых каналов, м.
Тогда,
диаметр вспомогательных каналов
(12)
Конструктивно
принимаем
.
Вспомогательные
каналы под пластины располагаем на радиусе
Окончательно
принимаем
.
3.3 Расчет геометрии перегородок распределителя
Расстояния от оси перегородки до границ основных всасывающих и
нагнетательных окон в распределительных дисках, [1, стр.149]:
на радиусе R:
.(13)
,
принимаем
;
на
радиусе r:
.(14)
,
принимаем
.
3.4 Расчет дросселирующих отверстий основных окон
3.4.1 Размеры дросселирующей прорези нагнетающих окон
Радиус, на котором расположены дросселирующие отверстия основных окон
нагнетания:
.(15)
.
Размеры
прорези при переходе пластины из зоны всасывания в зону нагнетания [1, стр.
65,66]:
полная
длинна прорези
,(16)
где
- угол между направлением прорези и перпендикуляром к
вертикальной оси симметрии диска (
)
– угол на котором расположена рабочая часть прорези
(17)
.
размер
прорези (с учетом того, что жидкость подводится с двух сторон), [1, стр.64]
(18)
где
n- частота вращения вала насоса, с-1;
-
плотность рабочей жидкости (для индустриального масла
, [4, стр.16,17]);
-
коэффициент расхода, установленный экспериментально (для прорези треугольной
формы
[2, стр. 103]);
- модуль
упругости рабочей жидкости (
,
[4,стр.16,17]););
-
наибольшее давление нагнетания (
), Па;
- объём
жидкости между пластинами на радиусе R, м3.
,(19)
где
- угол, учитывающий объём, занимаемый пластинами.
.
Таким
образом, максимальное значение мгновенного расхода с учетом дросселирующих
щелей:
,(20)
где
- удельный вес перекачиваемой жидкости, [4,стр.16,17].
И
тогда коэффициент неравномерности подачи
,(21)
где
- идеальная подача насоса,
.
3.4.2
Размеры дросселирующей прорези всасывающих окон
Размеры
прорези при переходе пластины из зоны нагнетания в зону всасывания рассчитываем
по формулам (16)-(19), подставляя r0 вместо R :
(
);
-
,
Таким
образом, максимальное значение мгновенного расхода на всасывании с учетом
дросселирующих щелей:
Коэффициент
неравномерности расхода во всасывающей магистрали:
,
.
3.5 Расчет дросселирующих отверстий вспомогательных окон
Дросселирующие
отверстия располагаем на радиусе
.
3.5.1 Размеры дросселирующей прорези нагнетающих окон
Расчет ведём по формулам (16)-(18), (20),(21), подставляя r1 вместо R:
-
(
).
где
- объём жидкости под пластинами.
,(22)
.


И
тогда коэффициент неравномерности подачи:
.
3.5.2 Размеры дросселирующей прорези всасывающих окон
-
, (
).

И
тогда коэффициент неравномерности расхода во всасывающем трубопроводе:
.
3.5.3 Определение положения вспомогательный всасывающих окон
Положение
вспомогательных всасывающих окон распределителя задаётся углами
и
(см.
рис.2) [1, стр.150].
Для
обеспечение гарантированного поджатия пластин еще до их входа в зону нагнетания
дополнительное всасывающее окно с давлением нагнетания продолжают в зону с
постоянным радиусом на угол
относительно
геометрической нейтрали насоса:
на
радиусе R:
(23)
где
- радиус скругления вспомогательных окон;
-
величина перекрытий (
), [1, стр. 150].
на
радиусе r0:
(24)
Конструктивно
принимаем
.
Положение
вспомогательных окон, осуществляющих всасывание, задаётся углом
относительно геометрической нейтрали насоса:
на
радиусе R:
(25)
на
радиусе r0:
(26)
Конструктивно
принимаем
,
(см.
рис.2).
Рис.2 Эскиз распределительного диска.
4.
Проектировочный расчет вала
4.1 Определение диаметров участков вала
С учетом гидромеханических потерь и отсутствия подпора на входе в насос,
крутящий момент на валу насоса, [1, стр.38],
,(27)
где
- давление нагнетания, Па;
- рабочий
объём, м3/об;
- полный
КПД насоса (для данной конструкции насоса
, [5,
стр.287]).
.
Из
условия статической прочности по теории наибольших касательных напряжений
определяем диаметр вала, выполненного из материала Сталь 45 ГОСТ 1050-88 и
нагруженного только крутящим моментом (эквивалентный момент равен крутящему):
(28)
где
- предел текучести материала, [6, т.1, стр. 86] ;
-
коэффициент запаса прочности.
С
учетом посадки на конец вала игольчатого подшипника, принимаем
. Назначаем подшипник 4254902 ГОСТ 4657-82.
Диаметр
вала под ротор находим из условия технологической выполнимости эвольвентного
шлицевого соединения. Назначаем шлицевое эвольвентное соединение ГОСТ 6033-80:
наружный диаметр Dэ =25 мм, модуль m=1,25мм, количество зубьев z=18.
При этом диаметр впадин шлицев
.
Для
крепления насоса к электродвигателю АИР132М6 ТУ 16-525.564-84, выходной участок
вала выполняем коническим по ГОСТ 12081-72, диаметром 30 мм. Соединение -
муфтой с торообразной оболочкой 200-1-30-2-38-1 ГОСТ 20884-93.
На
диаметр вала dвп/п=30 мм
назначаем подшипник радиальный с короткими цилиндрическими роликами 32206 ГОСТ
8328-75.
Диаметр
буртика под подшипник, dбп:
,
где
r =2 мм - координата фаски подшипника.
4.2 Проверка прочности шлицевого соединения
Прочность шлицевого соединения определяется по формуле, [6, т.2,
стр.860]:
,(29)
где
- допускаемое напряжение на смятие;≈ 0,7…0,8 -
коэффициент, учитывающий неравномерность распределения усилий между зубьями;- число
зубьев;≈ m=1,25 мм - высота поверхности контакта зубьев;з -
рабочая длина зубьев;m = m·z=1,25·18=22,5 мм - расчетный диаметр поверхности
контакта.
Условие выполняется.
4.3 Проверка прочности шпоночного соединения
Назначаем шпонку призматическую по ГОСТ 23360-78. Поперечные сечения
шпонок назначаем по диаметру вала d = 30 мм , для которого по ГОСТ 23360-78: b
= 5 мм - ширина и h =5 мм - высота шпонки. Из условия работы шпонок на смятие
определим расчетные длину шпонки lр:
, (30)
= lр + b
= 21,4 + 5 = 26,7 мм. По ГОСТ 23360-78 предварительно принимаем l = 28 мм.
Т.к.
длина полумуфты lпм = 40
мм. По ГОСТ 23360-78 уточняем длину шпонки l = 28 мм.
5.
Расчет сил прижима распределительного диска к статору
Сила,
прижимающая диск к ротору, Pп, H,
[2, стр. 136]:
,(31)
где
Fн- площадь
прижима диска, мм2;
pн- давление нагнетания, МПа.
Площадь
прижима диска равна кольцевой поверхности между диаметрами d7 и d8 (см.
рис.3) за вычетом площади двух нагнетательных окон (в разрезе В-В
заштрихованы):
Следовательно
прижимающая сила,
Для
нахождения отжимающей силы определяем зону отжима угол AOB = 1800-
α=1800-480=1320.
Всю
поверхность торца диска, на которую действует отжимающее давление, делим на 3
участка, на каждом из которых распределение давления принимается по одному
закону, рис.3.
Рис.3. Схема для расчета сил, действующих на
распределительный диск.
Участок
ІІ - часть кольцевой поверхности торца диска в зоне нагнетания, ограниченная
диаметрами d1 и d4. На всей поверхности этого участка действует давление
нагнетания, см. рис.3. Отжимающая сила на втором участке,
Участок
ІІІ - часть кольцевой поверхности торца диска в зоне нагнетания, ограниченная
диаметрами d4 и d7 и шириной h1+h2. На всей
поверхности этого участка действует давление нагнетания и таких участков будет
четыре, см. рис.3. Отжимающая сила на третьем участке,
Таким
образом, общая сила отжима,
.
Для
нормальной работы насоса должно выполняться условие
Следовательно,
данная конструкция работоспособна по условию прижима распределительного диска.
6.
Проверочный расчет вала
6.1 Расчет вала на статическую прочность
Т.к. ротор насоса разгружен от действия радиальной силы, то на вал насоса
действует крутящий момент Мкр и изгибающий момент Ми от
радиальной силы Fм, возникающей на полумуфте.
Радиальная сила от действия муфты:
,(32)
где
D0 - средний диаметр на котором расположены упругие элементы муфты,
D0 = D ;=200 мм - наружный диаметр муфты.
.
Составляем
расчетную схему (рис.4), на которую наносим все внешние силы, нагружающие вал.
Рис.4. Расчетная схема вала.
Значения
реакций определяем по расчетной схеме:
пластинчатый
насос двукратный распределитель
Под
расчетной схемой строим эпюры изгибающего Ми и крутящего Мкр
моментов с указанием их значений. Опасными является участок вала под
подшипником (точка В) и участок вала под распределительным диском.
Эквивалентный момент:
,
где
- изгибающий момент в точке В.
По
третьей гипотезе прочности, диаметр вала должен быть не менее
где
- предел текучести материала;
-
коэффициент запаса прочности.
(условие
выполняется).
6.2 Расчет на усталостную прочность
При совместном действии напряжений кручения и изгиба коэффициент запаса
усталостной n прочности определяют по формуле [7,
стр. 41]:
,(33)
где
[n]=2,5…3 - требуемый коэффициент запаса прочности,
- запас
усталостной прочности вала по изгибу;
- запас
усталостной прочности вала по кручению;
,
- пределы выносливости гладких валов при симметричном
цикле изгиба и кручения (материал - Сталь 45);
,
- коэффициент чувствительности материала к ассиметрии
цикла напряжений;
-
масштабный фактор;
- фактор
качества поверхности;
,
- коэффициентов концентрации напряжений при изгибе и
кручении.
Амплитуды
напряжений цикла:
,(34)
;
(35)
.
Средние
напряжения циклов:
,
, т.к.
симметричный цикл нагружения.
;
(условие
выполняется)
6.3
Расчет опор вала
Долговечность
подшипников машин, работающих с неполной нагрузкой в одну смену, рекомендуется
Lh =15000 ч [6, т.2, стр. 129].
Требуемая
динамическая грузоподъемность подшипника [6, т.2, стр. 122]:
,(36)
где
n -частота вращения вала, мин-1;h-
номинальная долговечность, ч;
[C]
- динамическая грузоподъемность, Н;
р
- показатель степени, для роликовых подшипников р = 10/3;
-
эквивалентная нагрузка.
Для
игольчатого подшипника 4254902 ГОСТ 4657-82, С=7330 H, С0=5400
Н.
,
где
Fr= RА-
радиальная реакция опоры;
Кб-
динамический коэффициент (при лёгких толчках и кратковременных перегрузках, Кб=1,2);
Кт-
температурный коэффициент, зависящий от рабочей температуры подшипника t (Кт=1
при t<1000 С), [8, стр. 84,139].
(условие
выполняется)
Для
подшипника радиального с короткими цилиндрическими роликами 32206 ГОСТ
8328-754657-82, С=17300 H, С0=11400 Н.
,
где
Fr= RB- радиальная реакция опоры;
Кб-
динамический коэффициент (при лёгких толчках и кратковременных перегрузках, Кб=1,2);
(условие
выполняется).
7.
Расчет болтового соединения крышки и корпуса
Для
крепления крышки к корпусу насоса предусматриваем болтовое соединение из 4
болтов.
Условие
прочности болтового соединения, [6, т.2, стр.803]:
,(37)
где
d1-
внутренний диаметр резьбы, мм;
Р-
сила, действующая вдоль оси болта, H;
-
допустимое напряжение при растяжении, МПа, (для материала Сталь 45
, [6, т.1, стр.62]).
На
крышку, как на распределительный диск, действует отжимающая сила, (см. п.5),
, следовательно, на каждый болт действует сила
.
Назначаем
болт Болт М10x1,25-6gx 16.129.40Х ГОСТ 7805-70.
Заключение
В ходе выполнения курсовой работы провели расчет и спроектировали
пластинчатый насос двукратного диска с плавающим распределительным диском,
автоматически прижимающимся давлением рабочей жидкости, разработали
конструктивное решение и сборочный чертёж насоса.
Список использованной литературы
1. Зайченко
И.З., Мышлевский Л.М. Пластинчатые насосы и гидромоторы. М, «Машиностроение»,
1970.
. Башта Т.М.
Гидравлические приводы летательных аппаратов, М., 1967.
. Гавриленко
Б.А., Минин В.А., Рождественский С.Н. Гидравлический привод. М., «Машиностроение»,
1968.
. Башта Т.М.
Объёмные насосы и гидравлические двигатели гидросистем. Учебник для вузов. М.,
«Машиностроение», 1974.
. Анурьев
В.И. Справочник конструктора-машиностроителя: в 3-х т.- 8 изд., перераб. и доп.
Под ред. И.Н.Жестковой. М.- Машиностроение, 2001.
. Бондалетов
В.П., Козлова С.Н., Шенкман Л.В., Щепилова Т.Б. Конструирование валов силовых
зубчатых механизмов: Методическое пособие. - Ковров: ГОУ ВПО «КГТА им. В.А.
Дегтярева», 2007.
7. Перель
Л.Я. Подшипники качения: Расчет, проектирование и обслуживание опор:
Справочник.- М.: Машиностроение, 1983.
Приложение
Аналог насоса. Пластинчатый насос T1D02021R фирмы «Denison».