Расчет и выбор электроприводов установки металлоуловителя

  • Вид работы:
    Дипломная (ВКР)
  • Предмет:
    Другое
  • Язык:
    Русский
    ,
    Формат файла:
    MS Word
    188,02 kb
  • Опубликовано:
    2012-02-24
Вы можете узнать стоимость помощи в написании студенческой работы.
Помощь в написании работы, которую точно примут!

Расчет и выбор электроприводов установки металлоуловителя














РАСЧЕТ И ВЫБОР ЭЛЕКТРОПРИВОДОВ УСТАНОВКИ - МЕТАЛЛОУЛОВИТЕЛЯ

Введение

Современная автоматизация производства невозможна без использования электрических двигателей и средств управления ими или, точнее, без применения электрического привода. Использование автоматизированного и автоматического электропривода позволяет повышать производительность труда.

Практически все предприятия в своем производстве имеют хотя бы небольшие и незначительные электропривода, предназначенные для решения различных задач (начиная от подъема некоторого груза или системы вентиляции, заканчивая большим производством, в котором связаны множество компонентов).

Современные предприятия представляют собой промышленные комплексы с большим потреблением электрической энергии. Следовательно, рациональное использование электроэнергии может быть обеспечено только при правильном выборе электрооборудования и грамотной его эксплуатации.

Каждый из электроприводов требует тщательный подход для определения электродвигателя, который обеспечит требуемые особенности, аппаратуры защиты и управления. При этом необходимо рассчитать и выбрать электродвигатель, подобрать аппаратуру защиты и управления, рассчитать и выбрать провода и кабеля.

 

1 Расчет и выбор типа электродвигателя производственной установки

 

1.1 Расчет мощности и выбор электродвигателя привода ленточного конвейера


М1 - электродвигатель привода ленточного транспортера асинхронный Зх-фазный к.з.р., нереверсивный.

Мощность электродвигатель для привода ленточного транспортера рассчитывается по формуле:

      (2.1)

электродвигатель металлоуловитель ленточный конвейер

где Q - подача транспортера, м3/ч;

L - длина транспортера, м;

- опытный коэффициент;

K3 - коэффициент запаса;

 - КПД передачи.

Выбираем двигатель основного исполнения, т.к. у электродвигателя маленькая мощность и использование электродвигателя специального исполнения было бы не целесообразно. Номинальная частота вращения 1500 об/мин. Степень защиты IP44.

Таблица 1 - Технические и пусковые данные двигателя 4АА50А4У3

Тип двигателя

P2н, кВт

h, %

cosj

iп

4АА50А4У3

0.06

40.0

0.41

2.5


Подставляя значения в формулу (2.2), получаем:

; (2.2)

;

;          (2.3)

;

.

1.2 Расчет мощности и выбор электродвигателя привода подвижной траверсы электромагнитной плиты

М2 - электродвигатель привода подвижной траверсы плиты, асинхронный Зх-фазный с к.з.р., реверсивный.

Мощность электродвигателя привода подвижной траверсы плиты рассчитывается по формуле:

    (2,3)

где  - коэффициент, учитывающий трение реборд колес о рельсы;

 - максимальная масса траверсы, Н;

 - коэффициент трения скольжения;

 - коэффициент трения качения;

 - радиус шейки оси колеса, м;

- радиус колеса, м;

- скорость перемещения, м/с

- КПД механизма передвижения.

Выбираем двигатель основного исполнения, т.к. у электродвигателя маленькая мощность и использование электродвигателя специального исполнения было бы не целесообразно. Номинальная частота вращения 1500 об/мин. Степень защиты IP44.

Таблица 2 - Технические и пусковые данные двигателя 4АА63В4У3

Тип двигателя

P2н, кВт

h, %

Cosj

iп

4А100S4У3

3.0

82.0

0.83

6.0


;     (2.2)

;          (2.3)

.


2. Разработка принципиальной схемы управления электроприводами


Принципиальная схема управления (рисунок №5) обеспечивает:

- дистанционное управление электроприводами;

наличие двух режимов работы установки: 1 режим - рабочий режим (режим очистки сыпучей смеси), 2 режим - режим наладки;

пуск привода транспортёра М1 в 1 режиме только при нахождении электромагнитной плиты (траверсы) в рабочей позиции и наличии напряжения питания на электромагнитной плите;

возможность установки плиты в рабочее положение в случае её нахождения в каком-либо другом пространственном положении в обоих режимах;

останов привода транспортёра в 1 режиме по истечении времени ∆t1 (время одного цикла очистки) после дистанционного включения оператором при первом цикле очистки;

автоматическое включение и перемещения траверсы в зону сброса металлических деталей по истечении времени ∆t1 по циклу: ход в зону сброса металла, останов в крайней точке зоны сброса в функции пути (контроль по положению) на время ∆t2, возврат в рабочее положение (нахождение над конвейером) с контролем в функции пути (положения);

автоматическое включение напряжения питания плиты при нахождении (достижении) исходного рабочего положения при работе в 1 режиме;

автоматическое отключение напряжения питания с электромагнитной плиты при достижении траверсы крайней точки зоны сброса при работе в 1 режиме;

возможность независимой работы электроприводов во 2 режиме со снятием действия всех электрических блокировок;

звуковая сигнализация минимального значения величины питающего напряжения электромагнитной плиты;

световая сигнализация включенного состояния силового электрооборудования;

наличие соответствующих электрических защит электроприводов и схемы управления в соответствии с режимами и условиями работы электрооборудования;

наличие защит и блокировок, обеспечивающих безопасные условия работы персонала и технологического оборудования;

предусмотреть АВР (автоматическое включение резерва) при выходе из строя основного источника питания электромагнитной плиты;

световая и звуковая сигнализация включения АВР.

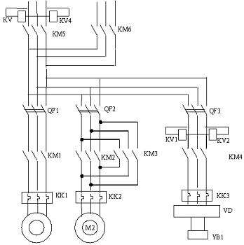
Силовая схема

Рисунок 1 - Главные цепи электроприводов

М1 - электродвигатель привода ленточного транспортера Рн=0.06 кВт n=1500 об/мин. QF1 - автоматический выключатель.

М2 - электродвигатель привода масляной станции Рн=3 кВт n=1500 об/мин. QF2 - автоматический выключатель.

YB - плита электромагнитная. Рн=1 кВт QF3 - автоматический выключатель.

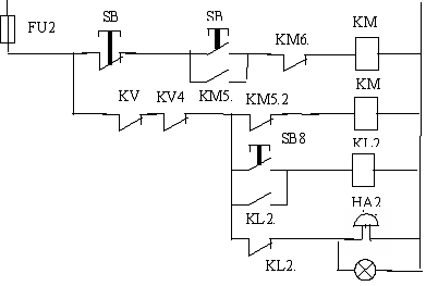
Рисунок 2 - Цепи управления и сигнализации


Схема управления

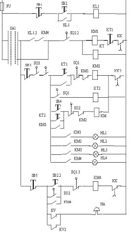
Рисунок 3 - Схема управления АВР

3. Расчет и обоснование выбора аппаратуры

 

3.1 Расчет и обоснование выбора аппаратуры управления электрическими цепями

 

Выбор магнитных пускателей

Магнитные пускатели выбираются из условия


,

где - номинальный ток пускателя,

- длительный рабочий ток электроустановки.

Пускатели электромагнитные серии ПМЛ предназначены для дистанционного пуска непосредственным подключением к сети, остановки и реверсировании трехфазных асинхронных двигателей с короткозамкнутым ротором.

Таблица 3 - Пускатели серии ПМЛ




380 В




IP00

Тип

Величина пускателя

Номинальный ток пускателя, А

Номинальный рабочий ток, А, при напряжении и степени защиты

KM1

ПМЛ-1100

1

10

10

KM2

ПМЛ-4103

2

63

63

KM3

ПМЛ-4103

2

63

63

КМ4

ПМЛ-1100

1

10

10

КМ5

ПМЛ-4103

2

63

63

КМ6

ПМЛ-4103

2

63

63


Выбор промежуточных реле

Промежуточные реле серии РПЛ применяются в схемах управления электроприводами при напряжении до 660 В переменного тока частотой 50, 60 Гц:

Таблица 4 - Промежуточные реле серии РПЛ

Тип

Uн, В

Число замыкающих контактов

Число размыкающих контактов

KL1

РПЛ-1-2-1 О4-А

~220

1

KL1

РПЛ-1-2-1 О4-А

~220

2

1

 

Выбор реле времени

Реле времени ВЛ-40 для периодического включения и отключения электрических цепей с определенными, предварительно установленными длительностями включенного (импульс) и отключенного (пауза) состояний.

Таблица 5 - Реле времени ВЛ-40

Обозначение

Род тока

Uн, В

Iн, А

Частота коммутаций, 1/ч

Импульс, с

Пауза, с

КТ1-4

переменный

~220

5

500

3

10

КТ1-4

переменный

~220

5

500

3

10


Выбор выключателей путевых

Выключатели путевые серии ВП63 предназначены для коммутации электрических цепей управления переменного тока частоты 50 и 60 Гц напряжением до 380 В и постоянного тока напряжением до 220 В под воздействием управляющих упоров (кулачков) в определённых точках пути контролируемого объекта.

Таблица 6 - Выключатели путевые серии ВП63

Тип

Uном, В

Iном, А

Рабочий ход, мм

Усилие срабатывания, Н

SQ1 - SQ4

ВП63-1011117-100УХЛ33

220

1,0

2,2

4,5


Выбор кнопок управления

Выключатели кнопочные серии КЕ предназначены для коммутации электрических цепей управления переменного напряжения до 660 В частоты 50 и 60 Гц.

Таблица 7 - Выключатели кнопочные серии КЕ

Тип

Uн, В

Управляющий элемент

Степень защиты

Контактный элемент





замыкающих

размыкающих

SB1

КЕ021УЗ

~220

Толкатель грибовидный

IP40

1

1

SB2

КЕ011У3

~220

Толкатель цилиндрический

IP40

2

_

SB3

КЕ021УЗ

~220

Толкатель грибовидный

IP40

1

SB4







SB5







SB6

КЕ011УЗ


Толкатель цилиндрический


2

-

SB7







SB8








3.2 Расчет и обоснование выбора аппаратуры защиты

 

Выбор автоматического выключателя

Выключатели серии ВА предназначены для проведения тока в нормальном режиме, для защиты электрических цепей и электродвигателей при токах короткого замыкания, перегрузках и недопустимых снижений напряжения (нулевая защита), а также для нечастых (не более 30 в час с интервалом не менее 2 мин) включений и отключений электрической цепи.

Определение тока уставки электромагнитного расцепителя

        (4.1)

где    - пусковой ток двигателя,

(1,5-1,8) - коэффициент, учитывающий условия пуска. Меньший берём, если нормальные условия пуска, больший, если тяжёлые условия пуска.

QF1:

QF2:

QF3:

 
Определение тока уставки теплового расцепителя

           (4.2)

где    - номинальный ток двигателя,

- коэффициент, учитывающий температурные условия работы электродвигателя (предполагается, что установка будет работать при )

      (4.3)

QF1:

QF2:

QF3:

Таблица 8 - Выключатели серии ВА

Автомат

Тип выключателя

Iн, А авт. выкл.

Iн, А

Uн, В

, А, А


QF1

ВА52Г-25-34-0010-Р-00УХЛ


0.56

~380

2.1

0.5

QF2

ВА52Г-25-34-0010-Р-00УХЛ


8.5

~380

76.5

1.25

QF3

ВА52Г-25-34-0010-Р-00УХЛ


0.74

~380

4.44

0.66


Выбор предохранителей

Предохранители предназначены для защиты от коротких замыканий.

,

где  - номинальный ток предохранителя,

 - номинальный ток плавкой вставки.

Для защиты электроприёмников или участков электросети, которые имеют небольшие пусковые токи, за расчётные токи плавких вставок  принимают номинальные токи этих электроприёмников  или расчётные токи элекетросети .

Для предохранителей FU1, FU2, FU3, FU4, FU7:

        (4.4)

По формуле (4.4):

FU1:  FU11: :  FU12: :  FU13: :  FU14:

FU5:  FU15: :  FU16: :  FU17: :  FU18: :  FU19: :

Таблица 9 - Характеристики предохранителей

Тип

Iном, А

Uном, В

Iвст, А

Конструктивное исполнение

FU1 - FU19

НПН-15

15

500

Патрон неразборный с наполнителем


Выбираем предохранитель (FU) для защиты цепи управления электропривода. Для выбора плавкой вставки предохранителя необходимо рассчитать номинальный ток, потребляемый схемой управления, который равен сумме токов, потребляемых каждым элементом схемы:

     (4.6)


где Iпотр.л. - ток потребляемый одной лампой сигнализации

Составим таблицу потребителей (реле) цепи управления при номинальном напряжении ~220 В.

Таблица 10 - Потребители тока цепи управления

Реле

KM1

KM2

KМ3

KL1

KL2

KT1

KT2

Iкатушки, А

0,14

0,14

0,14

0,05

0,05

0,05

0,05


Максимальный ток цепи управления:

Расчет тока плавкой вставки предохранителя:

(4.7)


Таблица 11 - Характеристика предохранителя FU9

Тип

Iн, А

Uн, В

Номинальный ток плавкой вставки, А

Конструктивное исполнение

FU9

НПН-15

15

~220

15

Патрон неразборный с наполнителем


3.5 Расчет и обоснование выбора проводов и кабелей


Для силовой схемы:

При номинальном токе двигателя 8.5 А, по условию плотности тока для меди, 7 А на 1мм2 выбираем кабель с сечением 5 мм2.

Тип кабеля КГ 3´10+1´1.5. 4 жилы: 3 по 10 мм2 основные и 1 по 1.5 мм2 на зануление.

Выбираем кабель четырехжильный с алюминиевой жилой с ПВХ изоляцией исходя из плотности тока 5 А/мм2 и номинальных токов двигателя 1.2 А, 0.56 А:

Для управляющей схемы:

С учетом плотности тока для алюминия 5 А/мм2 и током управляющей цепи  получаем сечение 0.18 мм2. Т.к. сечение мало, то выбираем провод ПВ1´1мм2, исходя из механической прочности.

4. Логическая схема управления электроприводом производственной установки

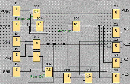
Рисунок 4 - Логическая схема управления

Рисунок 5 - Логическая схема управления элнктромагнитной плитой

Рисунок 6 - Логическая схема включения АВР


5. Расчет объема памяти и обоснование выбора модели универсального логического модуля


В логической схеме используются блоки:

Задержка включения (2 шт.)

Реле с самоудержанием (5 шт.)

Остальные элементы логической схемы памяти не занимают и поэтому они не участвуют в расчете объема памяти.

Таблица 12 - Объемы памяти для блоков LOGO

Блок

Память


PAR

RAM

Timer

Rem

Задержка включения

1

1

1


Реле с самоудержанием

-

-

-


Для данной схемы использование памяти получается:

PAR -2;

RAM - 7;

Timer - 2;

Rem - 0

В логической схеме используются блоки:

Реле с самоудержанием (2 шт.)

Остальные элементы логической схемы памяти не занимают и поэтому они не участвуют в расчете объема памяти.

Таблица 13 - Объемы памяти для блоков LOGO

Блок

Память


PAR

RAM

Timer

Rem

Задержка включения

1

1

1


Реле с самоудержанием

-

1

-

-


Для данной схемы использование памяти получается:

PAR -0;

RAM - 2;

Timer - 0;

Rem - 0

В логической схеме используются блоки:

Реле с самоудержанием (3 шт.)

Остальные элементы логической схемы памяти не занимают и поэтому они не участвуют в расчете объема памяти.

Таблица 14 - Объемы памяти для блоков LOGO

Блок

Память


PAR

RAM

Timer

Rem

Задержка включения

1

1

1


Реле с самоудержанием

-

1

-

-


Для данной схемы использование памяти получается:

PAR -0;

RAM - 3;

Timer - 0;

Rem - 0

Из подсчета объема памяти логического модуля и исходя из логической схемы можно выбрать блок LOGO! удлиненной модели.

Для подключения схемы управления установкой выбираем модуль LOGO! 230RCL, он имеет 12 дискретных входов и 8 дискретных выходов с используемым напряжением 230 (В). Питается напряжением 230 (В).

Универсальные логические модули LOGO! являются компактными функционально законченными изделиями, предназначенных для решения простых задач автоматизации с логической обработкой информации.

5.1 Разработка принципиальной схемы подключения аппаратуры управления, защиты к логическому модулю LOGO























Рисунок №7 - Схема подключения к LOGO! 230RCL



 

 

 

 

 

 

 

 

 

 

 

 

 

 

 

 

 

 

 

Рисунок №8 - Схема подключения к LOGO! 230RCL

 


 

 

 

 

 

 

 

 

 

 

 

 

 

 

 

 

 

 

 

 

 

 

Рисунок №9 - Схема подключения к LOGO! 230RCL

 

 

Заключение


В данной курсовой работе рассчитаны и выбраны электродвигатели.

Осуществлен выбор аппаратуры по напряжению, энергетическим характеристикам.

Согласно функциональным возможностям, была разработана схема управления электроприводами установки-металлоуовителя, подобрана аппаратура защиты и управления. Найдено сечение проводов обеспечивающих питание приводов и системы управления.

 

Список использованных источников


1 Асинхронные двигатели серии 4А: Справочник / А.Э. Кравчик, М.М. Шлаф, В.И. Афонин, Е.А. Соболенская. - М.: Энергоиздат, 1982. - 504 с.

Большам Я.М. Справочник по проектированию электропривода силовых и осветительных установок. - М.: Энергия, 1975. - 728 стр.

Васин В.М. Электрический привод: Учеб. пособие для техникумов. - М.: Высш. шк., 1984. - 231 с.

Алиев И.И. Справочник по электротехнике и электрооборудованию: Учеб. Пособие для вузов. - 2-изд., доп. - М.: Высш. шк., 2000. - 255 с., ил.

Москаленко В.В. Электрический привод: Учеб. для электротехн. спец. техн. - М.: Высш. шк., 1991. - 430 с.

Техника чтения схем автоматического управления и технологического контроля / Клюев А.С., Глазов Б.В., Миндин М.Б. - М.: Энергоиздат, 1983, 376 с.

Чиликин М.Г., Сандлер А.С. Общий курс электропривода: Учебник для вузов. - М.: Энергоиздат, 1981. - 576 с.

Чунихин А.А. Электрические аппараты: Учеб. для вузов. - М.: Энергоатомиздат, 1988. - 720 с.

Похожие работы на - Расчет и выбор электроприводов установки металлоуловителя

 

Не нашли материал для своей работы?
Поможем написать уникальную работу
Без плагиата!
Без нейросетей!