Частотно-избирательный разветвитель-дециматор
Министерство науки и образования
Российской федерации
Южно-Уральский государственный
университет
Кафедра «Цифровые радиотехнические
системы»
ПОЯСНИТЕЛЬНАЯ ЗАПИСКА
к курсовой работе
по курсу: Цифровая обработка
информации в телекоммуникациях
на тему: «Частотно-избирательный
разветвитель-дециматор»
Челябинск
Введение
Разветвитель-дециматор - это устройство, которое имеет несколько выходов,
каждому из которых поставлен в соответствие некий поддиапазон спектра. Сигнал
на выходе появляется только в том случае, если спектр входного сигнала содержит
данный поддиапазон. Более того, в каждом канале происходит перенос спектра на
частоты, указанные в техническом задании. После переноса спектра полученный
сигнал поступает на фильтр низких частот, а затем на дециматор. Отметим, что
при децимации не должно происходить наложения копий спектров, т.е. должно
соблюдаться условие, поставленное теоремой Котельникова: если аналоговый сигнал
<#"514401.files/image001.gif">
Разобьем диапазон спектра на 4 равные по величине части: [-40;-20]МГц,
[-20;0]МГц, [0;20]МГц, [20;40]МГц. Устройство будет иметь 8 выходов,
объединенных в пары: по одному каналу в паре передается действительная
составляющая выходного сигнала Sвых
действ w0i , а по другому - мнимая составляющая
выходного сигнала Sвых мним w0i. Спектр выходного сигнала в каждом канале должен
лежать в диапазоне [-10…10] МГц. Для переноса спектра домножим сигнал на
гармонику с частотой w0i, где w0i- центральные частоты каждого из поддиапазонов.
Обратим внимание на то, что при частотах с противоположным знаком,
действительная составляющая опорного сигнала одинакова, а мнимая отличается
лишь знаком. Если использовать эти рассуждения, схема переноса спектра
упрощается.
После переноса спектра необходимо осуществить фильтрацию и децимацию
сигнала. f’д=fд/m, где m-коэффициент децимации. (3)
Отметим, что коэффициент децимации должен принимать такое значение, при
котором не происходит наложение копий спектра друг на друга. Выберем m=4. Это значение удовлетворяет
условию, так как f’д= 30 МГц по
формуле (3), а fmax= 10 МГц.
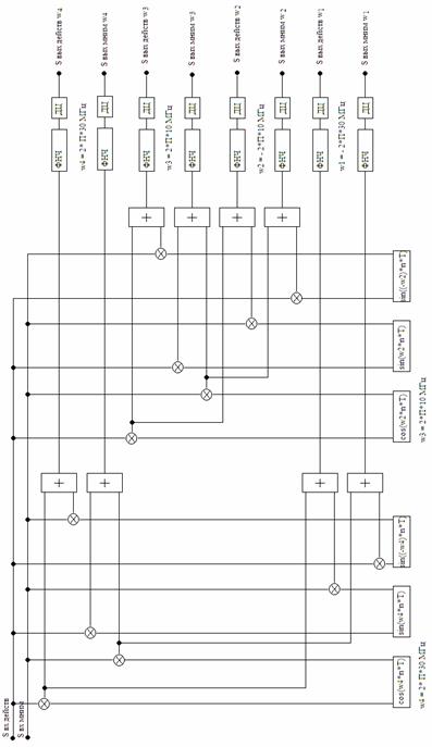
На основе вышесказанного составим структурную схему устройства (Рисунок
1.). На рисунке элементы ФНЧ- фильтр низких частот, ДЦ - дециматор.
Заданием определены требования к фильтрам:
затухание в полосе задержания 20 дБ
допуск на неравномерность в полосе пропускания 3 дБ
полоса пропускания fп Є
[-10;10) МГц
полоса задержания fз Є
(-∞;-15]U[15;+∞) МГц
По этим требованиям необходимо определиться со структурой фильтров и
рассчитать их характеристики.
Рисунок 1 - Структурная схема устройства
1. Расчет фильтров
Для уменьшения собственных шумов и для того, чтобы фильтры были всегда
устойчивы, рассчитаем их на основе КИХ-фильтров. Воспользуемся методом окон.
Для этого сначала рассчитаем импульсную характеристику ФНЧ по известной
частотной.
Рисунок 2 - Требуемая передаточная функция
Нормируем частоту по правилу 
, где Т-период дискретизации, и запишем передаточную
характеристику следующим образом:
Найдем коэффициенты импульсной характеристики идеального ФНЧ:
Рисунок 3 - Требуемая импульсная характеристика ФНЧ
Воспользуемся окном Кайзера, так как оно является одним из наиболее
оптимальных окон и позволяет учитывать заданное ослабление в полосе пропускания
и задержания. Его импульсная характеристика имеет вид:
где I0(x)-
функция Бесселя нулевого порядка, β - коэффициент определяющий долю
энергии, сосредоточенной в главном лепестке спектра
<#"514401.files/image007.jpg">- заданное ослабление в полосе пропускания.
Порядок фильтра определяется следующим соотношением:
∆=N*∆
(8)
С учётом того, что а=20, ∆
=5/120≈0.0416, получаем β=0, N≈23.
Рисунок 4 - ИХ окна Кайзера Рисунок 5 - АЧХ окна Кайзера
Импульсная характеристика искомого КИХ-фильтра получается перемножение
весовой функции окна и импульсной характеристики идеального фильтра:
h(n)=hи(n)wК(n)
(10)
где hи(n)- ИХ
идеального ФНЧ, wК(n) - ИХ окна Кайзера.
Построим ИХ и АЧХ реального фильтра при помощи Matlab при N=23.
Рисунок 6 - ИХ полученного фильтра при N=23
Рисунок 7 - АЧХ полученного фильтра при N=23
Рисунок 8 - ФЧХ полученного фильтра
Покажем теперь, что при меньшем N требования не удовлетворяются.
Рисунок 9 - АЧХ полученного фильтра при N=21
Как видим из рисунка 9, при меньшем N не удовлетворяется требование по величине ослабления в
полосе задержания, поэтому оптимальный порядок фильтра N=23.
2. Исследование работы устройства
.1 Формирование входного сигнала
Выберем простой сигнал, который позволял бы исследовать работу всех
каналов разветвителя-дециматора. Таким сигналом может служить сумма 4
экспоненциальных членов вида 

Итак, сигнал запишется как :
Действительная составляющая этого сигнала:
Мнимая составляющая:

, 
,
Рисунок 10 - Действительная и мнимая составляющие входного сигнала
2.2 Общая оценка работы устройства
Корректность работы устройства можно проверить в частотной области.
Устройство имеет 2 входа, на каждый из которых поступает сигнал в диапазоне
[-40;40] МГц с частотой дискретизации 120 МГц. Так же устройство имеет 8
выходов, сигнал на которых лежит в диапазоне [-10;10] МГц с частотой
дискретизации 30 Мгц. В полосе задержание задано ослабление 20 дБ (т.е. в 10
раз).
Рисунок 11 - Спектры действительной и мнимой составляющих сигнала
Рисунок 12 - Спектры сигналов на выходе устройства
Из рисунков видно, что спектры для действительных и мнимых составляющих
сигналов совпадают. Также видно, что на вход поступает сумма гармонических
колебаний, однако на выходе в полосу пропускания попадает лишь одна
составляющая. Начиная с половины уменьшенной частоты дискретизации, т.е. с 15
Мгц, располагаются копии спектра выходного сигнала согласно формуле
f= ± fc + n*fд (14)
где fc - собственная частота колебания, fд - частота дискретизации, n=0,1,2...
Рассмотрим подробнее прохождение сигнала через такие блоки устройства,
как схема переноса спектра, ФНЧ и дециматор.
2.3 Прохождение сигнала через схему переноса спектра
Схема переноса спектра реализована по следующим выражениям



, 
Рисунок 13 - Спектры сигналов после прохождения через схему переноса
спектра
Учитывая набор собственных частот сигнала (
, 
) и набор опорных частот схемы переноса спектра (
, 
) расчетные значения частот спектра в каждом канале:
Таблица 1 - Расчетные значения составляющих спектра на выходах схемы
|
f01=
- 30 МГц
|
f02= - 10 МГц
|
f03= 10 МГц
|
f04= -30 МГц
|
|
5 МГц - 15 МГц - 35 МГц -
55 МГц
|
25 МГц 5 МГц - 15 МГц - 35
МГц
|
45 МГц 25 МГц 5 МГц - 15
МГц
|
65 МГц 45 МГц 25 МГц 5 МГц
|
Полученные частоты в спектрах на выходах схемы переноса иллюстрируют
формулу (14).
2.4 Прохождение сигналов через ФНЧ
Сигналы с выходов схемы переноса спектра поступают на ФНЧ, имеющий полосу
пропускания fп Є [0; 10] МГц, переходную полосу ∆f= 5 МГц, в которой происходит
ослабление на 20 дБ. Изучим прохождение сигналов через такой ФНЧ. Приведем
рисунки с осциллограммами выходных сигналов (Рисунок 14) и с их спектрами
(Рисунок 15).
Как видим из этих рисунков, в полосу пропускания попадает по одной
составляющей, поэтому выходной сигнал является простым гармоническим
колебанием.
Рисунок 14 - Сигналы на выходах ФНЧ
Рисунок 15 - Спектры сигналов на выходах ФНЧ
разветвитель дециматор спектр сигнал
2.5 Децимация
Уменьшение частоты дискретизации сигнала 
в m раз
(m- коэффициент децимации) осуществляется
дециматором, формирующим сигнал путем взятия только каждого m-го отсчета из последовательности 
. Реализуем этот алгоритм с помощью Matlab. Полученная последовательность представляет собой
сигнал на выходе устройства.
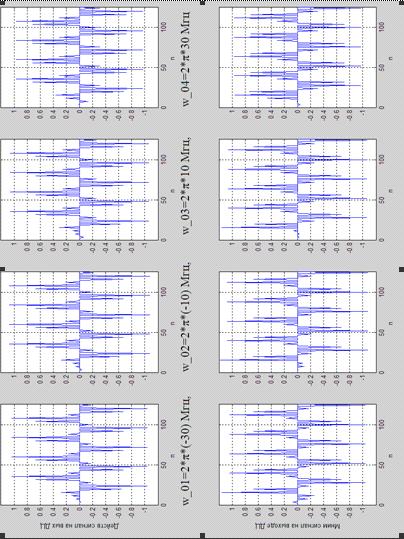
Рисунок 16 - Сигналы на выходах дециматоров
Заключение
В ходе работы при помощи схемы переноса спектра, фильтров низкой частоты
и дециматора был спроектирован частотно-избирательный разветвитель-дециматор,
который имеет несколько выходов, сигнал на которых появляется в случае, если
спектр входного сигнала содержит поддиапазон, сопоставленный этому выходу.
Также осуществляется фильтрация сигнала и понижение частоты дискретизации от
120 МГц до 30 МГц.
С помощью среды Matlab
был рассчитан ФНЧ, а также была смоделировна работа ФНЧ и дециматора на примере
единичного импульса, так как это простой сигнал, имеющий бесконечный спектр.
Для расчета ФНЧ использовалось окно Кайзера, так как оно является
параметрическим в отличие от других окон и наиболее оптимальным.
Список литературы
1. Гольденберг
Л.М. Цифровая обработка сигналов: Справочник / Л.М. Гольденберг, Б.Д. Матюшкин,
М.Н. Поляк. - М.: Радио и связь, 1985. - 312 с.
2. Рабинер
Л., Гоулд Р., Теория и применение цифровой обработки информации / А.М. Трахман
- М.: Северное Радио, 1973.- 368 с.
. Солонина
А.И., Улахович Д.А., Арбузов С.М., Соловьева Е.Б., Основы цифровой обработки
информации: Курс лекций / А.И. Солонина, Д.А. Улахович, С.М. Арбузов, Е.Б.
Соловьева-Спб:. БХВ - Петербург, 2005.- 768 с.
Приложение
Расчет ФНЧ, модель ФНЧ и дециматора, испытанная на пробном
сигнала в среде Matlab
clear all;;=23;=-0.5*(N-1):1:0.5*(N-1);
K=2048;_d= 120000000;
% 1. Формирование пробного сигнала
l=1:1:1000;=35000000;=15000000;= -5000000;=
-25000000;=exp(i*2*pi*f1*l/f_d)+exp(i*2*pi*f2*l/f_d)+exp(i*2*pi*f3*l/f_d)+exp(i*2*pi*f4*l/f_d);_c=
real(x);_s= imag(x);
[Hx_c,w]=freqz(x_c,1,K,'whole');
[Hx_s,w]=freqz(x_s,1,K,'whole');(1);(2,2,1); plot (x_c);('n');('Действ составл вх сигнала');on(2,2,2);
plot(w*f_d/(2*pi),abs(Hx_c));([0 60000000 0 abs(max(Hx_c))]);
xlabel('w');('Спектр действит составл');
grid on(2,2,3); plot(x_s);('n');('Мним составл вх сигнала');on(2,2,4);
plot(w*f_d/(2*pi),abs(Hx_s));([0 60000000 0 abs(max(Hx_s))]);
xlabel('w');('Спектр мним составл');on
% 2. Перенос спектра=[-30000000 -10000000 10000000 30000000];
x0=zeros(length(f0),length(l));_c_f0=zeros(length(f0),length(l));_s_f0=zeros(length(f0),length(l));c=1:length(f0)
x0(c,:)=x.*exp(i*2*pi*f0(c)*l/f_d); _c_f0(c,:)=
real(x0(c,:));_s_f0(c,:)= imag(x0(c,:));
end
% 3. Расчёт характеристик ФНЧ
% 3.1.Построение ИХ идеального фильтра
h_u=sin(5*pi*n/24)./(pi*n);_u(N/2+0.5)=5/24;(2);(n, h_u);
xlabel('n');('ИХ идеального фильтра');on
% 3.2. Построение ИХ и АЧХ окна Кайзера
w_k=kaiser(N, 0);(3);(n, w_k);('n');('ИХ окна Кайзера');on
[W_k,w]=freqz(w_k,1,K,'whole');=abs(max(W_k));_kdB=20*log10(abs(W_k)/M);(4);(w*f_d/(2*pi),
W_kdB );([0 60000000 -90 0]);('w');('АЧХ окна Кайзера,
дБ');
grid on
% 3.3. Построение ИХ и АЧХ искомого фильтра
h=h_u.*w_k';(5);(n, h);('n');
ylabel('ИХ искомого фильтра');on
[H,w]=freqz(h,1,K,'whole');=abs(max(H));=20*log10(abs(H)/M);(6);(w*f_d/(2*pi),
HdB );([0 60000000 -90 0]);('w');('АЧХ искомого фильтра, дБ');on= unwrap(angle(H));
figure(7);(w*f_d/(2*pi),P);([0 60000000 min(P)
max(P)]);('w');('ФЧХ искомого фильтра');
grid on
% 4. Прохождение сигнала через ЛДС
% 4.1. Через схему переноса спектра_c_f0=zeros(length(f0),K);
X_s_f0=zeros(length(f0),K);(8);c=1:length(f0)
[H_c_f0,w]=freqz(x_c_f0(c,:),1,K,'whole');
[H_s_f0,w]=freqz(x_s_f0(c,:),1,K,'whole');_c_f0(c,:)=H_c_f0';_s_f0(c,:)=H_s_f0';(2,4,c);
plot(w*f_d/(2*pi),abs(X_c_f0(c,:)));([0, 60000000, 0 , abs(max(X_c_f0(c,:)))]);
xlabel('w');('Перенесенный спектр действ сост');
grid on(2,4,c+4); plot(w*f_d/(2*pi),abs(X_s_f0(c,:)));([0,
60000000, 0 , abs(max(X_s_f0(c,:)))]);
xlabel('w');('Перенесенный спектр мним сост');on
% 4.2 Формирование сигнала на выходах фильтра
y_c_filtered=zeros(length(f0),length(l)+N-1);_s_filtered=zeros(length(f0),length(l)+N-1);(9);c=1:length(f0)
_c_filtered(c,:)=conv(h,x_c_f0(c,:));_s_filtered(c,:)=conv(h,x_s_f0(c,:));
(2,4,c); plot(y_c_filtered(c,:));
grid on(2,4,c+4); plot(y_s_filtered(c,:));
axis([0 500 -1.2 1.2]);('n');('Мним сигнал на выходе ФНЧ');
grid
on_c_filtered=zeros(length(f0),K);_s_filtered=zeros(length(f0),K);(10);c=1:length(f0)
_c_filtered(c,:)=freqz(y_c_filtered(c,:),1,K,'whole');_s_filtered(c,:)=freqz(y_s_filtered(c,:),1,K,'whole');(2,4,c);
plot(w*f_d/(2*pi),abs(Y_c_filtered(c,:)));([0, 60000000, 0 ,
abs(max(Y_c_filtered(c,:)))]);
xlabel('w');('Спектр действ сигн на вых ФНЧ');
grid on(2,4,c+4);
plot(w*f_d/(2*pi),abs(Y_s_filtered(c,:)));([0, 60000000, 0 , abs(max(Y_s_filtered(c,:)))]);
xlabel('w');('Спектр мним сигн на вых ФНЧ');on
% 5. Децимация
y_c_dmc=zeros(length(f0),length(l)+N-1);_s_dmc=zeros(length(f0),length(l)+N-1);(11);c=1:length(f0)
=0;b=1:(length(l)+N-1)i==3_c_dmc(c,b)=y_c_filtered(c,b);_s_dmc(c,b)=y_s_filtered(c,b);=0;
=i+1;(2,4,c); plot(y_c_dmc(c,:));
axis([0 500 -1.2 1.2]);('n');('Действ сигнал на вых ДЦ');
grid on(2,4,c+4); plot(y_s_dmc(c,:));
axis([0 500 -1.2 1.2]);('n');('Мним сигнал на выходе ДЦ');
grid on_c_dmc=zeros(length(f0),K);_s_dmc=zeros(length(f0),K);(12);c=1:length(f0)_c_dmc(c,:)=freqz(y_c_dmc(c,:),1,K,'whole');_s_dmc(c,:)=freqz(y_s_dmc(c,:),1,K,'whole');
(2,4,c); plot(w*f_d/(2*pi),abs(Y_c_dmc(c,:)));
xlabel('w');('Спектр действ сигн на вых устройства');
grid on(2,4,c+4); plot(w*f_d/(2*pi),abs(Y_s_dmc(c,:)));
xlabel('w');('Спектр мним сигн на вых устройства');on