Исследование моделей движения материальной точки вблизи положения равновесия
Анализ
моделей движения материальной точки вблизи
положения
равновесия
СОДЕРЖАНИЕ
Введение
. Моделирование
движения точки, имеющей три степени свободы
.1
Математическое описание движения
.2
Решение системы ОДУ операционным методом
.3
Решение системы ОДУ классическим методом
.4
Построение траектории движения выбранной системы
.5
Построение моделей в программе MatLab
.5.1
Построение модели операционным методом
.5.2
Построение модели классическим методом
.Сравнение
моделей движения материальной точки
Заключение
Библиографический
список
Введение
Рассмотрим систему движения материальной точки,
которая под действием внешних воздействий совершает движение в горизонтальной и
вертикальной плоскостях. Еще более наглядной иллюстрацией таких колебаний является
движение морского буя, представленное на рисунке 1, который под действием
прибоя совершает движение в горизонтальной и вертикальной плоскостях.
Моделирование движения такого буя может быть полезно при проектировании
волновых энергетических установок, интерес к которым непрестанно растет в связи
с научно-исследовательскими работами в области альтернативных источников
энергии.
Рис.В.1. График движения точки вблизи положения
равновесия
модель движение точка исчисление
В теории колебания зачастую приходится
сталкиваться с необходимостью решения дифференциальных уравнений. Существует
несколько принципиально разных подходов решения данной задачи.
Дифференциальные уравнения можно решать
аналитически, численно и с помощью специальных методов математического анализа
(операционный метод). Зачастую инженер, неплохо разобравшись с одним методом,
применяет этот метод к другим схожим задачам, например, сейчас широкое
распространение получили численные методы. Связанно это в первую очередь с
широким распространением компьютерной техники. Численные методы позволяют
решать большой класс задач практически любой сложности, однако, требуют
громоздких и трудоемких однотипных выкладок, которые сложно решаются вручную.
Увеличение сложности задач приводит к тому, что решение напрямую с помощью
численных методов становится нецелесообразным, так как занимает слишком много
времени и машинных ресурсов.
Между тем, многие задачи значительно упрощаются,
если при их решении применять операционное исчисление, это позволило бы
оптимизировать использование вычислительных мощностей при изучении
колебательных процессов различной природы.
Целью данной работы является исследование
алгоритмов построения моделей малых движений тела вблизи положения равновесия и
выявление более эффективного метода.
Для достижения поставленной цели решались
следующие задачи:
рассмотрение особенностей задачи малых движений
тела;
изучение методов решения дифференциальных
уравнений;
построение моделей движения тела;
практическая реализация построенных моделей;
выявление преимуществ и недостатков каждого
метода с точек зрения теории и практики;
1. Моделирование
движения точки, имеющей три степени свободы
В общем виде, точка в трехмерном пространстве
может иметь три степени свободы, и ее колебание в таком случае будет являться
сложением колебаний по каждому из свободных направлениям. Примером такого
движения могут служить колебания атомов в кристаллической решетке.
Еще более наглядной иллюстрацией таких колебаний
является движение морского буя (см. рис. 1.1), который под действием прибоя
совершает движение в горизонтальной и вертикальной плоскостях. Моделирование
движения такого буя может быть полезно при проектировании волновых
энергетических установок, интерес к которым непрестанно растет в связи с
научно-исследовательскими работами в области альтернативных источников энергии.
Рисунок 1.1. Морской буй
Сравним алгоритмы построения модели малых
движений буя относительно точки равновесия при помощи различных методов. При ее
построении будем руководствоваться базовыми принципами построения
математических моделей
. Исходя из принципа множественности моделей,
зададимся целью построить модель, описывающую траекторию движения буя.
. Исходя из принципа информационной
достаточности, условимся считать буй полой сферой при рассмотрении действующих
на него архимедовой силы и силы сопротивления среды и материальной точкой во
всех других случаях.
. Исходя из принципа осуществимости, условимся
считать движение буя суперпозицией движений по ортам трехмерной Декартовой
системы координат.
.1 Математическое описание движения
Этот этап алгоритма построения модели будет
общим для всех методов, так как вне зависимости от применяемого математического
аппарата, движение подчиняется строго определенным физическим закономерностям.
Траектория движения буя будет являться
пространственной кривой, определяющейся системой (1.1.1), состоящей из 3
неоднородных дифференциальных уравнений:

(1.1.1)

- проекции вынуждающей внешней силы
на соответствующие оси координат. В случае свободных колебаний (волны
отсутствуют) 
и система (1.1.1) будет являться
системой однородных дифференциальных уравнений второго порядка с постоянными
коэффициентами.

- коэффициенты инерции. Строго
говоря, эти коэффициенты согласно релятивистской теории, зависят от скоростей и
при разных значениях скоростей по разным направлениям, должны отличаться друг
от друга. Но поддающиеся регистрации отличия величин этих коэффициентов могут
быть зафиксированы на скоростях, значительно превышающих любые скорости,
достигаемые природными и техногенными макрообъектами в земных условиях. Исходя
из этого, корректно пренебречь релятивистскими эффектами, поэтому

- коэффициенты сопротивления. В
силу изотропности воды коэффициенты сопротивления одинаковы во всех
направлениях

- квазиупругие коэффициенты
восстановления. Коэффициенты, соответствующие движениям в горизонтальной
плоскости 
, будут определяться упругими
свойствами троса. Коэффициент 
будет включать в себя еще
составляющую архимедовой силы.
Таким образом, для определения
траектории движения необходимо решить систему уравнений.

(1.1.2)
1.2 Решение системы однородных
дифференциальных уравнений операционным методом
Определим абсциссу траектории как
функцию времени. Рассмотрим первое уравнение системы (1.1.2)
Для получения общего решения
рассмотрим задачу Коши с произвольными начальными условиями по примеру .
Пусть
, тогда
и
Заметим, что
- начальное
положение точки и
- ее
начальная скорость.
,
,
,
.
Воспользуемся элементарным методом
нахождения функции оригинала. В силу свойства линейности преобразования Лапласа
Представим изображение
в виде
линейной комбинации изображений простейших функций, каждое из которых может
быть сопоставлено соответствующему оригиналу при помощи таблицы стандартных
изображений.
=
=
=
=
Для более компактной записи введем
, тогда
,
(1.2.1)
Аналогичным образом определяются
ордината и аппликата траектории:
(1.2.2)
Выражения (1.2.1) - (1.2.3) вместе
представляют собой уравнение траектории движения буя в параметрической форме.
1.3 Решение системы однородных дифференциальных
уравнений классическим методом
Рассмотрим первое уравнение системы
(1.1.2). Преобразуем его, сократив на множитель 
.

(1.3.1)
Обозначим для удобства 
, 
и составим характеристическое
уравнение, соответствующее выражению (1.3.2):
Найдем корни характеристического
уравнения по теореме Виета:
В зависимости от значений
коэффициентов p и q
возможны 4 случая.
Случай 1
Если сопротивление p
настолько велико, что подкоренное выражение положительно, то корни
характеристического уравнения будут действительными отрицательными числами.
Общее решение будет

(1.3.3)
Из равенства (1.3.3) следует, что
отклонение с течением времени стремится к 0 (буй движется к положению равновесия).
Колебаний в этом случае не будет.
Случай 2
Если сопротивление таково, что 
, то 
Общее решение будет

(1.3.4)
Здесь буй так же, как и в первом
случае, стремится к положению равновесия, но более медленно, благодаря наличию
сомножителя t.
Случай 3
Если сопротивление отсутствует, то
есть 
, то корни

,
где 
.
Общее решение будет

(1.3.5)
В уравнении (3.5) заменим постоянные

и 
другими, для чего разделим у
умножим правую часть на 
откуда
Вводим обозначения

, 
, 
Тогда получим
Преобразуем последнее выражение при
помощи тригонометрических формул приведения

(1.3.6)
Движение, происходящее по закону
(3.6) будет являться гармоническим колебанием с амплитудой 
, частотой 
и начальной фазой 
Случай 4
Если сопротивление настолько мало,
что подкоренное выражение отрицательно, то корни будут комплексными

,
Где

Общее решение будет

(1.3.7)
После аналогичной случаю 3 замены
постоянных интегрирования 
и 
, получим

(1.3.8)
В этом случае буй будет совершать
затухающие колебания с амплитудой 
, являющейся функцией времени t и стремящейся
к 0.
Таким образом, при
использовании классического метода необходимо составить характеристическое
уравнение, от корней которого будет зависеть вид решения.
.4 Построение траектории
движения буя
По полученному уравнению строим траекторию движения
буя. Радиус-вектор траектории определяется по формуле

(1.4.1)
Таким образом алгоритм
построения модели малых движений точки вблизи положения устойчивого равновесия
выглядит следующим образом:
. Математическое
описание движения
. Получение системы
дифференциальных уравнений движения
. Разрешение полученной
системы любым из известных методов. Нахождение координат точки как функций
времени.
. Определение
радиус-вектора и построение графика траектории.
Алгоритмы построения модели в зависимости от
примененного метода будут иметь различную длину и сложность. Это наглядно
иллюстрируется при помощи построения диаграмм деятельности в программе
SoftwareIdeasModeler.4.91 для каждого из рассмотренных случаев (рис. 1.4.1 -
рис. 1.4.2). Как видно, применение классического метода дает значительно более
разветвленный и сложный алгоритм.
Рис. 14.1 Алгоритм построения модели траектории
буя с применением операционного метода
Рис. 1.4.2 Алгоритм построения модели траектории
буя с применением классического метода
.5 Построение моделей в программе MatLab
Для построения моделей будем использовать
приложение Simulink.-
это интерактивная система для анализа линейных и нелинейных динамических
систем. Это графическая система настроенная на использование “мыши”. Она
позволяет вам моделировать систему простым перетаскиванием блоков в рабочую
область и последующей установкой их параметров. Simulink может работать с
линейными, нелинейными, непрерывными, дискретными, многомерными системами.
Получив доступ к богатым возможностям
моделирования и вычислений среды MATLAB и Simulink, можно решать задачи из
реальной практики и развивать навыки программирования. Есть возможность
экспериментировать с алгоритмами, моделями и данными, пробуя разные сценарии.
Модельно-ориентированное проектирование
Широко используемая в таких отраслях
промышленности как авиационно-космическая, автомобильная, коммуникационная и
промышленная автоматизация, концепция модельно-ориентированного проектирования
основывается на моделировании систем высокого уровня.
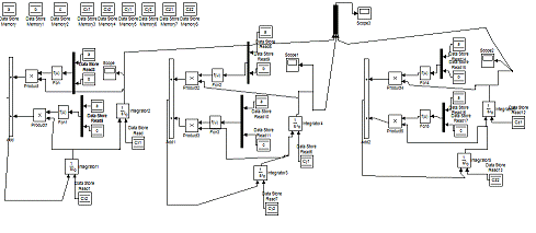
1.5.1 Построение
модели операционным методом
Для построения модели нам понадобится ввести 9
начальных условий, которые легко можно будет изменить. Это даст возможность
протестировать модель в разных вариациях. Построение данной модели,
представлено на рисунке 1.5.1.1
Рис.1.5.1.1 Построение модели траектории буя, с
применением операционного метода.
Построив модель, мы можем увидеть движения
траектории буя на графике.
Рис. 1.5.1.2 График движения буя, с применением
операционного метода.
Для построения модели нам понадобится 9
начальных условий, которые в дальнейшем можно изменять, так как в классическом
методе рассмотрены 4 случая решения задачи, на данной модели можно проверить
все эти 4 случая. Ниже на рисунке 1.5.2.1, представлена модель, построенная
классическим методом.
Рис.1.5.2.1 Построение модели траектории буя, с
применением классического метода.
В зависимости от корней уравнения (1.3.1),
рассмотренного раньше, решение будет разделяться на 4 вида, два из них
показывают незначительные колебания системы, а два других отображают колебания,
которые затухают со временем.
Построив модель, мы можем увидеть движения
траектории буя на графике. Это отображено на рисунке 1.5.2.2.
Рис 1.5.2.2. График движения буя, с применением
классического метода.
По графику, видно, что колебания системы, со
временем затухает, потому что здесь рассмотрен первый случай классического
метода. В зависимости от случая график системы меняется.
Таблица 1.Сравнение моделей движения
материальной точки
|
Пункт
сравнения
|
Классический
метод
|
Операционный
метод
|
|
Необходимость
применения специальных разделов математического анализа
|
Не
требуется
|
Требуется
|
|
Число
необходимых для рассмотрения случаев
|
4
|
1
|
|
Количество
развилок по ходу алгоритма
|
4
|
1
|
|
Сложность
алгоритма
|
Высокая
|
Низкая
|
|
Сложность
получаемых уравнений
|
Низкая
|
Высокая
|
|
Возможность
программной реализации алгоритма в среде MatLab.
|
Возможно
|
Возможно
|
|
Скорость
вычисления
|
Низкая
|
Высокая
|
|
Точность
вычисления
|
Возможна
погрешность в вычислениях
|
Возможна
погрешность в вычислениях
|
Согласно, сравнительной таблице 1, можно
сказать, что операционный метод является оптимальным по сравнению с
классическим методом. Операционный метод быстрее считаем систему уравнений, а
также, по сравнению с классическим методом, операционный метод прост в
вычислениях.
Заключение
В данной работе был осуществлен анализ
существующих методов построения моделей малых движений точки, вблизи положения
равновесия. Была показана принципиальная возможность применения математического
аппарата операционного исчисления к построению таких моделей. Также, была
произведена оценка преимуществ и недостатка такого подхода. Разработаны
алгоритмы построения малых моделей движения, которые были реализованы
программно.
Согласно сравнительной оценке двух методов,
видно, что систему решать удобнее с помощью операционного метода. Во первых,
решение задачи намного проще, за счет простых математических операций. Во
вторых, операционных метод решает наиболее быстрее, чем классический метод.
В итоге поставленные цели были достигнуты в
полном объеме.
Частичные результаты данной работы были
представлены на Решетневских чтениях в виде доклада и статьи, опубликованные в
сборнике «Решетневские чтения». Данный метод может быть апробирован в рамках
ИИТК в качестве лабораторных работ для студентов, изучающих дисциплину
численные методы.
Библиографический
список
1. Добронравов
В.В. Курс теоретической механики. Изд. 3-е, перераб. Учебник для вузов. М.:
«Высшая школа», 1974.
. Левитский
Н.И. Колебания в механизмах: Учеб. Пособие для втузов.- М.: Наука. Гл.ред.физ.-мат.
лит., 1988-336с.
. Лурье
А.И. Операционное исчисление и его приложение к задачам механики.- М.: ГИТТЛ,
Москва, 1951.
. Пикулев
В.Б. Методическое пособие MatLab.
[Электронный ресурс].URL:http://solidbase.karelia.ru/edu/meth_calc/files/simulink.shtm
. Старков
В.Н. Операционное исчисление и его применения.- М.: Учебн. пособ.-СПб, 2000.-65
с.
. Тимошенко
С.П. Теория колебаний в инженерном деле.-М.: Физмат-гиз. 1959.-439с.
. Учебное
пособие по Simulink
[Электронный ресурс].URL:http://users.kaluga.ru/math/contents/extended/simulink/Simulink.htm
. Шашин
В.М. Гидромеханика: Учеб. Для техн. Вузов.- М.: Высш. Шк.,1990.-384с.:ил.