Проектирование самолета административного класса
АННОТАЦИЯ
Выпускная работа бакалавра содержит:
страниц - 96
рисунков - 32
таблиц - 16
приложений - 9.
Цель работы - спроектировать общий вид административного самолёта, его
конструктивно-силовую схему, силовую установку, кинематическую схему выпуска и
уборки шасси, лонжерон и монолитную панель минимальной массы, рассчитать
технико-экономические показатели проектируемого самолёта и провести анализ его
безопасности, спроектировать техпроцесс холодной штамповки детали.
Методы исследования:
статистический анализ, расчёт.
В выпускной работе разработан общий вид самолёта, конструктивно-силовая
схема, показана увязка основных агрегатов, спроектирована топливная система,
проведены основные расчёты её систем, выбрана кинематическая схема выпуска и
уборки шасси и рассчитаны параметры ее тяги, подобраны монолитная панель и
лонжерон минимальной массы, рассчитаны технико-экономические показатели и
проведен анализ безопасности проектируемого самолёта, спроектирован техпроцесс
холодной штамповки детали.
АНОТАЦІЯ
Випускна робота бакалавра містить:
сторінок - 96
малюнків - 32
таблиць - 16
додатків - 9.
Мета роботи - спроектувати загальний вид адміністративного літака, його
конструктивно-силову схему, силову установку, кінематичну схему випуску та
ховання шасі, лонжерон і монолітну панель мінімальної маси, розрахувати
техніко-економічні показники проектованого літака і провести аналіз його
безпеки, спроектувати техпроцес холодного штампування деталі.
Методи дослідження :
статистичний аналіз, розрахунок.
У випускній роботі розроблений загальний вид літака, конструктивно-силова
схема, показана ув'язка основних агрегатів, спроектована силова установка,
проведені основні розрахунки її систем, обрана кінематична схема випуску та
ховання шасі і проведений розрахунок тяги, підібрані монолітна панель і
лонжерон мінімальної маси, розраховані техніко-економічні показники і
проведений аналіз безпеки проектованого літака, спроектований техпроцес
холодного штампування деталі.
THE ANNOTATION
activity of the bachelor contains:- 96- 32- 16- 9.purpose of
work - to create a general view of the administration plane and its constructive-power layout, to
design power plant, control system, spar and monolithic panel of minimal
weight, to calculate technical and economic parameters of the projected plane
and to carry out the analysis of its safety, to design cold punching
technological process of a detail.of research are statistical analysis and
calculation.graduate work the general view of the plane and its
constructive-power layout is developed, co-ordination of the basic plane units
is shown, the power plant is designed and its systems basic calculation are
carried out, the control system scheme is chosen and the calculation of its
control rod carried out, the monolithic panel and spar of minimal weight are
selected, the technical and economic parameters are calculated and the analysis
of the projected plane safety is carried out, cold punching technological
process of a detail is created.
Содержание
Раздел 1 Общий
вид самолета
Введение
1.1. Сбор и
обработка статистических данных. Разработка тактико-технических требований
1.2
Тактико-технические требования (ТТТ)
1.2.1 Выбор и
обоснование схемы самолета и его основных параметров
1.2.2
Определение взлетной массы самолета
1.3 Определение
геометрических характеристик самолета
1.3.1
Определение геометрических параметров крыла
1.3.2
Определение геометрических параметров фюзеляжа
1.3.3
Определение геометрических параметров ГО и ВО
1.3.4
Определение параметров шасси
Раздел 2
Конструктивно-силовая схема
Введение
2.1 Выбор
конструктивно-силовой схемы крыла
2.1.1
Расстояние и расположение нервюр в крыле
2.1.2 Выбор
расстояния между стрингерами и нервюрами
2.2 Выбор
конструктивно-силовой схемы фюзеляжа
2.3 Выбор
конструктивно - силовой схемы оперения
2.4 Выбор
конструктивно-силовой схемы шасси
Раздел 3
Силовая установка
Введение
3.1
Проектирование силовой установки
3.1.1 Краткое
описание самолета
3.1.2 Общее
описание и расчет топливной системы
3.1.3 Сливная
магистраль и система аварийного слива
3.1.4 Система дренажа
3.1.5 Масляная
система
3.1.6 Расчет
воздухозаборника
Раздел 4
Проектирование шасси
Введение
4.1
Проектирование элементов конструкции основной стойки шасси
4.1.1 Описание
схемы шасси
4.2 Описание
агрегатов главной стойки шасси
4.2.1
Амортизационная стойка
4.2.2
Шлиц-шарнир
4.2.3 Подкос-
цилиндр уборки и выпуска
4.2.4 Тележка
главной ноги
4.2.5 Механизм
запрокидывания тележки
4.3 Расчет
элементов основной стойки шасси
4.3.1 Исходные
данные
4.3.2 Подбор
колес
4.3.3
Определение параметров амортизатора
4.3.4
Определение нагрузок на стойку
4.3.5.
Построение эпюр изгибающего и крутящего моментов
4.3.6
Определение толщин штока и цилиндра
4.3.7
Заключение о прочности штока и цилиндра
Раздел 5
Проектирование лонжерона минимальной массы
5.1 Выбор и
обоснование КСС лонжерона. Исходные данные для расчета
5.2
Проектирование поясов лонжерона
5.3
Проектирование стенки лонжерона
Раздел 6 Расчет
монолитной панели
6.1
Конструктивно-технологические особенности монолитных панелей
6.2 Расчетная
схема. Постановка задачи
Раздел 7
Технологическая часть
Введение
7.1 Разработка
техпроцесса листовой штамповки и проектирование штампа
7.1.1
Конструктивно-технологический анализ детали, выбор заготовки и схемы штампа
7.1.2
Проектирование штампа, выбор оборудования
Раздел 8
Экономическая часть
8.1 Расчет
самолетостроительного ОКБ
8.1.1 Затраты
на проектирование
8.1.2 Затраты
на изготовление опытных образцов
8.1.3 Затраты
на испытания и доводку опытных образцов
8.2 Расчет
себестоимости самолета и цены самолета без двигателей и с двигателями
Раздел 9
Безопасность жизнедеятельности
9.1 Система
аварийной эвакуации пассажиров
9.2 Требования к
системе аварийного покидания самолета
Заключение
Перечень ссылок
Раздел 1
Общий вид
самолета
Введение
Целью данного задания является рассмотрение возможного варианта
проектирования самолета административного класса со следующими
летно-техническими данными:
дальность полета L=3000км,
количество пассажиров Nпас=15
чел.
Для сбора статистических данных о самолетах такого класса мной были
выбраны следующие самолеты:
1. Mustere-Falkon - 900 французской фирмы Dassault - Breguet.
2. Golfstream - III, США, фирма "Golfstream
Aerospace".
. Golfstream - IV, США, фирма "Golfstream Aerospace".
4. Ил - 108 - конструкторское бюро им. Илюшина.
. Як - 48 - КБ им. Яковлева.
Разрабатываемый самолет относится к классу легких пассажирских самолетов
класса А.
Задача проектирования состоит в разработке конструкции нового самолета и
его составляющих элементов. На начальной стадии проектирования была произведена
разработка общего вида самолета. Для этого проведено ознакомление с основными
тактико-техническими требованиями (ТТТ), предъявленными к самолету,
летно-техническими характеристиками (ЛТХ), схемами, основными параметрами,
общим устройством самолетов и агрегатов, силовой установкой (СУ), увязкой
основных элементов агрегатов самолета, правилами выполнения чертежей общего
вида самолета и общего устройства его агрегатов.
В современном инженерном проектировании для принятия оптимальных решений
широко используются физические и математические модели, учитывающие различные
расчетные условия и ограничения, реализуемые с применением различных видов
программирования на ЭВМ. В данной работе применяется метод проектирования на
базе статистических данных существующих самолетов, а также расчет.
1.1 Сбор и
обработка статистических данных. Разработка тактико-технических требований
Сбор и обработка статистических данных в ходе проектирования самолета
позволяет:
.Получить наглядное представление о современном уровне развития
самолетостроения с учетом:
а) типов самолетов, необходимых народному хозяйству;
б) задач, которые они выполняют;
в) летно-технических качеств;
г) средств достижения этих качеств: применяемых схем самолетов,
геометрических и массовых параметров, силовой установки, конструкционных
материалов, способов производства и др.
.Определить тенденции и перспективы развития разрабатываемого типа
самолета, количественные и качественные изменения ТТТ к самолету, эволюцию его
назначения, условия производства и эксплуатации.
.Определить ряд параметров самолета.
Анализ статистического материала дает возможность разработать ТТТ к
проектируемому самолету, выбрать его схему.
Для сбора статистических денных необходимо использовать данные самолетов,
аналогичных проектируемому и имеющих близкие летно-технические характеристики и
условия эксплуатации. Эти данные вносятся в статистическую таблицу 1.
Таблица 1. Статистические данные
|
Наименование самолета
|
Mustere-Falkon
-900
|
Golfstream- IV
|
Golfstream- III
|
Ил-108
|
ЯК - 48
|
|
Летные данные
|
Vmax,км/ч
|
1000
|
908
|
874
|
800
|
830
|
|
Hmax,км
|
15.55
|
|
|
|
|
|
Vкрейс, км/ч
|
918
|
729
|
818
|
680
|
700
|
|
Hкрейс,км
|
12
|
10.67
|
11
|
12
|
11
|
|
Vвзл, км/ч
|
190
|
210
|
195
|
200
|
190
|
|
L(mт max), км
|
7035
|
|
7598
|
|
|
|
L(mгр max),км
|
6000
|
|
|
4850
|
4500
|
|
Lразб, км
|
|
|
0.97
|
1.8
|
|
|
Lпроб, км
|
0.7
|
0.975
|
1.55
|
|
|
|
Массовые данные
|
m0(mвзл), кг
|
13000
|
16525
|
19072
|
8800
|
6582
|
|
m0 max, кг
|
20640
|
26535
|
31615
|
14300
|
10700
|
|
mпос, кг
|
18525
|
23350
|
26535
|
12830
|
9600
|
|
mпуст, кг
|
10240
|
|
|
|
|
|
mоб, кг
|
|
|
|
|
|
|
mгр, кг
|
|
2160
|
|
1500
|
|
|
Nпас, чел
|
15
|
18
|
18
|
15
|
12
|
|
mт, кг
|
8625
|
|
|
3800
|
3500
|
|
mк, кг
|
|
|
|
|
|
|
Данные силовой уст.
|
Число и тип двигателя
|
3 ТРДД
|
2 ТРДД
|
2ТРДД
|
2ТРДД
|
2ТРДД
|
|
Р0, даН
|
2000
|
3524
|
2535
|
2200
|
|
|
mдв, кг
|
|
|
|
|
|
|
Ср, кг/даНч
|
|
|
|
|
|
|
Y(степень двухконтурности)
|
|
|
|
|
|
|
Геометрические данные
|
S, м2
|
49.03
|
88.29
|
86.83
|
33.01
|
25.38
|
|
l, м
|
20
|
22.75
|
20
|
15
|
16.25
|
|
X
|
28
|
31
|
30
|
28
|
31
|
|
λ
|
8.2
|
5.9
|
4.6
|
6.8
|
10.4
|
|
С0/Сконц
|
|
|
|
|
|
|
η
|
3
|
3.3
|
3.3
|
2.6
|
2.6
|
|
Lф, м
|
19.5
|
24.3
|
22.7
|
14
|
16.2
|
|
Dф, м
|
2.5
|
2.4
|
2.4
|
2.4
|
2.4
|
|
λф, м
|
7.8
|
10.1
|
9.4
|
6
|
6.7
|
|
Sф, м
|
12.3
|
7.58
|
10.53
|
6.65
|
4.38
|
|
ΣSМИД, м2
|
72
|
62
|
141
|
145
|
107
|
|
Sэл
|
|
|
|
|
|
|
Sго
|
14.7
|
15.3
|
12.3
|
7
|
7.7
|
|
Sво
|
9.6
|
12.1
|
10.2
|
6.5
|
5.9
|
|
Производные величины
|
P0=m0g/10S,
даН/м2
|
380
|
183
|
215
|
261
|
254
|
|
t0=10P0/m0g
|
0.47
|
0.43
|
0.54
|
0.51
|
0.57
|
|
γдв=m0/P0
|
34
|
90
|
88
|
33.7
|
26
|
|
Kгр.полезн=mгр/m0
|
0.13
|
0.13
|
0.12
|
0.17
|
0.2
|
|
Kм=m0g/10Sм, даН/м2
|
12750
|
16200
|
18700
|
8633
|
6550
|
|
Sср=Sp/S
|
|
|
|
|
|
Рис.1. Самолет “Mustere-Falkon -900”
Самолет был разработан в 1983г. фирмой “Dassault-Breguet” (рис.1), предназначен
для перевозки 15 пассажиров. Выполнен по нормальной аэродинамической схеме и
представляет собой моноплан с низкорасположенным крылом.
На самолете установлены три двигателя фирмы “Garret” TFE
731-5A (TRD), мощностью по 2000 даН каждый, расположенные в
хвостовой части фюзеляжа. Оперение нормальной схемы. Шасси трехопорное с
носовой стойкой, основные стойки убираются в крыло по хорде.
Крейсерская скорость - 918 км/ч, дальность полета - 6000км.
Рис.2. Самолет “Golfstream - IV”
Данный самолет (рис.2) является самолетом представительского класса
местных авиалиний, производитель - фирма “Golfstream Aerospace”, США.
На самолете установлены два турбореактивных двигателя фирмы “ Rolls - Royce”, мощностью по 3524 даН каждый, что обеспечивает
безопасный взлет и продолжение полета в случае отказа одного из двигателей.
Двигатели расположены в хвостовой части фюзеляжа, это способствует снижению
шума в пассажирском салоне.
Самолет имеет нормальную аэродинамическую схему с низкорасположенным
крылом трапециевидной формы следующие характеристики:
масса коммерческого груза - 2160кг,
максимальная скорость полета - 908 км/ч,
количество пассажиров - 18 человек.
Рис.3. Самолет “Golfstream - III”
“Golfstream - III” (рис.3) является одним из лучших самолетов А-класса
70-х годов производства США. В классическом варианте он рассчитан на 18
человек.
Самолет оборудован двумя двигателями фирмы “ Rolls - Royce”,
которые размещены на фюзеляже в хвостовой части. Мощность силовой установки -
5070 даН.
Крыло и оперение выполнены по нормальной аэродинамической схеме, оперение
имеет Т - образную форму.
Шасси трехопорное с носовой стойкой. Основные стойки убираются в крыло по
оси самолета.
Фюзеляж цельнометаллический типа полумонокок с круглым поперечным
сечением.
Рис.4. Самолет “Ил - 108”
Самолет “Ил - 108” (рис.4) является не просто лучшим самолетом класса А в
странах бывшего Советского Союза, но и в мире. Он может быть реальным
конкурентом таким конструкторским бюро как “Cessna” и “Golfstream Aerospace”.
Обеспечивает безопасные взлет и посадку, а также продолжительность полета
в случае отказа одного из двигателей. Суммарная мощность силовой установки,
состоящей из двух двигателей ТРД, составляет 4400 даН.
Самолет рассчитан на 15 человек. Выполнен он по нормальной
аэродинамической схеме и представляет собой моноплан с низкорасположенным
крылом. Имеет трехопорную стойку шасси и Т - образное оперение.
Масса коммерческого груза - 1500 кг, продолжительность полета - 4850 км.
Рис.5. Самолет “Як - 48”
“Як - 48” (рис.5) является одним из лучших отечественных проектов
административных самолетов. Данный самолет мог бы стать одним из главных
конкурентов западным фирмам, которые занимаются разработкой проектов самолетов
бизнес - класса.
Самолет предназначен для перевозки 12 пассажиров. Для обеспечения
безопасности полета в хвостовой части фюзеляжа установлены два двигателя ТРД.
Их расположение выгодно тем, что снижается шум в пассажирском салоне.
Самолет имеет следующие характеристики:
дальность полета - 4500 км;
высота крейсерского полета - 11 км.
1.2
Тактико-технические требования (ТТТ)
После сбора статистических данных переходим к разработке ТТТ. Этот этап
будет проводиться на основе анализа статистических материалов, дополнив
заданные ТТТ проектируемого самолета.
Так как задан пассажирский самолет с 15-ю пассажирами на борту и
дальностью полета L=3000 км, длиной разбега Lразб=1200 м, то назначаем высоту
крейсерского полета Нкрейс=11 км, крейсерскую скорость Vкрейс=870 км/ч,
Мн=11км=870/1074=0,81.
Подберем количество членов экипажа: на отделение I класса с числом пассажиров до 30 необходимо 2
бортпроводника, т.е. всего нужно 4 члена экипажа.
Полученные ТТТ заносим в таблицу 2.
Таблица 2. Тактико-технические требования
|
Мн=11км
|
Мmax
|
Lн=11км, м
|
nпас, чел
|
Lр, м
|
Нпот, м
|
Vкрейс, км/ч
|
Нкрейс, м
|
Vу н=0, км/ч
|
nэк, чел
|
|
0,81
|
0,915
|
3000
|
15
|
1200
|
12000
|
870
|
11000
|
180
|
4
|
1.2.1 Выбор и
обоснование схемы самолета и его основных параметров
После внимательного изучения всех самолетов, выбранных для сбора
статистических данных, я выбрала для проектируемого самолета нормальную
аэродинамическую схему, т.к. она дает следующие преимущества:
плавное обтекание крыла;
ГО не затеняет крыло;
носовая часть короткая, что приводит к лучшей путевой устойчивости.
В настоящее время все межконтинентальные и магистральные самолеты имеют
нормальную аэродинамическую схему.
По расположению крыла была выбрана схема низкоплан, при этом достигается
ряд преимуществ:
1) короткое и легкое шасси, которое убирается в гондолы под крылом;
2) механизация может быть расположена по всей длине крыла;
) использование эффекта экрана на взлете и посадке (повышается
Су);
) хорошая плавучесть;
) относительная безопасность пассажиров при вынужденной посадке.
Двигатели размещены в хвостовой части фюзеляжа.
По
статистическим данным были определены основные параметры крыла λ, χ,
η,
, относительная хорда закрылка
, углы отклонения закрылков
, относительная площадь элерона
, параметры фюзеляжа, ГО, ВО, и занесены в таблицу 3.
Таблица
3. Основные параметры самолета
|
λ°
|
χ°
|
η
|
   λ°фDфLф
|
|
|
|
|
|
|
|
7
|
25
|
2,6
|
12
|
0,6
|
30
|
0,04
|
8
|
2,4
|
19,2
|
|
 λ°гоλ°воχ°гоχ°во го воηгоηво
|
|
|
|
|
|
|
|
|
|
|
0,235
|
0,24
|
3
|
1
|
37
|
35
|
11
|
16
|
1,4
|
1,4
|
1.2.2 Определение взлетной массы
самолета
Используя статистические данные, вычисляем:
масса экипажа mэк=80· nэк=80·4=320 [кг];
масса коммерческой нагрузки mгр=120· nпас=120·15=1800 [кг];
относительная
масса топлива
, где L-дальность полета, L=3000[м],
V-скорость
полета, V=870[км/ч],
a=0.05, b=0.06,
тогда
;
относительная
масса конструкции
;
относительная
масса силовой установки
;
относительная
масса оборудования
.
Взлетная
масса самолета в нулевом приближении определяется по формуле:
[кг].
Определяем
массу конструкции самолета:
[кг].
Масса
крыла
[кг].
Масса
фюзеляжа
[кг].
Масса
оперения
[кг].
Масса
шасси
[кг].
Масса
топлива
[кг].
Все
значения масс заносим в таблицу 4.
Таблица 4. Значение масс агрегатов самолета
|
m0, кг
|
mгр, кг
|
mэк, кг
|
mк, кг
|
mкр, кг
|
mф, кг
|
mоп, кг
|
mш, кг
|
mт, кг
|
mсу, кг
|
mдв, кг
|
|
11459
|
1800
|
320
|
3437
|
1351
|
1227
|
227
|
632
|
3151
|
1375
|
768
|
Из статистических данных определяем тяговооруженность самолета данного
класса: t0 =0.3[даН/даН].
Тогда потребная тяга будет равняться Р0=t0m0g=0.3 ·11459·9.81=3368.9[даН].
Так как данный самолет является самолетом I-го класса и он должен обеспечивать безопасный взлет и
продолжение полета в случае отказа одного из двигателей, было решено установить
два двигателя с потребной стартовой тягой Р0=1633[даН]. Для проектируемого
самолета я выбрала двигатель ТРДД CFJ 801-116 (рис.6).
Рис.6. Двигатель ТРДД CFJ
801-116
Этот двигатель имеет следующие параметры:
потребная стартовая тяга Р0=1633[даН];
удельный расход топлива на взлете Ср взл=0,633[кг/даН·ч];
удельный вес gдв=0,2[кг/даН];
степень повышения давления p=11.7;
диаметр двигателя Dдв=533[мм];
масса двигателя mдв=325[кг];
степень двухконтурности m=0.9.
1.3
Определение геометрических характеристик самолета
1.3.1 Определение
геометрических параметров крыла
Удельная нагрузка на крыло при взлете Р0=337[даН/м2].
Определяем площадь крыла из соотношения
[м2].
Размах
крыла
[м], где λ=7 - удлинение крыла.
Корневая
b0 и
концевая bк хорды
крыла определяются из условий значений S, l, η:
η=2.6 - сужение крыла,
[м];
[м].
Средняя
аэродинамическая хорда вычисляется:
[м].
Определяем
координату САХ по размаху крыла:
[м].
Координата
носка САХ по оси ОХ определяется:
, где cпк=30° - угол по передней кромке крыла,
[м].
1.3.2
Определение геометрических параметров фюзеляжа
Длина
фюзеляжа
[м].
Длина
носовой части фюзеляжа
[м].
Длина
хвостовой части фюзеляжа
[м].
1.3.3 Определение геометрических параметров
ГО и ВО
Площадь
ГО
[м2].
Также, как и для крыла, определяются
,
,
,
,
,
:
размах ГО
[м];
корневая хорда ГО
[м];
концевая хорда ГО
[м];
средняя аэродинамическая хорда ГО
[м];
координата САХ по размаху ГО
[м];
координата
носка САХ по оси ОХ
[м].
Определим геометрические характеристики ВО:
площадь
ВО
[м2];
размах ВО
[м];
корневая хорда ВО
[м];
концевая хорда ВО
[м];
средняя аэродинамическая хорда ВО
[м];
координата САХ по размаху ВО
[м];
координата
носка САХ по оси ОХ
[м].
.3.4 Определение параметров
шасси
Вынос главных колес е=0,2ba=0.2·2.36=0.472[м].
Угол касания хвостовой пяткой :
j=aпос.max-aз-y, где aпос.max -
максимальный посадочный угол атаки, aпос.max
=17°,
aз =0¸4° - угол
заклинения крыла, aз
=3°,
y=(-2°)¸(2°) -
стояночный угол, y=2°,
j=17°-3°-2°=12°.
База
шасси
[м].
Вынос
передней опоры
[м].
Колея
шасси 2Н£В<15[м], если Н=2.25[м], тогда
В=4.50[м].
Раздел 2
Конструктивно-силовая
схема
Введение
Данная расчетно-графическая работа предусматривает:
1) выбор и обоснование конструктивно-силовых схем крыла, фюзеляжа,
горизонтального оперения, вертикального оперения и шасси;
2) выполнение чертежей (формат А4) крыла, фюзеляжа, горизонтального
оперения, вертикального оперения, закрылков, элеронов и шасси самолета;
3) выполнение схемы силовой увязки агрегатов самолета;
4) краткое механическое описание конструктивно-силовых схем агрегатов
самолета и схемы силовой увязки агрегатов самолета.
Расчетные данные берутся из расчетно-графической работы №1.
При выборе конструктивно-силовых схем агрегатов самолета необходимо
учитывать следующие условия:
1) масса конструкции планера самолета для заданных условий должна быть
наименьшей, что достигается рациональной передачей сил по элементам конструкции
при требуемой жесткости;
2) конструкция должна быть технологичной, т.е. такой, чтобы для ее
изготовления могла быть применена наиболее простая и рациональная технология;
3) конструкция должна обеспечивать наибольшие удобства в
эксплуатации самолета благодаря рациональному размещению люков и
эксплуатационных разъемов агрегатах, для подхода к силовой установке,
оборудованию и т.д.
2.1 Выбор
конструктивно-силовой схемы крыла
Выбор конструктивно-силовой схемы крыла определяется:
1) компоновкой крыла - наличием в обшивке люков для обслуживания
расположенных в крыле агрегатов оборудования, наличием в крыле бака для
топлива;
2) компоновкой фюзеляжа - наличием достаточных объемов для
центральной части крыла в фюзеляже (при однолонжеронном крыле объемы в фюзеляже
требуются минимальные);
) требованием жесткости.
Для приближенного выбора конструктивно-силовой схемы крыла воспользуемся
понятием условного лонжерона, ширина пояса которого составляет 60% хорды крыла
в расчетном сечении. В задании берется корневая хорда b0. Толщина пояса условного лонжерона определяется по формуле:
, где
Р0 - удельная нагрузка на крыло при взлете;
S -
площадь крыла;
Za -
координата средней аэродинамической хорды от продольной оси самолета по размаху
крыла;
mi -
масса груза, расположенного на крыле;
zi -
координата центра масс груза, расположенного на крыле, от продольной оси
самолета по размаху крыла;
np=3 -
коэффициент расчетной перегрузки;
mкр -
масса крыла;
- относительная толщина профиля крыла;
b0 -
корневая хорда крыла.
Для изготовления пояса лонжерона выбираем материал из алюминиевого сплава
Д16Т, для которого
sр =330[МПа]=330×106[Па];
Запишем исходные данные для определения dу:
Р0=3370 [Н/м2];
=0,12;zi=1.5[м];
mi=210.7
[кг];b0=3,2[м];za=3.2[м];
mкр=1351 [кг];S=33,317[м2];
[м].
Т.к. толщина пояса условного лонжерона меньше, чем 3 мм, то, как
показывает опыт проектирования самолета, обшивка крыла будет тонкой и ее
критическое напряжение низким. Материала недостаточно, чтобы сформировать
обшивку со стрингерами, подкрепляющими обшивку и тем самым повышающими ее
критические напряжения. В таком случае рационально использовать лонжеронное
крыло, в котором изгибающий момент в основном, т.е. 50%, воспринимается
лонжероном.
Определим величину интенсивности моментной нагрузки и перерезывающей
силы:
В этом случае, действительно, выгодно использовать лонжеронное крыло.
Для данной схемы крыла целесообразно применить двухлонжеронную схему.
2.1.1
Расстояние и расположение нервюр в крыле
В стреловидных крыльях нервюры могут быть расположены:
) параллельно оси симметрии самолета или по потоку;
) перпендикулярно к передней кромке или к оси лонжерона.
Часто нервюры располагают перпендикулярно к прямой, соединяющей 0,25
хорд.
Расположение нервюр в первом случае имеет некоторые недостатки, например,
нервюры в стреловидных крыльях имеют большую длину, чем во втором случае, их
трудно изготовить.
2.1.2 Выбор
расстояния между стрингерами и нервюрами
Расстояние
между нервюрами выбирают в зависимости от толщины обшивки и размеров сечения стрингера. Очень малое расстояние невыгодно из-за
большого числа заклепок, что приводит к ухудшению поверхности крыла и к
усложнению производства крыльев.
В крыльях со стрингерным набором расстояние между нервюрами
выбирают в зависимости от мощности
стрингерного набора и обшивки:
=200¸300 мм.
Расстояние между стрингерами в лонжеронных крыльях bстр=200¸300 мм.
2.2 Выбор
конструктивно-силовой схемы фюзеляжа
Современные самолеты в подавляющем большинстве имеют балочный стрингерный
фюзеляж, состоящий из обшивки, стрингеров и шпангоутов. Могут применяться также
фюзеляжи лонжеронной и бесстрингерной схем.
Расстояние между шпангоутами зависит от толщины обшивки фюзеляжа,
компоновки и массы. Для данного самолета расстояние между шпангоутами
целесообразно взять из пределов 300¸400 мм.
Расстояние между стрингерами в фюзеляже выбирают из тех соображений, чтоб
как можно полнее использовать объект подкрепления обшивки, т.е. расстояние
принимают 100¸150 мм.
При проектировании фюзеляжа необходимо учитывать следующие требования и
рекомендации:
1) сосредоточенные силы, приложенные к элементам каркаса, необходимо
как можно более плавно распределять по обшивке фюзеляжа;
2) большие сосредоточенные силы (от двигателей, оперения, крыла, шасси)
необходимо передавать на обшивку элементам каркаса направленными параллельно
силе. Силы вдоль фюзеляжа должны передаваться на обшивку через стрингеры и
продольные балки, а силы, действующие поперек фюзеляжа, - через усиленные
шпангоуты;
3) сосредоточенные силы, направленные под острым углом к оси
фюзеляжа, следует передавать на обшивку через стрингеры и шпангоуты;
) при конструкции герметизированных отсеков фюзеляжа необходимо
правильно назначить границу зоны герметизации (с учетом вырезов под шасси,
крыло и т.п.); следует избегать применения плоских поверхностей для восприятия
избыточного внутреннего давления. Поперечные сечения герметизированных отсеков
должны, как правило, иметь форму круга.
2.3 Выбор
конструктивно - силовой схемы оперения
Силовые элементы горизонтального и вертикального оперений должны быть
увязаны друг с другом и силовыми элементами фюзеляжа.
Расположение турбо - реактивных двигателей в хвостовой части фюзеляжа
выдвигает требования по размещению основных силовых элементов фюзеляжа и
оперения, связанное с обеспечением безопасности полета в случае разрушения
турбин двигателей.
Рули, как правило, выполняются по однолонжеронной схеме с нервюрами,
расположенными перпендикулярно лонжерону.
При Т-образном оперении горизонтальное оперение рекомендуется
устанавливать таким образом, чтобы линия максимальных толщин его профилей была
сдвинута назад относительно этой линии вертикального оперения на величину L»(0.1¸0.5)bв в целях уменьшения аэродинамического сопротивления оперения.
При выборе положения лонжеронов киля с расположенным на нем
горизонтальным оперением приходится искать оптимальное расстояние между
лонжеронами киля, при котором масса конструкции получается наименьшей. Этого
можно достичь при расположении переднего лонжерона в пределах (0,15¸0,2)bво, а заднего - (0,6¸0,65) bво.
2.4 Выбор конструктивно-силовой схемы
шасси
Конструктивно-силовая схема шасси и схема его уборки должны обеспечивать:
наименьшую массу шасси (с учетом усиления вырезов под шасси в конструкции
планера);
наименьший объем шасси в убранном положении;
простоту кинематической схемы механизмов выпуска и уборки шасси.
На большинстве современных самолетов носовые стойки шасси убираются в
переднюю часть фюзеляжа движением вперед-вверх.
В нормальных эксплуатационных условиях выпуск шасси осуществляется
гидравлической системой. В аварийных случаях определенные преимущества имеет
схема убирания вперед-вверх, обеспечивающая выпуск носовой стойки под действием
силы тяжести и скоростного напора.
Схемы убирания главных стоек шасси можно разбить на три группы:
А) главные стойки, крепящиеся к крылу, а убирающиеся частично в крыло,
частично в фюзеляж.
Б) главные стойки, крепящиеся к крылу и убирающиеся в крыло (либо в
гондолы, расположенные на крыле).
В) главные стойки, крепящиеся к фюзеляжу и убирающиеся в фюзеляж.
Схема Б наиболее приемлема на легком самолете с низко расположенным
крылом.
Раздел
3
Силовая
установка
Введение
Авиационная силовая установка предназначена для создания силы тяги. Она
состоит из двигателя, а также систем и устройств, обеспечивающих его работу.
В силовую установку включаются следующие системы: топливная, масляная,
охлаждения, противопожарная, противообледенительная, запуска, всасывания и
выпуска. К устройствам относятся: крепление двигателя, гондола, управление
силовой установкой.
Перечисленные системы и устройства тесно связаны между собой.
3.1
Проектирование силовой установки
.1.1 Краткое
описание самолета
Так как данный самолет является самолетом I-го класса и должен обеспечивать безопасность полета и
комфорт пассажиров, то было решено установить два двигателя ТРДД с потребной
стартовой тягой Р0=16300[кН]. Двигатели находятся в хвостовой части фюзеляжа.
Это дает возможность заполнить крыло топливными баками и уменьшается шум в
пассажирском салоне.
Трубопроводы топливной системы проходят так, чтобы обеспечить
безопасность и непрерывную подачу топлива в двигатели.
3.1.2 Общее описание и расчет
топливной системы
Предъявляемые требования к топливной системе:
1 Надежное питание двигателей топливом
на всех режимах полета.
2 Пожарная безопасность.
3 Емкость баков должна обеспечить
размещение необходимого количества топлива.
4 Автоматическая и максимальная
выработка топлива из баков в заданной последовательности и сохранение при этом
центровки ЛА в допустимом диапазоне.
5 Слив топлива в полете.
6 Надежный и удобный контроль работы
топливной системы на земле и в полете.
Рассмотрим произвольную схему подачи топлива, которая представлена на
рис.7.
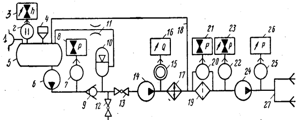
Рис.7. Магистраль подачи топлива к двигателям.
Выработка топлива из бака 5 при помощи насоса 6 позволяет создать
достаточно большое давление на входе в насос двигателя, обеспечивая необходимую
высотность. Надтопливное пространство бака сообщается с окружающим воздухом при
помощи заборника 1. Данная выработка топлива получила название открытая. Такая
выработка является основной на ЛА гражданской авиации. Бак заправляется
топливом через штуцер 4. Определение количества топлива в баке и сигнализация
об аварийном остатке производятся при помощи топливомера с датчиком 2 и
указателями 3.
Для обеспечения надежной подачи топлива к двигателям целесообразно
применить многоступенчатую подкачку. Для этого установлен на ЛА один подкачивающий
насос 6 и один подкачивающий насос двигателя (ПНД). При этом ПН ЛА создает
необходимое давление при входе в ПНД, а последний обеспечивает потребное
давление на входе в основной насос двигателя (ОНД) 24.
Преимущество выработки топлива из баков пи помощи ПН ЛА заключается в
том, что баки не нагружены и вес их невелик. Можно откачать топливо из бака,
расположенного ниже двигателя. Режим работы ПН ЛА можно регулировать,
поддерживая необходимое давление. Определенный порядок включения и выключения ПН
ЛА обеспечивает программную выработку топлива из баков.
Давление, создаваемое ПН ЛА, должно быть больше минимально допустимого,
на которое настроен датчик сигнализатора давления 7. При этом условии на
приборной доске летчиков гаснет красная лампа 8.
Обратный клапан 9 обеспечивает необходимое направление движения топлива.
Для аналогичной цели работают обратные клапаны при вступлении в действие
топливного аккумулятора 10, при открытии крана перекрестного питания 12. Воздух
из топливной камеры аккумулятора через дроссель 11 поступает в бак.
Пожарный кран 13 перекрывает подачу топлива. При помощи датчика
расходомера 15 определяют расход топлива по указателю 16. Для охлаждения масла
в магистраль включен топливно-маслянный радиатор 17, который также подогревает
топливо. При этом улучшается распыление топлива и предохраняется от обмерзания
фильтр 19. Датчик сигнализатора давления 20 с указателем 21 дает возможность
судить о засорении или обмерзании фильтра 19. Датчик манометра 22 подает сигнал
на прибор 23, который показывает значение давления перед ОНД. При помощи
датчика давления 25 за ОНД и манометра 26 определяют величину давления перед
коллектором форсунок 27.
Повышение надежности питания двигателей.
Перекрестное питание
Перекрестное питание двигателей топливом (кольцевание) целесообразно
применять на ЛА с несколькими баками и с двумя двигателями. Заборные магистрали
соединены после ПН ЛА магистралью перекрестного питания.
В случае выхода из строя одного из двигателей при открытом кране
перекрестного питания топливо будет подаваться к работающему двигателю не
только от своей заборной магистрали, но и заборной магистрали неработающего
двигателя.
Дублирование ПН ЛА
Выражается в установке двух параллельно работающих насосов, каждый из
которых обладает производительностью, достаточной для самостоятельного питания
двигателей топливом. При совместной работе каждый ПН ЛА обеспечивает примерно
половину расхода топлива двигателями.
Заправочная магистраль
Для самолетов гражданской авиации целесообразно применять закрытую заправку.
При закрытой заправке топливо от заправочного устройства подается к заправочным
штуцерам баков, расположенных на нижних поверхностях консолей крыла.
Заправка осуществляется по следующей схеме (рис.8):
Через заправочный штуцер 1 топливо поступает в заправочную магистраль.
При помощи выключателей достигается открытие кранов заправки 2. После
заполнения баков 3 индуктивные датчики уровня 5 выдают команды на
автоматическое закрытие кранов заправки. В случае отказа крана имеются
предохранительные поплавковые клапаны уровня 4. Для откачки топлива из шланга
предусмотрен дренажный клапан 6.
Рис.8. Магистраль закрытой заправки топливом.
На основе спроектированной топливной системы был произведен расчет
топливной системы на высотность. Полученные результаты представлены в
приложении.
3.1.3 Сливная магистраль и система
аварийного слива
Топливо на земле сливают для выполнения ремонтных работ через баковые и
магистральные краны. Слив топлива в полете предусмотрен на некоторых типах ЛА,
когда их посадочный вес больше допустимого. Он может быть использован в
аварийных случаях для изменения центровки.
Слив топлива может производиться самотеком, поддавливанием и при помощи
насосов. Применение того или иного способа зависит от компоновки ЛА, размещения
баков и двигателей. Топливо в баках, расположенных вдали от двигателей,
сливается самотеком или поддавливанием.
Сливная магистраль должна обеспечивать безопасный слив топлива как на
земле, так и в воздухе. Необходимо, чтобы слив топлива происходил с концов
консолей крыла. При этом топливо не будет попадать на двигатели. Целесообразно
проводить слив топлива с помощью насосов.
На рис.9 показана схема слива.
Рис.9. Магистраль слива топлива.
Из бака 1 топливо перекачивается в конец крыла с помощью насоса 2. При
сливе открывается кран 4 сливной магистрали и закрывается перекрывной кран 3
заборной магистрали.
Расчет случая аварийного слива представлен в приложении.
3.1.4 Система дренажа
При выработке топлива из бака необходимо, чтобы он заполнялся воздухом.
Для самолетов гражданской авиации с большими высотами полета необходимо
применять комбинированную систему дренажа. При этом баки сообщаются с
атмосферой через наружные патрубки дренажных трубопроводов, установленных
против потока. Кроме этого комбинированная система дренажа позволяет
производить забор воздуха от компрессора двигателя.
Т.к. на самолете установлено в каждой консоли по два топливных бака,
целесообразно применить коллекторный дренаж с последовательным соединением
(рис.10).
Рис.10. Дренаж топливных баков
Для обеспечения дренажа полностью заправленного топливного бака и
предотвращения выброса топлива дренажный трубопровод подключается к баку в
верхней точке.
Для предотвращения выброса топлива через дренажный трубопровод при
эволюциях ЛА применены петлеобразные участки трубопровода. Для ограничения
величины скоростного напора в системе дренажа установлены предохранительные
клапаны.
Расчет дренажа представлен в приложении.
3.1.5
Масляная система
На ЛА с ТРДД преимущественно применяется одноконтурная масляная система.
Одноконтурная масляная система выполняется по следующей схеме циркуляции масла:
бак - двигатель - радиатор - бак (рис.11).
Рис.11. Схема одноконтурной масляной системы
Центробежный воздухоотделитель установлен перед радиатором. Это вызвано
тем, что в горячем масле облегчается процесс воздухоотделения. Кроме того,
центрифуга создает напор, достаточный для преодоления гидравлических
сопротивлений радиатора и других агрегатов, установленных на откачивающей
магистрали.
3.1.6 Расчет воздухозаборника
Системы всасывания состоят из входных устройств (воздухозаборников,
диффузоров), механизмов регулирования расхода воздуха и приспособлений для
защиты двигателя от попадания в него посторонних предметов.
Входные устройства предназначены для подвода к двигателю потребного
количества воздуха. Они могут быть составной частью двигателя или частью
конструкции самолета. Эти устройства должны обеспечивать возможно большие
значения коэффициента сохранения полного давления, малое внешнее сопротивление,
достаточную равномерность потока на входе в компрессор, устойчивую и надежную
работу двигателя на всех режимах полета ЛА и работы двигателей. При этом они
должны обладать малым весом, технологичностью, необходимой прочностью,
жесткостью и герметичностью.
Подвод потребного количества воздуха обеспечивается правильным выбором
площади входа и изменением ее геометрии в зависимости от режимов работы
двигателя и режимов полета ЛА. На рис.12 показан контур воздухозаборника.
Рис.12. Схема дозвукового воздухозаборника
Входное устройство должно иметь малые гидравлические потери и лобовое
сопротивление. Профиль диффузора выбирают таким, чтобы он имел плавные обводы с
большим радиусом кривизны в миделевом сечении и плавное нарастание кривизны по
длине.
Полученные результаты расчета воздухозаборника представлены в приложении.
Раздел
4
Проектирование
шасси
Введение
Шасси является взлетно-посадочным устройством, которое обеспечивает
самолёту разбег, взлёт, посадку, послепосадочный пробег и маневрирование по
аэродрому. Оно воспринимает при этом действующие на самолёт нагрузки и
рассеивает после посадки на пробеге большую часть его кинетической энергии.
Шасси самолета выполнено по «трехопорной» схеме и убирается в полете. Оно
состоит из передней ноги, правой и левой ног и ряда гидравлических,
механических и электрических устройств.
Главные ноги размещены под крылом самолета справа и слева от фюзеляжа и
убираются в гондолы под крылом.
4.1 Проектирование элементов конструкции основной стойки шасси
4.1.1 Описание схемы шасси
Шасси самолета выполнено по «трехопорной» схеме и убирается в полете. Оно
состоит из передней ноги, правой и левой ног и ряда гидравлических,
механических и электрических устройств, которые убирают и выпускают ноги,
удерживают ноги в крайних положениях, открывают и закрывают створки люков ниш,
в которых размещаются ноги в убранном положении, приводят в действие
сигнализацию шасси об окончании уборки и выпуска ног, а также автоматически
регулируют силу торможения колес главных ног.
Передняя нога размещена под носовой частью фюзеляжа и установлена так,
что её амортизационная стойка находится в вертикальной плоскости симметрии
самолёта и в выпущенном положении становится перпендикулярно продольной оси
фюзеляжа, оставаясь в таком положении при любом обжатии амортизатора.
Главные ноги размещены под крылом самолета справа и слева от фюзеляжа
симметрично относительно его вертикальной плоскости симметрии и установлены
так, что их амортизационные стойки в выпущенном положении имеют наклон назад,
причем наклон увеличивается с увеличением обжатия амортизатора.
Амортизационные стойки с масляно-пневматическими амортизаторами,
снабженные колёсами с пневматическими шинами, подкос передней ноги и
подкосы-цилиндры уборки и выпуска главных ног являются основными силовыми
элементами шасси, посредством которых воспринимаются и передаются на каркас
самолета нагрузки, возникающие при стоянке и передвижении самолёта по земле, а
также при его взлёте и посадке.
Тормозная гидравлическая система самолёта, кроме своего прямого
назначения -приводить в действие тормоза колёс главных ног -является также и
запасной гидравлической системой, позволяющей в случае отказа основной системы
произвести выпуск ног шасси.
В убранном положении передняя нога размещается в нише носовой части
фюзеляжа, а главные ноги в нишах специальных гондол, установленных снизу на
крыле самолёта. Ниши после уборки ног закрываются створками.
4.2 Описание
агрегатов главной стойки шасси
Обе главные ноги по конструкции и количеству агрегатов одинаковы между
собой. Основными элементами каждой из них являются: амортизационная стойка, тележка с
двумя тормозными колёсами, подкос - цилиндр уборки и выпуска с цанговым замком,
механизмы управления боковыми створками люка, замок подвески, механизм
запрокидывания тележки со стабилизирующим амортизатором и другие детали.
Каждая главная нога посредством траверсы цилиндра амортизационной стойки
и подкоса - цилиндра уборки и выпуска шарнирно подвешивается под крылом
самолёта на кронштейнах, установленных на силовых элементах каркаса крыла.
При выпущенных главных ногах амортизационные стойки расположены с
наклоном назад. При этом благодаря тому, что нижние концы подкосов - цилиндров
уборки и выпуска шарнирно присоединены к средним узлам шлиц-шарниров, наклон
амортизационных стоек по мере увеличения нагрузки на самолёт, а следовательно,
и увеличения обжатия амортизаторов увеличивается, а при уменьшении нагрузки -
наклон уменьшается.
Главные ноги убираются назад и в убранном положении размещаются в нишах
гондол таким образом, что их тележки оказываются повернутыми вокруг своих осей
подвески и расположенными над амортизационными стойками с запрокинутыми вверх
колёсами.
При выпуске главных ног их тележки поворачиваются в обратном направлении
так, что по отношению к оси самолёта оказываются расположенными с наклоном
вперед.
В убранном положении главные ноги удерживаются замками подвески,
установленными на корпусах передних ведущих редукторов механизмов управления
задними створками.
После уборки главных ног люки их ниш закрываются щитками и боковыми
створками.
После выпуска главных ног щитки и боковые передние створки остаются
открытыми, а задние боковые створки - закрываются.
Механизмы задних створок приводятся в действие гидравлическими
цилиндрами.
Все подвижные соединения главных ног имеют маслёнки, через которые
производится смазка.
4.2.1 Амортизационная стойка
Амортизационная стойка состоит из штампованного цилиндра- траверсы,
гильзы, штока, звеньев шлиц-шарнира, диафрагмы с профилированной иглой трубы
плунжера, поршня, зарядного клапан, нижней буксы, обоймы с уплотнительными кольцами.
Штампованный цилиндр-траверса сделан из алюминиевого сплава В-9. На
цилиндре-траверсе имеются проушины, посредством которых амортизационная стойка
крепится к узлам крыла.
На нижней головке цилиндра-траверсы имеются проушины для крепления
верхнего звена шлиц-шарнира.
Шток сварной конструкции, изготовлен из высокопрочной стали ЭИ-643.
На головке штока имеются проушины для крепления нижнего звена
шлиц-шарнира.
На средней оси звеньев шлиц-шарнира имеется ухо для присоединения
подкоса-цилиндра уборки и выпуска главной ноги.
Диафрагма делит внутреннюю полость штока на верхнюю - рабочую, и нижнюю
часть, сообщающуюся с атмосферой.
4.2.2 Шлиц-шарнир
Шлиц-шарнир состоит из верхнего и нижнего звеньев. На оси шлиц-шарнира на
шаровой опоре устанавливается ухо, к которому присоединяются подкос-цилиндр
уборки и выпуска главной ноги. Шаровая опора удерживается от проворачивания
звена шпонкой.
На торцах уха привулканизирована резина, предохраняющая шаровую опору от
загрязнения.
4.2.3 Подкос- цилиндр уборки и выпуска
Подкос-цилиндр уборки и выпуска является одним силовым и кинематическим
элементом каждой главной ноги, посредством которого последняя убирается,
выпускается и удерживается в выпущенном положении на стоянке и при передвижении
самолёта по земле.
Кроме того, подкос-цилиндр воспринимает некоторую долю от усилий,
возникающих в амортизационной стойке, и передаёт их на каркас крыла.
4.2.4 Тележка главной ноги
Каждая тележка состоит из продольной балки, двух осей для колёс,
тормозных рычагов и тяг, оси для подвески тележки на головке штока
амортизационной стойки, двух тормозных колёс.
Продольная балка представляет собой изогнутый пустотелый брус круглого
сечения, сделанный из высокопрочной стали ЭИ-643, термически обработанной до sв=190±10 кг/мм2. По концам балки имеются головки с
отверстиями, в которых закрепляются оси колёс, а в середине балки имеется ухо с
отверстиям.
В отверстие вставляется ось, посредством которой тележка подвешивается к
головке штока амортизационной стойки.
4.2.5 Механизм запрокидывания тележки
Механизм запрокидывания тележки служит для установки тележки в
определённом положении относительно амортизационной стойки:
1
в убранном
положении - колёсами вверх;
2
в выпущенном
положении - с наклоном передних колёс вниз.
Механизм запрокидывания тележки состоит из стабилизирующего амортизатора,
качалки и упругой тяги. Своё движение при запрокидывании и возвращением в
исходное положение тележка получает от подкоса-цилиндра уборки и выпуска
главной ноги.
Подкос-цилиндр, перемещаясь во время уборки и выпуска, поворачивается
вокруг средней оси шлиц-шарнира. При этом посредством стабилизирующего
амортизатора, качалки и упругой тяги он заставляет тележку поворачиваться
вокруг её оси подвески.
Наличие в механизме запрокидывания упругих звеньев в виде стабилизирующего
амортизатора и упругой тяги, предохраняет механизм запрокидывания от разрушения
как при обжатии амортизационной стойки во время её работы при передвижении
самолёта по земле, так и при выдвижении штока амортизационной стойки после
отрыва самолёта от земли при взлёте.
В процессе уборки и выпуска стабилизирующий амортизатор и упругая тяга
работают как жёсткие тяги.
Звенья механизма соединены между собой шарнирно. Качалка сделана из стали
30ХГСА.
4.3 Расчет элементов основной стойки
шасси
4.3.1 Исходные данные
Взлетная масса самолета mвзл=11460
[кг].
Посадочная масса самолета mпос=9460
[кг].
Взлетная скорость Vвзл=220
[км/ч].
Посадочная скорость Vпос=200
[км/ч].
Количество основных стоек r=2.
Количество колес на основной стойке z0=2.
Количество амортизаторов на стойке к=1.
Геометрические параметры a/b=0.85.
4.3.2 Подбор колес
В соответствии с условиями эксплуатации на колесах следует устанавливать
пневматики высокого давления. Для стояночной нагрузки на колесо имеем:
;
По полученным данным из сортамента выбираем колеса КТ-28/2 со следующими
характеристиками:
V*взл
= 350 [км/ч]; V*пос=300 [км/ч]; Р*ст.взл = 31.4 [кН]; Р*ст.пос= 23 [кН]; Р*пред = 206
[кН]; Р*mg = 90.2 [кН]; d*mg = 90 [мм]; A*mg = 3330 [Дж]; P*0 = 1060 [кПа].
Для колес основных стоек должны удовлетворяться условия:
Ркст.взл £ 0.9Р*ст.взл; 25 £ 0.9×31.4; 25
< 28.3;
Ркст.пос £ 0.9 Р*ст.пос; 20.6 £ 0.9×23; 20.6 < 20.7;
Vвзл £ V*взл; 220£350;
Vпос £ 0.9V*пос; 220<0.9×300.
Так как Ркст.пос £ 0.9 Р*ст.пос , то пересчитываем колеса по формулам:
Р0 = Р*0×Ркст.пос/Р*ст.пос
= 1060×20.6/23 = 949 [кПа];
Рmg = P*mg×Pkст.пос/ Р*ст.пос = 90.2×20.6/23 = 80.8 [кПа];
dст = d*mg× P*ст.пос/ P*mg = 90×23/90.2 = 22,9 [мм] - стояночное
обжатие пневматика.
Определим коэффициент грузоподъемности колеса:
nгр = P*mg/ Р*ст.пос = 90.2/20.4 = 44.2
Для коэффициента перегрузки nэпос принимаем значение:
Требование
nэ£nгр удовлетворяется, тогда nэвзл=2. Тогда
получаем эксплуатационные нагрузки на колесо:
Рэ
к пос=nэпос×Ркст.пос=2.98∙20.6=61.4[кН];
Рэ
к взл=nэвзл×Ркст.взл=2∙25=20[кН].
Так
как стойка содержит спаренные колеса, то при посадке более нагруженное колесо
воспринимает усилие:
Рэ
пос=2×Рэк.пос∙0.6=2∙61.4∙0.6=73.7[кН].
4.3.3 Определение параметров амортизатора
Эксплуатационная работа, поглощаемая амортизационной системой при
посадке:
Аэ=mред(Vуэ)2/2;
где mред - редуцированная масса, кг;
Vуэ-приведенная
вертикальная составляющая скорости самолета во время удара, м/с
для основных стоек: mред=mпос=9.46∙103[кг];
запишем значение для скорости:
,
тогда Аэ=9.46∙103∙3.52/2=58[кДж]. Одна стойка воспримет
Аэ=Аэ/2=58/2=29[кДж].
Вычислим эксплуатационную работу, поглощаемую одним пневматиком при
обжатии его на величину δэ при посадке:
Аэпн=К∙Рэк пос∙δэпос=0.41∙61.4∙0.068242=1.72[кДж],
где δэпос= δст∙nэпос=0.0229∙2.98=0.068242,
К=А*mg/(δ*мg∙P*mg)=3330/(0.09∙90200)=0.41.
Для потребной энергоемкости одного амортизатора получим:
Аэам=(Аэст-z∙Аэпн)/к,
где z - количество пневматиков на стойке;
к - количество амортизаторов на стойке;
Аэпн - эксплуатационная работа, поглощаемая одним пневматиком;
Аэст - эксплуатационная работа, воспринимаемая одной стойкой шасси;
Аэам =(29-2∙1.72)/1=25.56[кДж].
Вычислим эксплуатационный ход штока амортизатора:
,
где ηэ - коэффициент полноты диаграммы обжатия амортизатора при
восприятии работы Аэам;
nэ пос
- коэффициент посадочной перегрузки;
Р кст.пос - стояночная нагрузка на колесо, Р кст.пос=20.6 [кПа];
Φэ - передаточное число при ходе
поршня Sэ.
Так как рассматривается телескопическая стойка и при этом предполагается,
что в момент касания колесами земли ось стойки перпендикулярна поверхности
земли, то ηэ=0.7и φэ=1.
Для определения поперечных размеров амортизатора находим Fг - площадь, по которой газ воздействует
на шток амортизатора. Зададимся значениями параметров:
,
где n0=0.8 - коэффициент предварительной
затяжки амортизатора;
φ0=1 - передаточное число в момент начала
обжатия амортизатора;
P0=2.6∙103[МПа]
- начальное давление газа в амортизаторе;
æ=0.1 - коэффициент трения;
.
Когда площадь Fг известна, можно
в зависимости от конструкции амортизатора найти внутренний диаметр цилиндра dц или внешний диаметр штока Dшт.
Для амортизатора с уплотнением, закрепленным на цилиндре, внешний диаметр
штока равен:
.
Толщину уплотнительных колец принимаем δу=10[мм], тогда внутренний диаметр
цилиндра равен:
dцил=Dшт+2 ∙δу=120+2∙10=0.14[м].
Начальный объем газовой камеры V0 находим по формуле (примем к=1.2):
.
Высота газовой камеры при необжатом амортизаторе:
hг.о.=4V0/πdц=4∙0.00468/3.14∙0.142=0.304[м].
Предельный ход амортизатора Smax и перегрузка nmax находятся по следующему алгоритму.
Параметры Smax и nmax соответствуют работе Аамmax, индексы “э” заменяем индексами “max”.
Вначале вычисляем вспомогательные величины:
Аmax=1.5∙Аэ=1.5∙58=87[кДж]
- максимальная работа;
Астmax= Аmax/2=87/2=43.5[кДж] -
максимальная работа, воспринимаемая одной стойкой;
ηmax=0.78 - коэффициент полноты диаграммы
обжатия амортизатора при поглощении работы Аамmax ;
φmax - передаточное число,
соответствующее ходу штока Smax;
;
где Р0 и Р0* - давление в пневматиках;
;
;
;
.
Полученные значения заносим в таблицу 5.
Таблица 5. Значения Smax и
f.
|
Smax, м
|
b
|
f1
|
f2
|
f
|
|
0.312
|
27
|
4.62
|
-3.83
|
0.79
|
|
0.327
|
28.3
|
5.69
|
-3.69
|
2
|
|
0.342
|
29.6
|
7.31
|
-3.56
|
3.75
|
Строим зависимость Smax=f(f), рис.13.
Рис. 13. График зависимости Smax=f(f).
Точка пересечения кривой с осью f=0 дает значение Smax=0.3[м].
Из зависимости (2.33) следует:
Давление газа в амортизаторе при его максимальном обжатии:
[МПа], n0=0.8.
Высоту уровня жидкости hжо
находим из условия равенства объемов жидкости над клапаном в необжатом
состоянии и объема жидкости, перетекающей в запоршневое пространство при
максимальном ходе:
[см]=0.79[м],
при этом hж0+hг0≥Smax, 7.9+30.4≥30.
Задаваясь значениями
Sк=Smax+(2÷3)
-конструктивний
ход амортизатора,
Sк=300+2=302[мм];
hδв+hδн=dц=140[мм];
0.5(hδв+hδн)=70[мм] - средняя высота букс;
b=1.7dц=1.7·140=238 [мм] - для телескопических стоек;
Σhузл=2Dшт=240 [мм],
получим
длину амортизатора.
Длина амортизатора в необжатом состоянии:
Lам=Sк+hж0+hг0+0.5(hδв+hδн)+b+ Σhузл=302+79+304+70+238+240=1233[мм].
Длина амортизатора при эксплуатационном обжатии:
Lэам=Lам-Sэ=1233-297=936[мм].
4.3.4
Определение нагрузок на стойку
Для коэффициента расчётной перегрузки запишем:
; где f -
коэффициент безопасности, f=1.5
.f=1.3.
Из этих двух значений выбираем максимальное, таким образом
, которое и будем использовать в
дальнейшем.
Расчётная вертикальная
и горизонтальная
нагрузки на стойку равны:
,
. (4.33)
Нагрузки между спареными колёсами принимаем 0.6:0.4. Между колесами
усилие
распределяется в соотношении
123.6:82.4, а усилие
- 30.9:20.6.
4.3.5 Построение
эпюр изгибающего и крутящего моментов
Стойка шасси является, как правило, комбинированной системой
и состоит из стержней, работающих на растяжение - сжатие, и из балок,
работающих на изгиб.
При расчете стойки на прочность вначале находят усилия в
стержнях, т.е. разрезаем мысленно подкос и в месте разреза вводим неизвестное
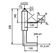
усилие S (см. рис.14).
Записывая для стойки уравнение равновесия (сумма моментов относительно
шарнира О1 равна нулю), получаем:
; S = 243[кН].
Силу S можно разложить на составляющие (см.
рис.14): Sx = Sz = S·sin45°=172 [кН].
Изгибающий момент Мх, действующий в плоскости ZOY, постоянен по длине стойки и равен величине
. Изгибающий момент Му действует в
плоскости ХОZ и в шарнире О1, его значение равно
нулю.
В точках G и A значение Му равно 
,
Рис.14.Схема нагружения при резанном подкосе
Эпюры изгибающих и крутящих моментов всегда строятся относительно оси
стержня. Но сила Sz приложена с
эксцентриситетом по отношению к оси стойки. Поэтому эпюра Му в сечении,
содержащем шарнир узла крепления подкоса, имеет скачок на величину: 172·0.123=21.2
[кНм], а момент Му в точке В: 62.2-21.2=41 [кНм].
Крутящий момент Мz
равен величине: Мz=30.9·0.18-20.6·0.18=1.85
[кНм].
Эпюры этих моментов представлены на рис.15 и рис.16.
Рис.15. Эпюра Му и Мz
Рис. 16. Эпюра Мх и Nц, Nш.
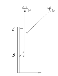
Соединяя точки G, A и B, O1 прямыми
линиями, строим эпюру изгибающих моментов Му для стойки в целом.
Рис.17.Расчетная схема стойки в плоскости XOZ
Стойка состоит из штока и цилиндра, связанных между собой буксами (в
смысле силовой схемы). В плоскости XOZ, например, для стойки можно принять расчётную схему, изображенную на
рис.17. Тогда момент Му для штока равен нулю в точке С, а момент Му для
цилиндра - нулю в точке D.
Следовательно, линии CD и EF на эпюрах изгибающих моментов для
стойки в целом (см. рис.15, 16) делят эти эпюры на две части. Так, на эпюре Му
область ABO1CD соответствует цилиндру, а область CDGO - штоку.
4.3.6 Определение толщин штока и цилиндра
Расчётным для штока выбираем сечение, проходящее через центр нижней
буксы, для цилиндра - сечение, содержащее шарнир узла крепления подкоса. В этих
сечениях действуют изгибающие моменты:
;
.
Материал для штока и цилиндра - сталь 35ХГСА, для которой
.
При подборе толщин стенок штока и цилиндра (проектировочный расчёт)
осевую силу и крутящий момент не учитываем, напряжение σr полагаем равным нулю, кпл=1.27,
таким образом, получим зависимости для определения толщины δ.
При вычислении величины δ
используем метод
последовательных вычислений.
;
;
;
;
,
где d - диаметр средней поверхности
элемента.
Рассмотрим два варианта этой формулы :
а) перед слагаемым стоит знак «-», что соответствует случаю растянутой
зоны от воздействия изгибающего момента;
б) перед слагаемым стоит знак «+» (сжатая зона).
Для цилиндра на первой итерации:
;
;
;
;
.
Из этих значений выбираем наибольшее и вводим запас на восприятие осевой
силы и крутящего момента, т. е. принимаем δц = 2.5мм.
Повторяя вычисления при d=142.5мм,
получаем:
d=142.5мм;
А=1176 [Н·мм]; В=2846 [Н·мм];
;
; следовательно, значение δц = 2.5мм принято обоснованно.
Для штока на первой итерации
;
;
;
;
.
Принимаем δшт = 3мм, повторяя при d=117 мм, получим:
А=965; В=4222; δ=2.373 [мм]; δ=2.95 [мм].
4.3.7 Заключение о прочности штока и цилиндра
Цилиндр и шток прочны в пределах точности принятой расчетной схемы, если
толщины их стенок имеют значения
δшт=3 [мм]; δц=3.5 [мм].
Может оказаться, что толщина стенки цилиндра зависит от локальной
прочности в месте приложения к цилиндру сосредоточенной силы от подкоса. Однако
для решения этой задачи следует ввести более точную расчетную схему, в
частности, использовать теорию оболочек.
Раздел
5
Проектирование
лонжерона минимальной массы
5.1 Выбор и
обоснование КСС лонжерона. Исходные данные для расчета
Лонжероны являются основными элементами силового набора крыла и оперения.
Они представляют собой продольные балки или фермы, воспринимающие полностью или
частично изгибающий момент и поперечную силу крыла.
Расчет будет проводиться для переднего лонжерона крыла,
конструктивно-силовая схема которого - балочная. Балочные лонжероны наиболее
выгодны в весовом отношении при больших интенсивностях нагрузок, при средних и
малых строительных высотах, чем ферменные. Они представляют собой двухпоясную
балку со стенкой, подкрепленной стойками, которые могут использоваться также
для присоединения нервюр к лонжерону.
Форма поперечного сечения - двутавр, так как двутавровое сечение имеет
преимущество в весовом отношении по сравнению со швеллерным при больших
интенсивностях нагрузки.
По технологическим признакам - лонжерон сборочный, клепаной конструкции,
с монолитными поясами.
В
качестве расчетного сечения выбираем сечение с координатой
,
,
.
-
изгибающий момент, воспринимаемый крылом в расчетном сечении;
-
поперечная сила, действующая на крыло.
Значения
МΣизг и
мы берем
из курсового проекта по прочности.
Расчетная
схема и нагрузки, действующие на крыло, представлены на рис. 18.
В расчетном сечении крыло имеет следующие размеры:
b=2.24
м -длина хорды в расчетном сечении;
H1л=0,256
м - высота переднего лонжерона;
H2л=0,144
м - высота заднего лонжерона;
X1л=0,2
b=0.448 м - расстояние от носка крыла
до переднего лонжерона;
X2л=0,75
b=1.68 м - расстояние от носка крыла
до заднего лонжерона.
Распределение изгибающего момента между лонжеронами пропорционально
квадратам их строительных высот, примем, что лонжероны воспринимают 70% всего
изгибающего момента, тогда:
;
;
;
где H1=0.256м - высота переднего
лонжерона,
H2=0.144м
- высота заднего лонжерона,
тогда соответственно:
;
.
Поперечная
сила Q распределяется пропорционально высотам лонжеронов,
т.е.:
,
отсюда имеем:
где
Q1 - поперечная сила, воспринимаемая передним
лонжероном;
Q2 - поперечная
сила, воспринимаемая задним лонжероном.
Запишем
данные, необходимые для расчета лонжерона:
;
Рассчитаем
пояса лонжерона.
5.2
Проектирование поясов лонжерона
Выбор материала поясов лонжерона определяется весовым анализом и конструктивно-технологическими
соображениями.
Применение поясов из одной марки материала имеет свои преимущества, т.к.
при этом соблюдается единый технологический процесс, отпадает необходимость в
технологических разъемах по длине поясов, более плавно происходит течение
усилий по поясам лонжерона. При высоких температурах должны применяться
нержавеющая сталь и титановые или теплостойкие дюралюминиевые сплавы. Поэтому в
качестве материалов поясов будут рассмотрены сплавы Д16Т и 30ХГСНА.
Характеристики этих материалов приведены в таблице 6.
Таблица 6. Механические свойства материалов
|
Материл
|
σв, МПа
|
Е, Мпа
|
ρ,
кг/м3
|
|
Д16Т
|
440
|
2800
|
|
|
30ХГСНА,σд=1,2σт
|
1600
|
7850
|
|
Для
таврового сечения параметр В определяет половину ширины пояса, поэтому при
расчете необходимо пользоваться значением
как исходным.
Последовательность проведения расчета
1. Задается ряд отношений В/δ - от 1 до 8 через 1, где В - половина
ширины пояса, δ - толщина пояса.
2. Определяются критические напряжения местной потери устойчивости
пояса ( по зависимости σр=ƒ(В/δ) ).
3. Определяется величина С:
(
из условия прочности
), где
М - изгибающий момент, воспринимаемый лонжероном;
Н - высота лонжерона;
σкр - критическое напряжение.
4. Находится
корень уравнения
, т.е. величина
.
. По
найденному значению
и известному
определяем
.
. По
заданному
и найденному
находим
ширину
.
.
Определяется погонная масса пояса из выражения
,
где
и
- геометрические параметры верхнего пояса лонжерона,
-
удельный вес материала,
G - погонная
масса пояса.
.
Строится зависимость
для двух
материалов и выбирается оптимальное значение
,
соответствующее
Gmin.
Зависимости
приведены на рис.3, а все полученные значения для
материала Д16Т занесены в табл.7, а для материала 30ХГСНА - в табл. 8.
Таблица
7. Погонная масса пояса для материала Д16Т
|
σр, МПаСδ/H
|
δ, мм
|
В, мм
|
G=B·δ·ρ,кг/м
|
|
|
|
|
1
|
450
|
0,011
|
0,11
|
29
|
29
|
2,35
|
|
2
|
430
|
0,006
|
0,082
|
21
|
42
|
2,47
|
|
3
|
425
|
0,004
|
0,066
|
17
|
51
|
2,43
|
|
4
|
410
|
0,003
|
0,056
|
14,3
|
57,2
|
2,29
|
|
5
|
400
|
0,0025
|
0,052
|
13,3
|
66,5
|
2,48
|
|
6
|
383
|
0,0022
|
0,048
|
12,3
|
73,8
|
2,54
|
|
7
|
357
|
0,002
|
0,046
|
12
|
84
|
2,82
|
Таблица 8. Погонная масса пояса для материала 30ХГСНА
|
В/δ
|
σр, МПа
|
С
|
δ/H
|
δ, мм
|
В, мм
|
G=B·δ·ρ, кг/м
|
|
1
|
1720
|
0,003
|
0,066
|
16,84
|
16,84
|
2,240
|
|
2
|
1680
|
0,0015
|
0,04
|
10,24
|
20,48
|
1,646
|
|
3
|
1605
|
0,00105
|
0,034
|
8,704
|
26,112
|
1,780
|
|
4
|
1510
|
0,0084
|
0,03
|
7,68
|
30,72
|
1,850
|
|
5
|
1420
|
0,0007
|
0,0265
|
6,784
|
33,92
|
1,806
|
|
6
|
1350
|
0,000625
|
0,0253
|
6,4768
|
38,86
|
1,980
|
|
7
|
1240
|
0,025
|
6,4
|
44,80
|
2,250
|
|
8
|
1145
|
0,00055
|
0,0245
|
6,272
|
50,176
|
2,470
|
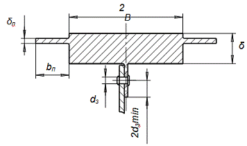
На рис. 19 представлен верхний пояс лонжерона и показаны его параметры.
Рис.19. Верхний пояс лонжерона
Анализируя рис. 3 и таблицы 2 и 3 видно, что самым выгодным с точки
зрения минимума массы является материал 30ХГСНА. Поэтому этот материал и
выбираем для верхнего и нижнего поясов лонжерона.
Учитывая, что Gmin=1.65 кг и В/δопт=2, определим параметры В и δ
исходя из величины С:
,
δ/Н=0,066; тогда
,
.
Рис.20. График зависимости G=f(B/δ) для материалов Д16Т и 30ХГСНА
При
проектировании “полочек “для крепления обшивки и стенки лонжерона необходимо
выполнить следующие условия:прочности -
(δобш =2 мм, материал обшивки - Д16Т, σобш=440 МПа ),
;
. жесткости
-
;
. неразрушения
при клепке - δп≥3 мм - алюминиевые сплавы;
δп≥2 мм - сталь;
3. ширина “полки” выбирается из условия долговечности и прочности
заклепочного шва:
bn≥4dз.
По условиям (1) и (3) выбирается максимальное значение δп, т.е. δп=2 мм.
Расчет нижнего пояса лонжерона
Нижний пояс в этом расчетном случае работает на растяжение. Величина его
площади определяется следующим образом:
,
σв=1600 МПа (30ХГСНА), σр=1680
МПа,
принимая
, имеем:
-
площадь нижнего пояса,

.
Руководствуясь
конструктивно - технологическими соображениями и принимая во внимание величины
и
,
принимаем:
;
.
В
расчетном случае Д этот же пояс должен воспринимать нагрузку
без потери устойчивости:
,
,
,
,
, данное
условие выполняется.
Поскольку форма сечения лонжерона - двутавр, то принимаем ширину верхнего
и нижнего пояса равными Вв= Вн=68 мм.
5.3 Проектирование стенки лонжерона
Предполагается, что конструкция будет наиболее выгодной, если масса
стенки и подкрепляющих ее стоек будет минимальной.
Масса
стенки лонжерона определяется в основном величиной расчетных или разрушающих
напряжений
. Поскольку в практике расчетов на прочность принято
считать, что стенка лонжерона работает от перерезывающей силы Q на
сдвиг, то и масса стенки будет определяться величиной критических напряжений
сдвига
.
Исходными
данными для расчета являются перерезывающая сила Q (была
определена ранее, Q=87.04 кН ) в расчетном сечении и габаритная высота
лонжерона Н=0,256 м.
Последовательность расчета
.Высота стенки определяется по выражению
,
где
и
- толщины
верхнего и нижнего поясов.
.Рассчитываем
интенсивность нагрузки
:
.
. Задается
три значения
. Определяются
разрушающие напряжения стенки
. Определяются
критические напряжения 
. Определяется
толщина стенки
и
,
полученное значение округляется до стандартной толщины листов.
. Потом
определяется потребная площадь подкрепляющих стоек 
из
сортамента выбираем профиль стойки, соответствующий данной площади.
Полученные результаты заносим в таблицу 9.
Таблица 9. Потребная площадь подкрепляющих стоек
|
τp, MПаτпр, MПаδст, мδпр, мl, мFстойки,
м2mстенки, кг
|
|
|
|
|
|
|
|
|
0.2
|
200
|
160
|
0.00198
|
0.00247
|
0.044
|
21.56·10-6
|
1.22
|
|
0.5
|
162
|
127
|
0.0011
|
0.003115
|
0.110
|
74.25·10-6
|
1.5
|
|
1
|
125
|
112
|
0.003165
|
0.00353
|
0.220
|
80.3·10-6
|
1.95
|
Для
более рационального выбора шага l определим массу стенки (без пояса) по формуле
, L=1.
Материал
стоек и стенки Д16Т. Из технологических соображений принимаем
δст принимаем из стандартного ряда: δст=3мм.
Из
сортамента выбираем профиль стойки.
Уголок
равнобокий ПР100 - 7.
Размеры
и характеристики сечения (рис.21):

Соединение
стенки лонжерона с поясами
В
сборных лонжеронах стенка крепится к поясам с помощью заклепок или болтов.
Чаще
всего применяют заклепки диаметром
из
алюминиевых сплавов или стали.
Определим
силу, действующую на одну заклепку (болт):
где
β
- коэффициент неравномерности
распределения касательных напряжений,
β=1,1;
t -
шаг заклепок, t=0.02;
m -
число рядов заклепочного шва, m=2,
.
Из стандартного ряда выбираем заклепки диаметром d=5мм, материал - Д1П. Заклепки из данного материала имеют
хорошие пластические свойства.
Чертеж лонжерона представлен на ватмане формата А4.
Раздел 6
Расчет
монолитной панели
6.1
Конструктивно-технологические особенности монолитных панелей
Под монолитной конструкцией панели подразумевают вариант конструкции,
когда обшивку и подкрепляющие элементы выполняют зацело из одной заготовки
материала.
Монолитные панели из алюминиевых сплавов могут быть изготовлены
различными методами: механическая обработка, химическое фрезерование,
штамповка, прессованием.
Рассчитываемая панель изготавливается прессованием. Масса монолитных
панелей меньше, чем сборных.
Основные преимущества монолитных панелей по сравнению со сборными
следующие:
1 обшивка сборных панелей соединяется с
подкрепляющими элементами заклепками или болтами через отверстия. Эти отверстия
вызывают уменьшение поперечного сечения; в монолитных панелях таких отверстий
немного, благодаря чему снижается масса;
2 имеется возможность более
рационального распределения материала монолитных панелей по объему;
3 в местах соединений отдельных
элементов сборных панелей имеются выступы, вмятины, вызывающие ухудшение
аэродинамики. Поверхность монолитных панелей в значительной мере лишена этих
недостатков.
6.2 Расчетная
схема. Постановка задачи
Известно, что масса тонкостенных элементов планера самолета,
разрушающихся вследствие потери устойчивости, составляет 50..60% общей массы силовой конструкции.
Наиболее типичные схемы нагружения следующие:
4 сжатие в одном направлении;
5 сжатие в двух направлениях;
6 сжатие и сдвиг.
К этим нагрузкам часто присоединяются поперечные нагрузки. Величина
внешней нагрузки, при которой наступает потеря устойчивости панели, зависит от
свойств материала, соотношения геометрических размеров, условий опирания
панели.
Это усложняет задачу выбора параметров, обеспечивающих минимальную массу
и определение разрушающих напряжений.
Потому, в данной работе выполнено проектирование панели с простым
оребрением с использованием графоаналитического метода. Рассмотрены 4 варианта
из двух различных материалов с разной приведенной толщиной и выбор оптимального
варианта с точки зрения минимума массы.
Задание
Для заданных расстояний между нервюрами и стрингерами и приведенной
толщины обшивки определить рациональные параметры панели, имеющую максимальную
несущую способность при минимальной массе.
Данные для расчета
1 Материал В95пчТ1; Д16чТ.
2 Приведенная толщина d0=4 мм; 12 мм.
3 Шаг стрингеров b1=110 мм.
4 Шаг нервюр L=600 мм.
Характеристики монолитной панели
На рис.22 представлено сечение панели с простым оребрением, где
b1 -
шаг стрингеров;
b2 -
высота стрингера;
d1 - толщина обшивки;
d2 - минимальная толщина ребра стрингера.
Рис.22. Поперечное сечение монолитной панели
Соотношения геометрических размеров сечения панели - то безразмерные
параметры:
Приведенная
толщина панели определяется по формуле:
Для
определения рациональных параметров панели вводят понятие коффициента неравноустойчивости
Кф:
где
s2 - критические напряжения местной формы потери
устойчивости.
s0 - критические
напряжения общей формы потери устойчивости.
Последовательность
расчета
1 Определение геометрических и
прочностных параметров оптимальной панели.
2 По графикам для заданного материала в
зависимости от приведенной толщины d0 и расстояние между нервюрами L определяются:
3 разрушающие напряжения sр (1, рис.2а-4а);
4 напряжения общей потери устойчивости s0 (1, рис. 2б-4б);
5 напряжения местной потери
устойчивости s2 (1, рис.
2в-4в).
6 По графикам, в зависимости от
материала, d0, L определяются размеры оптимальной
панели - b1; b2; d1; d2 (1, рис. 2 - 4). Результаты
занесены в табл. 1.
7 Наложение на оптимальную панель
конструктивно-технологических ограничений. В качестве ограничений выступают
минимально-допустимая с точки зрения технологии толщина обшивки d1 и заданное из конструктивных
соображений значение шага подкрепляющих ребер b1.
8 Оптимизация панели с учетом
наложенных ограничений.
9 Определяются новые значения основных
проектных параметров d12
и b12:
где
значения b1; b2; d1; d2 были найдены ранее по графикам.
2 По зависимостям (1. Рис. 5а,б)
определяются величины d1/d0 и d2/d0 в зависимости от величин b12 и d12.
3 Вычисляются толщины обшивки и ребра:
где
d0, d1, d2 - известные
величины.
4 По графикам (1, рис. 5в,г)
определяется величина радиуса инерции r в зависимости от b12 и d12.
5 Вычисляются величины L/r и d2/ b2.
6 По графикам (1, рис. 6) определяются
критические напряжения общей (s0) и местной (sr)
потери устойчивости, в зависимости от материала, величин L/r; d12
и d2/ b2.
7 Определяется коффициент неравноустойчивости
Кф:
По
зависимостям (1. Рис. 7а-г) определяются разрушающие напряжения панели
в зависимости от sр и sr.
4 Чтобы определить наиболее оптимальную
панель, определим суммарную площадь поперечного сечения панели по формуле:
Все
полученные результаты заносим в таблицы: для оптимальной панели - табл.10; для
панели с наложенными ограничениями - табл. 11.
Ограничения
заключаются в том, что принимаем шаг между стрингерами равным b1=110
мм.
Таблица
10. Параметры оптимальной панели
|
материал
|
В95пчТ1
|
Д16чТ
|
В95пчТ1
|
Д16чТ
|
|
приведенные толщины
|
d0 = 4 мм
|
d0 = 4 мм
|
d0 = 12 мм
|
d0 = 12 мм
|
|
sр, МПа
|
365
|
290
|
435
|
333
|
|
s0, МПа
|
400
|
280
|
443
|
330
|
|
s2, МПа
|
297
|
275
|
390
|
370
|
|
b1, мм
|
60
|
61
|
90
|
90
|
|
b2, мм
|
40
|
41
|
60
|
60
|
|
d1, мм
|
1.6
|
1.8
|
5
|
5.3
|
|
d2, мм
|
3.6
|
3.4
|
11
|
10.8
|
|
b12,
|
2.75
|
2.68
|
1.83
|
1.83
|
|
d12,
|
0.144
|
0.53
|
0.45
|
0.49
|
|
Кф
|
0.76
|
0.98
|
0.9
|
1.0
|
|
d1/d0
|
0.6
|
0.62
|
0.45
|
0.47
|
|
d2/d0
|
1.23
|
1.1
|
1
|
0.94
|
Таблица 11. Параметры панели с учетом ограничений
|
материал
|
В95пчТ1
|
Д16чТ
|
В95пчТ1
|
Д16чТ
|
|
приведенные толщины
|
d0 = 4 мм
|
d0 = 4 мм
|
d0 = 12 мм
|
d0 = 12 мм
|
|
b1, мм
|
110
|
110
|
110
|
110
|
|
b2, мм
|
40
|
41
|
60
|
60
|
|
d1, мм
|
2.4
|
2.48
|
5.4
|
5.64
|
|
d2, мм
|
4.92
|
4.4
|
12
|
11.28
|
|
d1/d0
|
0.6
|
0.62
|
0.45
|
0.47
|
|
d2/d0
|
1.23
|
1.1
|
1
|
0.94
|
|
r, мм
|
12.44
|
12.71
|
19.5
|
19.3
|
|
d2/ b2
|
0.123
|
0.107
|
0.2
|
0.32
|
|
L/r
|
48.23
|
47.2
|
30.77
|
31.09
|
|
s0, МПа
|
350
|
300
|
437
|
330
|
|
s2, МПа
|
130
|
150
|
440
|
385
|
|
, МПа210210440350
|
|
|
|
|
|
sр, МПа
|
260
|
250
|
440
|
350
|
|
Fсеч, мм2
|
454.9
|
447.7
|
1281.6
|
1265.4
|
Наименьшую площадь поперечного сечения имеет вариант из сплава Д16чТ и
приведенной толщиной d0=4
мм, этот вариант является наиболее рациональным, удовлетворяющим
конструктивно-технологическим требованиям.
Панель того варианта имеет следующие параметры:= 110 мм;= 41 мм;
d1 = 2.48 мм;
d2 = 4.4 мм.
Все варианты панелей представлены на листе формата А4, а также схема
крепления пояса лонжерона, панели и силовой нервюры (см. приложение).
Раздел 7
Технологическая
часть
Введение
Одно из важнейших мест в авиастроении занимает технология производства
деталей. Более 50% всех деталей в авиастроении являются штампованными, поэтому
одной из главных задач технологов является разработка и внедрение более
универсального, а так же экономического оборудования для процесса штамповки.
Большое распространение из-за своей простоты получили штампы последовательного
действия, позволяющие легко получать детали самых различных конфигураций с
достаточной точностью. Один из таких штампов и проектируется в этой курсовой
работе.
7.1
Разработка техпроцесса листовой штамповки и проектирование штампа
7.1.1
Конструктивно-технологический анализ детали, выбор заготовки и схемы штампа
7.1.1.1
Анализ технологичности детали
Рис.23.
Эскиз детали
Материал
детали Д16Т-1.
Толщина
детали S=4мм.
Учитывая
форму детали, ее толщину, целесообразно, как более технологичный, принять
способ изготовления методом холодной штамповки. Размер пробиваемого отверстия
больше минимально-допустимого (d> 1.3S).
Наименьшее
расстояние от края отверстия до прямолинейного наружного контура, больше
минимально-допустимого (не менее S).
7.1.1.2 Выбор
рационального раскроя материала
При штамповке деталей из полосы между соседними деталями должна быть
перемычка, обеспечивающая достаточную прочность и жесткость полосы. Для
определения перемычек используют экспериментальные данные [2.c.17].Для толщины листа 4мм и
автоматической подачи расстояние от детали до края полосы m=4мм, расстояние между деталями n=3мм. Для получения детали применим
однорядный тип раскроя. Эскиз раскроя показан на рис.24.
Рис.24.Раскрой материала
Данный тип раскроя даст минимальный отход материала. Ширина полосы при
таком раскрое составляет 118 мм.
Выбираем наиболее рациональный раскрой листа стандартных размеров. Для
примера рассмотрим два листа размерами: 1200x2000 и 1500x6000
мм.
. Лист 1200x2000.
Рассмотрим два возможных варианта расположения полос на листе:
Рис.25.