Динамическое торможение асинхронного двигателя с короткозамкнутым ротором

  • Вид работы:
    Практическое задание
  • Предмет:
    Физика
  • Язык:
    Русский
    ,
    Формат файла:
    MS Word
    116,33 kb
  • Опубликовано:
    2011-12-01
Вы можете узнать стоимость помощи в написании студенческой работы.
Помощь в написании работы, которую точно примут!

Динамическое торможение асинхронного двигателя с короткозамкнутым ротором

Белгородский государственный технологический университет

им. В.Г. Шухова

Кафедра электроэнергетики









ЛАБОРАТОРНАЯ РАБОТА № 10

(М 219)

Динамическое торможение асинхронного двигателя с короткозамкнутым ротором

Цель работы:

1. Изучить принцип динамического торможения АД с короткозамкнутым ротором

2.       Изучить принцип действия схемы динамического торможения АД с короткозамкнутым ротором

Основные теоретические сведения

Для динамического торможения асинхронного двигателя его статор отключают от сети переменного тока и присоединяют к источнику постоянного тока (рис. 1). Постоянный ток получают с помощью полупроводникового выпрямителя. Постоянный ток в обмотке статора создает неподвижное магнитное поле, в котором вращается ротор. В фазах ротора наводятся ЭДС, создающее переменный ток. Взаимодействие магнитного поля с током ротора создает тормозящий момент, уменьшающийся вместе со скоростью ротора. Механические характеристики режима динамического торможения приведены на рис. 2. (кривые 1, 2 при различных значениях тока IС). Динамическое торможение асинхронных двигателей отличается простотой, плавностью и надежностью. Его используют в приводах подъемников, многих металлорежущих станков и т.д.

Рис. 1

Рис. 2

Если торможение производится без нагрузки, то выражение для времени торможения на холостом ходу имеет вид:

,

где  - электромеханическая постоянная времени при динамическом торможении.

Определив из выражения вида:


значение эффективного момента динамического торможения окончательно время торможения с учётом нагрузки МС можно рассчитать в соответствии с выражением:


Критический момент Мк.т. в режиме динамического торможения определяют из выражения вида:

.

Критическое скольжение Sк.т. в режиме динамического торможения:

.

xμ - для тока намагничивания равного току холостого хода можно определить из приближённой зависимости:

.

здесь iμ - относительное значение тока намагничивания - в данном случае равно 1.

Эквивалентный ток Iэкв для схемы динамического торможения используемой в схеме равен 0,816·Iп. Постоянный ток выбирают равным (2÷4)·I0.

Остальные недостающие параметры берутся из паспортных данных двигателя.

МС = 0,5·МН.

Паспортные данные двигателя

Тип УАД-52Фη = 0,51

cos = 0.5Рн = 20 Вт

Мк = 0,138 Нмnн = 2760 об/мин

Мн = 0,069 НмUн = 220 В

J = 0,225 10-4 кгм2 Iн = 0,18 А

I0 = 0,1 АR1 = 122 Ом

R'2 = 91 Омx1 = 57 Ом

x'2 = 57 Ом

Тип соединения обмоток - звезда.


Iп=AIc=Anc=об/минIт=Atт

Выводы:

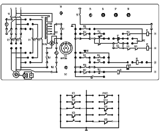
Рис. 3

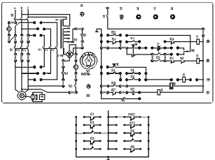
Рис. 4

динамический торможение асинхронный двигатель

Порядок выполнения лабораторной работы № 10 (М219)

1. По паспортным данным двигателя и для постоянного тока Iп = 2·I0 рассчитать время динамического торможения АД.

2.       Собрать схему рис. 10.3, изучить порядок ее работы и назначение органов управления.

.        Определить цену деления приборов РА2, PA3.

.        Доложить преподавателю о готовности к выполнению работы.

.        С разрешения преподавателя подать напряжение на стенд (включить “Сеть”). Подать напряжение на схему (включить S5).

.        Установить переключатель S43 в крайнее левое положение. Нажать кнопку S7, а затем S6. Рукояткой ТустК9 подобрать время срабатывания реле времени К9 немного больше расчётного tТ. После этого переключателем S43 установить постоянный ток Iп = 2·I0.

.        Собрать схему рис. 10.4. Кнопкой S7 запустить двигатель. Зафиксировать бросок тока в фазе статора АД по прибору РА2, т.е. снять показания РА2 в момент включения и в статическом режиме.

.        Кнопкой S6 остановить двигатель. Зафиксировать значение тока торможения по прибору РА3. Осуществить режим динамического торможения АД, измерив время торможения с помощью секундомера:

- включить тумблер “Вкл. Сек”,

нажать кнопку “Сброс”,

нажать кнопку S8,

снять показание секундомера.

. Доложить преподавателю о выполнении работы.

. Выключить S4, S5, “Сеть”, “Вкл. сек.”.

. Разобрать схему и сдать рабочее место преподавателю.

. Сделать выводы по работе.

Похожие работы на - Динамическое торможение асинхронного двигателя с короткозамкнутым ротором

 

Не нашли материал для своей работы?
Поможем написать уникальную работу
Без плагиата!
Без нейросетей!