Механизм грохота

  • Вид работы:
    Дипломная (ВКР)
  • Предмет:
    Другое
  • Язык:
    Русский
    ,
    Формат файла:
    MS Word
    286,84 kb
  • Опубликовано:
    2011-12-21
Вы можете узнать стоимость помощи в написании студенческой работы.
Помощь в написании работы, которую точно примут!

Механизм грохота

Министерство сельского хозяйства РФ

ФГОУ ВПО

Красноярский Государственный Аграрный Университет

Институт энергетики и управления энергетическими ресурсами АПК

Кафедра СМ и ТМ

Курсовая работа

Механизм грохота



Задание 3-7

Выполнил: студент гр. ЭТ-31

Лифиренко С. О.

Проверил преподаватель:

Манушкин Д. В.





Красноярск 2011

Варианты



Расчет клиноременной передачи

Принимаем:

ОА = 0,34 м;

АВ = 1,20 м;= 0,0 м;= 80 об/мин.

Р = 0,6 кН

Тип электродвигателя RA160L4;

Мощность двигателя Рдв = 15кВт;

Число оборотов в минуту nдв = 80 об/мин;

Тип ременной передачи - клиноременная,

Редуктор - цилиндрический прямозубый;

Передаточное число ременной передачи Uрем = 2,8;

Передаточное число редуктора Uред = 5,6;

КПД редуктора ηред = 0,97;

КПД муфты ηмуф = 0,97;

КПД ременной передачи ηрем. пер. = 0,94;

Время работы привода L = 15000 часов.

Режим работы - двухсменный.

Решение:

Расчет клиноременной передачи

Рассчитываем момент на ведущем валу

Твед = Тэд = Рэд∙103 ∙30/π nдв

Твед = 15∙103∙30/π∙80 = 1791 Н∙м

Выберем диаметр ведущего шкива.

Пусть D1 = 140 мм.

Рассчитаем скорость ремня:

υ = π D1 nдв /60∙103

υ = π∙140∙80/ (60∙103) = 0,58 м/с

По мощности двигателя

Рдв = 15кВт и nдв = 80 об/мин

Выбираем стандартный тип ремня:

тип Б;

Рассчитываем диаметр ведомого шкива:

2 = D1∙ Uрем (1-ξ)2 = 140∙2,8 (1-0,01) = 388 мм

Выбираем ближайшее значение из нормального ряда чисел:

2 = 400 мм

Рассчитываем фактическое передаточное число ременной передачи:

факт = D2/D1 (1-ξ)факт = 400/140 (1-0,01) = 2,89

Рассчитываем межосевое расстояние:

Примем его равным D1+D2 = 140+400 = 540 мм.

Длина ремня:

р = 2 а + π (D1+D2) /2 + (D2 - D1) 2/4 ар = 2∙540 + π/2∙ (140+400) + 2602/4∙ (140+400) = 1959,53 мм

Выбираем ближайшее из нормального ряда чисел: Lр = 2000 мм

Тогда уточняем межосевое расстояние по стандартной длине:

а = (2L - π (D1+D2) + [ (2L - π (D1+D2)) 2 - 8 (D2 - D1) 2] 1/2) /8

а = (2∙ 2000 - 3,14 (140+400) + [ (2∙2000 - 3,14 (140+400)) 2 - 8 (140+400) 2] 1/2) /8 = 540,24 мм= 540 мм

Определяем угол обхвата ремня:

α = 180 - (D1-D2) ∙ 57°/a

α = 180 - 260∙ 57°/540 = 152,56° ≈ 150°.

Значит, коэффициент угла обхвата, соответствующий углу обхвата равному 150° Сα = 0,92

Коэффициент, учитывающий длину ремня:

р/ L0 = 2000/2240 = 0,89 è CL = 0,98

Коэффициент режима работы при двусменном режиме работы: Среж = 1,38

Мощность, передаваемая при стандартных условиях ремнем Б, длиной L0 = 2240 мм P0 = 2,90 кВт.

Допустимая нагрузка на ремень:

Рдопуст = Р0 Сα СL/ Среж

Рдопуст = 2,90∙ 0,92∙0,98/1,38 = 1,9 кВт

= Рдвдопуск Сz,

где Сz = 0,9

= 15/1,9 ∙0,9 = 8,7.

Берем Z = 9

Усилие, действующее со стороны ременной передачи

P = 1,7 ∙ Рдв∙103∙Среж∙sin (αрем/2) / υремня ∙ Сα∙Сz = 3635 Н,

где

Рдв = 15 кВт

Среж = 1,38

αрем = 152,56˚

υремня = 11 м/с

Сα = 0,95

Сz = 0,9

Расчет прямозубой цилиндрической передачи

Сталь 40Х. Термообработка. Улучшенная.

Шестерня

НВ1 = 270 НВ

σв = 900н/мм2,

 σг =750 н/мм2

Колесо

НВ2 = 240 НВ

σв = 780н/мм2,

σг =540 н/мм2


Выбираем сталь:

Определяем число оборотов валов:

Ведущий вал:

1 = nдв/Uрем1 = 80/2,8 = 28.57 об/мин

Ведомый вал:

2 = n1/Uред2 = 28.57/5,6 = 5,1 об/мин

Определяем базовое число циклов:

НО1 = 30∙ НВ12,4НО2 = 30∙ НВ22,4НО1 = 30∙ 2702,4 = 20∙106 цикловНО2 = 30∙2402,4 = 15∙106 циклов

Предельное напряжение при базовом числе циклов:

σнlimb1 = 2∙НВ1 + 70

σнlimb2 = 2∙НВ2 + 70

σнlimb1 = 2∙270 + 70 = 610 н/мм2

σнlimb2 = 2∙240 + 70 = 550 н/мм2

Число циклов нагружения:

НЕ1 = 60∙ n1∙L1НЕ2 = НЕ1/ UредНЕ1 = 60∙ n1∙L1 = 60∙28,57∙15000 = 25,7∙106 цикловНЕ2 = NНЕ1/ Uред = 25,7/5,6 = 4,58∙106 циклов

Коэффициент долговечности:

КHL = 1, т.к. NНЕ > NНО

Предельное напряжение:

σнlim1 = σнlimb1∙ КHL

σнlim2 = σнlimb2∙ КHL

σнlim1 = 610∙1 = 610 н/мм2

σнlim2 = 550∙1 = 550 н/мм2

Допускаемое напряжение:

σНР1 = 0,9 ∙ σнlim1/ Sн, σНР2 = 0,9 ∙ σнlim2/ Sн

σНР = 0,45 (σНР1 + σНР2), σНРmin = σНР2

σНР1 = 0,9∙610/1,1 = 499,1 ≈ 500 Н∙м

σНР2 = 0,9∙550/1,1 = 450 Н∙м, σНР = 0,45 (500 + 450) = 225,45 Н∙м

σНРmin = σНР2 = 450 Н∙м

Рассчитываем межцентровое расстояние зубчатой передачи:

аw = Ка (Uред + 1) [Т1 КнβваUред σНР2] 1/3

Ка = 430 - коэффициент межцентрового расстояния

Т1 = 270 Н∙м

ψва = ψвd ∙2/ (Uред + 1) - коэффициент отношения ширины зуба к межцентровому расстоянию.

ψвd = 1 Кнβ = 1,05 - коэффициент отношения ширины зуба к диаметру.

Тогда, следовательно,

ψва = 0,303

аw = 430 (5,6 + 1) [270∙ 1,05/ (0,303∙5,6∙4502)] 1/3 = 266,18 мм

Выбираем из нормального ряда чисел по ГОСТ 2144 - 76:

аw = 315 мм

аw = (Z1+Z2) mn/2 cosβ

Примем β = 10° - угол зацепления (принимаем эвольвентную передачу)

Определяем модуль зацепления

n= 2 аw cosβ/Z1 (1+Uред)

Определяем числа и угол наклона зубьев, предварительно задав угол наклона

Примем β = 10°

Возьмем Z1 = 20 зубьев.

Тогда


Возьмем mn=4,0 мм. Найдем суммарное число зубьев:

(Z1+Z2) = 2 аw cosβ/ mn

(Z1+Z2) = 2 315 cos10/ 4,0 = 155 зубьев

Тогда:

1 = (Z1+Z2) / (1+Uред)2 = (Z1+Z2) - Z11 = 155/ (1+5,6) = 23 зуба2 = 155-23 = 132 зуба

Найдем фактическое передаточное число редуктора:

ред. факт = Z2/ Z1ред. факт =132/23 = 5,74

Найдем косинус угла наклона зубьев:

Cosβ = (Z1+Z2) mn / 2 аw

Cosβ = 155∙4,0/ 2∙315= 0,9841;

Тогда: β = 10,23˚

Считаем:

1 = mn Z1/ cosβ2 = mn Z2/ cosβ1 = 4,0∙23/ 0,9841= 93,48 мм2 = 4,0∙132/0,9841= 536,52 мм

Проверка:

1 + d2 = 93,48+536,52 = 630 мм = 2 аw. Верно.

Тогда ширина колес:

2 = ψва аw1 = b2 + (2.4) mn2 = 0,303∙315 = 95,445 ≈ 95 мм1 = 95 + 2∙4,0 = 103 мм ≈ 100 мм

Определяем диаметры вершин зубьев da и впадин df зубчатых колес:

a = d + 2∙ mnf = d - 2,5∙ mna1 =93 + 2∙ 4 = 101 ммa2 = 537 + 2∙ 4 = 545 ммf1 = 93 - 2,5∙ 4 = 83 ммf2 = 537 - 2,5∙ 4 = 527 мм

Расчет валов:

Быстроходный вал.


Так как df1 = 83 мм - принимаем вал-шестерню.

Момент на ведущем валу:

Т1 = Тдв∙ Uфакт∙ ηрем. пер

Т1 = 100∙2,89∙0,94 = 271,66 Н м ≈ 270 Н∙м

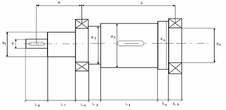
Проведем подборку диаметров составляющих вала:

= (T1∙103/0,2 [τ]) 1/3= (270∙103/0,2∙10) 1/3 = 51,3 мм.

Выбираем из стандартного ряда чисел:

= 50 мм1 = d1+ (4.5) мм = 55 ммп ≥ d2+ (4.5) мм = 60 мм2 = dп+ 5 мм = 65 мм4 = d3+ (6.10) мм = 75 мм

Проведем подборку длин составляющих вала:

0 = (1,6.2) d = 100 мм1 = 20.25 мм = 25 ммп ≈ 0,5 dп = 30 мм2 = 10.12 мм = 12 мм3 = b2 = 95 мм, L4 = L2 = 12 мм, L5 = L1 = 25 мм

Тогда:= 149 мм

а = 90 мм

Расчет зубчатой пары: (Расчет вала на прочность)

Окружная сила

t = 2T1∙103/d1t = 2∙270∙103/55 = 9818 Н

Осевое усилие

a = Ft ∙ tg βa = 9818 ∙ tg 10,23 = 1771 Н

Радиальная нагрузка

r = Ft ∙ tg α / cosβr = 1771∙tg20/cos10,23 = 655 Н

Рассчитываем число оборотов первого (быстроходного) вала редуктора:

вед (быстроходный вал редуктора) = nдв/ Uфактвед (быстроходный вал редуктора) = 80/2,89 = 28 об/мин

Построение эпюр:

механизм грохот редуктор вал

bA = 0,5∙ Fr + Fa∙d1/2LbB = 0,5∙ Fr - Fa∙d1/2LbA = 0,5∙655 + 1771∙50/2∙149 = 333,44 НbB = 0,5∙655 - 1771∙50/2∙149 = 321,56 Н

Проверка: RbA + RbB - Fr = 0

,44+321,56 - 655 = 0 Верно.

М1 = RbA∙ L/2

М = RbB ∙ L/2

М1 = 333,44∙149/2∙1000 = 24,84 Н∙м

М = 321,56∙149/2∙1000 = 23,96 Н∙м

М1 = 333,44∙149/2∙1000 = 24,84 Н∙м

М = 321,56∙149/2∙1000 = 23,96 Н∙м

ГА = RГВ = 0,5∙Ft

М2 = Ft∙ L/4ГА = RГВ = 0,5∙ 9818 = 4909 H

М2 = 9818∙149/4∙1000 = 365,72 Н∙м

Проверка: RГА + RГВ - Ft = 0

+ 4909 - 9818 = 0 Верно.

AP = FP∙ (L + a) /LBP = FP∙ a/LP = FP∙ aAP = 3635∙ (149 + 90) /149 = 5831 HBP = 3635∙ 90/149 = 2196 HP = 3635∙90/1000 = 327,15 Н∙м

Рассчитаем общий момент:

ОБЩ = [ (M1) 2 + (M2) 2] 1/2ОБЩ = [ (24,84) 2 + (365,72) 2] 1/2 = 366,56 Н∙м

Проверочный расчет ведущего вала.

Сталь 40х улучшенная.

Шестерня НВ1 = 270 НВ σв = 900н/мм2, σг =750 н/мм2

Колесо НВ2 = 240 НВ σв = 780н/мм2, σг =540 н/мм2

Коэффициент запаса для нормальных напряжений:


где σ-1 - предел выносливости гладкого образца при симметричном цикле напряжений изгиба. σ-1 = 410 МПа

σa - амплитуда номинальных напряжений изгиба, σa ≈ МОБЩ/0,1dп3 = 64,1 МПа

σm - среднее значение номинального напряжения, σm = 0.σp - эффективный коэффициент концентрации напряжений для детали, Kσp = 3,5

Тогда:

σ = 410/ (3,5∙ 64,1) = 1,83

Коэффициент запаса для касательных напряжений:

τ = τ-1/ (Kτp∙ τa + ψτ∙ τm),

где τ - 1 - предел выносливости гладкого образца при симметричном цикле напряжений кручения. τ - 1 = 240 МПа

τa - амплитуда номинальных напряжений кручения,

τm - среднее значение номинальных напряжений, τa = τm = 1/2∙τ = 10,1τp - эффективный коэффициент концентрации напряжений для детали.τp = 2,5, ψτ = 0,1

Тогда:

τ = 240/ (2,5∙10,1 + 0,1∙ 10,1) = 9,21

Общий коэффициент запаса прочности на совместное действие изгиба и кручения:

= nσ ∙ nτ / [ (nσ) 2 + (nτ) 2] 1/2= 1,83∙9,21/[1,832 + 9,212] 1/2 = 1,81

Проверка соблюдения условия прочности:

min ≥ [n], где [n] = 1,5.3,5

,81≥ 1,5

Тихоходный вал.


Проведем подборку диаметров составляющих вала:

Момент на тихоходном валу:

2 = T1∙Uред∙ηред = 270∙5,6∙0,97 = 1466,64 Н∙м ≈ 1500 Н∙м= (T2∙103/0,2 [τ]) 1/3 = (1500∙103/0,2∙20) 1/3 = 72,1 мм.

Выбираем из стандартного ряда чисел:

= 71 мм1 = d1+ (4.5) мм = 75 ммп ≥ d2+ (4.5) мм = 80 мм2 = dп+ 5 мм = 85 мм3 = d2+ 2 мм = 87 мм4 = d3+ (6.10) мм = 95 мм

Проведем подборку длин составляющих вала:

0 = (1,6.2) d = 142 мм1 = 20.25 мм = 25 ммп ≈ 0,5 dп = 40 мм2 = 10.12 мм = 12 мм3 = b1 = 100 мм4 = L2 = 12 мм

Тогда:= 164 мм

а = 115 мм

Окружная сила

t = 2T2∙103/d1 = 2∙1500∙103/71 = 40000 Н

Осевое усилие

a = Ft ∙ tg β = 40000 ∙ tg 10,23 = 7219 Н

Радиальная нагрузка

r = Ft ∙ tg α / cosβ = 40000∙tg20/cos10,23 = 14794 Н

Построение эпюр:

bA = 0,5∙ Fr + Fa∙d1/2LbB = 0,5∙ Fr - Fa∙d1/2LbA = 0,5∙14794 + 7219/2∙164 = 7419 НbB = 0,5∙14794 - 7219/2∙164 = 7375 Н


Проверка:

bA + RbB - Fr = 0

+7375 - 14794 = 0 Верно.

М1 = RbA∙ L/2

М = RbB ∙ L/2

М1 = 7419∙164/2∙1000 = 608,4 Н∙м

М = 7375∙164/2∙1000 = 604,8 Н∙м

ГА = RГВ = 0,5∙Ft

М2 = Ft∙ L/4ГА = RГВ = 0,5∙ 40000 = 20000 H

М2 = 40000∙164/4∙1000 = 1640 Н

Проверка: RГА + RГВ - Ft = 0

+20000 - 40000 = 0 Верно.AM = FM∙ (L+a) /LBM = FM∙a/LM = 125 (T2) 1/3M = 125∙ (1500) 1/3 = 1430,9 НAM = 1430,9∙ (164+115) /164 = 2434,3 НBM =1430,9∙ 115/164 = 1003,4 Н

Мм = FM ∙ а

Мм = 1430,9∙115/1000 = 164,6 Н


Найдем общий момент:

ОБЩ = [ (M1) 2 + (M2) 2] 1/2 + 0,5∙МмОБЩ = [ (608,4) 2 + (1640) 2] 1/2 + 0,5∙164,6 = 1831,5 Н

Проверочный расчет ведомого вала.

Сталь 40х улучшенная.

Шестерня НВ1 = 270 НВ σв = 900н/мм2, σг =750 н/мм2

Колесо НВ2 = 240 НВ σв = 780н/мм2, σг =540 н/мм2

Коэффициент запаса для нормальных напряжений:

σ = σ-1/ (Kσp∙ σa + ψσ∙ σm),

где σ-1 - предел выносливости гладкого образца при симметричном цикле напряжений изгиба. σ-1 = 410 МПа

σa - амплитуда номинальных напряжений изгиба, σa ≈ МОБЩ/0,1dп3 = 1831,5/0,1∙803 = = 35 МПа

σm - среднее значение номинального напряжения, σm = 0.σp - эффективный коэффициент концентрации напряжений для детали.σp = 3,0

Тогда:

σ = 410/ (3,0∙ 35,77) = 3,82

Коэффициент запаса для касательных напряжений:

τ = τ-1/ (Kτp∙ τa + ψτ∙ τm),

где τ - 1 - предел выносливости гладкого образца при симметричном цикле напряжений кручения. τ - 1 = 240 МПа

τa - амплитуда номинальных напряжений кручения,

ψτ = 0,1

Тогда:

τ = 240/ (2,3∙10,1 + 0,1∙ 10,1) = 9,9

Общий коэффициент запаса прочности на совместное действие изгиба и кручения:

= nσ ∙ nτ / [ (nσ) 2 + (nτ) 2] 1/2= 3,82∙9,9/[3,822 + 9,92] 1/2 = 3,56

Проверка соблюдения условия прочности:

min ≥ [n], где [n] = 1,5.3,5

,56 ≥ 1,5


Выбор шпонки.

Быстроходный вал.

Проверяем прочность шпоночного соединения под ведомым шкивом ременной передачи d = 50 мм

Берем шпонку призматическую:

Сталь 60= 16 мм - ширина шпонкиш = 45.180 мм. - рабочая длина= 10 мм - высота шпонки1 = 6 мм - глубина погружения в вал2 = 4,5 мм - высота выпирания шпонки.

Возьмем Lш = 60 мм

Проверим шпонку на смятие:

σсм = 2∙Т1/ (h - t1) ∙d∙Lш ≤ [σсм] = 100 МПа

σсм = 2∙270∙103/ (10 - 6) ∙50∙60 = 45 МПа <100 МПа

Проверяем прочность шпоночного соединения под колесом тихоходного вала= 87 мм.

Берем шпонку призматическую:

Сталь 60= 25 мм - ширина шпонкиш = 70.280 мм. - рабочая длина= 14 мм - высота шпонки1 = 9 мм - глубина погружения в вал2 = 5,4 мм - высота выпирания шпонки.

Возьмем Lш = 70 мм

Проверим шпонку на смятие:

σсм = 2∙Т1/ (h - t1) ∙d∙Lш ≤ [σсм] = 100 МПа

σсм = 2∙1500∙103/ (14 - 9) ∙87∙70 = 98 МПа <100 МПа

Проверяем прочность шпоночного соединения под полумуфтой тихоходного вала d = 71 мм.

Берем шпонку призматическую:

Сталь 60= 20 мм - ширина шпонкиш = 50.220 мм. - рабочая длина= 12 мм - высота шпонки1 = 7,5 мм - глубина погружения в вал2 = 4,9 мм - высота выпирания шпонки.

Возьмем Lш = 100 мм. Проверим шпонку на смятие:

σсм = 2∙Т1/ (h - t1) ∙d∙Lш ≤ [σсм] = 100 МПа

σсм = 2∙1500∙103/ (12 - 7,5) ∙71∙100 = 93,8 МПа <100 МПа

Выбранные нами шпонки проверены на смятие. Все они удовлетворяют нас.

Результирующая таблица выбранных шпонок:

Шпонка

b

H

L

t1

t2

Под колесом

25

14

70

9

5,4

Под муфтой

20

12

100

7,5

4,9

Под рем. пер.

16

10

60

6

4,5



Список использованных источников


1. Чернилевский Д.В. Курсовое проектирование деталей машин и механизмов: Учебное пособие. - М.: Высшая школа, 2008.

. Дунаев П.Ф., Леликов О.П. Конструирование узлов и деталей машин. Учебное пособие для вузов. - М.: Высшая школа, 2005.

. Иванов М.И. Детали машин: Учеб. Для студентов высших технических учебных заведений. - 5-е изд., перераб. - М.: Высш. шк., 2007.

Похожие работы на - Механизм грохота

 

Не нашли материал для своей работы?
Поможем написать уникальную работу
Без плагиата!
Без нейросетей!