Сборка приспособления
Введение
Сборка - часто завершающая стадия производства изделия,
характеризующаяся сложностью и разнообразием выполняемых операций, высокой
трудоемкостью и стоимостью. Трудоемкость сборочных работ в разных отраслях
машино- и приборостроения и в разных типах производств составляет 20…70% общей
трудоемкости изготовления изделия. В сборочных цехах преобладает ручной труд. В
среднем механизировано около 25% сборочных работ, а уровень автоматизации в
настоящее время не превышает 10…15% сборочных работ.
Исходные данные для разработки технологического процесса
следующие: сборочные чертежи изделия в целом и отдельных его узлов со
спецификациями и чертежами деталей; технические условия (технические
требования) на изделия и узлы; объем (количество) собираемых изделий с
указанием срока их выпуска; производственные условия выполнения сборочных
работ.
1.
Задача на конструирование
Задача: разработать специальное приспособление для одной из
операций процесса обработки детали «Вал». Составить технологический процесс сборки
этого приспособления.
На рис. 1 представлен чертеж детали «Вал».
Рис. 1
Технологический процесс обработки детали:
Рассмотрим более подробно 020 операцию. На ней производится
фрезерование двух лысок размером 30 мм. Необходимо выдержать симметричность 0,1
мм.
Рис. 2
Для данной операции удобно использовать одновременно две
фрезы, чтобы обработать сразу обе поверхности, не переворачивая деталь. Для
увеличения производительности и сокращения вспомогательного времени в условиях
массового производства целесообразно применить на этой операции специальное
приспособление. Необходимо спроектировать такое приспособление, а также
оснастить его пневматическим приводом в целях повышения автоматизации.
В качестве исходных данных принимаем:
. Материал заготовки 60С2 (Сталь конструкционная
рессорно-пружинная) с пределом выносливости σв = 1270 МПа.
. Расстояние между лысками 30 мм по h14.
. Станок горизонтально-фрезерный, модель 6Р81 [7 с.
54].
Мощность электродвигателя главного движения 5,5 кВт;
Числа оборотов шпинделя станка: 50 - 1600 об/мин.
Расстояние от оси шпинделя до поверхности стола: 50-370 мм.
2.
Расчет сил резания
Скорость резания определяем по формуле:
(1)
где D - диаметр фрезы, D = 100 мм;
В-ширина фрезы, В=14 мм;
t - глубина фрезерования, t=16 мм;
z - число зубьев, z=8; [7, с. 182 табл. 85]
Sz - подача на зуб, Sz= 0,1 мм/об
[7, с. 283 табл. 33];
Т - период стойкости инструмента, для цилиндрических фрез си
вставными ножами из твердого сплава при данном диаметре Т=180 мин [7, с. 290
табл. 40].
Значения коэффициентов: СV = 1340; q = 0,2; x=0,4; y = 0,12; u=0; p=0; m = 0,35; [7, с. 286 табл. 39].
Коэффициент KV
определяем по формуле:
KV = KМV
∙KПV ∙KИV, (2)
KМV -
коэффициент учитывающий качество поверхности, определяем по формуле:
(3)
где - значение коэффициентов: KГ = 1; nv = 1 [7, с. 262 табл. 2].
(4)
KПV - коэффициент,
учитывающий состояние поверхности, KПV = 0,9, [7, с. 263 табл.
5].
KИV - коэффициент,
учитывающий материал инструмента KИV = 1,0 [7, с. 264 табл.
6].
KV = KМV ∙KПV ∙KИV = 0,59∙0,9∙1=0,53.
Подставляем все коэффициенты в формулу (1):
Расчётное число оборотов шпинделя определяем по формуле:
n =
=
≈ 409,3 об/мин.
Принимаем n=400 об/мин.
Рис. 3. Схема силы резания и момента при фрезеровании
Как видно из рисунка, фрезерование осуществляется таким образом,
что силы резания прижимают заготовку, и основная сила резания Pz действует на
разжим тисков. Ее мы и рассчитаем.
(5)
где D - диаметр фрезы, D = 100 мм;
В-ширина фрезы, В=14 мм;
t - глубина фрезерования, t=16 мм;
z - число зубьев, z=8; [7, с. 182 табл. 85]
Sz - подача на зуб, Sz= 0,1 мм/об [7, с. 283 табл. 33];
Значения коэффициентов: Сp = 261; q = 1,1; x=0,9; y = 0,8; n=1,1;
w= 0,1; [7, с. 291 табл. 41].
Коэффициент Kmp определяем по формуле [7, с. 264 табл. 9]:
(6)
Подставляем все коэффициенты в формулу (5):
3.
Расчет силы зажима привода
приспособление вал сборка резание
Таким образом, сила зажима должна противодействовать силе
резания. Но так как мы закрепляем сразу 4 заготовки и каждую обрабатываем
одновременно с двух сторон, что вызывает увеличение сил резания в 2 раза, сила
зажима должна быть равна:
(7)
Но так как в нашей конструкции присутствуют также разжимные
пружины, необходимо учитывать и их в зажиме. Следовательно, после расчета
параметров разжимных пружин, нужно будет вернуться к силе зажима и определить
ее необходимую величину по формуле:
(8)
4.
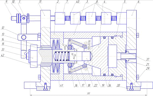
Расчет и подбор конструктивных элементов приспособления
Рис. 4. Схема приспособления
На рис. 6 представлена схема приспособления. Необходимо
рассчитать размеры пружин 40,41 и 42, рычагов 18, конуса и пневмопоршня 4,
встроенного в пневмоцилиндр 3.
4.1 Расчет
характеристик пружин
Разжимные пружины
Рис. 5
С помощью объемного построения детали, которое позволяет
определить объем и массу детали, найдем ее основные параметры.
Рис. 6
Расчетные параметры
Масса M = 326.844131 г.
Объем V = 42557.829514 мм3
Аналогичным образом найдем параметры призм:
Рис. 7
Расчетные параметры
Масса M = 577.660359 г.
Объем V = 73869.611074 мм3
И повторив ту же операцию с губкой, получили:
Рис. 8
Расчетные параметры
Масса M = 586.419730 г.
Объем V = 74989.735270 мм3
Таким образом:
(9)
(10)
где f - коэффициент трения сталь-сталь, f=0,15
Минимальный размер пружины задается размером направляющих.
Следовательно, из ГОСТа 18793-80 выбираем пружину, сила разжима которой
превысит силу трения, а диаметр будет больше диаметра направляющих.
D-2d>12 мм.
Принимаем Dср = 17; d=1,6.
Выполним проверку по размеру:
D-2d=17-3,2=13,8>12 мм.
Выбираем пружину нужного размера, которая обеспечивает
минимально допустимую силу разжима, потому что нам придется преодолевать силу
этой пружины при зажиме заготовки. Так как данного размера самая слабая пружина
создает силу 17 Н, нет смысла считать остальные, менее нагруженные пружины,
везде установим пружину 1086-0785.
Таким образом, с учетом установленных пружин, рассчитаем
необходимую силу зажима:
Найденное значение сил резания для
надежности зажима заготовки умножают на коэффициент запаса К= 1,4-2,6 (при
чистовой обработке К=1,4, при черновой К=2,6). [1, с. 275]; Т.к. сила зажима W и сила резания Р
действуют на обрабатываемую заготовку в противоположных направлениях, требуемая
сила зажима: W=KP [1, с. 282];
Т.к. у нас чистовая обработка,
следовательно, сила зажима должна равняться:
W=KP=KFразжима=1,4*5342=7448,8Н
Тарельчатые пружины
С учетом полученной силы рассчитаем
размеры необходимой для зажима тарельчатой пружины.
По ГОСТу 3057-90 найдем пружину, которая
обеспечит требуемую силу зажима. Выбираем тарельчатую пружину 2 класса 4 типа с
параллельными кромками по наружному и внутреннему диаметру и опорными
плоскостями при толщине пружин более 1 мм, с предельным отклонением сил ±5%.
Принимаем пружину номер 355 с F=8000Н.
Рис. 9
=100 мм; d2=50 мм; t=2,5 мм; S3=3,5 мм; l0=6 мм; b=0,8 мм
Определим величины предварительной S1 и рабочей S2 деформаций.
S1=(0,2…0,4) S3=0,7…1,4 мм=(0,6…0,8)
S3=2,1…2,8 мм
Примем S1=1 мм2=2,1 мм
Определим количество пружин в пакете:
Зададим минимальное перемещение Smin,
необходимое для отжима, равным 4,8 мм по 1,2 мм на деталь. Тогда:
(11)
Следовательно, минимальное количество в пакете -3. Установим 4
пружины, с запасом.
Определим свободную высоту пакета пружин при последовательной
сборке:
(12)
А также высоту при рабочей L2 и предварительной деформации L1:
(13)
(14)
Высота пакета пружин при максимальной деформации:
(15)
Для наибольшей допустимой деформации S=0,8S3 F=7543H.
Возвратная пружина
Для возврата пневмопоршня установим пружину. Выберем пружину,
подходящую по размеру отверстия и с наименьшей силой воздействия. По ГОСТу
18793-80 примем пружину 1086-0843.
D=28 мм; d=3,5 мм; t=7,67 мм; l=41,5 мм; Рвоз.
пр.=425Н.
4.2 Подбор
прочих элементов приспособления
Подберем систему рычагов и размеры конуса
на пневмопоршня, чтобы они могли обеспечить хотя бы минимальное необходимое
перемещение штока без интерференции штока и пневмопоршня.
Нам известно только минимальное
перемещение штока с пружинами, что явно недостаточно для нахождения всех
остальных размеров. Зададимся некоторыми размерами и проверим, возможна ли с
ними работа механизма.
Рис. 10
Вектора R1 и R2 поворачиваются на
одинаковый угол. У них происходит круговое перемещения, но для облегчения
расчета предположим, что перемещение идет линейно.
Конусность определяется отношением
(16)
- перемещение ролика по конусу, при его вертикальном передвижении
на a.
Тогда:

При этом:
Пусть конусность будет 1/3, а перемещение b=30 мм, тогда:
Тогда получаем соотношение:
Предположим, что R1=24, тогда
Построением проверим, не происходит ли соударение между конусом и
штоком.
Рис. 11
Как видно из рисунка, даже в крайнем положении шток не касается
конуса, следовательно, данная схема работоспособна и можно принять полученные
размеры.
4.3 Расчет
диаметра пневмоцилиндра
Рис. 12
На рисунке 12 мы видим схему сил,
действующих на рычаги и шток.
Сила Q раскладывается на
составляющие Fтр
и N. Которые создают
направление результирующей силы R. Эту силу можно разложить в декартовой системе координат на
силу Q1
и W. В свою очередь, сила W - это проекция силы F2, которая создает момент
относительно оси.
(17)
А сила F1 - это сила, с которой мы должны
воздействовать на пружины, чтобы осуществить разжим.
Сила же Q - сила,
создаваемая пневмоприводом.
Таким образом, составив уравнение, мы найдем необходимые нам
размеры пневматического цилиндра и его штока.
(18)
(19)
Тогда
Следовательно:
Из равенства моментов, получаем:
Однако также:
Следовательно:
Подставив W в уравнение мы найдем:
Диаметр пневмоцилиндра можно определить по формуле [1, c. 223]:
(20)
где р - давление в сети.
Рвоз.пр. - Сила возвратной пружины, Рвоз.пр.=425Н
При давлении в системе ρ = 4 кгс/см2 =0,4 н/мм диаметр
пневмоцилиндра равен:
Таким образом, мы получили минимальное значение для диаметра
цилиндра, которое в дальнейшем может быть увеличено.
Примем
4.4
Расчет погрешности
В нашем случае погрешность обработки может быть вызвана
зазорами на призмах, погрешностью установки в призме и криволинейностью
направляющих.
Из ГОСТа 24643-81 найдем погрешность направляющей ø12g6 l=290 мм при относительной геометрической точности В.
IT=12 мкм
Зазор определим из посадки H7/g6.
У Н7 отклонения: ES=+0,01; IE=0
У g6 отклонения: es=-0,006; ie=-0,017 [5, с. 173 табл.
15];
Следовательно, максимальный зазор S= 0,027 мм
Погрешность установки в призме равна:
б=0,5TD [7, с. 52 табл. 18 т. 1];
где TD - допуск на диаметр, который используется в качестве
установочного, в нашем случае TD=0,084 мм
Следовательно:б=0,5TD=0,042 мм
Итого погрешность заготовки составляет:
έ=ITнаправ.+ eб +S=12+27+42=81 мкм.
Допуск на симметричность детали составляет 0,1 мм=100 мкм
<100, следовательно, наше приспособление позволяет
выдержать требуемую точность детали.
Список
литературы
1. Ансеров,
М.А. Приспособления для металлорежущих станков. Расчеты и конструкции / М.А.
Ансеров. - 3-е изд., стер. - М.; Л.: Машиностроение, 1966. - 652 с.: ил. -
Библиогр.: с. 650.
2. Анурьев,
В.И. Справочник конструктора-машиностроителя: Т. 1./ В.И. Анурьев; Под ред.
И.Н. Жестковой. - 8-е изд., перераб. и доп. - М.: Машиностроение, 1999. - 912
с.
. Анурьев,
В.И. Справочник конструктора-машиностроителя: Т. 2./ В.И. Анурьев; Под ред.
И.Н. Жестковой. - 8-е изд., перераб. и доп. - М.: Машиностроение, 1999. - 880
с.
. Анурьев,
В.И. Справочник конструктора-машиностроителя: Т. 3. / В.И. Анурьев; Под ред.
И.Н. Жестковой. - 8-е изд., перераб. и доп. - М.: Машиностроение, 1999. - 848
с.
. Допуски
и посадки. Справочник. В 2-х ч./ В.Д. Мягков, М.А. Палей и др. - Л.:
Машиностроение, 1983.
. Курсовое
проектирование деталей машин: учебное пособие / под ред. С.А. Чернавского. -
2-е изд., перераб. и доп. - М.: Машиностроение, 1988. - 415 с.
. Справочник
технолога-машиностроителя: В 2-х томах / Под ред. А.Г. Косиловой, Р.К.
Мещерякова. Т. 2. - 4-е изд., перераб. и доп. - 1985. - 496 с.