Технология изготовления заготовки

  • Вид работы:
    Контрольная работа
  • Предмет:
    Другое
  • Язык:
    Русский
    ,
    Формат файла:
    MS Word
    2,91 Mb
  • Опубликовано:
    2011-12-24
Вы можете узнать стоимость помощи в написании студенческой работы.
Помощь в написании работы, которую точно примут!

Технология изготовления заготовки

Оглавление

Задание по контрольной работе

Введение

Глава 1. Технология изготовления заготовки

1.1 Возможные способы изготовления заготовки

1.2 Выбор наиболее эффективного способа

1.3 Технологический процесс изготовления заготовки

Выводы по главе 1

Глава 2. Технология изготовления детали

Выводы по главе 2

Заключение

Список литературы

Задание по контрольной работе


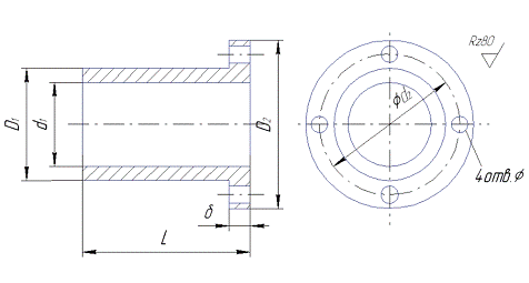
Контрольная работа предусматривает следующее задание: разработать эффективный технологический процесс изготовления детали (рис.1).

Рис.1 Чертеж детали

№ варианта

L, мм

D1, мм

D2, мм

d1, мм

d2, мм

Æ, мм

d, мм

Материал

3

1500

1000

1400

800

1200

20

50

СЧ 25



Введение


Согласно заданию 5.3 нужно изготовить деталь (рис.1), которая может использоваться как какая-либо опора или корпус. В данной контрольной работе подробно описан технологический процесс изготовления заготовки, а также детали, полученной из этой заготовки.

Производство детали мелкосерийное, около 10 штук.

Глава 1. Технология изготовления заготовки


1.1 Возможные способы изготовления заготовки


Данную заготовку можно изготовить некоторыми способами литья: центробежное литье, литье в металлический кокиль, литье в песчано-глинистые формы.

При центробежном литье сплав заливают во вращающиеся формы; формирование отливки осуществляется под действием центробежных сил, что обеспечивает высокую плотность и механические свойства отливок. Металлические формы (изложницы) изготавливают из чугуна и стали. Толщина изложницы обычно в 1,5-2 раза больше толщины отливки. В процессе литья изложницы снаружи охлаждают водой или воздухом. На рабочую поверхность изложницы наносят теплозащитные покрытия для увеличения срока их службы. Перед работой изложницы подогревают до температуры 200°С.

При литье в кокиль отливки получают путем заливки расплавленного металла в металлические формы - кокили. Полости в отливках оформляют песчаными, оболочковыми или металлическими стержнями. Кокили с песчаными или оболочковыми стержнями используют для получения отливок сложной конфигурации.

При литье в песчано-глинистую форму формовку производят по деревянным и металлическим моделям в опоках, набиваемых песчано-глинистыми смесями. Для образования внутренних полостей используют стержни, формуемые в стержневых ящиках из песчаных смесей с крепителями.

1.2 Выбор наиболее эффективного способа


При изготовлении данной заготовки остановимся на литье в песчано-глинистые формы. Этот способ является универсальный и практически единственный способ изготовления крупногабаритных отливок. Он характеризуется низкой стоимостью, недефицитностью материалов и простой организацией технологического процесса.

Два других способа литья являются экономически не выгодными, в связи с тем, что деталь изготавливается в мелкосерийном производстве.

1.3 Технологический процесс изготовления заготовки


Данную заготовку получаем в литейной форме, продольный разрез которой показан на рисунке 2.

Рис.2 Продольный разрез литейной формы: 1-выпор,

-стержень, 3-опока, 4-формовочная (песчано-глинистая) смесь

Рассмотрим последовательность изготовления литейной формы.

заготовка деталь литье

В модельном цехе по чертежу детали (рис.1) изготавливают модель, размеры которой берут с учетом припусков на усадку (для данного варианта 0,9-1,3%) и механическую обработку, а также изготавливают стержневой ящик. Для удобства изготовления литейной формы модель и стержневой ящик делают разъемными (рис.3,4).


Литейную форму, состоящую из двух полуформ, изготавливают в такой последовательности: собирают стержневой ящик из нижней и верхней половины, засыпают стержневую смесь и уплотняют. На модельную плиту 1 устанавливают нижнюю половину модели 2, модели питателей 3 и опоку 4 (рис.5), в которую засыпают формовочную смесь и уплотняют. Опоку поворачивают на 180°, устанавливают верхнюю половину модели 1, модели шлакоуловителя 2, стояка 3 и выпора 4. Устанавливают верхнюю опоку 5 (рис.6), засыпают формовочную смесь и уплотняют. После извлечения модели стояка и выпоров форму раскрывают. Из полуформ извлекают модели, модели питателей и шлакоуловителя.

В нижнюю полуформу устанавливают стержень и накрывают нижнюю полуформу верхней.

Рис.5 Изготовление нижней части литейной формы:

-модельная плита, 2-модель (нижняя часть), 3-модели питателей, 4-опока


Рис.6 Изготовление верхней части литейной формы: 1-модель

(верхняя часть), 2-шлакоуловитель, 3-канал-стояк, 4 - выпор, 5-опока

В литейную форму из ковша заливается расплавленный металл. Затем, после охлаждения, происходит выбивка отливки. При этом литейная форма разрушается. После выбивки отливка (рис.7) подвергается обрубки литниковой системы. Обрубку производят пневматическими зубилами, ленточными и дисковыми пилами, газовой резкой и на прессах.

Рис.7 Отливка

За обрубкой следует очистка отливок. На этом этапе происходит удаление пригара, остатков формовочной и стрежневой смеси с наружных и внутренних поверхностей отливки.

Выводы по главе 1


В этой главе рассмотрен выбор наиболее эффективного способа изготовления заготовки, а также представлен технологический процесс изготовления заготовки способом литья в песчано-глинистые формы. При этом была изготовлена модель по чертежу и стержневой ящик.

Глава 2. Технология изготовления детали


Данную деталь можно изготовить точением (обтачивание, растачивание, подрезание). А четыре отверстия Æ 20 мм получаем сверлением.

Технологический метод формообразования поверхностей заготовок точением характеризуется двумя движениями: вращательным движением заготовки и поступательным движением режущего инструмента - резца. Разновидности точения: обтачивание - обработка наружных поверхностей; растачивание - обработка внутренних поверхностей; подрезание - обработка плоских (торцовых) поверхностей; резка - разделение заготовки на части или отрезка готовой детали от заготовки - пруткового проката.

Основные виды резцов:


По виду обработки:

а) проходные 1, 2, 3 для обтачивания гладких цилиндрических и конических поверхностей;

б) подрезные 4 для обтачивания плоских торцовых поверхностей;

в) расточные для растачивания сквозных отверстий 6 и расточные упорные для растачивания глухих отверстий 7;

Технологический процесс изготовления детали:

1). На токарно-карусельном станке закрепляем на карусели заготовку.

Наружную цилиндрическую поверхность обтачиваем проходным резцом, закрепленным в резцедержателе бокового суппорта.

Подача резца вертикальная (рис.8).

Рис.8

). Отверстие растачиваем двумя проходными расточными резцами, закрепленными в державке, установленной в гнезде револьверной головки. Подача резца вертикальная (рис.9).

Рис.9

). Торец детали обтачиваем подрезным резцом, закрепленным в резцедержателе верхнего суппорта. Подача резца горизонтальная (рис.10).

Рис.10

). Торец фланца обтачиваем подрезным резцом, закрепленным в резцедержателе верхнего суппорта. Подача резца горизонтальная (рис.11).

Рис.11

). Закрепляем заготовку на карусели станка, предварительно перевернув деталь. Цилиндрическую поверхность фланца детали обтачиваем проходным резцом, закрепленным в резцедержателе бокового суппорта. Подача резца вертикальная (рис.12).

Рис.12

). Торец фланца обтачиваем подрезным резцом, закрепленным в резцедержателе верхнего суппорта. Подача резца горизонтальная  (рис.13).

Рис.13

). На радиально-сверлильном станке устанавливаем заготовку на вращающемся столе и фиксируем его. Сверлом Æ 20 мм просверливаем 2 отверстия (рис.14). Повернув вращающийся стол с деталью на 90° и зафиксировав его, просверливаем еще два отверстия Æ 20 мм.

Рис.14

Выводы по главе 2


В этой главе рассмотрен технологический процесс изготовления детали точением и сверлением. Работы производились на токарно-карусельном станке с применением таких резцов, так проходной, подрезной и расточной.

Отверстия получали на радиально-сверлильном станке с применением сверла диаметром 20 мм.

Заключение


В данной курсовой работе был разработан технологический процесс изготовления детали по чертежу. Он состоит из нескольких этапов:

·        сначала была получена заготовка способом литья в песчано-глинистые формы. Выбор этого способа оправдывает себя, так как производство детали мелкосерийное, а сама деталь крупногабаритная.

·        затем заготовку обрабатывали точением (токарной обработкой). Этот способ использовался в связи с тем, что в обозначении шероховатости поверхности детали был применен знак, который означает, что поверхность должна быть получена удалением слоя материала. А также на выбор способа повлияла геометрия детали. Деталь является телом вращения. Обработка производилась на токарно-карусельном станке, так как деталь крупногабаритная.

·        четыре отверстия получаем на радиально-сверлильном станке. Выбор этого станка основывается на том, что деталь тяжелая, большая и изменение положения детали довольно трудоемкая работа. А на этом станке перемещается шпиндельная головка и устанавливается непосредственно над местом, где надо получить отверстие.

Список литературы


1). Технология конструкционных материалов. Под редакцией А.М. Дальского. М.: "Машиностроение", 1985, 448 с.

). П.П. Берг. Качество литейной формы. М.: "Машиностроение", 1971, 291 с.

). Жебин М.И., Сосненко М.Н. Изготовление форм и приготовление литейных сплавов. М.: "Высшая школа", 1982, 304 с.

). Зайцев Б.Г., Рыцев С.Б. Справочник молодого токаря. М.: "Высшая школа", 1988, 335 с.

). Фощенко В.Н., Махмутов Р.С. Токарная обработка. М.: "Высшая школа", 1990, 302 с.

). Маликов Ф.П. Секреты токарного мастерства. М.: "Машиностроение", 1990, 213 с.


Не нашли материал для своей работы?
Поможем написать уникальную работу
Без плагиата!
Без нейросетей!