Синтез и исследование логической схемы при кубическом задании булевой функции

  • Вид работы:
    Дипломная (ВКР)
  • Предмет:
    Математика
  • Язык:
    Русский
    ,
    Формат файла:
    MS Word
    165,94 kb
  • Опубликовано:
    2011-06-16
Вы можете узнать стоимость помощи в написании студенческой работы.
Помощь в написании работы, которую точно примут!

Синтез и исследование логической схемы при кубическом задании булевой функции

Министерство образования Российской Федерации

Томский политехнический университет

Факультет автоматики и вычислительной техники

Кафедра вычислительной

техники









Курсовая работа

по дисциплине “Теория автоматов”

на тему: «Синтез и анализ логической схемы при кубическом задании булевой функции»











Томск 2009

СОДЕРЖАНИЕ


Введение

1. Нахождение минимального покрытия

2. Построение факторизованного покрытия

3. Составление логической схемы на основе данного базиса логических элементов

4. Нахождение по пи-алгоритму Рота единичного покрытия

5. Синтез контролирующего теста. Контроль схемы тестом

Заключение

Литература

 

ВВЕДЕНИЕ


Аппарат алгебры логики широко применяется в теории ЦВМ, в частности для решения задач анализа и синтеза схем. При решении задачи синтеза исходное логическое выражение, описывающее некоторую логическую функцию, преобразуется и упрощается так, чтобы каждый член полученного эквивалентного логического выражения мог быть представлен простой схемой. Таким образом, при синтезе вычислительных и управляющих схем составляется математическое описание задачи в виде формул алгебры логики. Затем производится минимизация исходной формулы и из числа эквивалентных логических схем выбирается та, которая допускает наиболее простую реализацию.

В данной курсовой работе стоит задача синтеза схемы, реализующей функцию, заданную кубическим комплексом к(f). В табл. 1 приведено исходное покрытие из 8 кубов. Логическую схему следует построить в универсальном базисе элементов ИЛИ-НЕ, который характеризуется коэффициентом объединения по входу к(вх)=4 и коэффициентом разветвления по выходу к(р)=2. Стоимость покрытия равна 48.

Таблица 1

Обозначение куба

Покрытие

Размерность куба

a

1011X10

6

b

1X1XX11

4

c

1011X11

6

d

XX1X1X0

3

e

0X11111

6

f

00X0XX0

4

g

0X00101

6

h

10X00X0

5


Порядок выполнения работы можно определить следующим образом:

). Нахождение минимального покрытия;

). Построение факторизованного покрытия;

). Составление логической схемы на основе данного базиса логических элементов;

). Нахождение по пи-алгоритму Рота единичного покрытия;

). Построение контролирующего теста;

). Проверка логической схемы контролирующим тестом.

1. НАХОЖДЕНИЕ МИНИМАЛЬНОГО ПОКРЫТИЯ

В первую очередь необходимо найти минимальное в смысле Кванта покрытие. Минимальное покрытие булевой функции ищется в два этапа:

).получение минимального множества Z простых импликант;

).выделение L-экстремалей на множестве Z.

Для выполнения этих этапов используются операции *-произведения, #-вычитания кубов.

При выполнении операции *-произведения одного куба на другой получается новый куб, противоположные грани которого лежат в исходных кубах. Этот новый куб может стать простой импликантой исходного покрытия. Надо иметь в виду, что куб является простой импликантой исходного покрытия, если он не составляет грань никакого другого комплекса К или того куба, который получился при произведении в процессе нахождения простых импликант. Это означает, что простые импликанты при *-произведении не дают новых кубов, не входящих в предыдущие кубы.

При нахождении простых импликант выполняются все попарные произведения с учетом того, что произведение куба самого на себя приводит к кубу, участвующему в произведении; что произведение первого куба на второй равно произведению второго куба на первый.

Операция *-произведения двух кубов а=а1а2…аi…an и b=b1b2…bi…bn определяется на основе табл. 2.

Таблица 2

 ai * bi

ai


0

1

X

 bi

0

0

Y

0


1

Y

1

1


X

0

1

X

 

Если значение Y получается только в одной координате, то произведение кубов a и b дает так называемый вновь образованный куб, в котором величина Y заменяется на X. Если же имеется более одной координаты Y, то звездчатое произведение дает 0.

Процесс нахождения множества простых импликант является циклическим. В каждом цикле вначале удаляются те кубы исходного покрытия, которые являются гранями других кубов этого покрытия. Далее удаляются кубы исходного покрытия, являющиеся гранями кубов покрытия. Должны быть удалены полученные при *-произведении кубы, являющиеся гранями кубов покрытия. И наконец, удаляются полученные кубы с размерностью, на единицу меньшей номера цикла. Оставшиеся в таблице кубы передаются на следующий цикл *-произведения. Циклы выполняются до тех пор, пока перестанут появляться вновь образованные кубы. Процесс нахождения множества простых импликант для 35-го варианта приведен в табл. 3,4,5,6. Куб «с» не используется при нахождении данного множества, т.к. он входит в куб «b».

цикл нахождения множества простых импликант Таблица 3


1011X10

1X1XX11

XX1X1X0

0X11111

00X0XX0

0X00101

1011X10

-






1X1XX11

1011X1X

-





XX1X1X0

1011110

1X1X11X

-




0X11111

Æ

XX11111

0X1111X

-



00X0XX0

Æ

Æ

00101X0

Æ

-


0X00101

Æ

Æ

Æ

Æ

000010X

-

10X00X0

101X010

101001X

1010XX0

Æ

X0X00X0

Æ


цикл нахождения множества простых импликант  Таблица 4


1Х1ХX11

XX1X1X0

00X0XX0

0X00101

1011X1X

101X010

1X1X11X

XX11111

101001X

0X1111X

1010XX0

000010X

1X1XX11

-












XX1X1X0


-











00X0XX0



-










0X00101




-









1011X1X

1011X11

101111X

Æ

Æ

-








101X010

101X01X

101XX10

Y010010

Æ

1011010

-







1X1X11X

1X1X111

1X1X110

Y010110

Æ

101111X

101XY10

-






XX11111

1X11111

XX1111X

Æ

Æ

1011111

Æ

1X11111

-





101001X

1010011

1010Y10

Y010010

Æ

101X01X

1010010

1010Y1X

Æ

-




0X1111X

XX11111

0X11110

001Y110

Æ

X01111X

Æ

YX1111X

0X11111

Æ

-



1010XX0

1010X1X

10101X0

X010XX0

Æ

101XX10

1010010

1010110

Æ

1010010

Æ

-


000010X

Æ

00Y0100

0000100

0000101

Æ

Æ

Æ

Æ

Æ

Æ

Æ

-

X0X00X0

101001X

X010XX0

00X00X0

0000Y01

101Y010

1010010

1010Y10

Æ

1010010

Æ

10100X0

0000Y00

 

3 цикл нахождения множества простых импликант  Таблица 5


1X1XX11

XX1X1X0

00X0XX0

0X00101

1011X1X

1X1X11X

000010X

X0X00X0

101X01X

1010X1X

101XX10

XX1111X

1X1XX11

-












XX1X1X0


-











00X0XX0



-










0X00101




-









1011X1X





-








1X1X11X






-







000010X







-






X0X00X0








-





101X01X

101X011

101XX10

X010010

Æ

101101X

101XX1X

Æ

1010010

-




1010X1X

1010X11

1010110

X010X10

Æ

101XX1X

101011X

Æ

1010010

101001X

-



101XX10

101XX1X

101X110

X010X10

Æ

1011X10

101X110

Æ

1010010

101X010

1010X10

-


XX1111X

1011111

XX11110

001X110

Æ

101111X

1X1111X

Æ

Æ

1011X1X

101X11X

1011110

-

X010XX0

1010X1X

X0101X0

0010XX0

Æ

101XX10

1010110

00X0100

X0100X0

1010010

1010X10

1010X10

X01X110


цикл нахождения множества простых импликант Таблица 6


1X1XX11

XX1X1X0

00X0XX0

0X00101

000010X

X0X00X0

XX1111X

X010XX0

101XX1X

1X1XX11

-









XX1X1X0


-








00X0XX0



-







0X00101




-






000010X





-





X0X00X0






-




XX1111X







-



X010XX0








-


101XX1X

101XX11

101X110

X010X10

Æ

1010010

101111X

1010X10

-

1X1X11X

1X1X111

1X1X110

X010110

Æ

Æ

1010X10

1X1111X

1010110

101X11X


В таблицах 3, 4, 5 и 6 опущены те *-произведения, которые были рассмотрены раньше. Множество простых импликант Z выглядит следующим образом:

Z={ 1X1XX11, XX1X1X0, 00X0XX0, 0X00101, 000010X, X0X00X0, XX1111X, X010XX0, 101XX1X,1X1X11X }.

Стоимость данного покрытия составляет 53, что на 5 больше стоимости исходного покрытия.

После нахождения множества Z в нем необходимо выделить такое подмножество, которое покрывало бы все вершины из комплекса L и имело бы минимальную стоимость по Квайну. В основе лежит понятие L-экстремали, то есть куба Zi, содержащего в себе одну или несколько вершин из комплекса L (L=C), которой нет ни в одной другой простой импликанте из множества Z.

Куб Zi является L-экстремалью, если для него выполняется следующее соотношение:

[ Zi # ( Z - Zi)] Ç L ¹ Æ,

где # - знак операции вычитания кубов.

Операция вычитания, например, из куба а куба b служит для удаления их общей части, т.е. их пересечения, из куба а. Эта операция определяется следующим образом:

Координатное вычитание кубов ( ai # bi ) Таблица 7

ai # bi

ai


0

1

X

 bi

0

Z

Y

1


1

Y

Z

0


X

Z

Z

Z

Операция вычитания из куба а куба b определяется следующим образом:

a, при наличии Y,

a # b = Æ, если ai # bi = Z,

È ( a1a2…ai-1aiai+1…an),

где ai = 0 или 1, объединение берется по всем таким ai.

Процесс выделения L-экстремали является циклическим, на каждом цикле очередная простая импликанта вычитается из предыдущей разности. Процессы вычитания и пересечения для полученных выше простых импликант отражены в табл. 8.

Выделение L-экстремалей   Таблица 8


Z1 1X1XX11

Z2 XX1X1X0

Z3 00X0XX0

Z4 0X00101

Z5 000010X

Z6 X0X00X0

Z7 XX1111X

Z8 X010XX0

Z9 101XX1X

Z10 1X1X11X

1

2

3

4

5

6

7

8

9

10

11

12

Z1

1X1XX11

-

0ZZZZ0Y XX1X1X0

YZ0ZZ0Y 00X0XX0

YZYZZYZ 0X00101

YZYZZY0 000010X

0Z0ZZ0Y X0X00X0

0ZZZZZZ 0X1111X

0ZZZZ0Y X010XX0

ZZZZZZ0 101XX10

ZZZZZZ0 1X1X110

Z2

XX1X1X0

ZZZZ0ZY 1X1XX11

-

ZZ0Z0ZZ 0000XX0 00X00X0

ZZYZZZY 0X00101

ZZYZZZ1 000010X

ZZ0ZYZZ X0X00X0

ZZZZZZ1 0X11111

ZZZZ0ZZ X0100X0

ZZZZ0ZZ 101X010

ZZZZZZZ Æ

Z3

00X0XX0

Y1Z1ZZY 1X1XX11

11Z1ZZZ 1X1X1X0 X11X1X0 XX111X0

-

Z1ZZZZY 0X00101

ZZZZZZ1 0000101

1ZZZZZZ 10X00X0

Z1ZYZZY 0X11111

1ZZZZZZ 10100X0

YZZ1ZZZ 101X010

Æ

Z4

0X00101

YZY10YZ 1X1XX11

YZY1Z1Y 1X1X1X0 1ZY1Z1Y X11X1X0 1ZYYZ1Y XX111X0

ZZZZ01Y 0000XX0 ZZ1ZY1Y 00X00X0

-

ZZZZZZZ Æ

YZ1ZY1Y 10X00X0

ZZYYZYZ 0X11111

YZYZY1Y 10100X0

YZY1YYY 101X010

Æ

Z5

000010X

Y1Y10YZ 1X1XX11

Y1Y1Z1Z 1X1X1X0 1YY1Z1Z X11X1X0 11YYZ1Z XX111X0

ZZZZ01Z 00000X0 0000X10 ZZ1ZY1Z 00X00X0

Z1ZZZZZ 0100101

-

YZ1ZY1Z 10X00X0

Z1YYZYZ 0X11111

YZYZY0Z 10100X0

YZY1YYY 101X010

Æ

Z6

X0X00X0

Z1Z11ZY 1X1XX11

Z1Z1YZZ 1X1X1X0 ZYZ1YZZ X11X1X0 Z1ZYYZZ XX111X0

ZZZZZZZ Æ ZZZZ1ZZ 0000110 ZZZZZZZ Æ

ZYZZYZY 0100101

Æ

-

Z1ZYYZY 0X11111

ZZZZZZZ Æ

ZZZ1ZZZ 1011010

Æ

Z7

XX1111X

ZZZ00ZZ 1X10X11 1X1X011

ZZZ0Z0Z1X101X0 1X1X100 ZZZ0Z0ZX1101X0 X11X100

ZZYYZZZ 0000110

ZZYYZYZ 0100101

Æ

ZZ0YY0Z 10X00X0

-

Æ

ZZZZYZZ 1011010

Æ

Z7



ZZZZZ0Z XX111001









Z8

X010XX0

Z1ZZZZY 1X10X11 Z1Z1ZZY 1Z1Z011

Z1ZZZZZ 11 01X0 Z1Z1ZZZ 111X100 1X11100 ZYZZZZZ X1101X0 Z1ZYZZZ XX11100

ZZYZZZZ 0000110

ZYYZZZY 0100101

Æ

ZZ0ZZZZ 10000X0

Z1ZYZZY 0X11111

-

ZZZYZZZ 1011010

Æ

Z9

101XX1X

Z1ZZZZZ 1110X11 Z1ZZZZZ 111X011

ZYZZZ0Z 11101X0 ZYZZZYZ 111X100 Z1ZZZYZ 1X11100 0YZZZ0Z X1101X0 0YZZZYZ X11X100 01ZZZYZ XX11100

YZYZZZZ 0000110

YYYZZYZ 0100101

Æ

ZZYZZ0Z 10000X0

Y1ZZZZZ 0X11111

Æ

-

Æ

Z10

1X1X11X

ZZZZ0ZZ 1110011 111X011

ZZZZZ0Z 1110100 ZZZZZYZ 111X100 ZZZZZYZ 1X11100 0ZZZZ0Z 01101X0 X110100 0ZZZZY1 X11X100 0ZZZZYZ XX11100

0000110

0100101

Æ

10000X0

0X11111

Æ

ZZZZYZZ 1011010

-



¹ Æ

¹ Æ

¹ Æ

¹ Æ

Æ

¹ Æ

¹ Æ

Æ

¹ Æ

Æ


Полученное минимальное покрытие:

X1XX11

XX1X1X0

X0XX0

X00101

X0X00X0

XX1111X

XX1X

Cтоимость полученного покрытия равна 36 ( стоимость исходного покрытия равна 53 ).

2. ПОСТРОЕНИЕ ФАКТОРИЗОВАННОГО ПОКРЫТИЯ

Покрытие, полученное на основе простых импликант и выделения из них L-экстремалей, принято называть минимальным. Однако практика показывает, что дополнительная минимизация возможна при помощи факторизации. Таким образом, минимальным следует считать факторизованное покрытие, а не множество L-экстремалей.

Факторизация покрытия основана на операции m-произведения, которая предназначена для выделения общей части двух кубов. Эта операция является поразрядной:

0 при ai = bi = 0, i = 1,n; 

ai m bi = 1 при ai = bi = 1, i = 1,n;

m во всех остальных случаях.

Символ m указывает координату исходных кубов, которая различна в них, либо есть Х.

Куб, в котором хотя бы одна координата является m, называется m-кубом и обозначается через еm. Такой куб может участвовать в m-произведении, тогда при умножении на координату m должна получаться координата m.

Стоимость для m-куба определяется путем подсчета числа координат со значениями 0 и 1. Куб с наибольшей стоимостью считается максимальным. Если стоимость равна 0, то m-куб считается пустым, он равен Æ. Покрытие с учетом m-куба записывается в несколько измененном виде: под m-кубом фиксируются соответствующие ему кубы с сохранением тех координат, которые расположены под символами m.

Алгоритм факторизации покрытия является циклическим. Количество циклов равно числу уровней разложения покрытия ( числу m-кубов ). В разложенном по многим уровням покрытии выделяются на i-м цикле m-куб еmi, Mi ( множество кубов с прочерками, соответствующее еmi ), Ci (множество кубов, которые будут рассматриваться на ( i+1)-м цикле).

Алгоритм факторизации можно сформулировать следующим образом:

1. Вычисляются m-произведения всех пар из Сi-1. В первом цикле С0 = Е. Во втором цикле дело надо иметь с С1, в третьем - с С2 и т.д.

2. Выбирается m-куб с наибольшей стоимостью еmi. Если несколько кубов имеют одинаковую стоимость, то выбирается первый.

3. Покрытие оформляется разложенным на две части: нижнюю часть Мi и верхнюю часть Сi. Ci содержит оставшиеся от Сi-1 кубы после удаления из него кубов Мi и добавленный куб еmi. Видимо,

Ci = ( Ci-1 - Mi ) È emi.

4. Если Сi состоит из одного куба или получаются пустые m-кубы, процесс факторизации следует закончить, в противном случае перейти к пункту 1.

Процесс факторизации по данному алгоритму удобно отражать в таблицах. Первый цикл представлен в табл. 9.

Первый цикл факторизации Таблица 9



e1 1X1XX11

e2 XX1X1X0

e3 00X0XX0

e4 0X00101

e5 X0X00X0

e6 XX1111X

e1

1X1XX11

-






e2

XX1X1X0

mm1mmmm

-





e3

00X0XX0

Æ

mmmmmm0

-




e4

0X00101

mmmmmm1

mmmm1mm

0mm0mmm

-



e5

X0X00X0

Æ

mmmmmm1

m0m0mm0

mmm0mmm

-


e6

XX1111X

mm1mm1m

mm1m1mm

Æ

mmmm1mm

Æ

-

e7

101XX1X

1m1mm1m

mm1mmmm

m0mmmmm

Æ

m0mmmmm

mm1mm1m


Из этой таблицы видно, что еm1 = 1m1mm1m.. Покрытие после первого цикла выглядит следующим образом:


Так как С1 содержит больше одного куба, осуществляется переход ко второму циклу ( табл. 10 ).

Второй цикл факторизации Таблица 10


е2 XX1X1X0

е3 00X0XX0

е4 0X00101

е5 X0X00X0

е6 XX1111X

е2

XX1X1X0

-





е3

00X0XX0

mmmmmm0

-




е4

0X00101

mmmm1mm

0mm0mmm

-



е5

X0X00X0

mmmmmm0

m0m0mm0

mmm0mmm

-


е6

XX1111X

mm1m1mm

Æ

mmmm1mm

Æ

-

еm1

1m1mm1m

mm1mmmm

Æ

Æ

Æ

mm1mm1m


Очевидно, что еm2 = m0m0mm0.

Покрытие после второго цикла факторизации выглядит следующим образом:


Так как С2 содержит больше одного куба, осуществляется переход к третьему циклу ( табл. 11 ).

Третий цикл факторизации Таблица 11


e2 XX1X1X0

e4 0X00101

e6 XX1111X

e2

XX1X1X0

-



e4

0X00101

mmmm1mm

-


e6

XX1111X

mm1m1mm

mmmm1mm

-

em2

m0m0mm0

mmmmmm0

mmm0mmm

Æ


Из таблицы 11 видно, что еm3 = mm1m1mm.

Покрытие после третьего цикла выглядит так:


Так как С3 содержит больше одного куба переходим к четвертому циклу (табл. 12).

Таблица 12

Четвертый цикл факторизации



e4 0X00101

е4

0X00101

-

еm3

mm1m1mm

mmmm1mm


Факторизованное покрытие выглядит следующим образом:


Чтобы определить стоимость факторизованного покрытия, нужен соответствующий алгоритм. Его сущность можно изложить следующим образом:

1. определить стоимость рассматриваемого куба покрытия;

2. если куб является маскирующим (m-куб), то добавить к стоимости 2;

3. если куб является обычным, то при Si > 1 добавить к стоимости 1, в противном случае ( Si = 1 ) добавлять 1 не нужно;

4. полученные стоимости кубов с добавлениями сложить.

В полученном выше факторизованном покрытии 11 кубов, его стоимость составляет 30. До факторизации стоимость покрытия составляла 36.

2. СОСТАВЛЕНИЕ ЛОГИЧЕСКОЙ СХЕМЫ НА ОСНОВЕ ДАННОГО БАЗИСА ЛОГИЧЕСКИХ ЭЛЕМЕНТОВ

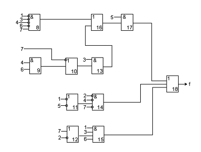
По любому кубическому покрытию можно построить логическую схему. По факторизованному покрытию схема строится следующим образом. Обычные кубы отражаются на схеме как элементы & с числом входов, равным стоимости куба. Прочеркнутые координаты на вход этих элементов не подаются. Они учитываются в маскирующих кубах в качестве общих сомножителей. Выходные сигналы обычных кубов, расположенных под рассматриваемым m-кубом, суммируются, затем логическая сумма этих кубов подается на вход маскирующего куба, который отображается на схеме как элемент &. Логическая схема в булевом базисе, построенная по факторизованному покрытию, показана на рис.1.

Стоимость кубов М1 и М2,а также куба ХХ-Х1Х-, входящего в М3, равна 1. Поэтому соответствующие им переменные подаются непосредственно на входы элементов ИЛИ (12, 11 и 10 соответственно). Умножение на координаты куба еm1 производится в элементе 15, на координаты куба еm2 - в элементе 14, на координаты куба еm3 - в элементе 13. Кубы еm3 и еm4 имеют общую пятую координату. Поэтому выходной сигнал элемента 13, соответствующего еm3, логически суммируется с выходным сигналом элемента 8, а затем логическая сумма поступает на вход элемента 16, где происходит умножение на координаты куба еm4.

Стоимость данной логической схемы равна 30, такова стоимость и факторизованного покрытия. Таким образом, можно сделать предварительное заключение о соответствии составленной схемы факторизованному покрытию.

Рис. 1

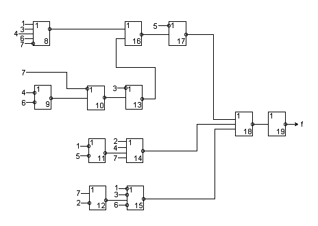
Дальше необходимо составить схему в универсальном базисе элементов, который в настоящее время широко применяется. Универсальный базис элементов - это система элементов, реализующая функцию И-НЕ или ИЛИ-НЕ.

Логическую схему на основе заданного универсального базиса легче всего построить по логической схеме на элементах булевого базиса элементов. Для этого нужно воспользоваться соответствием между элементами булевого базиса и заданного универсального базиса ( табл. 13 ). В данном случае используется базис ИЛИ-НЕ.

Таблица 13

Булевой Базис

Универсальный базис ИЛИ-НЕ

 

 

 


Заменяя элементы, не следует стремиться к полной замене. Если производить замену формально ( один к одному ), то в связи между элементами окажется два последовательно включенных инвертора, что равносильно их отсутствию.

Логическая схема на основе элементов базиса ИЛИ-НЕ показана на рис.2.

функция покрытие логический кубический

Рис. 2

2. НАХОЖДЕНИЕ ПО ПИ-АЛГОРИТМУ РОТА ЕДИНИЧНОГО ПОКРЫТИЯ

Построенную логическую схему нужно проверить, для этого находится покрытие схемы. В табл. 15 отражено покрытие схемы, представленной на рис. 2. При нахождении покрытия схемы используются покрытия отдельных элементов схемы ( табл. 14 ).

Таблица 14

Элемент

Таблица истинности

Покрытие

  ИЛИ

1 2 3 0 0 0 0 1 1 1 0 1 1 1 1

1 2 3 0 0 0 Х 1 1 1 Х 1

 И

0 0 0 0 1 0 1 0 0 1 1 1

Х 0 0 0 Х 0 1 1 1

 ИЛИ-НЕ

0 0 1 0 1 0 1 0 0 1 1 0

0 0 1 Х 1 0 1 Х 0

Обозначения: 1,2 - входы, 3 - выход элементов.

Таблица 15

1 2 3 4 5 6 7

8 9 10 11 12 13 14 15 16 17 18 19

Примечания

Х Х Х Х Х Х Х

Х Х Х Х Х Х Х Х Х Х Х 1

С(f)


0 1

П191 Ú 18


0 1

Пересечение с (Сf) (*)


Х Х 1 0 1 Х 1 Х 0 1 1 Х Х 0 1

П180 Ú 14, 15, 17


Х Х 1 0 1 Х 1 Х 0 1 1 Х Х 0 1

Пересечение с (*) (**)

 1

Х Х 0 1 0 1

П171 Ú 5, 16

 1 1 1

Х Х 0 1 0 1 Х 1 0 1 0 1 1 Х 0 1 0 1

Пересечение с (**) (***)


Х 1 Х Х 0 1 0 1 1 Х Х Х 0 1 0 1

П160 Ú 8, 13

 1 1 1 1 1 1

Х 1 Х Х 0 1 0 1 1 Х Х Х 0 1 0 1 Х 1 Х 1 0 1 0 1 1 Х Х 1 0 1 0 1 Х 1 1 Х 0 1 0 1 1 Х 1 Х 0 1 0 1

Пересечение с (***) (****)

0 0 0 0 1

1 Х Х Х 0 1 0 1

П81 Ú 1, 3, 4, 6, 7

0 Х 0 0 1 0 1 0 Х 0 0 1 0 1 0 Х 0 0 1 0 1 0 Х 0 0 1 0 1 0 Х 0 0 1 0 1 0 Х 0 0 1 0 1

1 1 Х Х 0 1 0 1 1 Х Х Х 0 1 0 1 1 1 Х 1 0 1 0 1 1 Х Х 1 0 1 0 1 1 1 1 Х 0 1 0 1 1 Х 1 Х 0 1 0 1

Пересечение с (****) (*****)

 1

Х 0 1 Х Х 0 1 0 1

П131 Ú 3, 10

 1 1 1 1 1 1 1 1 1 1 1 1

Х 0 1 Х Х 0 1 0 1 1 0 1 Х Х 0 1 0 1 Х 0 1 Х 1 0 1 0 1 1 0 1 Х 1 0 1 0 1 Х 0 1 1 Х 0 1 0 1 1 0 1 1 Х 0 1 0 1

Пересечение с (****) (*****’)

Х Х Х Х Х Х Х Х Х Х Х Х Х 0

Х 1 0 1 Х Х 0 1 0 1 Х Х 0 1 Х Х 0 1 0 1

П100 Ú 7, 9

Х Х 1 Х 1 Х Х Х Х 1 Х 1 Х 0 Х Х 1 Х 1 Х Х Х Х 1 Х 1 Х 0 Х Х 1 Х 1 Х Х Х Х 1 Х 1 Х 0 Х Х 1 Х 1 Х Х

Х 1 0 1 Х Х 0 1 0 1 Х Х 0 1 Х Х 0 1 0 1 1 1 0 1 Х Х 0 1 0 1 1 Х 0 1 Х Х 0 1 0 1 Х 1 0 1 Х 1 0 1 0 1 Х Х 0 1 Х 1 0 1 0 1 1 1 0 1 Х 1 0 1 0 1

Пересечение с (*****’) (******)

1 2 3 4 5 6 7

8 9 10 11 12 13 14 15 16 17 18 19

Примечания

Х Х 1 Х 1 Х 0 Х Х 1 Х 1 Х Х Х Х 1 Х 1 Х 0 Х Х 1 Х 1 Х Х Х Х 1 Х 1 Х 0

 1 Х 0 1 Х 1 0 1 0 1 Х 1 0 1 1 Х 0 1 0 1 Х Х 0 1 1 Х 0 1 0 1 1 1 0 1 1 Х 0 1 0 1 1 Х 0 1 1 Х 0 1 0 1

Пересечение с (*****’) (******)

Х Х Х 1 Х 1 Х

Х 1 0 1 Х Х 0 1 0 1

П91 Ú 4, 6

Х Х 1 1 1 1 Х Х Х 1 1 1 1 0 Х Х 1 1 1 1 Х Х Х 1 1 1 1 0 Х Х 1 1 1 1 Х Х Х 1 1 1 1 0 Х Х 1 1 1 1 Х Х Х 1 1 1 1 0 Х Х 1 1 1 1 Х Х Х 1 1 1 1 0 Х Х 1 1 1 1 Х Х Х 1 1 1 1 0

Х 1 0 1 Х Х 0 1 0 1 Х 1 0 1 Х Х 0 1 0 1 1 1 0 1 Х Х 0 1 0 1 1 1 0 1 Х Х 0 1 0 1 Х 1 0 1 Х 1 0 1 0 1 Х 1 0 1 Х 1 0 1 0 1 1 1 0 1 Х 1 0 1 0 1 1 1 0 1 Х 1 0 1 0 1 Х 1 0 1 1 Х 0 1 0 1 Х 1 0 1 1 Х 0 1 0 1 1 1 0 1 1 Х 0 1 0 1 1 1 0 1 1 Х 0 1 0 1

Пересечение с (******) (*******)

 0 0 0

0 1 Х 0 Х 0 1

П141 Ú 2, 4, 7, 11

 0 0 0 0 0 0 0 0 0

0 1 Х 0 Х 0 1 0 1 Х 0 1 0 1 0 1 1 0 Х 0 1

Пересечение с (**) (***’)

Х Х Х Х 0 Х Х 0 Х Х Х Х Х Х

0 1 Х 0 Х 0 1 0 1 Х 0 Х 0 1

П110 Ú 1, 5

Х 0 Х 0 0 Х 0 0 0 Х 0 Х Х 0 Х 0 Х 0 0 Х 0 0 0 Х 0 Х Х 0 Х 0 Х 0 0 Х 0 0 0 Х 0 Х Х 0

0 1 Х 0 Х 0 1 0 1 Х 0 1 0 1 0 1 1 0 Х 0 1 0 1 Х 0 Х 0 1 0 1 Х 0 1 0 1 0 1 1 0 Х 0 1

Пересечение с (***') (****’)

1 1 1

 0 Х 1 0 Х 0 1

П151 Ú 1, 3, 6, 12

1 1 1 1 1 1 1 1 1

0 Х 1 0 Х 0 1 0 Х 1 0 1 0 1 0 1 1 0 Х 0 1

Пересечение с (**) (***’’)

Х Х Х Х Х Х 1 Х 0 Х Х Х Х Х

0 Х 1 0 Х 0 1 0 Х 1 0 Х 0 1

П120 Ú 2, 7

1 Х 1 Х Х 1 1 1 0 1 Х Х 1 Х 1 Х 1 Х Х 1 1 1 0 1 Х Х 1 Х 1 Х 1 Х Х 1 1 1 0 1 Х Х 1 Х

0 Х 1 0 Х 0 1 0 Х 1 0 1 0 1 0 1 1 0 Х 0 1 0 Х 1 0 Х 0 1 0 Х 1 0 1 0 1 0 1 1 0 Х 0 1

Пересечение с (***’') (****’’)


Как следует из табл. 15, ищется покрытие схемы, обеспечивающее единичное значение выходной функции. Это означает, что на выходе элемента 19 должна быть единица (соответственно, на выходе элемента 18 должен быть 0). По табл. 15 можно увидеть что значение 0 на выходе элемента 18 будет, если на выходе хотя бы одного из элементов 14, 15, или 17 будет 1. Далее осуществляется пересечение покрытия элемента 18 с покрытием элемента 19. Затем последовательно фиксируются покрытия и пересечения применительно к элементам 17, 14 и 15. Результаты пересечения покрытий отмечаются «звездочками».

Покрытие схемы осуществляется по ветвям. После покрытия элементов первого яруса находятся кубы множества L-экстремалей Z. В табл. 15 эти кубы выделены подчеркиванием.

Для большей наглядности выпишем эти кубы:

0X00101

XX1X1X0

XX1111X

X0X00X0

00X0XX0

1X1XX11

101XX1X

Это найденное покрытие точно совпадает с ранее полученным покрытием Е. Следовательно, факторизация минимального покрытия и построение логической схемы осуществлены верно.

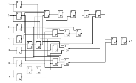
Далее необходимо произвести изменение схемы с учетом конкретных характеристик элементов данного универсального базиса, а именно Квх (коэффициент входа) и Кр (коэффициент разветвления). Современные элементы имеют сравнительно большие значения Квх и Кр, но в данном случае они выбраны малыми: Квх = 4; Кр = 2.

Применительно к схеме на рис. 2 можно сказать что нарушений по Квх нет, но нарушено требование по Кр в двух случаях. Измененная схема представлена на рис. 3. На ней помимо элементов 15, 16, 17 и 18, исправляющих нарушения по Кр, имеются инверторы для каждой координаты куба.

Вместо 19 элементов на рис. 2 стало 32 элемента на рис. 3.

2. СИНТЕЗ КОНТРОЛИРУЮЩЕГО ТЕСТА. КОНТРОЛЬ СХЕМЫ ТЕСТОМ

Синтезировать контрольный тест для логической схемы - найти множество кубов, которые позволяют выявлять неисправности схемы. Если в схеме нет неисправностей, то на каждом кубе получается так называемая эталонная реакция схемы. Множество кубов порождает множество эталонных реакций схемы.

При наличии неисправности в схеме реакция хотя бы на одном кубе должна измениться. В итоге множество реальных реакций не совпадает с множеством эталонных реакций. Это будет говорить о том, что неисправность выявляется. Если тест позволяет выявлять любую неисправность, то он обладает 100-процентной полнотой. Однако, это не всегда бывает так. Обычно тест не обеспечивает выявление всех неисправностей, его полнота менее 100%.

В данной курсовой работе рассматривается ограниченный класс неисправностей:

). Выход элемента тождественно равен 0,

). Выход элемента тождественно равен 1.

Считается, что в данный момент времени в схеме может быть только одна неисправность. Это означает, что схема является высоконадежной.

Синтез теста осуществляется по методу активизации пути. Сущность этого метода заключается в том, что, задав какую-либо неисправность на выбранном входе схемы, нужно обеспечить условия для беспрепятственного прохождения сигнала, связанного с заданной неисправностью, на выход схемы. Это означает, что при прохождении указанного сигнала через элемент ИЛИ-НЕ на всех других его входах надо обеспечить нули. В свою очередь обеспечение таких входных сигналов связано с выбором подходящей строки покрытия элемента, с которого снимается нужный сигнал.

Рис. 3

Процесс активизации путей схемы (рис.3) отображен в табл. 16. Всего оказалось 20 путей.

Контролирующий тест Таблица 16

1 2 3 4 5 6 7

8 9 10 11 12 13 14

15 16 17 18 19 20 21 22 23 24 25 26 27 28 29 30 31 32

Пути

1 0 0 0 1 1 0

0’1 1 1 0 0 1

 1 0 1 0 0 0 1’ 0 1 0 0’ 0 0 0 1 0 1’ 0’

1, 8,21, 25, 31,32

1 0 1 1 0 1 0

0’1 0 0 1 0 1

 0 1 1 0 0 1 0 0 1 0 0 1’ 0 1 0 0 0’ 1’

1, 8, 26, 31,32

1 1 0 0 1 0 1

0 0 1 1 0 1 0

 1 0 0 1 0’ 0 1’ 0 1’ 1 0’ 0 0’ 0 1’ 0’ 1’ 0’

1, 19, 23, 27, 29, 30, 31, 32

1 1 1 0 0 1 0

0 0 0 1 1 0 1

 1 0 1 0 0 0 0 1 1 0 0’ 0 0 1 0 0 1’ 0’

2, 25, 31, 32

1 1 1 0 0 1 0

0 0’ 0 1 1 0 1

 1 0 1 0 0 0 0 1’ 1 0 0 0’ 0 1 0 0 1’ 0’

2, 9, 22,26, 31,32

0 1 1 0 1 0 1

1 0 0 1 0 1 0

 1 0 0 1 0’ 0 0 0 1’ 1 0 0 0’ 0 1’ 0’ 1’ 0’

3, 19, 23, 27, 29, 30, 31, 32

0 1 1 0 1 1 0

1 0 0’ 1 0 0 1

 1 0 1 0 0’ 0 0’ 1 1’ 0 0’ 0 0’ 1 0’ 1’ 0’ 1’

3, 10, 28, 29, 30, 31, 32

1 0 1 1 0 1 0

0 1 0’ 0 1 0 1

 0 1 1 0 0 1 0 0 1 0 0 1’ 0 1 0 0 0’ 1’

3, 10, 26, 31, 32

0 1 0 1 1 0 1

1 0 1 0 0 1 0

 0’ 1’ 0 1 0’ 0 0 0 1’ 1 0 0 0 0 1’ 0’ 1’ 0’

4, 15, 16, 19, 23, 29, 30, 31,32

1 0 0 1 0 1 0

0 1 1 0 1 0 1

 0’ 1’ 1 0 0 1 0 0 1 0 0’ 0 0 0 1 0 1’ 0’

4, 15,16,25,31,32

0 0 1 1 1 1 0

1 1 0 0’ 0 0 1

 0 1 1 0 0 1’ 0 0 1 0’ 0 0 0 1’ 0’ 1’ 0’ 1’

4, 11, 20, 24, 28, 29, 30, 31, 32

1 0 0 0 1 1 0

0 1 1 1 0’ 0 1

 1 0 1 0 0 0 1’ 0 1 0 0’ 0 0 0 1 0 1’ 0’

5,12,21,25, 31,32

0 0 1 1 1 1 0

1 1 0 0 0’ 0 1

 0 1 1 0 0 1 0 0 1 0 0 0 0 1 0 1’ 0’ 1’

5, 12, 30, 31, 32

0 1 0 0 1 1 1

1 0 1 1 0 0 0

 1 0 0 1 0’ 0 0 0 1’ 1 0 0 0’ 0 1’ 0’ 1’ 0’

6,19,23,27,29,30,31,32

1 2 3 4 5 6 7

8 9 10 11 12 13 14

15 16 17 18 19 20 21 22 23 24 25 26 27 28 29 30 31 32

Пути

0 0 1 1 0 1 1

1 1 0 0 1 0’ 0

 0 1 0 1 0 1’ 0 0 1 0’ 0 0 0 1’ 0’ 1’ 0’ 1’

6, 13, 20, 24, 28, 29, 30, 31, 32

1 0 1 1 0 1 0

0 1 0 0 1 0’ 1

 0 1 1 0 0 1 0 0 1 0 0 1’ 0 1 0 0 0’ 1’

6, 13, 26, 31, 32

1 1 1 0 0 1 1

0 0 0 1 1 0 0

 1 0 0’ 0’ 0 0 0 0’ 1 1 0 1’ 0 0 1 0 0’ 1’

7, 17, 18, 22, 26, 31, 32

0 0 1 0 1 1 1

1 1 0 1 0 0 0

 1 0 0’ 1’ 0 0 0 0 1 1 0’ 0 0 0 1 0 1’ 0’

7,17,18,25,31,32

0 0 1 0 1 0 1

1 1 0 1 0 1 0’

 1 0 0 1 0 0 0 0 1 1’ 0 0 0 0’ 1’ 0’ 1’ 0’

7, 14, 24, 28, 29, 30, 31, 32

0 1 0 0 1 0 1

1 0 1 1 0 1 0’

 1 0 1 0 1 0 0 0 0 1 0 0 1’ 0 0’ 1’ 0’ 1’

7, 14, 27, 29, 30, 31, 32


После заполнения всех строк таблицы из нее следует выписать наборы входных переменных с соответствующими реакциями. При этом один набор с переменной 1’ распадается на два набора, в одном из них 1’ дает 1, а в другом - 0. В общей системе наборов обычно получаются одинаковые наборы. Лишние нужно удалить. Оставшиеся ( табл. 17 ) наборы с эталонными реакциями и являются тестом.

Таблица 17

Реакция

Наборы

Реакция

Наборы

0

0 0 1 1 0 1 1

0

0 0 1 0 1 1 1

1

1 0 1 1 0 1 0

0

0 0 1 0 1 0 1

0

1 1 0 0 1 0 1

1

0 1 0 0 1 0 1

0

1 1 1 0 0 1 0

1

0 0 0 0 1 1 0

0

0 1 1 0 1 0 1

0

0 0 1 1 0 1 0

1

0 1 1 0 1 1 0

1

1 0 1 0 0 1 0

0

0 1 0 1 1 0 1

1

1 0 0 0 0 1 0

0

1 0 0 1 0 1 0

0

0 0 1 1 0 0 1

1

0 0 1 1 1 1 0

0

1 0 1 1 0 0 0

0

0 1 0 0 1 1 1

1

0 0 1 0 1 1 0

1

0 0 1 1 0 1 1

1

0 0 1 0 1 0 0

1

1 1 1 0 0 1 1

0

0 1 0 0 1 0 0


Всего получилось 24 набора.

Чтобы проверить схему, надо задать три неисправности: одна касается какого-либо элемента ближе ко входам схемы, другая - к середине схемы, третья - к выходу схемы.

Надлежит установить, обнаруживается или нет каждая заданная неисправность тестом. При этом нужно брать те тестовые наборы, которые как раз и предназначены для обнаружения заданной неисправности.

Проверка схемы проведена в табл. 18. В соответствующем столбце фиксируется ошибка, сведения для столбцов, расположенных левее, берутся из табл.16, остальные заполняются самостоятельно с учетом введенной ошибки. Полученная реакция сравнивается с эталонной. Таким образом устанавливается, обнаруживается или нет заданная неисправность.

Проверка логической схемы контролирующим тестом  Таблица 18

№ набора

1 2 3 4 5 6 7

8 9 10 11 12 13 14

15 16 17 18 19 20 21 22 23 24 25 26 27 28 29 30 31 32

Эталонная реакция

Пути

 7

 0 1 1 0 1 1 0

 1 0 1 1 0 0 1

Выход 10 = 1 1 0 1 0 0 0 0 1 1 0 0 0 0 0 1 0 1 0

 1

3, 10, 28, 29, 30, 31, 32

 9

 0 1 0 1 1 0 1

 1 0 1 0 0 1 0

Выход 19 = 1 0 1 0 1 1 0 0 0 0 1 0 0 1 0 0 1 0 1

 0

4, 15, 16, 19, 23, 27, 29, 30, 31,32

 11

 0 0 1 1 1 1 0

 1 1 0 0 0 0 1

Выход 28 = 0 0 1 1 0 0 1 0 0 1 0 0 0 0 0 1 0 1 0

 1

4, 11, 20, 24, 28, 29, 30, 31, 32


ЗАКЛЮЧЕНИЕ

В данной работе я выполнил синтез логической схемы по заданному в кубической форме покрытию. При этом мною предварительно была проведена минимизация и факторизация покрытия. Первоначальная стоимость покрытия была равна 48, после нахождения множества простых импликант она увеличилась на 5 (что составило 10,4% от первоначальной стоимости), после нахождения множества L-экстремалей стоимость уменьшилась на 17 (32%), а после проведения факторизации покрытия еще на 6 (16,7%). Итоговая стоимость покрытия получилась равной 30. Синтез схемы осуществлялся мною последовательно: сначала была построена схема в булевом базисе, затем по этой схеме была построена схема в универсальном базисе ИЛИ-НЕ (при этом использовались соответствия между элементами булевого и универсального базисов). После составления схемы в универсальном базисе была проведена проверка схемы путем нахождения единичного покрытия. Так как в ходе проверки были найдены все кубы множества L-экстремалей, то схема была признана правильной. И наконец, была составлена схема с учетом реально имеющихся ограничений, а именно: Квх и Кр. Обычно эта схема получается довольно громоздкой (до 50 и более элементов), но в моем случае Квх был равен 4, из-за чего схема увеличилась лишь незначительно: если в схеме в универсальном базисе было 19 элементов, то в конечной схеме их было только 32. Напоследок мною был синтезирован контролирующий тест и проведена проверка схемы тестом, которая показала, что заданная неисправность успешно обнаруживается тестом.

ЛИТЕРАТУРА

1. Триханов А.В. Синтез логических схем. Учебное пособие.-Томск,2007.

2. Майоров С.А. и др. Проектирование ЦВМ. - М.:ВШ,2006.

3. Миллер Р. Теория переключательных схем. Том 1. - М.:Наука,2006.

4. Триханов А.В. Алгоритмизация и микропрограммирование операций ЭВМ (множества, графы, кубы, кубические покрытия). Учебное пособие. - Томск: Изд-во ТПУ,2005.

Похожие работы на - Синтез и исследование логической схемы при кубическом задании булевой функции

 

Не нашли материал для своей работы?
Поможем написать уникальную работу
Без плагиата!
Без нейросетей!