Технологические свойства осей
1. Общая часть проекта
.1 Описание конструкции и назначение детали
Ось применяется в комплексе оборудования механизированного для
производства армированной колючей ленты, предназначенной для получения режущего
профиля и армированной колючей ленты из стальной оцинкованной ленты и
проволоки. Осью называют цилиндрическую деталь, не предназначенную для передачи
движений и усилий вращения, служит в основном для фиксации вращающейся детали.
Ось в большинстве случаев неподвижна, а вращаются детали, посаженные на эту
ось. Исключение из этого общего правила составляет ось колесной пары вагона или
локомотива, которая во время работы вращается.
Материалом для изготовления валов и осей служат обыкновенные углеродистые
стали преимущественно марок 40 и 45 ГОСТ1050-88 или Ст.4 и Ст.5 ГОСТ380-74, а
также некоторые легированные стали. В нашем случае, применяется материал сталь
45 ГОСТ 1050-88.
Поверхности осей, работающие на трение, рекомендуется под шлифовку
термически обрабатывать; в этом случае резко снижается износ и повреждение
рабочих поверхностей.
В качестве опор для осей служат различного рода подшипники, которые
разделяются на две основные группы: подшипники скольжения и подшипники качения.
1.2 Характеристика материала
Сталь 45.
Назначение - станины, зубчатые колеса и венца, тормозные диски, муфты,
опорные катки, звездочки и другие детали к которым предъявляются требования
повышенной прочности и высокого сопротивления износу и работающему под
действием статических и динамических нагрузок.
Таблица 1.1- Химический состав % (ГОСТ 977-75)
|
С
|
Mn
|
Si
|
Cr
|
Ni
|
Cu
|
S
|
P
|
|
|
|
не более
|
|
0,42-0,5
|
0,4-0,9
|
0,2-0,52
|
0,3
|
0,3
|
0,3
|
0,045
|
0,04
|
Таблица 1.2- Механические свойства
|
Термообра-ботка
|
s0, МПА
|
sв, МПА
|
dБ %
|
y %
|
KCU
|
HRCэ (HB)
|
|
МПА
|
%
|
|
|
|
не менее
|
|
|
|
1
|
2
|
3
|
4
|
5
|
6
|
7
|
|
Нормализация 860-880° С. Отпуск 600-630° С
|
320
|
550
|
12
|
20
|
29
|
-
|
|
Закалка 860-880° С. Отпуск 550-600° С
|
400
|
600
|
10
|
20
|
24
|
-
|
|
Нормализация 860-880° С. Отпуск 630-650° С
|
290
|
520
|
10
|
18
|
24
|
-
|
|
|
|
|
|
|
|
|
|
|
|
|
|
Технологические свойства
Свариваемость - трудносвариваемая.
Способ сварки: РДС, необходим подогрев и последующая термообработка.
Обрабатываемость резанием - в отожженном состоянии при HB200
Химический
состав стали 45: С=0,42…0,50%; Si=0,17…0,37%; Мп=0,50…0,80%; Сr=0,25%.
Обрабатываемость резанием в горячекатаном состоянии при НВ 170-179 и
в=640 мПа.
Механические
свойства при Т=20 °С материала 45
|
Твердость материала 45
горячекатанного отожженного
|
HB 10 -1 = 170 МПа
|
|
Твердость материала 45
калиброванного нагартованного
|
HB 10 -1 = 207 МПа
|
1.3 Анализ технологичности конструкции детали
Технологичность - важнейшая техническая основа, обеспечивающая
использование конструкторских и технологических резервов для выполнения задач
по выполнению технико-экономических показателей изготовления и качества
изделий. Работа по улучшению технологичности должна производиться на всех
стадиях проектирования и освоения в производстве выпускаемых изделий.
При выполнении работ, связанных с технологичностью, следует
руководствоваться группой стандартов, входящих в единую систему технологической
подготовки производства (ЕСТПП), а именно ГОСТ 14.201 - 83… 14.204 - 73, а так
же ГОСТ 2.121 - 73 «Технологический контроль в конструкторской документации».
Технологичность конструкции деталей обуславливается:
) Рациональным выбором исходных заготовок и материалов;
) Технологичностью формы детали;
) Рациональной простановкой размеров;
) Назначением оптимальной точности размеров, формы и взаимного
расположения поверхностей, параметров шероховатости и технологичность
требований.
Технологичность детали зависит от типа производства; разработанного
технологического процесса, оборудования и оснастки; организации производства, а
так же от условий работы детали и сборочной единицы в изделии и условий ремонта.
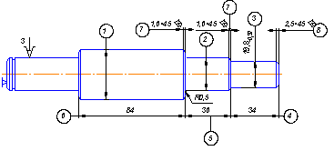
Рисунок
1.1- Обозначение поверхностей
Таблица
1.3- Анализ технологичности
|
Наименование поверхности
|
Количество поверхностей
|
Количество унифицированных
поверхностей
|
Квалитет
|
Шерохо-ватость
|
|
1
|
2
|
3
|
4
|
5
|
|
Наружные цилиндрические
поверхности: А (Ø35)
Б (Ø35k6) В (Ø25g6)
Г
(Ø25h7) Резьбовая поверхность Д
|
2 1 1 1 1
|
- - 1 1 1 1
|
14 6 6 7 14
|
0,8 0,8 1,6 1,6 6,3
|
|
Торцы: Е Ж З И Шпоночный
паз: К Канавки: Л М Н Радиусы скруглений: О (0,5мм) П (4мм) Фаски: Р (2,5×45˚) С (1,6×45˚) Шпоночный паз: Т
|
1 1 1 1 1 1 2 1 2 4 1
4 1
|
- - - - 1 1 2 1 2 4 1
4 1
|
14 14 14 14 9 13 13 14
14 14 14 14 9
|
6,3 6,3 6,3 6,3 3,2 3,2
3,2 6,3 6,3 6,3 6,3 6,3 3,2
|
|
Итого:
|
27
|
21
|
|
|
Определим показатели количественной оценки технологичности конструкции:
1. Коэффициент использования материала, ки.м. определим по формуле:
³ 0.7, (1.20)
где mд -
масса детали;
mз - масса
заготовки по заводскому технологическому процессу.
≤
0,7 - деталь не технологична.
2. Коэффициент унификации конструктивных элементов, ку.э определим
по формуле:
, (1.21)
где
Nу - число унифицированных элементов;
N0 - общее
количество обрабатываемых поверхностей.
> 0,6
- деталь технологична.
3. Коэффициент точности обработки, кт определим по формуле:
,
(1.22)
где Аср-
средний квалитет точности:
Средний квалитет точности, Аср, рассчитываем по формуле:
, (1.23)
где
ni - количество элементов данного квалитета точности.
> 0,8
- деталь технологична.
4. Коэффициент шероховатости, кш, рассчитываем по формуле:
, (1.24)
где Бср-
среднее арифметическое значение шероховатости обрабатываемых поверхностей по
параметру Rа.
Среднее
арифметическое значение шероховатости обрабатываемых поверхностей по параметру Rа,
Бср мкм, определим по формуле:
, (1.25)
<
0,32 - деталь технологична.
Расчет
коэффициентов позволяет считать конструкцию детали нетехнологичной с точки
зрения массы, технологичной с точки зрения унификации поверхностей,
шероховатости и точности поверхностей.
2.Технологическая
часть проекта
.1
Определение типа производства
Для данного объема выпуска изделий предпочтительным является
среднесерийное производство.
Для предварительного определения типа производства можно использовать
годовой объем выпуска деталей и массу детали по таблице 3.1 на стр. 24 (1).
Таблица 2.1-Зависимость типа производства от объема выпуска и массы
детали
|
Масса детали, кг.
|
Тип производства
|
|
Единич.
|
Мелкосер.
|
Среднесер.
|
Крупносер.
|
Мас.
|
|
< 1.0
|
< 10
|
10-2000
|
1500-100000
|
75000-200000
|
200000
|
|
1.0-2.5
|
< 10
|
10-1000
|
100-50000
|
50000-100000
|
100000
|
|
2.5-5.0
|
< 10
|
10-500
|
500-35000
|
35000-75000
|
75000
|
|
5.0-10
|
< 10
|
10-300
|
300-25000
|
25000-50000
|
50000
|
|
> 10
|
< 10
|
10-200
|
200-10000
|
10000-25000
|
25000
|
Выбираем среднесерийный тип производства, исходя из того, что масса
детали 1,0 кг и годовой объем выпуска продукции 5000 деталей.
Среднесерийное производство характеризуется малой номенклатурой
выпускаемых изделий и большим объемом выпуска четко повторяющихся партий.
Вид движения при таком типе параллельно-последовательный, оборудование
универсальное и специальное. Заводы имеют развитую производственную систему.
Объем выпуска такого производства составляет:1000 - 50000 штук в год.
Применяемое оборудование обладает высокой производительностью; это станки
полуавтоматы с ЧПУ, гидрокопировальные станки и т. п. В настоящее время в
среднесерийном производстве применяются гибкие производственные системы,
включающие в себя станки с ЧПУ и промышленные работы.
Станочные приспособления применяются с механизированным приводом зажима.
Режущий инструмент: стандартный, специальный мерительный инструмент, в
основном, предельные калибры.
Квалификация работы ниже, чем средняя.
Коэффициент закрепления операций 10< К30 < 20.
.2 Выбор метода получения заготовки
Произвести технико-экономический расчет двух вариантов изготовления
заготовки: методом горячей объемной штамповки и из проката. Годовой объем
выпуска деталей- 5000 штук. Рабочий чертеж детали - ось. Материал детали- сталь
45 ГОСТ 1050-88. Масса детали- 1,0 кг. Устанавливаем тип производства по
годовому объему выпуска изделий и массе детали по рабочему чертежу- среднесерийный.
Вариант 1. Заготовка из проката. Согласно точности и шероховатости
поверхностей обрабатываемой детали определяем промежуточные припуски. За основу
расчета промежуточных припусков принимаем наружный диаметр 35k6.
Обработку поверхности диаметром 35мм производят в жестких центрах, на
многорезцовом токарном полуавтомате; окончательную обработку поверхности детали
выполняют на круглошлифовальном станке.
Технологический маршрут обработки данной поверхности:
Операция 005. Токарная.
Операция 010. Токарная.
Операция 015. Термическая обработка НRCэ41…46.
Операция 020. Шлифовальная однократная.
Припуски на подрезание торцовых поверхностей: 0,8мм (т. 4.11, стр.29
методички).
При черновом точении припуск на обработку составляет 4,5мм; при чистовом-
1,6мм; на шлифовальную обработку- 0,5мм.
Определяем промежуточные размеры обрабатываемых поверхностей согласно
маршрутному технологическому процессу:
На токарную операцию 010:
р010= Dн+2Zш=35+0,5=35,5мм
На токарную операцию 005:
р005= Dр010+2Z010=35,5+1,6=37,1мм
Расчетный размер заготовки:
р.з.= Dр005+2Z005=37,1+4,5=41,6мм
По расчетным данным заготовки выбираем необходимый размер горячекатаного
проката обычной точности по ГОСТ 2590-71:
Круг
Нормальная
длина проката стали обыкновенного качества 4-7м.
Отклонения
для диаметра 42 равны 0,4мм.
Припуски
на подрезку торцовых поверхностей заготовки выбираются по таблице 4.11
(методичка). Припуски на обработку двух торцовых поверхностей заготовки равны
1,6мм.
Общая
длина заготовки:
Lз=Lд+2Zподр,
где
Lд- номинальная длина детали по рабочему чертежу, мм
Lз=210+1,6=211,6мм
Предельные
отклонения на длину заготовки устанавливаем по справочным таблицам.
Исходя
из предельных отклонений, общую длину заготовки округляем до целых единиц.
Принимаем длину заготовки 212мм.
Объем
заготовки определяем:
з=
,
з-
максимальная длина заготовки, см;
Dз.п.-
максимальный диаметр заготовки, см.
Vз=
,
Масса
заготовки определяется по формуле:
з=ρ·Vз,
где
ρ- плотность материала, кг/см3;
Vз- объем
заготовки, см3
Gз=0,00785·299,2=2,35кг
Выбираем
оптимальную длину проката для изготовления заготовки.
Потери
на зажим заготовки Lзаж принимаем 80мм. Заготовку отрезаем на ножницах.
Это самый производительный и дешевый способ.
Длину
торцового обрезка определяем из соотношения:
об=(0,3…0,5)·d,
где
d- диаметр сечения заготовки, мм; d=42мм.
Lоб=0,3·42=12,6мм=13мм
Число
заготовок определяется по формуле.
Из
проката длиной 4м:
,
от-
длина торцового обрезка проката, мм;
Lзаж-
минимальная длина зажимного конца, мм
Получаем
18 заготовок из данной длины проката.
Из
проката длиной 7м:
Принимаем
32 заготовки из данной длины проката.
Остаток
длины определяется в зависимости от принятой длины проката. Из проката длиной
4м:
нк4=
Lпр -Lоб- Lзаж-( L4·х4)
нк4=
4000 -15-80-(212·18)=89мм
Пнк4=(Lнк·100)/
Lпр
Пнк4=(89·100)/
4000=2,23%
Из
проката длиной 7 метров:
Lнк7= 7000
-27-80-(212·32)=109мм
Пнк7=(109·100)/
7000=1,56%
Из
расчетов на некратность следует, что прокат длиной 7м для изготовления
заготовок более экономичен, чем прокат длиной 4м. Потери материала на зажим при
отрезке по отношению к длине проката составят:
Пзаж=(Lзаж·100)/
Lпр
Пзаж=(80·100)/
7000=1,14%
Потери
материала на длину торцового обрезка проката составят:
Пот=(Lот·100)/
Lпр
Пот=(32·100)/
7000=0,46%
Общие
потери к длине выбранного проката:
Пп.о.=Пнк+Пот+Пзаж,
где
Пнк- потери материала на некратность, %;
Пот-
потери на торцовую обрезку проката;
Пп.о.=1,56+0,46+1,14=3,16%
Расход
материала на одну деталь с учетом всех технологических неизбежных потерь
определяем по формуле:
з.п.=
Gз(100+Пп.о.)/100
з.п=2,35·(100+3,16)/100=2,42кг
Коэффициент
использования материала:
Ки.м.=
Gд/ Gз.п,
где
Gд- масса детали по рабочему чертежу, кг;
Gз.п- расход
материала на одну деталь с учетом технологических потерь, кг
Ки.м.=
1,0/2,42=0,41
Стоимость
заготовки из проката:
Сз.п=См·
Gз.п-(Gз.п- Gд)·(Сотх/1000),
где
См- цена 1 кг материала заготовки, руб.;
Сотх-
цена 1 тонны отходов материала, руб.
Сз.п=13,3
2,42-(2,42- 1,0)·(33,90/1000)=32,14руб.
Вариант
2. Заготовка изготовлена методом горячей объемной штамповки на
горизонтально-ковочной машине.
Для поковки припуски назначаем на поверхности А, Б, Г и торцы Г, Д, Е, Ж.
по ГОСТ 7505-89 и (табл. 20-21, стр. 138-140, табл. 23, стр. 146 [21]).
Определяем группу материала, из которого изготавливается штамповка:
Материал - Сталь 45 по ГОСТ 1050-88;
,45% С- группа стали М2 (табл. 1, стр. 2);
Класс точности штамповки - Т4 (табл. 19, стр. 28);
Степень сложности поковки - С1 (свыше 0,63)
Степень сложности поверхности определяется по формуле
(1.19)
(1.20)
где
- масса поковки, кг;
- масса
описанной фигуры, кг;
- масса
детали, кг;
-
коэффициент для определения ориентировочной расчетной массы поковки.
(1.21)
где
D - диаметр описанной фигуры, мм;
Н
- высота описанной фигуры, мм;
-
плотность материала, кг/мм2.
кг
кг
Степень
сложности данной поковки соответствует С1 с числовыми значениями в пределах
свыше 0,63.
Конфигурация
поверхности разъема штампа для изготовления данной детали - плоская П.
Дополнительные
припуски, учитывающие смещение по поверхности разъема штампа - 0,2 мм (табл.4);
штамповочные
уклоны по наружной поверхности 50 (табл.18);
дополнительная
величина остаточного облоя - 0,7 мм;
минимальная
величина радиусов закругления наружных углов штамповки - R2,0
мм (табл.7);
дополнительные
отклонения по изогнутости от прямолинейности и от плоскостности - 0,6 мм
(табл.13).
Определение
исходного индекса
В
зависимости от массы, марки стали, степени сложности и класса точности исходный
индекс (табл. 2, стр. 10 ГОСТ 7505-89) - 10.
Основные
припуски и допуски на размеры поковки назначим согласно (таблицам 3 и 8 ГОСТ
7505-89 или табл.23, стр.147 [21]).
Таблица
2.2- Общие припуски на поверхности заготовки
|
Размер детали/ допуск
отклонение
|
Поверхность
|
Квалитет
|
Шероховатость
|
Припуск на мех. обработку
|
Размер заготовки
|
|
Ø35-0,016
|
1
|
6
|
0,8
|
Ø
|
|
|
Ø25-0,013
|
2
|
6
|
1,6
|
Ø
|
|
|
Ø
25-0,021
|
3
|
7
|
1,6
|
Ø
|
|
|
84 -0,87
|
4, 5
|
14
|
6,3
|

|
|
|
210+1,15
|
6;7
|
14
|
6,3
|

|
|
|
56+0,37
|
5;6
|
14
|
6,3
|

|
|
|
70+0,37
|
4, 7
|
14
|
6,3
|

|
|
Для определения объема штампованной заготовки условно разбиваем фигуру
заготовки на отдельные простые элементы и проставляем на них размеры с учетом
плюсовых допусков.
Определим объем отдельных элементов заготовки:
V2=
;
V3=
;
V1=
V2=
V3=
Общий
объем заготовки:
0=V1+V2+V3;
0=46,9+106,3+37,8=191см3
Масса
штампованной заготовки:
з.ш.=ρ V0;
з.ш.=0,00785
191=1,5кг
Принимая
неизбежные технологические потери при горячей объемной штамповке равными 10%,
определим расход материала на одну деталь:
з.п.=
Gз.ш.·(100+Пп.о.)/100;
з.п=1,5·(100+10)/100=1,65кг
Коэффициент
использования материала на штампованную заготовку:
Ки.м.=Gд./Gз.п.,
где
Gд- масса детали по рабочему чертежу, кг;
Gз.п- расход
материала на одну деталь с учетом технологических потерь, кг
Ки.м.=1,0./1,65=0,61
Стоимость
штампованной заготовки:
Сз.ш.=См·
Gз.п.-( Gз.п.- Gд.)·
,
где
См-цена 1 кг материала заготовки, руб.;
Сотх-
цена 1т отходов материала, руб.
Сз.ш.=23,2·
1,65.-(1,65-1,0)·
=38,26руб
Годовая
экономия материала от выбранного варианта изготовления заготовки:
Эм=(
Gз.п.´- Gз.п.´´)·N;
ось поверхность заготовка припуск
где
Gз.п.´- стоимость
заготовки, полученная при первом методе, руб;
Gз.п.´´- стоимость заготовки, полученная при втором методе,
руб.
Эм=(2,42-
1,65)·5000=3850руб.
Экономический
эффект от выбранного вида изготовления заготовки:
Э=(Сз.ш.´´ Сз.ш.´)·N
Э=(38,26-32,14)·5000=30600руб.
Технико-экономические
расчеты показывают, что заготовка, получаемая методом горячей объемной
штамповки на горизонтально-ковочной машине более экономична по использованию
материала, чем заготовка из проката. Однако по себестоимости штампованная
заготовка дороже, поэтому принимаем заготовку из круглого горячекатаного
проката обычной точности.
.2.1 Расчёт припусков, допусков, межоперационных размеров
Определим промежуточные припуски и промежуточные размеры при обработке
поверхности оси диаметром 35k6
согласно рабочего чертежа.
Исходная заготовка- горячекатаный прокат обычной точности В, ГОСТ
2590-71.
После отрезки заготовка правится и центрируется.
Тип производства- среднесерийный.
В нашем случае обработку детали можно выполнить на токарном многорезцовом
полуавтомате. Заготовка устанавливается в центрах.
Шлифовальная обработка выполняется на круглошлифовальном станке.
Заготовка устанавливается на жесткие центра. Составляем технологический маршрут
обработки поверхности Ø35k6мм.
Операция 005. Токарная (черновая обработка).
Операция 010. Токарная (чистовая обработка).
Операция 015. Шлифовальная (предварительная обработка).
Операция 020. Шлифовальная (окончательная обработка).
Промежуточные припуски, допуски и промежуточные размеры по
технологическим операциям заносим в таблицу.
Таблица 2.3 - Промежуточные припуски, допуски и промежуточные размеры
|
Поверхность, переходы
|
Элементы припуска
|
Проме-жу-точный при-пуск
|
Проме- жу- точный допуск
|
Промежуточный размер
|
|
Rzi, мкм
|
hzi-1, мкм
|
ρzi-1, мкм
|
εу, мкм
|
Zmin, мкм
|
δi ,
мм
|
Dmin,мм
|
Dmах,мм
|
|
1
|
2
|
3
|
4
|
5
|
6
|
8
|
10
|
|
|
Заго- товка - прокат
|
150
|
250
|
380,3
|
-
|
-
|
1,15
|
37,21
|
40,1
|
|
Токар ная: -черновая
-чистовая
|
60 30
|
60 30
|
22,8 -
|
288 17
|
1754 296,9
|
0,62 0,16
|
35,46 35,16
|
36,56 35,48
|
|
Шлифовальная предвари-
тельная окончательная
|
10 6
|
20 12
|
- -
|
- -
|
120 60
|
0,062 0,016
|
35,04 39,84
|
35,14 35
|
|
Торцы Фрезерная
|
160
|
250
|
52,5
|
200
|
662,5
|
1,15
|
209,48
|
212,4
|
.Суммарные отклонения расположения проката:
ρ0=
, ( )
где
ρом- величина отклонения расположения, мкм;
ρц- величина отклонения расположения заготовки при центровке, мкм.
.Величину
отклонения расположения проката ρом определяют:
ρом=2·∆у·Lк,
где
∆у- величина удельного отклонения расположения, мкм/мм ( таблица 4.21
методички);
Lк- расстояние
от сечения, для которого определяют величину отклонения расположения до места
крепления заготовки, мм.
L=212мм- общая
длина заготовки, мм
Lк≤0,5=0,5·212=106мм
ρом=2·0,07·106=15мкм
ρц=0,25·
,
где
δз=1,15мм- допуск на диаметр базовой поверхности.
ρц=0,25·
.
Суммарное отклонение расположения определяем по формуле ( ):
ρ0=
=380,3мкм
.
Погрешность установки заготовки при базировании в центрах определяем по
формуле:
εу=0,25·δDз,
εу=0,25·1150=288мкм
.
Минимальный припуск на черновую токарную обработку:
Zmin=2·(Rz+h+
),
где
Rz=150мкм- высота микронеровностей поверхности, оставшихся
при выполнении предшествующего технологического перехода;
h=250мкм-
глубина дефектного поверхностного слоя, оставшегося при выполнении
предшествующего технологического перехода;
ρ0- суммарные отклонения расположения, возникшие на предшествующем технологическом
переходе, мкм;
εу- величина погрешностей установки заготовки при выполняемом
технологическом переходе, мкм.
Zmin=2·(150+250+
)=1754мкм
.
Максимальный припуск на черновую обработку поверхности детали определяем по
формуле:
Zmax=2Zmin+δDn+ δDв,
где
δDn- допуск на размер на предшествующем переходе, мм;
δDв- допуск на размер на выполняемом переходе, мм
Zmax=1754+1150+620=3524мкм
Величину
остаточного суммарного отклонения расположения заготовки после выполнения
черновой обработки поверхности определяем по формуле:
ρост=Ку·ρо.з.,
где
Ку=0,06 (таблица 4.18, стр.52 методички)
ρост=0,06·380,3=22,8мкм
Величина
погрешности установки при чистовой обработке поверхности заготовки:
εу.ч.=0,06·εу
εу.ч.=0,06·288=17мкм
При
последующей обработке поверхности детали погрешность установки из-за малости ее
величины в расчет не принимаем.
.2.2
Определение размеров заготовки. Расчеты масс
Расчетный
минимальный и максимальный припуски на чистовую токарную обработку поверхности
детали определим:
Zmin=2·(60+60+
)=296,9мкм
Rz=60мкм
(таблица 4.20, стр. 55 методички)
h=60мкм (таблица
4.20, стр. 55 методички)
Zmax=296,9+620+160=1076,9мкм
Расчетный
минимальный и максимальный припуски на шлифовальную предварительную обработку
поверхности составит:
Zmin=2·(30+30)=120мкм
Zmax=120+160+62=342мкм
Rz=30мкм
(таблица 4.20, стр. 55 методички);
h=30мкм (таблица
4.20, стр. 55 методички)
Расчетный
минимальный и максимальный припуски на шлифовальную окончательную обработку
поверхности составит:
Zmin=2·(10+20)=60мкм
Zmax=60+62+16=138мкм
Rz=10мкм
(таблица 4.20, стр. 55 методички);
h=20мкм (таблица
4.20, стр. 55 методички)
.
Промежуточные расчетные размеры по обрабатываемой поверхности определяем по
формуле:
для
чистовой шлифовальной обработки
черн.шл.= Dmin+2Zminшл.чист
черн.шл.=
35+0,06=35,06мм;
для
чистовой токарной обработки
чист.ток..=Dminчерн.шл+2Zminшл. черн
чист.ток..=35,060+0,12=35,18;
для
черновой токарной обработки
черн.ток..=Dminчист.ток+2Zmin.ток. чист
черн..ток..=35,18+0,3=35,48мм;
для
заготовки детали
р.з.=Dmin.черн.ток+2Zmin.ток. черн
р.з.=35,48+1,75=37,23мм
Промежуточные
размеры определяют методом прибавления значений припусков по максимальным и
минимальным значениям, начиная с размера детали.
Минимальные
предельные промежуточные размеры:
черн.шл...=Dд+2Zminшл. чистчерн.шл...=34,98+0,06=35,04мм;
чист.ток..=Dminчерн.шл+2Zminшл. черн
чист.ток..=35,04+0,12=35,16мм
.черн.ток..=Dmin.чист.ток+2Zmin.ток. чист
.черн.ток..=35,16+0,3=35,46мм;
р.з.= Dmin.черн.ток+2Zmin.ток. черн
р.з.=
35,46+1,75=37,21мм
Максимальные
предельные промежуточные размеры:
ах черн.шл...=Dд+2Zmах.шл. чист
ах.черн.шл...=35+0,138=35,138мм;
ахчист.ток..=Dmахчерн.шл+2Zmахшл. черн
ах.чист.ток..=35,138+0,342=35,48мм
ах. черн.ток..=Dmах.чист.ток+2Zmах.ток. чист
ах.черн.ток..=35,48+1,077=36,56мм;
р.з.=Dmах.черн.ток+2Zmах.ток. черн
р.з.=36,56+3,524=40,1мм
По
максимальным размерам заготовки выбирается диаметр проката по ГОСТ 2590-71.
Диаметр проката- Ø42мм.
Определим
промежуточные припуски и промежуточные размеры при обработке торцовой
поверхности длиной 210мм согласно рабочего чертежа.
В
нашем случае обработку торцов детали можно выполнить на фрезерно-центровальном
полуавтомате МР-73. Заготовка устанавливается на призмы.
Производится
фрезерование торцов детали и сверление центровых отверстий.
Минимальный
припуск на фрезерование торцов:
Zmin=Rz+h+ρ0+εy;
=160мкм
(таблица 4.19, стр.54 методички);
h=250мкм
(таблица 4.19, стр.54 методички);
или (табл. 12, стр.186,
Суммарное отклонение расположения и формы поверхности, ρ0 мкм, на предыдущем переходе
определяем по формуле:
ρ0==Dк×Д (1.35)
где Dкр=1,5 мкм/мм -
кривизна профиля (стр.180,таб. 4, [20]);
Д - диаметр поверхности, мм.
ρ0=1,5×35=52,5 мкм
eу=200 мкм (стр.43 таб.15, [20])
Zmin=2×(160+250+52,5+200)=662,5 мкм
Максимальный припуск на обработку торцовых поверхностей:
= Zmin+dп-dв
где Zimin - минимальный припуск на
поверхность, мкм;
dп - допуск на поверхность на предыдущем переходе, мкм.
dв- допуск на поверхность на выполняемом переходе, мкм.
Zmax=
662,5+2900-1150=2412,5мкм
Минимальные предельные промежуточные размеры:
р.зmin.= Lmin.+Zmin.
р.зmin.= 208,85+0,63=209,48мм
Максимальные предельные промежуточные размеры:
р.зmах.= Lmах.ч+Zmах.
р.зmах.=210+2,413=212,4мм
По максимальным размерам заготовки выбирается длина проката по ГОСТ
2590-71. Длина проката- 212мм.
2.3 Технические условия на деталь и методы их достижения
Деталь принадлежит к классу валов. Максимальный диаметр 35мм, длина
210мм. На поверхностях Ø25g6 и Ø25h7 имеются два шпоночных паза 8N9×4×25мм и 8N9×4×18мм. Шейки оси имеют точные
поверхности. По Ø35k6 на длине 43,4мм расположена поверхность под подшипники.
Наивысший класс точности наружных поверхностей- 6 квалитет. Конструкторской базой
является ось центров, радиальное биение шеек оси 0,05мм и 0,1мм. Фрезерование
паза будет производиться последней в технологическом процессе обработки детали
«Ось». Предполагаемой базой будут поверхности шеек оси и торец детали.
Рассмотрев конструкцию детали, ее поверхности и размеры, приходим к выводу, что
деталь технологична, т.к. может быть получена из заготовки- прутка или поковки.
Обрабатываемость стали 45 очень хорошая. Обработка может вестись на
универсальном металлорежущем оборудовании с применением стандартного режущего и
мерительного инструмента.
.4 Проектирование маршрутного и операционного технологического процесса
Маршрутный технологический процесс механической обработки детали «Ось»
Заготовительная
Термообработка
Фрезерно-центровальная
Токарная с ПУ
Токарная с ПУ
Термообработка
Круглошлифовальная
Токарно-винторезная
Вертикально-фрезерная
Маркирование
Т.контроль
Н.покрытие
Таблица 2.4- Операционный технологический процесс
|
№ пе-ре-хо-да
|
Содержание операция,
перехода
|
Операционной эскиз по ГОСТ
3.1107-81, ГОСТ 3,1702-79
|
Оборудование,
приспособления
|
|
1
|
2
|
3
|
4
|
|
005
|
Заготовительная
|
|
|
|
010
|
Термообработка
|
|
|
015 Фрезерно-центровальная 1.Установить и
закрепить заготовку. 2.Фрезеровать торцы с двух сторон, выдерживая размер 1. 3.
Сверлить центровые отверстия, выдерживая размеры 4.Снять заготовку.
МР-73
020 Токарная с ПУ 1. Установить,
зажать заготовку. 2. Точить поверхность предварительно и окончательно с
одновременной подрезкой торцов и образованием фасок, выдерживая размеры 1-6 3.
Точить канавку, выдерживая размеры 6,7,8. 4. Снять заготовку.
16К20Ф3
025 Токарная с ЧПУ 1. Установить и зажать
заготовку. 2. Точить поверхности предварительно и окончательно с одновремен-
ной подрезкой торцов и образованием фасок, выдерживая размеры 1-8. 3. 3. Точить
2 канавки, выдерживая размеры 9-12. 4. 4.Точить канавку, выдерживая 13-17. 5.
5.Нарезать резьбу, выдерживая размер 18. 6. 6. Снять заготовку.
16К20Ф3
Трехкулачковый патрон
035 Круглошлифо-вальная 1.Установить и
закрепить заготовку. 2.Шлифовать поверхности, выдерживая размеры 1,2.
3.Переустано-вить заготовку. 4.Шлифовать поверхность, выдерживая размер 3.
5.Снять заготовку.
3161
|
поводковый патрон, центра
|
|
040 Токарно-винторезная 1.Установить и зажать
заготовку. 2.Полировать поверхность, выдерживая
(2 раза).
|
3. Снять заготовку.
|
|
|
045 Вертикально-фрезерная с ПУ 1.Установить и
зажать заготовку. 2. Фрезеровать 2 паза, выдерживая размеры 1-8. 3. Снять
заготовку.
6Р13Ф3
|
специальное приспособление
|
|
.5 Обоснование выбора технологических баз
На фрезерно-центровальной операции базируем деталь по необработанной
наружной цилиндрической поверхности для обработки торцов и центровых отверстий.
Данная схема базирования лишает заготовку 4 степеней свободы - перемещения
вдоль осей Y Z и поворота вокруг осей Y Z.
Наружная цилиндрическая поверхность является двойной направляющей базой,
лишающей заготовку 4-х степеней свободы. Такая схема реализуется при установке
заготовки в тисках.
Рисунок 1.4 - Схема базирования заготовки на фрезерно- центровальной
операции
На 020 и 025 токарных с ЧПУ операциях базируем заготовку по оси симметрии
детали и торцу для обработки наружных цилиндрических поверхностей, торцов,
фасок и канавок. Данная схема базирования лишает заготовку 5 степеней свободы -
перемещения вдоль осей X, Y, Z и поворота вокруг осей Y и Z.
Ось симметрии детали является двойной направляющей базой, лишающей
заготовку 4-х степеней свободы. Торец является опорной базой и лишает заготовку
одной степени свободы. Такая схема реализуется при установке заготовки в
патроне и заднем центре.
Рисунок 1.5 - Схема базирования заготовки на 020 и 025 токарных с ЧПУ
операциях
На круглошлифовальной операции базируемся по торцу и оси симметрии детали
для обработки наружных цилиндрических поверхностей. Данная схема базирования
лишает заготовку 5 степеней свободы - перемещения вдоль осей X Y Z и поворота вокруг осей Y Z.
Торец - опорная база, лишает заготовку одной степени свободы; ось
симметрии детали - двойная направляющая база, лишающая заготовку 4-х степеней
свободы. Такая схема базирования реализуется посредством центров и поводка.
Рисунок
1.10 - Схемы базирования заготовки на круглошлифовальной операции
На
токарно-винторезной операции базируем заготовку по оси симметрии детали и торцу
для обработки наружной цилиндрической поверхности. Данная схема базирования
лишает заготовку 5 степеней свободы - перемещения вдоль осей X, Y, Z и
поворота вокруг осей Y, Z (рис. 1.6).
Ось
симметрии детали является двойной направляющей базой, лишающей заготовку 4-х
степеней свободы. Торец является опорной базой и лишает заготовку одной степени
свободы. Такая схема реализуется при установке заготовки в патроне и заднем
центре.
Рисунок
1.6 - Схема базирования заготовки на токарно-винторезной операции
На вертикально-фрезерной операции с ЧПУ базируем заготовку по
обработанной наружной цилиндрической поверхности и торцу для обработки
шпоночного паза. Данная схема базирования лишает заготовку 5 степеней свободы -
перемещения вдоль осей X, Y, Z и поворота вокруг осей Y, Z.
Наружная цилиндрическая поверхность детали является двойной направляющей
базой, лишающей заготовку 4-х степеней свободы. Торец является опорной базой и
лишает заготовку одной степени свободы. Такая схема реализуется при установке
заготовки в специальном приспособлении.
Рисунок 10 - Схема базирования заготовки на вертикально-фрезерной с ЧПУ
операции
.6 Выбор оборудования и его характеристика
Для операции 015 применяем станок специальный фрезерно - центровальный МР
- 73М.[19]
Таблица 2.5-Техническая характеристика станка МР- 73М
|
Параметры
|
Значения
|
|
Размеры обрабатываемых
деталей (диаметр на длину), мм
|
25÷80 250÷
1000
|
|
Частота вращения шпинделя,
об/ мин
|
270÷1254
|
|
Пределы подач
|
20÷
400
|
|
Габариты станка (длина,
ширина, высота), мм
|
3300 1575 2130
|
|
Масса станка, кг
|
8695
|
|
Общая мощность
электродвигателей, кВт 12,8
|
|
На операциях 020, 025 применяем токарный станок с программным управлением
16К20Ф3.
Таблица 2.6- Техническая характеристика станка 16К20Ф3
|
Параметры
|
Значения
|
|
1
|
2
|
|
Наибольший диаметр
обрабатываемой заготовки: над станиной над суппортом
|
400 220
|
|
Наибольший диаметр прутка,
проходящего через отверстие шпинделя
|
53
|
|
Наибольшая длина
обрабатываемой заготовки
|
1000
|
|
Шаг нарезаемой резьбы:
Метрической
|
До 20
|
|
Частота вращения шпинделя,
об/мин
|
12,5 - 2000
|
|
Наибольшее перемещение
суппорта: продольное поперечное
|
900 250
|
|
Подача суппорта, мм/об
(мм/мин): продольная поперечная
|
3 -1200 1,5 - 600
|
|
Число ступеней подач
|
Б/с
|
|
Скорость быстрого
перемещения суппорта, мм/мин: продольного поперечного
|
4800 2400
|
|
Мощность электродвигателя
главного привода, кВт
|
10
|
|
Габаритные размеры (без
ЧПУ):
|
|
|
длина ширина высота
|
3360 1710 1750
|
|
Масса, кг
|
4000
|
|
Масса (без выносного
оборудования), кг
|
2360
|
Для операции 060 применяем станок токарно - винторезный 1К62
Таблица 2.8 -Токарно-винторезный станок 1К62
|
Наименование параметра,
размерность
|
Величина параметра
|
|
Наибольший диаметр
обрабатываемой заготовки: Над станиной Над суппортом Наибольший диаметр
прутка, проходящего через отверстие шпинделя Наибольшая длина обрабатываемой
заготовки Шаг нарезаемой резьбы: Метрической Дюймовой, число ниток на дюйм
модульной, модуль питчевой, питч Частота вращения шпинделя, об/мин Число
скоростей шпинделя Наибольшее перемещение суппорта: Продольное поперечное
Подача суппорта, мм/об (мм/мин): Продольная Поперечная Число ступеней подач
Скорость быстрого перемещения суппорта, мм/мин: Продольного Поперечного
Мощность электродвигателя главного привода, кВт Габаритные размеры (без
ЧПУ): Длина Ширина Высота Масса, кг
|
400 220 53
710;1000;1400;2000 0,5-112 56-0,5 0,5-112 12,5-1600 22 645-1935 300
0,05-2,8 0,025-1,4 24 3800 1900 11 2505-3795 1190 1500 2835-3685
|
На операции 055 применяем круглошлифовальный станок 3161
Таблица 2.9 - Круглошлифовальный станок 3161
|
Параметры
|
Значение
|
|
Наибольшие размеры
устанавливаемой заготовки: - диаметр; - длина Рекомендуемый диаметр наружного
шлифования Наибольшая длина наружного шлифования Высота центров над столом
Наибольшее продольное перемещение стола Угол поворота стола, ˚: -по часовой
стрелке; -против часовой стрелки Скорость автоматического перемещения стола,
м/мин Частота вращения заготовки с бесступенчатым регулированием, об/мин
Конус Морзе шпинделя передней бабки и пиноли задней бабки Наибольшие размеры
шлифовального круга: - наружный диаметр; - высота Перемещение шлифовальной
бабки: - наибольшее; - на одно деление лимба Частота вращения шпинделя
шлифовального круга при наружном шлифовании, об/мин Скорость врезной подачи
шлифовальной бабки, мм/мин Мощность электродвигателя привода главного
движения, кВт
|
280 700 90 130 160 700 3
8 0,05-5 50-620 5 750 130 290 0,005 1270 0,1-3 18,5
|
3480 4345 2170 8880
|
Таблица 2.10- Техническая характеристика
вертикально-фрезерного с ЧПУ станка модели 6Р13Ф3
|
Наименование параметра,
размерность
|
Величина параметра
|
|
Размеры рабочей поверхности
стола (ширина´длина) Наибольшее перемещение стола: Продольное
Поперечное Вертикальное Перемещение гильзы со шпинделем Внутренний конус
шпинделя (конусность 7:24) Число скоростей шпинделя Частота вращения
шпинделя, об/мин Число подач стола Подача стола, мм/мин: Продольная и
поперечная Вертикальная Скорость быстрого перемещения стола, мм/мин:
Продольного и поперечного Вертикального Мощность электродвигателя привода
главного движения, кВт Габаритные размеры: Длина Ширина Высота Масса (без
выносного оборудования), кг
|
400´1600 1000 400 380 150 50 18 40-2000 Б/с 10-1200
10-1200 (гильзы со шпинделем) 2400 2400 7,5 3620 4150 2760 5650
|
.7 Выбор технологической оснастки
При механической обработке детали важными факторами в достижении
требуемой точности изготовления является способ базирования и закрепления
заготовки, используемый инструмент, а также средства и методы контроля.
Для правильного выбора станочных приспособлений, посредствам которых
можно осуществить требуемую схему базирования, режущего и мерительного
инструмента воспользуемся литературой [1,8,10,11]. Сведем данные в таблицу
1.21.
Таблица 2.11 - Выбор технологической оснастки
|
Наименование операции
|
Выбор станочных
приспособлений
|
Выбор режущего и
вспомогательного инструмента
|
Выбор средств и методов
контроля
|
|
1
|
2
|
3
|
4
|
|
015 Фрезерно-центроваль-ная
|
Тиски, призма 8535-4995
специальная
|
Фреза 2214-0301 ГОСТ
24359-80 Центровочное сверло А 5,0 ГОСТ 14034-74
|
Штанген-циркуль ШЦ-II
250-0,05-1 ГОСТ 166-80 (стр.568,[4])
|
|
Токарная с ЧПУ 020, 025
|
3-х кулачковый
самоцентрирующий патрон быстропереналаживаемый ПЗК-400Ф8 центр ХМИ3
7032-4002
|
Резец проходной модели
MWLNR2020К6 ТУ 2-035-892-82(табл.17,стр.174,[7]) Резец канавочный 2130-0005
ОСТ 2И10-7-84 (табл.18,стр.174,[7]) Резец резьбовой 035-2159-0535 ОСТ
2И10-9-84 (стр.179, т.24, [7])
|
Штангецир-куль ШЦ-III-250-0,1
ГОСТ 166-89 (стр. 568,[4]) Линейка I-500-I ГОСТ 427-56
Микрометр 50-75; 75-100; 100-125 ГОСТ 6507-60 Калибр-скоба
|
|
035 Круглошли-фовальная
|
Центр вращающийся ГОСТ
8742-75 Центр упорный 7032-0171 ГОСт 18259-72 (стр.124, т.4, [11]) Хомутик
поводковый 7107-0063 ГОСТ 16488-76 (стр.131, т.10, [11])
|
Круг шлифовальный ПП 350×40×127
24А ГОСТ 2424-83 (стр.381, т.8, [11])
|
Образцы шероховатости
поверхности ГОСТ 9878-75 Скоба СР-100 ГОСТ 11098-75 Микрометр МК150-2 ГОСТ
6507-78
|
|
040 Токарно-винторезная
|
Патрон трехкулачковый
самоцентрирующий
|
Паста ПХ3№1 ТУ6-18-36-85
|
Микрометр МК125-2 ГОСТ
6507-80
|
|
045 Вертикально-фрезерная
|
Специальное приспособление
|
Фреза шпоночная Ø8 035-2234-1637 ТУ 2-035-782-80
(табл.65,стр.216,[11])
|
Радиусный шаблон РШ-1
ТУ2-034-228-88 Пробка Ø8 8133-0922 ГОСТ14810-69 Глубиномер 8151-2385
Индикатор 1-ИПМ ГОСТ14712-79 Калибр шпоночный
|
.8 Расчёт режимов резания
Расчет режимов резания на операцию 015 - фрезерно-центровальную, на
основе табличных данных (9), производится следующим образом:
Фрезерование торцов.
. Определяем глубину резания:
t=
(2.7)
=
мм
. Назначаем
подачу 
- 0,2 
к. 50
стр. 123 (9)
. Определяем
скорость главного движения резания:
Vр. =
35м/мин /к 51 стр. 124-125)
. Определяем частоту вращения:
(2.8)
об/мин
По
паспорту станка принимаем 
=
315об/мин
5. Действительная скорость резания опр. по формуле:
, (2.9)
=33м/мин
6.Определяем минутную подачу, SМ мм/мин, по формуле:
SМ=Sz·Z·nд (1.39)
SМ=0,2·14·250=700мм/мин
Корректируем по паспорту станка: 630мм/мин
7. Проверяем, достаточна ли мощность станка Nрез £ Nшп
Nшп = Nст
h=15,3
0,8=12,24 кВт- для станка МР73-М
Nрез=Е·
( )
Nрез=33·
=2,44кВт
рез=3,8 кВт £ Nшп =2,44 кВт - обработка возможна
3 переход. Сверлить центровые отверстия
.Определяем глубину резания:
t=
(2.7)
=
мм
.Назначаем
подачу 
- 0,03 
к. 50
стр. 123 (9)
.Определяем
скорость главного движения резания:
Vр. = 28,8·0,7=
20,16м/мин /к 51 стр. 124-125)
.Определяем
частоту вращения:
(2.8)
об/мин
По
паспорту станка принимаем 
= 712
об\ мин
.Действительная
скорость резания опр. по формуле:
, (2.9)
=4,5м/мин
6.Определяем потребную мощность
Nрез=0,8 кВт (стр. 77-78, карта 24 [18])
. Проверяем мощность привода станка по условию Nрез £ Nшп
Nшп = Nст
h=18,6
0,8=13,5 кВт- для станка 16К20Ф3
Nрез=0,8
кВт £ Nшп =13,5 кВт - обработка возможна
Назначаем режимы резания на 020 токарную операцию (ЧПУ)
. Глубина резания равна величине припуска на поверхность:
t=
( )
2. Назначаем подачу:
- при черновом точении 0,6мм/об (стр. 64 карта 17 [18] )
при получистовом точении S0=
0,2 мм/об (стр. 68 карта 19 [18] )
. Назначаем период стойкости резца- 120мин.
.Определяем скорость главного движения резания:
м/мин, (1.42)
где черновое:
Cv=350; х=0,15; y=0,35; m=0,2
( табл.17, стр.
269[21])
t=7мм; S0
=0,6мм/об
получистовое:
Поправочный
коэффициент на скорость резания определяется по формуле:
Kv=Kmv×Kиv×Kls, (1.43)
где KИV= 1
- коэффициент на инструментальный материал (таб.6, стр.263, [21])
КlV= 1
-коэффициент учитывающий глубину сверления (таб.31,стр.280, [21])
Поправочный
коэффициент, учитывающий влияние физико-механических свойств обрабатываемого
материала на скорость резания определяется по формуле:
, (1.44)
где
Кг=1; n=0,9 ( табл.2 стр. 262[21])
Kv=1,2×1×1=1,2
м/мин
1. Определяем частоту вращения шпинделя по формуле (1.38):
об/мин
Корректируем
частоту вращения по паспорту станка nд=1250 об/мин
2. Вычисляем действительную скорость главного движения:
(1.45)
м/мин
3. Определяем крутящий момент от сил сопротивления резанию при
сверлении:
(1.46)
где
=0,0345; q =2; y =0,8 ( табл.32 стр. 281[21])
Н·м
4. Определяем мощность, затрачиваемую на резание:
(1.47)
кВт
5. Проверяем, достаточна ли мощность станка. Обработка возможна,
при выполнении условия Nрез £ Nшп
Определяем Nд =4 кВт
Nшп=Nд
h=4×0,8=3,2
кВт
Nрез =0.49 кВт£ Nшп=3,2 кВт
6. Определяем минутную подачу, SМ мм/мин, по формуле (1.39):
SМ=0,2×1250=250 мм/мин
.Определяем мощность, затрачиваемую на резание:
Nрез2= 2,88 кВт (стр. 77-78, карта 24 [18])
.Проверяем мощность привода станка
рез2= 2,88 кВт £ Nшп =9,35 кВт - обработка возможна
Рассчитаем режимы резания на сверлильную операцию 055 по эмпирическим
формулам, по нормативам [8].
1. Установить и зажать заготовку
. Сверлить 2 отверстия по резьбу М8, выдерживая размеры 1, 2, 3
. Зенковать две фаски 4
4. Нарезать резьбу М8 в 2 отверстиях, выдерживая размеры 5, 6
. Переустановить деталь и закрепить.
6 Сверлить 2 отверстия по резьбу М6, выдерживая размеры 7, 8, 9
. Зенковать две фаски 4
8. Нарезать резьбу М6 в 2 отверстиях, выдерживая размеры 10,11
. Снять заготовку
переход
. Для сверления стали Gв=610Мпа при диаметре сверла 6,8 мм:
а) выбираем подачу: S0 =
0,18 ([стр. 277, [21]) при поправочном коэффициенте Kls = 1, т.к. L < 3D
б) корректируем подачу по паспорту станка S0 = 0,2 мм/об
в) проверяем принятую подачу по осевой составляющей силы резания,
допускаемой прочностью механизма подачи станка.
Осевая составляющая силы резания определяется по формуле:
(1.40)
где
Cp= 68; q= 1; y= 0,7 ( табл.32 стр. 281[21])
Поправочный
коэффициент на осевую составляющую силы резания определяется по формуле:
(1.41)
где
n=0,75 - показатель степени (табл.9 стр. 264[21])
Выполняем
условие P0 £ Pmax.
По
паспортным данным станка 2Н135 Pmax= 2000 кгс, тогда 129 Н £ 2000 кгс, следовательно, назначенная подача S0=0,2
мм/об вполне допустимая.
8. Назначаем период стойкости сверла из стали Р6М5. Для сверления в
стали диаметра 6 мм, рекомендуется период стойкости Т= 25 мин. (табл.30 стр. 279[21])
9. Определяем скорость главного движения резания, допускаемую
режущими свойствами сверла:
м/мин, (1.42)
где Cv=7;
q=0,4; y=0,7; m=0,2 (
табл.28 стр. 278[21])
Поправочный
коэффициент на скорость резания определяется по формуле:
Kv=Kmv×Kиv×Kls, (1.43)
где KИV= 1
- коэффициент на инструментальный материал (таб.6, стр.263, [21])
КlV= 1
-коэффициент учитывающий глубину сверления (таб.31,стр.280, [21])
Поправочный
коэффициент, учитывающий влияние физико-механических свойств обрабатываемого
материала на скорость резания определяется по формуле:
, (1.44)
где
Кг=1; n=0,9 ( табл.2 стр. 262[21])
Kv=1,2×1×1=1,2
м/мин
10. Определяем частоту вращения шпинделя по формуле (1.38):
об/мин
Корректируем
частоту вращения по паспорту станка nд=1250 об/мин
11. Вычисляем действительную скорость главного движения:
(1.45)
м/мин
12. Определяем крутящий момент от сил сопротивления резанию при
сверлении:
(1.46)
где
=0,0345; q =2; y =0,8 ( табл.32 стр. 281[21])
Н·м
13. Определяем мощность, затрачиваемую на резание:
(1.47)
кВт
14. Проверяем, достаточна ли мощность станка. Обработка возможна, при
выполнении условия Nрез £ Nшп
Определяем Nд =4 кВт
Nшп=Nд
h=4×0,8=3,2
кВт
Nрез =0.49 кВт£ Nшп=3,2 кВт
15. Определяем минутную подачу, SМ мм/мин, по формуле (1.39):
SМ=0,2×1250=250 мм/мин
переход
. Для зенкования стали Gв=610Мпа
при диаметре отверстия 10 мм:
а) выбираем подачу: S0 =
0,14 ([стр. 277, [21]) при поправочном коэффициенте Kls = 1, т.к. L < 3D
б) корректируем подачу по паспорту станка S0 = 0,2 мм/об
в) проверяем принятую подачу по осевой составляющей силы резания,
допускаемой прочностью механизма подачи станка.
Осевая составляющая силы резания определяется по формуле:
(1.48)
где
Cp= 67; х= 1,2; y= 0,65 (
табл.32 стр. 281[21])
Выполняем
условие P0 £ Pmax.
По
паспортным данным станка 2Н135 Pmax= 2000 кгс, тогда 36 Н £ 2000 кгс, следовательно, назначенная подача S0=0,2
мм/об вполне допустимая.
2. Назначаем период стойкости зенковки из стали Р6М5. Для сверления
в стали диаметра 10 мм, рекомендуется период стойкости Т= 25 мин. (табл.30 стр. 279[21])
3. Определяем скорость главного движения резания, допускаемую
режущими свойствами зенковки:
м/мин, (1.49)
где Cv=16,2;
q=0,4; х=0,2; y=0,5; m=0,2 ( табл.28 стр. 278[21])
м/мин
4. Определяем частоту вращения шпинделя по формуле (1.38):
об/мин
Корректируем
частоту вращения по паспорту станка nд=1600 об/мин
5. Вычисляем действительную скорость главного движения:
м/мин
6. Определяем крутящий момент от сил сопротивления резанию при
зенковании:
(1.50)
где
=0,09; q =1; х=0,9; y =0,8 ( табл.32 стр. 281[21])
Н·м
7. Определяем мощность, затрачиваемую на резание по формуле (1.47):
кВт
8. Проверяем, достаточна ли мощность станка. Обработка возможна,
при выполнении условия Nрез £ Nшп
рез =0.54 кВт£ Nшп=3,2 кВт
.Определяем минутную подачу, SМ мм/мин, по формуле (1.39):
SМ=0,2×1600=320 мм/мин
переход
. Выбираем подачу: S0 =
1,25 ([стр. 277, [21]) при поправочном коэффициенте Kls = 1, т.к. L < 3D
. Назначаем период стойкости метчика из стали Р6М5. Для нарезания
резьбы в стали диаметра 8 мм, рекомендуется период стойкости Т= 90 мин. (табл.49 стр. 296[21])
3. Определяем скорость главного движения резания, допускаемую
режущими свойствами метчика:
м/мин, (1.51)
где Cv=64,8;
q=1,2; y=0,5; m=0,9 (
табл.49 стр. 296[21])
Поправочный
коэффициент на скорость резания определяется по формуле:
Kv=Kmv×Kиv×KТV, (1.52)
где KИV=1 -
коэффициент, учитывающий инструментальный материал (таб.50, стр.298, [21]);
КТV=1 -
коэффициент, учитывающий класс точности резьбы (таб.50,стр.2998, [21]) ;
Kmv=1 -
коэффициент, учитывающий обрабатываемый материал (та.50, стр.298, [21]);
Kv=1×1×1=1
м/мин
4. Определяем частоту вращения шпинделя по формуле (1.38):
об/мин
Корректируем
частоту вращения по паспорту станка nд=500об/мин
5. Вычисляем действительную скорость главного движения:
м/мин
6. Определяем крутящий момент от сил сопротивления резанию при
нарезании резьбы:
(1.53)
где
=0,027; q =1,4; y =1,5, Кр=1 ( табл.50 стр. 298[21])
Н·м
7. Определяем мощность, затрачиваемую на резание по формуле (1.47):
кВт
8. Проверяем, достаточна ли мощность станка. Обработка возможна,
при выполнении условия Nрез £ Nшп
рез =0.35кВт£ Nшп=3,2 кВт
. Определяем минутную подачу, SМ мм/мин, по формуле (1.39):
SМ=1,25×500=625 мм/мин
переход
. Для сверления стали Gв=610Мпа
при диаметре сверла 5 мм:
а) выбираем подачу: S0=0.2
мм/об [стр. 277, [21]); при поправочном коэффициенте Kls = 1, т.к. L < 3D
б) корректируем подачу по паспорту станка S0 =0,2 мм/об
в) проверяем принятую подачу по осевой составляющей силы резания,
допускаемой прочностью механизма подачи станка.
Осевая составляющая силы резания определяется по формуле (29):
Выполняем
условие P0 £ Pmax.
По
паспортным данным станка 2Н135 Pmax= 2000 кгс, тогда 54 Н £ 2000 кгс, следовательно, назначенная подача S0=0,09
мм/об вполне допустимая.
2. Назначаем период стойкости сверла из стали Р6М5. Для сверления в
стали диаметра 6 мм, рекомендуется период стойкости Т= 15 мин. (табл.30 стр. 279[21])
3. Определяем скорость главного движения резания, допускаемую
режущими свойствами сверла по формуле (1.42):
м/мин
4. Определяем частоту вращения шпинделя по формуле (1.38):
об/мин
Корректируем
частоту вращения по паспорту станка nд=315 об/мин
5. Вычисляем действительную скорость главного движения по формуле
(1.45):
м/мин
6. Определяем крутящий момент от сил сопротивления резанию при
сверлении по формуле (1.46):
Н·м
7. Определяем мощность, затрачиваемую на резание по формуле (1.47):
кВт
8. Проверяем, достаточна ли мощность станка. Обработка возможна,
при выполнении условия Nрез £ Nшп
Nрез
=0.03 кВт£ Nшп=3,2 кВт
. Определяем минутную подачу, SМ мм/мин, по формуле (1.39):
SМ=0,2×315=63 мм/мин
переход
. Для зенкования стали Gв=610Мпа
при диаметре отверстия 7 мм:
а) выбираем подачу: S0=0,14
([стр. 277, [21]) при поправочном коэффициенте Kls = 1, т.к. L < 3D
б) корректируем подачу по паспорту станка S0 = 0,2 мм/об
в) проверяем принятую подачу по осевой составляющей силы резания,
допускаемой прочностью механизма подачи станка.
Осевая составляющая силы резания определяется по формуле (1.48):
Выполняем
условие P0 £ Pmax.
По
паспортным данным станка 2Н135 Pmax= 2000 кгс, тогда 90 Н £ 2000 кгс, следовательно, назначенная подача S0=0,2
мм/об вполне допустимая.
2. Назначаем период стойкости зенковки из стали Р6М5. Для
зенкования в стали диаметра 7 мм, рекомендуется период стойкости Т= 25 мин. (табл.30 стр. 279[21])
. Определяем скорость главного движения резания, допускаемую
режущими свойствами зенковки по формуле (1.49):
м/мин
4. Определяем частоту вращения шпинделя по формуле (1.38):
об/мин
Корректируем
частоту вращения по паспорту станка nд=1600 об/мин
5. Вычисляем действительную скорость главного движения по формуле
(1.44):
м/мин
6. Определяем крутящий момент от сил сопротивления резанию при
зенковании по формуле (1.50):
Н·м
7. Определяем мощность, затрачиваемую на резание по формуле (1.47):
кВт
8. Проверяем, достаточна ли мощность станка. Обработка возможна,
при выполнении условия Nрез £ Nшп
Nрез
=0.25 кВт£ Nшп=3,2 кВт
. Определяем минутную подачу, SМ мм/мин, по формуле (1.39):
SМ=0,2×1600=320 мм/мин
переход
. Выбираем подачу: S0 =
1,0 ([стр. 277, [21]) при поправочном коэффициенте Kls = 1, т.к. L < 3D
. Назначаем период стойкости метчика из стали Р6М5. Для нарезания
резьбы в стали диаметра 6 мм, рекомендуется период стойкости Т= 90 мин. (табл.49 стр. 296[21])
. Определяем скорость главного движения резания, допускаемую
режущими свойствами метчика по формуле (1.51):
м/мин
4. Определяем частоту вращения шпинделя по формуле (1.38):
об/мин
Корректируем
частоту вращения по паспорту станка nд=500об/мин
5. Вычисляем действительную скорость главного движения по формуле
(1.44):
м/мин
6. Определяем крутящий момент от сил сопротивления резанию при
нарезании резьбы по формуле (1.53):
Н·м
7. Определяем мощность, затрачиваемую на резание по формуле (1.47):
кВт
8. Проверяем, достаточна ли мощность станка. Обработка возможна,
при выполнении условия Nрез £ Nшп
Nрез
=0.17 кВт£ Nшп=3,2 кВт
. Определяем минутную подачу, SМ мм/мин, по формуле (1.39):
SМ=1×500=500 мм/мин
Таблица 1.22- Режимы резания на механическую обработку детали «Ось»
|
№ опе-ра-ции
|
Содержание перехода
|
D или В мм
|
L мм
|
t мм
|
i
|
So мм/
об
|
Sмин мм/ мин
|
Vp м/ мин
|
nд об/ мин
|
N кВт
|
|
2
|
3
|
4
|
5
|
6
|
7
|
8
|
9
|
10
|
11
|
|
015
|
Фрезерно-центро- вальная 1.
Фрезеровать торцы одновременно с двух сторон, выдерживая размер 1.
|
42
|
214
|
2
|
1
|
0,2
|
700
|
33
|
250
|
2,44
|
|
2. Центровать отверстия А2
с двух сторон.
|
2
|
10
|
1
|
1
|
21,36
|
4,5
|
712
|
0,8
|
|
020
|
Токарная c
ЧПУ 2.Точить поверхность с одновременной подрезкой торца и образованием
фаски , выдерживая размеры 1-6 предварительно и окончательно
|
26,8 25,6
|
140 56
|
3,5 1,2
|
2 1
|
0,6 0,2
|
600 320
|
131,9 134,6
|
1000 1600
|
6,7 1,2
|
|
3. Точить канавку,
выдерживая размеры 6,7,8 окончательно
|
23,5
|
1,3
|
1,65
|
1
|
0,1
|
160
|
118,6
|
1600
|
1,9
|
|
025
|
Токарная c
ЧПУ 2. Точить поверхности с одновременной подрезкой торцов и образованием
фасок выдерживая размеры 1- 8 предварительно и окончательно
|
19,8
|
34
|
2,9
|
1
|
0,6
|
600
|
80,4
|
1000
|
4,1
|
|
|
26,8 25,6 35
|
36 36 84
|
3,5 1,2 tчер=2,2
tп.ч=1,3
|
1 2 1
|
0,2 0,6 0,6 0,2
|
320 600 378 160
|
134,6 131,9 83 94,5
|
1600 1000 630 800
|
1,2 6,7 2,9 1,4
|
|
3. Точить 2 канавки,
выдерживая размеры 9-12
|
33
|
1,9
|
1,9
|
1
|
0,02
|
25
|
13,97
|
1250
|
2
|
|
4. Точить канавку,
выдерживая размеры 13-17.
|
16,5
|
6
|
6
|
1
|
0,06
|
96
|
28,6
|
1600
|
1,7
|
|
5. Нарезать резьбу,
выдерживая размеры 18.
|
20
|
28
|
0,92 0,31
|
4 2
|
2
|
3200
|
100,5
|
1600
|
2,4
|
|
035
|
Круглошлифовальная 2.
Шлифовать поверхность, выдерживая размеры 1,2
|
25 35
|
56 43,4
|
0,3 0,3
|
0,05 0,05
|
18,9 18,9
|
8,2 5,9
|
nкр= =270об-мин Vкр=35м-с
|
Nз=435об-мин nз=313об-мин
|
11,5 5
|
|
3. Переустановить заготовку
|
|
|
|
|
|
|
|
|
|
|
4. Шлифовать поверхность ,
выдерживая размер 3
|
25
|
36
|
0,3
|
0,05
|
18,9
|
8,2
|
Vкр=35 м-с
Vp=35м-с
|
nз=3435
об-мин
|
11,5
|
|
040
|
Токарно-винторезная 2.
Полировать поверхность, выдерживая размеры (2
раза)48
|
25
|
1,5
|
8
|
1,5
|
87
|
8,8
|
58
|
2,88
|
|
|
045
|
Вертикально-фрезерная с ПУ
2. Фрезеровать 2 паза, выдерживая размеры 1-8.
|
8
|
25 18
|
8
|
1
|
Sz= 0,07 мм-зуб
|
199
|
18,3
|
875
|
1,5
|
Значения режимов резания по остальным операциям выбираем по
справочнику [11] и результаты сводим в
таблицу 1.22.
2.9 Проектирование операций на станках с ЧПУ
.9.1 Проектирование траектории движения инструмента
Рисунок 2.4-Траектория движения инструмента операция 020
Рисунок 2.5- Траектория движения инструмента операция 020
Рисунок 2.6- Траектория движения инструмента операция 025
2.9.2 Расчётно-технологическая карта
Таблица 2.10- Расчетно-технологическая карта на операцию 020
|
№
|
X
|
Z
|
W
|
F
|
T
|
S
|
M
|
L
|
G
|
B
|
Q
|
C
|
P
|
A
|
E
|
|
1 2 3 4 5 6 7 8 9 10 11 12
13 14 15 16 17 18 19 20 21 22
|
2,5 38 38,93 40 43,93
57 34 42 38 33 38 40
|
-105 -127 -148
0 34
|
-2 -5,36
-5,36
|
0,5 0,25 0,25
|
1 2
|
470 736 700
|
08 17 09 08
09 02
|
8 10
|
|
5
|
|
|
0,5
|
|
Е Е Е
|
.9.3 Управляющая программа в коде ISO-7bit
N1 T1 S3 1007 F0,5X30,5 Z1 М8 Е Z0X38,5 Z-7,43Z-69,5 С1,25
Z-192X56ET2 S3 1000 F0.5X42 Z-78,1 E X37,5X42 ET3 S3 1000 F0,3X40 Z-33,44
EX38,5X33 W-5,56 R-7 G5X38,5 W-5,56 R-717 X40 М9
N18 M02
.10 Расчёт норм времени
- токарная операция
. Основное время определяем из формулы:
.
Та = ∑ Тоа + ∑ Тва (2.34)
Та = 2,856 +0,47 = 3,33 мин (табл. 13)
. Вспомогательное время:
Тв = Тву + Твп + Тви (2.35)
Тв =0,55 + 0,3 +1,53 = 2,38 мин
Тву = 0,55 мин (К2, стр. 37 (9))
Твп = 0,04 + 0,03 + 0,15 + 2* 0,04 = 0,3 мин (К8, стр. 50 (9))
Тви = 0,22 *5 + 0,16 + 0,025 = 1,53 мин (К9, стр. 52-53)
. Штучное время:
Тшт
= (Та + Тв * Ктв) (1 + 
) (2.36)
Тшт
=(3,33 + 2,38 * 1)(1+ 
) = 6,28
мин
Тоб
= 10% (К10, стр. 55); Ктв = 1 (К1, стр. 35)
5. Подготовительно-заключительное время:
Тп.з.
= 7 +2 + 3 +6 + 2 * 0,8 + 1,3 + 0,4*10
25 мин
(стр. 56-57 (9))
6. Штучно-калькуляционное время:
Тшт.к.=
Тшт + 
, (2.37)
где

= 
- число
деталей в партии 
= 
= 125 шт
Тшт.к
= 6,28 + 
= 6,48
мин
-
токарная операция
1. Основное время:
Та = ∑ Тоа + ∑ Тва = 3,4+0,6 = 4 мин (табл.14)
. Вспомогательное время определяется так же, как на 020 операции:
Тв = 2,38 мин
3. Штучное время:
Тшт.
= (4+2,82*1)(1+
) = 7,5
мин
. Тшт.
к. = 7,5+ 
= 7,7
мин
На операцию 055 - шлифовальную с ПУ
. Основное время:
Та = ∑ Тоа + ∑ Тва = 1,9 +1,2 =3,1 мин (табл. 15, стр. 46)
. Вспомогательное время:
Тв = Тву + Твп + Тви = 0,44+1,04+0,42 = 1,87 мин
Тву = 0,41 мин (к.3, стр. 38 (9))
Твп1 = 0,55 мин (к. 44, стр. 126 (9))
Твп2 = 0,04+0,03+2*0,15+3*0,04=0,49 (к. 8, стр. 50)
Твп = 0,55+0,49 = 1,04 мин
. Штучное время:
Тшт
= (3,1+1,87*1)(1+
) = 5,5
мин
4. Подготовительно-заключительное время:
Тп.з. = 10+2+10+6+1+7=36 мин
. Штучно-калькуляционное время:
Тшт.к.
= 5,5 + 
= 5,8
мин
На
операцию 060 - шлифовальную С ПУ
1. Определяем основное время:
Та = 2,5 + 1,4 = 3,9 мин
. Вспомогательное время определяется аналогично Тв на 055 операцию
Тв = 1,87 мин
. Штучное время:
Тшт.
= (3,9+1,87*1) (1 +
) = 6,4
мин
4. Тп.з. = 36 мин (к. 45, стр. 130 (9))
. Штучно-калькуляционное время:
Тшт.
к. = 6,4 + 
= 6,7
мин.
Таблица
2.11- Нормы времени на 020 операцию
|
№ин
|
№(.)
|
L mm
|
Sm mm
|
Toa min
|
Tba min
|
|
1
|
2
|
3
|
4
|
5
|
6
|
|
1
|
0-1
|
100
|
3000
|
|
00,03
|
|
Цикл
|
|
|
|
|
|
|
128
|
235
|
0,54
|
|
|
|
18
|
235
|
0,03
|
|
|
|
148
|
3000
|
|
0,05
|
|
|
105
|
235
|
0,45
|
|
|
|
3
|
235
|
0,01
|
|
|
|
108
|
3000
|
|
0,04
|
|
|
2,5
|
235
|
0,01
|
|
|
|
2,8
|
235
|
0,01
|
|
|
|
103
|
235
|
0,44
|
|
|
|
3
|
235
|
0,012
|
|
|
|
20
|
235
|
|
|
|
|
0,5
|
235
|
0,002
|
|
|
|
3
|
235
|
0,012
|
|
|
|
18
|
235
|
0,076
|
|
|
|
0,8
|
235
|
0,003
|
|
|
|
6
|
235
|
0,025
|
|
|
|
148
|
235
|
0,05
|
|
|
1
|
2-3
|
13
|
235
|
0,055
|
|
|
3-4
|
2,8
|
184
|
0,015
|
|
|
4-5
|
103
|
184
|
0,56
|
|
|
5-6
|
3
|
184
|
0,016
|
|
|
6-7
|
20
|
184
|
0,11
|
|
|
7-8
|
0,5
|
184
|
0,003
|
|
|
8-9
|
3
|
184
|
0,016
|
|
|
9-10
|
18
|
184
|
0,10
|
|
|
10-11
|
0,8
|
184
|
0,004
|
|
|
11-12
|
6
|
184
|
0,032
|
|
|
12-0
|
210
|
3000
|
|
0,017
|
|
Смена
|
|
|
|
|
0,1
|
|
2
|
0-1
|
120
|
3000
|
|
0,04
|
|
1-2
|
3
|
218
|
0,014
|
|
|
2-3
|
5,36
|
218
|
0,025
|
|
|
3-4
|
5,36
|
218
|
0,025
|
|
|
4-5
|
3
|
0,014
|
|
|
5-0
|
120
|
3000
|
|
0,04
|
|
|
|
|
|
0,1
|
|
|
|
|
|
∑to=
2,856 ∑tа = 0,47
|
Таблица 2.12- Нормы времени на 025 операцию
|
№ ин
|
№(.)
|
L mm
|
Sm mm
|
Toa min
|
Tba min
|
|
1
|
2
|
3
|
4
|
5
|
6
|
|
1
|
0-1
|
100
|
3000
|
|
0,03
|
|
Цикл
|
|
|
|
|
|
1-2
|
128
|
235
|
0,54
|
|
|
|
8
|
235
|
0,03
|
|
|
|
68
|
235
|
0,29
|
|
|
|
194
|
3000
|
|
0,065
|
|
|
105
|
235
|
0,45
|
|
|
|
3
|
235
|
0,01
|
|
|
|
108
|
3000
|
0,01
|
0,04
|
|
|
2,5
|
235
|
0,01
|
|
|
|
2,8
|
235
|
0,01
|
|
|
|
103
|
235
|
0,44
|
|
|
|
3
|
235
|
0,01
|
|
|
|
20
|
235
|
0,08
|
|
|
|
0,5
|
235
|
0,002
|
|
|
|
3
|
235
|
0,01
|
|
|
|
18
|
235
|
0,076
|
|
|
|
0,5
|
235
|
0,002
|
|
|
|
45
|
235
|
0,191
|
|
|
|
0,8
|
235
|
0,03
|
|
|
|
6
|
235
|
0,025
|
|
|
|
194
|
3000
|
|
0,065
|
|
|
|
|
|
|
|
1
|
2-3
|
13
|
235
|
0,055
|
|
|
3-4
|
2,8
|
184
|
0,015
|
|
|
4-5
|
103
|
184
|
0,56
|
|
|
5-6
|
3
|
184
|
0,016
|
|
|
6-7
|
20
|
184
|
0,11
|
|
|
7-8
|
0,5
|
184
|
0,003
|
|
|
8-9
|
3
|
184
|
0,016
|
|
|
9-10
|
18
|
184
|
0,1
|
|
|
10-11
|
0,5
|
184
|
0,002
|
|
|
11-12
|
45
|
184
|
0,244
|
|
|
12-13
|
0,8
|
184
|
0,004
|
|
|
13-14
|
6
|
184
|
0,032
|
|
|
14-0
|
210
|
3000
|
|
0,07
|
|
|
|
|
|
|
|
2
|
0-1
|
120
|
3000
|
|
0,04
|
|
1-2
|
3
|
218
|
0,014
|
|
|
2-3
|
5,36
|
218
|
0,025
|
|
|
3-4
|
5,36
|
218
|
0,025
|
|
|
4-5
|
3
|
218
|
0,014
|
|
|
5-0
|
120
|
3000
|
|
0,04
|
|
|
|
|
∑to=
1,23
|
∑tа
= 0,35
|
Таблица 2.13- Нормы времени на 055 операцию
|
№
|
L мм
|
Sм мм/мин
|
Toa min
|
Tba min
|
|
1
|
2
|
3
|
4
|
5
|
|
50-1
|
100
|
3000
|
|
0,033
|
|
1-2
|
1550
|
1600
|
0,968
|
|
|
2-3
|
5
|
1600
|
|
0,52
|
|
3-4
|
720
|
1600
|
0,45
|
|
|
4-5
|
5
|
1600
|
0,003
|
|
|
5-6
|
710
|
1600
|
0,44
|
|
|
6-7
|
100
|
3000
|
|
0,033
|
|
7-0
|
150
|
3000
|
|
0,05
|
Таблица 2.14- Нормы времени на 060 операцию
|
№
|
L мм
|
Sм мм/мин
|
Toa min
|
Tba min
|
|
0-1
|
100
|
3000
|
|
0,033
|
|
1-2
|
1550
|
1600
|
0,968
|
|
|
2-3
|
5
|
1600
|
|
0,52
|
|
3-4
|
720
|
1600
|
0,45
|
|
|
4-5
|
5
|
1600
|
0,003
|
|
|
5-6
|
710
|
1600
|
0,44
|
|
|
6-7
|
5
|
1600
|
0,003
|
|
|
7-8
|
960
|
1600
|
0,6
|
|
|
8-9
|
100
|
3000
|
|
0,033
|
|
9-0
|
200
|
3000
|
|
0,066
|
В производстве деталей широкой номенклатуры в среднесерийном производстве,
для полной загрузки оборудования, его объединяют в группы по общности
служебного назначения. Создаются отдельные участки механической обработки
отдельных деталей.
Такая форма организации производственного процесса предусматривает
групповую расстановку оборудования и применима в нашем случае.
На токарную операцию с ЧПУ 020 произведем расчет норм времени по
формулам, рекомендуемым [18] .
Штучное время, Тшт. мин, определим по формуле:
(1.54)
где То - основное время, мин, определяется по формуле:
То=
(1.55)
где L- длина обрабатываемой поверхности, с
учетом длины врезания инструмента lврез = 2 мм и длины перебега инструмента lпер. = 2 мм.
Т0==
Вспомогательное время, Тв мин, определяем по формуле:
Тв=Тву+Твсп+Твн (1.56)
где Тву=0,45 мин (стр.48 к.7 [18]) - вспомогательное время на установку и
снятие детали;
Твсп=0,63 мин (стр.50 к.8 [18]) - вспомогательное время на переход;
Тви=0,49 мин (стр.52 к.9 [18]) - вспомогательное время на контрольные
измерения.
Тоб=10 (стр.55 к. 10 [18]) - время на техническое и организационное
обслуживание рабочего места.
Тв=0,45+0,63+0,49=1.57 мин
мин
Штучно-калькуляционное время, Тшт-к мин, определяем по формуле:
(1.57)
где
n =43 шт. - число деталей в партии;
Тп.з.=
21 мин (стр. 56-57 [18]) - подготовительно-заключительное время.
Тшт-к
020=4,19+
= 4,66 мин
Нормы
времени на остальные операции выбираем по нормативам и сводим в таблицу 1.23.
3.
Конструкторская часть
.1
Проектирование станочного приспособления
.1.1
Описание конструкции приспособления и его работы
Фрезерование
шпоночного паза осуществляется в специальном приспособлении, служащем для
установки, фиксации в нужном положении и закреплении заготовки.
Приспособление
состоит из плиты поз.1; на каждой закреплены установочные элементы: призмы
поз.12,13, упор поз.3, фиксатор поз.4,16 и зажимной механизм, состоящий из
прижимной планки поз.2, стойки поз. 14, откидного болта поз.5, и гайки поз.7.
Фиксация
приспособления на столе вертикально- фрезерного станка производится с помощью
двух круглых шпонок поз.8, запрессованных в планку 1, для крепления
предусмотреныи2 паза 14мм в лапках приспособления.
Заготовка
устанавливается в призму, прижимается к упору поз.3 и с помощью подвижного
фиксатора поз.4,16 фиксируется в нужном положении: оси отверстий Ø5Н7 и М10 заготовки параллельны основанию.
После
установки и фиксации заготовка крепится с помощью откидного прижима поз.2.
.1.2Расчёт усилия зажима
Зажимными называют механизмы, устраняющие возможность вибрации или
смещения заготовки относительно установочных элементов.
К зажимным элементам предъявляют следующие требования:
. При зажиме не должно нарушаться положение заготовки, достигнутое при
базировании.
. Зажим не должен деформировать заготовку или ее поверхность.
. Сила зажима должна быть минимально необходимой.
. Зажим и открепление заготовки необходимо производить с минимальной
затратой сил и времени рабочего.
. Силы резания не должны восприниматься зажимными устройствами.
. Зажимной механизм должен быть простым по конструкции.
Заготовка должна находиться в равновесии под действием сил резания и сил
зажима.
Рассмотрим действие сил при фрезеровании пазов в заготовке.
Рисунок 3.1- Силы, действующие на заготовку
При фрезеровании паза на заготовку действуют силы:
Px
=0,4Pz- сила подачи (СТМ)
Мрез- момент от силы резания, проворачивающий заготовку при фрезеровании
паза;
R-
реакция опор;
Fтр1-
сила трения на опоре;
Fтр2-сила
трения на прижиме;
R1=22,65мм-
радиус заготовки
Q-
искомая сила прижима;
α=90˚- угол призмы
Условие равновесия будет выражено уравнением:
К·Мрез-К·Рх-Q·f1·R1-2·R·f2·R1=0, (3.1)
где К- коэффициент запаса;
Q·f·R1= Fтр1-
сила трения на прижиме;
·R·f2·R1= Fтр2-
сила трения на опорах;
f1·= f2=0,1- коэффициент трения.
Величина реакции опоры:
R=
(3.2)
Из
формулы 1 определим величину необходимого усилия зажима:
(2)
/СТМ2, стр.40/ (3.3)
Коэффициент
запаса:
К=К0·К1·К2·К3·К4·К5·К6·
/СТМ2,стр.34/, (3.4)
где
К0=1,5- гарантированный коэффициент запаса;
К2=1,3-
затупление инструмента;
К1=
К3= К4= К5= К6=1, тогда К=1,95, принимаем К=2
Окружная
сила резания при фрезеровании:
/стр.418/
(3.5)
где
Cp=68;
Xp=0,86;
Yp=0,74;
Zp=1;
Qp=-0,86;
t=14мм;
B=5,5мм;
Sz=0,07мм/зуб;
Z=2
Подставляем
числовые значения в формулу, получим:
=105кгс
=0,4Pz=0,4·105=42кгс
При
фрезеровании паза появляется момент, проворачивающий заготовку вокруг оси. При
глубине резания t=1мм и D=12мм
=12кгс
Тогда
Мрез=Pz·R1=272кгс·мм
Подставляем
все числовые значения в формулу (2)
кгс
Следовательно,
для надежного закрепления заготовки необходимо приложить усилие Q=449кгс.
Рисунок 3.2- Размеры шпоночного паза
3.2 Проектирование режущего инструмента
Шпоночные фрезы применяются для фрезерования шпоночных пазов.
Стандартные шпоночные фрезы изготавливают по ГОСТ.
с цилиндрическим хвостовиком ГОСТ9140-68 Ø2…20мм;
с коническим хвостовиком ГОСТ 6396-68 Ø12…40мм;
Для сегментных шпонок ГОСТ 6648-68
Шпоночные фрезы имеют форму зуба с криволинейной спинкой. Они отличаются
повышенной прочностью зуба и допускают большое количество переточек. Число
зубьев Z=2.
C
целью повышения чистоты обработанной поверхности и получения равномерного
фрезерования применяют винтовые канавки. Для шпоночных фрез рекомендуется ω=15˚.
Для фрезерования глухих
пазов ( при отводе стружки вверх) назначают правое направление винтовых
зубьев).
Рисунок 3.3- Геометрические параметры режущей части
Передний угол j=16˚- для
стали 40Х
Задний угол α=20˚- для шпоночных хвостовых фрез,
работающих с осевой подачей, задний угол по кромке торцового зуба (главной
режущей кромке) в плоскости, перпендикулярной к режущей кромке α=8˚-
по цилиндру.
Величина вспомогательного угла в плане φ1=6˚
Материал для изготовления фрез.
Режущая часть- сталь быстрорежущая Р9, Р18
Твердость после т.о. 65-67 НRС
Хвостовик- сталь 40Х ГОСТ 4543-71
Все технические требования по ГОСТ 9140-78
.3 Проектирование мерительного инструмента
Исполнительные размеры гладких калибров рассчитывают по формулам ГОСТ
24851-81 или принимают по ГОСТ 2121401-75 без проведения расчетов. Исполнительным
называется размер калибра, представленный на чертеже.
Рисунок 3.4- Схема расположения полей допусков калибра
Формулы для расчета исполнительных размеров калибров:
ПРmin=dmax-Z1-
(3.6)
НЕmin=dmin-
, (3.7)
Где
Z1- отклонение середины поля допуска на изготовление
калибра- скобы
ПР
относительно наименьшего предельного размера вала;
Н1-
допуск на изготовление калибра- пробки.
По
ГОСТ 24853-81 назначаем допуски гладких калибров для отверстий по 7 квалитету.
Z1=0,0035мм;
У1=0,003мм; Н1=0,004мм
dmax=38мм; dmin=38-0,025=37,975мм
Производим
расчет размеров:
ПРmin
=38-0,0035-
=37,963мм
На
чертеже проставляем размер: ПРmin =37,963+0,004 мм
НЕmin
=37,975-
=37,973мм
На
чертеже проставляем размер: НЕmin =37,973+0,004 мм
Изношенный
калибр: ПРизнос=dmax+Y1=38+0,003=38,003мм
4.
Мероприятия по охране труда, технике безопасности и пожарной безопасности
Охрана
труда в механическом цехе
Охрана труда - это система законодательных актов,
социально-экономических, организационных, технических и
лечебно-профилактических мероприятий и средств, обеспечивающих безопасность,
сохранение здоровья и работоспособность человека в процессе труда. Задача
охраны труда - свести к минимальной вероятности поражения или заболевания
работающего с одновременным обеспечением комфорта при максимальной
производительности труда. Реальные производственные условия характеризуются,
как правило, наличием некоторых опасных и вредных производственных факторов.
В соответствии с ГОСТ 12.003-791 в механосборочном
цехе существуют следующие опасные и вредные производственные факторы:
движущиеся машины и механизмы;
подвижные части производственного оборудования; -
повышенная запыленность и загазованность воздуха рабочей зоны;
повышенная температура поверхностей оборудования,
материалов;
повышенный уровень шума на рабочем месте;
повышенный уровень вибрации;
недостаток естественного света;
недостаточная освещенность рабочей зоны;
острые кромки, заусенцы и шероховатость на
поверхностях заготовки, инструментов и оборудования;
физические перегрузки (динамические);
нервно-психические перегрузки (монотонность труда).
Для устранения или уменьшения этих факторов в цехе
проводятся мероприятия, такие как:
в здании механосборочного цеха установлены
вентиляционные системы;
каждый рабочий имеет спецодежду и спецобувь, очки, а
также респиратор;
для защиты от шума органов слуха рабочие имеют
наушники;
для ликвидации недостатка освещенности рабочей зоны на
станках встроены устройства местного освещения;
для защиты от стружки и СОЖ применяются защитные
экраны.;
для защиты от движущихся частей производственного
оборудования применяются защитные ограждения.
Надзор и контроль за соблюдением законодательства о
труде и правил по охране труда осуществляют специально уполномоченные органы и
инспекции, а так же профессиональные союзы.
Одним из необходимых условий здорового и
высокопроизводительного труда в цехе является обеспечение чистоты воздуха и
нормальных метеорологических условий в рабочей зоне помещений
Механосборочный цех относится к V классу вредности.
В нем поддерживаются следующие метеорологические
условия в холодный и переходной период:
температура воздуха - 18-20 о С;
относительная влажность - 60-40 %;
скорость движения воздуха - не более 0,2 м/с;
давление - 760 мм ртутного столба.
В летний период:
температура воздуха -21-23 ° С;
относительная влажность - 60-40%;
скорость движения воздуха - не более 0,3 м/с;
давление - 760 мм ртутного столба.
Эти данные находятся в соответствии с ГОСТ 12ЛД)05-88,
где установлены оптимальные метеоусловия необходимые в рабочей зоне.
Для профилактики травматизма в механосборочном цехе
зону резания токарных, фрезерных, протяжных, зубообрабатывающих, шлифовальных
станков ограждают специальными ограждениями.
Основные меры по снижению уровня шума воздействующего
на человека на рабочих местах в механосборочном цехе:
использование звукоизолирующих ограждений;
закрытие кожухами работающих машин и механизмов;
использование глушителей при шумовых источениях
отработанных газов в атмосферу.
применение средств индивидуальной защиты, таких как
противошумовые наушники, вкладыши и шлемы.Основные меры по снижению вибрации в
механосборочном цехе: применение защитных средств: оградительных,
виброизолирующих, виброгасящих и вибропоглощающих;
применение средств индивидуальной защиты: обуви с
амортизирующими подошвами, рукавиц со специальными вкладышами, рукавиц и
перчаток с мягкими наладонниками.
Для создания нормальных условий освещенности на
рабочих местах в производственных помещениях пользуются двумя видами освещения
- естественным и искусственным. Комбинация этих двух видов представляет собой
совмещение освещения.
Эксплуатация большинства машин в цехе связана с
применением электрической энергии, поэтому вопросам электробезопасности
уделяется большое внимание.
Электра безопасность - система организационных и
технических мероприятий и средств, обеспечивающих защиту людей от вредного и
опасного воздействия электрического тока, электрической дуги, электромагнитного
поля и статического электричества.
В цехе предусмотрено защитное заземление
(ГОСТ12.1.030-81) -преднамеренное электрическое соединение с землёй
металлических нетоковедущих частей оборудования, которые могут оказаться под
напряжением, устраняющее опасность поражения людей электрическим током при
появлении напряжения на конструктивных частях электрооборудования.
Для достижения цели системой управления охраной труда
решаются следующие задачи:
обеспечение соблюдения законодательства по охране
труда;
профессиональный отбор и медицинский контроль;
порядок допуска к работе. Обучение, инструктаж и
аттестация;
обеспечение порядка внедрения стандартов ССБТ;
обеспечение безопасных я здоровых условий труда при
эксплуатации оборудования;
обеспечение безопасных и здоровых условий труда при
выполнении производственных процессов;
обеспечение безопасных и здоровых условий труда при
эксплуатации производственных зданий и сооружений;
обеспечение работающих нормальными
санитарно-гигиеническими условиями труда;
-обеспечение работающих средствами индивидуальной
защиты;
обеспечение оптимальных режимов труда и отдыха и
лечебно-профилактическое обслуживание;
предоставление работающим льгот по вредности производства;
санитарно-бытовое обслуживание работающих.
Для реализации перечисленных задач осуществляются
следующие функции управления:
планирование;
организация работы;
организация контроля;
учет, анализ и оценка состояния охраны труда и
функционирования СУОТ;
координация и регулирование работ по охране труда;
стимулирование работ по охране труда;
-воспитательная работа
5. Организационно-экономическая часть
.1 Организационная часть
.1.1 Определение количества оборудования
Определение потребного количества оборудования и коэффициент его загрузки
, (5.1)
где
Квн - коэффициент норм,
Срасч015.
Сприн
,
Срасч020-025
Сприн
,
Срасч.030
Сприн
,
Срасч040
Сприн
,
Срасч055-060
Сприн
,
Срасч065
Сприн
.
Коэффициент загрузки по каждой операции
Кзагр
=
, (5.2)
Кзагр015
Кзагр020-025
Кзагр030
Кзагр040
Кзагр055-060
Кзагр065
Средний коэффициент загрузки оборудования по участку определяется по
формуле:
Кзср
= 

Результаты расчетов сводим в таблицу
Таблица 5.1- Сводная ведомость
|
№ оп.
|
Тип и модель станка
|
N шт.
|
Fд ЧАС.
|
Тшк мин.
|
Срасч.
|
Сприн.
|
Кзагр.
|
|
015
|
ФРЕЗЕРНЫЙ МР71М
|
150000
|
4015
|
2.2
|
1,02
|
2
|
0,51
|
|
020-025
|
ТОКАРНЫЙ с ЧПУ 16К20Ф3С32
|
150000
|
4015
|
7.78
|
6,8
|
7
|
0,96
|
|
030
|
ФРЕЗЕРНЫЙ 6Р11
|
150000
|
4015
|
3.3
|
1,6
|
2
|
0,8
|
|
040
|
ФРЕЗЕРНЫЙ 5350
|
150000
|
4015
|
13.54
|
6,7
|
8
|
0,84
|
|
055-060
|
КРУГЛОШЛИФОВАЛЬНЫЙ 3М151Ф2
|
150000
|
4015
|
11.9
|
5,9
|
7
|
0,86
|
|
065
|
ТОКАРНЫЙ 16К20
|
150000
|
4015
|
1.73
|
0,8
|
1
|
0,8
|
На основании полученных данных составляется ведомость потребного
количества оборудования
Таблица 5.2- Сводная ведомость потребного количества оборудования
|
№ оп.
|
Тип и модель станка
|
Габариты станка
|
Количество станков
|
Кзаг
|
Мощность, квт
|
Категории слож. Ремонта
|
Сумма рем. Сложности
|
Оптов. Цена, тыс. руб.
|
Балансовая стоимость
|
|
|
|
|
|
1 ст.
|
Всех стан.
|
Мех.
|
Эл.
|
Мех.
|
Эл.
|
1-го
|
Всех
|
|
|
1
|
2
|
3
|
4
|
5
|
6
|
7
|
8
|
9
|
10
|
11
|
12
|
13
|
14
|
|
015
|
ФРЕЗЕ-РНЫЙ МР71М
|
5,8
|
2
|
0,5
|
11
|
22
|
12,5
|
8,5
|
50
|
17
|
360
|
720
|
792
|
|
020-025
|
ТОКАР-НЫЙ с ЧПУ 16К20Ф3С32
|
9,57
|
5
|
0,96
|
11
|
55
|
14
|
21
|
70
|
105
|
800
|
4000
|
4400
|
|
030
|
ФРЕЗЕ-РНЫЙ 6Р11
|
2,95
|
2
|
0,8
|
5,5
|
11
|
10
|
7,8
|
20
|
15.6
|
360
|
720
|
792
|
|
040-055
|
ФРЕЗЕ-РНЫЙ 5350
|
8,72
|
8
|
0,84
|
10
|
80
|
25
|
11
|
200
|
88
|
380
|
3040
|
3344
|
|
060
|
КРУГ-ЛО-ШЛИ-ФОВА-ЛЬНЫЙ
3М151Ф2
|
11,28
|
7
|
0,86
|
10
|
70
|
20
|
20
|
140
|
140
|
490
|
3430
|
3773
|
|
065
|
ТОКАРНЫЙ 16К20
|
3
|
1
|
08
|
11
|
11
|
12,5
|
8,5
|
12.5
|
8.5
|
300
|
300
|
330
|
Балансовая стоимость оборудования определяется по формуле:


5.1.2 Организация рабочего места
Под рабочим местом понимается часть производственной площади, оснащенной
необходимыми средствами, в которой совершается трудовая деятельность
исполнителя или группы исполнителей, выполняющих одну и туже операцию.
Организация рабочего места - это система мероприятий по оснащению
рабочего места средствами и предметами труда в определенном порядке.
Обслуживание рабочих мест - это обеспечение рабочего места средствами,
предметами труда и услугами, необходимыми для обеспечения трудового процесса.
Условия труда - совокупность факторов производственной среды, оказывающих
влияние на здоровье и работоспособность человека в процессе труда.
Таблица 5.3- Карта организации труда на операцию с применением станков с
ЧПУ
|
Предприятие
|
Карта организации труда на
рабочем месте
|
Цех Участок Рабочее место
|
|
|
Исходные данные
|
Предмет труда и технология
обработки
|
Форма организации труда
|
Форма оплаты труда
|
|
|
Деталь-представитель
|
Бригадная
|
Сдельная-премиальная
|
|
|
Материал -
|
|
|
|
|
Вид заготовки
|
|
|
|
|
Масса заготовки
|
|
|
|
|
Операция
|
|
|
|
|
№ технол.карты
|
|
|
|
|
Трудовой процесс
|
Элементы процесса труда
|
|
|
|
1. Подготовка станка к
работе
|
1. Визуально осмотреть
гидросистему, положение переключателей на систему ЧПУ, проверить наличие
масла и СОЖ в системах
|
|
|
2. Установка и снятие
детали
|
2. Установить резец в УП,
произвести наладку станка, установить ПЛ и ФСУ, ввести соответствующую
коррекцию и произвести обработку детали
|
|
|
3. Наблюдение за работой
станка
|
3. Произвести замеры
размеров согласно расчетам
|
|
|
Оснастка
|
Габаритные размеры (мм)
|
Кол-во, шт.
|
Обозначение модели
|
|
|
Технологическое
оборудование
|
|
|
|
|
|
1. Токарный с ЧПУ
|
|
4
|
|
|
|
Технологическая оснастка
|
|
4
|
|
|
|
1. Штангенциркуль
|
|
4
|
|
|
|
2. Калибр-пробка
|
|
4
|
|
|
|
Оргоснастка
|
|
|
|
|
|
1. Резец проходной
|
|
1(4)
|
|
|
|
2. Резец расточной
|
|
1(4)
|
|
|
|
3. Решетка под ноги
|
|
|
|
4. Прочная оснастка
|
|
4
|
|
|
|
– инструмент. шкаф
|
|
4
|
|
|
|
– подставка для чертежей
|
|
4
|
|
|
|
– стол деталей
|
|
4
|
|
|
|
Пространственная
организация рабочего места
|
|
Обслуживание рабочего места
|
Функции обслуживания
|
Исполнители, способы и
режимы обслуживания
|
|
1. Обслуживание участка
основными материалами или заготовками, транспортировка деталей по участку
|
1. Электрокарщик 2 раза в
смену
|
|
2. Обеспечение рабочих мест
инструментом
|
2. Электрокарщик 2 раза в
смену
|
|
3. Организация наладки
оборудования
|
3. Наладчик
|
|
4. Техническое обслуживание
и ремонт оборудования
|
4. Отдел главного механика
|
|
5. Контроль качества
продукции
|
5. Контролер ОТК
|
|
Условия труда
|
Факторы
|
Нормы
|
|
1. Влажность
|
68%
|
|
2. Температура воздуха
|
180
|
|
3. Уровень шума
|
80 дБ
|
|
Требования к исполнителю
работ
|
Профессия - токарь-оператор
с ЧПУ
|
|
Тарифный разряд - 2
|
|
Образование -
средне-техническое
|
|
|
|
|
|
|
|
|
|
Система мер по обеспечению качества продукции
Для обеспечения высокого качества продукции при ее изготовлении необходимо
воздействовать на факторы, влияющие на качество. К их числу относятся:
· Качество технической документации.
· Качество поступающих заготовок или материалов.
· Точность технологического оборудования.
· Качество режущего и мерительного инструмента и другой
технологической оснастки.
· Своевременный контроль качества изделий в процессе
производства.
· Ритмичность работы.
· Соблюдение трудовой и технологической дисциплины.
· Стимулирование бездефектной сдачи повышения качества
продукции.
.2 Экономическая часть
.2.1 Определение годового фонда заработной платы производственных рабочих
Годовой фонд заработной платы определяется по формуле:
ФЗПгод
= ФЗПоси + ФЗПдоп 
(4.3)
ФЗПоси
= Зоси.дет ·Nвып 
(4.4)
Зоси.дет
= ∑Rпо операц. = 11.8
(4.5)
Определение
расценки по операциям при одностаночном обслуживании
R=Cчас
(4.6)
Счас
- часовая тарифная расценка
tшт - норма
штучного времени на операцію
015=Cчас
R020-025=Cчас
R030=Cчас
R040=Cчас
R055-060=Cчас
R065=Cчас
Фонд
дополнительной заработной платы определяется по формуле
ФЗПдоп.
= 

(4.7)
5.2.2Расчет цеховой себестоимости детали и себестоимости годового объема
выпуска деталей
Цеховая себестоимость складывается из следующих затрат:
Сцех=М+Зоси+Здоп+Зстр+Рсод+Рцех
(4.8)
где Сцех - цеховая себестоимость детали руб.;
М - стоимость материалов ( за вычетом отходов ),руб.;
Зоси - зарплата основная производственных рабочих;
Здоп - зарплата дополнительная производственных рабочих;
Зстр - отчисления на социальное страхование с зарплаты производственных
рабочих;
Рсод - расход по содержанию и эксплуатации оборудования;
Рцех - цеховые расходы.
Порядок определения затрат, составляющих себестоимость детали:
· Стоимость материалов (за вычетом отходов) на одно изделие.
М
= 76.2
· Основная зарплата производственных рабочих на деталь
Зосп = 11.8
· Дополнительная зарплата на одну деталь определяется в размере
40% к основной зарплате по формуле:
Здоп.
=

· Отчисления на социальное страхование определяется в размере
14% к сумме основной и дополнительной зарплаты:
Остр.
=

· Расходы на содержание и эксплуатацию оборудования
определяются в размере 150% к основной з/п производственных рабочих без доплат
по прогрессивно-премиальной системе, т. е. от з/п по тарифу:
Рсод.
=

· Цеховые расходы определяются так же, как и расходы по
содержанию и эксплуатацию оборудования, но в размере 50%
Рцех.
=

Результаты
расчетов сводим в калькуляцию
Таблица
5.4- Калькуляция цеховой себестоимости детали
|
Статьи затрат
|
Сумма в руб.
|
|
1
|
2
|
3
|
|
1.
|
Материалы (за вычетом
отходов)
|
76.2
|
|
2.
|
Основная з/п
производственных рабочих
|
11.8
|
|
3.
|
Дополнительная з/п
|
4.72
|
|
4.
|
Отчисление на социальное
страхования
|
1.6
|
|
5.
|
Расходы на содержание и
эксплуатацию оборудования
|
17.7
|
|
6.
|
Цеховые расходы
|
5.9
|
|
Итого:
|
|
Цеховая себестоимость детали (Сцех. дет.)
Годовой приведенный объем выпуска деталей Nпр = 150000 шт.
Себестоимость годового приведенного объекта выпуска
Сцех
= Сцех. дет· Nпр=
.3
Результативная часть
.3.1
Расчет себестоимости механической обработки детали
|
Условное обозначение затрат
|
Содержание затрат и расчет
|
Сумма
|
|
|
Базовый
|
Проект.
|
Таблица 5.5-
Расчет себестоимости
Згодизм Зарплата производственных рабочих
за год Згод баз =
Згод. проект =
страх =
1,17; Rобщ = 1,43783780
Зн.годизм зарплата наладчиков за
год Зн. год. баз.=
Зн. год проект=
где С - часовая тарифная ставка наладчика
Fэф -
полезный фонд времени наладчика (1860час.)567620
|
681144
|
|
|
|
|
Продолжение таблицы 5.5
|
|
1
|
2
|
3
|
4
|
|
3ин.годизм
|
Зин.год.проект= 728391
|
|
|
AПУ годовые
затраты на возобновление ПУ AПУпроект.=

где 1,1 - коэффициент, учитывающий возобновление
перфоленты
КПУ - стоимость комплектов ПУ за год
|
Твып - средний срок выпуска
деталей одного наименования (3-5лет)56613
|
|
|
|
|
Aпр
|
Затраты на ремонт и
содержание спец приспособлений Входят в цену станка Где Кпр - стоимость
комплекта приспособлений на все наименования деталей 1,3 - коэффициент,
учитывающий затраты на ремонт
|
|
|
|
Аусп
|
Затраты по сборке и
разборки приспособлений: Входят в цену станка где Цуст - цена затраты на
сборку и разборку приспособлений Цусп=Цср+Цпрок*tшт Цср -
оптовая цена сборки разборки 1-го приспособления Цпрок - оптовая цена за
прокат tдн - количество дней проката
|
|
|
Аам Амортизационные отчисления на полное
восстановление станков: А ам.баз.=
А ам.проект. =
где А - норма амортизации н полное
восстановление409266
Апл. затраты на амортизацию и содержание помещения
Апл.баз.=
Апл.баз.= 
где Нпл - затраты на амортизацию и содержание 1 м2
площади (150руб)
kдоп
- дополнительная площадь на приводы для станков с ЧПУ
Sст
-площадь, занимаемая одним станком81864
Срем Затраты на ремонт и обслуживание станка:
Срем.баз= 
Срем.проект.=
где Нм,
Нэ - среднегодовая нормативн. ремонтосложн. (механич. и электрической частей
станка)
Рм, Рэ - категория сложности ремонта (механической и
электрической частей)759
Стехн Затраты на техническое обслуживания и ремонт ПУ
Стехн.проект. =
|
Нпу - затраты на тех.
обслуживание и ремонт ПУ58320
|
|
|
|
|
Итого: Смех. баз = Смех.
проект =
|
4850120
|
2987760
|
5.3.2Расчет годового экономического эффекта
Таблица 5.6- Расчет затрат
|
Обозначение затрат
|
Расчет затрат
|
Сумма
|
|
|
Базовый
|
Проект.
|
|
1
|
2
|
3
|
4
|
|
Кизм
|
Сумма капитальных вложений
|
24135470
|
16296150
|
|
М
|
Стоимость материалов
|
|
|
|
Смо.год
|
Себестоимость механической
обработки годового выпуска
|
4850120
|
2987760
|
|
П
|
Приведенные затраты Пбаз.=4850120+0,2*24135470=9677210
Ппроект.= 2987760+0,2*16296150= =6246990 где Ен - нормативный коэффициент
эффективности капиталовложений (0,2)
|
9677210
|
6246990
|
|
Эгод
|
Годовой экономический
эффект Эгод = Пбаз - Ппроект =3430220
|
3430220
|
Обоснование экономической эффективности внедрения станков с ЧПУ
Использование станков с ЧПУ для приведенной программы выпуска детали
целесообразно, т.к.:
- Годовой экономический эффект составит -3430220
- Рост производительности труда рабочих на участке -147,6%
- Снижение себестоимости продукции -29,1%
- Высвобождение численности рабочих -31чел
Внедрение станков с ЧПУ на утвержденную программу нецелесообразно, так
как получается убыток в сумме 120360руб.