Трехкорпусная вакуум выпарная установка в линии производства томатной пасты
Курсовая работа
«Трехкорпусная
вакуум выпарная установка в линии производства томатной пасты»
Введение
Концентрированные
томат продукты занимают одно из ведущих мест в ассортименте плодоовощных
консервов. Они являются основным компонентом овощных закусочных, обеденных,
заправочных и некоторых рыбных, мясных консервов, а в системе общественного и
домашнего питания входят в рецептуры первых и вторых обеденных блюд, соусов,
приправ и гарниров.
Концентрированные
томат продукты представляют собой томатную массу, освобожденную от семян и
кожицы и уваренную до разной массовой доли сухих веществ (в %): томатное пюре -
до 12, 15 и 20, томатная паста - до 25, 30, 35 и 40. К этой группе консервов
относят и томатные соусы.
Основной продукцией
томатного производства является 30%-ная томатная паста.
Именно в ВВУ
происходит основное удаление влаги из томатного сока, именно на этом
технологическом оборудование и достигается основной показатель качества готовой
продукции, а именно заданное содержание сухих веществ. Все это и определяет
важность рассмотрения мной заданного технологического агрегат, а именно
трехкорпусной ВВУ прямоточного типа.
1. Место
технологического процесса в общей структуре производства концентрированной 30%
томат пасты.
.1 Общее описание
производства концентрированной 30% томат пасты.
Томатная паста
Приёмка Машина
для мойки и сортировки томатов
Машина
для отделения семян Сборник для пульпы
Протирочная
машина Сборник для сока
I корпус ВВУ II корпус ВВУ III корпус ВВУ
Бункер
готового сырья Фасовочная машина (стеклянная тара) Автоклав
Подготовка сырья. Механизированную
уборку томатов начинают при созревании на кусте 70…80% плодов, используя
комплекс машин из самоходного комбайна СКТ-2 и тракторной платформы ПТ - 3,5 с
ящичными поддонами или самосвального тракторного прицепа 2ПТС-4М. Комбайн
подрезает и подбирает куст томатов, особыми приспособлениями плоды отделяются
от ботвы и попадают на сортировочный конвейер, где вручную отбирают зеленые и
гнилые экземпляры, комья земли. Зеленые плоды поступают в бункер, а красные -
по наклонному конвейеру загружаются в ящики поддоны, установленные на
движущемся рядом тракторной платформе ПТ - 3,5, которая синхронно передвигаетя с комбайном.
Ящичные поддоны
доставляются автомашинами и в специальных тракторных прицепах. Погрузка и
разгрузка их осуществляется контейнероопрокидывателями. При транспортировке на
расстояния до 10 км используются ящичные поддоны вместимостью не более 400 кг
при высоте слоя томатов 0.6 м, на большие расстояния (до 40 км) рекомендуется
бестарная доставка томатов в автосамосвалах грузоподъемностью до 10..12т.
Загрузку сырья из комбайна в большегрузные транспортные средства осуществляют
конвейерами, а разгрузку с помощью мощных водяных струй, создаваемых
гидромониторами. В промышленности внедрен способ доставки томатов в цистернах с
водой (соотношение 2:1), изготовленных из нержавеющей стали, вместимостью
2,4…3,6 м3. Потери растворимых сухих веществ при транспортировке в
них неповрежденных плодов составляют 0,4…0,6%-Томаты ручного сбора доставляют В
ящиках, что связано _ тяжелым ручным трудом и простоями транспорта. Поэтому
сырье часто перевозят в ящичных поддонах и цистернах с водой. На сырьевых
площадках заводов сырье хранят в ящиках и ящичных поддонах не более 18 ч, в
большегрузных транспортных средствах - 6 ч, в емкостях с водой - 8 ч, в
охлажденной воде при 5…10 °С - 24 ч.
В сырьевых зонах
крупных предприятий широко распространены пункты первичной переработки томатов,
где получают дробленую томатную массу (пульпу), которую в цистернах доставляют
на завод. При этом лучше используется транспорт, упрощаются
погрузочно-разгрузочные работы, сокращаются потребности в тape. Вместе с тем дробленая
томатная масса не обладает естественным иммунитетом, свойственным сырью, и
легко поддается порче. Поэтому разрыв между заготовкой пульпы - полуфабриката и
ее переработкой на заводе не должен превышать 2 ч.
Для обеспечения
ритмичной работы томатных цехов в течение суток на заводе или пункте первичной
переработки создаются запасы пульпы, которую обрабатывают следующим образом:
подогревают до 75+5 °С, протирают и финишируют (диаметры отверстий в ситах
протирочных машин соответственно 1,2 и 0,4 мм), затем подогревают до 93±3 °С с
целью подавить жизнедеятельность микроорганизмов и охлаждают до 23+.3 °С.
Хранить пульпу в теплоизолированных емкостях вместимостью 25…100 м3
можно в течение 10 ч.
Технологические
процессы мойки, сортировки по степени зрелости и качеству, дробление относят к
первичной переработке томатов, которая может осуществляться по двум схемам.
Первая схема предполагает выгрузку томатов из ящиков, ящичных поддонов и других
средств доставки в емкости с водой, соединенные системой гидротранспортеров, в
которых осуществляются смыв, размягчение и удаление почвенных примесей.
Гидротранспортер представляет собой бетонированный желоб, расположенный в полу
с уклоном 10…12 м на 1 м, в котором потоком воды томаты перемещаются со
скоростью 0,7…1 м/с. Расход воды составляет 4…5 л/кг сырья. Для улавливания
механических примесей в днище ванны и руслах гидротранспортеров устанавливаются
ловушки. Томаты из гидрожелоба наклонным элеватором подают в моечные машины
вентиляторного типа А9-КМК-12. Расход воды для эффективной мойки должен
составлять не менее 2 л/кг сырья, а давление воды в душах 200…300 кПа.
Сортировка сырья по
степени зрелости и качеству проводится вручную - на роликовом конвейере. По
первой схеме успешно осуществляется переработка томатов ручного сбора. Что
касается сырья машинной уборки, поступающего в больших объёмах, с повышенным
содержанием земляных и растительных примесей и недозрелой части (более 15%), то
его обрабатывают по второй схеме. Для этого создан новый технологический
комплекс оборудования (рис. 4.1) на базе технологических схем и оборудования
фирмы FMC (США).
Рис. 1. Станция
приемки и сортировки томатов машинной уборки:
I - эстакада; 2 - гидромониторы; 3 - гидрожелоба первого контура; 4
- емкости для очистки воды; 5 - гидрожелоба второго контура; б - элеватор; 7 -
циркуляционные насосы; 8 - флотационный гидрожелоба третьего контура; 9 -
гидрожолобы четвертого контура; 10 - фотоэлектронный сортирователь; 11,
12-резервуары для воды; 13 - шнековый конвейер для отходов; 14, 15, 16 -
конвейеры до сортировки красных, бурых и зеленых томатов; 17 - генератор
диоксида хлора.
Томаты разгружают с
помощью гидромониторов 2. Мойку их осуществляют в системе гидротранспортеров
четырех контуров, что значительно снижает повреждаемость томатов по сравнению с
традиционными моечными машинами. Сырье из приемной емкости по решеткам попадает
в гидрожелоба 5 второго контура, а воды поступает в гидрожелоба 3 на
гидромониторы. Томаты из гидрожелоба 5 элеватором 6 подаются разной скорости
всплывания в потоке воды зрелых и зеленых томатов. Окончательную сортировку по степени
зрелости натри фракции (красные, бурые и зеленые), сырье проходит на
фотоэлектронном сортирователе 10 и роликовых конвейерах 14 и 16 четвертого
контура. Красные томаты поступают на дальнейшие технологические операции, а
недозрелая часть томатов быть использована для выработки солений, маринадов и
салатов.
Эта система
включает четыре замкнутых контура оборотного водоснабжения с многократным и
экономным использованием воды. Дня обеззараживания воды используют диоксид
хлора. По такому принципу разработан ряд комплексов первичной переработки
томатов на базе отечественного оборудования производительностью 80, 40, 20 и 10
т/ч. Эти комплексы предусматривают приемку и механизированную выгрузку,
четырехкратную мойку оборотной водой и ополаскивание питьевой водой,
автоматизированную сортировку по цвету, получение дробленой массы - Система
водоснабжения с очисткой и обеспечивает хорошее качество мойки при небольшом
расходе питьевой воды (до 1,5 м3/т).
Томаты дробят для
облегчения последующего протирания, а также для удобства транспортирования.
Дробление осуществляют одновременно с отделением семян на дробилках -
семяотделителях типа КОС. Семена, не прошедшие тепловой обработки, могут
использоваться как посевной материал.
Нормализация
пульпы. В процессе производства
концентрированных томат продуктов нерастворимые в воде части плода - кожица,
семена и сосудистые волокна, не представляющие непосредственной исходит
перераспределение растворимых и нерастворимых веществ по сравнению с сырьем,
меняется их соотношение. В пульпе из сортов томатов ручного сбора Р./НР
находится в пределах 7,5…9,25, машинного - 3,85…6.63 единиц.
В пульпе,
поступающей на последующее концентрирование, оптимальное отношение Р/НР должно
находиться в диапазоне 7…10. Поэтому пульпа из мелкоплодных нуждается в
пониженной доли нерастворимых веществ с тем, чтобы отношение Р/НР приблизилось
к оптимальному. Этот процесс называется нормализацией и осуществляется по
следующей схеме: грубое протирание, подогрев, протирание и прессование отходов.
Грубое протирание
неподогретой дробленой пульпы проводится на протирочной машине с диаметром
отверстий сит 5 мм. Получаемая пульпа называется грубопротертой. В результате
такого холодного протирания отделяются грубые включения, зеленые части плодов,
наиболее крупные частицы кожицы и семена. Вместе с кожицей, по данным Ю.Г.
Скориковой, удаляется до 30…50% горького вещества томатов нарингина, что
улучшает вкус И качество готовой продукции. Отходы содержат небольшое
количество влаги и дальнейшей переработке не подлежат.
Грубопротертую
пульпу, изготовленную на заводе или доставленную с пунктов первичной
переработки, подогревают до 75+_5 °C. При этом происходит гидролиз протопектина, цементирующего стенки
ткани и кожицы, в результате чего облегчается отделение при последующем протирка
кожицы от мякоти, увеличивается переход мякоти в пульпу и в 3 раза снижается
количество отходов. В то же время подогрев, инактивируя ферменты, разрушающие
пектин, способствуют его сохранению, что придает продукту однородную
консистенцию.
Подогретая
грубопротертая пульпа поступает в сдвоенную протирочную машину, где на первом
сите с диаметром отверстий 1,2 мм. Удаляются оставшиеся семена и кожица, грубые
волокна и на втором сите с диаметром отверстий 0,4 мм проводится окончательное
протирание массы до получения тонкодисперсной консистенции, называемое
финишированием. Степень отжима массы в зависимости от сорта томатов регулируют,
изменяя зазор между бичами и ситом протирочной машины в пределах 4…16 мм и угол
опережения (угол наклона бичей к валу) до 7°. При протирании извлекается 80…88%
жидкой легкоотделяемой части томатной массы, отходы не возрастают до 12..15%.
Для снижения потерь
отходы направляют на разваривание при 96±2 °С в аппараты шнекового или других
типов, а затем на стекатель ВССШ для отделения сока. Отходы прессуют на прессе
ПНДЯ, влажность их после прессования не должна превышать 65*3%. Такая обработка
позволяет извлечь еще дополнительно до 6…8% томатного сока, который добавляют в
протертую томатную пульпу, что способствует снижению доли мякоти и
соответственно вязкости массы. В результате нормализации в мякоти пульпы
уменьшается содержание клетчатки, лигнина, протопектина (в основном при
тепловой обработке), пентозанов, что приводит к увеличению отношения Р/НР. По
этому показателю регулируют и контролируют в пульпе количество мякоти,
состоящей главным образом из клетчатки и лигнина.
Важнейшим
технологическим свойством этих веществ является гидрофильность, чем объясняется
и высокая водопоглотительная способность мякоти. Повышенное количество мякоти в пульпе поэтому
повышает ее вязкость. Одновременно с ростом вязкости падают
температуропроводность, теплоемкость и теплопроводность, что приводит. К
уменьшению коэффициента теплоотдачи от поверхности нагрева к кипящему раствору
и в целом ухудшает работу выпарных станций из-за частых остановок для очистки
поверхностей нагрева от нагара.
Не только
количество, но и степень измельчения мякоти томатов значительно влияют на
последующее выпаривание влаги. С увеличением степени дисперсности частиц мякоти
возрастает подвижность массы, уменьшается вязкость и интенсивнее идет кипение.
Наибольшее количество тонкодисперсной фазы получается при финишировании пульпы.
Для удаления минеральных примесей массу после финиширования пропускают через
гидроциклоны, что позволяет снизить количество песка в 10 раз.
Стерилизация
томатной массы в потоке. Низкая активная
кислотность томатов машинного сбора (рН 4,0…4,7), обильное загрязнение почвой,
растительными примесями, повышенное количество поврежденных плодов (6..15%)
создают благоприятные условия для развития микроорганизмов, в том числе и
возбудителей ботулизма. Томатную пульпу поэтому приходится подвергать довольно
жесткой тепловой обработке по схеме: подогрев до 125 °С, выдержка в течение 70
с, охлаждение до 85 °С. Поскольку дальнейшие технологические процессы
производства томатной пасты (уваривание, подогрев, пастеризация) осуществляются
при температуре, не являющейся летальной в отношении спор возбудителей
ботулизма, стерилизация пульпы в потоке рассчитана на их уничтожение. Для
стерилизации применяют многоходовые трубчатые теплообменники типов ТН, Tl - КТЮ.
Варка
томатной пасты. Томатную пасту варяг в
вакуум-выпарных установках. Отсутствие контакта с воздухом и низкая температура
кипения под разрежением обеспечивают сохранение витаминов, крася тих веществ и
других ценных составных частей сырья
Пониженная
температура кипения томатной массы позволяет применить для обогрева
вакуум-аппаратов пар низкого давления, что дает значительную экономию теплоты.
На консервных предприятиях на линиях производства томата-пасты распространены
вакуум-выпарные установки трех типов: прямоточного, противоточного и смешанного
(прямоточно-противоточного). В установках, работающих на принципе прямотока,
движение греющего пара и продукта осуществляется в одном направлении,
противотока - движение продукта встречное, в установках
прямоточно-противоточного используются оба принципа.
Фасовка
томат продуктов. Томатную пасту фасуют в
стеклянные банки. Перед фасовкой в тару томатопродукты подогревают до90..93
°С в случае последующей пастеризации в непрерывно действующих аппаратах
открытого типа, до 85 °С при тепловой обработке в автоклавах и до 94±2.°С при
консервировании методом горячего розлива. Для подогрева используют
кожухотрубные, шнековые теплообменники, типа «Рототерм», выпарные аппараты,
аппараты ВНИИКОП.
Томатную пасту и
фасуют на автоматических наполнителях для густых масс, укупоривают
лакированными металлическими крышками и пастеризуют в непрерывно действующих
аппаратах разных типов: фирмы «Единство» и А2-КПО (туннельные), А9-КСЖ
(роторный) и др. Принцип, положенный в основу пастеризации томат продуктов в
аппаратах открытого типа, предусматривает подогрев продукта перед фасовкой в
тару до температуры пастеризации, выдержку при этой температуре в аппарате
20…25 мин и последующее охлаждение. При отсутствии пастеризаторов томатную
пасту стерилизуют в автоклавах при 100С в течение 10-35 мин.
Стерилизация консервов протекает по
программе, задаваемой формулой стерилизации. Основные параметры регулирования -
температура и давление в автоклаве. Рыбные консервы обычно принято
стерилизовать по одноступенчатым режимам. Как известно, формула стерилизации в
этом случае предусматривает три этапа:
прогрев автоклава и консервируемого
продукта до температуры стерилизации;
стерилизация, т.е. выдержка
консервов при постоянной температуре;
охлаждение консервов и снижение
давления в автоклаве.
Задача регулирования процесса
стерилизации определяется способом стерилизации. В зависимости от вида
консервной тары стерилизация рыбных консервов может осуществляться тремя
способами:
в мелких жестяных банках паром при
температуре112°С без регулируемого
противодавления;
в крупных жестяных банках и мелких
тонкостенных жестяных банках паром с воздушным противодавлением и водяным охлаждением;
в стеклянных банках и крупной
жестяной таре в горячей воде с водяным или воздушным противодавлением.
Известно, что основная цель процесса
тепловой стерилизации консервов заключается в уничтожении микроорганизмов и
подавлении активности тканевых ферментов. Фактор кулинарной готовности можно
рассматривать как одно из ограничений процесса.
Увеличение эффекта теплового
воздействия на продукт - стерилизующего эффекта повышает гарантию стерильности
продукта, однако при прочих равных условиях снижает технико-экономические
показатели производства: увеличивает расход энергоносителя, уменьшает
производительность участка стерилизации, иногда снижает пищевую ценность
продукта.
Величина стерилизующего эффекта F определяется формулой
где
-
относительная смертельная скорость при температуре продукта
;
- время.
Величина F отражает долю уничтоженных микроорганизмов от их первоначального
количества в продукте.
Изменение температуры
в
центре реальной банки может приближенно описано дифференциальным уравнением
где
-
постоянная времени банки;
- температура рабочей
среды стерилизационного аппарата;
- время запаздывания.
При разработке программы
регулирования температуры необходимо стремиться к реализации таких законов
изменения температуры в автоклаве, которые обеспечивали бы достижение заданного
стерилизующего эффекта за минимальное время цикла стерилизации.
С программой изменения температуры
должно быть согласовано изменение давления в стерилизационном аппарате.
«Идеальная» программа изменения давления предусматривает в каждый момент
времени равенство давлений в аппарате и банке, что особенно важно для тары из
стекла и тонкой жести. Однако при одновременной стерилизации нескольких сот
банок развивающиеся в них давления могут различаться между собой под влиянием многочисленных
факторов (степени наполнения, начальной температуры и др.)
Минимальный перепад давлений в
аппарате и банке может быть обеспечен при программе изменения давления,
описываемого уравнением

где
-
постоянная времени банки по давлению;
- текущее давление в
автоклаве;
- текущее и начальное
значения температуры в стерилизационном аппарате;
- постоянный коэффициент
(
)
- давление в
установившемся режиме стерилизации при установившейся температуре
.

Рис. 1.1.1. - Блок-схема
технологического процесса производства концентрированной 30% томат пасты
.2 Описание
технологического оборудования, на котором реализован технологический процесс на
автоматизируемом участке
Из двух модификаций выпарных
установок «Сифаль» (Франция) интерес представляет схема модели с
вертикально-пленочным калоризатором и пароструйным тепловым насосом. Выпарная
установка имеет три выпарных аппарата, изготовленных из нержавеющей стали.
Выносная трубчатая вертикальная нагревательная камера каждого аппарата
отличается сравнительно большой длиной трубок, что видно из следующих данных.
Рис. 1.2.1. Схема выпарной установки
«Сифаль»
По движению
продукта выпарная установка - трехкорпусная, по движению пара - двухкорпусная.
Первый аппарат
(рис. 1.2.1.) работает по принципу падающей пленки продукта. Продукт насосом 9
подается в верхнюю камеру испарителя 1 и там при помощи решетки равномерно
распределяется над всей трубной плитой. Затем в виде тонкой пленки продукт
стекает вниз по внутренней поверхности трубок и вследствие испарения влаги
концентрируется. Сконцентрированный
продукт выходит из
нижней части испарителя и вместе со вторичными парами попадает в сепаратор 2;
здесь продукт отделяется от паров и насосом 3 перекачивается во второй аппарат
или насосом 8 снова подается на выпаривание в испаритель первого аппарата.
Вторичные пары из
сепаратора первого аппарата частично направляются в испарители второго 4 и
третьего 5 аппаратов; другая часть этих паров увлекается и сжимается острым
паром давлением 0,5-0,6 Мн/м2 (5-6 кГ/см2) в пароструйном
тепловом насосе 6 первого аппарата; затем эти пары используются в испарителе
того же аппарата. Во втором аппарате продукт движется так же, как и в первом
(сверху вниз в виде падающей пленки); в испарителе 5 третьего аппарата продукт
перемещается снизу вверх насосом 7.
Режим работы выпарной установки
приведен в табл. 1.2.
Томатная пульпа концентрируется до
30% сухих веществ в.*. количестве 1,11 - 1,25 кг/сек (4000-4500 кг/ч). Для
конденсации вторичных паров после второго и третьего аппаратов используется
полубарометрический конденсатор; для удаления воздуха из конденсатора и
создания в нем разрежения применены пароструйные эжекторные вакуум-насосы.
1.3 Формулирование
условий, при которых возможно и целесообразно реализовывать технологический
процесс
В вакуум выпарной установки является
крайне не желательным выход основных технологических параметров за зоны
допуска. Так к подгоранию продукта может привести превышение регламентов по
температуре, падение уровня и не поддержание достаточной глубины вакуума во
всех корпусах установки, что является крайне не желательным. А выходная
концентрация является прямым показателем качества готовой продукции.
1.4
Анализ объекта с позиции автоматизации
Для получения
томат-пасты с 30%-ным содержанием сухих веществ применяются многокорпусные
выпарные установки (двух- и трехступенчатые). АСУ такой установкой рассмотрим
на примере прогрессивной высокопроизводительной трехкорпусной установки,
функциональная схема которой изображена на рис. 1.4.1.
Рис. 1.4.1. Функциональная
схема АСУ 3-корпусной установки
АФ трехкорпусной
выпарной установки (рис. 1.4.1.) сводится к следующему. С линии первичной
обработки томатов сок, предварительно подогретый до 80 °С, подается в
испаритель I первого корпуса. В подогреватель II этого корпуса поступает
острый пар 2, нагревающий сок до температуры 90…95° С. В первом корпусе сок
уваривается до концентрации 8…9% и направляется под давлением в концентратор III второго корпуса. В
подогреватель IV этого корпуса поступает соковый пар из первого корпуса,
обеспечивая процесс выпаривания при температуре 40…45° С. Циркуляция уваривания
массы обеспечивается насосом H1. Из второго корпуса полуконцентрат подается насосом Н2 в
подогреватель VI третьего корпуса. Здесь уваривание продукта происходит при
температуре 40… 45 °С, поддерживаемой теплом сокового пара второго корпуса. При
достижений продуктом концентрации 30% насос Н4 откачивает готовую томат-пасту
из концентратора V на расфасовку. В том случае, если концентрация томат-пасты будет
меньше заданной, она возвращается в концентратор V для дальнейшего, уваривания.
Соковый пар из второго и третьего корпусов поступает в конденсатор VII.
В системе
предусмотрены: стабилизация уровня во всех концентраторах (3, 7, 14) изменением
подачи продукта в них (4, 8, 15); стабилизация концентрации на выходе из
третьего корпуса (18); управление температурой нагрева сока в первом корпусе
(1) с выходом на управление расходом пара (2), подаваемого в подогреватель
первого корпуса; сигнализация о давлении в концентраторах (6, 12, 13) и
сигнализация о нижнем уровне в концентраторе I (3) с выходом на аварийную АБ по
подаче пара (2г) выборочная информация о температурах поступающего сока (22),
сока во втором и третьем корпусах (20, 21), конденсата в конденсаторе (22);
информация о температуре сока в конденсаторе I (1), уровнях сока в корпусах,
давлении острого пара (6); информация о концентрации готового продукта (18).
2. Расчет нормирующего
преобразователя
преобразователь
томат паста технологический
Измерение разрежения во втором
корпусе. Датчик мембранный вакуометр с реостатным выходом 0…200 (Ом).Диапазон
измерения датчика(ПП) и (НП) -50…50кПаи выходной сигнал (НП) 0…10В.
Разработка структурной схемы
устройства.
Преобразователи сопротивления
удаленного датчика в напряжение постоянного тока может использоваться,
например, при измерении давления. Так как датчик является удаленным и
подключается с помощью довольно длинных линий связи, возникает необходимость
исключения погрешности от изменения их сопротивления (например при изменении
температуры окружающей среды). Также необходимо исключить влияние наводок и
помех, возникающих в соединительных проводах. Для решения этих задач существует
несколько вариантов подключения удаленного датчика. Рассмотрим две наиболее
распространенные схемы подключения удаленного датчика:
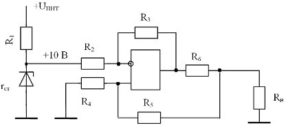
2.1 Трехпроводная
(мостовая схема)
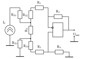
Рис. 2.1.1. Мостовая схема
преобразования сопротивления в напряжение
В мостовой схеме преобразуется
неравновесия мостовой резистивной цепи в напряжение. Для уменьшения погрешности
от изменения сопротивления соединительных проводов они включены в
противоположные плечи измерительного моста. Поэтому, если учесть то, что
сопротивление проводов изменяется примерно одинаково, влияние линий связи
практически полностью компенсируется.
Недостатками такой схемы является
нелинейность преобразования, отсутствие компенсации наводок, необходимость
стабилизированного напряжения питания моста. Преимуществом схемы является
наличие всего трех соединительных линий.
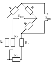
2.2 Четырехпроводная
схема (с источником опорного тока)
Рис. 2.2.1. Четырехпроводная схема
преобразования сопротивления в напряжение (с опорным источником тока)
При использовании такой схемы через
две линии связи на измеряемое сопротивление подаётся стабилизированный ток, в
результате на нем возникает падение напряжения, зависящее от сопротивления
датчика. Так как источник тока стабилизирован, то ток, протекающий через датчик
не зависит от сопротивления линий RЛ1 и RЛ2. Через
соединительные линии RЛ3 и RЛ4 падение напряжение
поступает на операционный усилитель в дифференцирующем включении. Сопротивление
линий RЛ3 и RЛ4 не влияет на точность измерения, так как
входное сопротивление усилителя значительно больше сопротивления линий. В
результате изменение выходного напряжения пропорционально изменению
сопротивлению датчика.
Преимуществами схемы заключаются в
линейности преобразования, практически полная независимость выходного сигнала
от изменения сопротивления соединительных проводов, подавление наводок на
соединительные провода RЛ3 и RЛ4, так как операционный
усилитель в дифференциальном включении не усиливает синфазный сигналы, которыми
являются большинство наводок и помех (так как линии связи проходят в одинаковых
условиях).
Таким образом, второй вариант имеет
преимущества перед первым (линейность преобразования, подавление наводок).
Поэтому в проектируемом преобразователе будет использоваться именно такая схема
преобразования сопротивления в напряжение.
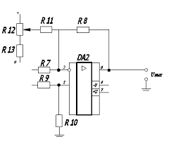
.3 Структурная схема проектируемого
устройства
Рис. 2.3.1. Структурная схема
Описание структурной схемы:
Датчик подключается к источнику
постоянного тока (I0 = 4 мА). В зависимости от сопротивления
изменяется падение напряжения на датчике:
Датчик подключен к
дифференциальному усилителю, который усиливает напряжение до значений 0…10В (KUДУ
= 12.5).
2.4 Разработка
принципиальной электрической схемы
Рис. 2.4.1.1.
Электрическая схема источника постоянного тока
Как видно на схеме, в
источник постоянного тока входит источник опорного напряжения +10 В,
представляющий собой делитель напряжения, состоящий из резистора R1 и
стабилитрона. Выбираем стабилитрон с параметрами:
|
Параметр
|
Значение
|
|
Uстном
|
10 В
|
|
Uстmin
|
9,0 В, %*
|
|
Uстmax
|
11 В, %*
|
|
Iстmax
|
13 мА
|
|
Iстmin
|
0,5 мА
|
|
Pmax
|
125 мВт
|
|
Iст
|
4 мА
|
|
rстmax
|
40 Ом
|
Рассчитываем значение сопротивления
резистора R1:

Стабилизированное
напряжение подается на вход усилителя с выходом по току. При этом напряжение на
нагрузке будет равно:
Для того чтобы
напряжение на нагрузке
изменялось
прямо пропорционально сопротивлению нагрузки
(что и обеспечивает
постоянство тока нагрузки), нужно чтобы выполнялось условие:
Тогда, после простых
преобразований получим:
Выбираем резистор
с
номинальным сопротивлением 8 кОм, резистор
с номинальным
сопротивление 100 кОм. Тогда Резистор
будет иметь
сопротивление 200 Ом, резистор
- 7.8 кОм, резистор
кОм.
2.5 Расчет
дифференциального усилителя
Рис. 2.5.1.
Электрическая схема дифференциального усилителя
Дифференциальный
усилитель усиливает напряжение до значений
….10 (KUДУ =
12.5). Таким образом:
Примем
.
Тогда
.
При дифференциальном включении операционного усилителя выполняются следующие
равенства:
Рис. 2.5.2.
Статическая характеристика Uвых(Rвх)
Заключение
В
данной работе был рассмотрен участок технологического процесса приготовления
концентрированной 30% томат пасты, и в качестве объекта автоматизации был выбран технологический агрегат - двухкорпусная прямоточная ВВУ «Сифаль». Представлено общее описание технологического
процесса и составлена блок-схема
технологического процесса.
Проанализирован опыт автоматизации участка процесса
и предложены пути повышения эффективности управления. В качестве одного
из способов рассматривалось построение системы
оптимального управления. Также представлена аппаратная реализация
взаимодействия схемы автоматизации на базе микропроцессорного контроллера с
объектом автоматизации.
Список литературы
1. Основы промышленной электроники.
Под ред. Герасимова В.Г.М., Высшая, школа, 1978.
. Петров И.К. Технологические
измерения и приборы в пищевой промышленности. М., Пищевая промышленность, 1973.
. Романов В.А. Автоматизация типовых
производственных процессов. М.-Л., Энергия, 1964.
. Скобло Д.И., Глыбин И.П.
Автоматический контроль и регулирование процессов пищевых производств. Киев,
Теска, 1974.
. Сурган Г.А. Основы автоматизации
технологических процессов консервного производства. М., Пищевая промышленность,
1973.
6. Утанский В.С. Автоматизация холодильных машин и установок, М.,
Пищевая промышленность, 1973.
. Технология консервирования плодов, овощей, мяса и рыбы. Б.Л.
Флауменбаум, Е.Г. Кротов, А.Ф. Забегалов.