Домкрат самолётный
МИНИСТЕРСТВО
ОБРАЗОВАНИЯ И НАУКИ УКРАИНЫ
НАЦИОНАЛЬНЫЙ
АЭРОКОСМИЧЕСКИЙ УНИВЕРСИТЕТ
им.
Н.Е.ЖУКОВСКОГО
"ХАРЬКОВСКИЙ
АВИАЦИОННЫЙ ИНСТИТУТ"
Кафедра
202
ПОЯСНИТЕЛЬНАЯ
ЗАПИСКА
к
домашнему заданию
по
курсу "Конструирование машин и механизмов"
"Домкрат
самолётный"
СОДЕРЖАНИЕ
Введение
Исходные
данные
1.
Расчёт винта
.
Расчёт гайки
3.
Расчёт рукоятки
.
Расчёт корпуса
.
Определение КПД механизма
Заключение
Список
используемой литературы
ВВЕДЕНИЕ
Передача винт-гайка предназначена для преобразования вращательного
движения в поступательное. При этом обеспечивается выигрыш в силе. Такие
передачи широко используются в авиационной технике: в домкратах, съёмниках,
подъёмниках шасси и др.
К преимуществам такой передачи можно отнести:
) Большую несущую способность при малых габаритах
) Возможность достижения высокой точности перемещения
) Простоту конструкции и изготовления.
Недостатком является низкий КПД таких передач.
В данной работе спроектирован самолётный домкрат. Рассчитаны
винт, гайка, корпус винтовой передачи.
Также проведены проверочные расчёты и подобраны стандартные
детали.
1.
ИСХОДНЫЕ ДАННЫЕ
· Действующая сила F(Н) 17500;
· Тип резьбы ГОСТ 10177 ;
· Размер Hmax(мм): 1800;
· Ход винта h(мм): 0.2Hmax=360;
Схема механизма приведена на рисунке 1.1
рис 1.1
Так как механизм ответственный и испытывает большую нагрузку,
то материалы винта назначаем из качественной стали, а для гайки - из
безоловянистой бронзы.
Винт: Сталь45 ГОСТ 1050-74 (sв=610 МПа sт=360 МПа);
Гайка: Броф10-1 ГОСТ 613-41(sв=300 МПа);
2. РАСЧЁТ ВИНТА
Во всех случаях винт работает на сжатие (растяжение) и
кручение.
Винты должны одновременно удовлетворять условию прочности при
продольном изгибе и условию допускаемой гибкости:
;
;
Допускаемая гибкость для грузовых винтов
. Задаёмся гибкостью l=40 и коэффициентом запаса S=5.
Допускаемые напряжения для стальных винтов определяются по формуле:
(1.1)
Находим диаметр винта по критериям, определяющим
работоспособность передачи винт-гайка, исходя из условий:
а) прочности на сжатия с учётом устойчивости;
б) допускаемой гибкости;
в) износостойкости рабочих поверхностей витков
резьбы.
а) Условие прочности на сжатие с учётом
устойчивости имеет вид:
, (1.2)
где
k - коэффициент, учитывающий скручивание тела винта моментом в
опасном сечении (принимаем k=1.3);
j - коэффициент уменьшения основного допускаемого напряжения (j=0.59);
б) Условие по допускаемой гибкости имеет вид:
(1.3)
где
g- коэффициент приведённой длины винта (g=2);
q- коэффициент полноты
сечения (q=0.317);
l- свободная длина винта (l=360мм);
в) Износостойкость рабочих поверхностей витков резьбы.
(1.4)
где
d2 - средний диаметр резьбы винта;
yL=L/d2 - коэффициент высоты
гайки (yL=1.2);
L - высота гайки;
yh =H/P - коэффициент высоты
резьбы
(H - высота профиля резьбы ,Р - шаг резьбы)
для упорной резьбы yh=0.5;
[q] - допускаемое удельное давление ([q]=10МПа);
По наибольшему диаметру (вычисленному по допускаемой
гибкости) подбираем резьбу:
Таблица 2.1 Параметры резьбы
|
Шаг резьбы, мм
|
Резьба упорная
ГОСТ 10177-73 Диаметр резьбы, мм
|
|
Винта
|
Винта и гайки
|
Гайки
|
|
Наружный d
|
Внутренний d1
|
Средний d2
|
Наружный d'
|
Внутренний d1’
|
|
3
|
38
|
32.794
|
35.75
|
38.5
|
33.5
|
Проводим проверочные расчёты на условие самоторможения и на
прочность в опасном сечении.
а) Расчёт на условие самоторможения.
Угол подъёма средней винтовой линии резьбы:
. (1.5)
где:
i - кол-во заходов резьбы (принимаем i=1);
P - шаг резьбы;
d2 - средний диаметр резьбы.
Приведенный угол трения:
, (1.6)
где:
f - коэффициент трения материалов винта и гайки(f=0,12);
β - угол, образуемый рабочей поверхностью
витка резьбы с плоскостью, нормальной к оси винта(β=15·).
-условие самоторможения выполняется.
б) проверка винта на прочность в опасном сечении
; (1.7)
(1.8)
, (1.9)
где
Твп - момент винтовой пары
Тп - момент трения в пяте
(1.10)
Назначаем пяту с подшипником качения
Грузоподъемность стандартного упорного подшипника определяется по
формуле:
, (1.11)
где
n-коэффициент запаса(n=1.2);
Подшипник D=60мм
T=Tп+Твп
Условие прочности выполняется.
в)Определяем КПД винтовой пары:
(1.4)
3. РАСЧЕТ ГАЙКИ
Гайки изготавливаются из материалов, имеющих в паре со
стальным винтом низкий коэффициент трения и высокую износостойкость, к таким
материалам относятся оловянистые и безоловянистые бронзы, латунь,
металлокерамика и антифрикционный чугун.
Гайки выполняются в виде цилиндрических втулок, которые
запрессовываются или ввинчиваются в подвижный или неподвижный корпус. В данном
случае конструкцию гайки выбираем таким образом, чтобы распределение нагрузки
по виткам резьбы было наиболее равномерным
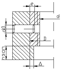
Конструкция гайки
рис. 3.1
При расчёте резьбы гаек принимается допущение, что осевое
усилие распределяется по виткам равномерно, а угол подъёма витков настолько
мал, что их можно рассматривать в виде плоских круговых колец. В гайке
рассчитывают резьбу (на изгиб, срез и удельное давление), основные её размеры (H, D), а также отдельные
элементы (посадка в корпус, упорный буртик D , фиксирующие детали и
др.).
а) Находим число витков гайки:

(3.1)
где
[P]-допускаемое удельное давление ([P]=4МПа);
,
б) Определяем высоту гайки:
(3.2)
в) Тело гайки подвергается кручению и сжатию. Наружный диаметр
тела гайки Dh определяется из условия прочности:
(3.3)
где k -коэффициент, учитывающий скручивание
тела гайки, k=1.3;
[s]-допускаемое
напряжение сжатие или растяжения
,
;
(3.4)
Толщина стенки гайки по условию прочности оказалась малой,
наружный диаметр гайки назначаем конструктивно:
; (3.5)
Наружный диаметр принимаем
г) Проводим проверку витков резьбы на прочность, так как
материал гайки обладает более низкими механическими свойствами, чем материал
винта. Виток резьбы гайки разворачиваем по наружному диаметру (D) и представим в виде
консольной балки, несущей равномерно распределённую нагрузку, которую заменяем
сосредоточенной силой F/z. Наибольшее напряжение среза и изгиба возникают
в корневом сечении с длиной pD и высотой витка h0 ,исходя из условия
прочности витка на срез имеем:
[sв]=400(МПа)
) Проверка на срез:
. (3.6)
где h0 - ширина витка в корневом сечении резьбы (h0=2.04мм).
2) Проверка на изгиб:
(3.7)
Все условия выполняются.
д) Размер заплечика D определяем из условия
смятия материала гайки под действием силы F по уравнению:
, (3.8)
где
Из конструктивных соображений принимаем D=2 мм.
е) Высоту заплечика hзап определяется из условия
изгиба под действием нагрузки F, без учёта запрессовки и трения на поверхности
гайки, по уравнению:
(3.9)
Из конструктивных соображений принимаем hзап = 6 мм.
Соединение гайки с корпусом имеет следующий вид (рис. 3.2).
рис. 3.2
Штифт 8Г
1 6ГОСТ
3128-70
4. РАСЧЁТ РУКОЯТКИ
Для повышения производительности труда используют рукоятки с
храповым механизмом.
Соединение храпового колеса с винтом бывает шпоночным,
штифтовым или профильным. Выбираем шпоночное соединение, выбираем в
соответствии с ГОСТ 23360 - 78 по диаметру вала: 30 -38 - 10 x 8.
Размеры храпового колеса не гостированы и выбираются
конструктивно. Обычно:
, примем
,
, Z = 8
После черновой прорисовки выполним проверочные расчеты:
1. Определим силу, действующую на ось собачки:
2. Рассчитаем зуб храпового колеса на смятие:
И
на изгиб:
.
Ось собачки рассчитываем на срез как двухсторонний стержень:
И
на изгиб как балку на двух опорах под действием сосредоточенной силы:
5. РАСЧЁТ КОРПУСА
Корпус домкратов для обслуживания авиационных изделий
представляет собой пространственную конструкцию, изготовленную из стальных (25
ХГС, 30 ХГС) или дюралевых (Д-16) труб или уголков.
Разложим силу F на три направления, находим силу FS, сжимающую подкос:
(4.1)
(4.2),
.(4.3)
Выбираем трубчатые подкосы(Д-16(sт=330МПа)).
Задаёмся предельной гибкостью [l]=120, из условия допускаемой гибкости находим наружный диаметр
трубы:
(4.4)
Принимаем наружный диаметр трубы dнтр=30мм,Sсеч=3.3см2
- осeвой момент сопротивления;
Размеры опорной плиты домкрата определяются из расчета на смятие
материала, на который устанавливается домкрат. Обычно под домкрат
подкладываются доски , шпалы , для которых допускаемое напряжения смятия [sсм] = 1¸ 2 Н/мм2. Принимаем [sсм]
= 1 Н/мм2
(4.6)
Определим диаметр плиты d.
(4.7)
Принимаем d=78мм.
6. ОПРЕДЕЛЕНИЕ КПД МЕХАНИЗМА
Коэффициент полезного действия механизма определяется по формуле:
, (5.1)
где
Ап
= FSi - работа сил полезного сопротивления за один оборот;
Ар
= Fpd2tg(y+r/) - работа сил полезного сопротивления и
трения в винтовой паре за один оборот;
Ам
= 2pТn - работа сил трения в подпятнике за один оборот
Aп+Aр=2pT ,
таким образом :
Таким образом, КПД механизма мало отличается от КПД винтовой
пары.
ЗАКЛЮЧЕНИЕ
домкрат самолетный рукоятка корпус
В данной работе был проведён расчёт и спроектирована
конструкция самолётного домкрата по предлагаемой схеме и заданным параметрам. В
ходе выполнения домашнего задания были приобретены навыки конструирования
винтовых передач, изучен и закреплён материал читаемого курса КММ, а также
получены первичные навыки конструкторского труда.
Был спроектирован механизм, преобразующий вращательное
движение в поступательное. Коэффициент полезного действия этого механизма равен
17,4%, что является хорошим результатом.
СПИСОК
ИСПОЛЬЗУЕМОЙ ЛИТЕРАТУРЫ
1.Анурьев
В.И. Справочник конструктора - машиностроителя: В 3-х т.М.: Машиностроение,
1979. Т.1,2
.Еофян
А.С., Дорофеев В.Г. Проектирование винтовых механизмов авиационных
устройств и роботов: Харьков, Харьк. авиац. ин-т, 1989.
.Муравьева
А.М., Яковлев Ю.В. Методические указания к выполнению домашнего задания по
винтовым устройствам: Харьков, Харьк. авиац. ин-т, 1981.